轴流风机技术说明
- 格式:docx
- 大小:32.56 KB
- 文档页数:6
船用轴流通风机cb标准-概述说明以及解释1.引言1.1 概述船用轴流通风机CB标准的概述部分旨在简要介绍本文的主题和内容。
本部分将从船用轴流通风机的定义、应用范围以及CB标准的背景等方面进行说明。
在船舶行业中,为了保持船舱内良好的通风环境,提供船员和乘客的健康与安全,船用轴流通风机被广泛应用。
船用轴流通风机是一种根据离心力原理运作的通风设备,通过其特有的轴流设计,可以有效地排除船舱内的污浊空气,并引入新鲜空气。
本文将重点关注船用轴流通风机的CB标准。
CB标准是由船舶行业相关机构制定的一项指导性准则,旨在规范船用轴流通风机的设计、制造和使用要求。
CB标准的制定和应用对于确保船舶通风系统的可靠性、高效性以及安全性具有重要意义。
文章将详细介绍CB标准的制定过程和背景。
制定CB标准的目的是为了促进船用轴流通风机的技术进步和标准化,以及提升通风系统的整体性能和质量。
CB标准的制定凝聚了行业内专家和学者的智慧和经验,对于推动船用轴流通风机的发展具有重要意义。
通过本文的研究,读者将了解CB标准在船舶通风系统中的重要性以及其在保障船舶安全和船员健康方面的作用。
除此之外,本文还将介绍CB 标准的应用案例,展示CB标准在实际船舶工程中的应用效果。
在接下来的章节中,我们将详细探讨船用轴流通风机的基本原理和特点,以及CB标准的制定和应用。
通过深入研究和分析,我们希望能够提高人们对于船用轴流通风机CB标准的认知和理解,为船舶通风系统的发展和应用提供有益的借鉴和指导。
1.2文章结构文章结构部分的内容如下:1.2 文章结构本文将按照以下顺序对船用轴流通风机CB标准进行详细介绍和分析:第一部分为引言部分,主要包括概述、文章结构和目的。
在概述中,将对船用轴流通风机CB标准的重要性和背景进行简要介绍,引出本文的研究内容。
接着,会详细说明文章的结构,给读者展示全文的组织框架和内容安排。
最后,说明本文的研究目的,明确本文的主要研究目标和意义。
轴流风机操作说明书篇一:轴流风机的使用说明轴流风机的使用说明轴流风机应有子午加速方法和“准三元”流动理论,采用直线外筒、锥型毂、扭曲翼形叶片当然结构形式。
压力较同型号轴流风机高,风量较同型号离心风机大。
本系列通风机设计颖,结构紧凑,体积小,重量轻,易安装,与老式的离心式风机相比可节电20%,转速小于2017r/min 时,噪声低于75dB(A),风机联接管道和安装在空调箱内时,噪声小于70dB(A)。
可代替2017p a以下的中。
具有效率高、体积小、节能好,噪声低,安装方便等优点。
低压离心风机,广泛用于宾馆、饭店、商场、写字楼、体育馆等民用建筑的通排风、管道加压送风及工矿企业的通风换气场所。
其中双速风机可根据使用工况要求通过变速来调整所需风量、风压。
一、风机的结构特性风机主要有叶轮、机壳、进口集流器、导流片、电动机等部件组成。
叶轮采用有子午加速特点的扭曲平板焊接在轮毂上。
经动平衡校验,超速试验,有良好的空气动力性能。
机壳采用圆形,与消音功能的集风器联接成整体。
出口装有导流片,具有良好的气流分布,压力稳定。
二、风机的用途系列轴流通风机广泛用于隧道、地下车库、高级民用建筑、冶金、厂矿等场所的通风换气及消防高温排烟.系列风机输送气体温度不得超过80℃,特殊环境可选用防暴型轴流风机,防腐型轴流风机。
三、风机性能的选择风机的性能在性能表上查阅,表中列出的性能是最高效率范围内的性能,按流量分为五个特点,选用时按性能表为准,出厂的风机合格品性能在额定流量下全压值不超过±5%。
性能选用表是标准状态下的性能,无聊技术文件或订货要求的性能均按标准状态为准,标准状态大气压=101325P a,t=20相对温度Ψ=50%空气状态,当实际使用条件下与上述不符合时按有关公式进行换算,风机安装方式可分为立式或卧式,如立式安装在订货中注明,如流量,压力安装尺寸等性能参数有特殊要求,公司将为您另行设计生产。
SZF-I-5-260-6-29°轴流式通风机SZF-I-5-260-6-29°Axial Fan产品手册Product Manuals2022年6月June2022样本编号(Catalog Identification No):29591浙江上风高科专风实业股份有限公司ZHEJIANG SHANGFENG SPECIAL BLOWER INDUSTRIAL CO.,LTD.1、AMCA印章浙江上风高科专风实业股份有限公司特此证明,此处所示SZF-I-5-260-6-29°轴流式通风机获得了加盖AMCA印章的授权。
所示额定值系根据AMCA出版物211和AMCA 出版物311所进行测试和程序确定,并符合AMCA认证额定值计划的要求2、产品概述SZF-I-5-260-6-29°轴流式通风机是我公司研发的一款效率高、低噪声、寿命长轴流风机。
它能满足280℃高温条件下连续运行30分钟,并已通过国家消防装备质量监督检验中心检测,获得CCC强制认证,可以满足送风/排风(排烟)的要求。
3、产品特点◆效率高:采用先进的动力学设计技术,通过CAE计算机模拟轴流式通风机运行环境(流场、速度、压力等)仿真设计。
多次反复试验验证和用户使用证明,具有效率高且高效区宽。
◆噪声低:采取从声源入手,为保证轴流式通风机低噪的运行环境,在气动结构设计时采取相应措施:从风机叶型设计、叶片安装角、叶片数上保证气流的均匀性,并使叶片通道呈流线型;◆寿命长:外筒法兰采用整体翻边旋压而成,风筒采用加厚材质,一体成型,使用寿命长。
◆振动小:风机经过严密的工序设计,每道工序均采用先进的设备加工,使积累和残留不平衡量减至最小,再经过严格的静、动平衡校验,其平衡精度达到ISO1940标准的G2.5平衡等级水平。
4、产品机构形式◆风机由叶轮、外筒、导叶、内筒、电机、安装支架等部件组成。
为适应不同工况要求,风机可配双速电机实现两档风量调节,也可配变频电机实行变频调速,建议调节频率锁定在25Hz~50Hz。
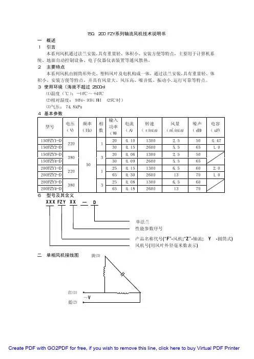
150、200FZY系列轴流风机技术说明书
一
概述1
引言
本系列风机通过法兰安装,具有重量轻、体积小、安装方便等特点,主要用于计算机系统、地面自动控制设备、电子仪器仪表装置等通风散热。
2主要特点
本系列风机由圆筒形外壳、塑料风叶及电机构成一体。
通过法兰安装,具有重量轻、体积小、安装方便等特点。
并具有风量大、风压高、噪音低、振动小.运行可靠等特点。
3使用环境(海拔不超过2500m)
⑴温度(℃):-10℃~+40℃⑵相对湿度:90%~95%RH(25℃时)⑶气压:74.8kPa
二
单相风机接线图
单法兰性能参数序号
产品名称代号(“F”-风机;“Z”-轴流;Y
-圆筒式)
风机号(用风叶外径毫米数表示)
红⑴蓝⑵
三风机的注意事项与维护
1安装使用时,风机的固定一定要牢靠,防止因安装不牢而引起振动,出现超负荷运行,从而烧毁电机。
2风机的吸风口附近应尽可能的清洁,防止尘土,水渍和其它杂物吸入电机内部:①形成短路介质;②损坏导线绝缘层,从而造成匣间短路,电流增大,温度升高而烧毁电机。
所以要保证风机有良好的通风冷却环境,使风机在长时间运行中保持安全稳定的状态。
3本产品质量保证期为产品出厂之日算起的存放期(包括运输期)与保用期之和。
该风机有效期为1年。
在保用期内发现风机因本身问题造成不能使用,请通知本厂进行维修,不可擅自拆开,否则后果自负。
设备风量:1300-35000m3/H(轴流);500-20000m3/H(斜流);作用:专为气体灭火形式的消防系统设计,可在火灾后有效排除灭火气体,及火灾产生的烟气;适用的灭火气体有:七氟丙烷、CO2、混合气体等;应用于IDC机房、通讯机房等各类型机房,及其他气密性封闭环境;产品说明:具有普通轴流风机(适用T35-11系列国家标准)与斜流风机两种形式;采用电机直联结构。
风机由叶片、电机、风机机壳、轮毂、轴、轴承、电机支撑板、集风器等部分组成。
在两端接风管的系统中可将集风器卸下使用。
产品特点:结构上:风道采用筒形轮毂结构,结构上降低了流动损失,使得效率更高、噪音更低;扇叶:扇叶采用先进的翼形设计;使风机效率提高到77%,噪音降低了3.6db;同时轴流风机叶片与轮毂通过螺栓连接,结构上增加了叶根处强度,在排除比重较大的灭火气体时有效防止叶片断裂现象。
电机:采用电机直接驱动方式,特选风冷鼠笼式、全封闭湿热型优质电机,采用全压启动,IP55防护等级,风压大,噪音低,做功效率高,性能稳定,经久耐用;U系列采用的电机绝缘等级为F级;电机的设计寿命超过150000小时,轴承的设计寿命超过30000小时。
可根据需要定制,满足降噪、防爆、防腐、耐湿热、单项、屋顶等要求;选装件:1、T308系列电动密闭阀/防火阀;2、联动控制箱(KZPY1/KZPY3)技术参数:轴流风机轴转速2900转/分(7.1级辆以是这1450转/分;面对进气口看叶轮逆时针转动。
如何安装:1.一般应采用吊顶安装,PY2.0,PY2.5可选择墙洞安装或者地板下安装;2.进出风口应制作帆布软连接,软连接长度应小于20cm;3.吊装前先通电试运行,验证无误后再吊装;4.安装时,4.0以下的轴流风机,可选择减震胶垫作为减震措施;4.0以上的轴流风机,应根据重量及功率选择合适的减震装置和紧固螺栓;5.应按照【通风及空调工程施工及验收规范】GB 50243-2002进行风道施工。
轴流风机工作原理轴流风机是一种常见的工业设备,它通过转动的叶片将气体或气体混合物从一个地方输送到另一个地方。
它在许多领域都有广泛的应用,比如空调系统、通风系统、烟囱排烟等。
那么,轴流风机是如何工作的呢?接下来,我们将深入探讨轴流风机的工作原理。
首先,我们来了解一下轴流风机的结构。
轴流风机通常由外壳、叶轮、电机和支架等部件组成。
外壳是整个风机的外部保护罩,叶轮是风机的核心部件,它由多个叶片组成,可以通过电机带动旋转。
电机则是提供动力的装置,支架则是用来支撑整个风机的结构。
当轴流风机开始工作时,电机会带动叶轮旋转。
叶轮的旋转会使空气产生一个向前的推力,从而将空气或气体混合物从一个地方输送到另一个地方。
这个过程可以简单地理解为叶轮旋转产生的离心力使得空气被推动而产生气流。
在轴流风机内部,气体会遵循叶轮的旋转方向,沿着轴线方向移动。
叶轮的设计和旋转方向决定了气体的流动路径,使得气体可以被有效地输送。
同时,外壳的设计也会对气体的流动起到一定的引导作用,确保气体能够顺利地从进气口输送到出气口。
此外,轴流风机还可以通过调节叶轮的转速来控制气体的输送量。
当需要增加气体的输送量时,可以增加叶轮的转速,从而提高气体的流速和流量;相反,当需要减少气体的输送量时,可以减小叶轮的转速,从而降低气体的流速和流量。
总的来说,轴流风机的工作原理可以简单概括为,通过电机带动叶轮旋转,叶轮的旋转产生离心力推动气体流动,从而实现气体的输送。
叶轮的设计和转速的调节可以影响气体的流动路径和输送量,从而满足不同场合的需求。
在实际应用中,轴流风机的工作原理为我们提供了便利,使得空调系统、通风系统等设备能够正常运行。
通过深入了解轴流风机的工作原理,我们可以更好地理解其在工业生产中的作用,为相关设备的选型和使用提供参考依据。
综上所述,轴流风机通过电机带动叶轮旋转,利用离心力推动气体流动,实现气体的输送。
叶轮的设计和转速的调节可以影响气体的流动路径和输送量,从而满足不同场合的需求。
轴流风机技术说明轴流风机技术说明本文介绍了轴流风机的技术要求,其中包括采用的规范和标准,以及整体技术要求。
8.1 采用规范与标准在使用轴流风机时,应遵照下列技术标准和规范,包括通风机基本型式尺寸参数及性能曲线、工业通风机尺寸、消防排烟风机耐高温试验方法、工业通风机用标准化风道进行性能试验、声学、风机和其它通风设备辐射入管道的声功率测定、管道法、空调风机噪声声功率级测定—混响室法、工业通风机现场性能试验、一般用途轴流通风机技术条件、通风机转子平衡、工业通风机叶轮超速试验、风机包装通用技术条件、工业通风机噪声限值、通风机振动检测及其限值、空调用通风机安全要求、风机和罗茨鼓风机噪声测量方法。
如果出现两个标准不一致,或本技术规格书所使用的标准与供货商所使用的标准不一致,除非特别说明,应按较高标准执行,并且所有标准采用合同生效时的最新版本。
8.2 技术要求整体技术要求包括以下几点:1)风机表面应清洁、平整、无碰伤、划痕及锈斑;漆层牢固、色泽均匀一致,无起泡、缩皱和剥落现象。
2)电机应为内置式。
3)风机由机壳、叶轮、电机、软接头、电源接线盒等组成,吸风端无接管的风机需设置集流器和入口网罩。
4)风机应为高效、低噪声设备。
5)排风机(兼排烟风机)、排烟风机具有耐高温280℃、持续运行1h的功能要求。
6)风机出口最大风速不超过17m/s。
7)风机电机的底座及支架应有特别的锁紧及固定以保证安全可靠。
8)在额定转速的工作区域内,风机的实测空气动力性能曲线与提供的性能曲线偏差应满足以下要求:9)在额定流量、压力下,风机的流量、压力最大偏差不大于±5%,风机效率最大偏差不大于3%,噪声达到工业通风机噪声限值JB/T8690要求。
10)风机使用寿命年限不小于15年,第一次大修前安全运转时间≥h。
11.风机和电机的电源采用380V / 50Hz电源,电源接线盒应符合规定的进线要求,并设在机壳外方便操作(根据各车站的设计要求确定)。
T35-11型轴流通风机简介T35-11型轴流通风机是“六五”期间机械部《机械工业科学发展计划》重点改造项目之一。
T35-11型的主要目的是替代30K4型(又称03-11型)和T40型。
30K4型是五十年代引进苏联产品,T40是“全国风机行业30K4改造小组”于1977年为代替30K4而设计的产品,因而性能较30K4改造有所提高。
T35-11型对T40和国外同类产品进行了分析对比,通过模型级试验研究,确定了风机翼型,采用了圆筒型轮彀结构,电机进行了改型设计,结构上减少了流动损失,因之使风机效率出口按圆面积计算提高了77%,按出口环面积计算提高到了89.5%。
噪音比A声级降低了3.6dB,又增强了叶根处的强度,而避免了叶片断裂现象。
T35-11型轴流通风机可用作一般工厂、仓库、办公室、住宅内通风换气或加强暖气散热之用,若将机壳去掉,则可作自由风扇用,也可在较长的排气管道内间隔串联安装,以提高管道中的风压。
本系列产品按叶轮直径不同共分为十三种机号,依次排列为№2.8、3.15、3.55、4、4.5、5、5.6、6.3、7.1、8、9、10、11.2等。
每一种机号叶片又可安装15°、20°、25°、30°35°五种角度。
该风机可制作普通、防爆二种。
本系列产品均采用叶轮直接装在电机轴上的直联结构。
在叶轮圆周速度不超过60米/秒条件下配用三种转速:2900、1450、960转/分。
而对进风口方向看叶轮为逆时针转动,进气方向在叶轮端。
通过本风机的气体应无腐蚀性及显著粉尘,其湿度不得超过60℃。
本风机主要由叶轮、机壳、集风器等三部分组成。
叶轮部:由叶片和轮壳组成,叶片由玻璃钢压制而成,且按选定之安装角度于轮彀上。
机壳部:由风筒、支架组成。
均采用玻璃钢制成。
风筒为圆筒型与叶轮之间有一定间隙。
集风器部:由集风器法兰、集风器组成,集风器为圆弧流线型,可减少气流入口的损失,由玻璃钢制成。
天津市地铁2号线环控系统小风机设备采购用户培训手册供货商:上虞专用风机有限公司日期:2011年4月3日目录1风机特性介绍----------------------------------------------------1 2风机使用说明书--------------------------------------------------6 3风机故障处理---------------------------------------------------17 4安装调试所需工具-----------------------------------------------211风机特性介绍一、DTF型地铁隧道轴流风机1.产品概述1.1. DTF系列地铁隧道轴流风机广泛应用于各大中型城市的地铁及快速轨道交通工程的地下车站通风系统。
1.2. 该系列风机共有18种机号,即5#、5.6#、6.3#、7.1#、8#、9#、10#、11.2#、12.5#、14#、15#、16#、18#、20#、22#、24#、26#、28#,又分6叶片、8叶片、10叶片、12叶片和不同转速共40种规格。
风机风量自4000~900000 m³/h,风压50~2000Pa。
该系列风机不论直径大小,均采用电机直联方式,安装时只要直接连接输气管和固定底脚螺栓即可。
该系列风机应用于风机静压与全压比要求较高而风机直径选择较小的通风系统,则本公司可以加设α≤7.5°的收缩段和扩压段,有利于降低风速,提高静压回收率,进一步降低电能消耗。
1.3. 该系列风机根据使用场合所需的不同技术性能参数需要,可以改变转速,改变叶片数,改变叶片安装角,以满足不同工况使用的需要。
风机转速按机号大小,在额定叶尖线速度≤136.5m/s情况下分1485、985、745、585rpm四档转速。
该系列风机设有防喘振装置,使风机全性能不会发生喘振,在工程安装中,无须安装喘振报警装置。
HTF 系列轴流式消防排烟风机一、HTF 系列轴流式消防高温排烟风机概述、特点1、HTF 系列消防高温排烟轴流风机经“国家消防装备质量监督检验中心”检验合格,其性能达到国内领先水平,经全国三十多个省市的消防局认可.2、风机测试符合CA211-1999《消防排烟风机耐高温试验方法》标准要求,建立高于该标准的企业内控保证体系,能在300℃高温度条件下连续运行60分钟以上、100℃温度条件下连续20小时/次不损坏,广泛应用于各类民用建筑消防系统、烘箱、地下车库、隧道等场合。
3、本系列风机采用先进的计算机辅助CAD 软件经多目标优化设计研制开发的新产品,经实测表明风机效率大于82%,部分大机号大于85%,并具有效率曲线平坦的特点,有利于节能。
4、风机基本形式为轴流式,可直接与风管连接或墙壁安装,安装形式可采用垂直或水平式。
很大程度的节省了占地面积。
二、HTF 系列轴流式消防高温排烟风机性能的选择和型号说明1、风机的性能表中列出的性能是最高效率范围内的性能,按风量分为五个性能工况点,选用时按性能表为准。
出厂的风机合格品是在额定风量下,全压值误差不超过±5%,性能选用表是标准状态下的性能,无论技术文件或订货要求的性能均以标准状态为准。
2、风机安装方式可分为卧式和屋顶式,如对风量、全压、安装尺寸等性能有特殊要求时,我公司将为您另行设计生产。
3、HTF 消防高温排烟轴流风机,有HTF-I (单速)和HTF-II (双速)两种4、HTF-X 为配带消音器的消防排烟风机代号。
5、HTF-W 为屋顶式安装的消防排烟风机代号。
三、HTF 系列轴流式消防排烟风机性能参数表1. HTF-I单速消防排烟轴流风机性能参数表四、HTF-I、II系列轴流式消防高温排烟风机外形及安装尺寸表五、HTF-W系列屋顶消防高温排烟风机外形及安装尺寸表。
防爆轴流风机技术说明书防爆轴流风机技术说明书一、产品简介防爆轴流风机采用最新开发的结构形式,它采用椎轮、轴套、轴般、涡轮、空气阀等多种组件来完成对空气的输送和排放。
它具有高效率、低噪音、体积小、重量轻的特点,适用于危险用户环境,如煤矿、烟花爆竹厂及重大工程等地方。
二、产品特点1、采用最新开发的新型结构,可有效提高产品的效率。
2、体积小重量轻,能安装到低空间空间,使安装工作更加方便快捷。
3、采用高品质的防爆材料,可有效防止爆炸瞬间的温度等大量火花的出现,从而使产品性能更加稳定可靠。
4、采用节能设计,可有效减少能耗。
5、采用高性能的密封及密封材料,使抗压性能更强。
6、采用多种安全装置,使运行更加安全可靠。
三、技术参数1、电压:220V/380V/415V2、输出功率:0.55—2.2KW3、转速:1450r/min—3000r/min4、最大风量:≤2500m3/h5、最大静压:≤4500Pa6、噪音:≤65dB四、安装方法1、安装时请查看产品说明书的安装指引。
2、风机安装的垂直度要求不高,但是安装位置不应有弯曲或者阻挡。
3、风机对安装地点的要求较小,但是应尽量选择地面固定安装,避免空气流量受到阻碍。
4、安装之前,需要对防爆风机的连接部位核实清洁,使用前应先行测试风机的性能参数是否正常。
五、使用注意1、防爆轴流风机使用前必须查看产品说明书,加以正确操作;2、若防爆轴流风机在运行过程中发出异常噪音,说明轴承或者润滑油出现问题,应及时检查更换;3、防爆轴流风机必须放置在防爆用户环境中,以确保安全使用;4、安装时必须使用防爆螺栓,注意防爆轴流风机之间的间隙;5、使用中应检查总成的支架是否处于稳定状态,如果发现变形、现象,应及时停止使用,并进行检修。
风机安装、调试、运行、维护保养说明书地铁隧道轴流风机安装、调试、运行、维护使用说明书操作须知及注意事项1)、在安装、使用风机之前,请仔细阅读、理解本使用说明书中的全部内容,并按说明书中规定和规程要求进行操作,保证风机安全运转。
2)、如果对本说明书中的内容有不明之处或疑问,尽请与我公司联系。
3)、由于本使用说明书的不详尽而导致风机的损坏我公司不负责任。
4)、除合同规定的质量保证之外本公司不负责其它含义的质量保证和保修。
5)、合同规定的质量保证不适用于下列情况:(1)、设备的操作和维修没有严格遵循本使用说明书的要求和操作规程;(2)、由于操作失误而造成设备的损坏;(3)、由于周围环境事故而造成设备损坏;6)、设备实际使用条件应与设计时给定的参数相一致。
7)、所使用的电气接线一定要等于或超过每台风机电机铭牌上规定的性能值。
8)、维修时必须确认设备已完全切断电源的情况下方可进行。
9)、不得将设备上的电气保护装置拆卸或丢弃。
10)、当维修后的风机重新启动之前必须仔细检查风机叶片外弦与筒壁的间隙、螺栓的拧紧度,清理风机内及周围的遗留物。
11)、按本使用说明书要求对设备进行定期的维护保养。
一、概述地铁隧道轴流风机系上风实业股份有限公司凭借近三十年的轴流风机专业研发经验,并借鉴国外发展轴流风机的先进经验,联合国内科研单位、大专院校,通过精心设计、计算和大量模型和实物风机试验、开发和逐步扩展、完善而完成的。
上风设计生产的地铁隧道轴流风机具有效率高、噪声低、性能曲线平稳、运行高效区宽、结构紧凑、运行安全可靠、变工况调节简单、安装维护保养简便等显著特点,其综合性能领先于同行业同类产品,处于国内领导者的地位。
输送介质为空气和自然的、对人体无害的气体。
根据使用要求,产品分为单向和可逆转双向两类。
上风生产的地铁隧道风机已广泛应用于地铁、矿山、隧道、发电厂、高层建筑、大型工厂等HVAC系统,经过运行考核,用户给予了高度评价。
20号轴流风机参数
轴流风机的参数包括风量、静压、功率、噪音和电压等。
以下是这些参数的具体说明:
1. 风量:指轴流风机单位时间内通过风机的气体体积,通常以立方米每小时(m³/h)作为单位。
2. 静压:指轴流风机通过风机时产生的压力,通常以帕斯卡(Pa)作为单位。
静压的大小决定了风机在一定风量下的效率和运行能力,对风机选型来说至关重要。
3. 功率:风机的功率是指轴流风机在工作过程中所消耗的电能,通常以千瓦(kW)作为单位。
选择适合的功率可以确保风机正常工作,并且避免能源
浪费。
4. 噪音:噪音是轴流风机工作时产生的声音,通常以分贝(dB)作为单位。
在选择轴流风机时,需要考虑噪音对工作环境和人员的影响,选择低噪音的风机更加舒适和安全。
5. 电压:电压是指轴流风机所需的电气电压,常见的电压有220V和380V
两种。
根据实际条件,选择适合的电压可以确保轴流风机正常工作。
具体到某一型号的风机参数,需要查阅相关的产品说明书或与厂家联系以获取具体信息。
以上信息仅供参考,如有疑问,可咨询相关技术人员或厂家。
风机技术要求4.1 总则4.1.1 说明本章说明有关各类型风机的制造、安装及调试所需的各项技术要求。
4.1.2 一般要求(1) 须按照设备表内所标注的送风量、数量、用电量及风机类型选取且提供合适的风机。
任何对系统因须满足所列的功能和空间而引起的须对部份设备(如风机、电动机、控制组件、电缆等)作修改或更换以匹配时, 费用一概由分包商负责, 除非修改是由更改指示所致。
(2) 有关设备,无论在运送、储存及安装期间应采取正确的保护设施,以确保设备在任何情况下不受破损。
(3) 如无特别标明,所有风机的出风口风速不能超过10 米/秒以减低噪音产生。
4.1.3 质量保证(1)厂家需具有五年以上生产同类型的风机的经验,而且有关风机须符合有关技术要求。
(2) 所有风机的驱动型式及配件,应按照美国AMCA 或其它国际认可机构/组织所制定的标准要求进行设计及试验。
(3) 风机应按照美国AMCA 标准第210 的最新版本的要求或其它国际认可机构组织所制定的标准进行测试。
(4) 风机运行时所产生噪音应达到美国AMCA 标准或其它国际认可机构/组织所制定有关送风设备噪音调试的要求和不超过环保局所订定的标准。
(5) 每台风机须附有详细标明厂家的名称、设备的型号和编号及有关的技术数据等资料的标志名牌。
(6) 系统设计、系统之各项指标、系统设备、材料及工艺均须符合我司所提供的规范/标准。
4.1.4 资料呈审(1) 提交由原厂所编印的风机特性曲线,显示有关风机的总负荷功能,空气流量与压头,风机功率,噪音水平等技术资料。
(2) 提供完整的设备配件表及原厂建议的后备配件表。
(3) 提供有关风机于工地所进行的试验报告,内容须包括试验时所得的数据和结果。
(4) 提供每一风机在指定的工作条件下所产生由63HZ 到8000HZ 频带的噪音数据。
(5) 提交由原厂编印的安装、操作及维修手册。
(6) 提交安装大样图包括风管接驳,避震弹簧,吊架及其它土建要求。
轴流风机技术说明8.1采用规范与标准设备及施工技术所涉及的产品标准规范、工程标准规范、验收标准规范等应遵照(但不限于)下列技术标准和规范。
出现两个标准不一致,或本技术规格书所使用的标准与供货商所使用的标准不一致时,除非特别说明,应按较高标准执行,并且所有标准采用合同生效时的最新版本。
《通风机基本型式尺寸参数及性能曲线》(GB/T 3235)《工业通风机尺寸》(GB/T 17774)《消防排烟风机耐高温试验方法》(GA 211)《工业通风机用标准化风道进行性能试验》(GB 1236)《声学、风机和其它通风设备辐射入管道的声功率测定、管道法》(GB/T 17697)《空调风机噪声声功率级测定—混响室法》(JB/T 10504)《工业通风机现场性能试验》(GB/T 10178)《一般用途轴流通风机技术条件》(JB/T 10562);《通风机转子平衡》(JB/T 91014)《工业通风机叶轮超速试验》( JB/T 6445)《风机包装通用技术条件》(JB/T 6444)《工业通风机噪声限值》( JB/T 8690)《通风机振动检测及其限值》(JB/T 8689)《空调用通风机安全要求》(GB 10080)《风机和罗茨鼓风机噪声测量方法》(GB/T 2888)8.2技术要求整体技术要求(1)风机表面应清洁、平整、无碰伤、划痕及锈斑;漆层牢固、色泽均匀一致,无起泡、缩皱和剥落现象。
(2)电机为内置式。
(3)风机由机壳、叶轮、电机、软接头、电源接线盒等组成,吸风端无接管的风机需设置集流器和入口网罩。
(4)风机应为高效、低噪声设备。
(5)排风机(兼排烟风机)、排烟风机具有耐高温280℃、持续运行1h的功能要求。
(6)风机出口最大风速不超过17m/s。
(7)风机电机的底座及支架应有特别的锁紧及固定以保证安全可靠。
(8)在额定转速的工作区域内,风机的实测空气动力性能曲线与提供的性能曲线偏差应满足一下要求:(9)在额定流量、压力下,风机的流量、压力最大偏差不大于±5%,风机效率最大偏差不大于3%,噪声达到《工业通风机噪声限值》JB/T8690要求。
(10)风机使用寿命年限不小于15年,第一次大修前安全运转时间≥24000h。
(11)风机配用电机采用380V / 50Hz电源,电源接线盒须考虑合乎规定的进线要求并设于机壳外便于操作处(根据各车站设计要求确定)。
(12)由于风机设置在地下机房内,要求风机结构紧凑,且风机整体设计应考虑风机的拆卸维修,连接风机的软接、基础固定螺栓均可灵活拆卸。
(13)耐高温风机配套的软接需耐高温280℃/1h。
(14)风机叶轮的动、静平衡应满足G2.5级振动要求。
所有风机在装配后应做整机动平衡,其标准应基于ISO 1940及AMCA 204/3标准G 2.5 级,出厂前并在每台风机上附有由计算机打印出的振动频谱分析图表。
8.3主要部件和材料性能(1)叶片1)风机动叶片采用高强度铝合金材料钢模压力铸造或高强度钢板叶片;2)叶片与筒身间的运转间隙,普通风机应不大于叶轮直径的1%;排烟风机由于机械膨胀系数与常温不同,其间隙应不大于2%;3)叶片应靠键与键槽牢固地固定在驱动轴上。
轴向应通过锥套式连接结构将叶片缩紧在驱动轴相应的位置。
便于拆装维护。
(2)电机1)电机机轴承采用优质轴承,累计运行时间不小于7.5x104h,第一次维护前安全运转时间不小于1x104h。
电动机需采用二级能效;2)电动机为风冷、鼠笼式、全封闭湿热型标准产品,采用电机直接驱动方式,电机暴露于空气中,具排烟功能风机配套电机绝缘等级为H级,防护等级IP55,并能耐高温280℃持续运行1h;其它风机的配套电机绝缘等级为F级,防护等级IP54;3)风机所配用的电机应在连续运行的所有方面,符合IEC 34或相应级别的标准要求,可在t≤45℃,相对湿度φ≤95%的环境下连续操作;电机应是球式或柱式轴承,密封油脂或软润滑脂结构。
风机及传动装置应具有良好的接地措施以避免静电累积。
(3)机壳1)机壳采用优质钢板焊接而成;2)且机壳法兰采用整体翻边形式,机壳镀锌层单层平均镀锌量不低于505g/m2。
应使叶片边缘与机壳间的缝隙最小且各处保持均匀。
(4)减振1)风机在组装过程中,静平衡先于动平衡,正常运行时,其机壳振动速度有效值不大于4.5mm/s;2)应提供与风机配套的减振器和紧固螺栓。
控制方式轴流风机由车站控制、就地控制二级组成,就地控制具有优先权。
上述控制由低压配电、EMCS(招标人另行采购)共同实现。
车站控制是指在车控室对风机及其相应风阀的运行状态作控制及显示。
就地控制是在风机电源控制柜处进行操作,供机组安装、调试、检修时在现场使用,具有优先权。
安全装置对结构专业提供风机荷载点的静荷载和动荷载以及对基础的振幅与幅率要求,并提供安装要求。
相关接口及技术参数风机配用电机采用380V±2% / 50HZ±2% 三相电源;电机直接启动风机安装在地下车站中楼板基础上或吊装于车站顶板,为方便安装并防止或减少风机振动影响,风机出厂时,随机配备减振器、紧固件和软接头(如为排烟风机,则须选用耐高温软接-附国家级消防测试机构的型式试验证书);应提供各种型号风机运转时噪声频谱分析,以便配用消声器风机采用铜质或不锈钢铭牌及叶轮旋向和气流方向标志;8.4安装(1)风机安装施工工艺流程施工准备基础复测放线设备出库、运输设备开箱检查设备就位固定调整设备单机调试初验收(2)风机安装施工方法①施工准备:进入轨行区施工必须按照业主的要求,提前申报,填写申请报告。
在得到现场监理的签字认可之后,方能进入轨行区施工。
②基础复测、验收:设备安装前应会同监理、土建施工方等单位一起根据设计图纸和规范对基础进行复测验收,检查的主要项目有:基础表面有无蜂窝、空洞;基础标高和平面位置是否符合设计要求;基础形状和各部主要尺寸、预留孔的位置和深度是否符合要求。
风机基础的允许偏差见下表:项次偏差名称偏差值(mm)1 坐标位置(纵、横中心线)202 各不同平面的标高0、-203 上平面外形尺寸±204 凸台上平面外形尺寸0、-205 凹槽尺寸+20、06 平面的水平度5mm/m、全长10mm7 垂直度5mm/m、全长10mm③作好复查记录,验收合格后应由监理、土建、安装单位三方签证并归档。
待基础现场打扫干净,根据设计和设备底座地脚螺栓孔,在基础上准确的放出设备纵横中心线,并放出减震器定位线。
为设备就位作好准备。
④设备就位:减震器安装完成并检查核对无误后,便可就位风机设备,风机就位时,用千斤顶将设备顶起略高出减震器上表面50mm,通过轨道或型钢缓慢将风机移至基础上,对准减震器和设备底座螺栓孔,将风机放至减震器上,拧定位螺栓。
⑤风机就位工作完成后,应检查各承载减整器是否受力均匀,各压缩量是否一致,是否有歪斜变形,如有不一致,应重新进行调整,直到设备技术文件的规定。
(3)风机设备安装技术要求和注意事项①先检查风机外露部分有无锈蚀,主要零部件和重要部位有无碰伤和明显变形。
②风机的润滑、油冷却和密封系统的管路等不得有泄漏等任何缺陷,受压部分均应作强度试验。
水压试验压力为最高工作压力的1.25-1.5倍。
气压试验的压力应为最高工作压力的1.05倍。
润滑、传动系统应进行清扫并应按有关文件要求加注润滑剂,不得使用代用品。
③风机的横向中心线以进出口管道中心为准,纵向中心线以传动轴为准,其偏差不得大于±5mm。
④风机标高以传动轴为基准点,偏差不得大于±10mm。
⑤风机水平度为0.2mm。
⑥风机盘车应灵活,无阻滞现象和无异常声音。
在安装过程中需做好保护工作。
⑦风机在搬运和吊装时,绳索不得捆缚在转子和机壳上盖或轴承上盖上。
现场吊装风机时,绳索不得捆绑在有可能损坏机件表面和转子的地方,转子轴颈和轴封处,均不得作为捆绑的地方。
转子和机壳在吊装时应保持水平。
⑧风机定位、皮带轮组装以及风机安装允许偏差应符合设备技术文件及规范要求。
皮带松紧度要适当、不能有跑偏现象。
8.5系统试运转及调试①送排风系统工程安装完毕,必须进行系统的测定和调整(简称调试),系统调试应包括下列项目:设备单机试运转及调试;系统无生产负荷下的联合试运转及调试;②送排风系统的连续试运转不应少于2h。
③设备单机试运转及调试应符合下列规定:通风机的风机、叶轮旋转方向正确、运转平稳、无异常振动与声响,其电机运行功率应符合设备技术文件的规定,在额定转速下连续运转2h后,滑动轴承外壳最高温度不得超过70℃,滚动轴承不得超过80℃。
制冷机组的试运转,应符合设备技术文件中的有关规定,正常运转不应少于8h。
④系统联动试运转应在通风机单机试运转和风管系统漏风量测定合格后进行,通风工程系统无生产负荷联动试运转及调试应符合下列规定:系统联动试运转过程中,设备及主要部件的联动必须动作协调、正常,无异常现象;通风系统经过平衡调整,各风口或吸风罩的风量与设计风量的允许偏差不应大于15﹪;通风系统总风量调试结果与设计风量的偏差不应大于10﹪;⑤送排风系统工程的控制和监测设备,应能与系统的检测元件和执行机构正常沟通,系统的状态参数应能正确显示,设备联锁、自动调节、自动保护应能正确动作。
⑥风口的风量测量,在风口用风速仪测取风口断面平均风速,再乘以风口净面积,即得风口的风量。
⑦系统风量调整采用“流量等比分配法”,从系统最不利环路的末端开始,最后进行总风量的调整。
⑧通风机的噪声测量,应按现行国家标准《采暖通风与空气调节设备噪声声功率级的测定──工程法》GB9068的规定执行。