D触发器及其应用实验报告
- 格式:doc
- 大小:587.00 KB
- 文档页数:4
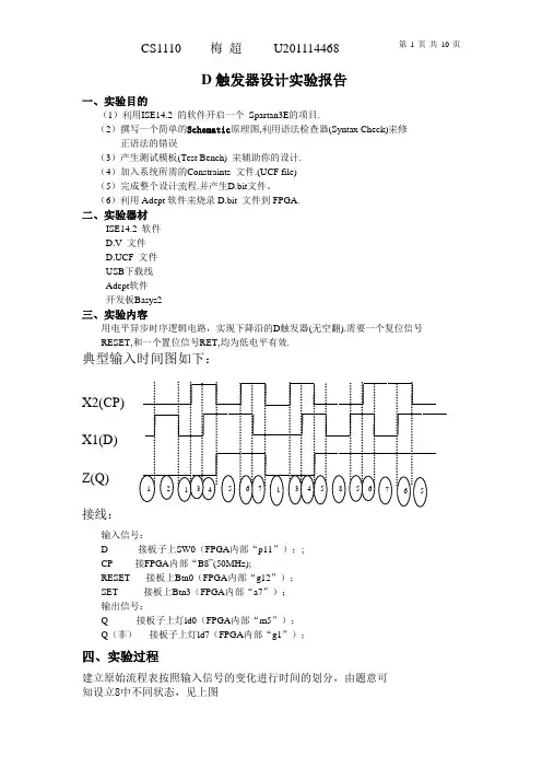
实验五D触发器及其应用实验人员:班号:学号:一、实验目的1、熟悉D触发器的逻辑功能;2、掌握用D触发器构成分频器的方法;3、掌握简单时序逻辑电路的设计二、实验设备74LS00 ,74LS74,数字电路实验箱,数字双踪示波器,函数信号发生器三、实验内容1、用74LS74(1片)构成二分频器、四分频器,并用示波器观察波形;74LS74是双D触发器(上升沿触发的边沿D触发器),其管脚图如下:其功能表如下:○1构成二分频器:用一片74LS74即可构成二分频器。
实验电路图如下:○2构成四分频器:需要用到两片74LS74。
实验电路图如下:2、实现如图所示时序脉冲(用74LS74和74LS00各1片来实现)将欲实现功能列出真值表如下:00010011101110010001通过观察上面的真值表,可以得出下面的表达式:连接电路图如下:四、实验结果1、用74LS74(1片)构成二分频器、四分频器。
示波器显示波形如下:○1二分频器:○2四分频器:2、实现时序脉冲。
示波器显示波形如下:五、故障排除在做“用74LS74(1片)构成二分频器、四分频器”时,连接上示波器后,发现通道二总显示的是类似于电容放电的波形,但表现出了二分频。
反复排查问题均没有发现原因。
最后换了一根连接示波器的线,便得到了理想的结果。
在示波器使用时想要用U盘保存电路波形,不会操作。
后来在询问了同学之后才知道只需要按“print”就好。
六、心得体会通过此次实验,我更深入地领悟了触发器的原理和用法,还复习了示波器的用法,还学会了如何保存示波器波形。
实验三 触发器及其应用一、 实验目的1. 熟悉基本D 触发器的功能测试。
2. 了解触发器的两种触发方式(脉冲电平触发和脉冲边沿触发)及触发特点。
3. 熟悉触发器的实际应用。
二、 试验设备1. 数字电路试验箱2. 数字双踪示波器3. 函数发生器4. 74LS00、74LS74三、 试验原理触发器是一个具有记忆功能的二进制信息存储器件,是构成多种时序电路的最基本逻辑单元,也是数字逻辑电路中一种重要的单元电路。
在数字系统和计算机中有着广泛的应用。
触发器具有两个稳定状态,即“0”和“1”,在一定的外界信号作用下,可以从一个稳定状态翻转到另一个稳定状态。
触发器呦集成触发器和门电路(主要是“与非门”)组成的触发器。
按其功能可分为有RS 触发器、JK 触发器、D 触发器、T 和T ’功能等触发器。
触发方式有电平触发和边沿触发两种。
D 触发器在时钟脉冲CP 的前沿(正跳变0→1)发生翻转,触发器的次态1+n Q 取决于CP 脉冲上升沿到来之前D 端的状态,及1+n Q =D 。
因此,它具有置0、置1两种功能。
由于在CP=1期间电路具有维持阻塞作用,所以在CP=1期间,D 端的数据状态变化,不会影响触发器的输出状态。
D R 和D S 分别是决定触发器初始状态n Q 的直接置0、置1端。
当不需要强迫置0、置1时,D R 和D S 端都应置高电平(如接+5V 电源)。
74LS74(CC4013)等均为上升沿触发的边沿触发器。
图(1)为74LS74的引脚图,图(2)为其逻辑图,表(1)为其真值表。
D 触发器应用很广,可用做数字信号的寄存,移位寄存,分频和波形发生器等。
74LS000的引脚排列如图(3)。
图(1)图(2)表(1)图(3)四、试验内容1.用双D触发器构成二分频器2.用双D触发器构成四分频器3.生成如图所示时序脉冲五、试验结果1和2设计连接示意图见图(4)。
在CP1端加入1KHz,峰峰值为5.00V,平均值为2.50V的连续方波,并用示波器观察CP,1Q,2Q各点的波形,见图(5)。
d触发器实验报告D 触发器实验报告一、实验目的1、深入理解 D 触发器的工作原理和逻辑功能。
2、掌握 D 触发器的特性测试方法。
3、学会使用实验仪器和设备进行电路搭建和测试。
二、实验原理D 触发器是一种具有存储功能的逻辑单元,它在数字电路中有着广泛的应用。
D 触发器的特点是在时钟脉冲的上升沿或下降沿,将输入的数据(D 端)存储到输出端(Q 端)。
其逻辑表达式为:Q(n+1) = D (在时钟上升沿或下降沿时)D 触发器通常由门电路组成,常见的有基于与非门的实现方式。
三、实验设备与材料1、数字电路实验箱2、 74LS74 双 D 触发器芯片3、示波器4、直流电源5、逻辑电平测试笔6、若干导线四、实验内容及步骤(一)测试 D 触发器的逻辑功能1、按照实验箱的说明,将 74LS74 双 D 触发器芯片插入合适的插槽。
2、连接电路,将 D 端分别接高电平和低电平,时钟端(CLK)接入脉冲信号,使用逻辑电平测试笔观察 Q 端和\(\overline{Q}\)端的输出电平。
3、记录不同输入情况下的输出结果,验证 D 触发器的逻辑功能。
(二)观察 D 触发器的状态转换1、将 D 端接一个可手动控制的电平开关,CLK 端接入连续的时钟脉冲。
2、通过示波器观察 Q 端的波形,观察在不同 D 输入时,Q 端的状态转换情况。
(三)构建一个简单的计数器1、使用两个 D 触发器串联,构成一个 2 位二进制计数器。
2、输入时钟脉冲,观察计数器的计数过程,验证其功能。
五、实验数据记录与分析(一)逻辑功能测试数据| D 输入| CLK 脉冲| Q 输出|\(\overline{Q}\)输出||||||| 0 |上升沿| 0 | 1 || 0 |下降沿| 0 | 1 || 1 |上升沿| 1 | 0 || 1 |下降沿| 1 | 0 |从上述数据可以看出,D 触发器在时钟脉冲的上升沿或下降沿,能够准确地将 D 端的输入存储到 Q 端,符合其逻辑功能。
d触发器实验报告D触发器实验报告引言:D触发器是数字电路中常用的一种时序电路元件,其具有存储和传输数据的功能。
本实验旨在通过搭建和测试D触发器电路,加深对该元件的理解,并验证其工作原理。
实验目的:1. 了解D触发器的基本原理和功能;2. 掌握D触发器的搭建方法;3. 验证D触发器在不同输入条件下的工作特性。
实验器材:1. 数字电路实验箱;2. 7400系列集成电路芯片;3. 电压源、示波器等实验设备。
实验步骤:1. 搭建D触发器电路:根据实验箱上的示意图,连接集成电路芯片,将D触发器电路搭建好。
2. 输入电路设计:设计一个简单的输入电路,用于改变D触发器的输入值。
可以使用开关、按钮或者信号发生器等。
3. 测试触发器的工作特性:a. 设置输入为低电平,记录输出状态;b. 将输入切换为高电平,观察输出状态是否发生变化;c. 连续改变输入电平,观察输出是否跟随变化。
4. 测量触发器的时序特性:a. 使用示波器测量D触发器的输入和输出波形;b. 记录并分析触发器的延时时间、上升/下降时间等参数。
实验结果与分析:通过实验,我们得到了D触发器在不同输入条件下的工作特性。
在输入为低电平时,输出保持不变;当输入切换为高电平时,输出状态发生改变。
这说明D 触发器具有存储和传输数据的功能。
同时,我们还测量了触发器的时序特性,得到了一些重要的参数。
讨论与总结:D触发器是数字电路中重要的时序元件,广泛应用于计算机、通信等领域。
通过本次实验,我们深入理解了D触发器的工作原理和特性。
同时,我们也发现了一些问题和改进的空间,例如触发器的响应时间较长,可以尝试优化电路设计以提高性能。
结语:通过本次实验,我们成功搭建和测试了D触发器电路,并验证了其工作原理。
这对于我们进一步理解数字电路和时序电路的原理和应用具有重要意义。
希望通过今后的实验和学习,我们能够更深入地探索和应用这些知识,为科学技术的发展做出贡献。
触发器实验报告一、实验目的本次实验的主要目的是深入了解和掌握触发器的工作原理、功能特性以及其在数字电路中的应用。
通过实际操作和观察,验证触发器的逻辑功能,提高对数字电路的理解和设计能力。
二、实验原理(一)触发器的定义和分类触发器是一种具有记忆功能的基本逻辑单元,能够存储一位二进制信息。
根据其逻辑功能的不同,可分为 RS 触发器、JK 触发器、D 触发器和 T 触发器等。
(二)RS 触发器RS 触发器是最简单的触发器类型,由两个与非门交叉连接而成。
它具有两个输入端:R(复位端)和 S(置位端)。
当 R 为 0 且 S 为 1 时,触发器被置位;当 R 为 1 且 S 为 0 时,触发器被复位;当 R 和 S都为 1 时,触发器状态保持不变;当 R 和 S 都为 0 时,触发器状态不定,这是不允许的输入情况。
(三)JK 触发器JK 触发器在 RS 触发器的基础上增加了两个输入端 J 和 K。
当 J 为1 且 K 为 0 时,触发器被置位;当 J 为 0 且 K 为 1 时,触发器被复位;当 J 和 K 都为 1 时,触发器状态翻转;当 J 和 K 都为 0 时,触发器状态保持不变。
(四)D 触发器D 触发器的输入端只有一个 D。
在时钟脉冲的上升沿,D 触发器将输入 D 的值存储到输出端 Q。
(五)T 触发器T 触发器只有一个输入端 T。
当 T 为 1 时,在时钟脉冲的作用下,触发器状态翻转;当 T 为 0 时,触发器状态保持不变。
三、实验设备与器材1、数字电路实验箱2、 74LS00(四 2 输入与非门)芯片3、 74LS74(双 D 触发器)芯片4、 74LS112(双 JK 触发器)芯片5、示波器6、直流电源7、逻辑电平测试笔8、连接导线若干四、实验内容及步骤(一)RS 触发器实验1、按照图 1 所示,在实验箱上使用 74LS00 芯片搭建 RS 触发器电路。
2、分别将 R 和 S 端接入逻辑电平测试笔,设置不同的输入组合(00、01、10、11),观察并记录输出端 Q 和 Q'的电平状态。
实验四双D触发器及其应用一、实验目的(1)熟悉基本D触发器的功能测试。
(2)熟悉脉冲同步和异步时的电路的不同分析方式。
(3)熟悉触发器的实际应用。
二、实验设备(1)数字电路试验箱(2)函数发生器(3)示波器(4)74LS00 一片(5)74LS74 一片(6)导线若干三、实验内容(1)用D触发器构成四分频器。
a、用示波器调节出1kHz,5Vcc,偏移量为2.5的方波,并用示波器检验;b、四分频的一个真值表:c 、 实现功能的电路图如下,在CP1端加入方波,用示波器的CH1接CP1,CH2接Q2,观察并记录波形;d 、e 、f 、g 、h 、i 、j 、(2) 设计电路实现如下CP 脉冲时输出如F 示:CPFa 、 列出实现功能的状态转化真值表: 1Q n 2nQ 11n Q + 12n Q + 'F0 01 1 1 1 00 1 1 1 1 0 0 00 0 11 b 、 用异步触发器实现如下,在CP1端加入方波,用示波器的CH1接CP1,CH2接F=Q1•Q2•CP ,观察并记录波形;c 、 由a 中的真值表分析得知:'F =21n n Q Q • 1212n n Q Q D +== 1121n n Q Q D +== 'F F CP =•↑四、 实验结果记录及分析(1) 用示波器调出的波形如下图所示:分析:在实验前我们成功调出了1kHz,5Vcc,偏移量为2.5Vcc 的方波,对我们实验的后续实验的意义十分重大。
(2)用D触发器构成四分频器的结果如下图所示:分析:本实验我们只是用一个D触发器实现了对方波信号的四分频,结果与实际相符合表明实验室成功的。
(3)实现F的结果如下图所示:分析:本实验我们采用两种方式来实现:a、用异步电路实现的时候我们使用了一个D触发器和四个与非门实现了信号F的输出,实验结果正确。
b、用同步电路实现的时候我们使用了一个D触发器和四个与非门实现了信号F的输出,实验结果正确。
1.实验内容用D触发器设计一个同步十进制计数器2.实验器材编号器材型号个数1 二输入与门74LS08 12 三输入与门74LS11 13 二输入或非门74LS02 14 三输入或非门74LS10 15 D触发器74LS74 26 导线若干7 LED灯 48 电阻(200Ω) 13.实验原理计数器实际上是对时钟脉冲进行计数,每来一个脉冲,计数器状态改变一次。
8421 BCD码十进制加计数器在每个时钟脉冲作用下,触发器输出编码值加1,编码顺序与8421 BCD码一样,每个时钟脉冲完成一个计数周期。
由于电路的状态数、状态转换关系及状态编码都是明确的,因此设计过程较简单。
4.实验过程1)列出状态表十进制计数器共有十个状态,需要4个D触发器构成,其状态表1-1所示。
表1-18421 BCD码同步十进制加计数器的状态表计数脉冲CP的顺序状态状态(激励信号)Q3 Q2 Q1 Q0 Q3(D3)Q2(D2)Q1(D1)Q3(0D0)0 1 2 3 4 5 6 7 0 0 0 00 0 0 10 0 1 00 0 1 10 1 0 00 1 0 10 1 1 00 1 1 10 0 0 10 0 1 00 0 1 10 1 0 00 1 0 10 1 1 00 1 1 11 0 0 08 9 0 0 0 01 0 0 110 0 10 0 0 0(2)确定激励方程组按表1-1可画出触发器激励信号的卡诺图,如图1-1所示。
4个触发器组合16个状态(0000 ~ 1111),其中有6个转台(1010 ~ 1111)在8421 BCD码十进制计数器中是无效状态,在图1-1所示的卡诺图中以无关项×表示。
于是,得到激励方程组:图1-1 卡诺图(3)画出逻辑图,并且检查自启动能力检查激励方程组可画出逻辑图,如图1-2所示。
图中,各触发器的直接置0端为之地电平有效,如果系统没有复位信号,电路的RESET输入端应保持为高电平计数器能够正常工作。
本科学生综合性实验报告学号114090315 姓名李开斌学院物电学院专业、班级11电子实验课程名称电子设计自动化(EDA实验)教师及职称罗永道副教授开课学期2013 至2014 学年下学期填报时间2014 年 5 月23 日云南师范大学教务处编印实验序号 4 实验名称D触发器实验时间2014年5月23日实验室同析楼114一.实验预习1.实验目的:(1)掌握D触发器的工作原理;(2) 掌握VHDL编程语言的使用,学习基本时序元件的VHDL表达;2.实验原理、实验流程或装置示意图:最简单、最常用、最具代表性的时序元件时D触发器,它是现代数字系统设计中最基本的底层元件,甚至是ASIC设计的标准单元。
JK和T等触发器都可以由D 触发器构建而来。
D触发器的描述包含了VHDL对时序电路的最基本和经典的表达方式,同时也包含了VHDL许多最具特色的语言现象。
具有边沿触发性能的D触发器(图1),只有当上升沿到来时,其输入的Q的数值才会随输入口D的数据而改变,在这里我们称之为更新。
图1 D触发器凡在时钟信号作用下逻辑功能符合表2-1特性表所规定的逻辑功能者叫做D触发器。
从特性表写出D触发器的特性方程为:Qn+1=D。
D触发器的特性表在试验中的VHDL代码中,条件语句的判断表达式“clk'event and clk='1'”是用于检测时钟信号CLK的上升沿,即如果检测到CLK的上升沿,此表达式将输出TRUE。
因此这也可称为边沿敏感表达式。
关键词EVENT是信号属性函数,也包含在IEEE库的std_logic_1164程序包。
用来获得信号行为信息的函数称之为信号属性函数。
VHDL通过通过以下表达式来测定某信号的跳变(变化)情况:<信号名>`EVENT短语“CLK EVENT”就是对CLK标示符的信号在当前的一个极小的时间段δ内发生事件的情况进行检测。
所谓发生事件,就是CLK在其数据类型的取值范围内发生变化,从一种取值变到另一种取值(或电平方式)。
触发器及其应用实验报告触发器及其应用实验报告引言在现代电子技术中,触发器是一种重要的数字电路元件,用于存储和控制信号的状态。
触发器广泛应用于计算机、通信、控制系统等领域,具有重要的实际应用价值。
本实验旨在通过实际操作,深入理解触发器的工作原理和应用。
实验目的1. 了解触发器的基本概念和工作原理。
2. 学习触发器的常见类型及其特点。
3. 掌握触发器在数字电路中的应用。
实验仪器和材料1. 示波器2. 电源3. 电阻、电容等元件4. 7400系列触发器芯片实验步骤1. 实验一:RS触发器的实验a. 将7400芯片连接到电源和示波器上。
b. 通过连接电路,将RS触发器的输入端和输出端连接到示波器上。
c. 分别给RS触发器的S和R输入端施加高电平和低电平信号,观察输出端的变化。
d. 记录实验结果并进行分析。
2. 实验二:D触发器的实验a. 将7400芯片连接到电源和示波器上。
b. 通过连接电路,将D触发器的输入端和输出端连接到示波器上。
c. 分别给D触发器的D输入端施加高电平和低电平信号,观察输出端的变化。
d. 记录实验结果并进行分析。
3. 实验三:JK触发器的实验a. 将7400芯片连接到电源和示波器上。
b. 通过连接电路,将JK触发器的输入端和输出端连接到示波器上。
c. 分别给JK触发器的J和K输入端施加高电平和低电平信号,观察输出端的变化。
d. 记录实验结果并进行分析。
实验结果与分析通过实验一、实验二和实验三,我们观察到了不同类型触发器的输入和输出变化情况。
在RS触发器中,当S和R输入均为低电平时,输出保持不变;当S和R输入均为高电平时,输出翻转;当S为高电平,R为低电平时,输出为高电平;当S为低电平,R为高电平时,输出为低电平。
在D触发器中,输出跟随输入信号变化,实现了数据的存储和传输。
在JK触发器中,当J和K输入均为低电平时,输出保持不变;当J和K输入均为高电平时,输出翻转;当J为高电平,K为低电平时,输出为高电平;当J为低电平,K为高电平时,输出为低电平。
1.实验内容用D触发器设计一个同步十进制计数器2.实验器材编号器材型号个数1 二输入与门74LS08 12 三输入与门74LS11 13 二输入或非门74LS02 14 三输入或非门74LS10 15 D触发器74LS74 26 导线若干7 LED灯 48 电阻(200Ω) 13.实验原理计数器实际上是对时钟脉冲进行计数,每来一个脉冲,计数器状态改变一次。
8421 BCD码十进制加计数器在每个时钟脉冲作用下,触发器输出编码值加1,编码顺序与8421 BCD码一样,每个时钟脉冲完成一个计数周期。
由于电路的状态数、状态转换关系及状态编码都是明确的,因此设计过程较简单。
4.实验过程1)列出状态表十进制计数器共有十个状态,需要4个D触发器构成,其状态表1-1所示。
表1-18421 BCD码同步十进制加计数器的状态表计数脉冲CP的顺序状态状态(激励信号)Q3 Q2 Q1 Q0 Q3(D3)Q2(D2)Q1(D1)Q3(0D0)0 1 2 3 4 5 6 7 0 0 0 00 0 0 10 0 1 00 0 1 10 1 0 00 1 0 10 1 1 00 1 1 10 0 0 10 0 1 00 0 1 10 1 0 00 1 0 10 1 1 00 1 1 11 0 0 08 9 0 0 0 01 0 0 110 0 10 0 0 0(2)确定激励方程组按表1-1可画出触发器激励信号的卡诺图,如图1-1所示。
4个触发器组合16个状态(0000 ~ 1111),其中有6个转台(1010 ~ 1111)在8421 BCD码十进制计数器中是无效状态,在图1-1所示的卡诺图中以无关项×表示。
于是,得到激励方程组:图1-1 卡诺图(3)画出逻辑图,并且检查自启动能力检查激励方程组可画出逻辑图,如图1-2所示。
图中,各触发器的直接置0端为之地电平有效,如果系统没有复位信号,电路的RESET输入端应保持为高电平计数器能够正常工作。
电子技术实验报告5-触发器及其应用学生实验报告系别电子信息学院课程名称电子技术实验班级 10通信A班实验名称实验五触发器及其应用姓名葛楚雄实验时间 2012年5月16日学号 2010010101019 指导教师文毅报告内容一、实验目的和任务1. 掌握基本RS、JK、T和D触发器的逻辑功能。
2. 掌握集成触发器的功能和使用方法。
3. 熟悉触发器之间相互转换的方法。
二、实验原理介绍触发器是能够存储1位二进制码的逻辑电路,它有两个互补输出端,其输出状态不仅与输入有关,而且还与原先的输出状态有关。
触发器有两个稳定状态,用以表示逻辑状态“1”和“0”,在一定的外界信号作用下,可以从一个稳定状态翻转到另一个稳定状态,它是一个具有记忆功能的二进制信息存储器件,是构成各种时序电路的最基本逻辑单元。
1、基本RS触发器图14-1为由两个与非门交叉耦合构成的基本RS触发器,它是无时钟控制低电平直接触发的触发器。
基本RS触发器具有置“0”、置“1”和保持三种功能。
通常称为置“1”端,因为 =0时触发器被置“1”;SSRRRR为置“0”端,因为=0时触发器被置“0”。
当==1时状态保持,当==0时为不定状态,应当避SS免这种状态。
基本RS触发器也可以用两个“或非门”组成,此时为高电平有效。
图14-1 二与非门组成的基本RS触发器(a)逻辑图 (b) 逻辑符号基本RS触发器的逻辑符号见图14-1(b),二输入端的边框外侧都画有小圆圈,这是因为置1与置0都是低电平有效。
2、JK触发器在输入信号为双端的情况下,JK触发器是功能完善、使用灵活和通用性较强的一种触发器。
本实验采用74LS112双JK触发器,是下降边沿触发的边沿触发器。
引脚逻辑图如图14-2所示;JK触发器的状态方程为:n,1nnQ,JQ,KQ图14-2 JK触发器的引脚逻辑图其中,J和K是数据输入端,是触发器状态更新的依据,若J、K有两个或两个以上输入端时,组成“与”的关系。
d触发器实验报告D触发器实验报告引言:D触发器是数字电路中常用的一种时序电路元件,它可以存储和传递一个位的信息。
本实验旨在通过搭建一个D触发器电路并进行相应测试,探究其工作原理和性能特点。
实验目的:1. 了解D触发器的基本原理和逻辑功能;2. 掌握D触发器的搭建方法和测试技巧;3. 分析D触发器的工作性能和应用场景。
实验原理:D触发器是一种基于双稳态器件的时序电路元件。
它由两个互补的双稳态器件构成,其中一个用于存储输入信号,另一个用于传递输出信号。
D触发器的输入端称为数据输入端(D),输出端称为输出端(Q)。
当时钟信号(Clk)上升沿到来时,D触发器将数据输入端(D)的电平状态存储到输出端(Q)上,形成一个稳定的输出。
当时钟信号下降沿到来时,D触发器保持上一个时钟周期的输出状态不变。
实验材料:1. D触发器芯片;2. 电路连接线;3. 示波器;4. 信号发生器。
实验步骤:1. 将D触发器芯片插入实验板中,并按照芯片引脚图连接相应的电路线;2. 将信号发生器的输出连接到D触发器的数据输入端(D);3. 将示波器的探头分别连接到D触发器的时钟输入端(Clk)和输出端(Q);4. 设置信号发生器的频率和幅值,并观察示波器上的波形变化;5. 调节信号发生器的频率和幅值,观察D触发器的输出变化情况。
实验结果与分析:通过实验,我们观察到了D触发器的工作原理和性能特点。
当信号发生器输出一个高电平信号时,D触发器在时钟上升沿到来时将该信号存储到输出端(Q)上,并保持不变。
当信号发生器输出一个低电平信号时,D触发器在时钟上升沿到来时将输出端(Q)置为低电平。
这种存储和传递输入信号的特性使得D触发器在数字电路中应用广泛,例如在时序电路、计数器和存储器等方面。
实验中我们还观察到了D触发器的响应速度和稳定性。
随着信号发生器频率的增加,我们发现D触发器的输出波形变得更加稳定,并且响应速度更快。
这说明D触发器在高频率信号处理方面具有良好的性能。
d触发器实验报告D 触发器实验报告一、实验目的本次实验的主要目的是深入理解 D 触发器的工作原理,掌握其逻辑功能和特性,并通过实际操作和测试,学会使用相关仪器设备进行电路搭建和性能分析。
二、实验原理1、 D 触发器的定义与逻辑符号D 触发器是一种具有存储功能的数字电路元件,它能够在时钟脉冲的上升沿或下降沿将输入的数据(D 端)锁存到输出端(Q 端)。
其逻辑符号通常包括数据输入端(D)、时钟输入端(CLK)、输出端(Q 和\(\overline{Q}\))以及置位端(SET)和复位端(RESET)。
2、工作原理当时钟脉冲为低电平时,D 触发器保持原来的状态不变。
当时钟脉冲上升沿到来时,如果 D 端为高电平,则 Q 端输出高电平;如果 D 端为低电平,则 Q 端输出低电平。
3、特性方程\(Q^{n + 1} = D\)(在时钟上升沿时)三、实验仪器与设备1、数字电路实验箱提供电源、逻辑电平输入和输出接口,以及各种数字芯片的插槽。
2、示波器用于观察时钟脉冲和输出信号的波形,以分析电路的工作情况。
3、数字万用表用于测量电路中的电压、电流等参数,检查电路的连接是否正常。
4、 74LS74 双 D 触发器芯片本次实验所使用的核心芯片,具有两个独立的 D 触发器。
四、实验内容及步骤1、电路搭建按照实验原理图,在数字电路实验箱上插入 74LS74 芯片,并使用导线将其与电源、地、时钟脉冲源以及逻辑电平输入和输出端连接起来。
确保电路连接正确无误,避免短路和断路现象。
2、功能测试(1)将 D 端分别接高电平和低电平,观察在时钟脉冲上升沿作用下,Q 端输出的变化情况。
(2)使用示波器同时观察时钟脉冲和 Q 端输出的波形,验证 D 触发器的工作特性。
3、置位和复位功能测试(1)通过置位端(SET)和复位端(RESET)将 D 触发器强制置为高电平或低电平,观察 Q 端的输出状态。
(2)在置位或复位操作后,再次改变 D 端的输入电平,观察在时钟脉冲作用下 Q 端的输出是否受到影响。
数电实验触发器及其应用数字电子技术实验报告实验三:触发器及其应用一、实验目的:1、熟悉基本RS触发器,D触发器的功能测试。
2、了解触发器的两种触发方式(脉冲电平触发和脉冲边沿触发)及触发特点。
3、熟悉触发器的实际应用。
二、实验设备:1、数字电路实验箱;2、数字双综示波器;3、指示灯;4、 74LS00、74LS74。
三、实验原理:1、触发器是一个具有记忆功能的二进制信息存储器件,是构成多种时序电路的最基本逻辑单元,也是数字逻辑电路中一种重要的单元电路。
在数字系统和计算机中有着广泛的应用。
触发器具有两个稳定状态,即“0”和“1”,在一定的外界信号作用下,可以从一个稳定状态翻转到另一个稳定状态。
触发器有集成触发器和门电路(主要是“与非门”)组成的触发器。
按其功能可分为有RS触发器、JK触发器、D触发器、T功能等触发器。
触发方式有电平触发和边沿触发两种。
2、基本RS触发器是最基本的触发器,可由两个与非门交叉耦合构成。
基本RS触发器具有置“0”、置“1”和“保持”三种功能。
基本RS触发器也可以用二个“或非门”组成,此时为高电平触发有效。
3、 D触发器在CP的前沿发生翻转,触发器的次态取决于CP脉冲上升沿n+1来到之前D端的状态,即Q = D。
因此,它具有置“0”和“1”两种功能。
由于在CP=1期间电路具有阻塞作用,在CP=1期间,D端数据结构变RS化,不会影响触发器的输出状态。
和分别是置“0”端和置“1”DD端,不需要强迫置“0”和置“1”时,都应是高电平。
74LS74(CC4013),74LS74(CC4042)均为上升沿触发器。
以下为74LS74的引脚图和逻辑图。
四、实验原理图和实验结果:设计实验:1、一个水塔液位显示控制示意图,虚线表示水位。
传感器A、B被水浸沿时会有高电平输出。
框I是水泵控制电路。
逻辑函数L是水泵的控制信号,为1 时水泵开启。
设计框I的逻辑电路,要求:水位低于A时,开启水泵L;水位高于B时,关闭水泵L。
触发器实验报告(一)引言概述:本文旨在对触发器实验进行报告,通过实验探索触发器的工作原理和应用。
在本次实验中,我们将重点研究和验证JK触发器和D触发器的性质和特点。
通过观察和分析实验结果,我们将深入理解触发器在数字电路中的作用。
正文:一、JK触发器的性质和应用1. JK触发器的定义和工作原理2. 设置JK触发器的输入状态和观察Q和Q'的输出状态3. JK触发器的数据存储功能4. JK触发器的计数功能5. JK触发器在计算机存储器中的应用二、D触发器的性质和应用1. D触发器的定义和工作原理2. D触发器的输入设置和输出观察3. D触发器与JK触发器的比较4. D触发器的寄存器应用5. D触发器在时序电路中的应用三、触发器实验步骤1. 实验前的准备工作和设备连接2. 设置实验电路和电源供应3. 输入电平和时钟信号的控制4. 观察和记录实验现象5. 数据分析和结果讨论四、实验结果分析1. JK触发器的响应和变化特点2. D触发器的工作状态和输出变化3. 触发器输入信号的控制和作用4. 实验中观察到的问题和现象5. 实验结果与理论知识的对比和验证五、实验总结本实验通过对JK触发器和D触发器的实验研究,深入理解了触发器的性质和应用。
通过观察结果和分析数据,我们验证了触发器在数字电路中的重要性,并且掌握了触发器的工作原理和特点。
此外,在实验过程中还发现了一些问题和现象,这为今后的进一步研究提供了启示和改进的方向。
通过这次实验,我们不仅加深了对触发器的理解,还提升了实验操作和数据分析的能力。
总结:本次触发器实验报告重点研究了JK触发器和D触发器的性质和应用。
通过实验验证了触发器在数字电路中的作用,并掌握了其工作原理和特点。
实验结果与理论知识的对比和验证加深了我们对触发器的理解,并为今后的实验和研究提供了启示和改进的方向。
本实验丰富了我们的实验操作和数据分析能力,对进一步研究和应用触发器具有重要意义。
实验五D触发器及其应用
实验人员: 班号: 学号:
一、实验目的
1、熟悉D触发器的逻辑功能;
2、掌握用D触发器构成分频器的方法;
3、掌握简单时序逻辑电路的设计
二、实验设备
74LS00 ,74LS74,数字电路实验箱,数字双踪示波器,函数信号发生器
三、实验内容
1、用74LS74(1片)构成二分频器、四分频器,并用示波器观察波形;
74LS74就是双D触发器(上升沿触发的边沿D触发器),其管脚图如下:
其功能表如下:
○1构成二分频器:用一片74LS74即可构成二分频器。
实验电路图如下:
○2构成四分频器:需要用到两片74LS74。
实验电路图如下:
2、实现如图所示时序脉冲( 用74LS74与74LS00各1片来实现)
将欲实现功能列出真值表如下:
00 01 0
01 11 0
11 10 0
10 00 1
连接电路图如下:
四、实验结果
1、用74LS74(1片)构成二分频器、四分频器。
示波器显示波形如下: ○1二分频器:
○2四分频器:
2、实现时序脉冲。
示波器显示波形如下:
五、故障排除
在做“用74LS74(1片)构成二分频器、四分频器”时,连接上示波器后,发现通道二总显示的就是类似于电容放电的波形,但表现出了二分频。
反复排查问题均没有发现原因。
最后换了一根连接示波器的线,便得到了理想的结果。
在示波器使用时想要用U盘保存电路波形,不会操作。
后来在询问了同学之后才知道只需要按“print”就好。
六、心得体会
通过此次实验,我更深入地领悟了触发器的原理与用法,还复习了示波器的用法,还学会了如何保存示波器波形。