碳纤维布加固隐蔽工程验收记录表
- 格式:doc
- 大小:24.00 KB
- 文档页数:2
碳纤维加固工程质量验收记录表
编号:
工程名称昌邑市天润一品苑住宅楼A24#梁粘贴碳纤维加固工程
子分部加固分部验收部位阁楼JGL-B
施工单位潍坊开源工程技术有限公司项目经理李建树
分包单位/ /
施工执行标准名称及编号《碳纤维片材加固混凝土结构技术规程》(CECS146:2006)施工质量验收规范的规定施工单位检查评定记录监理单位验收记录
1、碳纤维及粘结材料符合
设计要求
√
2、被粘贴混凝土表面处理
符号规范要求
√
3、碳纤维材料的粘贴尺寸
和数量符合设计要求
√
4、碳纤维粘贴位置中心线偏差≤10mm 6 4 4 5 7 5 7 12 5 4
5、碳纤维材料与原有结构物的粘结密实,有效粘贴面积≥95%97 93 95 96 98 96 96 98 96 98
施工单位检查评定结果
专业施工员李长征施工班组长李文记
项目专业质量检查员:
年月日
监理(建设)单位验收结
论
专业监理工程师:
年月日。
隐蔽工程验收记录表
Q/CSG表BJ2-1 编号:工程名称
验收项目土方工程验收日期
验收部位
验收依据:施工图图号设计变更/洽商(编号/ )及有关国家现行标准等。
主要材料名称规格、型号:
验收内容:
1.基底土质;
2.基底清理情况;
3.基底标高;
4.基坑轮廓尺寸。
检查意见:
经检查:基底土质为强风化砂砾岩层;基底标高、基坑轮廓尺寸符合设计要求;清槽工作到位,未
出现地下水,同意进行下道工序。
检查结论:□√同意隐蔽□不同意,修改后进行复查
复查结论:
/
复查人:复查日期:
签字栏监理(建设)单位
施工单位
专业技术负责人项目专业质量检查员专业工长(施工员)。
结构加固隐蔽工程验收记录表格一、工程基本信息工程名称:XXX加固工程工程地点:XXX市XXX区XXX街道XXX号建设单位:XXX公司监理单位:XXX监理公司施工单位:XXX施工公司工程验收时间:XXXX年XX月XX日二、加固工程概况1. 建筑结构类型:(钢结构/混凝土结构/砖木结构等)2. 加固方式:(如增加钢筋混凝土梁柱、外加剪力墙、粘贴碳纤维布等)3. 加固范围:(如整体加固、局部加固等)三、验收内容1. 加固材料验收情况(1)钢筋:(规格、数量、质量等)(2)混凝土:(配合比、标号等)(3)外加剪力墙材料:(规格、数量、质量等)(4)碳纤维布:(规格、数量、质量等)2. 加固施工验收情况(1)施工工艺是否符合设计要求(2)施工质量是否满足规范要求(3)施工过程中是否存在安全隐患3. 结构加固成果验收(1)结构加固后的力学性能测试结果(2)结构变形情况(3)加固后的结构安全评估报告四、验收结果1. 加固工程验收结论(1)本次加固工程是否符合设计要求(2)结构安全性评估等级2. 验收意见(1)建议加固工程的合格性及验收合格的依据(2)如有不合格的地方,提出整改要求及期限3. 验收人员签字建设单位代表:(签字)监理单位代表:(签字)施工单位代表:(签字)以上内容为XXX加固工程的验收记录表格,经过验收,确认加固工程符合设计要求,具备结构安全性,可投入使用。
希望施工、监理及建设单位在今后的工程中,继续严格按照相关规范要求进行施工及监理工作,确保工程质量和安全;同时加强工程验收记录的管理,及时完善工程验收文件,做好工程验收记录的归档工作,以备后期查阅。
四、验收结果1. 加固工程验收结论经过对加固工程的全面验收,结论如下:(1)本次加固工程符合设计要求,加固后的结构安全性能满足相关规范和标准的要求,具备良好的抗震、抗风和承载能力。
(2)结构加固经验收后,验收人员对加固工程表示满意,确认工程可以投入使用。
隐蔽工程验收记录表Q/CSG表BJ2-1 编号:工程名称验收项目土方工程验收日期验收部位验收依据:施工图图号设计变更/洽商(编号/ )及有关国家现行标准等。
主要材料名称规格、型号:验收内容:1.基底土质;2.基底清理情况;3.基底标高;4.基坑轮廓尺寸。
检查意见:经检查:基底土质为强风化砂砾岩层;基底标高、基坑轮廓尺寸符合设计要求;清槽工作到位,未出现地下水,同意进行下道工序。
检查结论:□√同意隐蔽□不同意,修改后进行复查复查结论:/复查人:复查日期:签字栏监理(建设)单位施工单位专业技术负责人项目专业质量检查员专业工长(施工员)隐蔽工程验收记录表Q/CSG表BJ2-1 编号:工程名称验收项目钢筋工程验收日期验收部位验收依据:施工图图号设计变更/洽商(编号 / )及有关国家现行标准等。
主要材料名称规格、型号:钢筋HRB4006、10、12。
验收内容:1.原材料产品质量;2.钢筋的品种、级别、规格;3.钢筋的配筋数量、位置、间距;4.钢筋绑扎、安装情况;5.保护层厚度。
检查意见:经检查:钢筋有质量证明书,复试合格,外观均无锈蚀、无污染,已清理干净;钢筋的品种、级别、规格、配筋数量、位置、间距符合设计要求;钢筋绑扎安装质量牢固,无漏扣现象;保护层厚度符合要求。
检查结论:□√同意隐蔽□不同意,修改后进行复查复查结论:/复查人:复查日期:签字栏监理(建设)单位施工单位专业技术负责人项目专业质量检查员专业工长(施工员)隐蔽工程验收记录表Q/CSG表BJ2-1 编号:工程名称验收项目砖砌体工程验收日期验收部位内外墙验收依据:施工图图号设计变更/洽商(编号/ )及有关国家现行标准等。
主要材料名称规格、型号:普天烧结砖验收内容:1.砖的强度等级及规格;2.砖砌体平整度;3.砖砌体垂直度;4.组砌方法。
5.砖砌体砂浆饱满度6.水平灰缝厚度及竖缝宽度;检查意见:经检查:砖强度等级、规格符合设计要求,灰缝横平竖直,砂浆密实饱满;砖砌体垂直度、表面平整度、组砌方法、水平灰缝厚度及竖缝宽度偏差符合规范要求。
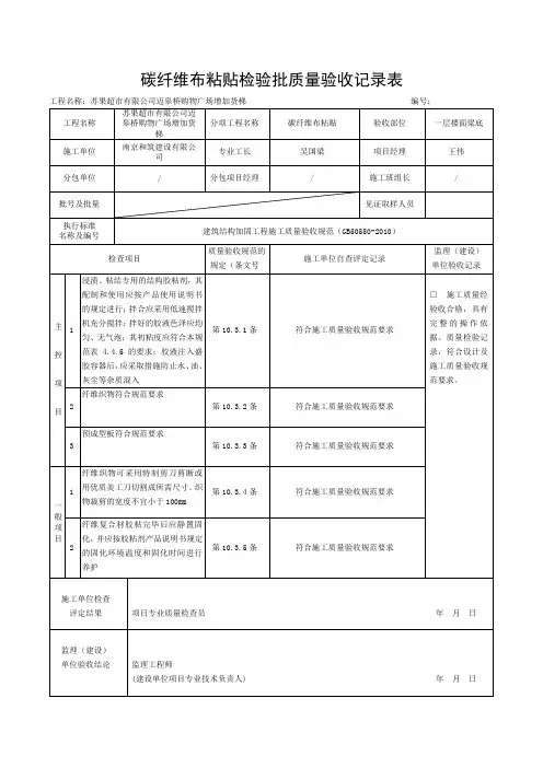
碳纤维布粘贴检验批质量验收记录表工程名称:苏果超市有限公司迈皋桥购物广场增加货梯编号:工程名称苏果超市有限公司迈皋桥购物广场增加货梯分项工程名称碳纤维布粘贴验收部位一层楼面梁底施工单位南京和筑建设有限公司专业工长吴国梁项目经理王伟分包单位/ 分包项目经理/ 施工班组长/ 批号及批量见证取样人员执行标准名称及编号建筑结构加固工程施工质量验收规范(GB50550-2010)检查项目质量验收规范的规定(条文号施工单位自查评定记录监理(建设)单位验收记录主控项目1浸渍、粘结专用的结构胶粘剂,其配制和使用应按产品使用说明书的规定进行;拌合应采用低速搅拌机充分搅拌;拌好的胶液色泽应均匀、无气泡;其初粘度应符合本规范表 4.4.5 的要求;胶液注入盛胶容器后,应采取措施防止水、油、灰尘等杂质混入第10.3.1条符合施工质量验收规范要求□施工质量经验收合格,具有完整的操作依据、质量检验记录,符合设计及施工质量验收规范要求。
2纤维织物符合规范要求第10.3.2条符合施工质量验收规范要求3预成型板符合规范要求第10.3.3条符合施工质量验收规范要求一般项目1纤维织物可采用特制剪刀剪断或用优质美工刀切割成所需尺寸。
织物裁剪的宽度不宜小于100mm第10.3.4条符合施工质量验收规范要求2纤维复合材胶粘完毕后应静置固化,并应按胶粘剂产品说明书规定的固化环境温度和固化时间进行养护第10.3.5条符合施工质量验收规范要求施工单位检查评定结果项目专业质量检查员年月日监理(建设)单位验收结论监理工程师(建设单位项目专业技术负责人) 年月日。
碳纤维加固隐蔽工程检查验收记录
项目名称:碳纤维加固隐蔽工程检查验收
项目地点:(地点)
项目日期:(日期)
1.项目背景
(项目背景添加到此处)
2.项目目标
(项目目标添加到此处)
3.项目内容
(项目内容添加到此处)
4.检查内容和标准
(检查内容和标准添加到此处)
5.检查结果
根据我们对碳纤维加固隐蔽工程进行的检查,以下是我们的发现和结果:
(详细记录检查发现和结果,包括任何缺陷或问题,对于满足检查标准的方面也要进行记录)
6.检查结论
根据我们的检查结果
(根据检查结果,确定工程是否合格和符合相关标准,如果有不合格项,请提出整改建议)
7.整改建议
根据我们的检查结果,我们提出以下整改建议:
(列出所有需要整改的问题,并提供具体的整改建议和建议整改期限)
8.验收意见
经过对碳纤维加固隐蔽工程的检查,我们认为该工程已达到验收标准,并可进行验收。
(在此处提供手写签名和日期)
9.其他事项
(在此处添加其他重要信息或备忘事项,如需要继续监督和跟进的问
题等)
以上是碳纤维加固隐蔽工程检查验收记录的模板,根据实际情况进行
填写即可。
这个文件对于项目的质量和验收至关重要,应尽可能详尽地记
录检查细节和结果,并提出合理的整改建议。
同时,文件需要被合适的人
员签字确认,以确保其有效性和可信度。