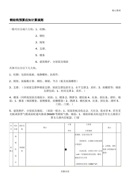
钢结构预算模板
- 格式:xls
- 大小:169.00 KB
- 文档页数:2
钢结构厂房预算书范本【钢结构厂房预算书范本】一、项目概述:本预算书针对建设一个钢结构厂房进行详细预算,包括建筑材料、人工费用、设备和其它相关费用等各项成本,并提供相应的预算金额。
二、材料费用预算:1. 钢材费用:根据厂房设计图纸及面积预估,计算所需的各类钢材数量及相应价格,并加以合计。
2. 混凝土及砂石费用:预估厂房地基混凝土用量,计算所需混凝土及砂石的数量及价格,并进行总计。
3. 砖瓦及油漆费用:预算钢结构厂房内部砖瓦、油漆等装修材料的数量及价格,并进行总计。
4. 绝热材料费用:估算钢结构厂房所需绝热材料的数量及价格,并进行总计。
三、人工费用预算:1. 建筑工人费用:预估建筑工人数量和工作时间,并计算相应的工资及社会保险等费用。
2. 钢结构安装工人费用:根据钢结构厂房安装难度及工时,预估所需人数和工作时间,并计算相应的工资及社会保险等费用。
3. 其他人员费用:预算配套人员(如监理、设计师等)的工资及社会保险等费用,并进行总计。
四、设备费用预算:1. 钢结构制造设备费用:预估所需的钢结构制造设备数量和相应价格,并进行总计。
2. 建筑设备费用:预算建筑过程中所需的各类设备数量及价格,并进行总计。
3. 办公设备及其他设备费用:预估办公设备及其他设备所需数量和价格,并进行总计。
五、其他费用预算:1. 管理费用:预估项目管理所需的费用,包括管理人员工资、行政办公用品等。
2. 各项手续费用:预算办理钢结构厂房相关手续所需的费用,包括审批费、登记费等。
3. 环境保护费用:预估建设过程中需要进行的环境保护措施及费用,并进行总计。
六、预算总计及报告:1. 所有费用预算总计:将以上各项费用进行汇总,计算出预算的总金额,并查漏补缺。
2. 预算报告:将预算结果列入报告中,详细说明各项费用的来源和计算方式,并提供合适的图表和说明材料支持。
七、结语:本预算书按照钢结构厂房的建设需求进行详细预算,包括材料、人工、设备和其他费用。
钢结构预算范本.关键信息项:1、钢结构工程的具体项目和范围2、预算编制的依据和标准3、预算涵盖的费用明细,包括材料、人工、运输等4、预算的总金额及价格调整机制5、付款方式和时间节点6、工程进度安排及对应的预算支出计划7、质量标准和验收要求8、违约责任和争议解决方式1、钢结构工程预算概述11 本预算旨在为钢结构工程提供详细的费用估算和成本分析。
12 工程范围包括但不限于钢结构主体的设计、制造、运输和安装。
2、预算编制依据21 工程设计图纸和技术规格要求。
22 现行的钢结构工程施工及验收规范。
23 市场上相关材料和设备的价格调研。
3、预算涵盖的费用明细31 材料费用311 钢材采购成本,包括各类型钢、钢板等。
312 连接材料,如高强度螺栓、焊条等。
313 防腐、防火涂料的费用。
32 人工费用321 钢结构制造工人的工资。
322 安装工人的薪酬。
33 运输费用331 材料运输至施工现场的费用。
34 设备租赁费用341 施工过程中所需的起重机、电焊机等设备的租赁成本。
35 间接费用351 施工现场的水电费。
352 管理费用和保险费用。
4、预算总金额41 本钢结构工程预算总金额为具体金额元。
42 此金额为初步估算,可能会根据实际情况进行调整。
5、价格调整机制51 如遇原材料价格大幅波动,超过具体百分比,双方将协商调整预算。
52 因工程变更导致工作量增加或减少,将相应调整预算。
6、付款方式和时间节点61 预付款:合同签订后,甲方支付预算总金额的具体百分比作为预付款。
62 进度款:根据工程进度,分阶段支付相应的款项。
63 竣工款:工程竣工验收合格后,支付至预算总金额的具体百分比。
64 质保金:预留预算总金额的具体百分比作为质保金,在质保期满后无质量问题支付。
7、工程进度安排及对应的预算支出计划71 详细列出工程的各个阶段及预计完成时间。
72 对应每个阶段的预算支出金额和用途。
8、质量标准和验收要求81 钢结构工程应符合国家和行业的相关质量标准。
钢结构工程预算表一、工程概述本工程为一项钢结构建筑工程,包括钢柱、钢梁、钢平台等构件的制作和安装。
工程位于市中心区域,总建筑面积为2万平方米,高度为20米。
该工程的钢结构构件将采用高强度钢材,并经过精密加工和焊接而成。
二、材料费用1.钢材费用:根据工程需求,预计需要钢材约200吨,费用约为800,000元。
2.焊接材料费用:预计需要焊接材料费用约为20,000元。
3.防腐涂料费用:预计需要防腐涂料费用约为10,000元。
4.其他材料费用:预计需要其他材料费用约为5,000元。
5.总材料费用:835,000元三、人工费用1.制作工人工资:预计制作工人工资约为50,000元。
2.安装工人工资:预计安装工人工资约为80,000元。
3.管理人员工资:预计管理人员工资约为25,000元。
4.总人工费用:155,000元四、设备费用1.加工设备租赁费用:预计加工设备租赁费用约为35,000元。
2.起重设备租赁费用:预计起重设备租赁费用约为45,000元。
3.其他设备租赁费用:预计其他设备租赁费用约为25,000元。
4.总设备费用:105,000元五、运输费用根据工程地理位置和构件重量,预计运输费用约为50,000元。
六、安装费用根据工程难度和安装时间,预计安装费用约为125,000元。
七、保险费用根据工程规模和保险种类,预计保险费用约为35,000元。
八、其他杂费包括临时设施费、勘察设计费等,预计其他杂费约为25,000元。
九、税金根据国家相关税收政策,预计税金约为83,500元。
十、总预算根据上述各项预算,该工程的总预算约为1,478,500元。
钢结构的预算例范本.doc 范本一:***钢结构的预算例范本1. 项目概述1.1 项目名称1.2 项目地点1.3 工程规模1.4 工期要求2. 预算分析2.1 施工材料2.1.1 钢材价格2.1.2 焊接材料价格2.1.3 防腐涂料价格2.2 人工费用2.2.1 施工人员工资2.2.2 建设期间的日常费用2.3 设备租赁费用2.3.1 塔吊租赁费用2.3.2 施工机械租赁费用2.4 装修材料费用2.4.1 地板铺设费用2.4.2 墙面涂料费用2.4.3 窗户和门的费用3. 工程量清单3.1 钢材工程量3.1.1 结构钢梁数量3.1.2 结构钢柱数量3.1.3 结构钢梁和柱连接件数量 3.2 施工人员工作量3.2.1 梁柱的安装工作量3.2.2 焊接工作量3.2.3 防腐涂料施工工作量4. 费用估算4.1 施工成本4.1.1 材料费用4.1.2 人工费用4.1.3 设备租赁费用4.1.4 装修材料费用4.2 项目管理费用4.2.1 施工组织设计费用 4.2.2 监理费用4.3 其他费用4.3.1 质量检测费用4.3.2 保险费用5. 预算总结5.1 总投资费用5.2 预算变更管理5.3 风险控制措施6. 附件---本文档涉及附件:- 钢材价格表- 焊接材料价格表- 防腐涂料价格表- 施工人员工资表- 设备租赁费用表- 装修材料费用表- 施工组织设计费用表- 监理费用表- 质量检测费用表- 保险费用表法律名词及注释:- 施工组织设计:根据施工项目的特点,制定合理的施工方案,包括人员组织、机械设备配置、工程量计算等。
- 监理:对施工过程中的质量、安全、进度等进行监督和管理的工作。
- 预算变更管理:对工程项目的预算进行调整和管理,并进行相应的审核和批准程序。
范本二:***钢结构的预算例范本1. 项目概述1.1 项目名称1.2 项目地点1.3 工程规模1.4 工期要求2. 预算分析2.1 施工材料2.1.1 钢材价格2.1.2 焊接材料价格2.1.3 防腐涂料价格2.2 人工费用2.2.1 施工人员工资2.2.2 建设期间的日常费用2.3 设备租赁费用2.3.1 塔吊租赁费用2.3.2 施工机械租赁费用2.4 装修材料费用2.4.1 地板铺设费用2.4.2 墙面涂料费用2.4.3 窗户和门的费用3. 工程量清单3.1 钢材工程量3.1.1 结构钢梁数量3.1.2 结构钢柱数量3.1.3 结构钢梁和柱连接件数量 3.2 施工人员工作量3.2.1 梁柱的安装工作量3.2.2 焊接工作量3.2.3 防腐涂料施工工作量4. 费用估算4.1 施工成本4.1.1 材料费用4.1.2 人工费用4.1.3 设备租赁费用4.1.4 装修材料费用4.2 项目管理费用4.2.1 施工组织设计费用 4.2.2 监理费用4.3 其他费用4.3.1 质量检测费用4.3.2 保险费用5. 预算总结5.1 总投资费用5.2 预算变更管理5.3 风险控制措施6. 附件---本文档涉及附件:- 钢材价格表- 焊接材料价格表- 防腐涂料价格表- 施工人员工资表- 设备租赁费用表- 装修材料费用表- 施工组织设计费用表- 监理费用表- 质量检测费用表- 保险费用表法律名词及注释:- 施工组织设计:根据施工项目的特点,制定合理的施工方案,包括人员组织、机械设备配置、工程量计算等。
钢结构报价预算书范本完整版.doc一:尊敬的客户,!感谢您选择我们公司为您提供钢结构建筑的报价预算服务。
为了准确、清晰地向您提供我们的报价预算,我们特别编写了以下钢结构报价预算书完整版,供您参考。
1. 项目概况:详细介绍项目的基本情况,包括项目名称、位置、用途、规模等。
2. 定额计算:对项目进行定额计算,包括主要材料和工程量,客户了解项目成本组成。
3. 建设条件:对项目的建设条件进行介绍,包括土地、环境、交通等方面的条件,以及对项目建设的影响。
4. 施工组织设计:设计项目的施工组织方案,包括施工工艺、工程进度、人员组织等,确保项目的顺利进行。
5. 工程量计算:详细列出项目的各项工程量,包括主体结构、设备安装、外部工程等,以便客户对工程的具体内容有更清晰的了解。
6. 材料清单:列出项目所需要的各类材料清单,包括钢材、螺栓、焊材等,以供客户进行材料的采购。
7. 劳动力成本估算:对项目的劳动力成本进行估算,包括人工费、安全费等。
8. 设备租赁费用估算:对项目所需的设备租赁费用进行估算,确保项目在预算范围内。
9. 项目质量控制:列出项目的质量控制措施,保证项目的质量合格。
10. 风险评估:评估项目的各项风险,并提出相应的应对措施,确保项目安全、顺利进行。
11. 其他费用预算:列出项目可能产生的其他费用,包括管理费、税费等。
附件:1. 工程图纸:包括总平面图、剖面图等。
2. 所需材料及供应商信息。
3. 相关法律法规及规范要求。
法律名词及注释:1. 建设工程规划许可证:指建设单位在进行建设前需取得的许可证,表明该工程具备合法性和可行性。
2. 施工图设计文件:指施工单位根据建设工程规划许可证的要求绘制的图纸和设计文件,用于施工过程中的指导。
3. 合同:指两个或多个当事人之间的协议,约定了相互权利和义务的法律文件。
谢谢!如有任何问题,请随时与我们联系。
二:尊敬的读者,感谢您选择阅读本《钢结构报价预算书范本完整版》。
钢结构工程预算表5钢结构工程预算表5-------------------------------------------------------------------------项目名称:钢结构主体施工(示例)项目地址:xxx市xxx区xxx路xxx号-------------------------------------------------------------------------序号,工项名称,单位,工程数量,工程单价,工程金额-------------------------------------------------------------------------合计金额:202,000-------------------------------------------------------------------------1.项目信息:包括项目名称和项目地址,用于标识该预算表适用的具体工程项目。
2.工项明细:具体列出了钢结构工程所涉及的每一种工项的名称、单位、工程数量、工程单价和工程金额。
3.合计金额:汇总了所有工程金额,得出总的工程费用。
在这个示例中,假设该钢结构工程项目需要建造20根柱子,30根横梁,10根拉杆,50个锚固件,铺设100平方米的钢板,进行150平方米的焊接,200平方米的防腐涂装,以及使用5吨其他材料。
每一项工程的单价都不一样,根据具体的工程量和价格计算出了每项工程的金额。
最后,将各项工程金额相加,得出了该钢结构工程项目的总费用为202,000元。
钢结构工程预算表5的作用是对钢结构工程项目进行预算和核算,能够帮助项目相关人员了解工程项目的费用构成和预算情况,为项目的管理和决策提供参考依据。
通过预算表5,可以清楚地了解到每一项工程的数量和费用,以及总的工程费用,从而做出合理的预算和控制工程成本的决策。
以上是钢结构工程预算表5的示例和解释,希望对理解钢结构工程的预算和核算有所帮助。
货币单位:人民币
版次:1 版
序号名称单位数量单价(元)合价(元)备注
1主钢件T 27.61¥5,706.00¥157,542.662次钢T 11.17¥5,428.00¥60,630.763檩条T 9.08¥4,845.00
¥43,992.604
螺栓
T 47.86
¥51.20
¥2,450.43
5小计T 47.86
¥264,616.45
T 47.86¥330.00¥15,793.80T
47.86
¥53.30
¥2,550.94
¥282,961.191%¥2,829.61
0%¥0.005‰
¥1,599.11¥1,000.00
¥288,389.91
21.00
11.00
建筑面积(m 2)
651.00
单位造价(元/m 2):
443.00
工程报价
¥321,421.03
差 值¥33,031.12
百分比10.28%
地址:沈阳市胡台新城繁荣路1号 邮编:110326
网址: 电话:86-24-87733333、87721111 87728888 传真:86-24-87722234
七、主体检测费
建筑规模(长*宽*高)
31.00
六、危险作业意外伤害保险工程造价:
五、利润
说 明1、本工程为轻钢结构,1.2米坎墙,不含屋面、墙体,不含门窗,不含天沟。
2、本报价不含防火涂料,不含通风器、雨水管,不含基础埋件、土建、水暖电、装饰、消防及任何配合费等;
3、本报价有效期为三天。
(一)+(二)+(三)=直接费:四、管理费二、钢结构安装三、钢结构运输
Q235B 灰漆两遍
Q235B C220*75*20*2.5
钢 结 构 工 程 成 本 单
报价编号:
日期: 2011 年 6 月 7 日
材质、规格一、钢结构部分
材料费灰漆制作费利润493670700¥0.00 474880600¥0.00 461518050¥0.00 244651.1074
330
30。