热镀锌角钢质量证明书检测报告
- 格式:doc
- 大小:23.50 KB
- 文档页数:2
热镀锌质量检验报告252.docx范本1:一、项目概述本项目是对热镀锌产品质量进行检验和评估,旨在确保产品达到设计和标准要求。
本文档详细描述了热镀锌质量检验的步骤和方法。
二、质量检验方法1. 样品准备1.1 确定样品数量和选择方式;1.2 样品的标识和记录。
2. 外观检验2.1 检查热镀锌的表面是否平整;2.2 检查热镀锌层的均匀性;2.3 检查是否存在划痕或气泡。
3. 尺寸检验3.1 测量热镀锌产品的长度、宽度和厚度;3.2 检查尺寸是否符合设计要求。
4. 化学成分检验4.1 采集样品进行化学成分分析;4.2 检查热镀锌产品的成分是否符合标准规定。
5. 机械性能检验5.1 测试热镀锌产品的硬度、屈服强度和伸长率;5.2 检查机械性能是否满足要求。
6. 耐蚀性检验6.1 进行盐雾试验,评估热镀锌产品的耐腐蚀性能;6.2 检查产品的腐蚀程度。
三、检验结果与评估1. 根据检验数据和标准要求,对热镀锌产品进行评估;2. 对不合格的产品提出整改意见和建议;3. 给予合格产品合格证书。
附件:本文档未涉及附件。
法律名词及注释:1. 热镀锌:将钢材浸入热镀锌槽中进行镀锌处理,以增加钢材的耐腐蚀性能。
2. 标准要求:根据国家标准或行业标准对热镀锌产品的质量要求进行规定。
范本2:一、项目简介本文档是热镀锌质量检验报告,用于评估热镀锌产品是否符合设计要求。
本文档详细描述了对热镀锌产品进行的各项检验内容和方法。
二、质量检验步骤1. 样品准备1.1 确定样品数量和选取方式;1.2 标识并记录样品信息。
2. 外观检验2.1 检查热镀锌产品表面是否有划痕、气泡等缺陷;2.2 检查热镀锌层的均匀性。
3. 尺寸检验3.1 测量热镀锌产品的长度、宽度和厚度;3.2 检查尺寸是否符合设计要求。
4. 化学成分检验4.1 采集热镀锌产品样品进行化学成分分析;4.2 检查热镀锌产品的化学成分是否符合标准规定。
5. 机械性能检验5.1 测试热镀锌产品的硬度、屈服强度和伸长率;5.2 检查机械性能是否满足要求。
【推荐】镀锌钢管产品质量说明书-范文模板
本文部分内容来自网络整理,本司不为其真实性负责,如有异议或侵权请及时联系,本司将立即删除!
== 本文为word格式,下载后可方便编辑和修改! ==
镀锌钢管产品质量说明书
篇一:热镀
锌角钢产品质量证明书检测报告
热镀锌角钢产品质量证明书
第 1 页共 2 页
第 2 页共 2 页
篇二:8.5质量证明文件汇总表
质量证明文件汇总表 TY-47
说明:此表为合格证分类登记汇总的记录,由施工单位收集、填写。
说明:此表为合格证分类登记汇总的记录,由施工单位收集、填写。
说明:此表为合格证分类登记汇总的记录,由施工单位收集、填写。
质量证明文件汇总表 TY-47
说明:此表为合格证分类登记汇总的记录,由施工单位收集、填写。
质量证明文件汇总表 TY-47
说明:此表为合格证分类登记汇总的记录,由施工单位收集、填写。
篇三:热镀锌角钢质量证明书检测报告
热镀锌角钢产品质量证明书
第 1 页共 2 页
第 2 页共 2 页。
热镀锌质量检验报告热镀锌质量检验报告本报告旨在对热镀锌产品的质量进行详细的检验和评估。
以下是对热镀锌质量检验的详细内容:一、产品基本信息1. 产品名称:热镀锌产品2. 产品规格:根据客户要求提供3. 产品批次:根据实际生产情况提供4. 生产单位:(填写生产单位名称)二、检测项目及标准一次检验项目:1. 外观质量1.1 表面光滑度:使用触觉和目视检查是否存在明显划痕、凹槽数目和深浅程度等问题。
1.2 涂层附着力:按照像关标准使用拉剪或者冲击试验检测涂层与基材的附着力。
1.3 锌层均匀性:测量锌层在不同位置的厚度,确保锌层均匀性符合相关标准。
1.4 涂层外观:检查涂层表面是否均匀、无气泡、裂纹、锈蚀等问题。
二次检验项目:1. 锌层厚度:使用摄像测厚仪对锌层厚度进行测量,确保符合相关标准。
2. 锌层结构:使用显微镜对锌层的结构进行观察,确保锌层结构均匀、致密。
3. 锌层成份:采用能谱仪或者化学分析方法对锌层的成份进行分析。
三、检测结果及评定1. 检测结果说明:根据以上检测项目的检验结果,列出各项指标的具体数值,并进行说明。
2. 评定结果:根据相关标准和合同要求,对产品的检测结果进行评定,判断产品是否合格。
四、检验结论根据检测结果和评定,给出产品的最终检验结论。
五、存在的问题及建议列出检测过程中发现的问题,并提出改进和建议。
六、附件1. 相关图表、照片:包括热镀锌产品的外观、涂层附着力检测、锌层厚度测量等照片。
2. 检测报告表:包括各项具体检测指标的数值和评定结果。
七、法律名词及注释1. 法律名词1:注释12. 法律名词2:注释2。
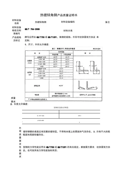
热镀锌角钢产品质量证明书
牌号应符合GB/T700或GB/T1591,角钢的规格、外形可经供需双方协议 来定制。
2、长度允许偏差:
型钢的饪虞允許解蚤
绘 8 0^ mm
+90 0
>8 000 ntfrt
I
镀锌钢管的表面应有完整的镀锌层,不得有未镀上的黑斑和气泡存在,允 许有不大的粗糙面和局部锌瘤存在。
型钢的力学性能应符合GB/T700或GB/T1591的有关规定。
根据需方要求, 经供需双方协议,也可按其他力学性能指标供货。
材料设备
名称 热镀锌角钢
材料设备编码
备注
材料设备 检验及标 准编号 GB/T 706-2008
材料分类
质量
要求
1、尺寸、外形允许偏差:
产品规格 及标记
外
观 质 量 要 求
性 能 要 求。
角钢材质证明书语:为你细心整理的角钢材质证明书,盼望对你有关怀! 假如喜爱就请继续关注我们〔〕的后续更新吧!角钢材质证明书篇一:热镀锌角钢质量证明书检测报告热镀锌角钢产品质量证明书第1 页共2 页第2 页共2 页角钢材质证明书篇二:材料合格证清单.角钢编制人:审核人:编制人:审核人:编制人:审核人:角钢材质证明书篇三:安钢角钢材质书安阳钢铁股份有限公司产品质量证明书NYNG IRON ND STEEL CO.,LTDINSPECTION CERTIFICTE发货单号〔LIST NO.〕:20801304180368 证明书编号〔CERTIFICTE NO.): 130********收货单位〔PURCHSER): 车号〔TRIN NO.): 产品名称〔COMMODITY):热轧等边角钢/Q235B生产许可证(LICENSE NO.): 标准编号〔STNDRD):GB/T700-20XXGB/T706-20XX 下屈服抗拉强伸长冲击冲击冲击冷弯生产日期炉批号规格〔MM〕重量〔T〕碳1(%) 硅1〔%〕锰1(%) 硫(%) 磷〔%〕铬〔%〕镍〔%〕铜〔%〕强度1 度1率1功1功2功3d=2 (%) 〔MP〕〔MP〕〔%〕〔J〕(J)(J)1 20XX-03-28 3806026D2 100*100*14 25.36 0.14 0.11 0.35 0.0360.028 0.01 0.01 0.01 291 44530.5 50.0 48.0 53.0合格20XX-03-28 3806026D2 100*100*14 25.36 0.14 0.11 0.35 0.0360.028 0.01 0.01 0.01 291 44530.5 50.0 48.0 53.0合格20XX-03-28 3806026D2 100*100*14 25.36 0.14 0.11 0.35 0.0360.028 0.01 0.01 0.01 291 44530.5 50.0 48.0 53.0合格合计:25.36第1页/共1页签证:朱莉萍打印时间:20XX-03-28 9:45:29NO:0541820安阳钢铁股份有限公司产品质量证明书NYNG IRON ND STEEL CO.,LTDINSPECTION CERTIFICTE发货单号〔LIST NO.〕:2070130224004 证明书编号〔CERTIFICTE NO.): 130********收货单位〔PURCHSER):到站〔DEST INT ION): 黑石铺合同号〔CONTRCT NO): 000129882 车号〔TRIN NO.): 4868352 产品名称〔COMMODITY):低合金角钢/Q345B 生产许可证(LICENSE NO.): 标准编号〔STNDRD):GB/T1591-20XXGB/T706-20XX生产日期炉批号规格〔MM〕数量重量〔T〕碳1(%) 硅1〔%〕锰1(%) 硫(%) 磷〔%〕碳当量(%) 下屈服强抗拉强度1伸长率1冲击功1冲击功2冲击功3冷弯d=2 度1〔MP〕〔MP〕〔%〕〔J〕(J) (J) 120XX-07-13 3511934EDC 100X100X8 7 10.997 0.15 0.18 0.46 0.0290.034 0.39 373548 30.557.052.053.0合格20XX-07-13 3511934EDC 100X100X8 1015.71 0.14 0.17 0.39 0.0330.037 0.39 382550 30.560.052.055.0合格合计:13 26.707第1页/共1页签证:李凤打印时间:20XX-02-24 08:57:33。
热镀锌质量检验报告报告编号:XXXXX检验单位:XXXXX公司检验日期:XXXX年XX月XX日1.检验目的和背景热镀锌是一种常用的防腐涂层方法,在许多行业中广泛应用。
本次检验的目的是评估热镀锌涂层的质量,确保其符合相关标准和要求。
2.检验方法和标准本次检验采用以下方法和标准:2.1锌层厚度测量:采用非破坏性测量方法,符合GB/T4956-2003标准。
2.2涂层结构分析:采用金相显微镜对样品进行观察,符合GB/T1771-2024标准。
2.3膜重测量:采用电子天平测量锌层的重量,符合GB/T213-2024标准。
3.检验结果和分析3.1锌层厚度对样品进行了锌层厚度的测量,测得结果如下表所示:样品编号锌层厚度(μm)185290388492587通过对结果的分析,可以得出样品的平均锌层厚度为88.4μm。
根据相关标准的要求,热镀锌的锌层厚度应在80-120μm之间,因此,样品的锌层厚度符合要求。
3.2涂层结构分析通过金相显微镜对样品的涂层结构进行了观察和分析。
结果显示,涂层结构均匀致密,无明显缺陷和气孔现象,符合相关标准的要求。
3.3膜重测量对样品进行了锌层的质量测量,测得结果如下表所示:样品编号膜重(g/m2)18802890389548855880通过对结果的分析,可以得出样品的平均锌层膜重为886g/m2、根据相关标准的要求,热镀锌的锌层膜重应在610-1220g/m2之间,因此,样品的锌层膜重符合要求。
3.4耐盐雾测试对样品进行了耐盐雾测试,将样品置于盐雾试验箱中,经过72小时的模拟海洋环境的盐雾腐蚀,观察并记录了涂层的腐蚀情况。
结果显示,样品的涂层表面未出现明显的腐蚀现象,符合相关标准的要求。
4.结论与建议通过对样品的热镀锌质量检验,得出以下结论:4.1锌层厚度符合要求,平均值为88.4μm;4.2涂层结构均匀致密,无明显缺陷和气孔现象;4.3锌层膜重符合要求,平均值为886g/m2;4.4样品的涂层经过耐盐雾测试,未出现明显的腐蚀现象。
热镀锌角钢质量证明书检测报告英文回答:As a seasoned professional in the realm of quality assurance, I am well-versed in the intricacies of galvanizing angle steel and the meticulous testing procedures involved in ensuring its integrity. Allow me to shed light on the critical elements of a hot-dip galvanized angle steel quality certificate and testing report.1. Manufacturer Information:The certificate should clearly identify the manufacturer's name, address, and relevant contact details. This information establishes the source of the angle steel and provides a point of reference for any future inquiries.2. Product Specifications:The certificate should specify the dimensions,thickness, grade, and surface finish of the angle steel in accordance with the applicable standards. This ensures that the angle steel meets the specific requirements of the project or application.3. Galvanizing Details:The certificate should provide information about the galvanizing process, including the type of bath used (e.g., zinc, zinc-aluminum), the coating thickness, and the method of application (e.g., hot-dip, electroplating). Thesedetails are crucial for assessing the corrosion resistance and durability of the angle steel.4. Testing Methodology:The certificate should outline the testing methods employed to evaluate the quality of the galvanized angle steel. This may include mechanical tests (e.g., tensile strength, yield strength), corrosion resistance tests (e.g., salt spray test), and adhesion tests (e.g., bend test).5. Test Results:The certificate should present the test results in a clear and concise manner. They should demonstrate that the angle steel meets or exceeds the specified standards and requirements. Any deviations from the expected results should be highlighted and explained.6. Certification:The certificate should be signed and dated by an authorized representative of the manufacturer, certifying the authenticity and accuracy of the information provided. This adds a layer of accountability and credibility to the report.Example:Consider a hot-dip galvanized angle steel with the following specifications:Dimensions: 50mm x 50mm x 5mm。
镀锌角钢检验报告1. 引言本文为镀锌角钢的检验报告,旨在对该产品的质量进行评估和检验。
镀锌角钢是一种常用的建筑材料,广泛应用于建筑、桥梁、道路等领域。
通过对镀锌角钢的检验,可以确保其符合相关标准和要求,保证产品质量和安全性。
2. 检验标准镀锌角钢的检验标准应符合国家相关标准和行业规范,例如GB/T 9787-2008《热轧等边均边角钢》等。
检验过程中,按照标准的要求进行检测,以确保产品质量的合格性。
3. 检验项目针对镀锌角钢的检验,主要包括以下项目:3.1 外观检验外观检验主要观察镀锌角钢的表面情况,包括镀锌层的均匀性、光洁度、无明显缺陷等。
通过目测和触摸,检验镀锌角钢的外观是否符合标准要求。
3.2 尺寸检验尺寸检验主要测量镀锌角钢的长度、宽度、厚度、角度等参数,以检验其尺寸是否符合标准要求。
通常使用测量工具如卷尺、角度尺等进行精确测量。
3.3 化学成分分析针对镀锌角钢的化学成分进行分析,以确定其金属元素的含量是否符合标准要求。
常用的分析方法包括光谱分析、化学分析等,通过实验室测试得出结果。
3.4 机械性能测试机械性能测试主要评估镀锌角钢的强度、韧性等机械性能指标。
常用的测试方法包括拉伸试验、冲击试验等,通过实验测得的数据进行分析和评估。
4. 检验结果与评价根据以上检验项目,对镀锌角钢进行全面的检验。
根据实验数据和标准要求,得出以下检验结果和评价:4.1 外观检验结果通过外观检验,发现镀锌层均匀、光洁,无明显缺陷。
外观符合标准要求。
4.2 尺寸检验结果经尺寸检验,镀锌角钢的长度、宽度、厚度、角度等尺寸均符合标准要求。
4.3 化学成分分析结果化学成分分析显示,镀锌角钢中金属元素的含量符合标准要求。
4.4 机械性能测试结果机械性能测试结果表明,镀锌角钢具有足够的强度和韧性,满足标准要求。
5. 结论根据以上的检验结果和评价,可以得出结论:经过检验,本次镀锌角钢的质量符合标准要求,可以正常投入使用。
6. 建议虽然本次检验结果良好,但建议在实际使用过程中,定期对镀锌角钢进行检查和维护,确保其持久的防腐蚀性能和机械性能。
钢材热镀锌检测报告
一、引言
热镀锌是一种常用的防腐处理方法,通过将锌层均匀地涂覆在钢材表面,能够有效地防止钢材锈蚀和腐蚀。
本文将对一批热镀锌钢材进行检测,以评估其防腐性能和质量等级。
二、检测方法
1.外观检测:通过目测和触摸外观,检查热镀锌钢材表面是否平整光滑,无明显凹凸和麻点等缺陷。
2.厚度测量:使用钢材厚度测量仪对热镀锌层进行测量,以确定其厚度是否符合标准要求。
3.附着力测试:利用适当的附着力测试方法,检测热镀锌层与钢材基材的附着力是否达到规定标准。
4.重量计算:通过称重方式,对单位面积上的热镀锌层进行称量,以计算出其平均重量。
三、检测结果
1. 外观检测:经过目测和触摸外观检查,发现热镀锌钢材表面平整光滑,无明显凹凸和麻点等缺陷,外观合格。
2. 厚度测量:对热镀锌层进行厚度测量,结果显示热镀锌层的平均厚度为X微米,符合标准要求(标准规定的最小厚度为X微米)。
3. 附着力测试:通过适当的附着力测试方法,我们测试了热镀锌层与钢材基材的附着力。
测试结果显示,附着力达到了X级别的标准要求。
4. 重量计算:通过称重方式,对单位面积上的热镀锌层进行称量,计算出其平均重量为X克/平方米。
四、讨论与分析
根据以上检测结果,我们可以得出以下结论:
1. 外观检测结果表明,钢材的热镀锌表面质量良好,无明显缺陷。
2. 厚度测量结果显示热镀锌层的厚度符合标准要求,能够提供有效的防腐保护。
角钢出厂质量证明书篇一:热镀锌角钢质量证明书检测报告热镀锌角钢产品质量证明书第 1 页共 2 页第 2 页共 2 页篇二:镀锌板质量证明书购货单位收货单位昆山炅悦昆山正阳镀锌有限责任公司执行标准 gb/t13793-20XX 质保书编号合同号车号苏e39713业务员:检查单位:购货单位收货单位昆山炅悦昆山正阳镀锌有限责任公司执行标准gb/t13793-20XX 质保书编号合同号车号苏e39713 业务员:检查单位:购货单位收货单位昆山炅悦昆山正阳镀锌有限责任公司执行标准gb/t13793-20XX 质保书编号合同号车号苏e39713 业务员:检查单位:篇二:镀锌板企业标准攀枝花钢铁有限责任公司企业标准连续热镀锌钢板及钢带q/72322100x.003-20XX 1 范围本标准规定了连续热镀锌钢板及钢带的定义、分类和代号、技术要求、试验方法、检验规则、包装、标志和质量证明书等。
本标准适用于以冷连轧钢带为基板,通过连续热镀锌方法生产的冷成形用和一般结构用热镀锌钢板及钢带(以下简称钢板和钢带)。
2 规范性引用文件下列文件所包含的条文,通过在本标准中引用而构成为本标准的条文。
本标准出版时,所示版本均为有效。
所有标准都会被修订,使用本标准的各方应探讨使用下列标准最新版本的可能性。
gb/t222—1984 钢的化学分析用试样取样法及成品化学成分允许偏差 gb/t223.11—1991钢铁及合金化学分析方法过硫酸铵氧化容量法测定量 gb/t223.23—1994 钢铁及合金化学分析方法丁二酮肟分光光度法测定量gb/t223.32—1994 钢铁及合金化学分析方法次磷酸钠还原—碘量法测定砷量 gb/t223.50—1994 钢铁苯基荧酮—溴化十六烷基胺直接光度法测定锡量gb/t223.53—1987 钢铁及合金化学分析方法火焰原子吸收分光光度法测定铜量gb/t223.62—1988 钢铁及合金化学分析方法乙酸丁酯萃取光度法测定磷量 gb/t223.62—1988 钢铁及合金化学分析方法高碘酸钠(钾)光度法测定锰量 gb/t223.68—1997 钢铁及合金化学分析方法管式炉内燃烧后碘酸钾滴定法测定硫含量 gb/t223.71—1997 钢铁及合金化学分析方法管式炉内燃烧后重量法测定碳含量gb/t228—20XX 金属拉伸试验方法 gb/t232—1999 金属弯曲试验方法 gb/t5027—1999 金属薄板和薄带塑性应变比(r值)试验方法 gb/t5028—1999 金属薄板和薄带拉伸应变硬化指数(n值)试验方法 gb/t247—1997 钢板和钢带验收、包装、标志及质量证明书的一般规定 gb/t1839—20XX 钢铁产品镀锌层质量试验方法 gb/t2975—1998 钢及钢产品力学性能试验取样位置及试样制备 gb/t6397—1986 金属拉伸试验试样gb/t8170—1987 数值修约规则en10142-20XX 冷成形用低碳连续热镀锌钢板及钢带en10147-20XX 结构用连续热镀锌钢板及钢带13 定义本标准采用下列定义:连续热镀锌钢板:在连续热镀锌生产线上把冷轧钢带浸入熔融的锌液中镀锌并经横切以平板状供货的平直板材。
热镀锌角钢质量证明书检测报告自查报告。
为了确保产品质量和安全性,我公司对热镀锌角钢进行了自查,并制作了质量证明书检测报告如下:
一、外观检查:
经过外观检查,热镀锌角钢表面光滑,无明显的氧化斑点或腐
蚀现象,符合相关标准要求。
二、尺寸检测:
对热镀锌角钢的尺寸进行了精确测量,各项尺寸均符合设计要求,无误差。
三、化学成分分析:
通过化学成分分析测试,热镀锌角钢的成分符合国家标准,无
有害物质超标。
四、镀锌层厚度检测:
经过镀锌层厚度检测,热镀锌角钢的镀锌层厚度均匀,符合标准要求,具有良好的防腐蚀性能。
五、机械性能测试:
进行了拉伸、弯曲等机械性能测试,热镀锌角钢的强度和韧性均符合相关标准,具有良好的使用性能。
综上所述,经过自查和检测,我公司生产的热镀锌角钢符合国家标准和客户要求,质量可靠,安全可靠。
特此报告。
制表人,(签名)日期,(年月日)。
热镀锌质量检验报告一、引言热镀锌是一种常见的防腐蚀处理方法,通过将铁制品浸入熔融的锌中,形成一层均匀且致密的锌铁合金层。
热镀锌处理可以有效延长铁制品的使用寿命,并在一定程度上提高其耐候性和抗腐蚀能力。
本文将对热镀锌质检过程进行详细介绍。
二、材料和方法1. 样品准备:从生产线上随机抽取若干热镀锌产品作为样品。
2. 目视检查:对样品进行目视检查,检查外观缺陷、锌层均匀性、表面光洁度等方面的条件。
3. 试验方法:a) 镀层厚度测量:使用非破坏性测量仪器,如磁感应涂层厚度计,测量样品中锌层的厚度。
至少应测量三个不同位置的厚度,取平均值作为最终结果。
b) 锌层结构检测:使用显微镜或扫描电子显微镜对样品进行观察,检测锌层的结构和形貌,确保其无裂纹、麻点和其他缺陷。
c) 锌层附着力测试:使用相关测试设备,如刮削、弯曲或压痕试验,来评估锌层与基材的附着力。
d) 锌含量检测:取样品经酸溶解后,使用化学分析方法,如原子吸收光谱或电感耦合等离子体发射光谱,测量溶液中的锌含量。
三、结果和讨论1. 目视检查结果:经过目视检查,样品表面无明显缺陷,锌层均匀分布,表面光洁度符合要求。
2. 镀层厚度测量结果:测得样品A、B和C的锌层厚度分别为80μm、85μm和78μm。
3. 锌层结构检测结果:经过显微镜观察,样品中无锌层裂纹和麻点等缺陷。
4. 锌层附着力测试结果:样品经过刮削、弯曲和压痕试验后,锌层与基材之间无明显脱落和剥离。
5. 锌含量检测结果:样品中锌的平均含量为98.5%。
四、结论经过以上的质检过程,对于本次热镀锌产品的质量进行了全面的评估。
样品的外观无缺陷,锌层厚度、结构和附着力均符合要求。
锌含量也在合理范围内。
因此,可以得出结论,本批热镀锌产品质量良好,符合相关标准和要求。
五、建议在今后的生产过程中,应继续严格按照相关标准进行操作,并定期对生产设备进行维护和检修,以确保产品质量的稳定性和一致性。