实验实训室建设与管理办法
- 格式:docx
- 大小:13.16 KB
- 文档页数:7
实验实训中心规章制度第一章总则第一条为规范实验实训中心的管理和运行,建立良好的学习环境和安全保障体系,特制定本规章制度。
第二条实验实训中心是学校教学实验、实习和实训的重要场所,是学生获取实践能力和技术技能的主要平台。
第三条实验实训中心遵循“安全第一、规范管理、服务教学、全面发展”的原则,确保实验实训工作的顺利开展。
第四条实验实训中心的规章制度适用于所有学生和教职工,在中心活动中必须遵守。
第五条实验实训中心的具体管理机构为实验实训中心主任,实验实训中心办公室为管理执行机构。
第六条实验实训中心的工作人员必须遵守职业道德规范,维护学校形象和中心利益。
第七条实验实训中心不得用于任何非正常使用和商业目的,任何组织和个人不得擅自挪用、损坏或私自买卖设备。
第八条学生必须服从实验实训中心的管理,自觉遵守规章制度,维护良好的实验实训秩序。
第二章实验室管理第九条实验室的开放时间为每天早上8:00至晚上22:00,课外时间的使用需提前预约。
第十条进入实验室前,学生必须佩戴好实验服,并且戴上护目镜、手套等防护用品。
第十一条实验室内禁止吸烟、吃东西,禁止在实验室内进行私人活动,禁止私自拆装实验设备。
第十二条实验室内如有发生事故,学生必须第一时间向实验室管理员报告,停止实验活动,确保安全。
第十三条实验室设备和仪器的使用必须按照规定程序操作,禁止随意更改设备设置。
第十四条实验室内凡属于易燃、易爆、易腐等危险品禁止进入,学生必须注意实验室安全。
第十五条实验室内禁止私自带入实验物品,如需实验材料需提前向实验室管理员申请。
第十六条实验室内禁止进行违法乱纪的活动,如发现违规行为将受到相应处罚。
第三章实验设备管理第十七条实验设备和仪器应按照规定定期进行检查、清洁和维护,确保设备的正常运转。
第十八条实验设备的使用必须按照设备说明书和操作手册操作,严禁无操作证书人员擅自使用设备。
第十九条实验设备的借用需要提前向实验室管理员申请,经批准后方可使用。
校内实验实训室(基地)管理办法第一章总则第一条校内实验实训室(基地)是实践教学、科学研究的重要场所;是学校办学的基础条件和重要基地;是学校走产、学、研相结合道路,培养具有创新精神和实践能力的技术技能型人才的基本保障;是衡量学校教学、科研、管理水平的重要标志。
第二条为加强学校实验实训室(基地)的建设和管理,充分发挥其在教学、科研中的作用,保障学校的实践教学质量和科研水平,提高办学效益,实现资源共享,增强实训室活力,根据有关文件精神,结合学校实际情况,特制定本办法。
第二章校内实训室(基地)主要功能及任务第三条校内实验实训室(基地)分为两类,一类是指根据教学实习实训要求投资建立的承担学生实践教学任务或以承担学生实践教学任务为主的实习实训场所;另一类是承担学校生产、管理、科研等功能并能承担学生实践任务的场所。
以下统一简称为实训室(基地)。
第四条实训室(基地)的基本功能为:完成实践教学任务,承担职业技术技能培训或比赛,承担专业技术技能鉴定考核工作,进行专业研究、技术开发、生产及新技术的应用推广等,逐步发展成为培养职业技术技能人才的实践教学、职业技术技能培训、鉴定考核和高新技术推广应用的重要基地。
第五条实训室(基地)的主要任务:1.根据专业人才培养目标的要求,参与制定专业实训课程标准,教学或顶岗实习的实习计划、专业技术技能培训教学大纲,参与或组织编写实训教材。
2.根据专业人才培养方案的要求和专业岗位群的技术技能要求,参与制定实训计划和方案。
3.按照专业岗位群的实际和课程标准要求组织和实施专业岗位技术培训。
4.依据科学技术的发展、岗位需求的变化及新生工作岗位的定向,开发新的职业技术技能培训项目与培训内容。
5.进行职业技能资格鉴定工作。
6.承担双师型教师培训。
7.对学生进行技能考核,参与课程设计、毕业设计、顶岗实习等实践性教学环节的工作。
8.参与组织校内职业技能大赛,参与各专业参加校外职业技能大赛相关准备工作。
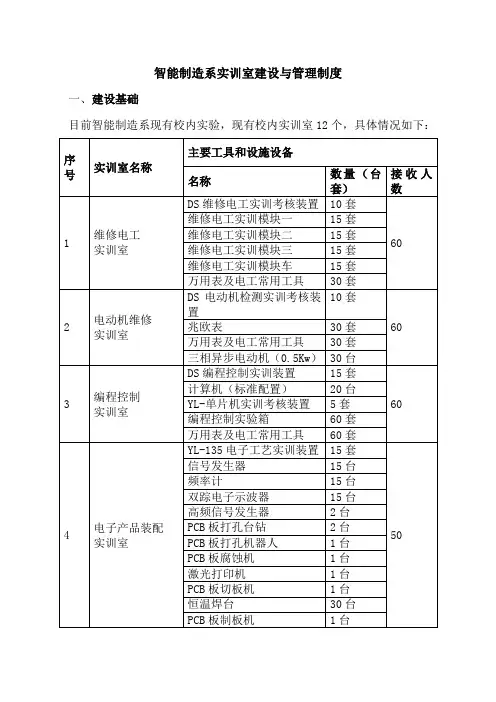
智能制造系实训室建设与管理制度一、建设基础目前智能制造系现有校内实验,现有校内实训室12个,具体情况如下:二、建设目标(一)总体目标以实训基地建设为基础,完善“校企融合,工学交替”的“四段式”人才培养模式。
以改革课程体系、教学内容和方法为重点,构建科学的课程体系,开发核心课程。
并完善相适应的管理机制,打造一支优秀的教学团队。
深入探索校企共建专业内容。
加快建设校内实训室的步伐,全面提升实践教学能力。
加强学生综合素质能力培养,把智能制造系的专业建设成示范专业,发挥骨干、引领、辐射作用。
(二)具体目标主要满足理论化教学中实习实训需求,实现理实一体化教学,投资2000万元购置专业化实训设备,以满足电子技术应用专业实践教学的需要,提高学生理论转化实践的能力,从而为构建工学结合的实训教学体系打下坚实的基础。
三、建设内容实训室建设是课程任务实施的必要条件,只有保证实训室的顺利建设,才能保证人才培养方案的顺利实施,满足工学结合、校企合作,教、学、做一体的要求,为学生边学边训创造条件,提高学生的动手能力和实际操作能力,真正的把企业的工作过程如实地展现给学生,使得学生毕业即上岗、上岗即顶岗。
四、建设规划表机电技术应用专业校内实训室建设规划表五、保障措施依据学校制定的《智能制造系实训室建设与管理办法》等规章制度,建立专业责任人负责机制、审查监督机制和检查评估机制,以保证建设项目的顺利实施与建设质量。
加强管理,采取统筹规划、逐步实施的方法完成。
六、实训室管理制度1.实验室管理员与实验教师应做到爱岗、敬岗,有高度的责任心,严格实行坐班制度。
不得无故迟到、早退,保障实验课的正常进行。
2.实验人员应在教师和实验室工作人员的指导下,严格按照教学大纲和实验操作规程进行实验操作。
3.对管辖范围内的设备、仪器、房间等的防火、防爆、防盗、防事故等方面安全工作负责,严禁违章操作,发生事故应迅速处理并及时上报。
4.实验室加强科学管理,对实验室工作、人员、物资、经费、环境状态等信息进行记录、统计和分析,及时为学校或上级主管部门提供实验室情况的准确数据。
祁阳县职业中等专业学校学生实习实训管理一、实验、实训室布置方案实验、实训室是进行实验、实训教学的重要场所。
实验、实训室的科学气氛浓郁,艺术感染力强,可激发师生教与学的积极性,陶冶师生的情操,收到良好的育人效果。
1.实验、实训室的布置要突出科学氛围实验室黑板上方可张贴名言、警句。
如“实践是检验真理的唯一标准”,“实践出真知”,“学问是苦根上长出来的甜果”等,这些至理名言,可以帮助学生端正学习态度,充分认识实验在学习和科研中的重要作用,形成分实求实、重视实践的学风。
实验室后墙上方可张挂科学家画像,既渲染了实验室的科学气氛,又为学生树立了实习的目标和方向。
2.实验、实训室的外面墙壁上悬挂1.2米*0.9米的实验、实训室简介(广告牌)内容有:实验、实训室名称,仪器设备,功能,适用专业(实验、实训项目)。
3.两侧墙壁上张贴安全类、专业技术类标语。
如:有素质才有成就,有技能才有未来。
讲诚信爱岗敬业,对技术精益求精。
练全方位基本功,做高素质劳动者。
2009年2月二、电工电子实训基地管理制度一、电工电子实训基地是教师和学生进行教学实验、实训和科研实验的场所,—般不做它用。
二、到基地进行教学、科研,必须根据教学、科研的要求,经学校和基地安排后进行。
三、进入基地的一切人员,必须遵守基地的各项规章制度,爱护公物,保持安静,不准大声喧哗,不准吸烟,不准乱抛纸屑杂物,确保基地整齐清洁。
四、严格卫生制度,重视文明操作,保持好基地各场所的卫生。
五、基地工作人员要严格执行实验实训室规则,新到基地工作的教职工和首次进入基地的学生,必须经过安全教育,掌握防护用品的使用方法和安全技术。
六、每个实验实训室设一名兼职“安全责任人”,“安全责任人”对不符合规定的操作或不利于安全的问题,要立即提出改正意见,并向领导及有关部门汇报,迅速解决,杜绝一切不安全事故发生。
七、爱护仪器设备,节约使用材料。
未经许可,所有仪器设备一般不得携带出基地,特殊情况下,校内借用时须经基地负责人批准;携带校外或校外单位借用时,按照学校有关规定执行。
学校实训室管理制度范文一、实训室管理概述1. 实训室是学校教学实践基地,为学生提供实际操作机会,培养学生实践能力。
2. 实训室管理制度的建立旨在保障实训室的正常运营和学生权益,维护实训室设备的安全性和可持续使用。
二、实训室使用规定1. 学生凭借学生证可使用实训室,每次使用需提前预约。
2. 实训室使用时间为每周一至周五的上午8:00到下午17:00,周末与节假日不开放。
3. 使用实训室时,学生需穿着适当的工作服和安全鞋,不得穿拖鞋、高跟鞋等不符合实际操作要求的服装。
4. 禁止在实训室内吃东西、喝饮料等行为,以免污染实验设备和影响操作效果。
5. 在使用实验设备之前,学生必须接受设备操作培训并通过相关考试,确保能够正确操作设备。
三、实训室设备使用规定1. 实训室设备使用必须按照操作手册规定进行,不得擅自拆卸或修改设备。
2. 实训室设备损坏或发生故障时,学生应立即上报实训室管理员,并按照管理员指示进行维修或更换设备。
3. 使用设备结束后,学生应及时清理设备,保持设备的清洁状态,并将杂物等废弃物放置在指定的垃圾桶内。
四、实训室安全管理规定1. 学生在实训室内必须遵守安全操作规定,切勿使用不符合要求的设备或工具。
2. 使用涉及有毒物质或易燃物质的实验时,学生必须戴上防护眼镜、手套等必要的防护用品。
3. 实训室内禁止吸烟、打火机、明火等火源,以免引发火灾事故。
4. 实训室内应配备急救箱等急救设备,并指定专人负责急救工作。
5. 学生在发生事故或危险情况时,应立即向实训室管理员报告,并按照管理员的指示采取相应措施。
五、违规行为处理办法1. 学生如发现他人有违规行为,应当及时举报,配合学校进行处理。
2. 对于严重违规行为,如擅自拆卸设备、故意损坏设备等,学校将按照相关规定给予相应处罚,甚至追究法律责任。
3. 对于一般违规行为,如未佩戴安全防护用品、未按规定使用设备等,学校将给予警告或者记过等处罚。
六、管理制度的监督与完善1. 学生、实训室管理员和相关教职员工应共同监督实训室管理制度的执行情况,及时纠正和改进不足。
XX大学校外实习实训基地建设与管理方法校外实习实训基地建设是实践教学的重要组成局部,是深化教学改革, 加强课程建设,培养高素质应用型技术人才的紧迫要求。
为了进一步加强和规范校外实习实训基地的建设和管理,特制定本方法。
一、建设校外实习实训基地的工作目标1、校外实习实训基地建设是专业建设的重要内容,各学院要结合本专业的特点和教学改革的实际,建立稳定的校外实习实训基地。
要求每个专业除必备的校内实习基地外,必须建立两个以上的校外实习实训基地,建立稳定的双向交流关系。
2、校外实习实训基地必须满足学生专业实习需要,注意选择基础较好的企事业单位,并签订合同,明确职责,建立学生实习实训合作关系。
3、有条件的学院和专业,要建立自己相对独立的产教研相结合的校外实习实训基地。
4、建立校外实习实训基地要打破地区和行业部门界限,根据需要、方便经济等条件,跨地区、跨行业建立实习实训基地。
特别是外地生源比拟集中的学院和专业,要在离生源地较近的地区,建立实习实训基地,满足学生实习实训需要。
二、建立校外实习实训基地的工作责任(一)各学院工作责任1、各学院根据专业特点和实际需要,负责联系、选择校外实习实训基地的单位和场地,与有关的单位洽谈具体建立实习实训基地的事宜。
2、负责在实习实训基地所在单位选择实习指导教师和有关的实习指导人员。
3、负责实习实训基地与学院之间经常性的联系和业务往来,工程开发等。
4、负责实习实训实施性计划的制定,指导书的编写,学生实习实训成绩考评等工作。
5、负责将建立实习实训基地的有关情况报学院领导或教务处审批,并将有关的资料收集归档。
(二)教务处工作责任1、负责制定学院、专业建立实习实训基地的计划,对全院各实习实训基地的工作进行统筹和协调。
2、按学院领导的要求,催促各学院建立实习实训基地。
3、协助有关联学院实习实训基地。
4、协助学院领导审查已经联系的实习实训基地和有关的合作协议。
5、协助做好有关实习指导教师聘请等方面的工作。
实训室、实训车间(区域)管理制度一、实训室、实训车间建立1、实训室、实训车间建设,由系部报学院批准后实施。
实训室、实训车间用房、实训仪器、设备及辅助设施由学院按有关规定进行分配、调整、购置、使用,任何人不能私自利用学院财产建立非学院教学、实训等活动的场所。
二、实训室、实训车间管理2、实行学院、系部二级管理,学院成立管理领导小组,负责学院的实训室、实训车间建设工作,制订规划、管理、考核办法。
3、系部成立使用管理小组,根据专业特色、工种特点,建立健全操作规程、安全规则、指导教师职责、实训学生守则、文明公约等管理细则,并组织实施。
实训室、实训车间要配备责任人负责日常工作。
三、实训室、实训车间使用4、系部制定“实训室、实训车间使用计划”,做好“实训室、实训车间使用记录”。
任何人不能私自利用实训室、实训车间的财产从事非本学院教学、实训、生产等活动。
5、实训室、实训车间实行指导教师负责制和实训室责任人负责制。
谁使用,谁负责;不使用时,实训室责任人负责。
实训指导教师在实训课结束后,应填写使用记录,与实训室责任人办妥交接手续,未办交接手续出现问题由指导教师承担责任。
6、落实实训教学现场管理(7S管理)细则,实训室、实训车间内要保持肃静、整洁,不准吸烟,不准高声谈笑和乱丢纸屑杂物,不准随便出入,不得随意运用与实训无关的仪器、设备、工具,严禁在实训桌、橱、墙壁上涂写刻画。
四、实训室、实训车间撤销、改建7、由系部写出报告,经实训部和财务资产处组织论证确认,报学院领导批准后实施。
系部不得随意撤销、改建实训室、实训车间,未经正式批准前,任何人不得擅自挪用实训室、实训车间内的资产。
五、实训室、实训车间检查8、系部应定期开展实训室、实训车间工作的检查,切实做好防火、防盗等安全消防工作。
9、实训室、实训车间责任人定期对实训仪器、设备及辅助设施核对、检查,将核对、检查结果报财务资产处和实训部。
实验实训室建设与管理实施办法第一章总则第一条为加强学校实验实训室建设项目管理,合理分配和使用建设经费,保证实验实训室建设的规范化、制度化、科学化,更好地为学校的人才培养、科学研究和社会服务提供保障,结合学校实际,制订本办法。
第二条教学科研部是全校实验实训室建设的职能管理部门,负责统筹全校各类实验实训室(包括教学类、科研类以及公共教学平台类)的规划、建设、管理及资源的合理配置。
第二章基本原则与适用范围第三条基本原则(一)坚持从学校的发展规划、专业建设、人才培养、科研与社会服务的客观需要出发,遵循科学规律。
(二)综合考虑学校发展实际、教学科研的客观需要和发展要求、实验实训室基础条件及配套设施等情况。
(三)统筹兼顾,区分轻重缓急,优先安排学校重点发展、重点扶持的专业所需要的实验实训室建设项目、全校性公共基础实验平台和跨学科专业的实验平台、实验教学示范中心、工程实训中心及实习实训基地。
(四)注重资源共享,避免重复建设,厉行节约,杜绝盲目攀比和铺张浪费现象,做到资源利用率最大化。
(五)坚持事前论证、事中建设跟踪、事后评估“三结合”,各项目建设要严格按照计划、论证、立项、启动实施、监督、竣工、验收、效益考核等程序进行,提高实验室建设效益和管理水平。
第四条适用范围(一)实验实训仪器设备的更新和补充,实验实训室新建、改建、扩建。
(二)贵重实验实训仪器设备的维修、改造及功能开发。
(三)实验实训设备装置或系统的研制与开发。
(四)实验实训室环境的改造改善等。
第三章实验实训室建设规划制定第五条各学院(部)根据学校发展规划、专业建设规划的总体要求,以三年为周期制定本学院(部)实验室建设规划(含分年度实施计划,下同)。
(一)实验实训室建设规划是各学院(部)申报实验室建设项目的立项依据,学院(部)每批次申报的实验室仪器设备申购计划,应是实验室建设规划中的年度实施计划项目。
(二)各学院(部)实验室建设规划中的建设项目主要根据人才培养目标、专业培养方案、实验实训教学大纲的要求制定,制定时应掌握专业建设的现状与发展动态,充分调研行业、企业对培养人才需求情况,充分论证满足专业及培养高素质技术技能人才所要求的仪器设备,同时应充分调研相关高校的实验实训室情况。
学校实验室和实训场所安全管理规章制度范文一、总则1.为了提高学校实验室和实训场所的安全管理水平,保障师生的人身安全和财产安全,制定本规章制度。
2.本规章制度适用于学校内的各类实验室和实训场所的安全管理,包括但不限于化学实验室、物理实验室、生物实验室、计算机实验室等。
3.学校实验室和实训场所的安全管理应以安全第一、预防为主、综合管理为原则,充分发挥师生的主体作用。
二、安全设施与装备1.学校实验室和实训场所应按照相关标准配置相应的安全设施与装备,包括消防设备、急救设备、防护设备等。
2.学校应定期检查和维护实验室和实训场所的安全设施与装备,确保其正常运行。
三、师生安全教育与培训1.学校应定期组织实验室和实训场所的师生进行安全教育与培训,包括但不限于实验室安全操作、急救知识等。
2.学校应建立完善的安全教育与培训档案,记录师生的培训情况和安全意识培养情况。
四、日常管理与维护1.学校实验室和实训场所的管理人员应定期检查和维护实验室和实训场所的安全状况,包括场所的整洁、仪器设备的正常使用等。
2.学校应建立实验室和实训场所的巡查制度,每日巡查一次,并将巡查情况记录下来。
五、实验操作与管理1.实验室和实训场所的师生应按照相关操作规程进行实验操作,不得擅自更改实验方案或操作步骤。
2.实验室和实训场所的管理人员应对实验过程进行监督和指导,确保实验操作的安全性。
六、废弃物处理与环境保护1.实验室和实训场所的师生应按照相关规定分类处理废弃物,不得随意丢弃或混放。
2.学校应对废弃物的处理进行合理规划和管理,保护环境。
七、应急处置与报警1.学校实验室和实训场所的师生应掌握紧急情况下的应急处置方法,及时报警并采取适当措施保护自身安全。
2.学校应制定并宣传应急预案,明确紧急情况下的报警电话和应急联系人,并定期组织应急演练。
八、违规处理与责任追究1.对于违反实验室和实训场所安全管理规定的师生,学校将根据情节轻重进行相应的纪律处分。
实训室安全建设与管理办法第一章总则第一条为保障师生员工人身安全,维护教学、科研等工作的正常秩序,创建“平安校园”,根据《高等学校实验室工作规程》(原国家教委令第20号)、《高等学校消防安全管理规定》(公安部令第28号)、省教育厅关于印发《省教育厅关于高等学校实验室安全建设与管理暂行规定》等精神,制定本办法。
第二条本办法中的“实训室”是指全院开展教学、科研的实验实训场所,实训室安全工作是校园综合治理和平安校园建设的重要组成部分,是广大师生的共同责任和义务。
第三条院长是实训室安全工作的第一责任人,学院贯彻“安全第一、预防为主、综合治理”的安全管理方针,实行主管副院长领导下,建立由专职管理机构(挂靠资产管理处)负责统筹管理、组织实施,相关职能部门和各二级学院、实验室各司其职的多级管理体系,根据“谁使用、谁负责,谁主管,谁负责”的原则,落实分级负责制。
第四条各二级学院要在日常教学中组织开展实训室安全教育和宣传工作,丰富师生的安全知识,营造浓厚的实训室安全校园文化氛围,提高师生的安全意识。
第五条实训室安全工作是教师、实训技术人员和管理人员岗位评聘、晋职晋级、年度考核、评奖评优的重要指标之一,实行一票否决制。
第二章实训室安全管理体系及职责第六条学院成立实训室安全工作委员会,由院长担任主任,分管院领导担任副主任,成员由资产处、教务处、保卫处、总务处、教学单位等相关部门和有关专家组成,委员会下设实训室安全管理办公室和实训室安全专家小组。
第七条实训室安全管理办公室挂靠在资产处,作为实训室安全建设与管理工作的主要职能部门,其主要职责为:(一)全面贯彻落实国家关于高校实训室安全工作的法律法规,制定学院实训室安全工作制度;(二)统筹、指导、督查学院各部门做好实训室安全建设和管理工作;(三)定期(学期初、学期末)、不定期组织实训室安全检查,督促安全隐患的整改;(四)受理实训室安全事故报告,配合有关部门做好安全事故的调查或处置工作。
学院校内实验实训室(基地)建设管理办法本文为学院校内实验实训室(基地)建设和管理办法的介绍,重点关注校内实验实训室的建设流程、管理规范和使用要求等方面内容。
1. 引言校内实验实训室(基地)是学院内为学生提供实践教学的重要场所,对培养学生综合实际操作能力具有重要意义。
为了规范校内实验实训室的建设和管理,提高实验实训教学质量,制定本办法。
2. 建设流程2.1 确定需求与规划校内实验实训室建设前,首先需要明确实验实训教学的需求,根据学院的教学要求和专业特点进行规划。
建设规划包括实验室的类型、面积、布局以及所需设备、实验材料等的清单。
2.2 设计方案与预算根据需求与规划,编制实验实训室的设计方案,包括实验室的平面布局、功能分区、设备布置等内容。
同时,还需要编制建设预算,以便后续经费的安排和使用。
2.3 设备采购与安装根据设计方案和预算,在招标或询价的基础上选择合适的设备供应商,进行设备的采购。
采购后,按照设计方案进行设备的安装与调试,确保设备正常运行。
2.4 环境整改与装修根据设计方案,对实验实训室的环境进行整改,包括墙面、地面、天花板等方面的装修与改造,以提供一个适合实验实训的环境。
2.5 实验室验收与投入使用实验室建设完成后,进行验收。
验收内容包括实验室的功能实现、设备运行状况、环境布置等方面。
验收合格后,实验实训室正式投入使用。
3. 管理规范3.1 实验室安全管理实验实训室的安全管理是建设和管理过程中的重要环节。
以下是实验室安全管理的主要规范要求:•严格执行实验室安全操作规程,保证实验人员的安全;•制定实验室安全操作指导书,指导师生正确进行实验操作;•定期组织安全演练和培训,提高师生的安全意识和应急处理能力;•配备必要的安全设施和急救药品,并定期进行检查和维护。
3.2 实验器材管理为了保证实验器材的安全和正常使用,以下是实验器材管理的规范要求:•对实验器材进行分类、编号和标识,建立器材档案;•制定实验器材的借用和归还制度,并建立借用登记制度;•对实验器材进行定期的检查、保养和维修,确保其正常运行。
实训室建设与管理办法第一章总则第一条为贯彻落实学校发展规划纲要,加强学校实训室建设与管理,进一步发挥实训室的功能与效益,提高实验教学质量和实训水平,特制定本办法。
第二条实训室是进行教学和科研的重要基地,实训室是训练学生动手能力、提高学生综合能力的重要场所,是教学、实践教学工作的重要组成部分,是办好学校的基本条件之一,也是反映教学和管理水平的重要标志。
第三条学校实训室的工作必须贯彻国家的教育方针政策,保证完成所承担的教学、实训和社会服务任务。
第四条实训室的建设,要从实际出发,明确目标,以专业为龙头,以团队为载体统筹规划,合理设置,资源共享。
实训室建筑设施、仪器设备、技术队伍和管理要协调发展,以提高投资效益。
要有计划、有步骤地建设一批集教学、实训、社会服务于一体的高水平实训室。
第二章任务第五条根据人才培养方案及教学大纲要求,编写、完善实训教材和实训指导书,安排实训指导人员,按时、按质、按量完成教学任务。
第六条不断提高实践教学质量,加强基本技能的训练,培养教师严格的教学态度和作风,帮助学生掌握科学的实验方法和提高动手能力。
第七条积极开展实践教学改革,实训、实验内容应体现综合性、设计性要求,培养学生理论联系实际的学风,严谨的科学态度和发现问题、分析问题、解决问题、提出问题的能力,培养具有创新意识,创造能力的人才。
实训要结合各专业不同的岗位要求和工作环境,作出详细的实践指导书,注重培养和训练学生的综合技能。
第八条实训室在保证完成实践教学的前提下,利用现有的实训室条件、人员和技术优势,积极对外开展为社会服务,提高实训室设备的利用率,增加仪器设备的运转费用,使实训更好地形成良性循环。
第九条学校所有实训、实训室实行开放式实践教学,学生在课余时间可预约申请实训、实训室进行实训或实验,实训指导教师实行开放实训、实验补贴制度。
加强开放实训室的建设,提倡资源共享。
第十条做好仪器设备的配备、管理、维护、维修、改造、计量及标定工作,使仪器设备处于完好状态,仪器设备帐、物、卡相符率达100%,完好率在90%以上。
实训室管理制度范本一、引言实训室是学生进行实践教学与实验研究的重要场所,为了保障实训室的正常运行和维护学校的教学秩序,特制定本管理制度。
二、实训室的使用范围和目的1. 实训室主要用于学生进行实践教学、实验和科研活动。
2. 实训室的使用目的是提升学生的实际操作能力、培养创新思维和动手能力,并为教师和科研人员提供科研实验平台。
三、实训室的开放时间1. 实训室的开放时间为每周工作日的早上8:00至晚上10:00,周末和法定节假日的上午9:00至下午9:00。
2. 实训室的具体开放时间以实训室管理人员的安排为准。
四、实训室的使用权限和管理1. 实训室的使用权限分为教师和学生两类。
a) 教师使用权限:i. 指导实践教学活动和科研项目的教师拥有实训室的使用权限。
ii. 教师需提前向实训室管理人员预约使用时间,并在使用前进行培训。
b) 学生使用权限:i. 学生可在指导教师的陪同下,参与实训室的实验和实践活动。
ii. 学生需事先向实训室管理人员预约使用时间,并按规定的时间段使用实训室。
2. 实训室的管理人员由学校指定,并负责实训室的日常管理和维护,包括开放时间安排、设备维护等。
3. 实训室使用时需出示有效的教师或学生身份证件,并由实训室管理人员登记。
五、实训室的安全管理1. 实训室的使用人员应遵守实训室的安全制度和操作规程,并接受必要的安全培训。
2. 实训室内严禁吸烟、携带易燃物品进入,如有违反者,将予以严肃处理。
3. 在实训室内使用机械设备时,应佩戴防护手套、护目镜等相关个人防护器材。
4. 实训室内发生突发事件时,应立即向实训室管理人员报告,并进行适当的处置。
六、实训室设备的使用和保管1. 使用实训室设备前,需向实训室管理人员进行登记,并按规定的时间段使用。
2. 使用实训室设备时应按照操作规程进行操作,并注意设备的保养和维护。
3. 实训室设备的损坏或丢失应立即向实训室管理人员报告,并承担相应的责任。
七、实训室的环境卫生1. 实训室的使用人员应保持实训室的环境整洁,不得随意丢弃垃圾。
校外实习实训基地建设与管理办法校外实习实训基地是对学生进行实践能力训练、职业素质培养的重要场所,同时在教师进行实践锻炼,应用研究、技术开发、新技术的推广应用等方面发挥着重要作用。
为促进学校校外实习、实训基地的建设与发展,确保学生顶岗实习落到实处,全面规范校外实习、实训基地的管理,特制定校外实习、实训基地建设与管理办法。
一、校外实习实训基地建设1。
学校和基地双方要按照统筹规划、互惠互利、合理设置、全面开放和资源共享的原则来建设实习、实训基地.2。
实习实训基地建设的原则:要与人才培养目标紧密结合,尽可能选择专业对口,工艺和设备先进、技术力量雄厚、管理水平高、生产任务比较充足、企业领导重视校企合作工作的企事业单位开展合作,原则上每个实习基地应能同时容纳10人以上集中实习,使学生在实际的职业环境中顶岗实习。
3。
全面规划、协调发展,避免各专业之间重复,提高校外实习实训基地的利用率。
各学部要结合本专业的特点和教学改革的实际需要,要求每个专业必须建立能满足本专业学生校外实习实训的稳定校外实习、实训基地,有条件的学部和专业,还要建立自己相对独立的产学研相结合的校外实习实训基地。
4.校外实习实训基地校企双方均安排专人负责,在基地建设与管理方面应在合作协议中明确校企双方的责任、义务与权利。
5.校外实习实训基地原则上由校企合作中心和各学部负责管理与协调.二、学校职责(一)就业科职责1. 校外实训基地的建设和管理,由学校一级领导,由就业科对全校各实习、实训基地的工作进行统筹和协调。
2.协助各学部联系实习实训基地,督促各学部和专业建立相关校外实习实训基地。
3.协助学校领导审查已经联系的实习实训基地和有关的合作协议。
4。
协助各学部做好有关校外实习指导教师聘用等方面的工作。
5.对各学部校外实习实训基地的使用情况以及实习实训项目的开展情况进行年度评估与鉴定。
(二)学部工作职责1。
各学部根据专业特点和实际需要,负责选择校外实习实训基地的单位,会同与有关单位洽谈具体建立实习实训基地的事宜。
实验实训室建设与管理办法(暂行)
为了加强实验实训室的建设和管理,实现“培养学生的综合就业能力”为宗旨的办学理念,保障学校的实验实训教学质量和科学研究水平,提高办学效益,结合我校实际情况,特制定本办法。
、总则
1、制定本管理办法,旨在加强和促进学校实验实训室建设,实
现实验实训管理制度化、标准化、规范化,提高实践教学管理水平,提高投资效益和使用效率;实施资源整合、共享;为培养具有创新精神和实践能力的综合就业能力创造条件。
2、学校的实验实训室建设与管理,实行统一布局、统一规划、
统一建设、统一管理标准、统一使用管理、统一资源分配、统一保障、统一考核管理的原则。
3、实验实训室工作必须贯彻国家的教育方针,保证完成实验实
训教学、科研任务,提升实验实训教学水平;在保证完成实验实训教学和科研任务的前提下,积极为地方经济建设和社会发展服务。
4、学校要重视实验实训室队伍的建设和培养,努力建立一支知识全面、技术熟练、结构合理、敬业奉献的实验实训队伍。
5、本管理办法适用于主要为学校各专业的公共基础、专业基础、专业等实验实训教学服务的实验实训室。
二、管理体制
1、实行在校长领导下的主管校长负责制,教学校长分管,设立
实训处、各专业教研室等负责具体实验实训的工作与日常管理。
建立实训处和各实训室二级管理体制。
总务处为实验实训提供后勤保障。
2、实训处与各实训室的主要职责是:制订实验实训工作规划;实验实训室有关规章制度;实验实训室的日常管理;实验实训教学、
科研工作的组织、实施、检查、考核,保证教学、科研工作的正常进行。
三、日常管理
1、进一步制订和完善实验室管理制度。
汇编实验室建设规划和
实验室管理的文件。
学校实验和实习管理规范,有完善的管理制度,各实验实习场所实行专人管理,责任到人,确保实验实习安全到位、管理到位。
认真做好实验实训档案管理工作以及实验实训室教学资料、技术档案的收集、整理和存档。
包括学生实习记录、学生实训报告、设备台帐等。
2、实验实训室应负责仪器设备的管理、维护、检修等工作,并
按规定进行定期校验,使仪器设备经常处于完好状态,提高仪器设备的利用率和完好率,保证实验实训数据的准确性和实验结果的可靠性。
3、认真贯彻执行实验实训室建设和管理的各项规章制度,严格管理,加强人员的培训与培养,不断提高管理水平。
4、加强实训课卫生、纪律等环境保障,及时督促与管理,每周
上报各专业实训室基础卫生、纪律考评分,细致到班、人,计入每周每班流动红旗考核。
5、每学期对各实训室的设备及资产进行核查。
四、教学管理
1、教学计划内实验、实习、实训项目的管理。
实验大纲、实验指导书、实验教材的建设。
实验开设率检查与提高、实验效果的评价标准的建立与实施。
抓实验教学质量的提高。
进行实验教学改革、以设计性、应用性、综合性和创新性实验来替代演示性和验证性实验。
5)加强综合实训项目的验证与实施,为学生综合就业技能提供保证。
6)实训实习课程教学应采用国家标准、行业标准、企业标准进行教学和考核,建立教学质量监控保障机制。
2、实践技能的管理
1)组织开展学生各专业训练队活动,指导和组织参与各类竞赛,使各专业形成学科特色。
2)组织开展技能培训和技能比赛。
3)统一进行校内职业资格鉴定管理,使学生毕业有双证。
4)校企合作,利用实验室设备与技术为社会和区域经济服务。
5)各实验实训室应根据学生学习需求,在实验实训课程教学外增加对在校生的开放服务时间。
五、建设管理
1、编制学校实验实训室建设规划。
2、现有实验实训室的标准化建设与规范管理。
3、加强对校重点实验实训室的指导和管理。
进一步发挥校重点实验实训室对创新人才培养的作用。
4、配合就业处工作,校外实习、实训基地建设,要有切实的实习、实训项目,校校合作、校企合作的协议书。
5、新建实验室的审批、原有实验室的调整、撤消的审核。
6、协同资产管理处进行实验仪器设备的日常管理,确保帐、物
相符。
力争设备完好率在95% 以上。
7、加强实验实训室的文化建设,增添人文关怀。
8、实施安全文明实训,要制定安全生产责任制度。
9、校园网站建设
1)人员分明确,责任到位。
2)协调各科室积极上传及更新网站内容。
3)结合专业特色,融入和培养学生队伍(艺术设计、计算机
网页设计、电子商务设计),作为学生实习实践窗口。
4)因工作的灵活性,有效核定费用。
六、人员建设管理
1、实验实训人员是教学和科研的重要技术力量,要根据教学和
科研的需要,加强培育、培养与考核,努力建设一支结构合理、相对稳定的实验实训队伍。
实验实训室人员包括:教学人员、技术支持人员、管理人员等。
各类人员要建立岗位责任制,明确分工,各司其职,团结协作,积极完成实验实训室各项工作。
2、教师应参与实验实训室教学、科研工作,参与实验实训室建
设。
实验指导教师应由具有大学专科以上学历,具有教师、实验、技术系列相应职称的人员担任。
应熟悉和掌握实验课程的内容和方法。
实训课程指导老师应由具有“双师型”素质的教学人员担任。
3、各专业教研室主任基本职责是:
负责编制实验实训室建设规划和计划,并组织实施和检查执行情况;领导和组织完成实验实训室的教学建设任务;搞好实验实训室的科学管理,贯彻实施有关规章制度;领导本室人员,制定岗位责任制,负责对本室专职人员的培训及考核工作;负责本室的精神文明建
设,抓好工作人员和学生的思想政治教育;定期检查实验实训工作,开展评比活动。
4、实验实训室各项工作均应有专人负责,落到实处。
实验实训
室定岗定责工作,可根据岗位工作量结合一专多能、一岗多责的原则确定,设置专职人员或兼职、流动编制人员。
5、各部门要重视实验实训室队伍的建设和管理,结合实验室发
展规划,有计划、有目的、有组织地加强实验室工作人员的引进、培养、业务培训、业务进修等工作,通过各种途径提高实验实训室队伍的整体水平。
七、考核管理
1、学校由教务处、实训处组成检查组,对各实验实训室进行定向检查或随机抽查,必要时分组进行整体检查。
2、各实验实训室年度考核结果为各实验实训室主任实绩考核主
要依据。
年度考核不合格的实验实训室应限期整改。
3、学校对在实验实训室建设与管理工作中作出突出成绩的部门
和个人进行表彰和奖励。
4、在实验实训室建设和管理工作中,因失责造成教学事故、安
全事故、财产物资损失等重大差错或事故者,学校将按有关规定进行相应处罚。
八、经费管理
1、实验实训工作经费是保证实验实训教学、科研的基本费用,
分为实验室建设费、实验实训室维持费两大类。
由校财务处统收统支。
2、实验实训室建设费是实验室新建、改建、扩建、发展等方面
非日常性经费,一般由实训处根据各专业实训室建设状况提出计划与
申请,交校长办公会议审定,经费由学校统筹安排。
3、实验实训室运行中发生的材料、低值易耗品、实验实训设备
日常维修经费等费用,由实训处统筹安排与管理。
协同总务资产员进行核定。
每超1000 元的费用由实训处、实训室、总务人员三方到场核定。
4、每学期制定维护及建设经费计划,并建立合理的财务管理制
度。
每学期有大宗教学设备采购、耗材采购、维修、外出实习的预算,要实现专款专用,采购程序公开,每个学期进行成本核算。
九、安全管理
1、安全文明实训。
制定安全生产责任制度,实训处主任、各实
训室管理员与学校签订安全责任书。
2、实验实训室要做好工作环境管理和劳动保护工作。
要针对高
温、低温、幅射、病菌、噪声、毒性、激光、粉尘、超净等对人体有害的环境,切实加强实验实训室环境的监督和劳动保护工作。
3、实验实训室要严格遵守《国家环境保护法》及环保有关规定,不准随意排放废气、废水、废物,不得污染环境。
4、实验实训室要严格遵守国家及学校颁发的《危险品管理暂行
办法》、《安全事故处理办法》等有关安全管理的法规和制度,定期检查防火、防爆、防盗、防事故等安全措施的落实情况。
5、实验实训室要进行科学管理,完善各项规章制度,要采用计
算机等现代化管理手段对实验实训室的工作、人员、物资、经费、环境状态等信息进行记录、统计和分析,及时为学校或上级主管部门提供实验实训室情况的准确数据。
6、实验实训室队伍应保持相对稳定,实验实训室主任、实验实
训室技术人员和实验实训室仪器设备保管员等主要岗位人员的调动、更换(包括学校内部的调岗)或调离、退休,必须首先确定接替人员,并认真办理物资、相关的教学工作程序、实验实训教学资料、
实验实训教学档案等清点移交手续后,方可按规定办理其他有关手续。
以上报请校长办公会审定,暂行
实训处
2007年11 月20 日。