重力式桥墩刚性扩大基础课程设计报告书
- 格式:doc
- 大小:604.50 KB
- 文档页数:13
课程设计课程名称基础工程设计题目重力式桥墩刚性扩大基础设计姓名专业年级学号指导教师成绩日期 2011 年6 月 26 日《基础工程课程设计》评语指导教师(签名):2011年 6 月 30 日目录:一、设计资料 (4)二、拟定刚性扩大基础尺寸 (4)2.1确定基础埋置深度2.2基础的尺寸拟定三、桥墩荷载计算 (5)3.1上部构造恒载反力、桥墩、墩帽自重及浮力等。
3.2汽车和人群荷载计算3.3汽车制动力:3.4风荷载计算四、地基压应力计算 (9)五、持力层承载力验算 (10)5.1基底应力计5.2持力层承载力验算5.3下卧层承载力验算六、基底偏心距验算 (10)6.1恒载作用时6.2由合力偏心距七、基础稳定性验算 (11)7.1倾覆稳定性验算7.2.滑动稳定性验算八、沉降计算 (11)九、参考文献 (12)一、设计资料1. 某一级公路桥梁,上部结构为35 m预应力钢筋混凝土简支梁(计算跨径l=33.98 m),桥面宽度为净10(三车道)+2×1.5 m,弧形滑动支座,摩擦系数μ=0.2。
2. 设计荷载:公路-Ⅰ级,人群荷载3. 5 kN/m2。
3. 桥址处河流最高水位为116.66 m,最低水位为112.8 m,通航水位为115.33 m。
=0.83 kN/m2。
4. 横向基本风压W5. 材料:墩帽混凝土30#,容重γ=25 kN/m3;墩身混凝土20#,容重γ=24 kN/m3。
6.每跨上部结构自重6000 kN(中心荷载)。
7. 地基情况及土的物理力学性质指标,见表1。
表1 地基土层分布及计算指标名称厚度/m 容重/kN/m3孔隙比含水量/% 液限/% 塑限/% 压缩模量/MPa黏土 6.0 20.2 0.651 22.0 34.3 16.1 16.5亚黏土 3.0 18.3 0.978 33.1 36.0 19.8 7.5强风化岩 6.0 22.5 ————358. 冲刷线:最大冲刷线和一般冲刷线就是现有的地面线,标高为112.00 m。
桥墩与基础课程设计一、教学目标本节课的学习目标包括以下三个方面:1.知识目标:学生需要掌握桥墩与基础的基本概念、类型和设计原理,了解桥墩与基础在桥梁工程中的重要性。
2.技能目标:学生能够运用所学的桥墩与基础知识,分析并解决实际工程中的问题,提高工程设计能力和创新能力。
3.情感态度价值观目标:培养学生对桥梁工程的兴趣和热情,增强学生对工程责任感和使命感,培养学生的团队合作意识和沟通协调能力。
二、教学内容本节课的教学内容主要包括以下几个部分:1.桥墩与基础的基本概念:介绍桥墩与基础的定义、功能和分类,使学生了解桥墩与基础在桥梁工程中的地位。
2.桥墩与基础的类型:讲解不同类型的桥墩与基础的特点和适用范围,帮助学生掌握各种桥墩与基础的设计要求和施工方法。
3.桥墩与基础的设计原理:阐述桥墩与基础的设计原理,引导学生学会根据实际情况选择合适的桥墩与基础类型,并能够进行基本的设计计算。
4.桥墩与基础的工程应用:通过实际工程案例分析,使学生了解桥墩与基础在桥梁工程中的应用,培养学生解决实际工程问题的能力。
三、教学方法为了提高教学效果,本节课将采用以下几种教学方法:1.讲授法:教师讲解桥墩与基础的基本概念、类型和设计原理,引导学生掌握相关知识。
2.案例分析法:通过分析实际工程案例,使学生了解桥墩与基础在桥梁工程中的应用,培养学生解决实际工程问题的能力。
3.实验法:学生进行桥墩与基础的实验,使学生直观地了解桥墩与基础的构造和性能,提高学生的实践操作能力。
4.小组讨论法:引导学生分组讨论桥墩与基础的设计问题和工程应用,培养学生的团队合作意识和沟通协调能力。
四、教学资源为了支持本节课的教学,将准备以下教学资源:1.教材:选用权威、实用的桥梁工程教材,为学生提供系统、全面的学习资料。
2.参考书:推荐学生阅读相关的桥梁工程书籍,丰富学生的知识储备。
3.多媒体资料:制作课件、图片、视频等多媒体资料,直观地展示桥墩与基础的构造和工程应用。
攀枝花学院重力式桥台、桥墩设计1.1设计资料1.1.1 桥梁跨径及桥宽标准跨径:30m ; 主梁全长:29.96m ; 计算跨径:29.16m ;桥面净空:净—7+2×1m (人行道);桥面坡度:不设纵坡,车行道双向横坡为2%,人行道单向坡为1.5%。
1.1.2 设计荷载:公路—Ⅰ级1.1.3 材料及施工工艺混凝土:主梁C50,人行道、栏杆、桥面铺装及混凝土三角垫层用C30; 预应力钢筋:采用《公路钢筋混凝土及预应力混凝土桥梁设计规范》(JTG D62—2004)的2.15s φ钢绞线,每束7根,全梁配6束,pk f =1860MPa 。
按后张法工艺制作主梁,采用φ70mm 金属波纹管成孔,预留孔道直径为75mm 和OVM 锚。
1.1.4 设计依据(1)《公路桥涵设计通用规范》(JTG D60—2004)简称《桥规》 (2)《公路钢筋混凝土及预应力混凝土桥涵设计规范》(JTG D62—2004) (3)《桥梁工程》 (人民交通出版社,姚铃森编)1.2.1 主梁间距与主梁片数主梁间距通常应随着梁高与跨径的增加而加宽为经济,由此可提高主梁截面效率指标值,采用主梁间距 2.3m,考虑人行道可以适当挑出,考虑设计资料给定的桥面净宽选用7片主梁,其横截面布置形式图1.2.1。
图1.2.11.2.2主梁尺寸拟定1.2.2.1主梁高度预应力混凝土简支梁桥的主梁高度与其跨径之比在1/15~1/25之间,标准设计中一般取为1/16~1/18。
所以梁高取用175cm。
1.2.2.2主梁腹板的厚度在预应力混凝土梁中,梁中腹板内主拉应力较小,腹板厚度翼板由布置预制孔管的构造决定,同时从腹板本身的稳定要求出发,腹板厚度一般不宜小于其高度的1/15。
本设计采用16cm.在跨中区段梁腹板下部设置马蹄,设计实践表明马蹄面积与截面面积以10%-20%为宜,马蹄宽:36cm,高:30cm。
1.2.3 翼板尺寸拟定在接近梁的两端的区段内,为满足预应力束筋布置锚具的需要,肋厚应逐渐扩展加厚,其过渡段长度不宜小于12倍肋板的增加厚度。
课程设计任务书题目:双线高速铁路某桥墩基础设计一、设计的目的通过本课程设计,要求学生熟悉基础设计的方法,掌握基础设计的基本理论,培养综合应用基本知识和基本理论的能力。
二、设计的内容及要求设计具体内容见任务书:通过本课程设计,要求学生熟悉:1.综合分析设计资料,对三种常用的桥梁基础类型(刚性扩大基础、桩基础和沉井基础)的技术合理性进行比较(限于课时,本次课程设计不考虑造价因素),选择较为合理的基础方案。
2.对选定的基础方案进行详细设计。
3.初步决定修筑基础的施工方案。
三、指导教师评语四、成绩指导教师 (签章)年月日目录一、工程概况 (2)二、工程地质和水文地质 (2)三、设计荷载 (3)1、恒载 (3)(1)结构构件自重 (3)(2)附属设施重(二期恒载) (3)2、活载 (3)四、设计步骤 (4)1.支座反力的确定: (4)G的计算 (4)(1)基底以上墩及土的重量和K(2)附加力(风力) (5)(3)主力 (6)2.基础的选择与检算 (10)(1)选定桩基类型 (10)(2)选择桩材与桩径 (10)(3)拟定承台底面平面形状及尺寸 (12)(4)桩与承台连接方式 (13)(5)求R和桩数检验 (13)(6)求桩顶荷载 (14)(7)基桩竖向抗压承载力验算 (15)(8)水平承载力检验 (15)(9)承台抗冲切验算 (15)(10)承台底面形心处的位移计算 (16)(11)桩基检算 (21)3.基础配筋 (24)(1)判断大小偏心 (25)(2)应力检算 (25)(3)稳定性检算 (26)(4)单根桩材料表 (26)五、施工图绘制 (27)六、规范及参考书 (27)某高速铁路桥梁桥墩基础设计设计任务一、工程概况该桥梁系高速铁路干线上的特大桥(复线),线路位于直线平坡地段。
该地区地震烈度较低,不考虑地震设防问题。
桥梁及桥墩部分的设计已经完成,桥跨由8孔32m预应力钢筋混凝土整体箱梁组成,见图3-1和图3-3。
学号墩台与基础课程设计设计说明书桩柱式桥墩钻孔灌注摩擦桩及端承桩设计(净-9+2×0.75m,跨径L k=10m,公路I级)起止日期:2013 年12 月3 0日至2014 年1 月8 日学生姓名班级成绩指导教师土木工程学院2014年1月6 日目录课程设计任务书 (2)设计目的 (3)设计要求 (3)设计内容 (3)第一部分某桩柱式桥墩钻孔灌注桩摩擦桩的设计 (3)一、设计资料 (3)二、荷载计算 (4)三、桩长计算 (9)四、桩的内力计算 (10)五、桩顶水平位移计算 (12)六、桩端压应力验算 (13)七、桩身配筋计算 (13)第二部分某桩柱式桥墩钻孔灌注桩端承桩的设计 (16)一、设计资料 (16)二、荷载计算 (18)三、单桩承载力、桩长计算 (22)四、桩的内力计算 (23)五、嵌固深度计算 (25)六、桩顶水平位移计算 (25)七、桩端压应力验算 (26)八、桩身配筋计算 (26)第三部分参考文献: (29)附表一:桩基设计参数表 (31)附表二:钻孔柱桩图资料 (32)天津城建大学课程设计任务书2013 —2014学年第1学期土木工程学院10道路桥梁与渡河工程专业 2 班课程设计名称:钢筋混凝土空心板桥墩台与基础课程设计设计题目:k=10m,公路I级)完成期限:自2013 年12月30 日至2014 年 1 月8 日共 1.5 周设计依据、要求及主要内容(详见附页):设计目的:通过本次课程设计的练习,使学生能够熟练掌握钻孔灌注摩擦桩和端承桩各自的受力特点、构造要求以及设计方法、计算步骤,并能独立完成常用的桩柱式桥墩的钻孔灌注桩摩擦桩和端承桩设计。
设计要求:依据设计任务书及相关设计规范,结合个人桥梁工程课程设计资料,在课程设计教室独立完成桥梁工程下部结构桩柱式桥墩钻孔灌注桩摩擦桩和端承桩的设计工作,编制设计说明书,绘制相应的工程图纸。
设计内容:1、某桩柱式桥墩钻孔灌注摩擦桩的设计;2、某桩柱式桥墩孔灌注端承桩的设计;指导教师:李美东郭红梅教研室主任:董鹏批准日期:2013年12月30 日第一部分某桩柱式桥墩钻孔灌注桩摩擦桩的设计一、设计资料1. 设计标准以及上部构造设计荷载:公路—I级;桥面净宽:净—9+2×0.75 m;标准跨径: Lk=10m,梁长9.96m,计算跨径9.5m;上部构造:装配式钢筋混凝土空心板梁桥设计2.设计荷载公路汽车荷载I 级,人群荷载3.452/m kN3.水文地质条件各土层地质情况及有关钻孔灌注桩桩基设计参数见附表一。
目录一、基本设计资料 (1)二、设计内容: (1)(一)中墩及基础尺寸拟定 (1)1.墩帽尺寸拟定 (1)2.墩身尺寸确定 (2)3基础尺寸确定.................................. - 4 - (二)墩帽局部受压验算. (4)1.上部构造自重 (4)2.墩身自重计算 (4)3.浮力计算 (5)4.活载计算 (5)5.水平荷载计算 (7)6.墩帽局部受压验算 (8)(三)墩身底截面验算 (9)1.正截面强度验算 (9)2.基底应力验算 (10)3.稳定性验算.................................. - 10 -4.沉降量验算.................................. - 10 -5.墩顶水平位移验算............................ - 10 -混凝土实体中墩与扩大基础设计一、基本设计资料1.设计荷载标准:公路II级2.上部结构:上部结构采用装配式后张法预应力混凝土简支T梁。
跨径40m,计算跨径38.80m,梁长39.96m,梁高230cm,支座尺寸25cm×35cm×4.9cm(支座为板式橡胶支座,尺寸为顺×横×高),主梁间距160cm,桥面净宽为7+2×0.75m,一孔上部结构荷载为5070kN。
3.水文资料:设计水位182.7m 河床标高177.65m; 一般冲刷度 1.60m; 局部冲刷深度2.80m。
4.地质资料:表层3米厚为软塑粘性土,其液性指数I L=0.8;孔隙比e=0.7;容重γ=18.0kN/m3,以下为砾砂,中密γ=19.7kN/m3。
二、设计内容:(一)中墩及基础尺寸拟定1.墩帽尺寸拟定(采用20号混凝土)顺桥向墩帽宽度:b≥f + a +2c1 + 2c2f = 40m(跨径)-38.80m(计算跨径)=1.20m支座顺桥向宽度a = 0.25m查表2-1 c1=0.1m c2=0.2mb =1.20 + 0.25 + 2×0.1 + 2×0.2=2.05m按抗震要求:b/2 ≥ 50+L(跨径) =50+40=90cm b =2.05m则取满足上述要求的墩帽宽度b=2.05m横桥向墩帽宽:矩形:B = 两侧主梁间距 + a + 2c1 + 2c2=1.6×4+ 0.35 + 2×0.1+ 2×0.2=7.35m圆端形:B=7.35 + b =7.35+2.05=9.4m桥面净宽:7+2×0.75=8.5m 8.5-1.6×5=0.5m 人行道一边悬出0.25m2.墩身尺寸拟定: ①桥墩立面尺寸墩帽厚度为40cm ,按非通航河流桥下净空定为0.75m(0.5~1m); 梁底标高=设计水位+0.75=182.7+0.75=183.45m ; 墩身顶面标高为:183.45-0.049(支座高)=183.401m ;基底标高为:177.65(河床标高)-1.2(局部冲刷)-1.60(一般冲刷)-2(最小埋置深度,查表3.1)=172.85m ; 基础埋深为:1.2+1.6+2=4.8m;墩顶标高为:183.45-0.049(支座厚)-0.4(墩帽厚)=183.001m ; 墩底标高为:172.85+1.5=174.35m ; 墩高:183.001-174.35=8.651m , 满足上述要求取9m 。
表层土以下 1.8埋深 1.8基底标高77.95(二)层厚0.8襟边0.6刚性角0.6435011<0.698131689剖面尺寸a10.2剖面尺寸b 4.2基础厚度 1.6基顶高程79.55墩柱高 4.418(三)弯矩组合值M1790.5816Pmax222.11129Pmin102.69142地基容许承载力计算修正后允许承载力〔fa〕310持力层的强度验算Pmax=222.11129< 1.25*〔fa〕=387.5软弱下卧层顶部应力计算Pz=200.63121< 1.25*〔fa〕=387.5软弱下卧层底部容许应力计算〔fa〕363.5625软弱下卧层强度验算Pz=200.63121< 1.25*〔fa〕=454.453125合力偏心距的验算弯矩取顺时针为正M g1永久效应标准组合值M n1N=5810.6591M n2M=287.11993合力偏心距 e=M/N =0.049412626<ρ=b/6*0.1 =0.07各种作用标准效应组合单孔双行25米N6692.7091M1520.3144合力偏心距0.2271598<ρ=b/6 =0.7单孔双行16米N6487.5591M1986.9689合力偏心距0.3062737<ρ=b/6 =0.7双孔双行N7438.3316M1883.0278合力偏心距0.2531519<ρ=b/6 =0.7汽车制动固定支座制动力76.955摆动支座制动力18.147和汽车制动力H1165风力0.6H3 3.5616H4 3.1248H5 6.377616< 就满足52.235926M z 1278.3856 -216.112M f 69.47541294 450.996(七)7438.33161883.02780.25315198.2954148> 1.3 179.3040212.44534> 1.2387.5387.5 454.45313(六)。
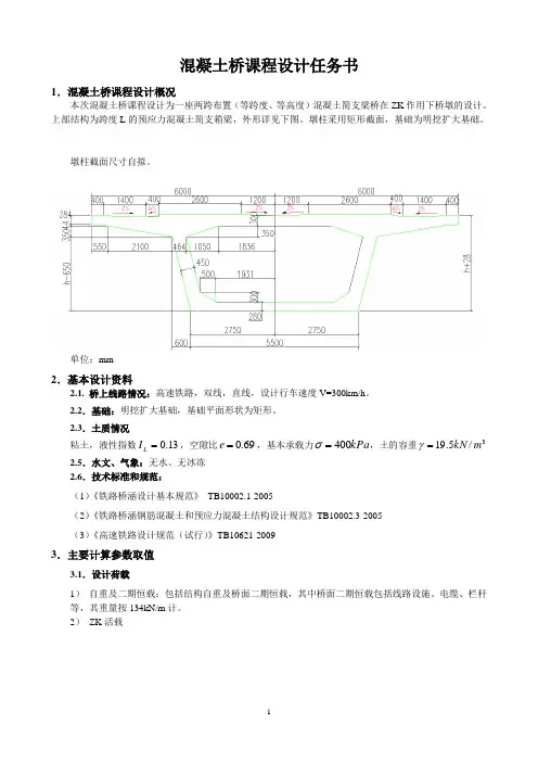
混凝土桥课程设计任务书1.混凝土桥课程设计概况本次混凝土桥课程设计为一座两跨布置(等跨度、等高度)混凝土简支梁桥在ZK 作用下桥墩的设计。
上部结构为跨度L 的预应力混凝土简支箱梁,外形详见下图。
墩柱采用矩形截面,基础为明挖扩大基础。
墩柱截面尺寸自拟。
单位:mm2.基本设计资料2.1. 桥上线路情况:高速铁路,双线,直线,设计行车速度V=300km/h 。
2.2.基础:明挖扩大基础,基础平面形状为矩形。
2.3.土质情况粘土,液性指数13.0=L I ,空隙比69.0=e ,基本承载力kPa 400=σ,土的容重3/5.19m kN =γ2.5.水文、气象:无水、无冰冻2.6.技术标准和规范:(1)《铁路桥涵设计基本规范》 TB10002.1-2005(2)《铁路桥涵钢筋混凝土和预应力混凝土结构设计规范》TB10002.3-2005(3)《高速铁路设计规范(试行)》TB10621-20093.主要计算参数取值3.1.设计荷载1) 自重及二期恒载:包括结构自重及桥面二期恒载,其中桥面二期恒载包括线路设施、电缆、栏杆等,其重量按134kN/m 计。
2) ZK 活载ZK 活载图式② 列车车辆冲击力的影响,计算竖向动力作用时,则乘以动力系数(μ+1),其值取:]18.0)2.0/(44.1[115.0--+=+φμL ,其中L φ为荷载加载长度。
③列车制动力或牵引力按作用在桥跨范围内的列车竖向静活载的10%计算,但当其与离心力或冲击力同时计算时,则按列车竖向静活载的7%取值。
固定支座传递制动或牵引力为全孔的100%,活动支座为全孔的50%,作用点位于支座中心处。
④ 列车的横向摇摆力:以集中力的形式作用在轨顶面处,其值为100kN 。
列车横向摇摆力不与离心、风力组合。
⑤ 计算风压强度按W =1.10kN /m 2 (此值已考虑各种系数,计算时直接采用)计算。
列车受风面积按3m 高的长方带计算,其作用点在轨顶以上2m 高度处。
课程设计课程名称基础工程设计题目重力式桥墩刚性扩大基础设计姓名专业年级学号指导教师成绩日期 2011 年6 月 26 日《基础工程课程设计》评语指导教师(签名):2011年 6 月 30 日目录:一、设计资料 (4)二、拟定刚性扩大基础尺寸 (4)2.1确定基础埋置深度2.2基础的尺寸拟定三、桥墩荷载计算 (5)3.1上部构造恒载反力、桥墩、墩帽自重及浮力等。
3.2汽车和人群荷载计算3.3汽车制动力:3.4风荷载计算四、地基压应力计算 (9)五、持力层承载力验算 (10)5.1基底应力计5.2持力层承载力验算5.3下卧层承载力验算六、基底偏心距验算 (10)6.1恒载作用时6.2由合力偏心距七、基础稳定性验算 (11)7.1倾覆稳定性验算7.2.滑动稳定性验算八、沉降计算 (11)九、参考文献 (12)一、设计资料1. 某一级公路桥梁,上部结构为35 m预应力钢筋混凝土简支梁(计算跨径l=33.98 m),桥面宽度为净10(三车道)+2×1.5 m,弧形滑动支座,摩擦系数μ=0.2。
2. 设计荷载:公路-Ⅰ级,人群荷载3. 5 kN/m2。
3. 桥址处河流最高水位为116.66 m,最低水位为112.8 m,通航水位为115.33 m。
=0.83 kN/m2。
4. 横向基本风压W5. 材料:墩帽混凝土30#,容重γ=25 kN/m3;墩身混凝土20#,容重γ=24 kN/m3。
6.每跨上部结构自重6000 kN(中心荷载)。
7. 地基情况及土的物理力学性质指标,见表1。
表1 地基土层分布及计算指标名称厚度/m 容重/kN/m3孔隙比含水量/% 液限/% 塑限/% 压缩模量/MPa黏土 6.0 20.2 0.651 22.0 34.3 16.1 16.5亚黏土 3.0 18.3 0.978 33.1 36.0 19.8 7.5强风化岩 6.0 22.5 ————358. 冲刷线:最大冲刷线和一般冲刷线就是现有的地面线,标高为112.00 m。
课程设计课程名称基础工程设计题目重力式桥墩刚性扩大基础设计姓名专业年级学号指导教师成绩日期2011 年6月26日《基础工程课程设计》评语指导教师(签名):____________2011 年6月30日目录:一、设计资料 (4)二、拟定刚性扩大基础尺寸 (4)确定基础埋置深度基础的尺寸拟定三、桥墩荷载计算 (5)上部构造恒载反力、桥墩、墩帽自重及浮力等。
汽车和人群荷载计算汽车制动力:风荷载计算四、地基压应力计算 (9)五、持力层承载力验算 (10)基底应力计持力层承载力验算下卧层承载力验算六、基底偏心距验算 (10)恒载作用时由合力偏心距七、基础稳定性验算 (11)倾覆稳定性验算. 滑动稳定性验算八、沉降计算 (11)九、参考文献 (12)2011 年6月30日、设计资料1. 某一级公路桥梁,上部结构为35 m预应力钢筋混凝土简支梁(计算跨径1=33.98 m), 桥面宽度为净10(三车道)+2X m,弧形滑动支座,摩擦系数卩=。
2. 设计荷载:公路-I级,人群荷载3. 5 kN/m 203. 桥址处河流最高水位为116.66 m,最低水位为112.8 m,通航水位为115.33 m。
4. 横向基本风压kN/m2。
5. 材料:墩帽混凝土30#,容重丫=25 kN/m3;墩身混凝土20#,容重丫=24 kN/m3。
6. 每跨上部结构自重6000 kN(中心荷载)。
7. 地基情况及土的物理力学性质指标,见表1o表1地基土层分布及计算指标3名称厚度/m 容重/kN/m 孔隙比含水量/% 液限/% 塑限/% 压缩模量/MPa黏土亚黏土强风化岩一一一一358. 冲刷线:最大冲刷线和一般冲刷线就是现有的地面线,标高为112.00 m 09. 桥墩形式和尺寸示意图,见图1o75—、拟定刚性扩大基础尺寸确定基础埋置深度由上部结构和设计荷载资料知道,本桥是重力式桥墩刚性扩大基础,并且为公路一I级,从地质条件看最大冲刷线和一般冲刷线就是现有的地面线,标高为112.00 m。
《基础工程》课程设计无筋扩展矩形基础计算书土木建筑工程学院道路桥梁121班陈召桃1203110210目录一、设计资料 (1)二、设计资料分析 (3)三、荷载计算及组合 (4)1、桥台自重及上部构造恒载计算 (4)2、土压力计算 (5)3、支座活载反力计算 (8)4、支座摩阻力计算 (10)5、荷载组合 (11)四、地基承载力验算 (13)1、台前、台后填土对基底产生的附加应力计算 (13)2、基底压应力计算 (13)3、地基强度验算 (14)五、地基变形验算(沉降计算) (15)六、基底偏心距验算 (17)七、基础稳定性验算 (17)1、倾覆稳定性验算 (17)2、滑动稳定性验算 (18)八、结论19一、设计资料1、基本概况某桥上部构造采用装配式钢筋混凝土T形梁。
标准跨径20.00m,计算跨径19.5m。
摆动支座,桥面宽度为7+2X1.0 m,双车道,参照《公路桥涵地基与基础设计规范》进行设计。
设计荷载:公路-I级,人群荷载为3.5kN/m?。
材料:台帽、耳墙及截面a-a以上均用20号钢筋混凝土,,=25.00kN/m3 ; 台身(自截面a-a以下)用7.5号浆砌片、块石(面墙用块石,其它用片石,石料强度部少于30号),2 =23.00kN/m3基础用15号素混凝土浇筑,3=24.00kN/m3 ;台后及溜坡填土 4 =17.00kN/m3 ;填土的内摩擦角'=35°,粘聚力c=0。
基础类型:无筋扩展矩形基础基础材料:混凝土强度等级C15~C20钢筋为I、U级钢筋。
2、水文地质资料水文、地质资料:设计洪水位标高离基底的距离为 6.5m (即在a-a截面处)。
地基土的物理、力学性质指标见下表:表13、桥墩及基础构造和初拟尺寸(如图)初步拟定基础分两层,每层厚度为0.5m,襟边和台阶宽度相等,取0.4m,基坑边坡系数可取m=0.75~1.0。
100700JOG4、荷载组合情况表2作用效应组合汇总表何载组合水平力(kN)竖向力(kN)弯矩(kN.m)(一)主要1179.17 8129.51 -2371.30附加1221.37 8129.51 -2740.18 (二)主要1421.53 7854.90 -3683.11附加1463.73 7854.90 -4051.99 (三)主要1421.53 7620.87 -3835.24附加1463.73 7620.87 -4204.12 (四)1482.28 7640.02 -4110.24 (五)1179.17 8380.24 -2208.32 (六)1179.17 6696.44 -3302.79 设计洪水位高程离基底的距离为6.5m (在a-a截面处),地基土的物理、力学指标见下表:表3各土层物理力学指标序号土层名称层厚m 含水量%重度kN/m3孔隙比比重液限%塑性指数液性指数直剪试验压缩性指标C kPa©度a1-2-1MPa曰-2MPa1 硬塑粘土 6.5 26 19.7 0.74 2.72 44 20 0.1 55 20 0.15 11.6 2软塑亚粘土4.1 28 19.1 0.82 2.71 34 15 0.6 20 16 0.26 73 软质基岩21.5由表可知上层粘土的液性指数远小于0.75属于硬塑土,中层软塑亚粘土相对的承载力较弱,则该基础应浅埋,采用无筋刚性扩展基础,初步拟定埋深2.0m,见图1。
铁路桥墩及桩基础课程设计一、基本资料及检算要求1.桥跨结构:等跨 L=32m 道碴桥面预应力混凝土梁,梁全长32.6m ,梁缝0.lm ,轨底至梁底高度为2.6m ,轨底至支承垫石高度为3.0m 。
摇轴支座,支座全高0.4m ,支座中心至支承垫石顶面为0.325m 。
每孔梁重2124kN (包括支座重)。
梁上采用道碴桥面钢筋混凝土轨枕及双侧有1.05m 宽人行道,其重量为V=48 kN/m 。
2.桥上线路情况:I 级线路,单线,曲线半径R =1500m ,设计行车速度 V=120km/h 。
3.荷载:列车活载为中一活载,风压强度按标准设计要求采用。
4.无流水,无冰冻。
5.土质情况:第1层杂填土,基本承载力=0ο130kPa ,土的容重γ=16kN/m 3。
第2层沙黏土,液化指数L I =0.667,空隙比e =0.88,基本承载力=0ο190kPa ,极限摩擦力f=80 kPa ,地基系数的比例系数m=10000 kN/m 4 , 土的容重γ=18kN/m 3,。
第3层卵石,中密,基本承载力=0ο500kPa ,极限摩擦力f=120 kPa ,土的容重γ=20kN/m 3 ,地基系数的比例系数m=30000 kN/m 4。
6.桥墩尺寸及所用建筑材料:桥墩尺寸见图,顶帽采用C20钢筋混凝土,托盘采用C20混凝土,墩身C15,及基础采用C20混凝土。
7.检算要求:按铁路《桥规》要求,检算墩身及基础设计。
二:计算步骤与内容:(一)荷载计算恒载恒载包括桥跨结构自重和桥墩(顶帽、墩身及基础)自重。
1.桥跨结构自重由支座传来的桥跨结构恒载压力,包括梁及支座、线路设备及人行道的重量。
梁及支座重可从选用的桥跨标准图中查取。
桥墩上所受的桥跨恒载压力等于相邻两桥跨通过支座传来的反力之和,等跨时传来的桥跨恒载压力作用在桥墩中心线上。
2. 桥墩自重计算桥墩自重时,常将桥墩顶帽、托盘、墩身分别计算,最后求和。
各种圬工容重统一按下列数值采用;钢筋混凝土25kN/m 3,混凝土、片石混凝士、浆砌块石23kN/m 3,浆砌片石22kN/m 3。
土力学与地基基础课程设计学院:专业班级:题目:刚性扩大基础姓名:学号:本课程设计取材于广东省龙川县东江大桥实例工程。
#1、#6墩要求采用明挖扩大基础,#3、#4墩采用钻孔桩基础。
两种基础类型各自验算一种类型(各自选定一个有控制的墩进行计算),其他墩基础可参照计算结果按构造尺寸要求绘图即可,不作具体计算。
设计资料1.上部构造:16m跨为钢筋混凝土T型梁,25m为装配式预应力钢筋混凝土T型梁标准跨径:16m与25m(相邻墩台中线间距)大梁全长:15.96m与24.96m(梁伸缩缝宽4cm)计算跨径:15.40m与24.30m(支座中心距)桥南宽度:行车道9m,人行道2 1.5m2.支座:活动支座采用四氟滑橡胶支座,摩阻系数μ=0.15,支座布置见附图3.设计荷载:公路Ⅱ级,人群3.5KN/m4.桥墩形式:均采用双柱式加悬挑臂盖梁墩帽(墩帽见附图)5.桥墩材料:盖梁C25钢筋混凝土,容重γ=25KN/2m,墩身C20钢筋混凝土,容重γ=25KN/2m6.水文地质资料见附图7.风压:基本风压W3=0.6Kpa8.其它:本桥基本上为跨线桥,广岸跨越小铁路,梅岸跨越定南至老隆公路,二都河为季节性河流,不通航,不考虑漂浮物9.有关设计参考图两张1号墩明挖刚性扩大基础一、 基础尺寸的拟定 1.最大刚性角确定桥墩及基础和拟定的尺寸如图,基础分三层,每层厚度为0.50m ,襟边和台阶宽度相等,为0.4m 。
基础用C25混凝土,混凝土的刚性角max 40α=。
现基础扩散角为 α=1tan -120150=38.66<max 40α=满足要求。
2.确定埋置深度#1号墩所处位置河流最大冲刷深度为0m ,故基底埋深安全值为min h =1.5m 。
此处为了保护基础不受人为活动等原因而破坏,可取h=2.5m 。
3.拟定平面尺寸长度(横桥向) 2tan 7802150tan38.661020a l H cm α=+=+⨯⨯= 宽度(顺桥向)2tan 1802150tan38.66420b d H cm α=+=+⨯⨯=二、作用效应计算 1.永久作用上部构造恒载反力及桥墩墩身、基础上土重计算。
《桥梁墩台与基础工程》课程设计任务书一、课程设计目的该课程设计是为了更好的掌握桥梁墩台与基础的一般设计方法,使其具备初步的独立设计能力;掌握如何综合考虑上部结构、水文、地质条件来进行一般墩台基础设计能力;提高综合运用所学的理论知识独立分析和解决问题的能力;培养学生在综合性和实践性方面能力,以期能独立地、系统地完成一个工程设计的全过程。
二、课程设计题目某简支梁桩柱式墩、台设计三、课程设计容和要求(一)课程设计容1、设计荷载标准公路Ⅰ级,人群荷载—3.5KN/m2。
公路Ⅱ级,人群荷载—3.0KN/m2。
2、桥面净空5梁式:净7+2×1.0m。
6梁式:净9+2×1.0m。
3、上部构造注:冲击系数为1+μ=1.34、水文地质资料(a)(1土层天然容重(kN /m3)桩侧摩阻力(kPa)液性指数孔隙比中砂20.5 60粘性土19.5 65 0.4 0.8中砂厚度(m)(1) (2) (3) (4) (5) (6) 3.0 4.0 4.5 5.0 5.5 6.0(2墩帽盖梁顶标高:246m,常水位:242.5m,河床标高:240.5m,一般冲刷线:238.5m,局部冲刷线:235.2m。
水文地质资料(b)(1)地质资料标高20.00以上桩侧土为软塑亚粘土,各物理性质指标为:容重γ =18.5kN/m3,土粒比重Gs=2.70,天然含水量w=21%,液限w L=22.7%,塑限w p=16.3%;标高20.00以下桩侧及桩底均为硬塑性亚粘土,其物理性质指标为:容重γ =19.5kN/m3,土粒比重Gs=2.70,天然含水量w=17.8%,液限w L=22.7%,塑限w p=16.3%。
(2)水文资料墩帽盖梁顶标高:127m,常水位:125m,河床标高:122.00m,一般冲刷线:120.00m,局部冲刷线:118.00m。
5、主要材料(1)盖梁和墩身均采用C30混凝土;(2)承台与桩基采用C25混凝土;(3)主筋采用335HRB级钢筋;箍筋采用235R级钢筋。
课程设计课程名称基础工程设计题目重力式桥墩刚性扩大基础设计姓名专业年级学号指导教师成绩日期 2011 年6 月 26 日《基础工程课程设计》评语指导教师(签名):2011年 6 月 30 日目录:一、设计资料 (4)二、拟定刚性扩大基础尺寸 (4)2.1确定基础埋置深度2.2基础的尺寸拟定三、桥墩荷载计算 (5)3.1上部构造恒载反力、桥墩、墩帽自重及浮力等。
3.2汽车和人群荷载计算3.3汽车制动力:3.4风荷载计算四、地基压应力计算 (9)五、持力层承载力验算 (10)5.1基底应力计5.2持力层承载力验算5.3下卧层承载力验算六、基底偏心距验算 (10)6.1恒载作用时6.2由合力偏心距七、基础稳定性验算 (11)7.1倾覆稳定性验算7.2.滑动稳定性验算八、沉降计算 (11)九、参考文献 (12)一、设计资料1. 某一级公路桥梁,上部结构为35 m预应力钢筋混凝土简支梁(计算跨径l=33.98 m),桥面宽度为净10(三车道)+2×1.5 m,弧形滑动支座,摩擦系数μ=0.2。
2. 设计荷载:公路-Ⅰ级,人群荷载3. 5 kN/m2。
3. 桥址处河流最高水位为116.66 m,最低水位为112.8 m,通航水位为115.33 m。
=0.83 kN/m2。
4. 横向基本风压W5. 材料:墩帽混凝土30#,容重γ=25 kN/m3;墩身混凝土20#,容重γ=24 kN/m3。
6.每跨上部结构自重6000 kN(中心荷载)。
7. 地基情况及土的物理力学性质指标,见表1。
表1 地基土层分布及计算指标名称厚度/m 容重/kN/m3孔隙比含水量/% 液限/% 塑限/% 压缩模量/MPa黏土 6.0 20.2 0.651 22.0 34.3 16.1 16.5亚黏土 3.0 18.3 0.978 33.1 36.0 19.8 7.5强风化岩 6.0 22.5 ————358. 冲刷线:最大冲刷线和一般冲刷线就是现有的地面线,标高为112.00 m。
9. 桥墩形式和尺寸示意图,见图1。
二、拟定刚性扩大基础尺寸2.1确定基础埋置深度由上部结构和设计荷载资料知道,本桥是重力式桥墩刚性扩大基础,并且为公路—Ⅰ级,从地质条件看最大冲刷线和一般冲刷线就是现有的地面线,标高为112.00 m。
再由(如表2:)初步拟定基础底面在最大冲刷线以下1.8 m处,标高为112.00-1.8=110.20m,基础埋深为1.8m桥梁墩台基础基底最小埋置深度(m) 表2由规知“水中基础顶面不宜高于最低水位,并在一般情况下大、中桥墩、台基础厚度在1—2m 左右”。
现初定基础材料为C20混凝土浇筑基础,厚度为 1.5m ,基础顶面标高为110.2+1.5=111.7m ,则墩身高为120.8-1.2-111.7=7.9m ,由墩身坡度值10:1的,墩底截面长为15.28m ,宽为 3.48m 。
基础分两层,台阶宽30cm ,故台阶扩展角][227530arctan0αα<==,小于刚性角容许值[α]= 040,符合刚性角的要求。
则基础底面尺寸为:a=15.28+4×0.3=16.48m b=3.48+4×0.3=4.68m拟定尺寸图(二)三、桥墩荷载计算3.1上部构造恒载反力、桥墩、墩帽自重及浮力等。
(1)计算值列表3(2)浮力重力式桥墩刚性扩大基础在水中的水位线图(三)最低低水位浮力: F 1=【{21×(1.9+1.9+0.76×2)×7.6×11.8+31π(0.76+0.95) 2×(7.6+9.5)-31π×0.952×9.5}-{21×(1.9+1.9+0.68×2)×6.8×11.8+31π(0.68+0.95) 2×(6.8+9.5)-31π×0.952×9.5}】 ×10=385.4kN 最高水位浮力: F 1=【{21×(1.9+1.9+0.76×2)×7.6×11.8+31π(0.76+0.95) 2×(7.6+9.5)-31π×0.952×9.5}-{21×(1.9+1.9+0.294×2)×2.94×11.8+31π(0.294+0.95) 2×(2.94+9.5)-31π×0.952×9.5}】 ×10=1946.37kN(3)上覆土重kNW 35.3362.203.003.021)25.528.11(2.203.03.02)2.148.1660.068.4(2.2005.13.02)6.048.1668.4(=⨯⨯⨯⨯⨯+⨯+⨯⨯⨯⨯-+-+⨯⨯⨯⨯-+=3.2汽车和人群荷载计算对于桥墩基础的设计,汽车荷载采用车道荷载,车道荷载包括均部k q 和集中荷载k p 两部分组成。
对于公路-Ⅰ级汽车荷载,m kN q k /5.10=,集中荷载k p 与计算跨径有关,计算跨径小于或等于5m 时,k p = 180kN ;桥涵计算跨径等于或大于50m 时,k p =360kN ,桥涵计算跨径大于5m 小于50m 时k p 值采用直线插求得。
本算例中,k p =295.92kN 由于本桥梁是(三)车道,所以查表(1)双孔汽车荷载+双孔两侧行人荷载双孔汽车荷载+双孔两侧行人荷载图(四)则支座反力为:kN R R 63.9482)92.295298.335.10(11=⨯+⨯='=人群荷载引起的支座反力为2R 和'2RkN R R 5.1572235.13522=⨯⨯⨯='=对基底形心轴的弯矩为:M R1 = M ’R1=948.63×0.51=483.8kN.m M R2= M ’R2=157.5×0.51=80.3 kN.m (2)单孔汽车荷载—20+单孔两侧行人荷载单孔汽车荷载—20+单孔两侧行人荷载图(五)则支座反力为:kN R 63.9482)92.295298.335.10(1=⨯+⨯= 01='R人群荷载引起的支座反力为2R 和'2RkN R 5.1572235.1352=⨯⨯⨯=02='R 对基底形心轴的弯矩为:M R1 =948.63×0.51=483.8kN.m M ’R1=0 M R2=157.5×0.51=80.3 kN.m M ’R2=03.3汽车制动力:由汽车荷载产生的制动力按车道荷载标准值在加载长度上计算的总重力的10%计算,但公路-I 级汽车制动力不小于165kN 。
H1=(10.5×35+295.92)×10%=66.34kN < 165kN ,则H 1取为165kN 。
因此简支梁板式支座的汽车荷载产生的制动力为: H=0.5H 1=0.5×165=82.5kN 3.4风荷载计算横桥向风荷载假定水平地垂直作用于桥梁各部分迎风面积的形心上,则:地形、地理条件系数k 3 表(5)地表分类k 2 表(6)风速高度变化修正系数 表(7)由规得公式风荷载标准值 F wh =k 0k 1k 3W d A wh ; W d =γV d ²/2g ; W 0=γV 10²/2g ; V d =k 2•k 5•V 10;因此F wh = k 0•k 1•k 3•(k 2•k 5)²W 0•A wh ;查规可知,k 0=0.9、k 1=0.5、k 3=1.0、k 5=1.38、k 2=1.0; 计算简图看图荷载作用示意图(六)墩帽F wh =0.9×0.5×1.0×(1.0×1.38)²×0.83×(2.1×1.2)=1.79kN 。
① 按最高水位计算;墩身F wh =0.9×0.5×1.0×(1.0×1.38)²×0.83×(1.9+2.49)×2.94/2=4.59kN ② 按最低水位计算;墩身F wh = 0.9×0.5×1.0×(1.0×1.38)²×0.83×(1.9+3.26)×6.8/2=12.48kN四、地基压应力计算荷载组合I :恒载(最低水位)+双孔汽车荷载+双孔两侧行人荷载+风力+制动力; 荷载组合Ⅱ:恒载(最高水位)+单孔汽车荷载—20+单孔两侧行人荷载+风力+制动力;荷载组合Ⅲ:恒载(最高水位)+风力;荷载组合Ⅳ:恒载(最低水位)+双孔汽车荷载+双孔两侧行人荷载; 计算见表(11)表各种荷载组合下作用于基础底面形心处得H 、N 和M 值五、持力层承载力验算5.1基底应力计kpa W M A N p 57.25768.448.166114.59568.448.165.191022max =⨯⨯+⨯=+=kpa W M A N p 78.23768.448.166114.59568.448.165.191022min =⨯⨯⨯=-=-5.2持力层承载力验算持力层为一般黏性土,按《公路桥涵地基与基础设计规》(JTG D63-2007);当e=0.651,I L =0.32时,查表得[fa0]=379.7kPa,因埋置深度为 1.8地基承载力不予修正,则[f0]=[ fa0]=379.7kPa > Pmax=257.57kPa,满足要求 5.3下卧层承载力验算 下卧层为亚黏土,e=0.978,I L =0.82时,查表得[fa0]=159.8kPa <持力层[fa0]=379.7kPa,故必须予以验算。
基底至亚黏土层顶面处的距离z 为;z=6-1.8=4.2m ,当a/b=16.48/4.68=3.52,z/b=4.2/4.68=0.9,由《公路桥涵地基与基础设计规》(JTG D63-2007)查得附加应力系数α=0.583。
计算下卧层顶面处的压应力σh+z ,当z/b <1,基底压应力取离最大压应力距离b/3=1.56m 处的压应力,P=251kPa ,则Ph+z=10.2×(1.8+4.2)+0.583×(251-10.2×2)=195.64kPa而下卧层顶面处的承载力容许值可按课本公式(2-16)计算,其中K 1=0,而I L =0.82>0.5,故K 2=1.5,则[P] h+z=159.8+1.5×10.2×(1.8+4.2-3)=205.7kPa > Ph+z=195.64kPa ,满足要求。