桥面铺装安全技术交底
- 格式:docx
- 大小:12.75 KB
- 文档页数:4
桥面铺装安全技术交底记录一、背景和简介桥面铺装是桥梁建设工程中的重要环节,关系到桥梁的安全和使用寿命。
为了确保桥面铺装施工过程中的安全性,必须进行安全技术交底,明确施工过程中的各项注意事项和安全措施。
本文档为桥面铺装安全技术交底记录,旨在提供详细的施工安全指导。
二、施工人员交底事项1. 施工现场的安全要求在进行桥面铺装施工时,必须严格遵守以下安全要求: - 施工人员必须佩戴符合规定的个人防护装备,包括安全帽、安全鞋、反光背心等; - 指定专人负责监督施工现场安全,确保作业人员遵守安全规定; - 施工现场必须设立明显的安全警示标识,提醒工人注意施工安全; - 确保施工现场有足够的照明设备,以提高夜间施工的可见性; - 按照道路交通管理部门的要求,设置合理的交通标志和交通组织,保证交通的安全顺畅。
2. 桥面铺装材料和设备的安全要求•桥面铺装材料必须符合相关标准和规定,严禁使用劣质或不合格材料;•桥面铺装设备必须经过检查和维护,确保其正常运行和安全性;•在使用设备时,必须使用专门的操作工具,并严格遵守操作规程;•禁止在施工现场吸烟或使用明火,确保材料和设备的安全。
3. 施工过程中的安全措施在桥面铺装施工过程中,必须采取以下安全措施: - 设立临时围挡和警示标识,确保施工现场的安全隔离; - 高处作业时,必须采取安全防护措施,如设置防护网和护栏等; -桥墩和桥面之间必须设立有效的防护措施,防止人员或物体坠落; - 在高温季节施工时,应采取防暑降温措施,确保施工人员的安全。
三、安全责任和监督1. 安全责任划分在桥面铺装施工中,各个参与方的安全责任如下: - 施工方:负责组织和实施桥面铺装施工,并确保施工过程中的安全;- 监理方:负责监督施工方的施工过程,检查并指导施工现场的安全工作; - 业主方:负责提供施工环境和资源,对施工方和监理方进行安全管理和督促。
2. 安全监督制度为了保证桥面铺装施工的安全,需建立完善的安全监督制度: - 设立专门的安全监督岗位,负责监督和检查施工现场的安全措施落实情况; - 定期组织安全检查和安全培训活动,提高施工人员的安全意识和操作技能; - 对违反安全规定的行为及时进行纠正和处理,确保施工现场的安全。
一、工程概况1. 工程名称:_______2. 施工单位:_______3. 分项工程:桥面铺装4. 施工部位:_______二、安全技术交底内容1. 安全生产责任制(1)明确各级人员的安全职责,确保安全管理工作落实到位。
(2)建立安全生产责任制考核制度,对安全生产责任制执行情况进行定期检查。
2. 安全操作规程(1)严格遵守国家和行业有关安全生产的法律法规及规范标准。
(2)熟悉桥面铺装施工工艺,掌握施工操作规程。
(3)正确使用安全防护用品,如安全帽、安全带、防护眼镜等。
3. 人员培训(1)对新进场人员进行岗前培训,确保其具备基本的安全生产知识。
(2)对在岗人员进行定期安全教育培训,提高安全生产意识。
4. 施工现场安全措施(1)施工现场应设置明显的安全警示标志,如“危险”、“禁止通行”等。
(2)施工区域与非施工区域应明确划分,确保施工人员安全。
(3)施工机械、设备应定期检查、维护,确保其安全运行。
5. 防火、防爆、防毒、防尘(1)施工现场应配备消防器材,如灭火器、消防栓等。
(2)易燃、易爆物品应妥善存放,并采取有效措施防止火灾、爆炸事故发生。
(3)施工过程中应采取防尘措施,如使用防尘口罩、洒水降尘等。
6. 高处作业安全(1)高处作业人员必须穿戴安全带,并系好保险钩。
(2)高处作业平台应牢固可靠,并设置防护栏杆。
(3)高处作业过程中,应严格遵守操作规程,防止坠落事故发生。
7. 桥面铺装施工安全(1)桥面铺装施工前,应对施工现场进行清理,确保施工环境安全。
(2)施工过程中,应确保钢筋网片安装、混凝土浇注等环节符合规范要求。
(3)施工过程中,应加强对施工现场的巡查,及时发现并消除安全隐患。
8. 交通安全(1)施工现场周边应设置交通警示标志,并安排专人进行交通疏导。
(2)施工车辆应按照规定路线行驶,不得随意停放。
(3)夜间施工时,应采取有效措施确保施工人员及过往车辆的安全。
三、应急措施1. 事故应急预案(1)针对可能发生的各类事故,制定相应的应急预案。
一、工程概况1. 工程名称:XXX桥面铺装工程2. 工程地点:XXX3. 施工单位:XXX4. 监理单位:XXX5. 设计单位:XXX二、施工流程1. 施工准备:现场勘查、技术交底、人员培训、材料设备准备、施工场地布置等。
2. 基层处理:清理桥面,检查基层平整度,处理裂缝、坑槽等病害。
3. 水泥混凝土铺装:浇筑水泥混凝土,进行养护、检测等。
4. 面层施工:铺设沥青混凝土,进行压实、接缝处理等。
5. 收尾工作:清理现场、道路恢复、质量检测等。
三、施工危险性分析1. 高处坠落:施工过程中,作业人员在高处作业时易发生坠落事故。
2. 机械伤害:施工机械操作不当,可能导致机械伤害事故。
3. 触电:施工现场电线乱拉乱接,施工人员操作不当,易发生触电事故。
4. 火灾:施工现场易燃物较多,如油料、焊割作业等,易引发火灾。
5. 车辆伤害:施工现场车辆行驶,施工人员未遵守交通规则,易发生交通事故。
四、施工安全管理措施1. 安全管理目标:确保施工现场安全生产,实现零事故。
2. 职责分工:(1)项目经理负责全面安全生产管理工作;(2)项目副经理负责安全生产监督管理工作;(3)安全员负责日常安全检查、隐患排查及整改;(4)施工班组负责班组内部安全生产管理工作。
3. 人员防护及管理要求:(1)进入施工现场必须佩戴安全帽、安全带、防护眼镜等防护用品;(2)高处作业人员必须佩戴安全带,挂扣安全绳;(3)电工、电焊工、起重工等特种作业人员必须持证上岗;(4)施工人员必须按照操作规程进行作业,严禁违章作业;(5)加强施工现场交通管理,确保车辆行驶安全。
4. 施工现场安全管理:(1)施工现场电线、电缆必须按照规定敷设,不得乱拉乱接;(2)易燃易爆物品存放区必须设置醒目标志,采取防火、防爆措施;(3)施工现场防火器材配备齐全,并定期检查;(4)施工现场设立安全警示标志,提醒施工人员注意安全。
五、应急预案1. 针对高处坠落事故:立即组织救援,对受伤人员进行救治,并向上级报告。
桥面铺装技术交底桥面铺装技术交底1、施工方法、施工工艺及注意事项(1)施工准备做好施工前的方案设计制定,技术交底等各项技术准备工作;检查桥面铺装施工质量保证体系和措施,明确质量检验程序和执行情况;采用能确保桥面施工质量的三辊轴整平机和插入式振捣器,辅以人工及时配料,确保拌合物摊铺均匀;混凝土在7#拌合站集中拌合,混凝土采用罐车运输;混凝土浇筑采用左右幅分幅浇筑,每次浇筑宽度为单幅桥面半幅;混凝土浇筑前,对所要浇筑桥面路段进行封路;施工前,检查预埋件及预留孔洞的位置,对梁体施工用的孔洞进行填补;采用网格法测量已浇筑梁体顶面标高、纵横坡度、平整度的误差,对误差过大的主梁顶面,纵横坡度,平整度等指标,应定制处理方案,及时处理。
(2)桥面预处理对超高的部分、负弯矩张拉齿板处多余的混凝土、不密实的混凝土必须提前进行凿除处理。
桥面铺装混凝土浇注前,要保证预制梁间铰缝、预制梁顶面的粗糙,凿除浮渣、浮浆,并用空压机清扫、冲洗干净,以保证混凝土之间的粘结。
浇注混凝土前,桥面板用水浸润透,但不能存在积水。
(3)钢筋网的安装验收合格的焊接钢筋网,定位安装时保护层厚度必须保证焊接网距顶面净距为4cm;桥面铺装层的钢筋焊接网定位需由直径Φ12mm 钢筋,在间距50х50cm的位置支垫,定位钢筋与铺装钢筋间需焊接,且焊接钢筋网应保持平整。
钢筋网的搭接长度为20cm。
(4)安装模板钢筋焊接网安装完毕后,在两侧架立高10cm或11cm(无沥青混凝土面层时)的模板,支垫牢固。
同时,应注意严格控制模板高程,以保证桥面纵坡、横坡坡度的准确。
模板下空隙处要填塞密实,防止漏浆,模板表面涂刷脱模剂。
(5)混凝土浇注混凝土浇注应避开高温和低温。
不要在强烈的阳光下施工,宜在太阳落山后或晚上施工。
混凝土运输使用罐车或泵车,严禁使用翻斗车、罐车等直接在钢筋上行走,防止破坏钢筋焊接网;桥面铺装混凝土浇筑时,为防止离析,宜从下坡向上坡进行,要求横坡符合设计要求。
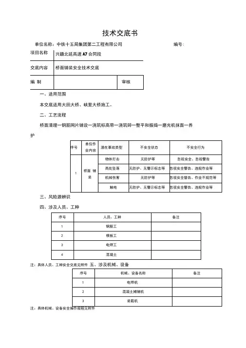
技术交底书单位名称:中铁十五局集团第二工程有限公司编号:一、适用范围本交底适用大田大桥、峡里大桥施工。
二、工艺流程桥面清理一钢筋网片铺设一浇筑标高带一浇筑碎一整平和振捣一磨光机抹面一养护三、风险源辨识四、涉及人员、工种注:具体人员、工种安全交底见附件五、涉及机械、设备六、安全注意事项1、总体要求(1)施工人员进入现场前必须接受入场安全教育和安全技术交底,(2)作业人员进入施工现场必须戴好合格的安全帽,系好帽带,需使用安全带的正确使用安全带,严禁酒后上岗。
(3)施工机械应每天进行设备检修,严禁机械带病作业。
特种作业人员(电工、电焊工、起重机械作业工)必须持证上岗。
(4)施工现场的临时用电应符合现行业标准《施工现场临时用电安全技术规范》的相关规定。
电源线路、电箱接线正确,绝缘可靠,接地牢固,漏电保护器灵敏有效。
2、桥面铺装施工安全要求(1)钢筋网片安装及材料运输① 在桥面上钢筋调向时,必须事先观察运行上方或周围附近是否有高压线,严防碰触。
②作业前应检查运输道路和工具,确认安全。
③运输钢筋网片时,必须事先观察清楚周围的情况,严防发生碰撞。
④现场钢筋电焊时,作业人员应戴好防护目镜,防止电弧光对眼的灼伤⑤2)混凝土浇筑、振捣①施工人员要严格遵守操作规程,振捣设备安全可靠;②振捣棒使用前检查各部位连接牢固,旋转方向正确;③碎振捣时,操作人员必须戴绝缘手套,穿绝缘鞋,防止触电;④振捣器接线必须正确,电机绝缘电阻必须合格,并有可靠的零线保护和防漏电保护装置;⑤雨季施工要注意电器设备的防雨、防潮、防触电;⑥在临边作业时要有必要的防护措施,防止高空坠落、物体打击。
⑦插入式振捣器应两人操作,一人控制振捣器,一人控制电机及开关,振捣棒应自然插入、拔出,不能硬插、硬拔,更不能与钢筋和模板等硬物野蛮碰撞(3)临时用电① 现场采用三相五线制,三级配电两级保护。
桥面铺装安全技术交底一、工程概述本次桥面铺装工程位于_____,桥梁全长_____米,桥面宽度_____米。
铺装层采用_____材料,厚度为_____厘米。
为确保桥面铺装施工过程中的安全,特进行本次安全技术交底。
二、施工准备阶段的安全措施(一)人员准备1、所有参与桥面铺装施工的人员必须经过安全教育培训,熟悉施工过程中的安全风险和防范措施。
2、特种作业人员,如电工、焊工等,必须持证上岗,并严格遵守相关操作规程。
(二)技术准备1、施工前,技术人员应向施工人员进行详细的技术交底,包括施工工艺、质量标准和安全注意事项。
2、制定完善的施工方案和安全应急预案,确保施工过程中的安全可控。
(三)材料准备1、各类材料应按照规定的存放要求进行存放,防止受潮、变质或损坏。
2、易燃、易爆材料应单独存放,并设置明显的警示标志,配备足够的消防器材。
(四)设备准备1、对施工所需的机械设备进行全面检查和维护,确保设备性能良好,安全装置齐全有效。
2、特种设备应定期进行检验和注册登记,操作人员应持证上岗。
三、施工过程中的安全措施(一)高处作业安全1、在桥面边缘设置防护栏杆,高度不低于 12 米,并挂设安全网。
2、作业人员必须系好安全带,安全带应高挂低用,挂点应牢固可靠。
3、严禁在没有防护设施的情况下,在桥面上边缘行走或作业。
(二)临边防护安全1、对桥面的预留孔洞、临边等部位,应设置牢固的防护设施,如盖板、防护栏等。
2、防护设施应定期进行检查和维护,确保其完整性和可靠性。
(三)电气安全1、施工现场的临时用电应严格按照《施工现场临时用电安全技术规范》进行布置。
2、配电箱应采用标准配电箱,做到一机一闸一漏一箱,严禁私拉乱接电线。
3、电气设备的金属外壳应接地或接零保护,潮湿环境下应使用安全电压。
(四)机械作业安全1、操作人员应熟悉机械设备的性能和操作规程,严禁无证操作。
2、机械设备在运转过程中,严禁进行维修、保养和调整作业。
3、严禁机械设备带病作业,发现故障应及时停机检修。
一、交底目的为确保桥面铺装施工过程中的安全,降低事故发生率,提高施工质量,特进行本次安全技术交底。
二、交底对象全体桥面铺装施工人员、管理人员及监理人员。
三、交底内容1. 施工现场安全注意事项(1)进入施工现场必须佩戴安全帽,系好安全带,穿防滑鞋。
(2)施工现场严禁酒后作业,疲劳作业。
(3)施工区域应设置明显的警示标志,禁止无关人员进入。
(4)施工现场用电安全:电缆、电线应规范布设,不得随意拖拽;施工现场用电设备应安装漏电保护器,确保用电安全。
2. 施工机械安全操作(1)机械设备操作人员必须经过专业培训,取得操作证后方可上岗。
(2)机械设备启动前,必须检查设备各部件是否完好,确认安全后方可操作。
(3)操作机械设备时,严禁将身体任何部位伸入设备工作区域。
(4)机械设备运行过程中,严禁触摸、调整设备。
3. 施工材料安全使用(1)施工材料应存放于干燥、通风、防火、防盗的场所。
(2)易燃、易爆、有毒、有害材料应分类存放,并设置醒目标志。
(3)施工材料使用过程中,应严格按照操作规程进行。
4. 施工环境安全(1)施工现场应保持整洁、有序,防止因杂物堆积造成安全事故。
(2)施工现场应定期检查、维护排水设施,确保排水畅通。
(3)施工现场应设置消防设施,并定期检查、维护。
5. 施工过程中应注意的安全事项(1)施工过程中,应密切关注施工环境,确保施工安全。
(2)施工过程中,应严格执行施工方案,确保施工质量。
(3)施工过程中,如发现安全隐患,应立即停止施工,并及时报告。
四、交底要求1. 施工人员应认真学习本次安全技术交底内容,确保掌握安全操作技能。
2. 施工人员应严格遵守安全操作规程,确保施工安全。
3. 施工管理人员应加强对施工现场的安全检查,发现问题及时整改。
4. 监理人员应严格按照安全规范进行监理,确保施工安全。
五、总结本次桥面铺装三级安全技术交底,旨在提高全体施工人员的安全意识,降低事故发生率。
请各位施工人员认真学习,严格遵守安全操作规程,确保施工安全。
桥面铺装的安全技术交底桥面铺装的安全技术交底桥梁是交通运输的紧要构成部分,其连接着不同地区的道路和铁路,承载着巨大的车辆和人流量。
因此,桥面的安全和牢靠性特别紧要,其中桥面铺装技术是保证桥梁使用寿命并提高其安全性的关键之一、本文将针对桥面铺装的安全技术进行探讨。
一、前期准备工作在进行桥面铺装之前,必需做好前期准备工作。
首先是施工区域的保护。
为了防止施工区域内的人员和设备受到损坏,应当建立有效的安全区域,禁止未经授权的人员闯入,并设置安全围栏和警告标志。
其次,对施工区域进行规划。
要有清楚的施工计划和施工图,并将其与其他建设单位协调一致。
此外,需要检查和评估施工区域和设备的适用性和情形,确保施工设备的安全性和合法性。
二、材料准备工作桥面铺装材料的质量对整个施工过程的质量和安全性产生紧要影响。
因此,需要对材料进行检查和测试,确保其质量符合施工规范的要求。
此外,在铺装工作开始前,还要清理原有的路面,排出可能的隐患;同时,施工现场要准备充分的材料,以确保施工过程中可以适时补料,并做好材料管理工作,避开材料挥霍和损失。
三、铺装施工过程在实施铺装施工过程中,施工单位需要对员工进行专业技能培训,使其具备充足的铺装技术和安全意识。
在施工过程中,需要进行现场监控,确保施工符合规范,并适时修正可能存在的问题。
同时,应在施工现场设置明显的警告标志,提示施工人员和行人注意安全。
四、检验验收在施工完成后,需要进行检验验收,确保铺装工程的质量和安全性符合规范。
检测包括表面平整度、厚度、密度、无气孔、横向和纵向标线等方面。
同时,还要测试桥面的承重本领和结构稳定性,以确保桥面可以安全地承载大型车辆和高重量的货物。
总之,在铺装桥面的过程中,安全和质量必需得到高度重视。
施工单位必需始终关注现场安全和健康,实行各种措施确保员工的安全,并且必需确保所用材料的质量达到规范要求。
在整个工程过程中,全面的安全技术交底是必不可少的。
通过员工的专业技能及安全意识,现场的监控以及施工后的检验及验收,完成高质量、安全的桥面铺装工程。
桥面铺装的安全技术交底桥面铺装是保障桥梁安全使用的重要措施之一,因此进行桥面铺装的施工安全技术交底十分必要。
本文将从桥面铺装施工前的准备工作、施工中的安全要求和注意事项以及施工后的质量检验等方面,详细介绍桥面铺装的安全技术交底。
一、施工前的准备工作1.制定详细的施工方案,明确施工顺序、材料选用、作业方法等内容。
2.开展施工前的安全技术交底,告知施工人员施工中的安全风险和注意事项,并确保施工人员理解和遵守。
3.对施工现场进行全面检查,确保施工现场的安全无隐患。
4.组织各类机械设备的检修和维护,确保设备运行安全可靠。
二、施工中的安全要求和注意事项1.施工人员必须穿戴符合标准要求的安全防护装备,如安全帽、安全鞋、防护手套等。
2.施工人员必须具备相关专业技术资质,经过培训并持证上岗。
3.施工现场必须设立合理的警示标志和安全警戒线,确保周围人员的安全。
4.如果施工现场存在高风险作业,如高空作业,必须配备相应的安全设备和人员,如安全网、防护绳等。
5.施工现场必须保持整洁,及时清理垃圾和杂物,防止发生滑倒、绊倒等事故。
6.配合气候和天气情况,合理安排施工时间和施工顺序。
三、施工后的质量检验1.对桥面铺装的厚度、均匀性进行检验,确保铺装的平整度和坚实性。
2.检查桥面铺装材料的质量,如沥青的温度、黏度,确保符合施工要求。
3.测量铺装面的耐滑性能,确保桥面铺装不易滑倒。
4.检查桥梁面板的接缝密封情况,防止渗水、渗油等问题。
总之,桥面铺装是一项复杂而重要的施工工作,安全技术交底是保障施工过程安全的前提。
通过施工前的准备工作、施工中的安全要求和注意事项以及施工后的质量检验,可以确保桥面铺装工程的顺利进行,并保证桥梁的安全和使用寿命。
施工人员要切实掌握这些安全技术要点,提高安全意识,确保工程质量的同时,保障施工人员的安全。
四、施工中的风险控制措施1. 高空作业风险控制:对于高空作业,必须确保施工人员的安全。
需要搭建安全而稳固的脚手架或者使用安全绳进行固定。
桥面铺装施工技术交底书一、施工概述桥面铺装是指在桥梁上进行的道路铺装工作,对于确保桥面的平整、牢固以及耐久性有着重要的作用。
本文将对桥面铺装施工所涉及的技术细节进行详细交底,确保施工质量和安全。
二、施工准备1.材料及设备准备在开始桥面铺装施工之前,需确保所使用的材料和设备齐全,包括但不限于沥青、石料、铺装机械设备、辅助工具等。
2.交通管控施工现场需要进行交通管控,保证工人和交通安全。
在施工期间,临时交通标志必须设置到位,确保施工区域的可视性和警示性。
3.现场布置根据施工设计要求和施工计划,将施工现场划分为合理的区域,确保施工过程中各项工作有序进行。
同时,必须加强施工现场的环境保护工作,减少对周边环境的污染。
三、施工工艺1.基础处理在桥面铺装施工之前,必须对桥面基础进行处理。
首先,清理桥面表面的杂物和污垢,确保基础洁净。
然后,对桥面进行修补和加固,确保基础的牢固和平整。
2.涂覆底层在桥面铺装过程中,需要在基础上涂覆一层底层材料。
底层材料一般选择沥青混凝土,确保其具有良好的抗压性能和耐水性能。
底层材料的厚度和配合比需要根据设计要求进行调整。
3.铺装面层桥面铺装的最后一个步骤是铺装面层。
面层材料常选择沥青混凝土或水泥混凝土,具有较好的耐久性和抗滑性能。
在铺装过程中,需要根据设计要求进行摊铺、压实以及表面平整处理。
四、质量控制为了确保桥面铺装的质量,需要进行严格的质量控制措施。
其中包括但不限于:1.材料检查在使用材料之前,必须对材料进行检查,包括检查材料的规格、质量等,确保符合施工要求。
2.现场质量检验在施工现场,需要随时对施工的质量进行检查,包括材料的配合比、摊铺厚度、压实度等,确保施工过程中的质量符合要求。
3.工程验收在施工完成后,需要对桥面进行工程验收。
验收包括对桥面平整度、抗滑性能、耐久性等进行检测,确保达到设计要求。
五、安全措施桥面铺装施工过程中,需要严格遵守安全操作规程,确保施工人员和周围环境的安全。
一、交底目的为确保桥面铺装栏杆施工过程中的安全,预防事故发生,提高施工人员的安全意识,特制定本安全技术交底。
二、交底内容1. 施工人员安全要求- 进场施工人员必须佩戴安全帽,并扣好帽带。
- 严禁穿拖鞋、硬底鞋、易滑鞋、高跟鞋、赤脚、赤背及酒后进场上班。
- 上班前应检查个人安全防护用品是否齐全有效,个人所使用工具是否配备齐全。
2. 高处作业安全措施- 凡在坠落高度基准面2米以上(含2米)有可能坠落的高处进行作业的人员,必须系好安全带,并将安全带挂在牢固可靠的地方。
- 高处作业区域应设置安全防护网,防止坠落物伤人。
3. 材料与设备安全- 施工材料应存放整齐,不得堆放过高,防止坠落。
- 机械设备操作人员必须持证上岗,严格按照操作规程进行操作。
- 施工现场应定期检查机械设备,确保其安全可靠。
4. 施工工艺安全- 桥面铺装栏杆施工前,应先进行施工图纸会审,明确施工工艺和安全要求。
- 钢筋加工、焊接等工序应严格按照规范进行,确保钢筋质量。
- 预制构件安装时,应确保构件位置准确,连接牢固。
5. 防护措施- 施工现场应设置明显的警示标志,提醒施工人员注意安全。
- 临时用电线路应设置防护罩,防止触电事故发生。
- 作业平台应搭设牢固,并设置安全防护栏杆、安全梯、斜道等攀登设施。
6. 应急预案- 施工现场应制定应急预案,明确事故发生时的处理流程和责任人。
- 施工人员应熟悉应急预案,并掌握基本的自救互救技能。
三、交底时间及地点交底时间:XXXX年XX月XX日交底地点:XX项目施工现场四、交底人及参加人员交底人:XXX参加人员:全体施工人员、监理人员五、注意事项1. 施工人员应认真听取安全技术交底,并严格遵守各项安全规定。
2. 施工过程中,如发现安全隐患,应立即报告并采取措施予以排除。
3. 施工现场应加强安全管理,确保施工安全。
六、附则本安全技术交底自发布之日起执行,如遇特殊情况,可根据实际情况进行调整。
注:以上模板仅供参考,具体内容可根据实际情况进行修改和完善。
引言概述:桥面铺装施工是道路交通建设中非常关键的一环,其质量直接影响着桥梁使用寿命和安全性能。
本文将详细介绍桥面铺装施工技术的相关内容,从施工前的准备工作到施工过程中的关键步骤,再到施工后的检验与养护,全面阐述桥面铺装施工技术的要点和注意事项。
正文内容:一、施工前的准备工作1.桥面铺装方案编制:根据桥梁的类型、用途和交通流量,制定合理的铺装方案,包括材料选择、施工工艺、施工序列等内容。
2.环境保护准备工作:在施工前进行环境保护意识培训,合理安排施工队伍,准备好防护设施,确保施工过程中不污染周边环境。
3.设备和材料的准备:检查施工所需的设备和材料是否齐全,并按照要求进行检验和试验,确保其质量符合标准。
二、施工过程中的关键步骤1.清理和修复桥面:清除旧有的铺装材料和沥青,对桥面进行清理和修复工作,确保施工质量。
2.桥面基层处理:根据设计要求,对桥面基层进行处理,包括刨平、修补、加固等工作,确保基层平整牢固。
3.铺装材料的选择和验收:根据设计要求,选择适合的铺装材料,进行严格的验收,确保材料质量可靠。
4.铺装施工工艺:按照设计要求,采用合理的铺装施工工艺,包括热拌铺装、冷拌铺装、面层压实等工序,确保铺装质量。
5.环境保护和安全措施:在施工过程中,加强环境保护和安全管理措施,包括噪声、扬尘、油污的控制、施工现场安全警示等,确保施工安全和环境卫生。
三、施工后的检验与养护1.施工质量检验:对铺装施工质量进行检验,包括铺装面平整度、密实度、入弯度等指标的测量和评定。
2.病害检测和修复:定期对桥面进行病害检测,及时采取补救措施修复损坏的铺装。
3.养护保养措施:定期进行桥面的养护保养工作,包括清洁、防水、涂覆保护层等,延长桥面使用寿命。
4.桥面维护管理:建立健全桥面维护管理制度,明确责任和义务,加强巡查和维护工作。
总结:桥面铺装施工技术是保证桥梁使用寿命和交通安全的重要环节。
本文从施工前的准备工作,施工过程中的关键步骤,到施工后的检验与养护,全面阐述了桥面铺装施工技术的要点和注意事项。
桥面铺装技术交底1.施工方案:桥面铺装关键要控制好三度(厚度、强度、平整度)和裂缝,以角钢做模板便于砼摊铺并准确控制桥铺标高,纵向分两幅施工,分幅的施工顺序为按横坡方向先低后高的原则进行。
同时为避免后续施工污染己施工面层,根据混凝土拌和站位置考虑,应从前进方向向前推进施工。
桥面铺装的施工顺序:凿除浮渣、高压水清洗桥面精确放样绑扎钢筋安装模板浇筑50#混凝土混凝土养生。
1.1.凿除浮渣、清洗桥面桥面铺装施工前应对桥面进行普测,以确保铺装层的设计厚度。
然后“地毯式”凿除浮渣、浮浆,清除其他杂物,并用高压水冲洗干净,保证桥面铺装层与底层紧密结合。
1.2.精确放样与高程控制按分幅施工的方法,拟设置两幅纵向模板,因此在桥面上按纵向每5m的间距布设中线点,准确弹出三道模板的安装基准线,并于中线点处精确测㈩高程控制点。
桥铺钢筋网必须按设计位置定位,采用角钢作为模板,以滚筒和角钢顶面保持线接触进行高程控制。
立模时,于弹好的基准线间隔70cm预埋螺栓,作为模板支撑点和高程控制之用,并在间隔5m己设置的高程控制基准点间,采用拉线严恪控制角钢顶面高程,高程放样应坚持复测。
模板安装完毕后,应对模板标高多次检验复核,即便在浇筑过程中进行必要的复核,做到勤测、勤核、勤纠偏,以确保桥铺高程的准确性,万无一失。
1.3钢筋制作与安装钢筋制作、安装严格按设计要求与施工规范进行,钢筋网位置准确,网格尺寸标准,负弯矩钢筋布设准确,钢筋底面加垫砼小垫块,保证钢筋有足够的保护层。
1.4.模板安装模板顶面高程严格与砼铺装层顶面高程相同。
每—段落之间的施工缝同样采用角钢作模板,确保施工缝笔直,角钢安装牢固,角钢顶面高程按该处桥面设计横坡严格控制。
1.5混凝土施工1.5.1.混凝上的搅拌混凝土的搅拌均采用电子计量系统的强制式拌和站拌和,以保证投料准确和混凝土混合料的拌和质量。
1.5.2.混凝土的运输混凝土混合料的运输过程中应注意混凝土的配制和运送速度应与浇筑速度相适应,避免砼混合料窒碍工夫太长而造成混凝土浇筑困难。
一、工程概况1. 工程名称:_______2. 施工单位:_______3. 分项工程:桥面铺装4. 施工部位:_______二、施工工艺1. 铺装材料:沥青混凝土、水泥混凝土等。
2. 施工流程:桥面处理→基层施工→防水层施工→铺装层施工→路面标线及配套设施施工。
三、施工安全技术交底1. 人员安全:(1)进入施工现场必须佩戴安全帽,系好帽带,并正确使用个人劳动防护用品。
(2)高处作业人员必须系好安全带,挂好安全绳,并严格遵守操作规程。
(3)电工、电焊工、起重工等特种作业人员必须持证上岗。
2. 机械安全:(1)机械操作人员必须熟悉机械性能、操作规程和安全注意事项。
(2)机械设备运行过程中,严禁操作人员离开工作岗位。
(3)机械操作人员必须定期进行体检,确保身体健康。
3. 施工现场安全:(1)施工现场必须设置安全警示标志,并定期检查维护。
(2)施工现场严禁烟火,严禁堆放易燃、易爆物品。
(3)施工现场道路应保持畅通,设置安全通道。
(4)施工现场应配备消防器材,并定期检查维护。
4. 防水层施工安全:(1)防水材料储存、运输过程中,严禁烟火,并采取防潮、防晒措施。
(2)施工过程中,注意防水材料的防火、防爆措施。
(3)防水层施工完成后,应进行闭水试验,确保防水效果。
5. 铺装层施工安全:(1)沥青混凝土、水泥混凝土等铺装材料运输、摊铺过程中,注意车辆行驶安全,防止材料洒落。
(2)铺装层施工过程中,注意压实度、平整度等质量要求。
(3)施工现场应设置防滑措施,确保人员安全。
6. 路面标线及配套设施施工安全:(1)标线涂料、反光材料等储存、运输过程中,注意防火、防爆措施。
(2)标线施工过程中,注意交通安全,设置警示标志。
(3)配套设施施工过程中,注意人员安全,遵守操作规程。
四、应急措施1. 发生火灾时,立即启动应急预案,组织人员疏散,并使用灭火器材进行灭火。
2. 发生触电事故时,立即切断电源,并采取急救措施。
3. 发生高处坠落事故时,立即组织人员救援,并采取防止二次事故发生的措施。
一、工程概况1. 工程名称:[项目名称]2. 施工单位:[施工单位名称]3. 分项工程:桥面沥青铺装4. 施工地点:[施工地点]5. 施工时间:[开始时间]至[结束时间]二、施工组织1. 施工流程:- 施工准备- 桥面清理- 铺设沥青混合料- 热拌沥青混合料施工- 沥青混合料摊铺- 精细碾压- 接缝处理- 养生与开放交通2. 施工队伍:[施工队伍名称],由[人数]人组成,包括沥青摊铺、碾压、施工监理等岗位。
三、施工危险性分析1. 桥面清理:高处坠落、物体打击、触电、机械伤害等。
2. 沥青混合料施工:高温作业、火灾、爆炸、机械伤害等。
3. 摊铺与碾压:机械伤害、烫伤、车辆伤害等。
4. 接缝处理:高空坠落、物体打击等。
四、施工安全管理措施1. 安全管理目标:- 无重大安全事故发生;- 工伤事故发生率控制在[目标值]以内;- 确保施工人员生命安全。
2. 职责分工:- 项目经理:全面负责施工安全管理工作;- 技术负责人:负责施工过程中的技术指导与监督;- 施工员:负责现场施工组织与协调;- 安全员:负责现场安全巡查与隐患排查;- 监理工程师:负责施工过程中的监理工作。
3. 人员防护及管理要求:- 进入施工现场必须佩戴安全帽、反光背心、劳保鞋等防护用品; - 高处作业必须系安全带,挂扣安全绳;- 电气设备必须符合国家相关标准,并由专业人员操作;- 施工现场不得违规操作,不得酒后作业;- 施工现场严禁烟火,严禁使用易燃易爆物品;- 定期对施工人员进行安全教育培训,提高安全意识。
五、技术交底内容1. 施工准备:- 熟悉施工图纸,了解施工工艺;- 检查施工机械、设备、材料等是否符合要求;- 确保施工人员掌握施工技术要领。
2. 桥面清理:- 清除桥面杂物、油污等;- 检查桥面平整度,确保铺装质量。
3. 沥青混合料施工:- 熟悉沥青混合料配合比,确保质量;- 严格控制沥青混合料温度,防止火灾、爆炸事故;- 严格操作规程,确保施工安全。