机械设备安装验收表学习资料
- 格式:doc
- 大小:88.50 KB
- 文档页数:15
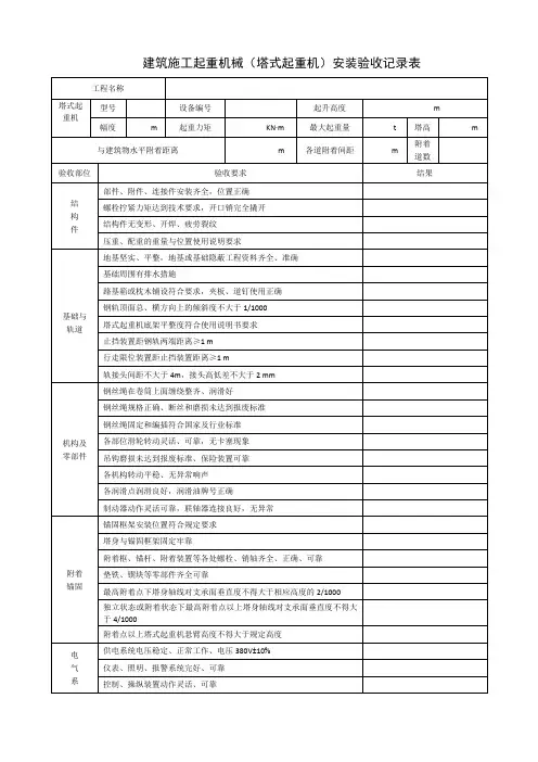
建筑施工起重机械塔式起重机安装验收记录表建筑施工起重机械塔式起重机安装验收记录表工程名称:XXX验收日期:XXXX年XX月XX日施工单位:XXX设备名称:XXX制造厂家:XXX设备编号:XXX起重量:XXX吨安装单位:XXX安装质量:合格/不合格验收结论:合格/不合格I. 设备的现场拍照记录II. 安装单位人员名单姓名职务上岗证号III. 等高线及平面图的平放和弧度的检查记录IV. 安装基础的检查与记录1. 地基承载能力检查地基承载力(标准)安装基础面积(平米)承载力(KN)承载力合格率2. 安装基础平整度检查基础面积(平米)最大高差(mm)平面度合格率V. 安装监理复验记录表与技术交底(见技术交底及监理复验记录表)VI. 塔式起重机质量证明文件检查与记录1. 设备出厂合格证书复印件2. 安装工程师持证上岗合格证书复印件3. 设备制造厂家组织的出厂检验、试运行记录VII. 外观及部件质量检查记录1. 设备名称、编号、制造厂家、安装日期、额定起重力矩、吊装高度和工业生产许可证相符合。
2. 塔体外观、防腐处理和镶垫轮的检查、操作杆的装配和调整、液压管路的检查少表面VIII. 塔吊各部件检查与调整记录1. 链条和绳缆编号规格检查结果2. 液压油品名规格检查结果3. 紧固件编号规格检查结果IX. 检查各部装置工作状况1. 设备启动,吊钩升降、平移、回转的检查2. 安全限位开关的校验3. 各控制工作站的功能和安全警示标识的检查X. 塔吊安全设施及机架配件的检验记录1. 避雷装置和接地线的检查2. 平衡重链和双(三)控制器、玻璃钢反光手提警示标志牌、气喇叭、射灯的检查。
3. 各操作自动装置、缆绳式自动安全制动器、承载力限制器和风速表的检查。
维修保养记录表日期维修项目维修人员总结:以上为建筑施工起重机械塔式起重机安装验收记录表,各项数据齐全、记录详细,起到了对塔式起重机设备安装的全面检查以及确保安全使用的有效性。
建筑施工起重机械安装使用验收检查资料随着建筑行业的发展,在施工过程中起重机械的使用越来越频繁。
这场景下,对建筑施工起重机械进行安装、使用和验收检查显得尤为重要。
本文将依次介绍建筑施工起重机械的安装、使用和验收检查资料。
建筑施工起重机械安装安装资料1.起重机械制造厂家生产的技术文件2.安装图纸和方案3.安装工程师资格证书4.起重机械安装施工方案、作业指导书、安全技术交底书等5.安装设备及其配件清单6.施工现场平面布置图、道路、电线、管线图7.现场相关设施的操作使用说明书安装要求1.安装现场和设备周围区域必须符合起重机械安装规范的要求。
2.按照制造厂家要求进行安装,严格掌握起重机械的安装重点和严格操作流程。
3.安装前必须对起重机械及其配件进行检验,并要求制造厂家(或销售商)发货时提供的质量证书。
4.进行安装作业前,必须组织工作人员进行安全技术交底,确定工作责任和各自的任务分工。
建筑施工起重机械使用使用资料1.机械设备使用说明书。
2.随机附带的安全防护用品,例如安全绳、安全脚手架、安全带等。
3.设备操作指导及控制电路4.停电操作规程和措施5.操作规程和检查表使用要求1.机械设备必须有正确的标识和使用说明书,并应是符合国家/行业标准的合法机型。
2.在操作前,必须对使用场所和机械设备进行检查,发现隐患及时进行处理或汇报。
3.操作过程中必须围栏围护,指定专人操作,并备有安全绳、安全脚手架、安全带等防护措施,特别要注意高空作业的安全。
4.对于超载、超高、超速、超程等违规操作,必须进行严格警告和处理,并重点进行记录。
建筑施工起重机械验收检查验收检查资料1.相关法律法规及标准。
2.发货合同、质量证书、设备检验报告和在运输、装卸中发生的电气、机械损伤及磕碰等损坏情况说明。
3.技术资料、文件、图纸等相关资料。
4.起重机械制造及安装单位出具的质保书、合格证。
5.相关证明文件、资料。
验收检查要求1.进行验收前,必须按照法律法规及标准要求进行验收检查,如判断机械设备是否符合环保、安全、节能、保护的要求等。
江苏翔盛粘胶纤维股份有限公司机械设备安装工程最终验收报告单____年__月__日NO.设备(部位)名称施工单位施工开工日期设备(部位)制造单位序号9101112验收资料内容竣工图或按实际完成情况注明修改部分的施工图设计修改的有关文件工程的施工方案、人员组织及进度计划主要材料和用于重要部位的出厂合格证和检验记录或试验资料重要焊接工作的焊接试验记录及检验记录设备部件开箱清单、仪表合格证及其校验记录隐蔽工程记录各重要工序的自检和中间检查(或交接)记录重要灌浆所用混凝土的配合比和强度试验记录试运转(单机调试、联动调试及试生产)记录重大问题及其处理的文件其它有关资料(安全措施及安全报告等)建设单位使用部门施工竣工日期出厂编号份数提供单位提供人(签名)工程验收符合的规范与规定(使用单位填写):填写人:____年__月__日工程验收的综合评议(验收小组填写):填写人:____年__月__日验收人员签名热电部、原液部、纺练部、酸站部、动力部、仪电部、CS2回设备部意见:收部、生产技术部、工程部意见:验收负责人签名:____年__月__日负责人(签名):____年__月__日公司主管领导意见:公司常务副总意见:公司董事长意见:意见签名:签名:签名:____年__月__日____年__月__日说明:1."对所提供的验收资料应作为附件按顺序放在此表后,验收资料由施工及相关单位提供;2.本表由使用单位组织填写,在验收时此表格中不需要项在后空格中用“/”填写;3.此表一式三份,使用单位、设备部、总经办各一份。
机械设备安装验收表
项目信息
- 项目名称:
- 设备名称:
- 设备型号:
- 设备数量:
- 供应商:
- 安装单位:
安装验收内容
1. 设备外观检查:
- 设备是否完好无损
- 设备表面是否存在划痕或变形
- 设备颜色是否与要求一致
2. 安装位置确认:
- 设备安装位置是否与设计要求一致
- 设备放置是否平稳、牢固
- 设备周围是否存在阻挡物或影响使用的因素
3. 电气系统检查:
- 设备电气连接是否正确接地
- 电气线路是否符合电气安全标准- 各电气部件是否正常工作
4. 机械系统检查:
- 设备运转是否顺畅
- 各机械部件是否正常工作
- 设备传动系统是否正常运转
5. 安全保护装置检查:
- 各安全装置是否齐全
- 安全保护装置是否正常工作
- 安全防护措施是否符合安全要求
6. 试运行:
- 设备是否能正常启动和停止
- 设备运行过程中是否出现异常情况- 设备各项功能是否正常
备注
- 验收人:
- 验收日期:
请根据实际情况填写以上内容,并在验收完成后由相关人员签字确认。
拖拉机吊进场验收表1. 项目概述本文档用于记录拖拉机吊进场验收的相关信息。
2. 验收内容拖拉机吊进场验收应包括以下内容:- 拖拉机吊的基本信息,包括型号、出厂日期、注册车牌号等;- 吊装设备的安全检查,包括钢丝绳、钩具、遥控器、传感器等的完好性和功能是否正常;- 吊装设备的外观检查,包括车体是否有变形、划痕、漏油等;- 吊装设备的操作性能检查,包括起重量、转动灵活度、平稳性等;- 吊装设备的安全保护装置检查,包括限位器、过载保护器、断电器等是否正常工作;- 吊装设备的附属设备检查,包括绞车、钢丝绳锁等的使用情况。
3. 验收流程拖拉机吊进场验收的流程如下:1. 到达吊装现场,查看并记录拖拉机吊的基本信息。
2. 进行吊装设备的安全检查,检查钢丝绳、钩具、遥控器、传感器等的完好性和功能是否正常。
3. 进行吊装设备的外观检查,记录车体是否有变形、划痕、漏油等情况。
4. 进行吊装设备的操作性能检查,测试起重量、转动灵活度、平稳性等参数。
5. 进行吊装设备的安全保护装置检查,验证限位器、过载保护器、断电器等是否正常工作。
6. 检查吊装设备的附属设备,包括绞车、钢丝绳锁等的使用情况。
7. 将以上检查结果记录在验收表中,并进行签名确认。
4. 验收表格样例5. 验收结果验收人员应根据实际情况在验收表格中填写检查结果,并在备注栏中记录需要特别注明的问题或情况。
6. 验收确认验收人员应在验收表格上签字确认所有的检查结果正确无误,以便进一步的使用和操作。
---以上为拖拉机吊进场验收表的文档内容,详细描述了验收内容、验收流程和验收表格样例。
请在具体验收时根据实际情况进行操作和记录,以确保吊装设备的安全性和正常使用。
各类设备设施验收资料
水电建筑安装工程公司
目录
电焊机验收表 (3)
钢筋机械安装验收表 (4)
搅拌机安装验收表 (5)
挖掘机检查验收表 (6)
漏电保护器测试记录表 (7)
施工现场临时用电验收表 (8)
基坑支护验收表 (10)
安全防护设施验收记录 (11)
插式振动器设施定期维护表 (12)
电焊机设施定期维护表 (13)
潜水泵设施定期维护表 (14)
各开关柜漏电保护装置定期维护表 (15)
电焊机验收表
钢筋机械安装验收表
搅拌机安装验收表
挖掘机检查验收表
漏电保护器测试记录表
注:1、此表为一台漏电保护器使用一张,作为其运行测试记录;
2、漏电保护器测试按照说明书要求进行,一般情况下测试每月至少一次;
3、测试人为电工,监测人可以是施工员、安全员等施工管理人员。
施工现场临时用电验收表
基坑支护验收表
安全防护设施验收记录
插式振动器设施定期维护表
检修人:
检修人:
检修人:
各开关柜漏电保护装置定期维护表
检修人:。
钢筋机械安装验收表
表(九)-10-3 工程名称机械名称钢筋弯曲机
设备型号GW40 设备编号安装日期
序号验收内容验收结果
1 安装场地砼硬华,机身安装稳固,设有可靠的防护棚,有安全操作规程,有良好排水措施
2 传动部位防护罩齐全可靠
3 钢筋冷拉作业区及对焊作业区应有防护隔离措施,并悬挂警示牌
4 冷拉机地锚、钢丝绳连接点牢固,夹具完好可靠,信号明确
5 设备金属外壳应做保护接零并连接牢固,符合要求
6 有专用开关箱并符合要求,漏电保护器匹配合理、灵敏可靠
7 开关箱距设备应不大于3m
验收意见:
年月日项目负责人
技术负责人
安装负责人
机管员
安全员
机械操作员
1。
设备验收规范(ISO9001:2015)1、目的为维护公司的合法权益,监督供应商履行合同,确保设备交货质量,做好设备管理的前期工作,特制订本规范。
2、适用范围2.1适用于公司所有的设备。
2.2按照本制度的要求,设备需要经过验收后才能投入正常使用;2.3凡涉及人身、财产安全、环境保护的设备及部件,如锅炉、压力容器等,按照有关法定检验的管理文件实施检验。
3、开箱检验3.1设备部应汇同采购部相关人员、厂家工作人员、生产相关使用部门组织开箱,并准备好照相机拍照;3.2设备部应首先检验包装的完好性,如有损坏,马上拍照取证;3.3设备开箱时,尽可能要求厂家工作人员在场,双方根据装箱单清点其中设备、随机辅料、工具、备件及相关资料,如有不符,应在装箱单上注明;3.4设备清点时,还应检查设备及部件的完好性;如有损坏,必须在清单上注明,并拍照取证;3.5设备清点完成后,各方在清单上签字;如有异常,及时将异常情况通知厂家。
4、安装调试安装调试分为四个部分,包括现场安装、空载试机、负荷试机及批量试生产,设备部应及时了解安装调试情况,做好各部门的协调工作,及早发现问题并要求厂家进行整改;4.1设备安装调试依据厂家提供的安装指导书或在厂家专业人员的指导下进行,主要工作有设备就位、水平调整、底座固定、分离部件组装,运行所需的电、气、水、空调的连接,部件的清洁、润滑、紧固、调整等;4.2设备部应每天做好记录,尤其是与合同不符的部分要及时与厂家反馈沟通,尽快纠正;4.3安装调试的各个阶段,设备部必须编写阶段性总结报告交上级领导审核,并作为验收报告的附件;4.4安装调试期间,设备部应组织设备操作人员及维护人员进行培训;4.5设备如包含需要计量的装置或部件(如温度表、压力表),根据具体情况在空载试机或负荷试机阶段向质检部计量室申请计量;并将计量检定证书作为验收报告的附件;5、验收前准备设备验收前,设备部应按照设备合同技术协议要求做好验收前准备工作;5.1设备验收前,应协调准备好动力条件,包括试机物料及电、气、水等;5.2设备验收前,供应商应准备好相关资料,包括设备合同技术协议、设备说明书(操作说明书和设备维护说明书)及图纸(电气、机械)、标准配置清单、详细配件清单、易损件清单及随机工具。
机械设备进场检查验收表原则机械设备进场检查和验收的主要原则有:1.严格按照设计、制造和质量检验标准进行检查和验收。
2.接受厂家的正式出厂合格证、技术资料、使用说明书和有关材料。
3.在验收过程中,应安排专业人员进行检查和测试,并严格抽样和检测。
4.在验收记录中明确机械设备的型号、规格、数量和质量检测结果。
检查和验收内容机械设备进场检查和验收应包括以下内容:1.外观和包装:检查设备外观和包装是否完好,包括有无损坏、锈蚀、易碎品标识、封箱标记、防潮、防火等内容。
2.配件和附件:检查设备配件和附件的齐全性、质量和规格是否符合设计要求。
3.机械性能:检查设备运转是否平稳,振动、噪音是否超标,设备的速度、温度、压力等参数是否符合设计要求。
4.电气性能:检查设备电气系统是否正常运行,电压、电流、功率、电阻等参数是否符合标准要求。
5.视觉检查:通过视觉检查,判断设备内部有无松动、裂纹、缺陷等情况。
6.运转试验:对设备进行短时运转试验,检查是否存在故障和不良反应。
进场检查和验收流程1.接收工程师验收设备外观和包装情况。
2.抽查设备配件和附件的齐全性、质量和规格是否符合设计要求。
3.进行设备机械性能、电气性能的检查和测试,并在验收记录中详细记录检测数据。
4.通过视觉检查,判断设备内部有无松动、裂纹、缺陷等情况,并及时进行记录和报告。
5.对设备进行短时运转试验,检查是否存在故障和不良反应,并及时进行记录和报告。
6.按照验收标准,判定设备的合格性,并签署验收证明。
机械设备进场检查和验收应严格按照设计、制造和质量检验标准进行,切实保障机械设备的质量和性能,以防止设备故障和事故,保证工程的顺利开展。
通过严格的检查和验收,能有效提高机械设备的使用效率和使用寿命,促进工程的顺利进行和成功完成。
工程名称浙江师范大学行知学院迁建项目13#塔机工程地点兰溪市上华街道使用单位浙江省建工集团有限责任公司安装单位绍兴市舜坤机械设备有限公司设备型号QTZ80 备案登记号浙D7-T00451序号检查项目检查结论(合格√不合格×)备注1 地基的承载力√2 基础尺寸偏差(长×宽×厚)(mm)√3 基础混凝土强度报告√4 基础表面平整度√5 基础顶部标高偏差(mm)√6 预埋螺栓、预埋件位置偏差(mm)√7 基础周边排水措施√8 基础周边与架空输电线安全距离√其他需说明的内容:总承包单位浙江省建工集团有限责任公司参加人员签名使用单位浙江省建工集团有限责任公司参加人员签名安装单位绍兴市舜坤机械设备有限公司参加人员签名监理单位浙江求是工程咨询监理有限公司参加人员签名验收结论:施工总承包单位(盖章):年月日注:对不符合要求的项目应在备注栏具体说明,对要求量化的参数应填实测值。
工程名称浙江师范大学行知学院迁建项目13#塔机工程地点兰溪市上华街道使用单位浙江省建工集团有限责任公司安装单位绍兴市舜坤机械设备有限公司设备型号QTZ80 备案登记号浙D7-T00451序号检查项目检查结论(合格√不合格×)备注1 地基的承载力√2 基础尺寸偏差(长×宽×厚)(mm)√3 基础混凝土强度报告√4 基础表面平整度√5 基础顶部标高偏差(mm)√6 预埋螺栓、预埋件位置偏差(mm)√7 基础周边排水措施√8 基础周边与架空输电线安全距离√其他需说明的内容:总承包单位浙江省建工集团有限责任公司参加人员签名使用单位浙江省建工集团有限责任公司参加人员签名安装单位绍兴市舜坤机械设备有限公司参加人员签名监理单位浙江求是工程咨询监理有限公司参加人员签名验收结论:施工总承包单位(盖章):年月日注:对不符合要求的项目应在备注栏具体说明,对要求量化的参数应填实测值。
工程名称浙江师范大学行知学院迁建项目13#塔机工程地点兰溪市上华街道使用单位浙江省建工集团有限责任公司安装单位绍兴市舜坤机械设备有限公司设备型号QTZ80 备案登记号浙D7-T00451序号检查项目检查结论(合格√不合格×)备注1 地基的承载力√2 基础尺寸偏差(长×宽×厚)(mm)√3 基础混凝土强度报告√4 基础表面平整度√5 基础顶部标高偏差(mm)√6 预埋螺栓、预埋件位置偏差(mm)√7 基础周边排水措施√8 基础周边与架空输电线安全距离√其他需说明的内容:总承包单位浙江省建工集团有限责任公司参加人员签名使用单位浙江省建工集团有限责任公司参加人员签名安装单位绍兴市舜坤机械设备有限公司参加人员签名监理单位浙江求是工程咨询监理有限公司参加人员签名验收结论:施工总承包单位(盖章):年月日注:对不符合要求的项目应在备注栏具体说明,对要求量化的参数应填实测值。
五、安全验收记录目录1、临建设施及防护设施安全验收记录1.1、临建设施及防护设施安全验收填写说明1。
2、各类设施验收登记记录1.3、施工现场围档验收表1.4、施工现场临建设施验收表1。
5、基坑支护安全验收表1.6、模板工程安全验收表1.7、脚手架验收表1.7。
1、落地式钢管扣件脚手架搭设验收表1.7.2、悬挑式脚手架验收表1.7.3、门型脚手架验收表1.7.4、附着式升降脚手架验收表1.7。
5、吊篮脚手架验收表1.8、悬挑式卸料平台验收表1。
9、落地式卸料平台验收表1.10、临边、洞口安全防护设施验收表1.11、安全防护通道、操作棚验收表1.12、外电防护架搭设验收表1.13、攀登作业设施验收表1.14、移动式操作平台验收表1。
15、脚手架、安全防护设施临时拆除申请表2、机械设备安全验收记录2。
1、机械设备安全验收填写说明2.2、施工现场机械设备安装验收登记表2。
3、机械设备进场查验记录2.4、厂(场)内机动车辆验收表2.5、桩工机械安装验收记录表2。
6、物料提升机基础验收表2.7、物料提升机安装(加节)验收记录2。
8、物料提升机加节申请表2.9、人货两用电梯基础验收表2.10、人货两用电梯安装(加节)验收记录2。
11、人货两用电梯加节申请表2.12、人货两用电梯防坠安全器试验记录2。
13、塔式起重机基础验收表2。
14、塔式起重机安装(顶升、加节)验收记录2.15、塔式起重机顶升(加节)申请表2.16、起重吊装机具验收表2.17、高处作业吊篮验收表2。
18、中、小型施工机具及配件进场检查验收登记表2.19、中、小型施工机具验收记录表临建设施及防护设施安全验收填写说明1、各验收表格应由验收人员负责填写,应保证字迹清晰,签字盖章,手续齐全。
各种资料应由当事人亲自签名,不准打印或代签。
填写内容要求真实、详细、针对现场实际情况并符合规范要求.2、各类设施在搭设完毕后,应由使用单位、搭设单位共同参与验收,不合格的安全设施必须整改符合要求后,方可投放使用或进入下道工序,脚手架应分段进行验收。