实验台、通风柜柜技术指标
- 格式:doc
- 大小:57.00 KB
- 文档页数:17
实验室通风柜国家标准实验室通风柜是实验室内用于排除有害气体和保护实验人员的重要设备。
为了保障实验室通风柜的安全性和有效性,国家对其进行了一系列标准规定,以确保实验室通风柜的设计、安装和使用符合相关要求。
本文将介绍实验室通风柜国家标准的相关内容,以便实验室工作人员和相关管理人员了解和遵守。
首先,实验室通风柜的国家标准主要包括对通风柜的设计、材料、安装和使用等方面的规定。
在设计方面,国家标准要求通风柜的结构应符合相关安全要求,通风柜的内部空间应能容纳实验所需的设备和材料,并且通风柜的排风口应与实验室的排风系统相连,以确保有害气体能够有效排出实验室。
在材料方面,国家标准要求通风柜的材料应符合相关的防腐、防腐蚀和防火要求,以确保通风柜的使用寿命和安全性。
在安装和使用方面,国家标准要求通风柜应由专业人员进行安装,并且在使用过程中需要定期进行维护和检查,以确保通风柜的正常运行和安全使用。
其次,实验室通风柜国家标准还对通风柜的性能和检测进行了详细规定。
通风柜的性能包括气流速度、排风量、过滤效率等指标,国家标准对这些性能指标进行了详细的规定,并要求通风柜在安装后需要进行性能检测,以确保通风柜的性能符合相关要求。
此外,国家标准还要求通风柜在使用过程中需要进行定期的性能检测和维护,以确保通风柜的性能始终符合相关要求。
最后,实验室通风柜国家标准还对通风柜的使用和管理进行了规定。
国家标准要求实验室工作人员在使用通风柜时需要进行相关的安全培训,以确保他们能够正确使用通风柜并且避免操作失误。
此外,国家标准还要求实验室管理人员需要对通风柜进行定期的检查和维护,并且要建立相关的档案记录,以确保通风柜的安全使用和管理。
综上所述,实验室通风柜国家标准是保障实验室通风柜安全和有效使用的重要依据,实验室工作人员和管理人员需要了解并严格遵守相关规定,以确保实验室通风柜的安全性和有效性。
希望本文能够帮助大家更好地了解和遵守实验室通风柜国家标准,确保实验室通风柜的安全使用。
水资源监测能力项目实验室橱柜一宗(钢制)一、技术参数1.实验凳数量:301.1硬皮加宽靠背椅面(直径380MM*高270MM);1.2黑色烤漆小圆底盘+硬胶托盘(孔位尺寸8*8CM);1.3出口优质电镀气杆(140#、200#、260#)1.4优质电镀五星脚;1.5固定脚杯或万向轮。
2.高效无管式净气型储药柜数量:18无管净气型储药柜由风机和高效过滤系统组成,用于实验室吸附化学药品挥发出来的气体,柜体的有毒气体通过高效过滤器过滤成洁净的气体排出,同时在柜体内部形成负压,室内的有害气体通过底部的进气口进入柜体,形成循环,从而达到净化室内空气和柜体内挥发气体的目的,有效保证操作人员的身体健康。
2.1外部尺寸:≥800×520×2000mm,内部尺寸:≥780×480×1670mm。
2.2容积:≥550L。
2.3材质:镀锌钢板,涂有抗酸碱涂层。
2.4空气处理量:≥202 m³/h (过滤器吸附效率最佳需要空气处理量在90~100m ³/h)。
2.5原装进口风机一套,使用寿命≥60000小时,无火花静电,能耗低,功率:≤47w,噪音:≤35dB。
2.6双门带隔断柜室,透明亚克力门板2块,标配八块可调防腐涂层层板(环氧聚酯涂层),层板载重≥50Kg。
2.7原装进口有机过滤器,可以有效吸附有机溶剂、酒精、油烟和酸,使用5~10目的高分子碳制造,吸附效果符合NFX 15~211和BS7989标准,针对有机气体吸附效果≥99.9%。
2.8液晶显示含智能控制系统:包括风机失灵报警、过滤器饱和报警、室内总有机挥发物监测功能、柜内温湿度显示功能、工作模式可选等功能。
2.9入风口底部有过滤网,对一些大灰尘等颗粒物有良好的过滤效果。
2.10标准规范:遵循ISO9001~2008质量认证,140001~环境管理认证体系;18001~职业健康安全管理认证2.11标准配置:净气型储药柜主机一台(双门带隔断柜室)、原装进口有机过滤器系统一套、液晶屏智能控制系统一套、透明亚克力门板2块、标配八块可调防腐涂层层板、盛水盘带吸附垫、盐酸盒、门锁、可视警示标贴、药品分类标签、双重安全门锁(含钥匙)。
通风柜系统及超净实验台性能和技术指标实验室产品性能技术要求(一)、产品技术规范或标准【1】木质家具采用的标准:GB/T3324《木家具通用技术条件》【2】 GB/T1951.1—94《木质家具质量检测与质量评定》【3】 GB18584—2001 《室内装饰装修材料木家具中有害物质限量》【4】金属家具采用的标准:GB/T3325《金属家具通用技术条件》【5】 GB/T1951.2—94《金属家具质量检测及质量评定》【6】 GB10357《家具力学性能试验标准》。
【7】 E1级环保三聚氰胺板采用的标准:GB/T15102—94和GB18580—2001中的优等品。
【8】钢管采用的标准:GB/T3091—2001。
【9】《采暖、通风与空气调节设计规范》(GB50019-2003)【10】《通风与空调工程施工质量验收规范》(GB502434-2002)【11】《电气装置安装工程低压电器施工及验收规范》(GB50254-96)【12】《大气污染物综合排放标准》(GB16297-1996)【13】《环境空气质量标准》(GB3095-1996)【14】《城市区域环境噪声标准》(GB3096-2008)【15】《建筑设计防火规范》(GB50016-2006)【16】《科学实验室建设规范》(JGJ91-93)【17】《通风管道技术规程》JGJ141-2004(二)、产品技术要求【1】外形尺寸:长、宽、高误差点≤3mm;邻边垂直度:台面对角线、框架对角线1000mm≤3mm; 2000mm≤4mm; 3000mm≤5mm。
【2】工艺要求:【2-1】木质部分:贴面和封边部件应严密、平整、不允许脱胶、鼓泡、凹陷、压痕以及表面划伤、麻点、裂痕、崩角和刃口,外表的圆角、倒棱应均匀一致。
【2-2】钢部件表面必须经纯环氧树脂塑粉高温固化处理,平整光滑,不允许有喷涂层脱落、鼓泡、凹陷、压痕以及表面划伤、麻点、裂痕、崩角和刃口等,钻孔位置最低要求由模具定位。
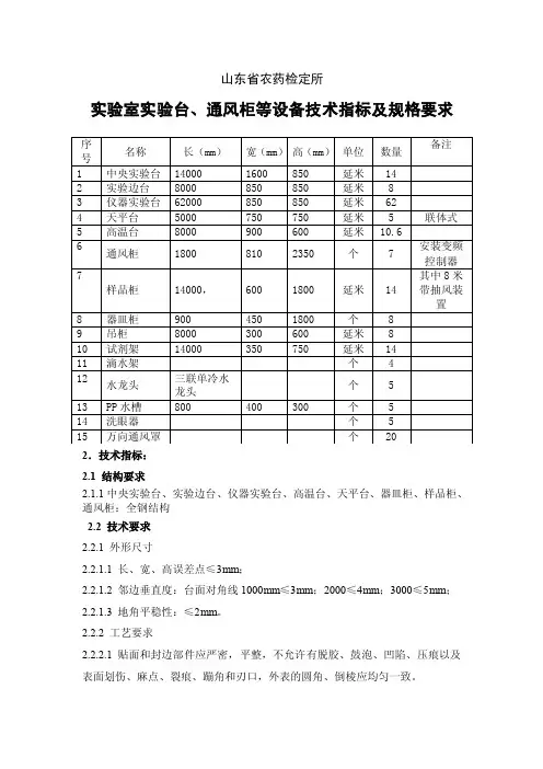
山东省农药检定所实验室实验台、通风柜等设备技术指标及规格要求2.技术指标:2.1 结构要求2.1.1中央实验台、实验边台、仪器实验台、高温台、天平台、器皿柜、样品柜、通风柜:全钢结构2.2 技术要求2.2.1 外形尺寸2.2.1.1 长、宽、高误差点≤3mm;2.2.1.2 邻边垂直度:台面对角线1000mm≤3mm;2000≤4mm;3000≤5mm;2.2.1.3 地角平稳性:≤2mm。
2.2.2 工艺要求2.2.2.1 贴面和封边部件应严密,平整,不允许有脱胶、鼓泡、凹陷、压痕以及表面划伤、麻点、裂痕、蹦角和刃口,外表的圆角、倒棱应均匀一致。
2.2.2.2 钢制柜体或钢结构部件表面必须经环氧树脂喷涂处理,平整光滑,不允许有喷涂层脱落、鼓泡、凹陷、压痕以及表面划伤、麻点、裂痕、蹦角和刃口等。
钻孔和倒角后应去毛刺。
2.2.2.3 各种配件安装应严密,平整、端正牢固,结合处应无崩茬或松动。
2.3 技术指标明细2.3.1 中央实验台2.3.1.1 全钢结构,柜体以1.2mm厚冷轧钢板材料焊接为实验台的主要支撑结构,表面经环氧树脂静电喷涂处理;2.3.1.2 台面采用12.7mm厚美国威盛亚(WILSONART)实芯理化板台面,台边双层加厚,底部带2-3mm宽隔水槽,每延米承重300kg以上;2.3.1.3 抽屉采用1.0mm厚冷轧钢板材料;2.3.1.4 德国海蒂诗(Hettich)品牌三节静音/托底自回滑轨和110度锌合金铰链;2.3.1.5 每两延米柜体包括6个500mm宽200mm高抽屉和3个500mm宽400mm 高底柜(两层结构);2.3.1.6 每延米内包括两个多功能六孔插座;2.3.1.7 带有接缝的台面,每节最短不得小于2延米。
2.3.2实验边台2.3.2.1 全部要求与2.3.1中央实验台要求相同。
2.3.3 仪器实验台2.3.3.1 全部要求与2.3.1中央实验台要求相同。
2.3.4 天平台2.3.4.1 总长5.4延米的全钢联体结构,材质采用1.2mm厚优质冷轧钢板,表面经阿克苏诺贝尔防腐蚀涂料处理,每隔0.9延米有一根钢架支柱;2.3.4.2台面采用大理石材质;2.3.4.3 德国海蒂诗(Hettich)品牌110度锌合金铰链;2.3.4.4 万分之一级减震,联体台面单独增加一个三级减震部分(达到十万分之一级减震);2.3.4.5 天平台整体包括六个900mm宽底柜(两层结构);2.3.4.6 天平台整体包括四个TCL多功能六孔插座。
实验室通风柜标准实验室通风柜是实验室中常见的设备,其作用是排除实验过程中产生的有害气体和蒸气,保护实验人员和实验环境的安全。
通风柜的使用对实验室的安全和环境保护至关重要,因此通风柜的设计、安装和使用必须符合一定的标准和规范。
本文将对实验室通风柜的标准进行详细介绍,以确保实验室通风柜的安全有效运行。
首先,实验室通风柜的设计和制造必须符合国家相关标准,如《实验室通风柜通用技术条件》(GB 6143-2006)等。
通风柜的设计应考虑到实验室的具体情况,包括实验室的大小、实验操作的特点、通风柜的排风量等。
通风柜的制造材料和结构也应符合相关标准,确保通风柜具有足够的稳定性和密封性,以及耐腐蚀、耐高温等特性。
其次,实验室通风柜的安装和验收需要严格按照标准进行。
通风柜的安装位置应考虑到实验室的整体通风系统,确保通风柜的排风不会对其他实验操作造成干扰。
通风柜的排风管道也应符合相关标准,保证排放的有害气体和蒸气不会对周围环境造成污染。
安装完成后,通风柜需要进行验收,确保其符合设计要求和相关标准,可以正常使用。
此外,实验室通风柜的使用和维护也是至关重要的。
在使用过程中,实验人员需要按照通风柜的使用说明进行操作,确保通风柜的正常运行。
实验室通风柜的维护也需要按照标准进行,包括定期清洁、检查通风柜的密封性能、排风量等,以确保通风柜的安全有效运行。
最后,实验室通风柜的更新和淘汰也需要符合相关标准。
随着科学技术的发展,通风柜的设计和制造标准也在不断更新,因此实验室通风柜的更新和淘汰需要根据最新的标准进行,以适应实验室的需求和保障实验室的安全。
总之,实验室通风柜是实验室安全的重要设备,其设计、安装、使用和维护都需要符合相关标准和规范。
只有严格按照标准要求进行操作,才能保证实验室通风柜的安全有效运行,保护实验人员和实验环境的安全。
希望实验室管理人员和实验人员能够重视实验室通风柜的标准,确保实验室的安全和环境保护。
实验室通风橱是实验室中必不可少的设备,它能够有效地排除实验过程中产生的有毒有害气体,保护实验人员的安全。
为了确保实验室通风橱的质量和性能,各国都制定了相应的国家标准。
本文将介绍中国实验室通风橱的国标要求。
1.通风橱的结构设计根据国标GB/T 17408-2015《实验室通风柜》的规定,实验室通风橱应采用金属材料制作,具有良好的防腐性能。
通风橱的结构设计应简洁、紧凑,易于安装和维护。
通风橱的尺寸应根据实验需求进行选择,以满足实验操作的空间要求。
2.通风橱的性能要求实验室通风橱的主要功能是排除实验过程中产生的有毒有害气体,因此其性能要求主要包括:(1)通风量:通风橱的通风量应根据实验需求进行选择,以确保实验室内空气质量符合相关标准。
国标规定,通风橱的通风量应在每小时600立方米至1200立方米之间。
(2)排风速度:通风橱的排风速度应适中,既能有效排除有毒有害气体,又不会对实验操作产生干扰。
国标规定,通风橱的排风速度应在每秒0.5米至2米之间。
(3)噪音:实验室通风橱在运行过程中应保持低噪音,以免影响实验人员的工作环境。
国标规定,通风橱的噪音值应在60分贝以下。
(4)过滤效率:通风橱应配备高效的空气过滤器,以去除实验过程中产生的有毒有害气体。
国标规定,通风橱的空气过滤器过滤效率应在95%以上。
3.通风橱的安全性能实验室通风橱在使用过程中应具备良好的安全性能,包括:(1)防火性能:通风橱的材料和结构设计应具备良好的防火性能,以防止火灾事故的发生。
(2)防爆性能:通风橱应具备防爆性能,以防止实验过程中产生的爆炸对通风橱和实验人员造成伤害。
(3)电气安全:通风橱的电气系统应符合相关安全标准,以确保实验人员的安全。
总之,实验室通风橱的国标要求涵盖了结构设计、性能要求和安全性能等方面,旨在确保通风橱的质量和性能,保护实验人员的安全。
实验室在选择和使用通风橱时,应严格按照国标要求进行操作,以确保实验室的安全和正常运行。
试验台、通风柜柜技术指标技术规定:技术参数规定中带▲符号旳为本次台柜设备配套项目重要技术参数规定,必须提供有关汇报或者证明文献证明设备符合规定。
(一)试验家俱材质规定1.试验台、中央台---(钢木构造)1.1、试验台台面参照品牌:上海榕德(roadlab)、费亚泰克(friatec)和德国赛试验台台面主材阐明:采用20mm厚试验室工业陶瓷板台面。
采用高温一体烧制成型,耐1550℃极限高温,耐强酸、强碱、强有机溶剂、染色剂等多种化学试剂,耐刮磨,耐高温,抗明火,抗污染,抗菌,抗变形,经久耐用,无需维护,安全环境保护,其中所有水池台台面采用碟形工艺,操作面部分整体下凹5mm 翘边,总厚度25mm,配置同品牌试验室专用570*470*350mm陶瓷水槽,防止有害液体外溢,有效保持台面美观。
投标时需提供如下相对应检测汇报及资质文献:▲环境保护性能:需提供辐射限量检测汇报,参照GB6566《建筑材料放射性核素限量》原则,检测成果必须符合:内照射指数≤0.4。
▲化学性能:需提供及持续2年SGS机构出具旳耐腐蚀检测汇报:参照SEFA3-科学设备及家俱协会-试验室工作台面条款2.1台面检测原则,台面至少抗“47”种以上化学品且检测成果为0级(表面无变化)旳检测汇报。
▲物理性能:台面旳耐污染性能:需提供提供国家建筑材料测试中心出具旳GB/T4100-检测汇报出具旳测试项目为“吸水率”检测汇报,测试成果最大值不得不小于0.03%。
▲高温性能:需提供耐极限高温到达1500度以上旳国家级检测汇报。
1.2、▲柜体:柜体:采用≥15mm厚优质高密度中纤板面贴三聚氰胺板,所有断面经优质2mm厚度pvc封边防水处理,中纤板静曲强度≥15.0mpa,甲醛释放量≤0.5mpa,吸水厚度膨胀率≤0.5%。
(投标供应商须提供以上参数旳CMA或CAL机构出具旳检测汇报,检测汇报中须附产品旳实物照片)1.3、铰链:采用110°铰链,弹性好,使用过程中无噪音,耐酸碱、耐腐蚀,使用寿命长。
实验台规格指标及技术要求学问是异常珍贵的东西,从任何源泉吸收都不可耻。
一一阿卜日法拉兹学问是异常珍贵的东西,从任何源泉吸收都不可耻。
一一阿卜日法拉兹其他要求:1.实验台长、宽、高误差W 3mm,邻边垂直度符合常规要求(或有关标准),边沿设计合理,使台面残水直接滴到地面,不可顺着侧面流下。
所用板材和部件须来自正规厂家,质量符合国家标准(或行业标准)。
验收时,随机抽取1~3套,锯开验收,材质与标样对比。
2.台面耐腐蚀、耐强酸强碱,有韧性耐冲击,防火、防水、抗细菌生长。
3•柜体设计美观大方,颜色搭配合理,所有断面采用优质PVC封边,确保防水。
板件之间连接合理牢固,拆卸方便,不易损坏。
4.门板采用优质三聚氰胺板,外贴1mm厚美国威盛亚防火贴面板。
中央台柜子背面适当地钻一些小孔,便于玻璃仪器清洗后风干。
学问是异常珍贵的东西,从任何源泉吸收都不可耻。
一一阿卜日法拉兹5.抽屉面板材与门板相同,底板采用9mm厚优质三聚氰胺板,其他材质与柜体相同。
学问是异常珍贵的东西,从任何源泉吸收都不可耻。
一一阿卜日法拉兹6•钢架采用40X 60x 2mm方钢管,表面经除油、酸洗、磷化、环氧树脂粉末喷涂、高温固化等工艺,涂层要平整光滑,不允许有涂层脱落、鼓泡、凹陷、压痕、划痕、裂痕、麻点、崩角和刃口等缺陷。
涂层须具有耐酸碱耐腐蚀性。
7. 可调脚为实验室专用优质尼龙可调脚,承重、防潮、防滑、抗菌、耐腐蚀,外形美观,调节灵活。
天平台可调脚须采用不锈钢材料。
8. 水槽采用PP 材质,模具成型,抗菌、易清洁、耐酸碱、耐腐蚀、托底式安装,台面残水自然回流,根据实际需要选择规格大小。
9. 水龙头采用实验室专用三口白色水龙头,水嘴为铜质尖嘴型,具缓压作用。
管体部分为黄铜合金材质,表面烤漆处理,防锈耐腐蚀。
水嘴可拆卸,内有标准螺纹,可方便连接其他水管。
10. 贴面和封边部件要严密、平整,不允许有脱胶、鼓泡、凹陷、压痕、划痕、裂痕、麻点、崩角和刃口等缺陷,外表的圆角和倒棱应均匀一致。
试验室台柜技术参数附件四相关要求一、实验室柜台总体要求1、本次所采购的化验室柜台设备的配置必须按照招标公告要求不遗漏、不重复,包括所有必备的配件、接口、介质等,并最大限度的满足招标人的要求,设备安装须合理,规范,达到行业标准及招标人实际应用的需要。
2、投标人应对本招标公告内的所有内容进行投标,谢绝联合体投标,提供所有家具及其配件、平面布置设计、采购、制造、检测、运输、现场仓储以及安装、验收、技术服务及培训、相关文件的提交、质保期维护等服务。
3、投标人所投柜台设备及主要部件的名称、品牌、型号、设计图纸、技术规格、性能、数量、单价、合价、质保期等应在投标文件中明确,对招标公告的技术条款及要求应予以实质性响应,如有偏离应在偏离表中注明。
4、化验室柜台的设计应利用用户的使用功能,符合化验室的安全使用要求。
货物质量不低于标书中有关质量、技术规定在基本要求:提供的货物应是全新的、完整的,并应于样品质量相符。
5、化验室柜台产品的质量、技术标准、行业标准、企业标准,并按相关的国家、行业、地方标准中比较高的执行,未尽技术事宜参照此规定。
6、金属家具采用的标准:GB/T3325-1995《金属家具通用技术条件》、QB/T1951.2-94《金属家具质量检测及质量评定》。
7、木质家具采用的标准:GB/T3324-1995《木家具通用技术条件》、QB/T1951.1-94《木质质量检测及质量评定》、GB10357-1989 《家具力学性能试验标准》。
二、环保及其它要求产品必须符合有害物质限量国家强制标准(GB18580-2001)的要求,甲醛释放量需达到E1级标准。
招标人保留组织权威检测部门对生产过程中和最终交付的家具进行相关检测且检测费由中标方承担的权利。
若达不到环保要求的,需方有权退回不合格产品,由此造成的损失由供方负责。
三、制造工艺要求(一)、木制部分1. 总体要求:1.1各涂层要均匀;1.2台面材料要求有较强的耐高温、耐腐蚀、抗酸碱、抗冲击力能力;上海威盛亚实芯理化板台面1.3木制板材表面平整,无毛刺;1.4实验台面均匀平整,边缘切割整齐,边角圆滑过渡;2.下料工序:2.1、颜色一致,无划痕,无碰伤、无压痕、无斑点等缺陷;2.2、尺寸工差:长、宽、厚±0.3mm;2.3、板边不直度±0.5mm;2.4、板面曲度;2.4.1、对角线长度>1400mm时,允许值≤2mm;2.4.2、对角线长度<1400mm或≥700mm时,允许值≤2mm;2.4.3、对角线长度<700mm时,允许值≤1mm;2.5、邻边垂直度:两对角线长度≤1mm;2.6、崩边范围:台面、屉面、立板、门板下料崩边≤0.5mm,正面不得超过3mm,层板、背板、挡板等下料崩边≤1mm不超过7mm;2.7、锯面与划线位移<0.2mm;3.钻工工序:3.1、置度:孔与孔、孔与边的位置误差≤0.4mm;3.2、孔深:孔径±0.1mm,不允许失圆:孔深±0.4mm,不允许裂面;3.3、边崩裂:孔崩边≤0.3mm;通孔≤0.5mm;3.4、钻孔后无明显机械创伤、脱层、迸裂等缺陷;4.开槽:4.1、槽宽公差±0.2mm;4.2、槽深公差<±0.5mm;4.3、中心线位置偏移值<0.3mm;4.4、崩边宽度≤1mm;5.镂铣:5.1、四边平直,无明显凹凸现象;5.2、孔尺寸误差≤1mm;5.3、形孔应按实物尺寸套合,间隙≤1mm;5.4、孔崩边正面≤0.5mm,反面≤0.2mm;5.5、镂弧度要求平整、圆滑,凹弧半径(R)≥100mm,凸弧半径(R)≥25mm;5.6、铣圆弧、鸭嘴边应表面平整,弧度均匀一致,不得有波浪形状;6.机封边:6.1、要求光面平整无剥离、无机械创伤、无露馅等缺陷;6.2、上胶厚度均匀一致,封边不得有积胶或凹凸不平,涂胶不易过厚。
60-80fpm(0.30-0.41m/s):当对气流抑制性能很出色的通风柜在相对很理想的操作环境下(如实验室的设计特性),并且遵循谨慎的实验室操作规范时,这个进口风速可以保证充足的气流抑制。
抑制性能会在这个范围内有所波动,并且需要制定有效的实验室操作规范,并严格执行。
80-100fpm(0.41-0.51m/s):尽管通风柜气流抑制性能仍会有所波动,但是绝大多数的通风柜可以在这个进口风速范围内有效,且低风险地运作。
此时,我们仍然要求提供合适的实验室操作者培训以及严格执行有效的实验室操作规范。
这个进口风速范围适用于大多数实验室的化学通风柜。
100-120fpm(0.51-0.61m/s):进口风速在该范围内时的气流抑制效果与80-100fpm 时相差不大,但是运行成本却显著提高。
当一些特殊情况以至80-100fpm 范围仍不能提供充分气流抑制时,提高进口风速至此范围时,通风柜的气流抑制效果可能有稍微改善。
120-150fpm(0.61-0.76m/s):尽管几乎所有的通风柜都可以在此范围内达到高效的气流抑制,但是其效果相对于80-100fpm 和100-120fpm 并没有本质的改善,但能耗却会因此而大大提高,所以,一般不推荐使用。
>150fpm(>0.76m/s):大多数实验室专家都同意该进口风速范围过大,可能会在通风柜内引起紊流从而导致柜内毒害气体溢出。
美国科学仪器设备和实验家具协会(SEPA1.2)-P.31,section 5.3.4 根据测试以确定通风柜合适的进口风速。
依据以下测试来决定满足规范要求的进口风速。
合适的进口风速目的是为了使通风柜提供安全的气流抑制。
进口风速本身并不是一个衡量安全的因素。
参照ASHRAE110-1995(或者最新版本)所规定的方法和步骤决定合适的进口风速。
进口风速指引-实验室通风柜进口风速应根据通风柜内进行试验的药品或试剂的毒性以及潜在危险来确定。
附件1:实验台柜技术要求及材料使用标准一、总体说明1, 外形尺寸:长、宽、高误差≤2mm,邻边垂直度:台面对角线、框架对角线2000 mm误差≤1mm;3000 mm误差≤2mm;地脚平稳性:误差≤1mm。
面板表面,不允许有划痕、麻点及压痕,实验台的台面均匀平整,边缘切割整齐,四边平直,无明显凹凸现象。
2, 涂层 :各涂层均匀,钢制或木制板材表面平整,无色差、无拼接、无明显凹凸、无毛刺、无斑点、无划痕、无碰伤等缺陷。
木制贴面和封边部件严密、平整,无脱胶、鼓泡、凹陷、压痕以及表面划伤、麻点、裂痕、崩角和刃口等现象,外表的圆角、倒棱均匀一致。
3 , 封边:柜体的每一块板,其四个边必须用优质热熔胶经高温高压作防水封边处理。
4 ,三合一连接件 :台桌面与柜体等主要连接部位一律采用内预埋件,其他的板块连接采用联通优质三合一连接件,预埋ABS膨胀型预埋头,增强握钉力,抗弯变、防渗水、防摇摆。
5 ,表面 :所有柜体连接牢固,无缝隙,无松动现象;表面平整无明显变形;外露部分无毛刺及尖锐棱角。
6 ,零部件 :零部件无断裂或劈裂现象,不会出现影响使用功能的磨损变形现象,可动部件(例如可调式地脚、活动隔板等)活动灵便,用于掀压不会出现永久性变形或松动,抗压能力符合实验台的要求。
各种配件安装严密、平整、端正、牢固、结合处均无崩茬和松动。
金属配件应做除锈和防腐蚀处理。
结构处螺丝或连接件不允许外露。
7 , 排钻孔 :组合的台、柜、架的每一块板材连接点,采用数控多排钻床同时钻出连接点,保证安装严密、平整、端正、牢固、结合处均无崩茬和松动。
铰链、滑轨等五金件均准确安装在系统孔上,使其开启、抽拉顺畅。
8 ,封边条 :所有的门板、抽屉板等板材都必须采用优质2mmPVC封边条配进口热熔粒籽胶封边。
9, 色泽 :整套产品或成套产品不存在色差。
10, 配件 :各种配件不得有少件、漏钉、弯钉,启闭零件和配件应使用灵活二,工艺要求1,封边(1)、用全自动直线封边机封2mm厚边,并作水平和垂直倒角修饰,平整无剥离、无机械创伤、无露馅等缺陷。
通风柜产品说明一、全钢通风柜(全钢全拆装结构)1、上柜(通风柜)外壳:基材采用厚1.2mm冷轧钢板,由背板,侧板,面板,顶板组合而成,每一块板都可拆装,更换。
2、上柜(通风柜)内衬板:采用5MM厚抗酸碱、耐高温抗贝特板。
3、导流板(BAFFIE):导流设计,其材质同内衬板,导流板安装位置与角度使排气分布均匀,无死角,在标准状况下,导流板上方与中、下方出风口排风量比例各约50+10%,以确保不同比重之气体均能有效排除。
4、操作台面:采用12.7MM厚优质品牌实心理化板。
5、底柜:基材采用厚1.2mm冷轧钢板,箱体由箱体面板,侧板,底板,后挡板组合而成,面板,侧板,底板,后挡板可全拆装,易于维护,方便使用表面经过碱洗除油、酸洗除锈、磷化附膜、钝化、静电机器手自动喷涂和高温固化处理。
热固性粉末喷塑;除锈、耐磨、防腐蚀,耐酸碱。
6、调节门:调节门玻璃:采用厚5mm安全钢化玻璃。
无段平衡设计,视窗可停留在任意高度,其上下行程具静音轨道予以限制,避免摇晃碰撞。
7、集气风罩:采用锥形缩口集气罩,底部入口为长方形开口,顶部出口管径依风柜尺寸1MM约10,出口衔接管口高度50MM(含)以上,便于风管套管衔接,集气罩具良好之锥形集气角度及圆滑度,以获得良好之集气平均及低压损。
8、照明设备:灯罩内具220V、30W日光灯一支。
9、配件:(1)安装单口鹅颈化验龙头(1组),(2)化验杯槽(1组)二、玻璃钢通风柜1、上箱体全部采用玻璃钢开模整体灌模,整体无接缝,并配有凝液接槽功能。
为我公司最新开发产品,具有防腐性能好,外表美观,无渗漏等特点。
2、操作台面:采用12.7MM实芯理化板或12.7MM环氧树脂板。
3、下箱体为玻璃钢结构。
4、钢化玻璃拉门,厚度为5MM。
5、220V10A、220V15A万用插座选配。
6、漏电保护开关、化验室专用水嘴,可设置(20W、30W、40W)日光灯、PP杯槽、各种气体管路预留等。
7、柜门开启高度为0-600MM,工作台风速在0.5-0.8M/S,单台排气量为1200-1500M³/H,电机功率0.18-1.1KW,电压为220V单相和380V三相两种。
实验室通风柜的参数要求试验室通风系统是整个试验室设计和建设过程中不行少的设计,考虑到试验室的特别性,通风系统的完善与否,直接对试验室环境、试验人员的身体健康、试验设备的运行维护等方面产生紧要影响。
博泰我带大家了解试验室通风柜的参数要求有哪些。
一、定风量系统通风柜1、排风量移动门在工作开启高度0.5m,面风速保持0.5m/s状况下,应在技术标准规定的排风量范围内,实际排风量不得大于计算排风量的5%。
2、面风速移动门开启高度在门全开,平均面风速大于0.3m/s,移动门开启高度在0.15m,平均面风速小于0.7m/s,面风速匀称度。
排风柜的面风速应分布匀称,在移门开启高度0.5m,面风速0.5m/s状况下,在移门开启面积内,上下左右每隔0.3m处,取一个点,测得的面风速,其最大值、最小值与算术平均值的偏差小于15%。
3、通风柜阻力排风柜移动门开启至最高位置时,在达到《排风柜》JB/T6412-1999技术标准规定的排风量和面风速保持0.5m/s的条件下,排风柜阻力应小于或等于70Pa。
4、其它功能要求通风柜操作面板掌握系统须为液晶显示,柜内高温报警功能,如选用KFJ-17型面风速监控声光报警器。
自动延时爱护装置,能抽空残余腐蚀、有害、有毒气体,电压0~220V范围内任意调整功能。
步进风阀执行系统任意调整功能。
二、变风量系统(VAV)通风柜1、通风柜的风速传感器实时监测真实的面风速,当面风速不在设定范围内时,经15秒延时后监控器发出声光报警。
2、监控器还具有低风速运行按钮,按下这一按钮,可以使面风速设定值为正常值的70%,用来削减气体排放以节能。
3、风速传感器检测到面风速变化时,掌握器发出信号给执行器,通过更改变风量阀门开度来使面风速回到设定值,要求系统响应时间小于3秒。
4、监控器有最大风量和最小风量功能,当发生紧急状况时可以按下最大风量按钮,排风阀门打开,当盼望通风柜以小风量运行时可以按下最小风量按钮,通风柜以小风量运行。
实验室通风柜技术指标实验室通风柜是保证实验室工作环境安全和干净的重要设备。
它能够有效地排除实验室中产生的有害气体、蒸汽和颗粒物,防止实验室操作过程中的污染物对实验人员和环境造成危害。
所以通风柜的技术指标对于实验室安全和工作质量非常关键。
以下是通风柜的主要技术指标:1.抗风能力:通风柜在工作过程中需要保持一定的风速,以能够有效地排除有害物质。
通风柜应具有良好的抗风能力,能够防止外部风力对通风效果的影响。
2.吸力均匀性:通风柜在工作时需要保证吸力均匀性,以避免实验操作过程中有害物质在其中一区域积聚。
吸力均匀性可以通过风速分布图或烟雾试验来评价。
3.风速:通风柜的风速是决定其排风能力的一个重要参数。
一般来说,通风柜的风速应在0.5-0.7m/s之间,以保证实验操作区域的污染物被有效排出。
4.风量:通风柜的风量表示在单位时间内排出的空气量,通常以立方米/小时为单位。
通风柜的风量大小需要根据实验操作过程中产生的有害物质的排出要求来确定,一般根据实验室的类型和级别来确定。
5.静压损失:通风柜在通风过程中会产生一定的阻力,这就需要通风柜具备一定的排风功率来克服这种阻力。
通风柜的静压损失是克服阻力所需的排风功率与单位风量之比,通常以帕斯卡(Pa)为单位。
6.噪音:通风柜在工作过程中会产生一定的噪音,所以通风柜的噪音水平需要满足实验室工作环境的噪音要求。
7.过滤效率:通风柜通常会配备过滤装置,以进一步保护实验人员和环境的安全。
过滤效率是过滤装置能够过滤掉有害物质的效果,一般以百分比表示。
8.能效比:通风柜的能效比表示单位排风能力所消耗的能量。
通风柜的设计需要追求高的能效比,以减少能源的消耗和实验室的运行成本。
总之,通风柜的技术指标对于实验室环境和安全至关重要。
科学合理的选取通风柜,不仅能够确保实验室操作的安全性和准确性,还能够提高实验室工作效率和科研成果的质量。
通风柜技术要求一、实验室通风柜设计目的1、对有毒有害气体控制在通风柜内操作,强制把有毒害气体排出室外,防止和控制有害气体造成对人体的危害;2、将实验过程中产生的有毒、有害气体控制在操作的范围内,使其不扩散并能够按所设计的导流系统有效地排出;3、通过通风柜特有的排风系统设计将有毒、有害气体输出到远距离的安全指定位置,并还可通过净化处理系统,确保环境不受污染;二、实验室通风柜技术参数1、台面:采用12.7mm厚的实心理化板,具有耐多种强酸碱物质、耐高温,耐潮湿、耐污染、易清洗、易净化等特点;2、通风柜上箱前面板、外侧板、后板、立柱及连接板:采用1.2mm厚和1.5mm厚的金属冷轧钢板加工制作,表面环氧树脂粉沫喷涂;内侧板:采用5mm厚的抗倍特板与外侧板连接;背板:采用5mm厚的抗倍特板与侧板连接;后衬板、导流板:采用6mm厚的抗倍特板制作;前底板及连接件:采用1.5mm厚的冷轧板制作,表面环氧树脂粉沫喷涂;通风口:采用PP板制作,并设计冷凝水溢流装置;玻璃门操作:采用专用铝型材操作门组合框架,玻璃门操作窗采用6mm厚的钢化玻璃,可根据实验室操作要求垂直升降、左右滑动,实验室操作者可通过透明的玻璃安全检测视窗,观察到柜内的实验情况,以确保实验室的安全性;顶板:采用5mm厚的抗倍特板与各连接板连接;3、通风柜下箱:下箱体为整体组合结构,采用1.2mm厚的冷轧板折弯制做,表面环氧树脂粉沫喷涂;特点:箱体为单件加工,表面经磷化处理环氧树脂粉末喷涂后,标准件连接组合。
每个箱体共有46种连接标准部件组合为一个通风柜整体。
4、附属配套部分拉手:采用不锈钢U型拉手;防尘防溅安全插座:绝缘防静电设计,采用白色220V10A万用二、三插电插座,适用各种国产或进口仪器插头,安全耐用;铰链:采用316L不锈钢材料,开启度为110°;气嘴、气阀:采用全铜材质,陶瓷阀芯,表面环氧树脂粉沫喷涂;化验水龙头:单联,采用全铜材质,陶瓷阀芯,表面环氧树脂白色粉沫喷涂;遥控阀门:采用全铜材质,陶瓷阀芯;杯槽:采用260*140*180黑色P P材质制作,标准配件,耐酸碱,耐腐蚀性;水龙头连接管:采用不锈钢丝网环保型软管;排水管:全部采用白色UPVC材料;可调节组合地脚:由不锈钢螺丝、尼龙罩盖、橡胶材料组合;具有防滑、减震、耐酸碱、耐腐蚀、承重力强等特点;照明:30W日光灯一支;面风速:0.3~0.6M/S;通风柜操作门完全打开时,风速可达0.5M/S;操作门开启高度:0~700mm;电压:220V、380V;噪音:53~62Db;压损是根据管道确定的;。
实验室通风柜国家标准实验室通风柜是实验室中常见的一种设备,其作用是保护实验人员和环境免受有害气体和颗粒物质的侵害。
为了确保实验室通风柜的安全和有效运行,国家对其进行了一系列的标准规定,下面将对实验室通风柜国家标准进行详细介绍。
首先,实验室通风柜的国家标准主要包括通风柜的设计、材料、安装、使用和维护等方面的规定。
在设计方面,国家标准要求通风柜的结构应符合一定的工程原理,能够有效地排除有害气体和颗粒物质。
材料方面,通风柜所使用的材料必须符合国家相关的安全标准,以确保通风柜本身不会产生有害物质。
在安装和使用方面,国家标准对通风柜的位置、操作方法、保养周期等都有详细的规定,以确保通风柜能够安全、有效地运行。
其次,国家标准还对实验室通风柜的性能指标进行了规定。
性能指标包括通风柜的风速、风量、噪音、静压损失等参数。
这些参数的规定旨在确保通风柜在使用过程中能够提供足够的通风效果,并且不会对实验人员和环境造成不良影响。
在实验室通风柜的性能指标方面,国家标准还对通风柜的检测方法和周期进行了规定,以确保通风柜的性能能够长期稳定地维持。
此外,国家标准还对实验室通风柜的安全使用提出了一些要求。
通风柜在使用过程中必须符合相关的安全标准,实验人员在操作通风柜时也必须遵守相关的安全规定。
国家标准还对通风柜的维护和保养提出了具体的要求,以确保通风柜的使用寿命和性能稳定性。
综上所述,实验室通风柜国家标准是为了保障实验室通风柜的安全、有效运行而制定的一系列规定。
遵守国家标准,不仅能够确保通风柜的正常运行,还能够保护实验人员和环境的安全。
因此,实验室通风柜的设计、安装、使用和维护都必须严格按照国家标准进行,以确保通风柜的安全性和可靠性。
实验台、通风柜柜技术指标技术要求:技术参数要求中带▲符号的为本次台柜设备配套项目重要技术参数要求,必须提供相关报告或者证明文件证明设备符合要求。
(一)实验家具材质要求1.实验台、中央台---(钢木结构)1.1、实验台台面参考品牌:上海榕德(roadlab)、费亚泰克(friatec)和德国赛实验台台面主材说明:采用20mm厚实验室工业陶瓷板台面。
采用高温一体烧制成型,耐1550℃极限高温,耐强酸、强碱、强有机溶剂、染色剂等各种化学试剂,耐刮磨,耐高温,抗明火,抗污染,抗菌,抗变形,经久耐用,无需维护,安全环保,其中所有水池台台面采用碟形工艺,操作面部分整体下凹5mm翘边,总厚度25mm,配备同品牌实验室专用570*470*350mm陶瓷水槽,防止有害液体外溢,有效保持台面美观。
投标时需提供以下相对应检测报告及资质文件:▲环保性能:需提供辐射限量检测报告,参照GB6566《建筑材料放射性核素限量》标准,检测结果必须符合:内照射指数≤0.4。
▲化学性能:需提供2016及2017年连续2年SGS机构出具的耐腐蚀检测报告:参照SEFA3-2010科学设备及家具协会-实验室工作台面条款2.1台面检测标准,台面至少抗“47”种以上化学品且检测结果为0级(表面无变化)的检测报告。
▲物理性能:台面的耐污染性能:需提供提供国家建筑材料测试中心出具的GB/T4100-2006检测报告出具的测试项目为“吸水率”检测报告,测试结果最大值不得大于0.03%。
▲高温性能:需提供耐极限高温达到1500度以上的国家级检测报告。
1.2、▲柜体:柜体:采用≥15mm厚优质高密度中纤板面贴三聚氰胺板,所有断面经优质2mm厚度pvc封边防水处理,中纤板静曲强度≥15.0mpa,甲醛释放量≤0.5mpa,吸水厚度膨胀率≤0.5%。
(投标供应商须提供以上参数的CMA或CAL机构出具的检测报告,检测报告中须附产品的实物照片)1.3、铰链:采用110°铰链,弹性好,使用过程中无噪音,耐酸碱、耐腐蚀,使用寿命长。
1.4、导轨:采用优质三节静音滑轨,模具成型,伸缩自如、承重力强、可任意停留所需空间。
1.5、扣手:铝合金一字型扣手,倒钩呈人字型,外形美观,设计人性化。
1.6钢木实验台技术要求如下:▲人造板件外观:内外表无干花、湿花;无污斑;表面划痕、压痕、色差、鼓泡、龟裂、分层的检测结果:符合要求。
▲表面理化性能要求:10%碳酸钠溶液,10%乙酸溶液,24H,检测结果:1级▲力学性能:▲桌面垂直冲击试验:按GB/T10357.1-2013标准中5.1.3规定,自由跌落,冲击高度140mm,冲击支承桌面部位和桌面跨距中心部位各1次。
试验后零部件应无断裂;无严重影响使用功能的磨损或变形;用手揿压某些应为牢固的部件,应无永久性松动;连接部位应无松动;活动部件(门、抽屉等)开关应灵活;家具五金件应无明显变形、损坏。
▲水平静载荷试验:按GB/T10357.1-2013标准中5.1.2规定,桌面垂直均衡加载不大于100KG,水平加载450N,10次,每次10S。
试验后零部件应无断裂或豁裂,无严重影响使用功能的磨损或变形;用手揿压某些应为牢固的部件,应无永久性松动;连接部位应无松动;活动部件(门、抽屉等)开关应灵活;家具五金件应无明显变形、损坏。
▲甲醛释放量:≤1.5投标供应商须提供以上参数的CMA或CAL机构出具的检测报告,检测报告中须附产品的实物照片.2 、PP水槽+三联水嘴+洗眼器:2.1、水槽:2.1.1.主体:高密度PP(HDPP),新料2.1.2.表面纹理:槽沿表面处理为皮纹,耐刻刮,与大部分台面板表面纹理一致2.1.3.附件:高密度PP去水(包含阻水盖、PP提笼),PP下水管等2.1.4.★化学性质:水槽材质通过20种以上化学试剂的浸泡试验,在常温下将样块浸泡在下列试剂中24小时后没有变化。
需提供上述技术要求的证明文件:质量监督检验技术研究院检验报告。
2.2、水龙头:外观描述:主体:铜质(可根据要求生产不锈钢)涂层:高亮度环氧树脂阀芯:陶瓷,90度旋转鹅颈管:可360度旋转折角管:可360度旋转旋钮把手:高密度PP(HDPP)肘动把手:高密度PP(HDPP)附件:防溅滤水器,抽真空水嘴★技术要求如下:1.流量均匀性(L/min)≤6.0 L/min2.抗水压机械性能:进水部位(2.5±0.05)Mpa,保压(60±5)s后,阀芯上游无永久变形。
3.密封性能:阀芯及阀芯上游:(1.6±0.05)Mpa,保压(60±5)s后,阀芯及上游过水通道无渗漏。
4.启闭寿命:2*105次寿命试验后,符合密闭性能的要求。
需提供上述技术要求的证明文件:节水认证证书,国家建筑材料工业建筑五金水暖产品质量监督检验测试中心检验报告。
2.3▲桌上型洗眼器:桌面安装型,数量及安装位置依据图纸及相关说明所示。
洗眼/脸式安全装置。
尺寸:①入水管口径:Ф 9.5mm;②304#不锈钢连结软管长度:1500mm(含)以上。
外观:产品外表面涂、镀层应结合良好,组织细密,光滑均匀,色泽均匀,无起泡、烧焦、脱离、划伤等外观缺陷。
洗眼器性能:洗眼器应确保以足够低的速度同时向双眼施加受控流动的冲洗液体,防止对使用者造成伤害。
洗眼器喷头流量要求:洗眼器应能将冲洗液输送到眼睛和脸上,流量至少11.4L/min,并保持15min。
如果关闭阀门的目的是用于维护,则应防止未经授权的关闭。
控制阀性能:打开设备上的阀门,并确认其在1s内完全打开,并保持打开状态。
密封性能:将洗眼器正确连接到实验室设备上并关闭阀门,目视检查管道连接无泄漏(压力:1.1Mpa,持续时间:2min)需提供上述技术要求的国家级建筑材料检验研究院的检测报告。
3、试剂架立柱采用80×40,δ1.5mm优质铝合金板折弯、冲孔,表面经酸洗、磷化、均匀灰白环氧树脂粉喷涂,化学防锈处理,耐酸碱腐蚀。
层板采用≥12mm厚白玻,四周精磨处理,光滑,不伤手,并用铝合金托盘固定,可根据舒适要求自由调整高度;边缘配铝合金钢管,以防止试剂瓶跌落。
外型设计美观大方、实用。
4、试剂柜(全钢结构)4.1 柜体及门板整体采用1.2mm优质镀锌钢板经专用机床裁剪、冲压、折弯、气体保护焊接制作而成,表面经除油、酸洗、磷化等防锈工艺处理,再经环氧树脂喷塑工艺处理,具有耐强酸碱、耐腐蚀、耐冲击、韧性强等特点。
钢材表面平整光滑,不允许有明显焊疤、鼓泡、凹陷、压痕、划痕、裂痕、麻点、崩角和刃口等缺陷。
钻孔位置由模具定位。
切割、钻孔和倒角应去毛刺。
其中门板采用拼接形式制作,内部镶嵌5mm厚安全玻璃,线条优美,外形美观。
层板采用相同材料及工艺制作,采用防腐支撑,可灵活调整高度。
4.2 铰链:铰链采用防腐合金材料制作,达到国际五金行业标准。
4.3可调脚:特制不锈钢调整脚,底衬防水尼龙六角套环,防滑防震防腐蚀,可调整高度30-50mm,可承重300公斤以上。
并配有承重螺母。
5外补风型通风柜玻璃钢结构5.1、触摸式控制面板:于箱体外侧带智能延时保护装置及风阀角度显示器。
5.2、台面:实芯双面理化板台面:▲采用≧12.7mm厚实芯双面理化板(通过十环、环保认证),台面表面具备合理的耐酸碱性能、耐冲击、韧性强等特点,并符合以下A-E项技术指标:▲A、环保性能:甲醛含量(干燥器法)≦1.5mg/L,符合室内装饰装修材料人造板及其制品中甲醛释放量(GB/18580-2001)里的限量值E1标准,其检验结果为未检出;▲B、物理性能:符合国家化学建筑材料测试中心(GB/T3398.2-2008、GB/T17657-2013)的技术标准要求。
氏硬度(R)检验结果为≥123;弯曲强度检验结果为≧128MPa;曲弹性模量检验结果为≧13300MPa;表面耐干热性能、耐香烟灼性能、耐沸水性能检验结果为5级无明显变化、耐高温性能无明显变化;⑤表面耐磨性检验结果为≧570r,抗冲击性能检验结果为5.8无破损。
▲C、化学性能:符合国家化学建筑材料测试中心(GB/T17657-2013)的技术标准要求,以下42项化学试剂浓度且在室温24h测试条件下覆盖玻璃盖板或者未覆盖玻璃盖板进行实芯理化板双面分别测试,分级结果为≥4级。
检测项目不少于以下类别:1、高锰酸钾溶液(10%);2、盐酸(37%);3、硝酸(65%);4、磷酸(85%);5、氢氧化钠(40%);6、硫酸(98%);7、乙酸(99%);8、铬酸;9、氢氟酸(48%);10、尿素;11、四氯化碳;12、氯化铁(10%);13、糠醛;14、乙醇(99%);15、氨水(28%);16、苯;17、甲醛溶液(37%);18:氯甲苯;19、王水;20、硝酸银(1%);21、硫酸铜(10%);22、重铬酸钾清洗溶液;23、铬酸钾清饱和液;24、亚甲蓝(1%);25、丙酮;26、硫化纳饱和液;27、醋酸乙酯;28、甲酚;29、氯甲烷;30、草酸;31、苯酸钠;32、异戊醚;33、品红(1%);34、次氯酸钾;35、氯仿;36、紫药水;37、氯化镁(10%);38、煤油;39、苏丹红;40、氢氧化铵(28%);41、77%硫酸70%硝酸1:1混合液;42、65%硝酸37%盐酸1:3混合液。
▲D、燃烧性能:符合国家化学建筑材料测试中心GB50222-1995(2001)“建筑内部装修设计防火规范”A.2.6塑料燃烧性能判断为难燃性B1级的技术标准要求,检验结果为氧指数≥32%,水平燃烧FH-1级,垂直燃烧FV-0级,判定均为合格。
▲E、抗菌性能:符合ISO22196-2011塑料和其他非多孔表面抗菌活度测量,金黄色葡萄球菌ATCC6538P,接种菌液浓度1.4x106,抗菌活性值>5,肺炎克雷伯氏菌ATCC4352,接种菌液浓度1.7x106,抗菌活性值>5.5。
(投标投标人须提供满足(A-D)参数的有效检测报告复印件并加盖厂家鲜章,否则不推荐为中标候选人)部分通风柜台面:采用20mm厚一体实芯烧制实验室专用陶瓷台面,整个台面一体高温烧制成型,操作面部分整体下凹5mm翘边,总厚度25mm,防止有害液体外溢(不能采用拼接或者后期加厚方式加工),台面耐强腐蚀,耐高温,耐磨,便于清洁,永不变形变色,美观大方,安全环保,免维护。
配备同品牌实验室专用乳白色190*110*150mm陶瓷水杯,釉面颜色:麻点灰,有效保持台面美观。
投标时需提供以下相对应检测报告及资质文件:▲环保性能:需提供辐射限量检测报告,参照GB6566《建筑材料放射性核素限量》标准,检测结果必须符合:内照射指数≤0.4。
▲化学性能:需提供2016及2017年连续2年SGS机构出具的耐腐蚀检测报告:参照SEFA3-2010科学设备及家具协会-实验室工作台面条款2.1台面检测标准,台面至少抗“47”种以上化学品且检测结果为0级(表面无变化)的检测报告。