替代AH1807中文资料pdf规格书手机霍尔开关传感器
- 格式:pdf
- 大小:621.88 KB
- 文档页数:13
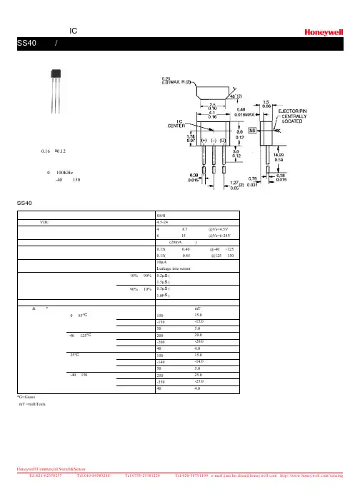
Honeywell/Commercial Switch&Sensor 霍尼韦尔商业开关与传感器上海:Tel:021-******** 北京:Tel:010-******** 深圳:Tel:0755-******** 广州:Tel:020-******** e-mail:jian.bo.zhou@ /sensing特点:●小尺寸(0.16″x 0.12″) ● 反向电源电压保证 ● 电流沉输出● 工作速度从0到100KHz 以上 ● 工作温度范围:-40℃到150℃SS40选型指南开 关 型 霍 尔 IC 安装尺寸(仅供参考)规格供电电压(VDC )供电电流(最大值)输出类型输出电压(最大值)输出漏电流(释放)输出开发时间磁类型磁特性&温度*0-85°C-40—125°C25°C (典型值)-40-150℃上升(10%到90%)下降(90%到10%)最大动作点最小释放点最小回差最大动作点最小释放点最小回差最大动作点最小释放点最小回差最大动作点最小释放点最小回差SS414.5-244(典型值),8.7(最大值)@Vs=4.5V 6(典型值),15 (最大值) @Vs=6-24V 沉电路(20mA 最大值)0.15(典型值)0.40(最大值)@-40至+125℃0.15(典型值)0.45(最大值)@125至150℃10µALeakage into sensor0.2µS (典型值)1.5µS (最大值)0.5µS (典型值)1.0µS (最大值)双极高斯150-15050200-20040150-14050250-25040mT 15.0-15.05.020.0-20.04.015.0-14.05.025.0-25.04.0*G=Guass mT =milliTesla。
全方位解析霍尔开关原理电路及失效检测霍尔开关是一种基于霍尔效应工作的磁敏传感器,常用于检测磁场信号。
它由霍尔元件、电源电路和输出电路组成。
霍尔元件是其核心部件,其内部有一片半导体材料,正常情况下无磁场作用时,霍尔元件上电流为零。
但当有外部磁场作用时,霍尔元件上就会产生电势差,进而引起霍尔元件内部电流的变化,从而实现磁场信号的检测。
霍尔开关的原理电路包括霍尔元件、电源电路和输出电路。
电源电路可以为霍尔元件提供所需的电源供电,通常为直流电源。
输出电路用于检测霍尔元件产生的电流变化,并将其转换为可用的输出信号。
通常情况下,输出电路由一个比较器和一个开关组成,当霍尔元件上的电流变化达到一定阈值时,比较器会触发并输出一个高电平信号,从而驱动开关动作。
在实际应用中,霍尔开关主要用于检测磁场信号。
当有磁场接近霍尔元件时,磁场线会穿过霍尔元件的半导体材料,从而改变霍尔元件内部的载流子活动情况,最终导致霍尔元件上的电流变化。
根据霍尔电流的变化情况,可以判断磁场的方向和强度。
除了磁场信号的检测,霍尔开关还可以用于实现电流和电压的检测。
例如,可以将霍尔开关连接在电路中的电流回路上,通过检测霍尔电流的变化来判断电路中的电流大小和方向。
类似地,霍尔开关也可以用于检测电路中的电压情况,通过检测霍尔电流的变化来判断电压的大小和极性。
失效检测是霍尔开关的一项重要功能,主要用于检测霍尔开关是否正常工作。
常见的失效检测方法包括电源电压检测、输出电路检测和灵敏度检测。
电源电压检测主要用于检测霍尔开关电源电压是否在正常范围内,以保证霍尔元件正常供电。
输出电路检测主要用于检测输出电路的工作情况,通常通过检测输出信号的变化来判断。
灵敏度检测主要用于检测霍尔开关对磁场信号的敏感程度,可以通过改变外部磁场的强度和方向来测试。
总之,霍尔开关是一种基于霍尔效应工作的磁敏传感器,其原理电路包括霍尔元件、电源电路和输出电路。
它可以用于检测磁场信号、电流和电压。
霍尔传感元器件及其应用1、引言霍尔器件是一种磁传感器。
用它们可以检测磁场及其变化,可在各种与磁场有关的场合中使用。
霍尔器件以霍尔效应为其工作基础。
霍尔器件具有许多优点,它们的结构牢固,体积小,重量轻,寿命长,安装方便,功耗小,频率高(可达1MHZ ),耐震动,不怕灰尘、油污、水汽及盐雾等的污染或腐蚀。
霍尔线性器件的精度高、线性度好;霍尔开关器件无触点、无磨损、输出波形清晰、无抖动、无回跳、位置重复精度高(可达um级)。
取用了各种补偿和保护措施的霍尔器件的工作温度范围宽,可达—55C〜150 C。
按照霍尔器件的功能可将它们分为:霍尔线性器件和霍尔开关器件。
前者输出模拟量,后者输出数字量。
按被检测的对象的性质可将它们的应用分为:直接应用和间接应用。
前者是直接检测出受检测对象本身的磁场或磁特性,后者是检测受检对象上人为设置的磁场,用这个磁场来作被检测的信息的载体,通过它,将许多非电、非磁的物理量例如力、力矩、压力、应力、位置、位移、速度、加速度、角度、角速度、转数、转速以及工作状态发生变化的时间等,转变成电量来进行检测和控制。
2、霍尔效应和霍尔器件2.1 霍尔效应如图1所示,在一块通电的半导体薄片上,加上和片子表面垂直的磁场B,在薄片的横向两侧会出现一个电压,如图1中的VH,这种现象就是霍尔效应,是由科学家爱德文?霍尔在1879 年发现的。
VH 称为霍尔电压。
(a)霍尔效应和霍尔元件这种现象的产生,是因为通电半导体片中的载流子在磁场产生的洛仑兹力的作用下,分别向片子横向两侧偏转和积聚,因而形成一个电场,称作霍尔电场。
霍尔电场产生的电场力和洛仑兹力相反,它阻碍载流子继续堆积,直到霍尔电场力和洛仑兹力相等。
这时,片子两侧建立起一个稳定的电压,这就是霍尔电压。
在片子上作四个电极,其中C1、C2间通以工作电流I, C1、C2称为电流电极,C3、C4间取出霍尔电压VH , C3、C4称为敏感电极。
将各个电极焊上引线,并将片子用塑料封装起来,就形成了一个完整的霍尔元件(又称霍尔片)。
霍尔电流电压传感器、变送器的基本原理与使用方法1.霍尔器件霍尔器件是一种采用半导体材料制成的磁电转换器件。
如果在输入端通入控制电流IC,当有一磁场B穿过该器件感磁面,则在输出端出现霍尔电势VH。
如图1-1所示。
霍尔电势VH的大小与控制电流IC和磁通密度B的乘积成正比,即:VH=KHICBsinΘ霍尔电流传感器是按照安培定律原理做成,即在载流导体周围产生一正比于该电流的磁场,而霍尔器件则用来测量这一磁场。
因此,使电流的非接触测量成为可能。
通过测量霍尔电势的大小间接测量载流导体电流的大小。
因此,电流传感器经过了电-磁-电的绝缘隔离转换。
2.霍尔直流检测原理如图1-2所示。
由于磁路与霍尔器件的输出具有良好的线性关系,因此霍尔器件输出的电压讯号U0可以间接反映出被测电流I1的大小,即:I1∝B1∝U0我们把U0定标为当被测电流I1为额定值时,U0等于50mV或100mV。
这就制成霍尔直接检测(无放大)电流传感器。
3.霍尔磁补偿原理原边主回路有一被测电流I1,将产生磁通Φ1,被副边补偿线圈通过的电流I2所产生的磁通Φ2进行补偿后保持磁平衡状态,霍尔器件则始终处于检测零磁通的作用。
所以称为霍尔磁补偿电流传感器。
这种先进的原理模式优于直检原理模式,突出的优点是响应时间快和测量精度高,特别适用于弱小电流的检测。
霍尔磁补偿原理如图1-3所示。
从图1-3知道:Φ1=Φ2 I1N1=I2N2 I2=NI/N2・I1当补偿电流I2流过测量电阻RM时,在RM两端转换成电压。
做为传感器测量电压U0即:U0=I2RM按照霍尔磁补偿原理制成了额定输入从0.01A~500A系列规格的电流传感器。
由于磁补偿式电流传感器必须在磁环上绕成千上万匝的补偿线圈,因而成本增加;其次,工作电流消耗也相应增加;但它却具有直检式不可比拟的较高精度和快速响应等优点。
4.磁补偿式电压传感器为了测量mA级的小电流,根据Φ1=I1N1,增加N1的匝数,同样可以获得高磁通Φ1。
霍尔替代型电流传感器规格书HIT 系列深圳市航智精密电子有限公司HIT600 霍尔替代型电流传感器多点零磁通技术系统应用于航智高精度直流传感器,采用激励磁通闭环控制技术、自激磁通门技术及多闭环控制技术相结合,实现了对激励磁通、直流磁通、交流磁通的零磁通闭环控制,并通过构建高频纹波感应通道实现了对高频纹波的检测,从而使传感器在全带宽范围内拥有比较高的增益和测量精度。
产品图片核心技术性能特点◇激励磁通闭环控制技术◇原、副边隔离测量◇自激退磁技术◇出色的线性度和准确度◇多点零磁通技术◇极低的温漂◇多级量程自动切换技术◇极低的零漂◇温控补偿技术◇强抗电磁干扰能力◇宽频带和低响应时间应用领域◇医疗设备:扫描仪、MRI ◇轨道交通:高速列车、地铁、有轨无轨电车◇电力:变流器、逆变器◇测试仪器仪表:功率分析仪、高精密电源◇新能源:光伏、风能◇汽车:电动汽车◇舰船:电力驱动舰船◇航空航天:卫星、火箭◇计量:检定与校准◇智能电网测量:发电、电池监测、中低压变电站◇工业控制:工业电机驱动、UPS 、焊接、机器人、吊车、电梯、滑雪升降机电气性能项目符号测试条件最小值标称最大值单位原边额定直流电流I PN_DC— — ±600 — Adc原边额定交流电流*I PN— — 354 — Aac原边过载电流I PM1分钟— — ±720 Adc 工作电压V C— ±14.2 ±15 ±15.8 V 功耗电流I PWR原边额定工作电流±30 ±230 ±270 mA 电流变比K N输入:输出3000:1 3000:1 3000:1 —额定输出电流I SN原边额定工作电流— ±0.2 — A 测量电阻R M— 0 2 5 Ω*:指交流有效值精度测量项目符号测试条件最小值标称最大值单位精准度X G输入直流,全温度范围— — 500 ppm 线性度εL全范围— — 50 ppm 温度稳定性T C— — — 50 ppm/K 零点失调电流I O@25℃— — ±5 uA 零点失调电流I OT全温度范围— — ±10 uA 反应时间t r di/dt=100A/us,上升至90%I PN— 1 — us 电流变化率di/dt — 100 — — A/us 频带宽度(-3dB) F — 0 — 100 kHz安全特性项目符号测试条件数值单位隔离电压/ 原边与副边之间Vd 50Hz,1min 5 KV瞬态隔离耐压/ 原边与副边之间Vw 50us 10 KV爬电距离/ 原边与外壳之间dCp — 11 mm 电气间隙距离/ 原边与外壳之间dCi — 11 mm 相比漏电起痕指数CTI IEC-60112 275 V一般特性项目符号测试条件最小标称最大单位工作温度范围T A— -40 — +80 ºC 存储温度范围T S— -55 — +95 ºC 相对湿度RH — 20 — 80 % 质量M — 320±5 g运行状态说明在供电电源正常的情况下,当穿过电流传感器的母线电流在传感器额定工作电流以下时,穿过传感器的输入电流与传感器输出电流成比例关系。