数据模型与决策练习题含复习资料
- 格式:doc
- 大小:147.00 KB
- 文档页数:15
《数据模型与决议》复习题及参照答案第一章绪言一、填空题1.运筹学的主要研究对象是各样有组织系统的管理问题,经营活动。
2.运筹学的核心是运用数学方法研究各样系统的优化门路及方案,为决议者提供科学决议的依照。
3.模型是一件实质事物或现真相况的代表或抽象。
4、往常对问题中变量值的限制称为拘束条件,它能够表示成一个等式或不等式的会合。
5.运筹学研究和解决问题的基础是最优化技术,并重申系统整体优化功能。
运筹学研究和解决问题的成效拥有连续性。
6.运筹学用系统的看法研究功能之间的关系。
7.运筹学研究和解决问题的优势是应用各学科交错的方法,拥有典型综合应用特征。
8.运筹学的发展趋向是进一步依靠于_计算机的应用和发展。
9.运筹学解决问题时第一要察看待决议问题所处的环境。
10.用运筹学剖析与解决问题,是一个科学决议的过程。
11.运筹学的主要目的在于求得一个合理运用人力、物力和财力的最正确方案。
12.运筹学中所使用的模型是数学模型。
用运筹学解决问题的核心是成立数学模型,并对模型求解。
13用运筹学解决问题时,要剖析,定议待决议的问题。
14.运筹学的系统特色之一是用系统的看法研究功能关系。
15.数学模型中,“s· t ”表示拘束。
16.成立数学模型时,需要回答的问题有性能的客观量度,可控制因素,不行控因素。
17.运筹学的主要研究对象是各样有组织系统的管理问题及经营活动。
二、单项选择题1. 成立数学模型时,考虑能够由决议者控制的因素是( A )A.销售数目B.销售价钱C.顾客的需求D.竞争价钱2.我们能够经过(C)来考证模型最优解。
A.察看B.应用C.实验D.检查3.成立运筹学模型的过程不包含( A )阶段。
A.察看环境B.数据剖析C.模型设计4. 成立模型的一个基本原由是去揭晓那些重要的或相关的(D.模型实行B)A 数目B变量C拘束条件D目标函数5.模型中要求变量取值( D )A可正B可负C非正D非负6. 运筹学研究和解决问题的成效拥有(A)A连续性B整体性C阶段性D重生性7.运筹学运用数学方法剖析与解决问题,以达到系统的最优目标。
数据模型与决策试题及参考答案本文为《数据模型与决策》复,共分为五个填空题。
1.已知成年男子的身高服从正态分布N(167.48,6.092),随机调查100位成年男子的身高,那么,这100位男子身高的平均数服从的分布是N(167.48,0.609)。
2.某高校想了解大学生每个月的消费情况,随机抽取了100名大学生,算得平均月消费额为1488元,标准差是2240元。
根据正态分布的“68-95-99”法则,该高校大学生每个月的消费额的95%估计区间为[1040,1936]。
3.从遗传规律看,一个产妇生男生女的概率是一样的,都是50%,但也有个人的特殊情况。
假设某人前一胎是女孩,那么她的下一胎也是女孩的概率为0.55;如果某人前一胎是男孩,那么她的下一胎还是男孩的概率为0.48.已知___第一胎是女孩,那么她的第三胎生男孩的概率是0.4653.4.调查发现,一个刚参加工作的MBA毕业生在顶级管理咨询公司的初始年薪可以用均值为9万美元和标准差是2万美元的正态分布来表示,那么一个这样的毕业生初始年薪超过9万美元的概率是0.5.5.结合生活实际,判断两个量之间的相关系数大概有多大?比如问您孩子身高与父母身高的的相关系数可能是0.6.1.孩子与父母的身高存在相关性,这个相关性可以用相关系数来衡量。
相关系数的取值范围为-1到1,绝对值越接近1表示相关性越强,绝对值越接近0表示相关性越弱。
在这个问题中,孩子与父母平均身高的相关性比较高,应该选0.9作为相关系数。
2.模拟仿真的关键步骤包括:确定仿真目标、建立仿真模型、选择仿真工具、设计实验方案、进行仿真实验、分析仿真结果、验证仿真模型。
模拟仿真是一种通过计算机模拟来研究和分析实际系统的方法,可以帮助人们更好地理解和预测系统的行为,从而提供决策支持和优化方案。
3.___某天上班路上捡到10元钱属于小概率事件。
小概率事件是指在一次试验中,出现的概率很小的事件。
通常认为,小概率事件的概率小于等于0.05.在这个问题中,其他选项中抛硬币的结果全是正面的概率都大于0.05,因此不属于小概率事件。
《数据模型与决策》复习题及参考答案第一章绪言一、填空题1.运筹学的主要研究对象是各种有组织系统的管理问题,经营活动。
2.运筹学的核心是运用数学方法研究各种系统的优化途径及方案,为决策者提供科学决策的依据。
3.模型是一件实际事物或现实情况的代表或抽象。
4、通常对问题中变量值的限制称为约束条件,它可以表示成一个等式或不等式的集合。
5.运筹学研究和解决问题的基础是最优化技术,并强调系统整体优化功能。
运筹学研究和解决问题的效果具有连续性。
6.运筹学用系统的观点研究功能之间的关系。
7.运筹学研究和解决问题的优势是应用各学科交叉的方法,具有典型综合应用特性。
8.运筹学的发展趋势是进一步依赖于_计算机的应用和发展。
9.运筹学解决问题时首先要观察待决策问题所处的环境。
10.用运筹学分析与解决问题,是一个科学决策的过程。
11.运筹学的主要目的在于求得一个合理运用人力、物力和财力的最佳方案。
12.运筹学中所使用的模型是数学模型。
用运筹学解决问题的核心是建立数学模型,并对模型求解。
13用运筹学解决问题时,要分析,定议待决策的问题。
14.运筹学的系统特征之一是用系统的观点研究功能关系。
15.数学模型中,“s·t”表示约束。
16.建立数学模型时,需要回答的问题有性能的客观量度,可控制因素,不可控因素。
17.运筹学的主要研究对象是各种有组织系统的管理问题及经营活动。
二、单选题1.建立数学模型时,考虑可以由决策者控制的因素是( A )A.销售数量 B.销售价格 C.顾客的需求 D.竞争价格2.我们可以通过( C )来验证模型最优解。
A.观察 B.应用 C.实验 D.调查3.建立运筹学模型的过程不包括( A )阶段。
A.观察环境 B.数据分析 C.模型设计 D.模型实施4.建立模型的一个基本理由是去揭晓那些重要的或有关的( B )A数量 B变量 C 约束条件 D 目标函数5.模型中要求变量取值( D )A可正 B可负 C非正 D非负6.运筹学研究和解决问题的效果具有( A )A 连续性B 整体性C 阶段性D 再生性7.运筹学运用数学方法分析与解决问题,以达到系统的最优目标。
《数据模型与决策》复习(附参考答案)2018.9一、填空题(五题共15分)1. 已知成年男子的身高服从正态分布N(167.48,6.092),随机调查100位成年男子的身高,那么,这100位男子身高的平均数服从的分布是 ① 。
解:N(167.48,0.609)考查知识点:已知总体服从正态分布,求样本均值的分布。
2. 某高校想了解大学生每个月的消费情况,随机抽取了100名大学生,算得平均月消费额为1488元,标准差是2240元。
根据正态分布的“68-95-99”法则,该高校大学生每个月的消费额的95%估计区间为 ② 。
解:[1040,1936]考查知识点:区间估计的求法。
正态总体均值的区间估计是[n s Z X α--1,nsZ X α-+1] 其中X 是样本平均数,s 是样本的标准差,n 是样本数。
详解:直接带公式得:区间估计是 [n s Z X α--1,nsZ X α-+1]= [100224021488-,100224021488+]=[1040,1936]3. 从遗传规律看,一个产妇生男生女的概率是一样的,都是50%,但也有个人的特殊情况。
假设某人前一胎是女孩,那么她的下一胎也是女孩的概率为0.55;如果某人前一胎是男孩,那么她的下一胎还是男孩的概率为0.48。
已知小李第一胎是女孩,那么她的第三胎生男孩的概率是 ③ 。
解 p=0.4653考查知识点:离散概率计算方法。
详解:假设B1=第1胎生男孩,B2=第2胎生男孩,B3=第3胎生男孩 G1=第1胎生女孩,G2=第2胎生女孩,G3=第3胎生女孩P (B3)=P (B3B2)+P (B3G2)(直观解释是:第二胎生男孩的情况下第三胎生男孩,第二胎生女孩的情况下第三胎生男孩,两个概率之和为P (B3))= P(B3|B2)P(B2)+P(B3|G2)P(G2)=0.48×(1-0.55)+(1-0.55) ×0.55=0.46534. 调查发现,一个刚参加工作的MBA毕业生在顶级管理咨询公司的初始年薪可以用均值为9万美元和标准差是2万美元的正态分布来表示,那么一个这样的毕业生初始年薪超过9万美元的概率是④。
《数据模型与决策》复习题及参考答案一、填空题1.运筹学的主要研究对象是各种有组织系统的管理问题,经营活动。
2.运筹学的核心主要是运用数学方法研究各种系统的优化途径及方案,为决策者提供科学决策的依据。
3.模型是一件实际事物或现实情况的代表或抽象。
4通常对问题中变量值的限制称为约束条件,它可以表示成一个等式或不等式的集合。
5.运筹学研究和解决问题的基础是最优化技术,并强调系统整体优化功能。
运筹学研究和解决问题的效果具有连续性。
6.运筹学用系统的观点研究功能之间的关系。
7.运筹学研究和解决问题的优势是应用各学科交叉的方法,具有典型综合应用特性。
8.运筹学的发展趋势是进一步依赖于_计算机的应用和发展。
9.运筹学解决问题时首先要观察待决策问题所处的环境。
10.用运筹学分析与解决问题,是一个科学决策的过程。
11.运筹学的主要目的在于求得一个合理运用人力、物力和财力的最佳方案。
12.运筹学中所使用的模型是数学模型。
用运筹学解决问题的核心是建立数学模型,并对模型求解。
13用运筹学解决问题时,要分析,定议待决策的问题。
14.运筹学的系统特征之一是用系统的观点研究功能关系。
15.数学模型中,“s·t”表示约束。
16.建立数学模型时,需要回答的问题有性能的客观量度,可控制因素,不可控因素。
17.运筹学的主要研究对象是各种有组织系统的管理问题及经营活动。
二、单选题1.建立数学模型时,考虑可以由决策者控制的因素是( A )A.销售数量 B.销售价格 C.顾客的需求 D.竞争价格2.我们可以通过( C )来验证模型最优解。
A.观察 B.应用 C.实验 D.调查3.建立运筹学模型的过程不包括( A )阶段。
A.观察环境 B.数据分析 C.模型设计 D.模型实施4.建立模型的一个基本理由是去揭晓那些重要的或有关的( B )A数量 B变量 C 约束条件 D 目标函数5.模型中要求变量取值( D )A可正 B可负 C非正 D非负6.运筹学研究和解决问题的效果具有( A )A 连续性B 整体性C 阶段性D 再生性7.运筹学运用数学方法分析与解决问题,以达到系统的最优目标。
《数据模型与决策》复习题及参考答案《数据模型与决策》复习题及参考答案第一章绪言一、填空题1.运筹学的主要研究对象是各种有组织系统的管理问题,经营活动。
2.运筹学的核心是运用数学方法研究各种系统的优化途径及方案,为决策者提供科学决策的依据。
3.模型是一件实际事物或现实情况的代表或抽象。
4、通常对问题中变量值的限制称为约束条件,它可以表示成一个等式或不等式的集合。
5.运筹学研究和解决问题的基础是最优化技术,并强调系统整体优化功能。
运筹学研究和解决问题的效果具有连续性。
6.运筹学用系统的观点研究功能之间的关系。
7.运筹学研究和解决问题的优势是应用各学科交叉的方法,具有典型综合应用特性。
8.运筹学的发展趋势是进一步依赖于_计算机的应用和发展。
9.运筹学解决问题时首先要观察待决策问题所处的环境。
10.用运筹学分析与解决问题,是一个科学决策的过程。
11.运筹学的主要目的在于求得一个合理运用人力、物力和财力的最佳方案。
12.运筹学中所使用的模型是数学模型。
用运筹学解决问题的核心是建立数学模型,并对模型求解。
13用运筹学解决问题时,要分析,定议待决策的问题。
14.运筹学的系统特征之一是用系统的观点研究功能关系。
15.数学模型中,“s〃t”表示约束。
16.建立数学模型时,需要回答的问题有性能的客观量度,可控制因素,不可控因素。
17.运筹学的主要研究对象是各种有组织系统的管理问题及经营活动。
二、单选题1.建立数学模型时,考虑可以决策者控制的因素是第 1 页共40页A.销售数量B.销售价格C.顾客的需求D.竞争价格 2.我们可以通过来验证模型最优解。
A.观察B.应用C.实验D.调查 3.建立运筹学模型的过程不包括阶段。
A.观察环境B.数据分析C.模型设计D.模型实施 4.建立模型的一个基本理是去揭晓那些重要的或有关的 A数量B变量 C 约束条件 D 目标函数5.模型中要求变量取值A可正B可负C非正D非负 6.运筹学研究和解决问题的效果具有A 连续性B 整体性C 阶段性D 再生性7.运筹学运用数学方法分析与解决问题,以达到系统的最优目标。
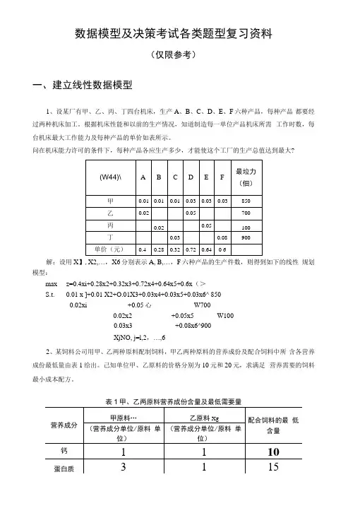
数据模型及决策考试各类题型复习资料(仅限参考)一、建立线性数据模型1、设某厂有甲、乙、丙、丁四台机床,生产A、B、C、D、E、F六种产品,每种产品都要经过两种机床加工。
根据机床性能和以前的生产情况,知道制造每一单位产品机床所需工作时数,每台机床最大工作能力及每种产品的单价如表所示。
问在机床能力许可的条件下,每种产品各应生产多少,才能使这个工厂的生产总值达到最大?解:设用X】,X2,…,X6分别表示A, B,…,F六种产品的生产件数,则得到如下的线性规划模型:max z=0.4xi+0.28x2+0.32x3+0.72x4+0.64x5+0.6x(>S.t. 0.01 x ]+0.01 X2+O.01X3+0.03x4+0.03x5+0.03x6^ 8500.02xi +0.05心W7000.02x2 +0.05x5 W1000.03x3 +0.08x6^900XjNO, j=l,2,…,62、某饲料公司用甲、乙两种原料配制饲料,甲乙两种原料的营养成份及配合饲料中所含各营养成份最低量由表1给出。
己知单位甲、乙原料的价格分别为10元和20元,求满足营养需要的饲料最小成本配方。
表1甲、乙两原料营养成份含量及最低需要量解:设配合饲料中,用甲xl单位,用乙x2单位,则配合饲料的原料成本函数,即决策的目标函数为Z=10xl+20x2o考虑三种营养含量限制条件后,对得这一问题的线性规划模型如下:Min Z=1 Ox 1+20x2xl+x22103xl+x2315xl+6x2315xl 20, x2$03、某农户计划用12公顷耕地生产玉米,大豆和地瓜,可投入48个劳动日,资金360 元。
生产玉米1公顷,需6个劳动日,资金36元,可获净收入200元;生产1公顷大豆,需6个劳动日,资金24元,可获净收入150元;生产1公顷地瓜需2个劳动日,资金18 元,可获净收入1200元,问怎样安排才能使总的净收入最高。
解:设种玉米,大豆和地瓜的数量分别为xl、x2和x3公顷,根据问题建立线性规划问题模型如下:Max Z=200 x7+15O x2+100 x3A7+X2+JI3W12 (1)6 灯+6x2+2x3W4X (2)36 兀/+24兀2+143 W 360 (3)x&O, x2$0, x3204、某农户有耕地20公顷,nJ采用甲乙两种种植方式。
1、某企业目前的损益情况如在下:销售收入〔 1000 件× 10 元 / 件〕10 000销售本钱:变动本钱〔 1000 件× 6 元/ 件〕 6 000固定本钱 2 000销售和管理费〔全部固定〕 1 000利润 1 000〔 1〕假设企业按国家规定普调薪水,使单位变动本钱增加4%,固定本钱增加1%,结果将会以致利润下降。
为了抵销这种影响企业有两个对付措施:一是提升价格5%,而提价会使销量减少10%;二是增加产量20%,为使这些产品能销售出去,要追加500 元广告费。
请做出选择,哪一个方案更有利?(2〕假设企业欲使利润增加 50%,即到达 1 500 元,能够从哪几个方面着手,采用相应的措施。
2、某企业每个月固定制造本钱 1 000 元,固定销售费100 元,固定管理费 150 元;单位变动制造本钱 6 元,单位变动销售费0.70 元,单位变动管理费0.30 元;该企业生产一种产品,单价 10元,所得税税率 50%;本月方案产销 600 件产品,问预期利润是多少?如拟实现净利 500 元,应产销多少件产品?3、某企业生产甲、乙、丙三种产品,固定本钱 500000 元,相关资料见下表〔单位:元〕:产品单价单位变动本钱销量甲1008012000乙907515000丙95808000要求:(1〕计算各产品的边缘奉献;(2〕计算加权平均边缘奉献率;(3〕依照加权平均边缘奉献率计算预期税前利润。
4、某企业每年耗用某种资料 3 600 千克,单位储藏本钱为 2 元,一次订货本钱25 元。
那么经济订货批量、每年最正确订货次数、最正确订货周期、与批量相关的存货总本钱是多少?5.有 10 个同类企业的生产性固定财富年平均价值和工业总产值资料以下:企业编生产性固定财富价值(万元 )工业总产值〔万元〕号131852429101019320063844098155415913650292873146058121015169102212191012251624合计65259801(1〕说明两变量之间的相关方向;(2〕建立直线回归方程;〔 3〕估计生产性固定财富〔自变量〕为1100 万元时总产值〔因变量〕的可能值。
《数据模型与决策》复习(附参考答案)2018.9一、填空题(五题共15分)1.已知成年男子的身高服从正态分布N(167.48,6.092),随机调查100位成年男子的身高,那么,这100位男子身高的平均数服从的分布是①。
解:N(167.48,0.609)考查知识点:已知总体服从正态分布,求样本均值的分布。
2.某高校想了解大学生每个月的消费情况,随机抽取了100名大学生,算得平均月消费额为1488元,标准差是2240元。
根据正态分布的“68-95-99”法则,该高校大学生每个月的消费额的95%估计区间为②。
解:[1040,1936]考查知识点:区间估计的求法。
正态总体均值的区间估计是[X-Z上,X + Z与] 1-a n'n1-a nn 其中X是样本平均数,s是样本的标准差,n是样本数。
详解:直接带公式得:区间估计是— s _ s2240 2240[X—Z -=, X + Z ,]= [1488 —2^^,1488 + 2^^] 山nn山.nn x100 * 100=[1040,1936]3.从遗传规律看,一个产妇生男生女的概率是一样的,都是50%,但也有个人的特殊情况。
假设某人前一胎是女孩,那么她的下一胎也是女孩的概率为0.55;如果某人前一胎是男孩,那么她的下一胎还是男孩的概率为0.48。
已知小李第一胎是女孩,那么她的第三胎生男孩的概率是③。
解p=0.4653考查知识点:离散概率计算方法。
详解:假设B1二第1胎生男孩,B2二第2胎生男孩,B3二第3胎生男孩G1二第1胎生女孩,G2=第2胎生女孩,G3=第3胎生女孩P(B3)二P(B3B2)+P(B3G2)(直观解释是:第二胎生男孩的情况下第三胎生男孩,第二胎生女孩的情况下第三胎生男孩,两个概率之和为P(B3))= P(B3|B2)P(B2)+P(B3|G2)P(G2)=0.48 义(1-0.55) + (1-0.55)义 0.55=0.46534.调查发现,一个刚参加工作的MBA毕业生在顶级管理咨询公司的初始年薪可以用均值为9万美元和标准差是2万美元的正态分布来表示,那么一个这样的毕业生初始年薪超过9万美元的概率是④。
《数据模型与决策》复习题及参考答案第一章绪言一、填空题1.运筹学的主要研究对象是各种有组织系统的管理问题,经营活动。
2.运筹学的核心是运用数学方法研究各种系统的优化途径及方案,为决策者提供科学决策的依据。
3.模型是一件实际事物或现实情况的代表或抽象。
4、通常对问题中变量值的限制称为约束条件,它可以表示成一个等式或不等式的集合。
5.运筹学研究和解决问题的基础是最优化技术,并强调系统整体优化功能。
运筹学研究和解决问题的效果具有连续性。
6.运筹学用系统的观点研究功能之间的关系。
7.运筹学研究和解决问题的优势是应用各学科交叉的方法,具有典型综合应用特性。
8.运筹学的发展趋势是进一步依赖于_计算机的应用和发展。
9.运筹学解决问题时首先要观察待决策问题所处的环境。
10.用运筹学分析与解决问题,是一个科学决策的过程。
11.运筹学的主要目的在于求得一个合理运用人力、物力和财力的最佳方案。
12.运筹学中所使用的模型是数学模型。
用运筹学解决问题的核心是建立数学模型,并对模型求解。
13用运筹学解决问题时,要分析,定议待决策的问题。
14.运筹学的系统特征之一是用系统的观点研究功能关系。
15.数学模型中,“s·t”表示约束。
16.建立数学模型时,需要回答的问题有性能的客观量度,可控制因素,不可控因素。
17.运筹学的主要研究对象是各种有组织系统的管理问题及经营活动。
二、单选题1.建立数学模型时,考虑可以由决策者控制的因素是( A )A.销售数量 B.销售价格 C.顾客的需求 D.竞争价格2.我们可以通过( C )来验证模型最优解。
A.观察 B.应用 C.实验 D.调查3.建立运筹学模型的过程不包括( A )阶段。
A.观察环境 B.数据分析 C.模型设计 D.模型实施4.建立模型的一个基本理由是去揭晓那些重要的或有关的( B )A数量 B变量 C 约束条件 D 目标函数5.模型中要求变量取值( D )A可正 B可负 C非正 D非负6.运筹学研究和解决问题的效果具有( A )A 连续性B 整体性C 阶段性D 再生性7.运筹学运用数学方法分析与解决问题,以达到系统的最优目标。
《数据模型与决策》复习试题和参考题答案一、选择题1. 下列哪种数据模型不是数据库系统常用的数据模型?()A. 关系模型B. 层次模型C. 网状模型D. 面向对象模型2. 以下哪项不是数据库系统的主要功能?()A. 数据存储B. 数据检索C. 数据更新D. 数据加密3. 在关系数据库中,下列哪个概念表示表之间的关系?()A. 外键B. 主键C. 候选键D. 索引4. 下列哪种决策方法属于定量决策方法?()A. 直觉决策法B. 经验决策法C. 线性规划法D. 逻辑推理法5. 以下哪个概念不属于数据挖掘的范畴?()A. 关联规则B. 聚类分析C. 决策树D. 文本挖掘二、填空题6. 数据模型通常包括________、________和________三个基本要素。
7. 数据库系统的核心是________。
8. 在关系数据库中,为了实现表之间的连接,通常使用________。
9. 数据挖掘的方法主要包括________、________和________。
10. 线性规划法在决策过程中主要用于解决________问题。
三、判断题11. 数据模型是数据库设计和实现的基础,它描述了数据如何存储、组织和访问。
()12. 数据库系统只能用于存储数据,不能进行数据检索和更新操作。
()13. 在关系数据库中,主键可以唯一标识表中的每一行数据。
()14. 数据挖掘是一种从大量数据中提取有价值信息的方法,它包括关联规则、聚类分析和决策树等技术。
()15. 定量决策方法主要依赖于数学模型和算法,通常比定性决策方法更加准确和有效。
()四、简答题16. 简述数据模型的作用。
17. 简述数据库系统的四个主要功能。
18. 简述数据挖掘的主要应用领域。
19. 简述线性规划法的基本原理。
五、综合题20. 设某公司销售三种产品A、B、C,每种产品的销售价格、成本和销售量如下表所示。
请根据这些数据,计算该公司每种产品的利润,并确定哪种产品的销售利润最高。
数据、模型与决策习题一、判断题(你认为下列命题是否正确, 对正确的打“√”;错误的打“×”) 1..若线性规划无最优解则其可行域无界.. ) 2.在邻接矩阵中, 全零的列所对应的点为汇点..) 3.线性规划的最优解一定是基本最优解.. )4.可行解集非空时, 则在极点上(凸多边形顶点)至少有一点达到最优....)5.基本解对应的基是可行... )6. 线性规划的最优解是基本解( )7. 可行解是基本解( )8.单纯形法计算中, 选取检验数为最大正数对应的 作为进基变量, 将使目标函数值得到最快的增长.. )9.在给定显著性水.. 下,,........ 时,拒绝即可认为 与 之间确有线性关系( ) 10.凡基本解一定是可行解.. ) 11.正反馈系统具有自我增强功能...)12.选取检验数为最小值对应的 作为进基变量, 将使目标函数值得到最快的增长...) 13.马尔柯夫链的特性为: 事物的第n 次实验结果仅取决于(n-1)次实验结果...) 14.对于非确定性问题, 无论采取何种预测方法, 也不可能得到精确的预测结果...) 15.可达矩阵表明了各点长度不大于n-1通路的可达情况.. )16.在采用层次分析法评价过程中, 由专家构造的判断矩阵也必须进行一致性检验...) 17.决策的定义是:从若干个备选方案中选择一个最优的(满意)方案, 并加以实施.. ) 18.科学决策就是依靠决策者的个人阅历、知识和智慧来对可行方案进行选择的过程. ) 19.小中取大原则—悲观原则, 是一种悲观保守的决策策略, 而大中取大原则—乐观原则才是一种积极进取的决策策....................... . )20.决策树针对的是具有风险性特征事物的一种决策方法. ) 二、填空题1 一元线性回归模型是( ), 其中 ( )是自变量, ( )是因变量, ( 和 )是( )。
y ˆk x x x ,,,212 由 , 得出 , , 其中 等于( ), 等于( ), 则用于一元线性回归模型 , 表示为( )。
《数据模型与决策》复习题及参考答案0《数据模型与决策》复习题及参考答案⼀、填空题1.运筹学的主要研究对象是各种有组织系统的管理问题,经营活动。
2.运筹学的核⼼主要是运⽤数学⽅法研究各种系统的优化途径及⽅案,为决策者提供科学决策的依据。
3.模型是⼀件实际事物或现实情况的代表或抽象。
4通常对问题中变量值的限制称为约束条件,它可以表⽰成⼀个等式或不等式的集合。
5.运筹学研究和解决问题的基础是最优化技术,并强调系统整体优化功能。
运筹学研究和解决问题的效果具有连续性。
6.运筹学⽤系统的观点研究功能之间的关系。
7.运筹学研究和解决问题的优势是应⽤各学科交叉的⽅法,具有典型综合应⽤特性。
8.运筹学的发展趋势是进⼀步依赖于_计算机的应⽤和发展。
9.运筹学解决问题时⾸先要观察待决策问题所处的环境。
10.⽤运筹学分析与解决问题,是⼀个科学决策的过程。
11.运筹学的主要⽬的在于求得⼀个合理运⽤⼈⼒、物⼒和财⼒的最佳⽅案。
12.运筹学中所使⽤的模型是数学模型。
⽤运筹学解决问题的核⼼是建⽴数学模型,并对模型求解。
13⽤运筹学解决问题时,要分析,定议待决策的问题。
14.运筹学的系统特征之⼀是⽤系统的观点研究功能关系。
15.数学模型中,“s·t”表⽰约束。
16.建⽴数学模型时,需要回答的问题有性能的客观量度,可控制因素,不可控因素。
17.运筹学的主要研究对象是各种有组织系统的管理问题及经营活动。
⼆、单选题1.建⽴数学模型时,考虑可以由决策者控制的因素是( A )A.销售数量 B.销售价格 C.顾客的需求 D.竞争价格2.我们可以通过( C )来验证模型最优解。
A.观察 B.应⽤ C.实验 D.调查3.建⽴运筹学模型的过程不包括( A )阶段。
A.观察环境 B.数据分析 C.模型设计 D.模型实施4.建⽴模型的⼀个基本理由是去揭晓那些重要的或有关的( B )A数量 B变量 C 约束条件 D ⽬标函数5.模型中要求变量取值( D )A可正 B可负 C⾮正 D⾮负6.运筹学研究和解决问题的效果具有( A )A 连续性B 整体性C 阶段性D 再⽣性7.运筹学运⽤数学⽅法分析与解决问题,以达到系统的最优⽬标。
考试题型:单选填空题名词解释计算题应用题一、填空或选择1、数据模型与决策属于数量性质的课程,侧重于讲解数据资料的搜集、描述、分析和解释,以及管理决策方法和技术方面的知识。
P12、首创“政治算术”是英国人W.配第。
P13.最早使用数学模型描述和分析经济周期现象的是挪威经济学家R.弗瑞希。
P24、管理科学主张综合运用各门学科(尤其是数学和计算机学科),为解决与定量因素有关管理问题提供制定决策的辅助性帮助。
P35、本质上数学模型属于符号模型。
P56、数学模型包括符号模型、图表模型和电子表格模型。
P57、管理决策可以分为理性决策和行为决策。
8、数据与模型共同服务于决策。
P59、运用定量方法开展决策分析要以定性分析为先导,以管理决策为根本目标,以科学方法论为指导,以数学模型为主要工具,以软件应用为辅助性手段。
P710、运用数量分析手段进行管理决策的六个步骤:1)明确对象,界定问题;2)建立决策分析模型:3)搜集数据资料:4)模型求解和检验;5)结果及额度和敏感性分析:6)形成决策分析报告。
P7。
11、统计数据资料主要有两大来源,一是直接来源,二是间接来源。
P912、普查的特征:1)定期举行:2)依法进行:3)应用广泛;4)质量控制;:5)项目增多;6)计算机介入。
P1013、抽样调查包括:简单随机抽样调查、分层随机抽样调查、整群抽样调查、系统抽样调查、双抽样调查等。
其共同点:仅对总体中的部分代表性单位进行调查,只不过在确定部分代表性单位时,采取的做法不一样。
P1114、抽样调查的特征:1)按照随机性原则确定观察单位;2)根据部分单位的调查结果,对总体进行科学推断。
3)抽样误差可以计算。
P1115、分层随机抽样调查先分层后抽样。
P1216、非随机抽样调查的样本调查资料不能用于对调查对象总体的推断分析。
P1317、非随机抽样调查包括:判断抽样调查、任意抽样调查、配额抽样调查。
P1318、利用间接资料需要注意的问题:1)结合研究和分析目的,有针对性的获取所需要的统计研究数据:2)评估间接资料的可用价值:3)注意指标的含义、口径、统计方法是否具有可比性:4)注意弥补缺失资料。
《数据模型与决策》复习题及参考答案第一章绪言一、填空题1.运筹学的主要研究对象是各种有组织系统的管理问题,经营活动。
2.运筹学的核心是运用数学方法研究各种系统的优化途径及方案,为决策者提供科学决策的依据。
3.模型是一件实际事物或现实情况的代表或抽象。
4、通常对问题中变量值的限制称为约束条件,它可以表示成一个等式或不等式的集合。
5.运筹学研究和解决问题的基础是最优化技术,并强调系统整体优化功能。
运筹学研究和解决问题的效果具有连续性。
6.运筹学用系统的观点研究功能之间的关系。
7.运筹学研究和解决问题的优势是应用各学科交叉的方法,具有典型综合应用特性。
8.运筹学的发展趋势是进一步依赖于_计算机的应用和发展。
9.运筹学解决问题时首先要观察待决策问题所处的环境。
10.用运筹学分析与解决问题,是一个科学决策的过程。
11.运筹学的主要目的在于求得一个合理运用人力、物力和财力的最佳方案。
12.运筹学中所使用的模型是数学模型。
用运筹学解决问题的核心是建立数学模型,并对模型求解。
13用运筹学解决问题时,要分析,定议待决策的问题。
14.运筹学的系统特征之一是用系统的观点研究功能关系。
15.数学模型中,“s·t”表示约束。
16.建立数学模型时,需要回答的问题有性能的客观量度,可控制因素,不可控因素。
17.运筹学的主要研究对象是各种有组织系统的管理问题及经营活动。
二、单选题1.建立数学模型时,考虑可以由决策者控制的因素是( A )A.销售数量 B.销售价格 C.顾客的需求 D.竞争价格2.我们可以通过( C )来验证模型最优解。
A.观察 B.应用 C.实验 D.调查3.建立运筹学模型的过程不包括( A )阶段。
A.观察环境 B.数据分析 C.模型设计 D.模型实施4.建立模型的一个基本理由是去揭晓那些重要的或有关的( B )A数量 B变量 C 约束条件 D 目标函数5.模型中要求变量取值( D )A可正 B可负 C非正 D非负6.运筹学研究和解决问题的效果具有( A )A 连续性B 整体性C 阶段性D 再生性7.运筹学运用数学方法分析与解决问题,以达到系统的最优目标。
一、填空、选择1.数据模型与决策属于数量性质的课程,侧重于讲解数据资料的搜集、描述、分析和解释,以及管理决策方案和技术方面的知识; P12.本质上数学模型属于符号模型; P53.数学模型包括符号模型、图表模型和电子表格模型。
P54.管理决策分为理性决策和行为决策。
5.(真题) 运用定量方法开展决策分析要以定性分析为先导,以管理决策为根本目标,以科学方法论为指导,以数学模型为主要工具,以软件应用为辅助性手段。
P76.统计数据资料主要有两大来源,一是直接来源,二是间接来源。
P97.定性资料包括定类资料和定序资料。
8.定量资料包括定距资料和定比资料。
9. (真题)相比与定距资料,定比资料拥有绝对零点(测量原点) 。
10.普查的特征: 1、定期举行 2、依法进行。
3、应用广泛 4、质量控制、5、项目增多、6、计算机介入。
P1011. (真题) 普查主要为搜集某一时点或一定时期内现象总量资料而专门组织的,一次性全面调查。
12. (真题)抽样调查包括:简单随机抽样调查、分层随机抽样调查、整群抽样调查、系统抽样调查、双相抽样调查等。
其共同特点:仅对总体中的部分代表性单位进行调查,只不过在确定部分代表性单位时,采取的做法不一样;13. (真题) 双相抽样调查先从总体中随机抽取一个较大的样本,获得第一重样本,再从第一重样本中随机抽取一个较小的样本。
P1114.(真题) 从总体 N 个单位中抽取 n 个单位组成样本时,保证每一个单位被抽出来的概率相等,这种抽样方法叫做简单随机抽样。
P1115. (真题)抽样调查的特征: 1 )按照随机性原则确定观察单位; 2 )根据部分单位的调查结果,对总体进行科学推断。
3 )抽样误差可以计算; P1116. (真题)非随机抽样调查包括:判断抽样调查,任意抽样调查,配额抽样调查; P1317. (真题)把非定量的文献史料、语言习惯等带有特征的因素设法转换成可以量化处理的数据,然后对这些数据进行定量分析并作出判断的方法叫做内容分析法; P1418.间接来源主要包括企业内部数据库、政府部门、国家统计局、专门从事数据采集的组织、产业协会和特殊利益组织和网络媒体。
1、某企业目前的损益状况如在下:销售收入(1000件×10元/件) 10 000销售成本:变动成本(1000件×6元/件) 6 000固定成本 2 000销售和管理费(全部固定) 1 000利润 1 000(1)假设企业按国家规定普调工资,使单位变动成本增加4%,固定成本增加1%,结果将会导致利润下降。
为了抵销这种影响企业有两个应对措施:一是提高价格5%,而提价会使销量减少10%;二是增加产量20%,为使这些产品能销售出去,要追加500元广告费。
请做出选择,哪一个方案更有利?(2)假设企业欲使利润增加50%,即达到1 500元,可以从哪几个方面着手,采取相应的措施。
2、某企业每月固定制造成本1 000元,固定销售费100元,固定管理费150元;单位变动制造成本6元,单位变动销售费0.70元,单位变动管理费0.30元;该企业生产一种产品,单价10元,所得税税率50%;本月计划产销600件产品,问预期利润是多少?如拟实现净利500元,应产销多少件产品?3、某企业生产甲、乙、丙三种产品,固定成本500000元,有关资料见下表(单位:元):要求:(1)计算各产品的边际贡献;(2)计算加权平均边际贡献率;(3)根据加权平均边际贡献率计算预期税前利润。
4、某企业每年耗用某种材料3 600千克,单位存储成本为2元,一次订货成本25元。
则经济订货批量、每年最佳订货次数、最佳订货周期、与批量有关的存货总成本是多少?5.有10个同类企业的生产性固定资产年平均价值和工业总产值资料如下:(1)说明两变量之间的相关方向;(2)建立直线回归方程;(3)估计生产性固定资产(自变量)为1100万元时总产值(因变量)的可能值。
6、某商店的成本费用本期发生额如表所示,采用账户分析法进行成本估计。
首先,对每个项目进行研究,根据固定成本和变动成本的定义及特点结合企业具体情况来判断,确定它们属于哪一类成本。
例如,商品成本和利息与商店业务量关系密切,基本上属于变动成本;福利费、租金、保险、修理费、水电费、折旧等基本上与业务量无关,视为固定成本。
其次,剩下的工资、广告和易耗品等与典型的两种成本性态差别较大,不便归入固定成本或变动成本。
对于这些混合成本,要使用工业工程法、契约检查法或历史成本分析法,寻找一个比例,将其分为固定和变动成本两部分。
7、某企业每年耗用某种材料3 600千克,单位存储成本为2元,一次订货成本25元。
则经济订货批量、每年最佳订货次数、最佳订货周期、与批量有关的存货总成本是多少?8、某生产企业使用A零件,可以外购,也可以自制。
如果外购,单价4元,一次订货成本10元:如果自制,单位成本3元,每次生产准备成本600元。
每日产量50件。
零件的全年需求量为3 600件,储存变动成本为零件价值的20%,每日平均需求最为10件。
下面分别计算零件外购和自制的总成本,以选择较优的方案。
9 请建立最简单的单阶段存贮模型,推导出经济批量公式,要求说明模型成立的假设条件,所用字母的经济意义,并要有一定的推理过程。
10 若某工厂每年对某种零件的需要量为10000件,订货的固定费用为2000元,采购一个零件的单价为100元,保管费为每年每个零件20元,求最优订购批量。
11 某厂对某种材料的全年需要量为1040吨,其单价为1200元/吨。
每次采购该种材料的订货费为2040元,每年保管费为170元/吨。
试求工厂对该材料的最优订货批量、每年订货次数。
12 某货物每周的需要量为2000件,每次订货的固定费用为15元,每件产品每周保管费为0.30元,求最优订货批量及订货时间。
13 加工制作羽绒服的某厂预测下年度的销售量为15000件,准备在全年的300个工作日内均衡组织生产。
假如为加工制作一件羽绒服所需的各种原材料成本为48元,又制作一件羽绒服所需原料的年存贮费为其成本的22%,提出一次订货所需费用为250元,订货提前期为零,不允许缺货,试求经济订货批量。
14 一条生产线如果全部用于某种型号产品生产时,其年生产能力为600000台。
据预测对该型号产品的年需求量为260000台,并在全年内需求基本保持平衡,因此该生产线将用于多品种的轮番生产。
已知在生产线上更换一种产品时,需准备结束费1350元,该产品每台成本为45元,年存贮费用为产品成本的24%,不允许发生供应短缺,求使费用最小的该产品的生产批量。
15 某生产线单独生产一种产品时的能力为8000件/年,但对该产品的需求仅为2000件/年,故在生产线上组织多品种轮番生产。
已知该产品的存贮费为60元/年·件,不允许缺货,更换生产品种时,需准备结束费300元。
目前该生产线上每季度安排生产该产品500件,问这样安排是否经济合理。
如不合理,提出你的建议,并计算你建议实施后可能带来的节约。
16某电子设备厂对一种元件的需求为R=2000件/年,订货提前期为零,每次订货费为25元。
该元件每件成本为50元,年存储费为成本的20%。
如发生缺货,可在下批货到达时补上,但缺货损失费为每件每年30元。
求:(1)经济订货批量及全年的总费用;(2)如不允许发生缺货,重新求经济订货批量,并同(1)的结果进行比较。
17 某出租汽车公司拥有2500辆出租车,均由一个统一的维修厂进行维修。
维修中某个部件的月需量为8套。
每套价格8500元。
已知每提出一次订货需订货费1200元,年存贮费为每套价格的30%,订货提前期为2周。
又每台出租车如因该部件损坏后不能及时更换每停止出车一周,损失为400元,试决定该公司维修厂订购该种部件的最优策略。
18 对某产品的需求量服从正态分布,已知μ=150,σ=25。
又知每个产品的进价为8元,售价为15元,如销售不完全按每个5元退回原单位。
问该产品的订货量应为多少个,使预期的利润为最大。
19 用图解法求解下列线性规划问题,并指出各问题是具有唯一最优解、无穷多最优解、无界解或无可行解。
(1) min z =6x1+4x2(2) max z =4x1+8x2st. 2x1+x2≥1 st. 2x1+2x2≤103x1+4x2≥1.5 -x1+x2≥8x1, x2≥0 x1, x2≥0(3) max z =x1+x2(4) max z =3x1-2x2st. 8x1+6x2≥24 st. x1+x2≤14x1+6x2≥-12 2x1+2x2≥42x2≥4 x1, x2≥0x1, x2≥0(5) max z =3x1+9x2(6) max z =3x1+4x2st. x1+3x2≤22 st. -x1+2x2≤8-x1+x2≤4 x1+2x2≤12x2≤6 2x1+x2≤162x1-5x2≤0 x1, x2≥0x1, x2≥020、用图解法求解以下线性规划问题:max z= x1+3x2s.t. x1+x2≤10-2x1+2x2≤12x1≤7x1, x2≥021、用图解法求解以下线性规划问题:min z= x1-3x2s.t. 2x1-x2≤4x1+x2≥3x2≥5x1≤4x1, x2≥022、按下表提供的条件绘制箭线型网络图, 计算结点时间参数,并说明作业F、I的最早结束时间和最迟开始时间;求出关键路线。
根据有关资料预测各状态发生的概率依次为0.3,0.4,0.3,请用决策树法求解此问题。
24、获得大学毕业学位的毕业生,“双向选择”时,用人单位与毕业生都有各自的选择标准和要求。
就毕业生来说选择单位的标准和要求是多方面的,例如:①能发挥自己的才干为国家作出较好贡献(即工作岗位适合发挥专长);②工作收入较好(待遇好);③生活环境好(大城市、气候等工作条件等);④单位名声好(声誉-Reputation);⑤工作环境好(人际关系和谐等)⑥发展晋升(promote, promotion)机会多(如新单位或单位发展有后劲)等。
问题:现在有多个用人单位可供他选择,因此,他面临多种选择和决策,问题是他将如何作出决策和选择?(运用AHP)1、解:(1)调资后的利润为:1000×[10-6×(1+4%)]-3000×(1+10%)=730元方案一利润为:1000×(1-10%)×[10×(1+5%)-6×(1+4%)]-3000×(1+1%)=804元方案二利润为:1000×(1+20%)[10-6×(1+4%)]-[3000×(1+1%)+500]=982元综上可知,选择方案二更有利。
(2)假设企业欲使利润增加50%,即达到1 500元,可以从以下四个方面着手。
①减少固定成本将固定成本(FC)作为未知数,目标利润1500元作为已知数,其他因素不变,代入本量利关系方程式:1500=1000×10-1000×6-FC可得FC=2500元如其他条件不变,将固定成本由3000元减少到2500元,降低16.7%,可保证实现目标利润。
②减少变动成本同上述方法,将变动成本(VC)作为未知数代入本量利关系方程式:1500=1000×10-1000×VC-3000可得VC=5.50元如其他条件不变,将变动成本由6元减少到5.50元,降低8.3%,可保证实现目标利润。
③提高售价同上述方法,将单位产品的售价(SP)作为未知数代入本量利关系方程式:1500=1000×SP-1000×6-3000可得SP=10.50元如其他条件不变,将单位产品售价由10元提升到10.50元,提高5%,可保证实现目标利润。
④增加产销量同上述方法,将产销数量(V)作为未知数代入本量利关系方程式:1500=V×10-V×6-3000可得V=1125件如其他条件不变,将产销量由1000件增加到1125件,提高12.5%,可保证实现目标利润。
2、解:预期利润=10×600-(6+0.7+0.3)×600-(1000+100+150)=550元设产销X件产品可实现净利500元则:利润总额为500÷(1-50%)=1000元10X-(6+0.7+0.3)X-(1000+100+150)=1000得X=750答:预期利润是550元。
如拟实现净利500元,应产销750件产品。
3、解:(1)甲产品的边际贡献=12000×(100-80)=240000元乙产品的边际贡献=15000×(90-75)=225000元丙产品的边际贡献=8000×(95-80)=120000元(2)甲产品销售收入=12000×100=1200000元乙产品销售收入=15000×90=1350000元丙产品=8000×95=760000元总的销售收入=1200000+1350000+760000=3310000元总的边际贡献=240000+225000+120000=585000元加权平均边际贡献率=585000÷3310000×100%=17.67%(3)预期税前利润=总的销售收入×加权平均边际贡献率-固定成本=3310000×17.67%-500000=84877元答:(1)甲产品的边际贡献为240000元,乙产品的边际贡献为225000元,丙产品的边际贡献为120000元。