土力学指标转换表
- 格式:xls
- 大小:19.50 KB
- 文档页数:2
1∙1 土的物理性质指标计算1」」土的基本物理性质指标计算与换算1.1 土的物理性质指标计算1.1.1 土的基本物理性质指标计算与换算土由固体颗粒(固相)、水(液相)和空气(气相)三部分组成,这三部分之间的比例关系随着周围条件的变化而变化,三者相互之间的不同比例.反映出土的不同物理状态.如干燥.稍湿或很湿、密实、稍密或松殺。
这些指标是最基本的物理性质指标,对于评价土的物理力学和工程性质,进行土的工程分类具有很重要的意义。
为了研究土的物理性质)就要掌握土的三个组成部分之间的比例关系。
表达这三部分之间关系的指标,称为土的物理性质指标。
土的三相物质是混合分布的■为研究阐述和计算方便.一般用图所示三相图表示,把土的固体颗粒、水、空气各自划分开来。
气体的质量比其他两部分质但小很多,一般忽略不计。
ffll-1 土的三相給成示藏图l-±Ktt; 2—水;3—空气注 E —土的总质■ (IH a m i÷ Ww);m.—土的固体.5IeLM质Ib 叫—土中水的质ILw. ------ 土中代体的ft*, Λt ft≡≡0∣V——土的总体积(V= V B t V w÷ V i);v∙—土中固体L的体积;V W—土中水所占的体釈,V a——土中空气所占的体积(V.—土中空熬的体衩(V^V e4 v w>.-S土的质量密度和重力密度土的质■密度和•力密度1. 土的质最麼度单位体积土的质量称为土的质最密度.简称土的密度■用符号F 表示,其基本表达 式为;式中∙V——土的总体积;Tn --- 土的总质量O土的密度亦可用以下換算公式计算<fP β Pd(I + S)九 τ S r e或P =I - e •"式中Pd —土的干密度(√m 3);W ---- 土的含水屋(%〉;e ---- 土的孔ffiC 比;儿——土的相对密度,S —土的饱和庚;"—蒸憎水的密度,一瑕取^ = It∕m 3C土的密度一般由试验方法(环Zi 法)直接测定.即根据特制环刀所取的土重除以环刀 的容积即得。
土的力学性质指标1.压缩系数土的压缩性通常用压缩系数(或压缩模量)来表示,其值由原状土的压缩试验确定。
压缩系数按下式计算:21211000p p e e a --⨯= (1-1) 式中 1000——单位换算系数;a ——土的压缩系数(MPa -1);p 1、p 2——固结压力(kPa ):e 1、e 2——相对应于p 1、p 2时的孔隙比。
评价地基压缩性时,按p 1为100kPa ,p 2为200kPa ,相应的压缩系数值以a 1-2划分为低、中、高压缩性,并应按以下规定进行评价:(1)当a 1-2<0.1MPa -1时,为低压缩性土;(2)当0.1≤a 1-2<0.5MPa -1时,为中压缩性土;(3)当a 1-2≥0.5MPa -1时,为高压缩性土。
2.压缩模量工程上也常用室内试验求压缩模量E s 作为土的压缩性指标。
压缩模量按下式计算:ae E s 01+= (1-2) 式中 Es ——土的压缩模量(MPa );e 0——土的天然(自重压力下)孔隙比;a ——从土的自重应力至土的自重加附加应力段的压缩系数(MPa -1)。
用压缩模量划分压缩性等级和评价土的压缩性可按表1-1规定。
地基土按E s 值划分压缩性等级的规定 表1-13.抗剪强度土在外力作用下抵抗剪切滑动的极限强度,一般用室内直剪、原位直剪、三轴剪切试验、十字板剪切试验、野外标准贯入、动力触探、静力触探等试验方法进行测定。
它是评价地基承载力、边坡稳定性、计算土压力的重要指标。
(1)抗剪强度计算土的抗剪强度一般按下式计算:τf=σ·tgφ+c(1-3)式中τf——土的抗剪强度(kPa );σ——作用于剪切面上的法向应力(kPa);φ——土的内摩擦角(°),剪切试验法向应力与剪应力曲线的切线倾斜角;c——土的粘聚力(kPa),剪切试验中土的法向应力为零时的抗剪强度,砂类土c=0。
(2)土的内摩擦角φ和粘聚力c的求法同一土样切取不少于4个环刀进行不同垂直压力作用下的剪力试验后,用相同的比例尺在坐标纸上绘制抗剪强度τ与法向应力σ的相关直线,直线交τ值的截距却为土的粘聚力c,砂土的c=0,直线的倾斜角即为土的内摩擦角切,见图6-1。
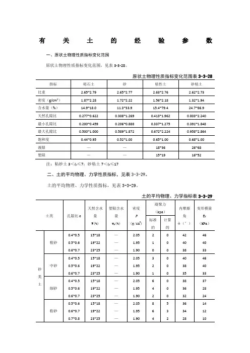
有关土的经验参数一、原状土物理性质指标变化范围原状土物理性质指标变化范围,见表3-3-28。
注:粘砂土3<I p≤7;砂粘土7<I p≤17二、土的平均物理、力学性质指标,见表3-3-29。
土的平均物理、力学性质指标,见表3-3-29。
注:①平均比重采取:砂——2.66;粘砂土——2.70;砂粘土——2.71;粘土——2.74;②粗砂和中砂的E 0值适用于不均匀系数C u ==3者,当C u >5时应按表中所列值减少。
C u 为中间值时E 0值按内插法确定;③对于地基稳定计算,采用人摩擦角φ的计算值低于标准值2°。
三、土的压缩模量一般范围值土的压缩模量一般范围值,见表3-3-3-。
1060d d 32注:砂粘土7<I p≤7;粘土I p>17四、粘性土剪强度参考值粘性土抗剪强度参考值,见表3-3-31。
注:粘砂土3<I p≤7;砂粘土7<I p≤7;粘土I p>17五、土的侧压力系数(ξ)和泊松比(u)参考值注:粘土I p>17;粉质粘土10<I p≤17;I p≤10五、变形模量于压缩模量的关系变形模量E0是指土体在无侧限条件下应力与应变之比,其中的应变包含弹性应变和塑性应变两部分。
因此,变形模量较弹性模量E小,通常在土与基础的共同作用分析中用变形模量E。
变形模量一般是通过现场载荷试验确定,一些地方通过静力触探、标贯试验与变形模量建立了经验公式。
压缩模量Es是在侧限条件下应力与应变的比值,是通过室内试验获取的参数。
两者的关系:对于软土E0近似等于Es;较硬土层,E0=βEs,β=2~8,土愈坚硬,倍数愈大。
本试卷可能用到的公式一览1. 常用的物理性质指标之间的换算公式1d wρρ=+ 1(1)s w n G w ρρ=-+(1)s r s w wG S G w ρρρ=+- (1)1s w G w e ρρ+=-(1)(1)s sat w s G G w ρρρ-=++(1)'(1)s s G g G w ργ-=+ 2. 基底应力求解max min p P G Mlb W p ⎫+=±⎬⎭3. 单位体积的渗流力w j i γ=⨯ (顺坡出流 i = sin α)4. 渗透系数测定公式常水头试验 k =VL /Aht 变水头试验 1212ln ()h aLk A t t h =--平行于分层面的渗流 i iik H k H=∑∑ 垂直于分层面的渗流i iiH k H k=∑∑5. 流土型土的(竖向)临界水力梯度(针对无粘性土的表层)(1)(1)cr s i n G =--6. 单向压缩量公式111v v sa S pH m pH pH e E =∆=∆=∆+ e-p 法 1111()()lg[]1()si zi si zi cii i si si C H e σσσσσσ++++++=++ e-lgp 法 7. 关于固结/v s w C kE γ= 2/v v T C t H = 2()2221811(1,3)vm T m U e m mππ∞-==-=⋅⋅⋅∑8. 土的抗剪强度213tan (45)2tan(45)22o o f f c ϕϕσσ=++⋅+ 231tan (45)2tan(45)22o o f f c ϕϕσσ=--⋅-313[()]u B A σσσ∆=∆+∆-∆9. 土坡稳定安全系数'cos 'sin f s T W tg F T JW Jαϕα==++10. 圆弧滑动法u s c L RF W d⨯⨯=⨯静水条件下的瑞典条分法 1212('()cos ')['(')cos ']()sin (')sin i iii iiii iii iiiiis ii iiii iiiic l W u b tg c l b h h tg F W u b b h h αϕγγθϕαγγθ+-++==-+∑∑∑∑静水条件下的毕肖普条分法1['(')']'sin i iii iiiisii iic b b h X tg m F b h γϕγα++∆=∑∑ tan cos sin iii i smF ϕαα=+11. 地基承载力按照塑性开展区确定的地基承载力012p q c f bN dN cN γγγ=++太沙基极限承载力公式012u q c f bN dN cN γγγ=++建筑地基基础设计规范中确定承载力设计值的公式0(3)(0.5)a ak b d f f b d ηγηγ=+-+-。