物资采购清单明细表
- 格式:xls
- 大小:15.50 KB
- 文档页数:3
采购清单及预算1. 引言1.1 概述在企业运作过程中,采购清单及预算的编制和管理是至关重要的环节。
采购清单是指对所需采购物品或服务进行明确列示,以便有效地组织和管理企业采购活动。
预算制定与控制则是指根据企业的经济状况和目标,合理设定和控制资金使用的计划和措施,从而确保采购行为符合财务预期。
1.2 重要性采购清单及预算的编制和管理对于企业来说具有重要意义。
首先,通过编制清晰的采购清单,可以提高对所需物品或服务的了解程度,并有助于确保准确、全面地满足各项需求。
其次,在设定预算时需要充分考虑到企业的财务实力和经营状况,这样可以更好地规划资金使用并避免财务风险。
此外,合理协调管理采购清单和预算可以优化资源配置,提高整体运作效率,并最大程度地发挥企业综合竞争力。
1.3 目的本文旨在介绍采购清单及预算的编制方法与管理原则,并探讨其在企业运作中的重要性和作用。
具体而言,我们将从采购清单的定义和作用、编制内容以及设定标准和规范等方面进行阐述。
同时,我们还将详细介绍预算制定与控制的原则、流程和监控方法。
此外,本文还将重点讨论采购清单和预算之间的协调管理及其中涉及的合理性分析与调整、比对与确认流程以及风险管理与紧急处理等关键问题。
最后,我们将对全文进行总结,并展望未来趋势及挑战。
以上是“1. 引言”部分的详细内容,通过对采购清单及预算引言部分进行详尽描述,读者可以了解到该文章主要讨论内容以及目标所在。
2. 采购清单编制2.1 定义和作用在项目实施中,采购清单是指对所需采购的物品、设备或服务进行明确的描述和列举。
采购清单的编制是为了确保项目所需物资及服务的准确供应,并能够达到项目要求。
采购清单具有以下作用:- 提供项目所需物资和服务的全面列表,以便明确需求。
- 为进一步的供应商筛选过程提供准确信息。
- 作为合同执行的基础,在供应商和项目团队之间形成共识。
- 有助于进行预算估算和控制,确保开支符合预期。
2.2 编制内容在编制采购清单时,需要考虑以下内容:1) 详细描述物品或服务:清单应包含所需物品或服务的具体描述,例如规格、数量、尺寸等。
出入库明细表和总表-概述说明以及解释1.引言1.1 概述概述部分应包括对出入库明细表和总表的简要介绍,以及为什么它们在管理和记录库存流动方面的重要性。
可以参考以下内容:概述出入库明细表和总表是在企业库存管理过程中常用的两种工具。
它们用于记录和管理物品的进出情况,并为企业提供可靠的库存盈亏信息。
出入库明细表主要用于记录每次物品的具体进出细节,而总表则是汇总和统计相关数据,并提供更直观的库存情况。
在企业日常运营中,准确记录和管理出入库情况对于维护良好的库存管理至关重要。
通过出入库明细表,企业可以清晰地了解每个物品的具体进出情况,包括进出时间、数量、来源、去向等重要信息。
这使得企业能够及时追踪库存变化,掌握库存总量和实时情况,从而更好地进行进货、销售以及生产计划的制定。
而总表则是在长时间跨度内对库存情况进行汇总和统计的重要工具。
通过对出入库明细表的数据进行分析和整理,总表可以提供更直观的库存盈亏情况。
这使得企业能够更好地了解库存的总体状况,包括库存总量、库存周转率、库存成本等重要指标。
这些数据对于企业的管理决策以及供应链的优化具有重要参考价值。
综上所述,出入库明细表和总表在企业库存管理方面发挥着重要的作用。
它们通过准确记录和清晰呈现物品的进出情况,为企业提供了实时的库存盈亏数据。
这有助于企业及时调整进货、销售和生产计划,提高库存管理效率,降低运营风险。
同时,通过总表的统计分析,可以更全面地了解库存情况,为企业的管理决策提供有力支持。
因此,在现代企业管理中,出入库明细表和总表是不可或缺的重要工具。
文章结构部分应该包括关于整篇文章的组织和主要内容的介绍。
可以按照以下方式编写该部分的内容:1.2 文章结构本文主要介绍出入库明细表和总表,并详细说明了它们各自的要点和作用。
文章结构如下:1. 引言:在引言部分,我们将会对整篇文章进行概述,介绍出入库明细表和总表的概念和背景,并说明文章的目的和意义。
2. 正文:正文部分分为两个主要的章节,分别是出入库明细表和总表。
应急物资采购方案应急物资采购方案1一、健康风险判定标准根据居民近期旅行史或居住史、目前健康状况、病例密切接触史等判断其传播疾病风险,将居民划分为三类:(一)高风险人员。
来自疫情防控重点地区和高风险地区的人员;确诊病人;疑似病人;正在实施集中隔离医学观察的无症状感染者;正在实施集中或居家隔离医学观察的密切接触者;其他需要纳入高风险人员管理的.人员。
(二)中风险人员。
来自疫情中风险地区的人员;有发热、干咳、气促、呼吸道症状的人员;实施居家观察未满14天的治愈出院确诊病人;解除医学隔离未满14天的无症状感染者;其他需要纳入中风险人员管理的人员。
(三)低风险人员。
来自疫情低风险地区的人员;高风险、中风险人员以外的人员。
二、管理措施(一)高风险人员。
来自疫情特别严重的湖北省的人员应当自到达目的地开始实行集中隔离医学观察14天。
来自其他高风险地区的人员应当自到达目的地开始实行集中或居家隔离医学观察14天。
确诊病人、疑似病人应当在具备有效隔离条件和防护条件的定点医疗机构隔离治疗至符合出院标准。
无症状感染者应当实行集中隔离医学观察14天,原则上连续两次标本核酸检测阴性(采样时间至少间隔1天)后可解除隔离。
密切接触者应当实行集中隔离医学观察,不具备条件的地区可采取居家隔离医学观察,医学观察期为与病例或无症状感染者末次接触后14天。
相关机构和社区负责对高风险人员进行严格管控。
(二)中风险人员。
来自疫情中风险地区的人员应当自到达目的地开始居家隔离医学观察14天。
治愈出院的确诊病人、解除集中隔离的无症状感染者应当居家隔离医学观察14天。
中风险人员应当严格落实居家隔离医学观察要求,自觉接受社区管理。
(三)低风险人员。
体温检测正常可出行和复工。
三、健康认证申领居民可通过申领个人健康码、健康通行卡等健康认证满足出行和复工需要。
(一)个人健康码申领。
已建立个人健康码管理平台的地区,居民通过网络平台进行个人健康码申领,系统自动按照健康风险高低审核生成红、黄、绿等三色“健康码”。
物料交货计划表编号: 工程名称: 自购? 序号:项目技术负责人(施工员): 年月日项目经理: 年月日编号: 工程名称: 自购? 序号: 项目技术负责人(施工员): 年月日项目经理: 年月日编号: 工程名称: 自购? 序号: 项目技术负责人(施工员): 年月日项目经理: 年月日月度物资采购申请计划表(使用于工具磨具、油料辅料、维修材料等) 编号:j0149a 年x月申请部门主管制表 x x x 采购部主管采购部审核人说明:一、本表一式三份,一份申请部门留底;一份采购部;一份财务部。
二、本表1至4项由申请部门填列;5至8项由采购部填列;8项由财务部填列。
申请日期:201x年x月x日篇三:物资采购计划表物资采购计划表计划号:001 工程名称:循环水35kv变电站编制单位:中国二冶第二分公司编制人:审核: 项目经理批准: 2010年8月 18日材料明细表物资采购计划表计划号:002 工程名称:循环水35kv变电站编制单位:1中国二冶第二分公司编制人:审核: 项目经理批准: 2010年8月 20日材料明细表物资采购计划表计划号:003 工程名称:循环水35kv变电站编制单位:中国二冶第二分公司编制人:审核: 项目经理批准: 2010年8月 27日篇四:物资采购计划表篇五:物料采购计划管理制度物料采购计划管理制度1目的为规范原物料需求分析、物料采购计划的制定流程,使物料采购计划既能满足生产需求又能避免库存积压,降低存货风险特制定此管理制度。
2适用范围适用于本公司物料采购计划的制定工作。
3职责3.1物控部:3.1.1负责物料采购计划的制定与审核。
3.1.2负责物料采购计划的变更与采购进度的跟催工作。
3.2采购部:3.2.1负责采购提前期、最低供应量、供应倍数的确认。
3.2.2负责物料采购计划的采购及供方的交货跟催工作。
3.3营销部:负责营销计划书及产品销售预测计划的编制。
3.3总经理:负责营销计划书及物料采购计划的批准。
中建三局成都公司物资管理细则一企业物资管理7 附录(1)物资供应商引进流程(ZJSJ-QYLC-WZ-301)(2)物资供应商考核评价流程(ZJSJ-QYLC-WZ-302)(3)区域联合集采供应商考核评价流程(ZJSJ-QYLC-WZ-303)(4)物资合同管理流程(ZJSJ-QYLC-WZ-304)(5)废旧物资处理流程(ZJSJ-QYLC-WZ-308)(6)分公司总部物资管理评价表(ZHPJ-QY-WZ-03)(7)项目部物资管理评价表(ZHPJ-XM-WZ-04)(8)项目物资采购策划表(ZJSJ-QYBD-WZ-001)(9)项目物资管理目标表(ZJSJ-QYBD-WZ-002)(10)供应商准入资格预审表(ZJSJ-QYBD-WZ-003)(11)主体资格审查表(ZJSJ-QYBD-WZ-004)(12)物资供应商考察计划表(ZJSJ-QYBD-WZ-005)(13)物资供应商考察报告(ZJSJ-QYBD-WZ-006)(14)项目物资供应商考核评价表(ZJSJ-QYBD-WZ-007)(15)物资供应商半年度评价表(ZJSJ-QYBD-WZ-008)(16)物资供应商名册(ZJSJ-QYBD-WZ-009)(17)集采物资供应商年度评价表(ZJSJ-QYBD-WZ-010)(18)集采物资供应商年度评价汇总表(ZJSJ-QYBD-WZ-011)(19)物资供应商对项目评价表(ZJSJ-QYBD-WZ-012)(20)物资合同评审会签表(ZJSJ-QYBD-WZ-013)(21)合同交底记录(ZJSJ-QYBD-WZ-014)(22)物资合同台账(ZJSJ-QYBD-WZ-015)(23)主材信息价(ZJSJ-QYBD-WZ-016)(24)辅材信息价(ZJSJ-QYBD-WZ-017)(25)物资损耗统计表(ZJSJ-QYBD-WZ-018)(26)周转材料使用情况统计表(ZJSJ-QYBD-WZ-019)(27)材料采购报表(ZJSJ-QYBD-WZ-020)(28)主材采购分类汇总表(ZJSJ-QYBD-WZ-021)(29)主材采购降低率分析表(ZJSJ-QYBD-WZ-022)(30)物资资金支付统计表(ZJSJ-QYBD-WZ-023)(31)材料成本分析表(ZJSJ-QYBD-WZ-024)(32)电器电料管理流程(ZJSJCD-QYLC-WZ-001)(33)项目物资成本检查评分表(ZJSJCD-QY-WZ-001)(34)项目物资管理实施计划基本格式及目录(35)零星材料采购询价记录(ZJSJCD-QYBD-WZ-002)(36)活动房资产管理台账(ZJSJCD-QYBD-WZ-003)(37)活动房结算单(含税价及不含税价)(ZJSJCD-QYBD-WZ-004)(38)外租料具需用计划审批单(ZJSJCD-QYBD-WZ-005)(39)料具发(收)料单(ZJSJCD-QYBD-WZ-006)(40)中建三局成都公司料具设备站站内巡视记录表(ZJSJCD-QYBD-WZ-007)(41)项目投诉建议记录表(ZJSJCD-QYBD-WZ-008)(42)料具租赁供应商月度考评表(ZJSJCD-QYBD-WZ-009)(43)料具租赁供应商巡检表(ZJSJCD-QYBD-WZ-010)(44)料具租赁供应商资料管理记录表(ZJSJCD-QYBD-WZ-011)(45)电器电料需求计划审批表(ZJSJCD-QYBD-WZ-012)(46)配电箱验收表(ZJSJCD-QYBD-WZ-013)(47)电器电料进场验收表(ZJSJCD-QYBD-WZ-014)(48)电器电料调拨登记表(ZJSJCD-QYBD-WZ-015)(49)电器电料月度报表(ZJSJCD-QYBD-WZ-016)(50)电器电料更换登记表(ZJSJCD-QYBD-WZ-017)(51)项目退场电器电料清单(ZJSJCD-QYBD-WZ-018)(52)电器电料维修记录(ZJSJCD-QYBD-WZ-019)(53)电器电料报废申请表(ZJSJCD-QYBD-WZ-020)(54)电器电料报废登记表(ZJSJCD-QYBD-WZ-021)(1)物资供应商引进流程(ZJSJ-QYLC-WZ-301)(2)物资供应商考核评价流程(ZJSJ-QYLC-WZ-302)(3)区域联合集采供应商考核评价流程(ZJSJ-QYLC-WZ-303)891011(8)项目物资采购策划表(ZJSJ-QYBD-WZ-001)项目名称:编制日期:(9)项目物资管理目标表(ZJSJ-QYBD-WZ-002)项目名称:编制日期:(10)供应商准入资格预审表(ZJSJ-QYBD-WZ-003)供应商准入资格预审表(11)主体资格审查表(ZJSJ-QYBD-WZ-004)主体资格审查表(12)物资供应商考察计划表(ZJSJ-QYBD-WZ-005)物资供应商考察计划表(13)物资供应商考察报告(ZJSJ-QYBD-WZ-006)物资供应商考察报告(14)项目物资供应商考核评价表(ZJSJ-QYBD-WZ-007)项目物资供应商考核评价表(15)物资供应商半年度评价表(ZJSJ-QYBD-WZ-008)物资供应商半年度评价表(16)物资供应商名册(ZJSJ-QYBD-WZ-009)填报单位:填报时间:编制人:审核人:20(17)集采物资供应商年度评价表(ZJSJ-QYBD-WZ-010)集采物资供应商年度评价表(18)集采物资供应商年度评价汇总表(ZJSJ-QYBD-WZ-011)集采物资供应商年度评价汇总表统计人:物资部门负责人:分管领导:说明:区域采购中心填制汇总表时,同一供应商年内执行的不同区域集采结果信息应分别罗列明细,数据来源于集采物资供应商年度评价表。
物料交货计划表编号: 工程名称: 自购? 序号:项目技术负责人(施工员): 年月日项目经理: 年月日编号: 工程名称: 自购? 序号: 项目技术负责人(施工员): 年月日项目经理: 年月日编号: 工程名称: 自购? 序号: 项目技术负责人(施工员): 年月日项目经理: 年月日月度物资采购申请计划表(使用于工具磨具、油料辅料、维修材料等) 编号:j0149a 年x月申请部门主管制表 x x x 采购部主管采购部审核人说明:一、本表一式三份,一份申请部门留底;一份采购部;一份财务部。
二、本表1至4项由申请部门填列;5至8项由采购部填列;8项由财务部填列。
申请日期:201x年x月x日篇三:物资采购计划表物资采购计划表计划号:001 工程名称:循环水35kv变电站编制单位:中国二冶第二分公司编制人:审核: 项目经理批准: 2010年8月 18日材料明细表物资采购计划表计划号:002 工程名称:循环水35kv变电站编制单位:1中国二冶第二分公司编制人:审核: 项目经理批准: 2010年8月 20日材料明细表物资采购计划表计划号:003 工程名称:循环水35kv变电站编制单位:中国二冶第二分公司编制人:审核: 项目经理批准: 2010年8月 27日篇四:物资采购计划表篇五:物料采购计划管理制度物料采购计划管理制度1目的为规范原物料需求分析、物料采购计划的制定流程,使物料采购计划既能满足生产需求又能避免库存积压,降低存货风险特制定此管理制度。
2适用范围适用于本公司物料采购计划的制定工作。
3职责3.1物控部:3.1.1负责物料采购计划的制定与审核。
3.1.2负责物料采购计划的变更与采购进度的跟催工作。
3.2采购部:3.2.1负责采购提前期、最低供应量、供应倍数的确认。
3.2.2负责物料采购计划的采购及供方的交货跟催工作。
3.3营销部:负责营销计划书及产品销售预测计划的编制。
3.3总经理:负责营销计划书及物料采购计划的批准。
医院耗材、物资和设备采购计划为保障医院发生的各类应急事件能够有序、及时处置,确保应急物资和设备供应及时、到位,物资供应渠道畅通,特制定本计划:一、成立应急物资和设备采购领导小组:组长:XXX成员:XXX二、后勤应急物资和设备采购的范围:后勤保障物资包括:行李箱、睡袋、防潮垫、手套、手电筒、铁锹、沙袋、食品、水、84消毒液、喷雾器、野外生存物资等。
三、应急物资和设备储备要求:对经常使用及保质期长的物资,总务科做长期适量储备如行李箱、睡袋、防潮垫、手套、手电筒、铁锹、沙袋等。
对保质期短且容易购置的物资与企业签订储备合同,随时调用如食品、水等。
四、应急物资和设备供应商:XXX五、应急物资和设备采购领导小组要定期对物资库进行检查,建立台账。
及时对物资和设备进行清单,对保质期短的物资及时和供应商进行调换。
2024年1月10日应急物资采购预案为做好我院应急处置工作,及时、有序、高效、妥善地处置事故、排除隐患,建立健全突发公共事件应急物资和设备保障体系,根据有关法律、法规制定本预案。
一、应急物资和设备的概念应急物资和设备是指在事故即将发生前用于控制事故发生,或事故发生后用于疏散、抢救、抢险等应急救援的工具、物品、设备、器材、装备等一切相关物资。
二、应急物资和设备的采购入库应急物资由医院应急物资和设备采购小组负责采购,必须一一填写入库清单,经验收后统一入库保管。
应急物品管理要建立专账,由专人管理。
三、应急物资和设备的储备管理(一)经检验合格的应急物资和设备,必须实行分区、分类存放和定位管理。
根据库房条件,将库房分成若干个区,按照物资的不同属性,将储存物资分成若干个大类,对每一类物资,根据其保管要求,仓储设施条件及仓库实际情况,确定具体的存放区。
为方便抢修物资存放,减少人为差错,对应急物资和设备进行编号定位,结合物资存放保管目录,把库房、货架、层次、货位四者统一编号,并附上标签,做到见单就知货物存放地点,提高工作办事效率。
采购物料计划表篇一:物资采购计划表编号:工程名称:自购□序号:项目技术负责人(施工员):年月日项目经理:年月日bb霜bb霜排行榜PBapbabb霜bb霜第一名bb霜排行榜第一名pbabb 霜怎么样pba化妆品pba化妆品怎么样编号:工程名称:自购□序号:项目技术负责人(施工员):年月日项目经理:年月日bb霜bb霜排行榜PBapbabb霜bb霜第一名bb霜排行榜第一名pbabb 霜怎么样pba化妆品pba化妆品怎么样编号:工程名称:自购□序号:项目技术负责人(施工员):年月日项目经理:年月日bb霜bb霜排行榜PBapbabb霜bb霜第一名bb霜排行榜第一名pbabb 霜怎么样pba化妆品pba化妆品怎么样bb霜bb霜排行榜PBapbabb霜bb霜第一名bb霜排行榜第一名pbabb 霜怎么样pba化妆品pba化妆品怎么样bb霜bb霜排行榜PBapbabb霜bb霜第一名bb霜排行榜第一名pbabb 霜怎么样pba化妆品pba化妆品怎么样妆品旗舰店bb霜bb霜排行榜PBapbabb霜bb霜第一名bb霜排行榜第一名pbabb 霜怎么样pba化妆品pba化妆品怎么样篇二:主要物资计划表附件8主要物资需用限(定)额数量总计划表注:本表根据《主要物资需用数量明细表》及月度施工生产计划编制,书面移交给物资部门,用于编制月度物资采购(申请计划)。
篇二:拟投入的主要物资计划园林物资材料、设备、人员进场、总工期、资源安排计划一、材料的进场计划由我单位采购的材料,将从我单位合格材料供应商中选择供货商,采购时报请业主和监理进行价格比选或认质认价。
采购程序概括为:材料计划申请→材料选样→建设、监理单位样品确认→进场报验→现场使用(绿化苗木进场前应提供图片)。
在采购材料之前将不少于3家厂商报请业主考察确认,确保实现对业主工程质量的承诺。
主要材料及设备在使用前考虑材料的生产、运输及送审检验提前定货,在使用过程中根据堆放场地情况分批进场,以保证施工需要。
物资采购技术规格书模板XX事业部XX项目XX设备采购技术规格书编制:审核:审批:编制时间:目录1、总则2、设计条件3、产品标准4、供货范围5、技术要求6、质量性能保证7、包装运输8、检验验收9、技术服务10、技术资料11、其他1、总则1.1本技术规格书针对公司XX事业部XX项目XX装置(设备)的采购,提出了相关产品的功能设计制造、供货范围、质量保证、检验验收、包装运输、技术资料及服务等方面的基本要求。
1.2本技术规格书提出的为最低限度的技术要求,并未对一切技术细节做出规定,也未充分引述有关标准和规范的条文,卖方应提供符合本技术规格书和现行工业标准的成熟、可靠、全新的产品及服务。
1.3卖方对所提供的设备、附件和附属设备的制造质量、供货、技术规格、文件图纸资料、技术服务、工程服务、包装运输、开箱检验、安装指导、现场测试、设备运行等各个环节负有完全责任。
卖方对其技术文件的所有内容负完全责任,买方在技术文件上的签字并不意味对卖方责任的解脱。
1.4卖方提供的产品及配套产品必须在中国境内有技术服务和维护能力的服务网点。
1.5本技术规格书未明确事宜,卖方应在设计过程中充分尊重买方意见,在现有国内技术水平能够达到情况下,不得以任何理由拒绝。
1.6本技术规格书中标注“*”和“△”的为重要技术条款,其中标注“*”的为否决条款,标注“△”的视偏离程度进行评分或否决。
卖方对重要技术条款必须逐条响应,并给出相关技术指标;如有与本技术规格书描述的要求不一致但能满足要求的,应论述其理由。
未明确响应的一律视为偏离。
2、设计条件2.1工程概况2.2气候水文资料2.3公用工程及现场条件2.4关键指标3、产品标准4、供货范围4.1主要装备清单4.2备件清单4.3工作范围及界面划分5、技术要求5.1通用要求5.1.1使用寿命。
装备设计寿命10(20、30)年,正产使用条件下连续运行不少于小时。
5.1.25.2设备要求5.3电气仪表要求5.4防腐及其他要求凡需油漆的装备及部件,在油漆前应对金属表面按有关技术规定进行清洁处置惩罚。
竭诚为您提供优质文档/双击可除仓库物品管理表格篇一:库房进出库物品管理专用表公司名称进出库物品管理专用登记册公司名称年月日公司名称进出库物品管理专用表设备名称物品名称:第页篇二:某公司仓库管理制度(包含各种表格)仓库管理制度1.0目的对仓库物资的储存、保护、进、出库进行有效的控制。
2.0范围适用于公司各部门及项目的仓库管理。
3.0职责3.1物资部经理负责对仓库管理进行监督检查。
3.2财务管理中心负责对仓库盘点的监盘与记账监督。
3.3仓管员负责对仓库的物品的进、出管理和帐、物的盘点与记录,并按规定对仓库进行管理。
4.0方法和过程控制4.1物资入库4.1.1仓管员和物资使用部门人员应对物资进行验收,使用部门人员对物资的质量负检验责任,仓管员对经检验合格的物资数量进行核实,由仓管员签字确认后,按指定位置摆放整齐。
4.1.2仓管员应及时将入库的物资登记到库存物资台帐,保证帐物相符。
4.1.3对急用物资使用人可经物资部经理口头同意后直接拿至现场使用,但使用部门须协助仓管员在1个工作日内办理出入库手续,仓管员及时入帐和销帐。
4.1.4非经营性的、保质期在三天以内的易变质食品不用入库,但须使用部门验收确认。
4.2仓库管理要求4.2.1仓管员根据物资的性能、品种、型号、用途、重量、包装等特点以及易挥发、易受潮物资的特性和仓库条件,把库存物资分成清洁物资、维修物资、清洁工具、维修工具、待处理物资、不合格物资、危险品等,分区摆放并做好区域标识。
4.2.1.1待处理物资包括馈赠品、回收再利用品、边角料及发展商遗留下来的物品等。
4.2.1.2不合格物资包括检验发现的物资、报废物资等。
4.2.1.3危险品包括易燃易爆物品、带毒性药物、药剂,以及强酸强碱等强腐蚀性化学品。
危险品应分区隔离摆放、分类分项进行保管,并设置明显的标识。
具体按《危险品管理办法》执行。
4.2.2所有物资应摆放整齐、分类标识,方便领取,包装标识一律向外。
:
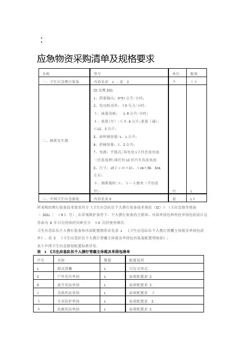
应急物资采购清单及规格要求
所采购的携行装备技术要求符合《卫生应急队伍个人携行装备技术规范(XX)》(卫应急指导便函
〔 2021 〕193号),在常规维护条件下,个人携行装备的主箱体、内部单园包和外挂单园包的设计总寿命为 5 年日历持续时间和至少60 次的使用频次.
卫生应急队伍个人携行装备和内部配置物资详见表 1 《卫生应急队伍个人携行背囊主体箱及单园包清单》、表 2 《卫生应急队伍个人携行背囊主体箱及单园包内装备配置明细表》;
表3中国卫生应急服装配置标准详见.
表 1 《卫生应急队伍个人携行背囊主体箱及单园包清单
表 2 :卫生应急队伍个人携行背囊主体箱及单园包内装备配置明细表
表3 卫生应急服装
2021标准C类指标基本安全技术要求。
技术状态文件清单
序号文件编号文件版本文件摘要或名称页数密级发布日期备注
1V1.0 技术开发合同
2V1.0 顾客需求分析报告
3V1.0 设计开发任务书
4V1.0 采购物资分类明细表
5V1.0 遥测系统原理图
6V1.0 遥测系统PCB图
7V1.0 包装图
8V1.0 结构图
9V1.0 质量保证大纲
10V1.0 通用质量特性工作计划
11V1.0 产品标准化大纲
12V1.0 风险识别评估报告
13V1.0 技术状态管理计划
14V1.0 软件开发计划
15V1.0 特性分析报告
16V1.0 关键件、重要件清单
17V1.0 产品关键件(特性)、重要件(特性)清单
18V1.0 软件概要设计、详细设计
图表记录 1
19V1.0元器件二次筛选技术要求
20V1.0关键外购/外协件技术要求
21V1.0进货检验规范
22V1.0工艺总方案
23V1.0工艺规程
24V1.0产品用户手册
25V1.0包装运输资料
26V1.0接线表
27V1.0BOM表
28V1.0项目风险管理计划
29V1.0风险识别评估报告
30V1.0风险应对计划
31V1.0软件质量保证报告
32V1.0风险应对计划实施监控报告
33V1.0软件配置管理计划
34V1.0软件需求规格说明
35V1.0软件设计说明
36V1.0软件测试说明
37V1.0软件测试计划
38V1.0软件测试报告
39V1.0软件版本说明
图表记录 2
40V1.0软件配置管理报告
41V1.0产品维修规范
图表记录 3。
防汛物资采购合同(附防汛物资清单)采购方(甲方):地址:供应商(乙方):地址:物资采购合同编号:签订地点:签订时间:甲方(采购方): XX 单位乙方(供应商): XX 水利工程养护有限公司根据《中华人民共和国合同法》及有关法律、法规的规定,甲乙放方本着平等、自愿、诚实、守信用的原则,经友好协商,签订本合同。
一、标的物名称: XX镇 xx 年防汛物资,详见投标明细表。
二、标的物计量单位、单价、暂定数量、计量方法见供货清单。
(供货数量为暂定,结算时以实际供货数量为准)。
XX镇XX年防汛物资采购供货清单三、合同价款1、暂定合同金额:大写: 元整,小写: ¥: ;2、付款方式:物资供应结束后一个星期内一次性付清。
四、质量标准(或技术指标),按招标文件要求执行。
五、交货方式、时间、地点及接货人,运输方式及费用承担1、交货方式,按下列第( 1 )项执行: (1)乙方送货;(2)乙方代运(乙方代办运输,应充分考虑甲方的要求,商定合理的运输路线和运输工具);2、交货时间:甲方确定3、交货地点:甲方指定地点4、接货人: 甲方工作人员六、验收标准、方法、地点、时间及提出异议形式及期限,按招标文件要求。
七、结算方式及时间乙方运至甲方的材料,经有验收合格后,根据供货数量,凭发票办理结算手续。
八、甲乙双方责任和义务、甲方责任和义务(1)甲方进料前,应提前 3天向乙方提报材料的需求计划、交货时间及交货地点,期间若需求计划发生变更,甲方应提前 3天通知乙方。
(2)甲方应按合同约定时间和金额付清货款,若因业主不能及时拔款的原因延误,则付款时间顺延。
(3)甲方负责组织货物的验收及工地现场抽检工作。
2.乙方责任和义务(1)按照甲方提供的需求计划、交货时间和交货地点,保证材料及时到位,保证所提供材料全部符合招标文件要求。
①乙方如未按合同约定的数量、质量或技术标准交付标的物,或者交付的标的物经质量鉴定不合格的,甲方有权解除本合同;②乙方所交产品品种、规格型号、质量不符合合同规定的,如果甲方同意利用,应当按质论价,重新定价;如果甲方不能(不愿)利用的,应根据产品的具体情况,由乙方负责包退、包换,期间产生的一切费用由乙方自行负责,并赔偿甲方因此产生的一切损失;③乙方提前(提前于需求计划交货时间)交货的产品,甲方有权拒收。
办公室的采购单登记办公用品采购单一、档案盒、资料架、文件夹、票夹、文件夹条等二、订书机、订书机图钉、回形针、剪刀、胶水、透明胶带、计算器、仪尺、笔筒等三、便利贴、记事本、A4纸、签字笔、笔芯、铅笔、削笔刀等四、(财务)账本、票据、单据、凭证、印油、印章等五、抽纸、卫生纸、烟灰缸、扫帚、拖把、垃圾袋、垃圾桶、纸杯、插座等办公室采购登记表编号:办公室采购物品制度1、目的为进一步规范办公室物品采购工作,加强采购物资管理,及时、有效地提供后勤服务保障,特制定的制度。
2、管理办法1)办公室物品主要指用于后勤服务与管理等方面的物品,包括办公设备、日常用品、接待物品和后勤服务工具等。
2)办公室物品的采购,按照先批准后购买的原则,由部门提出书面申请填写《物品申购单》,申购单中标明物品名称、数量,门负责人、综合部经理批示后交与专人统一采购,采购金额在2000元以上的,须有公司总经理签字。
3)申购人员填写《借款单》到财务部借款,物品采购金额在200元—2000元的由两人共同购买;一次性办公室物品采购金额在2000元以上的由三人共同购买。
采购人员在采购完毕后汇总所购物品明细清单、购物发票交由综合部经理审核,审核后送给财务部办理结算手续。
4)所购物品实行入库报领制度。
按照收支两条线的原则,由综合部经理指派专人分别对物品入库和领用进行登记,领用人员需注明领用日期、用途、数量等内容。
5)办公室购买的各种物品只能用于办公室工作和服务,不得私自使用或送、借他人使用。
6)各部门因工作需要,需使用公用物品的,必须履行领、借手续。
一次性办公用品的领用直接向行政文员领取,并由领用人签字确认;领、借贵重办公设备、接待物品和其他办公用品,必须经综合部经理同意,并由领用人签字确认。
领用物品未使用完或借用物品用毕应及时退还综合部,并作好物品退还登记。
7)因个人原因,造成领、借用物品丢失、损害的,由领用人照价赔偿。
因保管人员管理不善,致使物品损毁、被盗、遗失的,由保管人员照价赔偿。