木结构计算详细说明
- 格式:docx
- 大小:39.97 KB
- 文档页数:11
木结构工程工程量计算规则一、工程量计算规则1木屋架和檀条的工程量按竣工木料体积以m3计算,附属于其上的木夹板、垫木、风撑、挑檐木、檄条三角条均按竣工木料体积并入屋架、檀条工程量内。
单独挑檐木并入檀条工程量内。
檀托木、檀垫木已包括在定额项目内,不再另行计算。
2.圆木屋架上的挑檐木、风撑等设计规定为方木时,应将方木竣工木料体积乘以系数17折合成圆木并入圆木屋架工程量内。
3.简支檀木长度设计无规定时,按相邻屋架或山墙中距增加0.20m接头计算,两端出山柳条算至搏风板;连续檄的长度按设计长度增加5%的接头长度计算。
4,需要刨光的屋架、柳条在计算竣工木料体积时,应加刨光损耗,方木按一面刨光加3mm计算,两面刨光加5mm计算,圆木刨光按每m3竣工木料体积增加0.05m3计算。
5.椽子、屋面板、挂瓦条、竹帘子工程量按屋面斜面积以m2计算,屋面烟囱、人孔及斜沟所占面积不扣除。
6.封檐板工程量按设计图示檐口外围长度以m计算。
搏风板按斜长度计算,每个大刀头增加长度0.50m o7.带气楼的屋架,其气楼屋架并入所依附屋架工程量内计算。
8.屋架的马尾、折角和正交部分半屋架,并入相连屋架工程量内计算。
9钢木屋架工程量按屋架的竣工木料体积以m3计算,定额内已包括钢构件的用量,不再另行计算。
二.说明1定额中木材木种是综合取定的,木种不同时,不再调整。
2,屋架的跨度是指屋架两端上、下弦中心线交点之间的长度。
3,支撑屋架的混凝土垫块,应按第四章混凝土工程中相应定额项目计算。
4,木屋架、钢木屋架定额项目中的钢板、型钢、圆钢用量与设计不同时,按设计数量另加6%损耗进行换算,其他不再调整。
木结构工程工程量计算规则及公式
1、各类门、窗制作、安装工程量均按门、窗洞口面积计算。
2、木屋架制作安装均按设计断面竣工木料以立方米计算,其后备长度及配制损耗均不另外计算。
与屋架连接的挑檐木、支撑等,其工程量并入相应屋架竣工木料体积内计算。
屋架的马尾、折角和正交部分的半层架,应并入相连接屋架的体积内计算。
3、檩木按竣工木料以立方米计算。
简支檩长度按图示屋架或山墙中距增加200MM计算,如两端出山,檩条长度算至博风板;连续檩条的长度按设计长度计算,其接头长度按全部连续檩木总体积的5%计算。
檩条托木已计入相应的檩木制作安装项目中,不另计算。
4、木楼梯按水平投影面积计算,楼梯井宽度超过200MM时应予扣除,定额中已包括踏步板、踢脚板、休息平台和伸入墙内部分的工料,但未包括楼梯及平台底面的钉天棚。
其天棚工程量可按楼梯投影面积乘以系数1.1,按相应天棚面层计算。
木结构计算书一、设计概述本文档是对某建筑项目中使用的木结构进行计算和分析的技术说明。
木结构作为一种古老而可靠的建筑材料,具有很高的承载能力和美观性。
本文档旨在通过详细的计算和分析,确保木结构在项目中的安全可靠性。
二、结构参数1. 木材种类:选择了经过研究证明具有良好承载能力且符合项目需求的木材种类。
2. 几何形状:对木结构的各个组成部分进行了准确的测量和分析,包括梁、柱、桁架等。
3. 荷载情况:根据建筑规范和项目要求,确定了各个荷载情况,包括自重、活载、风载等。
三、梁的计算1. 梁截面的选择:根据设计要求,结合木材的强度参数,选择了适合的截面形状和尺寸。
2. 弯矩计算:根据荷载情况和梁的支座条件,计算了梁在不同截面位置的弯矩大小。
3. 梁的抗弯能力:通过与弯曲强度极限进行对比,验证了梁的抗弯能力是否满足设计要求。
四、柱的计算1. 柱截面的选择:根据设计要求和建筑规范,选择了合适的柱截面形状和尺寸。
2. 柱的稳定性:进行了柱的稳定性分析,通过计算柱的抗压能力和压力大小,验证了柱的稳定性。
3. 柱与梁的联接:对柱与梁的连接方式进行了分析和计算,确保联接的可靠性和稳定性。
五、桁架的计算1. 桁架构件的选择:根据设计要求和桁架的受力情况,选择了合适的桁架构件。
2. 桁架的稳定性:进行了桁架的稳定性分析,通过计算桁架构件的抗压能力和应力大小,验证了桁架的稳定性。
3. 桁架与梁柱的连接:对桁架与梁柱的连接方式进行了分析和计算,确保连接的可靠性和稳定性。
六、其他设计要素1. 拉索和节点的计算:对拉索和节点进行了计算和分析,确保其承载能力和稳定性。
2. 防火措施:根据建筑规范和项目要求,对木结构的防火措施进行了考虑和设计,确保安全性。
七、总结与建议根据对木结构的详细计算和分析,结合建筑规范和项目要求,木结构在本项目中具备安全可靠的承载能力。
然而,我们建议在实施过程中严格按照设计要求进行施工,并加强对木材质量和防火措施的监控。
最全木结构计算范文一、引言近年来,随着环保意识的提高和对传统建筑材料的重新审视,木结构建筑作为一种可持续发展的建筑材料备受关注。
木结构建筑具有轻质、适应性强、施工周期短、环保等优点,然而在进行木结构建筑设计及施工时,需要进行一系列的计算和分析工作,以确保建筑的安全性和稳定性。
本文将以一个实际木结构建筑为例,详细介绍木结构计算的过程和方法。
二、计算基本参数1.设计荷载:根据建筑用途和规模确定设计荷载,包括自重荷载、活荷载、风荷载等。
2.结构布局:根据建筑的功能需求,确定木结构的布置,包括柱、梁、墙等。
3.材料选择:根据设计荷载和结构布局,选择适宜的木材和连接件,确保材料的强度和稳定性。
三、木柱设计计算1.确定截面尺寸:根据设计荷载和木材特性,计算出木柱的截面尺寸。
可根据截面的抗弯承载力、抗剪承载力和稳定性进行计算。
2.计算截面抗弯强度:通过弯矩和截面惯性矩的关系,计算木柱截面的抗弯强度。
根据计算结果,选择合适的截面尺寸。
3.计算截面抗剪强度:根据设计荷载和木材性能,计算木柱截面的抗剪强度。
可以采用材料的剪切强度乘以截面面积进行计算。
四、木梁设计计算1.确定截面尺寸:根据设计荷载和木梁的跨度,计算木梁的截面尺寸。
可根据截面的抗弯承载力、抗剪承载力和稳定性进行计算。
2.计算截面抗弯强度:通过弯矩和截面惯性矩的关系,计算木梁截面的抗弯强度。
根据计算结果,选择合适的截面尺寸。
3.计算截面抗剪强度:根据设计荷载和木梁的跨度,计算木梁截面的抗剪强度。
可以采用材料的剪切强度乘以截面面积进行计算。
五、木墙设计计算1.确定墙板厚度:根据设计荷载和墙体高度,计算木墙的厚度。
可以采用墙体的弯曲刚度和弯矩的关系进行计算。
2.计算墙体的抗弯强度:通过墙体的厚度和材料的抗弯强度,计算墙体的抗弯强度。
根据计算结果,选择合适的墙体厚度。
3.计算墙体的抗剪强度:根据墙体的厚度和设计荷载,计算墙体的抗剪强度。
可以采用材料的剪切强度乘以墙体面积进行计算。
最全木结构计算木结构计算是指对木质结构的设计和计算过程。
木结构广泛应用于建筑领域,具有轻质、高强度、耐用等优点。
本文将从设计原则、计算方法和例子等方面介绍木结构计算。
首先,设计原则是进行木结构计算的基础。
木结构的设计原则包括:遵循力学平衡原理,确保结构的稳定性和安全性;合理利用材料,减小结构的重量;考虑木材的湿度因素,避免因湿润而导致木材变形和腐朽;考虑结构的施工和维护过程,确保结构的可持续发展。
其次,在进行木结构计算时,需要采用一定的计算方法。
常见的计算方法有静力学方法和有限元方法。
静力学方法适用于简单木结构的计算,例如梁、柱等。
有限元方法适用于复杂木结构的计算,例如悬挂结构、曲面结构等。
计算方法需要考虑结构的荷载、约束和形状等因素,以确定结构的稳定性和强度。
最后,以下是一个例子,展示了如何进行木结构计算。
假设有一个木制的桌子,长度为1.5米,宽度为0.8米,高度为0.7米。
现在需要计算该桌子的强度。
首先,需要确定桌子的荷载。
假设桌子上放置一个重量为50千克的物体,并假设该物体均匀分布在桌子的面积上。
则桌子的荷载为50千克除以桌子的面积,即50千克除以1.5米乘以0.8米,约为41.67千克/平方米。
______然后,需要计算木柱和木板的强度。
根据静力学方法,木柱的强度需要满足荷载的承载能力和木材的强度。
木板的强度需要满足荷载的承载能力和木材的弹性模量。
最后,根据木柱和木板的强度计算结果,确定桌子的总强度。
根据设计原则,桌子的总强度应该足够满足荷载的要求,并避免出现结构的破坏和变形。
综上所述,木结构计算是对木质结构进行设计和计算的过程。
设计原则和计算方法是进行木结构计算的基础。
通过合理确定荷载和结构,可以保证木结构的稳定性和强度。
通过以上例子,可以清楚地了解木结构计算的过程。
木结构计算书范本一、引言木结构作为一种传统的建筑结构形式,具备优良的力学性能和美观的外观,被广泛应用于建筑工程领域。
为了确保木结构的稳定性和安全性,需要进行严谨的计算和设计。
本文以某建筑项目的木结构设计为例,旨在展示木结构计算书的范本,详细介绍设计过程和各个参数的计算方法。
二、基本信息1. 结构名称:某建筑项目木结构设计2. 项目地点:XXX市3. 使用要求:满足建筑安全和稳定性要求三、受力分析与设计计算1. 水平荷载计算根据建筑所在地的风荷载标准以及建筑的高度和风力系数,确定水平荷载的设计值。
以该建筑项目为例,水平荷载设计值为X kN。
2. 竖向荷载计算根据建筑自重和使用荷载以及规范要求,计算竖向荷载的设计值。
以该建筑项目为例,竖向荷载设计值为X kN。
3. 荷载传递路径分析根据建筑结构的力学特性和施工方式,分析荷载传递路径,确定各个部位的荷载分担比例,并计算受力情况。
4. 木材选择与截面计算根据设计荷载和木材的力学性能指标,选择合适的木材材料,并进行截面计算。
按照规范的验算方法,计算木材截面的承载力和抗弯刚度以及刚度的满足程度。
5. 连接件设计计算对于木结构中的连接部分,进行设计计算。
考虑连接的承载力和强度,选择合适的连接方式,并进行强度验算。
6. 结构整体稳定性分析对木结构的稳定性进行分析和计算。
考虑结构的垂直和水平稳定性,采用相应的计算方法和参数,确保结构的整体稳定。
7. 构件尺寸计算与调整根据上述计算结果和设计要求,对木构件的尺寸进行计算和调整。
确保构件的尺寸满足强度和稳定性的要求,同时考虑建筑的美观效果。
四、结果与讨论根据上述计算,我们得到了木结构的各个参数和构件尺寸。
经过讨论和分析,我们认为该设计满足了建筑安全和稳定性的要求。
同时,结合建筑的实际情况和预算限制,我们采用了合理的设计方案,既满足了结构的力学性能,又兼顾了经济性和建筑美观效果。
五、总结通过本文的木结构计算书范本,我们展示了木结构设计的基本步骤和计算方法。
木结构工程计算书木结构工程计算书(H栋)1.设计依据1.1本工程结构设计所依据的主要规范、规程、标准及绘图标配图集如下GB50068-2001《建筑结构可靠度设计统一标准》、GB5009-2012《建筑结构荷载规范》、GB50005-2003《木结构设计规范》(2005年版)、GB50003-2011《砌体结构设计规范》、GB50223-2008《建筑工程抗震设防分类标准》、50206-2012《木结构施工质量验收规范》、GB50010-2010《混凝土结构设计规范》、GB50011-2010《建筑抗震设计规范》GB 18306-2015《中国地震动参数区划图》2.本工程相关设计等级、类别、参数如下:2.1 构设计使用年限:50年;2.2建筑防火分类:二类;耐火等级:二级;2.3抗震设防烈度:8度, 设计基本地震加速:0.3g,设计地震分组:三组;2.4建筑结构安全等级:二级;2.5建筑抗震设防类别:丙级;2.6建筑场地类别:Ⅱ类, 2.7场地特征周期:0.45S, 2.8基本风压:0.35KN/m2,地面粗糙度:B类;2.9地震影响系数最大值:小震0.24;3.0地基基础设计等级:丙级;3.1混凝土结构耐久性:按一类环境(±0.00以上)、环境二类a(±0.00以下)规定的基本要求施工3.结构计算简图及计算构件选取构件选取一层轴交轴MZΦ260, 轴上~ 轴间双梁L1 150×210,地板梁L3 150×160;二层选取轴上~ 轴间双梁L2 150×210, L4 150×210;轴上~ 轴间檩组合梁180×180+70×160+150×150进行内力计算。
屋面与水平方向最大夹角30度, cosα=0.874.材料信息本工程材料均为云南松, 强度等级为TC13 A组, 材质等级均为Ⅰa, 抗弯强度设计值fm=13N/mm2、抗压强度fc=12 N/mm2、抗拉强度ft=8.5 N/mm2、抗剪强度fv=1.5N/mm2、弹性模量E=10000 N/mm25.荷载信息5.1屋面层恒载标准值KN/m2冷摊瓦0.5椽子80×80间距250 0.30.08×0.08×2.1×6×4防水卷材0.3恒载总计 1.1活载不上人屋面0.5屋面荷载标准值P K1=1.1/ cos30°+0.5=1.76KN屋面荷载设计值P n1=1.35×1.1/ cos30°+1.4×0.5=2.4KN5.2一层楼面荷载恒载标准值KN/m2实木地板(厚35)0.21活载 3.5一层楼面荷载标准值P K2=0.21+3.5=3.7KN一层楼面荷载设计值P n2=1.35×0.21+1.4×3.5=5.2KN5.3 外墙荷载, 墙体均为360厚免烧砖, 均由基础直接承重, 木结构主体不计一层层高3.0米q=(18×0.36+0.8)×3.0=21.8KN/m二层层高2.7+1.2*0.5=3.30 q=(18×0.36+0.8)×3.3=24KN/m内墙门窗隔墙实木墙体厚606×0.06×2.6=0.94 KN/m6.计算过程6.1 屋面层檩条均有组合梁180×180+70×160+150×150 构成, 以顶梁180×180为主要受弯构件, 其余为安全储备;檩条180×180自重标准值P K3=0.18×0.18×6=0.2KN/m檩条180×180自重设计值P n3=1.35×0.18×0.18×6=0.26KN/m檩条180×180上均布荷载标准值P K4=1.25P K1+ P K3=1.25×1.76+0.2=2.4 KN檩条180×180上均布荷载设计值P n4=1.25 P n1+ P n3=1.25×2.4+0.26=3.3KN轴力R A1=R B1= ql /2=0.5×3.3×4=6.6 KN剪力V A1=R A1=6.6 KN V B1=-R B1=-6.6 KN1ql2= 3.3×42/8=6.6KN.m弯矩 Mmax=8受弯构件净截面抵抗矩W= bh2/6=0.18×0.182/6=1.0×10-3m3抗弯承载力M/Wn=6.6/1.0×10-3×103=6.6N/mm2<13N/mm2满足要求檩条在木柱支端切削后截面为70×180由《木结构设计规范》第5.2.5条: ×()=(3*6.6×(0.18/0.18))/(2×0.07×0.18×103)=0.8N/mm2<1.5N/mm2满足要求变形验算,矩形截面全截面惯性矩I=bh3/12=0.18×0.183/12=0.9×10-4m4W=5ql4/384EI=5×2.4×44/(384×104×0.9×10-4)=8.9mm<l/250=4000/250=16.0mm满足要求其余梁在木柱支端轴力标准值R Ak2=R Bk2= ql /2=(0.07×0.16+0.15×0.15)×6×4/2=0.4 KN 其余梁在木柱支端轴力设计值R A2=R B2= 1.35 R Ak2=1.35×0.4=0.54KN6.2 二层屋顶L2 150×210 内力计算如下L4 150×210在木柱支端轴力标准值R Ak3=R Bk3= ql /2= 0.5×0.15×0.21×1.1×6=0.1KNL4 150×210在木柱支端轴力设计值R A3=R B3= 1.35 R Ak3=1.35×0.1=0.14 KN其上木柱Φ200自重标准值P K5=3.14×0.12×0.57×6=0.1KN其上木柱Φ200自重设计值P n5=1.35 P k5=1.35×0.1=0.14 KN/mL2 150×210上集中荷为F k=2R Ak1+2R Ak2+R Ak3+0.1=0.5×2.4×4.0×2+0.4×2+0.1+0.1=10.6KNF n=2R A1+2R A2+R A3+0.14=6.6×2+0.54×2+0.14+0.14=14.5KNL2 150×210为双梁, 以顶梁为主要受弯构件, 其余梁为安全储备;L2 150×210 自重标准值P K6=0.15×0.21×6×2=0.38 KNL2 150×210 自重设计值P n6=1.35 P k6=1.35×0.38=0.5 KN轴力标准值RAk4=R Bk4= F/2+ql/2=10.6/2+0.38×2.2/2=5.72KN轴力RA4=R B4= F/2+ql/2=14.5/2+0.5×2.2/2=7.8KN剪力V A4=R A4=7.8KN V B4=-RB4= -7.8KN弯矩Mmax=Fl/4+ql 2/8=14.5×2.2/4+0.5×2.22/8=8.28KN.m 受弯构件净截面抵抗矩 Wh=bh 2/6=0.15×0.212/6=1.1×10-3m 3抗弯承载力M/Wh=8.28/1.1×10-3×103=7.53N/mm 2<13N/mm 2满足要求 受弯构件在木柱支端切削后截面为 70×210bhn V 23×(hnh )=(3×7.8×(0.21/0.21))/(2×0.07×0.21×1000)=0.8N/mm 2<1.5mm 2满足要求 变形验算矩形截面惯性矩I=bh 3/12=0.15×0.213/12=1.16×10-4m 4Wmax=Fl 3/48EI+5ql 4/384EI=10.6×2.23/(48×104×1.16×10-4)+5×0.38×2.24/(384×104×1.16×10-4)=2.1<l/250=2200/250=8.8mm 满足要求6.3 一层 轴线上 - 轴间双梁L1 150×210内力计算如下, 地板梁L3 150×160, 间距550其自重标准值P K7=0.15×0.16×6=0.14KN 自重设计值P n7=1.35 P k7=1.35×0.14=0.20 KN轴力标准值 RAk5=R Bk5=ql/2=0.5×(3.7×0.55+0.14)×4.0=4.35KN 轴力RA5=R B5=ql/2=3.1×4/2=6.2KN剪力V A5=R A5 =6.2KN;V B5=-R B5=-6.2KN弯矩Mmax=ql2/8=3.1×42/8=6.2KN.m受弯构件净截面抵抗矩Wn=bh2/6=0.15×0.162/6=0.64×10-3m3抗弯承载力M/Wn=6.2/0.64×10-3×103=9.7 N/mm2<13 N/mm2满足要求剪切面以上的截面面积对中性轴的面积矩S=bh2/8=0.15×0.162/8=4.8×10-4 mm3矩形截面全截面惯性矩I=bh3/12=0.15×0.163/12=0.51×10-4m3地板梁抗剪承载力Vs/Ib=6.2×4.8×10-4/(0.51×10-4×0.15×1000)=0.4N/mm2<1.5N/mm2满足要求变形验算, 一层楼面荷载标准值q=3.7×0.55+0.14=2.2KN/m矩形截面全截面惯性矩I=bh3/12=0.15×0.163/12=0.51×10-4m3W=5ql4/384EI=5×2.2×44/(384×104×0.51×10-4)=14.4<l/250=4000 /250=16 mm满足要求6.4一层轴上- 轴间L1 150×210为双并梁, 以顶梁为主要受弯构件其自重标准值P K8=0.15×0.21×6×2=0.38KN其自重设计值P n8=1.35 P K8=1.35×0.38=0.5KN轴力R A6=R B6= 3F/2+ ql/2=3×12.4/2+0.5×0.5×2.2=19.15KN剪力V A6=R A6=19.15 ;V B6=-R A6= -19.15KN弯矩Mmax=FL/2+ql2/8=12.4×2.2/2+0.5×2.22/8=13.94KN.m受弯构件截面抵抗矩Wn=bh2/6=0.15×0.212/6=1.1×10-3mm3抗弯承载力 M/Wn=13.94/1.1×10-3×103=12.6N/mm 2<13N/mm 2满足要求 受弯构件抗剪承载力计算受弯构件在木柱支端切削后截面为 95×210bhn V 23×(hnh )=(3×19.15×(0.21/0.21))/(2×0.095×0.21×1000)=1.44N/mm 2<1.5 N/mm 2满足要求 变形验算矩形截面全截面惯性矩I=bh 3/12=0.15×0.213/12=1.16×10-4m 4Wmax=19Fl 3/384EI+5ql 4/384EI=19×2×4.35×2.23/(384×104×1.16×10-4)+5×0.38×2.24/(384×104×1.16×10-4)=4.05<l/250=2200/250=8.8 mm 满足要求 6.5 轴交 轴木柱Φ260为轴心受压构件, 内力计算如下: 按强度验算An=πR 2-0.095×0.26=3.14×0.132-0.095×0.26=0.03m 2 木柱自重设计值P n9=3.14×0.132×6.9×6×1.35=3.0KN/mN=2(R A1+R A2+R A3+R A4+R A5+R A6)+3.0=2×(6.6+0.54+0.14+7.8+6.2+19.15)+3.0=83.8 KN N/An=83.8/0.03×103=2.8N/mm 2<12N/mm 2满足要求 按稳定验算木柱惯性矩 I=πd 4/64=3.14×0.264/64=2.2×10-4m 3 A=πR2=3.14×0.132=0.053m 2ⅰ= =0.064受压构件两端铰接, 长度系数为1 λ=lo/ⅰ=6.9/0.064=108>91, λ<[λ]=120因缺口不在边缘Ao=0.9A=0.9πR 2=0.9*3.14*0.132=0.05mm 2 φ=2800/λ2=2800/1082=0.24N/φAo=83.8/(0.24×0.05×1000)=7N/mm 2<12 N/mm 2满足要求。
木结构计算书范本(1)一、引言木结构作为一种传统的建筑结构形式,具有轻巧、环保、美观等优点,在现代建筑中得到了广泛的应用。
为了确保木结构的设计和计算的准确性,本文给出了一份木结构计算书范本,以供设计师和工程师参考使用。
二、背景介绍木结构的计算书是为了满足工程建设中对木结构设计合理性、可靠性的要求而编制的一份文件。
它包含了对木结构各构件进行设计和计算的具体要求和方法,确保在各种荷载作用下,木结构能够安全可靠地承受力学效应。
三、计算书内容3.1 结构基本信息木结构计算书首先需要提供结构的基本信息,包括建筑的位置、功能、设计规范等。
此外,还需提供建筑的整体布局、建筑物尺寸、木材种类和规格等信息。
3.2 荷载计算接下来,需要对木结构的荷载进行计算。
包括自重、使用荷载、风荷载、雪荷载等。
通过合理的荷载计算,可以确定木结构设计的主要参数,确保结构能够满足使用要求。
3.3 受力分析在荷载计算的基础上,对木结构的受力进行分析。
通过将结构按照不同的受力方式进行划分,计算每个部分的受力情况,以确定其稳定性和强度。
3.4 构件设计在受力分析的基础上,需要对木结构中的各个构件进行设计。
包括墙体、梁、柱等。
通过计算和选择合适的木材规格、连接方式和支撑形式,确保木结构构件能够承受所需的荷载。
3.5 连接设计木结构中的连接设计对于整个结构的稳定性和可靠性至关重要。
计算书需要指明连接的类型、计算方法和设计要求,并提供连接件的选型表和构件连接示意图。
3.6 抗震设计为了提高木结构的耐震性能,计算书还需要包含抗震设计的相关内容。
通过给出结构的抗震等级、抗震措施和强度验算等,确保木结构在地震条件下不发生倒塌或严重损坏。
3.7 构造施工和防火设计最后,计算书还需要包含木结构构造施工和防火设计的内容。
确保结构的施工符合相关规范和要求,并采取合适的防火措施,提高木结构的安全性和耐久性。
四、总结本文以木结构计算书范本为主题,介绍了木结构计算书的基本内容和要求。
第四章 木结构构件的计算第一节 计算公式木结构构件在各种受力情况下,按表4.1.1所列的公式进行计算。
表4.1.1木构件的计算公式6364 第二节 轴心受拉和轴心受压构件一、轴心受拉构件轴心受拉构件的承载能力应按下式验算:t nf A N≤ (4.2.1) 式中 N —— 轴心拉力设计值(N ); f t —— 木材顺纹抗拉强度设计值(N/mm 2); A n —— 受拉构件的净截面面积(mm 2)。
计算A n 时应将分布在150mm 长度上的缺孔投影在同一截面上扣除,如图4.2.1所示。
图4.2.1 受拉构件净截面面积二、轴心受压构件轴心受压构件的承载能力应按下列规定进行计算:1.轴心受压构件的承载能力应分别按强度和稳定性进行验算。
按强度验算: c nf A N≤ (4.2.2) 按稳定验算:c f A N≤0ϕ (4.2.3) 式中 N —— 轴心压力的设计值(N );c f —— 木材顺纹抗压强度设计值(N/mm 2); ϕ —— 轴心受压构件的稳定系数; n A —— 受压构件的净截面面积(mm 2);65图4.2.2 受压构件缺口示意图0A —— 验算稳定时截面的计算面积(mm 2),按下列规定采用:(1)无缺口时,取 0A =AA —— 受压构件的全截面面积(mm 2)。
(2)缺口不在边缘时(图4.2.2a),取 0A =0.9A ;(3)缺口在边缘且为对称时(图 4.2.2b),取0A =n A ;(4)缺口在边缘但不对称时(图 4.2.2c),取0A =n A ,且应按偏心受压构件计算。
注:验算稳定时,螺栓孔不作缺口考虑。
2.轴心受压构件的稳定系数应根据不同树种的强度等级按下列公式计算。
(1)树种强度等级为TC17、TC15及TB20的方木或均匀密布的规格材墙骨柱时: 当λ≤75时2)80/(11λϕ+= (4.2.4)当λ>75时23000λϕ=(4.2.5)(2)树种强度等级为TC13、TC11、TB17、TB15、TB13及TB11的方木或单根规格材立柱时: 当λ≤91时2)65/(11λϕ+= (4.2.6)当λ>91时22800λϕ=(4.2.7)式中 ϕ —— 轴心受压构件的稳定系数:λ —— 构件的长细比。
木结构工程工程量计算规则及公式一、木材工程量计算:1.木材体积计算:根据实际情况测量木材的长度、宽度和高度,然后根据计算公式计算木材的体积。
2.木材截面积计算:根据实际情况测量木材的宽度和高度,然后根据计算公式计算木材的截面积。
3.木材面积计算:根据实际情况测量木材的长度、宽度和厚度,然后根据计算公式计算木材的面积。
二、木结构构件工程量计算:1.木结构构件数量计算:根据实际情况测量木结构构件的长度、宽度和高度,然后根据计算公式计算木结构构件的数量。
2.木结构构件体积计算:根据实际情况测量木结构构件的长度、宽度和高度,然后根据计算公式计算木结构构件的体积。
三、配件工程量计算:1.木结构配件数量计算:根据实际情况测量木结构配件的长度、宽度和厚度,然后根据计算公式计算木结构配件的数量。
2.木结构配件体积计算:根据实际情况测量木结构配件的长度、宽度和厚度,然后根据计算公式计算木结构配件的体积。
四、人工工程量计算:1.木结构工人数量计算:根据实际情况确定木结构项目所需要的工人数量,然后根据计算公式计算人工工程量。
2.木结构工人工作时间计算:根据实际情况确定木结构项目所需要的工人工作时间,然后根据计算公式计算人工工程量。
五、机械设备工程量计算:1.木结构施工机械设备数量计算:根据实际情况确定木结构项目所需要的机械设备数量,然后根据计算公式计算机械设备工程量。
2.木结构施工机械设备使用时间计算:根据实际情况确定木结构项目所需要的机械设备使用时间,然后根据计算公式计算机械设备工程量。
在木结构工程量计算过程中,需要根据具体的项目要求和实际情况确定相应的计算公式,并进行合理的计算。
同时,还要考虑施工中的浪费和损耗等因素,以确保工程量计算的准确性和可靠性。
木结构计算书范本(1)(正文开始)计算书编号:2021-XXX计算书名称:木结构计算书范本(1)编制日期:2021年XX月XX日编制单位:XXX设计院1. 引言木结构作为一种重要的建筑结构形式,在建筑设计中得到了广泛的应用。
为了确保木结构的安全性和可靠性,合理的计算和设计是必要的。
本文旨在提供一份木结构计算书范本,为工程设计提供参考。
2. 工程概况本工程为某某建筑项目,位于某某地区,建筑类型为某某用途。
主体结构采用木结构形式,竖向承重结构采用柱+梁形式。
本计算书主要针对某某木结构设计进行计算。
3. 荷载标准根据《建筑荷载规范》GB 50009-XXXX,本计算书采用了以下设计荷载:- 永久荷载:包括结构自重、楼板活荷载、仪器设备等;- 可变荷载:包括人员活荷载、雪荷载、风荷载等;- 地震作用:根据地震烈度等级确定设计地震系数。
4. 性能要求根据工程实际要求及相关规范,对木结构的性能要求如下:- 承载力要求:确保结构的强度和刚度满足使用要求;- 建筑物整体性与稳定性:确保木结构与其他结构组合形成一个整体;- 抗震性能要求:确保木结构在地震作用下具有一定的抗震能力。
5. 材料特性本计算书采用的木材材料特性如下:- 木材种类:根据设计要求选用了XXX木材;- 密度:XXX kg/m³;- 抗折强度:XXX MPa;- 抗压强度:XXX MPa;- 抗拉强度:XXX MPa;- 抗剪强度:XXX MPa。
6. 结构计算6.1. 构件尺寸计算根据设计要求和荷载标准,进行构件尺寸计算,包括柱截面尺寸、梁截面尺寸等。
计算过程中考虑到木材的强度、稳定性等因素,确保构件满足力学和建筑要求。
6.2. 承载力计算根据构件几何形状、荷载情况和材料特性,进行承载力计算。
包括抗弯承载力计算、抗压承载力计算、抗剪承载力计算等。
确保构件在荷载作用下不发生破坏,并满足设计要求。
6.3. 刚度计算根据结构整体要求和约束条件,进行刚度计算。
木结构工程工程量计算规则木结构工程工程量计算是指根据工程设计图纸和施工方案,通过对工程所需木材的数量进行统计和计算,确定所需材料的种类、规格和数量,以便于制定出合理的采购计划和施工方案。
下面将详细介绍木结构工程工程量计算的规则。
一、计算依据:1.设计图纸:根据设计图纸中对木结构工程的设计要求和详图,确定所需材料的种类、规格和数量。
2.施工方案:根据施工方案确定了工程的施工组织和施工方法,确定木材的使用量。
二、计算流程:1.测量和计算主体工程的尺寸:依据设计图纸上的标注,对主体结构的尺寸进行测量,并进行记录。
2.计算木材的截面积:根据设计图纸中所规定的木材的截面尺寸,计算出木材的截面积。
3.计算木材的长度和数量:根据测量的尺寸和设计图纸中规定的木材长度,计算出每根木材的长度,并根据需要计算出所需木材的数量。
4.计算各种木材的总量:对于不同种类和规格的木材,分别按照上述第3点中的计算方法进行计算,然后将其总和得到各种木材的总量。
5.计算木材的总数量:将各种木材的总量相加,得出所有木材的总数量。
6.计算木材的总重量:根据木材的密度和数量,计算出木材的总重量。
7.计算木材的采购成本:根据所需木材的种类、规格、数量和市场价格,计算出木材的采购成本。
8.编制木结构工程工程量清单:将上述得出的各项数据整理编制成木结构工程工程量清单,以便于施工过程中的采购和施工进度的控制。
以上是木结构工程工程量计算的基本规则和流程。
根据实际工程的具体情况和设计要求,还需要根据相关技术规范和标准进行相应的调整和计算。
在实际操作中,还需要注意对工程材料的浪费和损耗进行合理的考虑,以确保工程的质量和进度。
总之,在进行木结构工程工程量计算时,需要准确把握设计图纸和施工方案的要求,合理选择计算方法和考虑材料的损耗率,严格按照规定的步骤进行计算,以确保计算结果的准确性和可靠性,为工程的顺利施工提供有力的保障。
最全木结构计算范文木结构计算是指对木材梁柱轴力和弯矩进行计算的过程,以确保木结构的稳定和安全。
下面将详细介绍木结构计算的各个方面。
1.材料力学性能计算:首先,需要计算木材的弹性模量、抗弯强度、抗压强度、抗拉强度等力学性能。
这些性能是根据木材的种类和等级来确定的,通常可以从相应的技术标准中获取。
例如,美国木材材料与试验协会(ASTM)和国际木结构协会(IWC)都提供了相关的标准。
2.梁柱设计计算:基于材料的力学性能,可以进行木梁和木柱的设计计算。
对于木梁来说,需要计算其弯曲和剪切应力,以及对应的曲率和转角。
通常可以使用梁的弯曲理论来进行计算,例如欧拉-伯努利梁理论或柯西梁理论。
对于木柱来说,需要计算其压缩和抗弯强度。
通常可以使用柱的稳定理论来进行计算,例如欧拉柱理论或承载力比理论。
3.连接设计计算:在木结构中,连接件起着连接和传递力的作用。
连接件的设计计算通常包括螺栓、钉子、木榫等。
连接件的设计应符合相应的技术标准,如美国木结构设计规范(NDS)或欧洲木结构设计规范(EC5)。
在连接设计的计算过程中,要考虑连接件的拉伸、剪切和压缩等力学性能,以及连接件和木材之间的摩擦力和剪切强度。
4.荷载计算:在木结构设计中,需要考虑各种荷载,包括永久荷载、活荷载、风荷载、地震荷载等。
这些荷载可以通过结构设计标准和建筑规范来确定。
对于静态荷载,可以使用荷载组合法进行计算;对于动态荷载,可以使用相关的荷载谱进行计算。
同时,还需要考虑木结构的变形和振动等影响因素。
5.稳定性计算:木结构的稳定性计算是指对结构的整体稳定性进行评估和设计。
对于单层结构来说,可以使用欧拉理论和其它稳定性理论进行计算;对于多层或复杂结构来说,通常需要使用弹性层合理论或有限元方法等更复杂的计算方法。
最后需要指出,以上木结构计算的介绍只是一个概述,实际的木结构设计和计算过程要更为复杂。
此外,为了确保木结构的安全和可靠,建议请专业的结构工程师进行设计和计算。
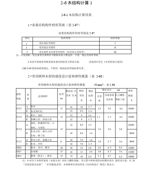
2-6 木结构计算1
2-6-1木结构计算用表
1.承重结构构件材质等级(表2-97)
承重结构构件材质等级表2-97
注:1•屋面板、挂瓦条等次要构件可根据各地习惯选材,不统一规定其材质等级。
2.本表中的材质等级系按承重结构的受力要求分级,其选材应符合《木结构设计规范》
GBJ 5-88材质标准的规定,不得用一般商品材等级标准代替。
2.常用树种木材的强度设计值和弹性模量(表2-98)
常用树种木材的强度设计值和弹性模量(N/mm2)表2-98
注:1•对位于木构件端部(如接头处)的拉力螺栓垫板,其计算中所取用的木材横纹承压强度设计值,应按“局部表面及齿面”一栏的数值采用。
木材树种归类说明见《木结构设计规范》附录五。
1因新的木结构设计规范尚未岀版,此处仍按“木结构设计规范”(GBJ 5-88)编写。
2 •当采用原木时,若验算部位未经切削,其顺纹抗压和抗弯强度设计值和弹性模量可提高15%。
3•当构件矩形截面短边尺寸不小于150mm时,其抗弯强度设计值可提高10%。
4 •当采用湿材时,各种木材横纹承压强度设计值和弹性模量,以及落叶松木材的抗弯强度设计值宜降
低10%。
5.在表2-99所列的使用条件下,木材的强度设计值及弹性模量应乘以该表中给出的调整系数。
木材强度设计值和弹性模量的调整系数表2-99
注:.仅有恒荷载或恒荷载所产生的内力超过全部荷载所产生的内力的时,应单独以恒荷载进行验算。
2 •当若干条件同时出现,表列各系数应连乘。
木材强度检验标准见表2-100。
木材强度检验标准表2-100
注:•检验时,应从每批木材的总根数中随机抽取根为试材,在每根试材髓心以外部分切取3个试件为一组,根据各组平均值中最低的一个值确定该批木材的强度等级。
2 •试验应按现行国家标准《木材物理力学性能试验方法》进行。
并应将试验结果换算到含水率为12%
的数值。
3•按检验结果确定的木材强度等级,不得高于表2-98中同树种木材的强度等级。
对于树名不详的木材,应按检验结果确定的等级,采用表2-98中该等级B的设计指标。
3.新利用树种木材的强度设计值和弹性模量(表2-101 )
新利用树种木材的强度设计值和弹性模量(N/mm2)表2-101
注:杨木和拟赤杨的顺纹强度设计值和弹性模量可按
TB11级数值乘以0.9采用;横纹强度
设计值可按TB11级数值乘以0.6采用。
若当地有使用经验,也可在此基础上做适当调整。
4 .受弯构件容许挠度值(表2-102 )
受弯构件容许挠度值 表2-102
注:I ――受弯构件的计算跨度。
5 .受压构件容许长细比(表 2-103 )
受压构件容许长细比
表2-103
6 .轴心受压构件稳定系数
轴压构件稳定系数©值:
(1)强度等级为TC17、TC15及TB20的木材
当入w 75时
1
1 (―)2
80
(2-11a)
入〉75时
3000
2
(2-11b) (2)强度等级TC13、 T C11、TB17、TB15 的木材 当入w 91时
1 (2-12a)
1 ( )2
65
入〉91时
2800
2
(2-12b)
式中入——构件的长细比。
构件的长细比,不论构件截面上有无缺口,均按下式计算:
启l o /i
( 2-13)
式中lo ——受压构件的计算长度(mm );
i -- 构件截面的回转半径(mm ); I -- 构件的毛截面惯性矩(mm 4
); A --- 构件的毛截面面积(mm 2)。
受压构件的计算长度,应按实际长度乘以下列系数:
两端铰接
1.0
一端固定,一端自由 2.0 一端固定,一端铰接
0.8
7 .原木、方木截面的几何及力学特性表(表 2-104、表2-105 )
(1)原木和半原木截面的几何及力学特性公式表
表2-104
\断
计\形 算\狀 数
\
A
Lr
y 1
y
J
y
y
T ,i,a jh-
li
-4
戡面高度
d
(k 兀5屮
d
0.393护
0.779d 2
0.933d 0*763带 3.943d 0*773屮 0.866</
0.704J 2
(2-14)
(2)矩形截面的几何及力学特性表表2-105
&桁架最小高跨比(表2-106 )
桁架最小高跨比表2-106
注:h――桁架中央高度;
I――桁架跨度。
9 .螺栓连接和钉连接中木构件的最小厚度(表2-107 )
木构件连接的最小厚度表2-107
注:c――中部构件的厚度或单剪连接中较厚构件的厚度;
a——边部构件的厚度或单剪连接中较薄构件的厚度;
d——螺栓或钉的直径。
2-6-2木结构计算公式
1 .木结构构件计算(表2-108)
木结构构件计算表2-108
注;表中符号
2 .木结构连接计算(表2-109 )
木结构连接计算表2-109
N ——轴向拉力或轴向压力设计值; M ——弯矩设计值;
V —剪力设计值; w ——受弯构件的挠度]
叭——轴心受拉应力设计值7 叭 --- 轴心受压应力设计值i ——受弯应力设卄值I
r ——墨翦应力设i+<i
人一木材顺纹抗拉强度设计值;
/£——木材滾纹抗压及承压强度设计值; 『僅——木材抗弯强度设计值F
A ——木材顺纹抗剪强度设计值; [w]——受弯构件容许挠度值:
A ---- 毛截面面积;
A n ——净載面面积, A o 一一截面的计算面积;
I ——毛截面惯性矩; S ——毛截面面积矩|
TV n ——净截面抵抗矩:
b —極面宽度;
护——轴心受压构件號定系数常 护融——弧形木构件抗琴强度惬正黑数。
注:表屮符号
—木材斜纹祇览强度设if值(N/mr/h
叭 -- 抽心受压应为设计值(N/mm2)i
N—轴心压力设计值(N);
A e --- 齿的承压面积(mnP);
人一木材额纹抗J!强度设计值⑴/mm’)*
T -- 受剪应力设计值(N/mm2);
V—剪力设计值(N"
仁一剪面计算长度,不得大干冃倍齿深牍;
叭「一剪聞宽度;
庆——再虑沿剪面长度剪应力分布不匀的强度降低罢数:
汽卜一保险螺哙所承受的拉力设计值;
°——上弦与下弦的夹甫c)i
凶、一毎一剪料的设计承载力Z$
f c——木材傾统承压强度设计值(N/nudn
d—螺栓或钉的直径(mm);
X——螺栓或钉连接设计承载力的汁算系救克。