《微波技术与天线》实验指导书
- 格式:doc
- 大小:233.50 KB
- 文档页数:20
第一部分微波技术与天线实验实验一微波功率与频率的测量一、实验目的1.了解微波测量系统的组成、测试仪器的工作原理及测试方法。
2.学会用波长计谐振吸收法测频率,掌握吸收式波长计测取频率值的原理和方法。
3.学会用微瓦功率计测功率。
二、实验要求1.充分作好实验前的预习和准备工作,写出预习报告。
2.实验应严格按照仪器使用说明、测量方法和实验步骤进行操作。
三、预习报告要求1.画出实验仪器和器件连接框图。
2.简述实验目的、实验原理和方法。
3.写出实验步骤,画出数据表格。
四、实验注意事项1.开机前必须将信号源的衰减器置于较大衰减量,否则易烧坏器件。
(注意:面板标注“功率”,则向左旋,衰减增大;面板标注“衰减”,则向右旋,衰减增大。
)2.拆接器件时,将信号源工作方式置“外调制”,不要随意关电源。
3.连接器件时,注意波导口方向。
五、实验原理微波信号发生器是由高频部分、调制部分、功率指示器部分、频率显示及衰减显示部分组成。
高频部分是由体效应振荡器、截止式衰减器二个单元组成。
体效应振荡器采用砷化镓体效应二极管作为振荡管,在外加直流偏压的瞬时,所产生的尖峰脉冲电流能量,被不断用来激发谐振腔。
当高频电源送来高频电压加到体效应管上,在谐振腔产生相应射频电压,腔体的输出耦合孔直接耦合输出,经过环流器送到调制器与脉冲形成电路进行调制,从而完成对微波信号的脉冲调幅,工作状态选择电路控制输出状态。
当工作状态选择按键置“等幅”时,信号源输出微波信号,输出功率可直接用微瓦功率计测得,输出信号频率可用外接的波长计测得,也可校对信号源频率显示是否准确。
当工作状态选择按键置“方波”或“脉冲”时,则输出微波调幅信号。
仪器采用PIN调制器来实现微波信号的脉冲幅度调制,整个调制部分是由一套脉冲形成电路及一个PIN调制器构成,由脉冲形成电路产生一系列的脉冲信号,驱动PIN 调制器,从而完成对微波信号的脉冲调制。
图1-1 简单的微波测量系统框图六、实验系统简介一般常用的微波测量系统如图1-1所示。
微波技术与天线实验指导书南京工业大学信息科学与工程学院通信工程系目录实验一微波测量系统的熟悉和调整 - 2 -实验二电压驻波比的测量 - 9 -实验三微波阻抗的测量与匹配 - 12 -实验四二端口微波网络阻抗参数的测量 - 17 -实验一微波测量系统的熟悉和调整一、实验目的1. 熟悉波导测量线的使用方法;2. 掌握校准晶体检波特性的方法;3. 观测矩形波导终端的三种状态(短路、接任意负载、匹配)时,TE10波的电场分量沿轴向方向上的分布。
二、实验原理1. 传输线的三种状态对于波导系统,电场基本解为(1) 当终端接短路负载时,导行波在终端全部被反射――纯驻波状态。
在x=a/2处其模值为:最大值和最小值为:(2) 终端接任意负载时,导行波在终端部分被反射――行驻波状态。
在x=a/2处由此可见,行驻波由一行波与一驻波合成而得。
其模值为:可得到最大值和最小值为:(3) 终端接匹配负载时,导行波仅有入射波而无反射波――行波状态。
其模值为由上述可知,在测量线的终端分别接上短路器、任意负载和匹配负载,移动探针位置,都可以观测到测量线中不同位置的电场强度(复振幅大小)对应的电流指示读数。
2. 由测量线的基本工作原理可知,指示器的读数1是探针所在处|E|对应的检波电流。
任一位置处|E|与I的对应关系应视检波晶体二极管的检波特性而定。
一般,这种关系可通过对二极管定标而确定。
所谓定标,就是找出电场的归一化值|E’|与I的对应关系。
我们知道,当测量线终端短路时:如果我们取任意一零点(波节点)作为坐标起始位置,且坐标用d表示,则:晶体二极管上的检波电压u正比于探针所在处|E’|。
所以上式可用u的归一化值u’来表示。
即:晶体二极管的检波电流I与检波电压u之间的关系为:式中c为比例常数,n为检波率。
式中c’为比例常数。
3. 当测量线的探针插入波导时,在波导中会引入不均匀性,从而影响系统的工作状态。
探针在开槽线中与电场耦合,其效果相当于在等效传输线上并联了一个探针支路。
微波技术与天线实验一、实验课学时分配表二、实验内容:实验一T型波导内场分析实验一、实验目的1、熟悉并掌握HFSS的工作界面、操作步骤及工作流程。
2、掌握T型波导功分器的设计方法和工作原理。
二、实验内容使用HFSS进行T型波导功分器的设计实现,创建设计模型,进行求解设置,并运行仿真计算。
最后进行相关的数据后处理。
三、基本原理及要求T型波导功分器又叫T型波导分支器,它能将波导能量从主波导中分路接出,它是微波功率分配器件的一种。
此次设计H面T型分支,使得从一端口输入的功率可以平均的分配给端口2、3,使得2、3端口的TE10波为等幅同向。
同时,通过设置隔片改变各端口的功率分配。
进行扫频设置,观察S参数曲线和电场分布。
实验二T型波导优化设计实验一、实验目的1、进一步熟悉并掌握HFSS的工作界面、操作步骤及工作流程。
2、掌握T型波导功分器的优化设计方法。
二、实验内容使用HFSS进行T型波导功分器的优化设计实现,进行参数扫描分析,利用HFSS的优化设计功能实现3端口输出功率为2端口输出功率的2倍。
三、基本原理及要求T型波导功分器又叫T型波导分支器,它能将波导能量从主波导中分路接出,它是微波功率分配器件的一种。
此次设计H面T型分支,使得从1端口输入的功率不平均的分配给端口2、3,使得2端口的输出功率为3端口的一半。
同时,注意隔片尺寸的大小对于改变各端口的功率分配的作用。
改变波端口激励,实现2端口输入,1、3端口输出。
实验三微带贴片天线设计实验一、实验目的1.熟悉并掌握HFSS设计微带天线的操作步骤及工作流程。
2.掌握ISM频段微带贴片天线的设计方法。
二、实验内容使用HFSS进行微带贴片天线的设计实现,创建设计模型,进行求解设置,设置求解频率为2.45GHz,同时添加1.5-3.5GHz的扫频设置,分析天线在1.5-3.5GHz频段内的电压驻波比,并运行仿真计算。
将谐振频率落在2.45GHz频点上。
最后进行相关的数据后处理。
长⼤微波综合实验指导书V1.0电⼦通信类实验系列教材微波技术与天线实验Microwave Technique and Antenna Experiment李怀宇关可编写长安⼤学信息⼯程学院电⼦信息与通信⼯程实验室前⾔随着现代电⼦与通信技术的迅速发展,微波技术已经⼴泛地应⽤于各个领域。
在卫星通信、雷达系统、全球定位系统(GPS)、射频识别标识、超宽带⽆线通信、移动通信等诸多领域,都有微波技术的重要应⽤,微波技术极⼤地改变了⼈类的⽣产和⽣活。
《微波技术与天线》课程涵盖了微波技术、天线⼯程及电波传播三个⽅⾯的知识,是通信⼯程和电⼦信息类专业重要的专业课程。
由于微波技术与电磁场密切相关,这门课程理论性强,概念抽象,从⽽使课程实验成为学好该门课程教学的重要环节。
通过实验可使学⽣加深课程的理解、掌握微波技术原理和应⽤,熟悉现代微波测量设备的使⽤⽅法,使学⽣对微波通信技术有系统的认识。
本实验指导书依据我校《微波技术与天线》课程教学⼤纲及实验教学⼤纲为基准,结合微波综合实验箱及现代微波测量设备的使⽤编写⽽成。
实验分为五个部分编写,共⼗⼀个实验。
每个实验项⽬包含实验⽬的、实验原理、实验设备、实验内容和实验报告要求五部分内容。
在本指导书编写过程中,实验室领导和⽼师对实验内容的设置提出了建设性意见,并给予了极⼤的⽀持。
在这⾥向他们表⽰衷⼼感谢。
由于编者⽔平有限,错误和不当之处在所难免,敬请读者批评指正。
长安⼤学信息⼯程学院电⼦信息与通信⼯程实验室2009年3⽉⽬录第⼀部分实验系统简介 (1)⼀、 JH3002‐3G微波综合实验系统。
(1)⼆、 AT5011频谱分析仪 (2)三、 AT5000‐F1频率扩展器 (4)第⼆部分频谱仪实验项⽬ (5)实验⼀:频谱分析仪的使⽤ (5)第三部分微波组件测试 (12)实验⼆锁相信号源的测试 (12)实验三微波环形器的测试 (15)实验四上变频器的测试 (18)实验五微波下变频器的测试 (21)实验六:定向耦合器的测试 (24)第四部分微波实验系统的综合测试 (28)实验七微波发射系统的测试 (28)实验⼋微波接收系统的测试 (33)第五部分传输线及匹配理论实验 (38)实验九终端开路同轴线反射系数及驻波⽐测量 (38)实验⼗终端短路同轴线反射系数测量 (42)实验⼗⼀终端匹配时同轴电缆反射系数测量 (45)第⼀部分实验系统简介《微波技术与天线》实验系统主要包括以下部分:⼀、 JH3002-3G微波综合实验系统。
本门课程的目的是要求学生通过教学与实验,了解微波技术与天线发展的最新技术与现状,初步掌握微波技术与天线的基本知识,基本理论和基本方法,培养学生综合应用的能力。
要求掌握传输线理论、规则金属波导理论、微波网络理论、天线的辐射与接受的基本理论。
在教学环节中,重点讲授微波与天线的基本理论,同时简要介绍微波技术与天线在主要系统中的应用,力求基本理论讲解与工程实践并重。
三、先修课程高等数学、电路分析、电磁场与电磁波。
四、课程教学重、难点教学重点:传输线理论、规则金属波导理论、微波网络理论、天线的辐射与接收的基本理论;教学难点:天线方向图函数、主瓣宽度、副瓣电平、天线极化特性、天线效率及辐射电阻、天线方向系数与增益、输入阻抗、天线有效长度等天线特性电参数的定义等天线相关应用基础。
五、课程教学方法与教学手段课堂教学为主,计算机仿真与实验为辅。
六、课程教学内容第一章绪论(2学时)1. 教学内容(1)微波及其传输的特点;(2)微波研究的主要内容;(3)微波的发展及应用;(4)微波传输的分析方法。
2. 重、难点提示(1)重点是微波传输的分析方法。
第二章均匀传输线理论(7学时)1. 教学内容(1)均匀传输线方程的建立及其求解;(2)传输线的特征参量与状态参量;(3)无耗传输线的状态分析;(4)阻抗匹配;(5)阻抗圆图及其应用。
2. 重、难点提示(1)重点是传输线方程的建立及其正弦波解,输入阻抗、反射系数、驻波比、行波系数的计算及其各参数之间的关系,短路线、开路线电压电流及阻抗的分布特点,λ/4阻抗变换器法,利用阻抗圆图计算阻抗和导纳;(2)难点是传输线方程的建立,驻波比的理解,行驻波状态电压、电流及阻抗的分布特点,λ/4传输线阻抗匹配计算,理解三族圆的基本特征。
第三章规则金属波导(7学时)1. 教学内容(1)导波原理;(2)矩形波导;(3)圆形波导;(4)金属谐振腔。
2. 重、难点提示(1)重点是导行电磁波的传播模式及其传播特性,矩形波导传输条件及传输特性,圆形波导的传播参数及特点,矩形谐振腔基本参数的计算;(2)难点是纵向场分析方法,纵向场求解矩形波导中的场量表达式,圆形波导TE波和TM波的表达式。
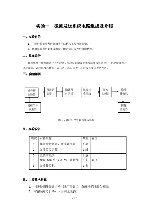
实验一 微波发送系统电路组成及介绍一、实验目的1、了解射频前端发射器的基本结构与主要设计参数。
2、利用实验模组的实际测量了解射频前端发射器的特性。
二、原理分析微波电视传输系统是一套短距离、点对点的微波电视发送和接收系统,它将现场摄得的电视视频、音频信号以微波方式传送,再向电视中心站或有线电视站发送。
三、实验框图四、实验设备五、主要技术指标1. 一路电视图像信号和一路拌音信号。
系统可多路组合使用;2. 传输距离优于4km;(开阔无阻挡)图1-1微波电视传输系统方框图3. 工作频率S波段(2.1-2.7GHz),频率点可由用户选定;4. 发射机输出功率≥100mW;10 ;5. 频率稳定度:5×67. 视频输入/输出电平:1V(75Ω);8.视频调制方式:FM9. 音频输入/输出电平:2.2V(p-p) (600Ω不平衡);10.音频调制方式:FM-FM11.频带宽度:27MHz12. 微分增益:≤±3%;13. 微分相位:≤±2°;14. 工作电源:发射机:+12V一体化电池可充电电池连续工作10小时以上;六、实验步骤和方法⑴如图所示,接好视频信号发生器和微波调制器的发射支路,如有可能测量微波发射频谱特性。
⑵将接收支路连接好,在图像监视器上应能看到较大的调频雪花噪声颗粒。
⑶对接受机进行调谐,选择频道,首先调出图像信号,然后对伴音信号进行调谐,是伴音信号清晰悦耳。
⑷如图所示,按微波数字信号传输系统方框图进行连接,发射端接上数字信号发生器,接受端接上示波器观察接收数字信号波形。
七、实验预习要求1、预习放大器、滤波器、混频器和功率放大器的原理的理论知识。
2、预习放大器、滤波器、混频器和功率放大器的设计原理。
八、实验报告要求1、画出实验系统的连接方框图并叙述实验原理。
2、调谐不同的频段,观察输出端实验现象。
3、写出实验的心得体会。
实验二 微波接收系统电路组成及介绍一、实验目的1、了解射频前端发射器的基本结构与主要设计参数。
实验一基本辐射单元方向图一、实验目的基本辐射单元,指的是基本电振子(电偶极子),基本磁振子(磁偶极子),基本缝隙,惠更斯面元等。
它们是构成实际天线的基本单元。
通过本次实验了解这些基本辐射单元在空间产生的辐射场。
二、实验指导实验界面有三个显示区:立体方向图、E面方向图、H面方向图,分别用来显示基本辐射单元在空间产生的辐射场的立体方向图、E面方向图和H面方向图。
界面下端有六个按钮:基本电振子、基本磁振子、基本缝隙、惠更斯面元、Return、Help。
点击按钮基本电振子,则基本电振子的方向图在显示区内显示出来,由显示图形可见基本电振子所辐射的电磁场强度不仅与r有关,而且与观察方向θ有关。
在振子的轴线方向,场强为零;在垂直于振子轴的方向上,场强最大;在其它方向上,场强正比于sinθ。
点击按钮基本磁振子,则基本磁振子的方向图在显示区内显示出来,由显示图形可见基本磁振子所辐射的电磁场的空间图形与基本电振子一样,这是因为基本电振子的辐射是振子上电流产生的辐射与基本磁振子的辐射是振子表面切向磁场产生的磁场是等效的。
点击按钮基本缝隙,则基本缝隙的方向图在显示区内显示出来,由显示图形可见基本缝隙所辐射的电磁场与基本磁振子完全相同,基本缝隙与基本磁振子是等效的。
点击按钮惠更斯面元,则惠更斯面元的方向图在显示区内显示出来,由显示图形可见惠更斯面元所辐射的电磁场在空间是一个对称于面元法线的心脏形方向图。
点击按钮Return,返回天线实验总界面。
实验二对称阵子方向图分析一、实验目的:通过MATLAB编程,熟悉电基本阵子和对称阵子的辐射特性,了解影响对称阵子辐射的因素及其变化对辐射造成的影响二、实验原理:1.电基本振子的辐射电基本振子(Electric Short Dipole)又称电流元,它是指一段理想的高频电流直导线,其长度l远小于波长λ,其半径a远小于l,同时振子沿线的电流I处处等幅同相。
用这样的电流元可以构成实际的更复杂的天线,因而电基本振子的辐射特性是研究更复杂天线辐射特性的基础。
微波技术与天线实验报告一、实验名称:测量微波通信系统各模块的特性参数二、实验目的与要求◆了解矢量网络分析仪的工作原理◆理解模块的频率特性、驻波比、反射系数、插损、S参数等概念◆测量并分析微波通信系统各模块的S参数三、实验设备:矢量网络分析仪、PNA 天线实验测量仪四、实验原理(共同部分)1.矢量网络分析仪的工作原理矢量网络分析仪器是一种电磁波能量的测试设备。
矢量网络分析仪的原理与使用力直接取决于系统的动态范围指标。
相位波动参数的测试是利用矢量网络分析仪的电子延迟(Electrical Delay)功能来实现的。
直接观察插入相移通常不是很有用,这是因为器件的电长度相移相对于频率呈现负斜率(器件越长,斜率越大)。
由于只有偏离线性相移才会引起失真,因此希望移去相位响应的线性部分。
利用网络分析仪的电子延迟功能,能够抵消被测器件的电长度,结果得到与线性相移的偏差,即相位波动(失真)。
矢量网络分析仪既能测量单端口网络或两端口网络的各种参数幅值,又能测相位,矢量网络分析仪能用史密斯圆图显示测试数据。
2.几个重要的概念频率特性:系统频率响应与输入信号的复数比称为频率特性,频率特性表征了系统输入输出之间的关系,故可由频率特性来分析系统性能。
驻波比:驻波比全称为电压驻波比,又名VSWR和SWR,为英文Voltage Standing Wave Ratio的简写。
在入射波和反射波相位相同的地方,电压振幅相加为最大电压振幅Vmax ,形成波腹;在入射波和反射波相位相反的地方电压振幅相减为最小电压振幅Vmin ,形成波节。
其它各点的振幅值则介于波腹与波节之间。
这种合成波称为行驻波。
驻波比是驻波波腹处的电压幅值Vmax与波节处的电压幅值Vmin之比。
驻波比就是一个数值,用来表示天线和电波发射台是否匹配。
如果 SWR 的值等于1,则表示发射传输给天线的电波没有任何反射,全部发射出去,这是最理想的情况。
如果SWR 值大于1,则表示有一部分电波被反射回来,最终变成热量,使得馈线升温。
自编教材《电磁场微波技术与天线》实验指导书长沙学院电子与通信工程系二0一0年九月实验一谐振腔法测量微波频率一、实验目的1、熟悉和了解微波测试系统的基本组成和工作原理。
2、掌握微波测试系统各组件的调整和使用方法。
3、掌握谐振腔法测频率的原理。
二、实验框图及器材1、实验框图图一谐振腔法测频率框图2、实验仪器微波信号源一台3cm测量线一台隔离器一个定标衰减器一个波长计一个检波指示器一台晶体检波器一个选频放大器一台各种负载三、实验原理谐振条件:谐振腔发生谐振时,腔长必须是半个波导波长的整数倍,此时,电磁波在腔内连续反射,产生驻波。
旋转波长表的测微头,当波长表与被测频率谐振时,将出现吸收峰。
反映在检波指示器上的指示是一跌落点,(参见图二)此时,读出波长表测微头的读数,再从波长表频率与刻度曲线上查出对应的频率。
检波指示器指示I图二波长表的谐振点曲线四、实验内容及步骤1、按图一所示的框图连接微波实验系统。
2、将检波器及检波指示器接到被测件位置上。
3、用波长表测出微波信号源的频率。
五、实验报告及要求1、实验目的与任务;2、正确画出微波测试系统的基本框图;3、说明用谐振腔法测频率的原理;4、记录实验数据,分析误差原因。
六、预习报告及要求1、实验目的与任务;2、实验所用仪器设备的功能;3、实验原理。
实验二微波功率的测量一、实验目的1、熟悉和了解微波测试系统的基本组成和工作原理。
2、掌握微波测试系统各组件的调整和使用方法。
3、掌握微波功率的测量原理,熟悉测量被测件的相对功率、绝对功率值的方法。
二、实验框图及器材1、实验框图图三功率测量微波系统框图2、实验仪器微波信号源一台3cm测量线一台隔离器一个定标衰减器一个波长计一个检波指示器一台晶体检波器一个选频放大器一台波导开关一个功率计一台功率头一个各种负载三、实验原理在波导管中传输的微波通过衰减器时,可以衰减部分传输功率,沿着宽边改变衰减器的移动吸收片可改变衰减量的大小。
电磁场、微波测量实验报告姓名:学号:学院:电子信息工程学院实验1 电磁喇叭天线特性测量一、实验目的研究电磁喇叭天线方向性图的测量方法以及天线的互易性原理。
二、实验仪器及装置图1、三厘米固态信号源2、喇叭天线3、分度转台及支柱4、微分表三、实验原理由于在通信、雷达等用途中,天线都处于它的远区,所以正确的测试天线的远区场辐射特性非常重要。
天线参量是描述天线辐射特性的量,可用实验的方法测定。
天线参量的测量是设计天线和调整天线的重要手段,其中最重要的是测量其辐射场幅值分布的方向性,其表征量是天线的方向函数及方向图。
四、实验内容及步骤1、按图连接好装置。
2、整机机械调整:首先旋转工作平台使0度刻线与固定臂上只针对正,在转动活动臂使活动臂上的指针对正在工作平台180度刻线上。
3、固定被测天线,而把辅助天线沿以被测天线为中心,距离r为半径的圆周运动转动平台记录工作平台角度及微安表度数。
Y oz平面方向图的数据逆时针转动角度180 177 174 171 168 165 162 159 156 153 150 147微安100 94 80 62 46 32 20 10 6 4 2 0顺时针转动角度-180 -177 -174 -171 -168 -165 -162 -159 -156 -153 -150 -147微安100 96 92 80 60 44 26 18 10 6 4 2逆时针转动顺时针转动Xoz 平面方向图数据逆时针转动逆时针转动角度 180177174171168165162159156153150147微安 100 92 80 56 36 20 8 2 0 0 0 0顺时针转动角度 -180 -177 -174 -171 -168 -165 -162 -159 -156 -153 -150 -147微安100 96 88 70 52 30 12 4 2 0 0 0顺时针转动实验2 电磁波参量的测量一、实验目的(1)在学习均匀平面电磁波特性的基础上,观察电磁波传播特性如E、H和S 互相垂直。
百度文库 - 好好学习,天天向上微波技术与天线实验报告姓名:才正国学号:50班级:F0703002指导教师:龙沪强任课教师:袁斌实验一基本低功率微波波导测试系统的熟悉与正确调试一.实验目的:通过本次实验,基本熟悉低功率微波波导测试系统的基本构成以及正确调试的操作方法,学会四点平均法测波导波长,掌握晶体定标曲线的测定方法。
二.实验仪器与预习要求:1.实验主要仪器:(1)X波段信号源(YM1123)(2)1kHz选频放大器(YM3892)(3)驻波测量器(TC26)(4)可变衰减器(BD-20-2)(5)直读式频率计(PX16)(6)短路板2.实验预习要求:详细阅读实验指导书,初步了解低功率微波波导测试系统的基本构成,熟悉探针电路调谐的基本原理,了解四点平均法测波导波长的基本原理。
三.实验仪器与接线框图:四. 实验原理:1. 基本微波测量系统一个小功率的微波测量系统组成如图1-1 所示:图1-1 基本微波测量系统组成微波信号源测试微波元件,必须要有微波信号源提供测试信号。
常用微波信号源可以分为简易信号发生器、标准信号发生器、功率信号发生器和扫频信号发生器。
简易信号发生器通常泛称为“微波信号发生器”。
一般要求信号频率能在一定范围内连续可调;最大信号的功率至少能达到毫瓦级并能连续控制;输出波形一般为正弦波,并至少能用一种低频方波进行开关式幅度调制。
标准信号发生器指的是屏蔽良好,输出信号的频率、功率和调制系数可以在一定范围内调节(有时调制系数可以固定不变),能精确读数的信号源。
通常用于测量微波接收机的灵敏度、选择性等指标。
功率信号发生器的功率输出要求达到瓦级,常用于测试天线性能等。
扫频信号发生器是能产生随时间作线性变化的扫频信号的微波信号源,它能从所需频率范围的一端连续地“扫变”到另一端,所以能直接得到各个频率上的测量结果,在示波器或记录仪上立即显示出所需的幅频特性曲线和相频特性曲线。
●隔离器隔离器又称单向器,是一种使微波信号单向传输的非互易二端口铁氧体器件,它允许微波信号沿一个方向(正向)以很小的衰减通过,而沿另一个方向(反向)传输的波则受到很大的衰减而不能通过。
小功率调幅发射机整体概述1.1 小功率调幅发射机的初步认识发射机的主要任务是完成有用的低频信号对高频载波的调制,将其变为在某一中心频率上具有一定带宽、适合通过天线发射的电磁波。
调幅发射机实现调幅简便,调制所占的频带窄,并且与之对应的调幅接收设备简单,所以调幅发射机广泛地应用于广播发射。
所谓调幅,就是指,使振幅随调制信号的变化而变化,严格的讲,就是指载波振幅与调制信号的大小成线性关系,而它的频率和相位不变。
振幅调制分为4种方式:AM(普通调幅)、DSB(抑制载波双边带调幅)、SSB(单边带调幅)、VSB(残留边带调幅)。
本设计调幅发射机指的是AM调幅发射机。
通常,发射机包括三个部分:高频部分,低频部分和电源部分。
高频部分一般包括主振荡器、缓冲放大、倍频器、中间放大、功放推动级与末级功放。
主振荡器的作用是产生频率稳定的载波。
缓冲级主要是削弱后级对主振器的影响。
低频部分包括话筒、低频电压放大级、低频功率放大级。
调制是将要传送的信息装载到某一高频振荡信号上去的过程。
1.2 小功率调幅发射机的主要技术指标在设计调幅发射机时,主要遵循如下性能指标:工作频率范围:调幅制一般适用于中、短波广播通信,其工作频率范围为300kHz~30MHz。
发射功率:一般是指发射机送到天线上的功率。
只有当天线的长度与发射频率的波长可比拟时,天线才能有效地把载波发射出去。
波长λ与频率f的关系为λ=c/f。
调幅系数:调幅系数ma是调制信号控制载波电压振幅变化的系数,ma的取值范围为0~1,通常以百分数的形式表示,即0%~100%。
频率稳定度:发射机的每个波道都有一个标称的射频中心工作频率,用f0表示。
工作频率的稳定度取决于发信本振源的频率稳匹配是射频和微波技术中的一个重要概念,通常包含两方面的意义:一是源的匹配,二是负载的匹配。
通常射频和微波系统中都希望采用匹配源,可使波源不再产生二次反射从而减少测量误差;同时,匹配负载可以从匹配源中取出最大功率。
实验报告实验课程:微波技术与天线学生姓名:学号:专业班级:年月日实验一微波测量系统的认识及功率测量一、实验目的1.熟悉基本微波测量仪器;2.了解各种常用微波元器件;3.学会功率的测量。
二、实验原理1.基本微波测量仪器(1)微波测量技术主要包括微波信号特性测量和微波网络参数测量:①微波信号特性参量包括微波信号的频率与波长、电平与功率、波形与频谱等;②微波网络参数包括反射参量(如反射系数、驻波比)和传输参量(如[S]参数)。
(2)微波测量方法包括点频测量、扫频测量和时域测量三大类:①点频测量:信号只能工作在单一频点逐一进行测量;②扫频测量:在较宽的频带内测得被测量的频响特性,如加上自动网络分析仪,则可实现微波参数的自动测量与分析;③时域测量:利用超高速脉冲发生器、采样示波器、时域自动网络分析仪等在时域进行测量,从而得到瞬态电磁特性。
(3)微波测量系统由微波信号源、调配器/ 衰减器/隔离器、波长/频率计、测量线、终端负载、选频放大器及小功率计等组成。
图1微波测量系统2.常用微波元器件实验室里常见的几种元器件:(1)检波器(2)E-T 接头(3)H-T 接头(4)双T 接头(5)波导弯曲(6)波导开关(7)可变短路器(8)匹配负载(9)吸收式衰减器(10)定向耦合器(11)隔离器3.功率测量按图1所示连接微波测量系统,在终端处接上微波小功率计探头,接通电源开关,调整衰减器,观察微波功率计指示并作相应记录。
三、实验数据及处理表格 1衰减器指示与功率指示关系曲线12345671122334455667788衰减器位置/mm功率计读数/m W图 2 衰减器指示与功率指示关系曲线实验二微波波导波长、频率的测量、分析和计算一、实验目的1.学会微波测量线的使用;2.学会测量微波波导波长和信号源频率;3.分析和计算波导波长及微波频率。
二、实验原理1.系统调整主要指信号源和测量线的调整,以及晶体检波器的校准:(1)信号源的调整包括振荡频率、功率电平及调制方式等。
微波技术与天线实验指导书南京工业大学信息科学与工程学院通信工程系目录实验一微波测量系统的熟悉和调整.................. - 2 -实验二电压驻波比的测量......................... - 9 -实验三微波阻抗的测量与匹配 .................... - 12 -实验四二端口微波网络阻抗参数的测量 ............. - 17 -实验一 微波测量系统的熟悉和调整一、实验目的1. 熟悉波导测量线的使用方法;2. 掌握校准晶体检波特性的方法;3. 观测矩形波导终端的三种状态(短路、接任意负载、匹配)时,TE 10波的电场分量沿轴向方向上的分布。
二、实验原理1. 传输线的三种状态对于波导系统,电场基本解为ift rm ift r e E e a b r V E --==)/ln(0(1) 当终端接短路负载时,导行波在终端全部被反射――纯驻波状态。
ift y ift y y e x aE e x aE E )sin()sin(00ππ-=-在x=a/2处z E e e E E y ift ift y y βsin 2)(00-=+=+-其模值为:z E E y y βsin 20= 最大值和最小值为:2min0max ==rr r E E E(2) 终端接任意负载时,导行波在终端部分被反射――行驻波状态。
ift y ift y y e x aE e x aE E )sin()sin('00ππ+=-在x=a/2处zE eE E e E e E e E e E e E e E E y ifty y fity fit y fit y ift y fit y fit y y βcos 2)()()('0'0'0'0'00'00+-=++-=+=-----由此可见,行驻波由一行波与一驻波合成而得。
其模值为:z E E z E E E y y y y y ββsin )(cos )(2'0022'00-++=可得到最大值和最小值为:'0min'0max y y yy y y EE E E E E -=+=(3) 终端接匹配负载时,导行波仅有入射波而无反射波――行波状态。
ift y y e E E -=0 其模值为0y y E E =由上述可知,在测量线的终端分别接上短路器、任意负载和匹配负载,移动探针位置,都可以观测到测量线中不同位置的电场强度(复振幅大小)对应的电流指示读数。
2. 由测量线的基本工作原理可知,指示器的读数1是探针所在处|E|对应的检波电流。
任一位置处|E|与I 的对应关系应视检波晶体二极管的检波特性而定。
一般,这种关系可通过对二极管定标而确定。
所谓定标,就是找出电场的归一化值|E ’|与I 的对应关系。
max'E E E =我们知道,当测量线终端短路时:dz E E E zE E gλπββ2sinsin '2sin 20max 0====如果我们取任意一零点(波节点)作为坐标起始位置,且坐标用d 表示,则:d E gλπ2sin'=晶体二极管上的检波电压u 正比于探针所在处|E ’|。
所以上式可用u 的归一化值u ’来表示。
即:d u u u gλπ2sin'max==晶体二极管的检波电流I 与检波电压u 之间的关系为:n cu I =式中c 为比例常数,n 为检波率。
ngd c I λπ2sin'=式中c ’为比例常数。
3. 当测量线的探针插入波导时,在波导中会引入不均匀性,从而影响系统的工作状态。
探针在开槽线中与电场耦合,其效果相当于在等效传输线上并联了一个探针支路。
即探针等效为一个导纳p p p jb g y -=。
其中g p 反映探针吸收功率的大小,b p 表示在波动中产生反射的影响。
在信号和测量系统匹配的条件下,由于g p 的分流作用,驻波波腹点的位置发生偏移。
但当终端断路时,波节点不偏移。
可见,g p 和b p 将造成误差。
为了减小测量误差,必须要减小或消除g p 和b p 的影响。
减小g p 的影响,可以适当减小探针插入的深度;消除b p 的影响要依靠调谐来达到。
探针的调整办法: 1.在信号源有足够输出和检波指示器有足够的灵敏度的条件下,应尽量取较小的探针插入深度。
2.将测量系统短路时,将探针移至相邻两个波节之间正中位置(即波腹点上),调节探头的调谐活塞,直至输出指示最大。
此时b p 已达到最小。
需要指出的是,当信号源的频率或探针插入深度改变时,必须重新对探针进行调整。
三、实验仪器及线路图图1-1四、实验内容与步骤1.调整测量线(1)开启信号源。
对波导系统的XB9A操作时,直接打开“电源”开关即可,经过20分钟左右信号输出稳定。
(2)按图1-1连接实验线路图(接短路器)。
(3)调节探针位置,使指示器读数为最大(此时探针位于波腹点)。
(4)调节探针插入深度,同时调整调谐活塞,使指示器读数最大,且达到满刻度的2/3量程以上。
2.绘制晶体定标曲线(1)用交叉读数法测量波导波长λg,并确定任一波节点位置D min(坐标d的起始位置)。
如图1-2所示。
(2)在相邻的波节点与波腹点之间大约取10个点(包括波节点和波腹点)。
从D min开始依次将探针移到这些点上,并读取测量线上的标尺刻度D i与相应的指示器读数l i。
3.测绘终端三种负载时|E ’|的分布(1) 测量线终端接短路器:在大约1个波长范围内,每半个波长范围取10个点,依次将探针移到这些位置上并读取测量线标尺刻度D i 和相应的指示器读数l i 。
(2) 测量线终端接任意负载,重复步骤(1); (3) 测量线终端接匹配负载,重复步骤(1)。
五、数据处理1.晶体定标(1) 计算波导波长λg)()(222''2min '2min ''1min '1min ''2min '2min ''1min '1min D D D D D D D D g +-+=⨯+-+=λD min3D min2D min1D ’min2D ”min2图1-2终端负载:短路终端负载:开路、任意负载(各1份表格)(2) 计算di 及|E ’|igi i d E D D d λπ2sin'min =-=2.测绘 |E ’|分布:(1) 在晶体定标曲线上找出li 对应的|E ’|i ;(2) 在直角坐标纸上绘出三种状态的|E ’|i ~D i 分布曲线。
六、思考题1.测量线的使用中应注意什么问题?为什么?2.如果要实现终端开路,将测量线后直接开路是否可以?为什么?实验二 电压驻波比的测量一、 实验目的掌握用直接法测量中、小电压驻波比。
二、 实验原理电压驻波比的测量是微波测量中最基本、最重要的内容之一。
测量线的一端接上信号源,另一端接上负载阻抗后,便会在测量线里形成驻波。
驻波的大小可以用驻波比来表示。
minmax minmax ''E E E E S ==式中|E ’|为电场的归一化值(相对场强)。
直接法测驻波比就是直接测出测量线上最大场强(实际测出的是与它对应的检波电流)和最小场强(实际测出的是与它对应的检波电流)。
从而由公式计算出S 。
由于测量线槽内插入探针后,探针电导的存在吸收功率,从而使驻波比的测量值小于真值。
所以,在满足指标要求的情况下,要尽量减小探针穿伸度。
而探针的电纳将使驻波发生畸变,即驻波的波腹和波节位置发生偏移。
分析结果表明,波节位置偏移总是小于波腹位置的偏移。
当探针的腔体谐振时,不仅能得到高灵敏度的指示,而且驻波位置的测量误差最小。
因而,为了准确地进行测量,必须对探针进行调谐。
在调谐时为了减少终端负载的电抗影响要接以匹配负载。
测量驻波位置和波导波长时必须以测波节点位置为依据。
在我们实验中所使用的功率电平范围内,一般可近似地认为是平方率检波即:2minmin 2max max ''E C I E C I ==式中C 为比例系数,则:minmax minmax min min max max ''''I I E E S C I E C I E ====三、 实验仪器及线路四、 实验内容及步骤1.按图2-1连接实验线路,开启信号源,调整测量线,测量晶体定标之各参数。
2.将被测负载接于测量线终端,移动探针,测量I max 和I min 。
五、 数据处理根据I max 与I min ,由晶体定标曲线查得相应的|E ’|max 与|E ’|min ,由 minmax ''E E S =计算S ,并与由图2-1minmaxI I S计算得到的S 进行比较。
六、 思考题1.用直接法测量得到的电压驻波比与用公式直接计算得到的结果是否有不同,如果有不同,请考虑一下引起这个的原因。
2.考虑一下用其他测量电压驻波比的方法。
实验三 微波阻抗的测量与匹配一、 实验目的1.掌握应用测量线测量微波阻抗的原理与方法,熟练掌握smith 圆图的应用。
2.掌握利用阻抗调配器进行阻抗匹配的方法和技巧。
二、 实验原理1.阻抗测量由于微波系统阻抗的概念不是唯一的,所以一般并不进行阻抗绝对值的测量,而是测量其归一化阻抗。
根据smith 圆图的原理,只要知道了终端接负载阻抗时的线上驻波比S ,线上波导波长和线上从终端到距离他第一个波节点之间的距离L min1后,就可以由圆图求得归一化阻抗L Z ~。
在这三个数据中,由于测量线的结构限制,直接测量终端负载到第一个驻波波节点的距离L min1是比较困难的,根据驻波分布的半波长重复性,在实际测量中,采用“等效截面法”,其方法如下:首先将终端短路,沿线的驻波分布如图3-2(a)所示。
用测量线测得其一驻波波节点位置d T,此位置即为终端的等效位置。
当终端接被测负载时,线上的驻波L Z ~图3-1分布如图3-2(b)所示,用测量线测得d T左边(向信号源方向)第一个驻波波节点位置d min就是离终端负载第一个驻波波节点的位置。
所以L min1=|dmin-d T|d min d T图3-22.阻抗匹配阻抗匹配的含义是使微波系统沿线没有反射,它还包括对波源的匹配和对负载的匹配。
调配的方法也很多,本实验利用E-H双T接头构成的双T调配器(波导系统)和三枝节调配器(同轴系统)对负载进行调配。
调配过程的物理意义为:调节调配器,使它产生一个反射波,抵消“失配负载”在系统中引起的反射。
双T调配器的H臂和E臂内,三枝节调配器的每一个臂内,都装有可调短路器,装有短路活塞,改变活塞在臂中的位置,即可改变接头处的电抗值。