设备安装垫铁隐蔽工程记录-----------------GY
- 格式:doc
- 大小:95.04 KB
- 文档页数:41
建筑设备安装工程隐蔽验收记录根根行联结。
注:该记录由施工项目专业质量检查员填写,监理工程师(建设单位项目技术负责人)组织项目专业技术负责人等进行验收。
记录时应首先说明是否按设计图号施工,如有设计变更应立即在备用竣工图纸上用红色文字注明变更情况或绘制变更补充图;凡有、无设计变更,监理(建设)单位的旁站监督人均应在备用竣工图号上签字认可后,才能办理该部位隐蔽验收手续。
隐蔽验收时,必须严格按国家施工质量验收规范的主控项目,一般项目的内容要求全数检查,凡有不合格处必须当即整改达到合格后才能办理隐蔽验收手续。
检查评定结论必须语言规范,并针对主控项目、一般项目的内容要求,填写真实可靠的结果或结论。
根根行联结。
注:该记录由施工项目专业质量检查员填写,监理工程师(建设单位项目技术负责人)组织项目专业技术负责人等进行验收。
记录时应首先说明是否按设计图号施工,如有设计变更应立即在备用竣工图纸上用红色文字注明变更情况或绘制变更补充图;凡有、无设计变更,监理(建设)单位的旁站监督人均应在备用竣工图号上签字认可后,才能办理该部位隐蔽验收手续。
隐蔽验收时,必须严格按国家施工质量验收规范的主控项目,一般项目的内容要求全数检查,凡有不合格处必须当即整改达到合格后才能办理隐蔽验收手续。
检查评定结论必须语言规范,并针对主控项目、一般项目的内容要求,填写真实可靠的结果或结论。
必须严格按国家施工质量验收规范的主控项目,一般项目的内容要求全数检查,凡有不合格处必须当即整改达到合格后才能办根根行联结。
注:该记录由施工项目专业质量检查员填写,监理工程师(建设单位项目技术负责人)组织项目专业技术负责人等进行验收。
记录时应首先说明是否按设计图号施工,如有设计变更应立即在备用竣工图纸上用红色文字注明变更情况或绘制变更补充图;凡有、无设计变更,监理(建设)单位的旁站监督人均应在备用竣工图号上签字认可后,才能办理该部位隐蔽验收手续。
隐蔽验收时,必须严格按国家施工质量验收规范的主控项目,一般项目的内容要求全数检查,凡有不合格处必须当即整改达到合格后才能办理隐蔽验收手续。
施2002—52 工程名称:66kV兴安变升压改造工程验收日期:年月日共页第1页分项工程名称:接地装置安装子分部工程名称:防雷及接地装置安装隐蔽部位:1-11/L-V轴底板、承台、梁项目经理:邹庆辉施工技术负责人:王锦忠施工图号:电施034施工执行标准名称及编号:《建筑电气工程施工质量验收规范》GB50303-2002隐蔽工程内容序号工程分项隐蔽验收批部位单位数量施工单位全数检查情况及说明监理(建设)单位验收记录1 1-11/L-V轴底板、承台、梁M 1、25*4mm热镀锌扁钢连接成水平接地装置,垂直接地极为50*50*5热镀锌角钢,长2.5m,每5m设一根,位置、数量符合设计及施工规范要求。
焊接接头采用双面满焊,焊缝饱满,无夹渣、无咬肉现象。
2、建筑物外墙根据图纸要求设置测试点。
3、自然接地利用地下室抗浮锚杆、人工挖孔桩钢筋作为接地极。
施工单位全数检查评定结果:符合设计及规范要求的规定。
项目专业质量检查员:项目专业技术负责人:年月日监理(建设)单位验收结论:监理(建设)项目部(章)专业监理工程师(建设单位项目技术负责人):年月日勘察设计技术交底会议等列入须经设计人员参与隐蔽验收的部位签证勘察设计单位参加验收人意见:验收人签名:年月日注:该记录由施工项目专业质量检查员填写,监理工程师(建设单位项目技术负责人)组织项目专业技术负责人等进行验收。
记录时应首先说明是否按设计图号施工,如有设计变更应立即在备用竣工图上用红色文字注明变更情况或绘制变更补充图;凡有、无设计变更,监理(建设)单位的旁站监督人均应在备用竣工图号上签字认可后,才能办理该部位隐蔽验收手续。
隐蔽验收时,必须严格按国家施工质量验收规范的主控项目,一般项目的内容要求全数检查,凡有不合格处必须当即整改达到合格后才能办理隐蔽验收手续。
检查评定结论必须语言规范,并针对主控项目、一般项目,特别是结构构造措施的内容要求,填写真实可靠的结果或结论。
施2002—52 工程名称:66kV兴安变升压改造工程验收日期:年月日共页第2页分项工程名称:接地装置安装子分部工程名称:防雷及接地装置安装隐蔽部位:2-11/A-L轴底板、承台、梁项目经理:邹庆辉施工技术负责人:王锦忠施工图号:电施034施工执行标准名称及编号:《建筑电气工程施工质量验收规范》GB50303-2002隐蔽工程内容序号工程分项隐蔽验收批部位单位数量施工单位全数检查情况及说明监理(建设)单位验收记录1 2-11/A-L轴底板、承台、梁M 1、40*4mm热镀锌扁钢连接成水平接地装置,垂直接地极为50*50*5热镀锌角钢,长2.5m,每5m设一根,位置、数量符合设计及施工规范要求。
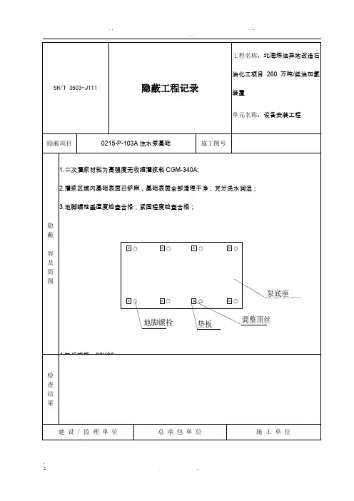
SH/T 3503—J113 垫铁隐蔽记录工程名称:XXXXXXXXXX项目—60万吨/年离子膜烧碱项目
单位名称:电解厂房
设备/结构名称阴极液循环泵位号10-PP-1274A
垫铁布置位置示意图:
垫铁情况说明:
平垫铁尺寸(长×宽×高):160×80×16 斜垫铁尺寸(长×宽×薄端高):160×80×3斜度:1:12 每组垫铁构成:块数:1块平垫铁、2块斜垫铁;垫铁组高度:35mm
检查项目安装要求检查结果
设备找正数据符合规范要求□不符合 符合
垫铁规格符合施工方案要求□不符合 符合
垫铁布置位置符合规范要求□不符合 符合
每组垫铁块数符合规范要求□不符合 符合
每组垫铁高度符合设计文件和规范要求□不符合 符合
斜垫铁搭接长度符合规范要求□不符合 符合
垫铁间点焊固定符合规范要求□不符合 符合
结论:
经检查,□不符合 符合设计文件和规范要求,□不可以 可以隐蔽。
建设/监理单位总承包单位施工单位
专业工程师:
日期:年月日专业工程师:
日期:年月日
施工班组长:
质量检查员:
专业工程师:
日期:年月日
7。
SH/T 3503-J130 垫铁隐蔽记录醇化工有限公司25万吨/年丁辛醇项目单元名称: 成品罐区设备/结构名称正丁醇装车泵位号6000-P501 垫铁布置示意图:垫铁规格为140*70mm,共12组,每组由2块斜垫铁和1块平垫铁组成基础地脚螺栓M18,共6根检查项目安装要求检查结果设备找正数据符合规范要求□不符合符合垫铁规格符合施工方案要求□不符合符合垫铁布置位置符合规范要求□不符合符合每组垫铁块数符合规范要求□不符合符合每组垫铁高度符合设计文件和规范要求□不符合符合垫铁间点焊固定符合规范要求□不符合符合结论:经检查,□不符合符合设计文件和规范要求,□不可以可以隐蔽。
建设/ 监理单位总承包单位施工单位专业工程师:日期:年月日专业工程师:日期:年月日专业工程师:质量检查员:施工班组长:日期:年月日SH/T 3503-J130 垫铁隐蔽记录醇化工有限公司25万吨/年丁辛醇项目单元名称: 成品罐区设备/结构名称催化剂混合槽泵位号6000-P502A 垫铁布置示意图:垫铁规格为140*70mm,共12组,每组由2块斜垫铁和1块平垫铁组成基础地脚螺栓M18,共6根检查项目安装要求检查结果设备找正数据符合规范要求□不符合符合垫铁规格符合施工方案要求□不符合符合垫铁布置位置符合规范要求□不符合符合每组垫铁块数符合规范要求□不符合符合每组垫铁高度符合设计文件和规范要求□不符合符合垫铁间点焊固定符合规范要求□不符合符合结论:经检查,□不符合符合设计文件和规范要求,□不可以可以隐蔽。
建设/ 监理单位总承包单位施工单位专业工程师:日期:年月日专业工程师:日期:年月日专业工程师:质量检查员:施工班组长:日期:年月日SH/T 3503-J130 垫铁隐蔽记录工程名称: 安庆炼化曙光丁辛醇化工有限公司25万吨/年丁辛醇项目单元名称: 成品罐区设备/结构名称正丁醇输送泵位号6000-P502B 垫铁布置示意图:垫铁规格为140*70mm,共12组,每组由2块斜垫铁和1块平垫铁组成基础地脚螺栓M18,共6根检查项目安装要求检查结果设备找正数据符合规范要求□不符合符合垫铁规格符合施工方案要求□不符合符合垫铁布置位置符合规范要求□不符合符合每组垫铁块数符合规范要求□不符合符合每组垫铁高度符合设计文件和规范要求□不符合符合垫铁间点焊固定符合规范要求□不符合符合结论:经检查,□不符合符合设计文件和规范要求,□不可以可以隐蔽。
隐藏工程施工记录样本项目名称:XXX大厦隐藏工程施工记录施工单位:XXX建设工程有限公司施工地点:XXX市XX区XXX大厦施工日期:XXXX年X月X日-XXXX年X月X日施工记录:第一天施工(XXXX年X月X日):早上8点,施工人员抵达施工现场,开始进行隐藏工程的准备工作。
工地上搭起了搅拌机和铲车,开始准备混凝土原料。
工程师对施工图纸进行了仔细分析,指导施工人员进行标定和测量。
上午10点,开始进行隐蔽工程的基础施工。
首先进行挖掘土方工作,将施工现场清理干净。
随后进行基坑支护工程,施工人员在基坑四周进行支护结构的安装,确保基坑不会发生塌方。
下午2点,进行混凝土浇筑工程。
工程师对混凝土原料进行了质量检查,确保混凝土的强度和密实度符合标准。
施工人员按照施工图纸的要求,对基础进行浇筑,保证基础的稳固性。
晚上6点,结束了一天的施工工作。
施工人员对工地进行了清理,确保施工现场的整洁。
第二天施工(XXXX年X月X日):早上8点,施工人员再次抵达施工现场,开始进行下一阶段的隐蔽工程施工。
工程师对前一天的施工质量进行了检查,确定没有任何质量问题。
上午10点,进行管道铺设工程。
施工人员安装了排水管道和给水管道,确保建筑物内部的排水系统和给水系统畅通无阻。
下午2点,进行墙体砌筑工程。
施工人员根据施工图纸对墙体进行了砌筑,确保墙体的强度和平整度符合要求。
晚上6点,结束了一天的施工工作。
施工人员对工地进行了清理,确保施工现场的整洁。
第三天施工(XXXX年X月X日):早上8点,施工人员继续进行隐蔽工程的施工。
工程师对前几天的施工质量进行了综合评估,确定没有任何质量问题。
上午10点,进行屋面防水工程。
施工人员对建筑物的屋面进行了处理,确保屋面的防水性能符合要求。
下午2点,进行电气线路敷设工程。
施工人员安装了建筑物内部的电气线路,确保建筑物的用电安全。
晚上6点,结束了三天的施工工作。
施工人员对工地进行了清理,确保施工现场的整洁。
设备安装垫铁隐蔽工程记录GY-16
说明:设备垫铁安装找正完毕,经建设、监理等单位共同检查确认后,由施工单位填写,各参加单位
设备安装垫铁隐蔽工程记录GY-16
说明:设备垫铁安装找正完毕,经建设、监理等单位共同检查确认后,由施工单位填写,各参加单位
设备安装垫铁隐蔽工程记录GY-16
设备安装垫铁隐蔽工程记录GY-16
设备安装垫铁隐蔽工程记录GY-16
设备安装垫铁隐蔽工程记录GY-16
说明:设备垫铁安装找正完毕,经建设、监理等单位共同检查确认后,由施工单位填写,各参加单位签字认可。
设备安装垫铁隐蔽工程记录GY-16
说明:设备垫铁安装找正完毕,经建设、监理等单位共同检查确认后,由施工单位填写,各参加单位签字认可。
设备安装垫铁隐蔽工程记录GY-16
说明:设备垫铁安装找正完毕,经建设、监理等单位共同检查确认后,由施工单位填写,各参加单位签字认可。
设备安装垫铁隐蔽工程记录GY-16
说明:设备垫铁安装找正完毕,经建设、监理等单位共同检查确认后,由施工单位填写,各参加单位签字认可。
设备安装垫铁隐蔽工程记录GY-16
说明:设备垫铁安装找正完毕,经建设、监理等单位共同检查确认后,由施工单位填写,各参加单位签字认可。
( 3 )
( 1 ) ( 2 )
选择正确的单线图()。
设备安装垫铁隐蔽工程记录
G Y
-标准化文件发布号:(9456-EUATWK-MWUB-WUNN-INNUL-DDQTY-KII
设备安装垫铁隐蔽工程记录GY-16
单位填写,各参加单位签字认可。
设备安装垫铁隐蔽工程记录 GY-16
单位填写,各参加单位签字认可。
设备安装垫铁隐蔽工程记录 GY-16
单位填写,各参加单位签字认可。
设备安装垫铁隐蔽工程记录 GY-16
单位填写,各参加单位签字认可。
设备安装垫铁隐蔽工程记录 GY-16
单位填写,各参加单位签字认可。
设备安装垫铁隐蔽工程记录 GY-16
单位填写,各参加单位签字认可。
设备安装垫铁隐蔽工程记录 GY-16
单位填写,各参加单位签字认可。
设备安装垫铁隐蔽工程记录 GY-16
单位填写,各参加单位签字认可。
建筑设备安装工程隐蔽验收记录分项工程名称:等电位联结子分部工程名称:防雷及接地装置安装隐蔽部位:等电位联结(基础)项目经理:黄钢施工技术负责人:李新玉施工图号:电施-01、07施工执行标准名称及编号:建筑电气工程施工质量验收规范GB50303—2002隐蔽工程内容序号工程分项隐蔽验收批部位单位数量施工单位全数检查情况及说明监理(建设)单位验收记录1 基础1、按电施-07图《等电位联结安装02D501-2》P11-1P16施工,等电位板利用建筑物金属构件2根16或4根12以上的钢筋进行联结。
2、总等电位联接,总等电位板由紫铜板制成,将建筑物内保护干线、设备进线总管等在进户等电位联接,总等电位联接接地采用BVV-1*25mm2PC32暗敷至基础接地体。
2 -40*4镀锌扁铁米20施工单位全数检查评定结果:经检查符合设计及规范要求项目专业质量检查员:项目专业技术负责人:2012年月日监理(建设)单位验收结论:专业监理工程师(建设单位项目技术负责人):监理(建设)项目部(章)2012年月日设计技术交底会议等列入须经设计人员参与隐蔽验收的部位签证设计单位参加验收人意见:验收人签名:年月日注:该记录由施工项目专业质量检查员填写,监理工程师(建设单位项目技术负责人)组织项目专业技术负责人等进行验收。
记录时应首先说明是否按设计图号施工,如有设计变更应立即在备用竣工图纸上用红色文字注明变更情况或绘制变更补充图;凡有、无设计变更,监理(建设)单位的旁站监督人均应在备用竣工图号上签字认可后,才能办理该部位隐蔽验收手续。
隐蔽验收时,必须严格按国家施工质量验收规范的主控项目,一般项目的内容要求全数检查,凡有不合格处必须当即整改达到合格后才能办理隐蔽验收手续。
检查评定结论必须语言规范,并针对主控项目、一般项目的内容要求,填写真实可靠的结果或结论。
必须严格按国家施工质量验收规范的主控项目,一般项目的内容要求全数检查,凡有不合格处必须当即整改达到合格后才能办理隐蔽验收手续。
建筑设备安装工程隐蔽验收记录分项工程名称:局部等电位联结 子分部工程名称:电气安装工程 隐蔽部位:一层项目经理:肖国立 施工技术负责人:丁幸民施工图号:电施6-001施工执行标准名称及编号:隐蔽工程内容序号 工程分项隐蔽验收批部位单位数量施工单位全数检查情况及说明 监理(建设)单位验收记录1 一层 米全数1、 局部等电位联结根据电施6-001施工。
2、 采用-40*4镀锌扁钢将防雷引下线与厕所底板钢筋焊接,再从底板焊-40*4镀锌扁钢至H+0.5米标高与局部等电位盒联结。
3、 焊接质量符合要求。
2 3 45 6 7 8施工单位全数检查评定结果:项目专业质量检查员: 项目专业技术负责人: 年 月 日 监理(建设)单位验收结论:专业监理工程师(建设单位项目技术负责人): 监理(建设)项目部(章) 年 月 日设计技术交底会议等列入须经设计人员参与隐蔽验收的部位签证设计单位参加验收人意见:验收人签名: 年 月 日记录时应首先说明是否按设计图号施工,如有设计变更应立即在备用竣工图纸上用红色文字注明变更情况或绘制变更补充图;凡有、无设计变更,监理(建设)单位的旁站监督人均在备用竣工图号上签字认可后,才能办理该部位隐蔽验收手续。
隐蔽验收时,必须严格按国家施工质量验收规范的主控项目,一般项目的内容要求全数检查,凡有不合格处必须当即整改达湘质监统编 施2002—52到合格后才能办理隐蔽验收手续。
检查评定结论必须语言规范,并针对主控项目、一般项目的内容要求,填写真实可靠的结果或结论。
建筑设备安装工程隐蔽验收记录分项工程名称:局部等电位联结 子分部工程名称:电气安装工程 隐蔽部位:二层 项目经理:肖国立 施工技术负责人:丁幸民施工图号:电施6-001施工执行标准名称及编号:隐蔽工程内容序号 工程分项隐蔽验收批部位单位 数量施工单位全数检查情况及说明 监理(建设)单位验收记录1 二层 米全数1、局部等电位联结根据电施6-001施工。
设备安装垫铁隐蔽工程记录
-----------------GY
设备安装垫铁隐蔽工程记录GY-16
编 4 3 2 1 号.
施工单位监理(建设)单位
监理工程师:施工班(组)长:(建设单位项目代表)质量检查员:
项目技术负责人:
年日月年月日
说明:设备垫铁安装找正完毕,经建设、监理等各参加由施工单位填写,单位共同检查确认后,
单位签字认可。
设备安装垫铁隐蔽工程记录GY-16
距注:H表示垫铁总高度;n表示垫铁层数。
施工单位监理(建设)单位
监理工程师:施工班(组)长:(建设单
位项目代表)质量检查员:
项目技术负责人:
日月年日月年.
说明:设备垫铁安装找正完毕,经建设、监理等单位共同检查确认后,由施工单位填写,各参加单位签字认可。
设备安装垫铁隐蔽工程记录GY-16
间 430 760 760 430 距编号H ×
n
间距
说明:设备垫铁安装找正完毕,经建设、监理等单位共同检查确认后,由施工单位填写,各参加单位签字认可。
设备安装垫铁隐蔽工程记录
GY-16
号H×10*1 10*1 10*1 10*1 n
间760 430 760 430 距编号.
说明:设备垫铁安装找正完毕,经建设、监理等单位共同检查确认后,由施工单位填写,各参加单位签字认可。
设备安装垫铁隐蔽
工程记录GY-16
编1 2 3 4 号H×10*1 10*1 10*1 10*1 n
间 430 760 430 760 距
年月日月日年说明:设备垫铁安装找正完毕,经建设、监理等单位共同检查确认后,由施工单位填写,各参加单位签字认可。
设备安装垫铁隐蔽
工程记录GY-16.
编 4 3 2 1 号.
施工单位监理(建设)单位
监理工程师:施工班(组)长:(建设单位项目代表)质量检查员:
项目技术负责人:
年日月年月日
说明:设备垫铁安装找正完毕,经建设、监理等各参加由施工单位填写,单位共同检查确认后,
单位签字认可。
设备安装垫铁隐蔽工程记录
GY-16
距注:H表示垫铁总高度;n表示垫铁层数。
施工单位监理(建设)单位
监理工程师:施工班(组)长:(建设单
位项目代表)质量检查员:
项目技术负责人:
日月年日月年.
说明:设备垫铁安装找正完毕,经建设、监理等单位共同检查确认后,由施工单位填写,各参加单位签字认可。
设备安装垫铁隐蔽工程记录GY-16
间830 430 830 430 距编号H ×
n
间距
说明:设备垫铁安装找正完毕,经建设、监理等单位共同检查确认后,由施工单位填写,各参加单位签字认可。