垫铁隐蔽
- 格式:doc
- 大小:1018.50 KB
- 文档页数:3
垫铁安装隐蔽工程检查记录垫铁安装是建筑施工工程中的一项重要工作,其作用是在墙面、地面或顶面等硬质基材上面垫设钢板,以保证建筑物的结构强度和稳定性。
垫铁的安装质量直接关系到建筑物的安全性和使用寿命,因此,对垫铁安装的隐蔽工程进行检查是非常必要的。
一、前期准备工作1.检查垫铁的材质、规格、质量证明等文件,确保符合设计要求和施工规范。
2.检查垫铁的数量,确保能满足施工需要,避免材料短缺。
3.检查垫铁的存放环境,确保材料无损坏,无腐蚀等质量问题。
二、施工现场检查1.对施工现场进行安全检查,确保施工区域无危险物品和安全隐患。
2.检查垫铁的放置和安装位置是否符合设计要求,是否与其他构件相碰撞或重叠,是否有错位、漏安、歪斜等问题。
3.检查垫铁的固定方式和数量,是否符合设计要求和施工图纸。
4.检查垫铁的连接方式,如焊接、螺栓连接等,检查焊缝是否牢固,螺栓是否紧固。
5.检查垫铁与基材之间的垫层材料,如橡胶垫、沥青垫等,检查垫层是否齐平、完整,是否有松动、龟裂等问题。
6.对垫铁的质量进行抽样检验,检查垫铁的尺寸、表面质量、材质等是否符合要求。
三、记录和整理1.对检查过程中发现的问题进行记录,如位置、大小、质量不符合要求等。
2.登记垫铁的规格、数量、质量证明等信息。
3.对每个问题进行分类整理,如位置问题、尺寸问题等,以便于后续整改和处理。
4.准备隐蔽工程质量验收报告,详细描述工程的质量问题和整改要求。
四、整改和验收1.依据检查记录和整理的问题清单,组织施工队进行相应的整改工作。
2.对整改后的垫铁进行再次检查,确保问题得到彻底解决。
3.进行隐蔽工程的质量验收,与设计单位、监理单位共同验收,对整改后的工程进行确认。
通过以上的垫铁安装隐蔽工程检查记录,可以对垫铁的安装质量进行全面、系统的评估,及时发现和解决存在的问题,确保施工质量达到设计要求和施工规范。
(以上所述仅为撰写参考,可根据实际情况进行适当调整。
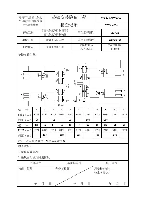
SH/T 3503-J130 垫铁隐蔽记录醇化工有限公司25万吨/年丁辛醇项目单元名称: 成品罐区设备/结构名称正丁醇装车泵位号6000-P501 垫铁布置示意图:垫铁规格为140*70mm,共12组,每组由2块斜垫铁和1块平垫铁组成基础地脚螺栓M18,共6根检查项目安装要求检查结果设备找正数据符合规范要求□不符合符合垫铁规格符合施工方案要求□不符合符合垫铁布置位置符合规范要求□不符合符合每组垫铁块数符合规范要求□不符合符合每组垫铁高度符合设计文件和规范要求□不符合符合垫铁间点焊固定符合规范要求□不符合符合结论:经检查,□不符合符合设计文件和规范要求,□不可以可以隐蔽。
建设/ 监理单位总承包单位施工单位专业工程师:日期:年月日专业工程师:日期:年月日专业工程师:质量检查员:施工班组长:日期:年月日SH/T 3503-J130 垫铁隐蔽记录醇化工有限公司25万吨/年丁辛醇项目单元名称: 成品罐区设备/结构名称催化剂混合槽泵位号6000-P502A 垫铁布置示意图:垫铁规格为140*70mm,共12组,每组由2块斜垫铁和1块平垫铁组成基础地脚螺栓M18,共6根检查项目安装要求检查结果设备找正数据符合规范要求□不符合符合垫铁规格符合施工方案要求□不符合符合垫铁布置位置符合规范要求□不符合符合每组垫铁块数符合规范要求□不符合符合每组垫铁高度符合设计文件和规范要求□不符合符合垫铁间点焊固定符合规范要求□不符合符合结论:经检查,□不符合符合设计文件和规范要求,□不可以可以隐蔽。
建设/ 监理单位总承包单位施工单位专业工程师:日期:年月日专业工程师:日期:年月日专业工程师:质量检查员:施工班组长:日期:年月日SH/T 3503-J130 垫铁隐蔽记录工程名称: 安庆炼化曙光丁辛醇化工有限公司25万吨/年丁辛醇项目单元名称: 成品罐区设备/结构名称正丁醇输送泵位号6000-P502B 垫铁布置示意图:垫铁规格为140*70mm,共12组,每组由2块斜垫铁和1块平垫铁组成基础地脚螺栓M18,共6根检查项目安装要求检查结果设备找正数据符合规范要求□不符合符合垫铁规格符合施工方案要求□不符合符合垫铁布置位置符合规范要求□不符合符合每组垫铁块数符合规范要求□不符合符合每组垫铁高度符合设计文件和规范要求□不符合符合垫铁间点焊固定符合规范要求□不符合符合结论:经检查,□不符合符合设计文件和规范要求,□不可以可以隐蔽。
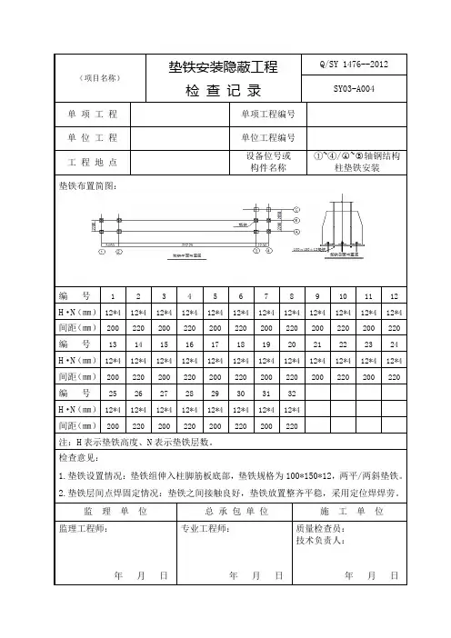
(项目名称)垫铁安装隐蔽工程
检查记录
Q/SY 1476--2012
SY03-A004
单项工程单项工程编号单位工程单位工程编号
工程地点设备位号或
构件名称
①~④/○A~○B轴钢结构
柱垫铁安装
垫铁布置简图:
编号 1 2 3 4 5 6 7 8 9 10 11 12 H·N(㎜)12*4 12*4 12*4 12*4 12*4 12*4 12*4 12*4 12*4 12*4 12*4 12*4 间距(㎜)200 220 200 220 200 220 200 220 200 220 200 220 编号13 14 15 16 17 18 19 20 21 22 23 24 H·N(㎜)12*4 12*4 12*4 12*4 12*4 12*4 12*4 12*4 12*4 12*4 12*4 12*4 间距(㎜)200 220 200 220 200 220 200 220 200 220 200 220 编号25 26 27 28 29 30 31 32
H·N(㎜)12*4 12*4 12*4 12*4 12*4 12*4 12*4 12*4
间距(㎜)200 220 200 220 200 220 200 220
注:H表示垫铁高度、N表示垫铁层数。
检查意见:
1.垫铁设置情况:垫铁组伸入柱脚筋板底部,垫铁规格为100*150*12,两平/两斜垫铁。
2.垫铁层间点焊固定情况:垫铁之间接触良好,垫铁放置整齐平稳,采用定位焊焊劳。
监理单位总承包单位施工单位
监理工程师:
年月日专业工程师:
年月日
质量检查员:
技术负责人:
年月日。
SH/T 3503-J101B垫铁规格 符合施工方案要求 □不符合□符合页脚内容1工程名称:16万吨/年液化气 合成清洁燃料项目单元名称:装置区编号:P TNY-JSSA-SBAZ-001•A 「旷■诊设备/结构名 垫铁布置示意图:脱轻烃塔 C-101设备找正 检查项目 安装要求 检查结果数据符合规范要求 □不符合□符合SH/T 3503-J130垫铁隐蔽记录页脚内容2垫铁规格 符合施工方案要求 □不符合□符合页脚内容3SH/T 3503-J130 垫铁隐蔽记录设备/结构名 垫铁布置示意图: 检查项目 设备找正 原料预处理塔 :/— ■1A A■ 诊安装要求 数据符合规范要求 工程名称:16万吨/年液化气 合成清洁燃料项目单元名称:装置区编号:P TNY-JSSA-SBAZ-002C-102检查结果□不符合□符合页脚内容4垫铁规格 符合施工方案要求 □不符合□符合页脚内容5SH/T 3503-J130 垫铁隐蔽记录设备/结构名 垫铁布置示意图: 检查项目 设备找正 脱异丁烷塔 :/— ■1A A■ 诊安装要求 数据符合规范要求 工程名称:16万吨/年液化气 合成清洁燃料项目单元名称:装置区编号:PTNY-JSSA-SBAZ-003C-201检查结果□不符合□符合页脚内容6垫铁规格 符合施工方案要求 □不符合□符合页脚内容7SH/T 3503-J130 垫铁隐蔽记录设备/结构名 垫铁布置示意图: 检查项目 设备找正 脱正丁烷塔 :/— ■1A A■ 诊安装要求 数据符合规范要求 工程名称:16万吨/年液化气 合成清洁燃料项目单元名称:装置区编号:P TNY-JSSA-SBAZ-004C-202检查结果□不符合□符合页脚内容8SH/T 3503-J101B垫铁规格 符合施工方案要求 □不符合□符合页脚内容9工程名称:16万吨/年液化气合成清洁燃料项目单元名称:装置区编号:P TNY-JSSA-SBAZ-005设备/结构名 垫铁布置示意图: 设备找正 净化风罐 C-202检查项目 安装要求 检查结果数据符合规范要求 □不符合□符合SH/T 3503-J130垫铁隐蔽记录SH/T 3503-J101B页脚内容10工程名称:16万吨/年液化气合成清洁燃料项目SH/T 3503-J130 垫铁隐蔽记录单元名称:装置区编号:PTNY-JSSA-SBAZ-006工程名称:16万吨/年液化气合成清洁燃料项目SH/T 3503-J130 垫铁隐蔽记录单元名称:装置区编号:P TNY-JSSA-SBAZ-007工程名称:16万吨/年液化气 合成清洁燃料项目单元名称:装置区编号:PTNY-JSSA-SBAZ-009设备/结构名排酸罐SH/T 3503-J130 垫铁隐蔽记录D-216工程名称:16万吨/年液化气 合成清洁燃料项目单元名称:装置区编号:P TNY-JSSA-SBAZ-01设备/结构名脱异丁烷塔回流罐SH/T 3503-J130 垫铁隐蔽记录D-212。
设备安装垫铁隐蔽工程记录GY-16
说明:设备垫铁安装找正完毕,经建设、监理等单位共同检查确认后,由施工单位填写,各参加单位
设备安装垫铁隐蔽工程记录GY-16
说明:设备垫铁安装找正完毕,经建设、监理等单位共同检查确认后,由施工单位填写,各参加单位
设备安装垫铁隐蔽工程记录GY-16
设备安装垫铁隐蔽工程记录GY-16
设备安装垫铁隐蔽工程记录GY-16
设备安装垫铁隐蔽工程记录GY-16
说明:设备垫铁安装找正完毕,经建设、监理等单位共同检查确认后,由施工单位填写,各参加单位签字认可。
设备安装垫铁隐蔽工程记录GY-16
说明:设备垫铁安装找正完毕,经建设、监理等单位共同检查确认后,由施工单位填写,各参加单位签字认可。
设备安装垫铁隐蔽工程记录GY-16
说明:设备垫铁安装找正完毕,经建设、监理等单位共同检查确认后,由施工单位填写,各参加单位签字认可。
设备安装垫铁隐蔽工程记录GY-16
说明:设备垫铁安装找正完毕,经建设、监理等单位共同检查确认后,由施工单位填写,各参加单位签字认可。
设备安装垫铁隐蔽工程记录GY-16
说明:设备垫铁安装找正完毕,经建设、监理等单位共同检查确认后,由施工单位填写,各参加单位签字认可。
( 3 )
( 1 ) ( 2 )
选择正确的单线图()。
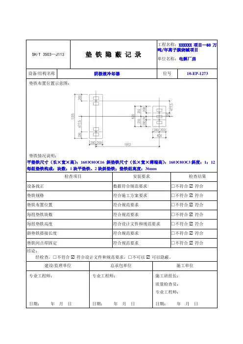
SH/T 3503—J113 垫铁隐蔽记录工程名称:XXXXXXXX项目—60万吨/年离子膜烧碱项目
单位名称:电解厂房A
设备/结构名称阴极液循环泵位号10-PP-1274A
垫铁布置位置示意图:
垫铁情况说明:
平垫铁尺寸(长×宽×高):160×80×16 斜垫铁尺寸(长×宽×薄端高):160×80×3斜度:1:12 每组垫铁构成:块数:1块平垫铁、2块斜垫铁;垫铁组高度:35mm
检查项目安装要求检查结果
设备找正数据符合规范要求□不符合 符合
垫铁规格符合施工方案要求□不符合 符合
垫铁布置位置符合规范要求□不符合 符合
每组垫铁块数符合规范要求□不符合 符合
每组垫铁高度符合设计文件和规范要求□不符合 符合
斜垫铁搭接长度符合规范要求□不符合 符合
垫铁间点焊固定符合规范要求□不符合 符合
结论:
经检查,□不符合 符合设计文件和规范要求,□不可以 可以隐蔽。
建设/监理单位总承包单位施工单位
专业工程师:
日期:年月日专业工程师:
日期:年月日
施工班组长:
质量检查员:
专业工程师:
日期:年月日
7。
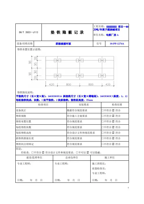
SH/T 3503—J113 垫铁隐蔽记录
工程名称:XXXXXX项目—60万
吨/年离子膜烧碱项目
单位名称:电解厂房
设备/结构名称阴极液冷却器位号10-EP-1273
垫铁布置位置示意图:
垫铁情况说明:
平垫铁尺寸(长×宽×高):160×80×16 斜垫铁尺寸(长×宽×薄端高):160×80×3斜度:1:12 每组垫铁构成:块数:1块平垫铁、2块斜垫铁;垫铁组高度:36mm
检查项目安装要求检查结果
设备找正数据符合规范要求□不符合 符合
垫铁规格符合施工方案要求□不符合 符合
垫铁布置位置符合规范要求□不符合 符合
每组垫铁块数符合规范要求□不符合 符合
每组垫铁高度符合设计文件和规范要求□不符合 符合
斜垫铁搭接长度符合规范要求□不符合 符合
垫铁间点焊固定符合规范要求□不符合 符合
结论:
经检查,□不符合 符合设计文件和规范要求,□不可以 可以隐蔽。
建设/监理单位总承包单位施工单位
专业工程师:
日期:年月日
专业工程师:
日期:年月日
施工班组长:
质量检查员:
专业工程师:
日期:年月日。
. 表H-110
备注:总工对A级实行总体控制;专业负责人、分厂主管厂长、分厂职能科长、车间主任对A、B级实行总体控制;各专业区域负责人、施工员、分厂监工人员对C级实行全过程节点控制
. 表H-110
备注:总工对A级实行总体控制;专业负责人、分厂主管厂长、分厂职能科长、车间主任对A、B级实行总体控制;各专业区域负责人、施工员、分厂监工人员对C级实行全过程节点控制
. 表H-110
备注:总工对A级实行总体控制;专业负责人、分厂主管厂长、分厂职能科长、车间主任对A、B级实行总体控制;各专业区域负责人、施工员、分厂监工人员对C级实行全过程节点控制。