电气照明清单
- 格式:xls
- 大小:69.50 KB
- 文档页数:6
第一章绪论第一节工程建设概预算概述一、工程建设及其内容1、工程建设工程建设(过去通常称为基本建设)是指固定资产扩大再生产的新建、扩建、改建、恢复工程及与之相连带的其他工作。
2、工程建设的内容工程建设的内容包括:(1)建筑工程(2)安装工程(3)设备、工器具及生产家具的购置(4)勘察设计和地质勘探工作(5)其他工程建设工作二、工程建设的项目划分1、建设项目2、单项工程3、单位工程4、分部工程5、分项工程三、概预算分类(一)按工程对象分类1、单位工程概预算2、工程建设其他费用概预算3、单项工程综合概预算4、建设项目总概算(二)按工程建设阶段分类1、投资估算2、设计概算3、施工图预算4、工程量清单计价5、招投标标价6、施工预算7、结算价8、竣工决算四、工程概预算与建设程序1、单件性计价2、多次性计价3、组合性计价第二节注册造价工程师和工程造价咨询制度一、造价工程师注册考核制度(一)申请报考条件1、工程造价专业大专毕业后,从事工程造价业务工作满五年;工程或工程经济类大专毕业后,从事工程造价业务工作满六年;2、工程造价专业本科毕业后,从事工程造价业务工作满四年;工程或工程经济类本科毕业后,从事工程造价业务工作满五年;3、获上述专业第二学士学位或研究生毕业并获硕士学位后,从事工程造价业务工作满三年;4、获上述专业博士学位后,从事工程造价业务工作满两年。
(二)考试内容1、工程造价的相关知识,如投资经济理论、经济法与合同管理、项目管理等知识2、工程造价与控制,除掌握造价基本概念外,主要体现全过程造价确定与控制思想,以及对工程造价管理信息系统的了解3、工程技术与工程计量,这一部分分两个专业考试,即建筑工程与安装工程,主要掌握两专业基本技术知识与计量方法4、案例分析,考察考生实际操作的能力(三)注册造价工程师执业资格实行注册登记制度。
造价工程师的权利义务二、我国工程造价咨询服务实例:某电气照明工程清单计价通常安装工程计价按照以下程序进行:一、熟悉工程概况、施工图与施工说明二、编制依据三、工程清单项目的划分及项目编码表格形式四、工程量计算五、套用定额计价表计算分部分项工程量清单报价六、计算主材费用七、单位工程措施项目清单八、单位工程其他项目清单九、规费明细十、单位工程费用汇总一、熟悉工程概况、施工图与施工说明本住宅楼共6层,每层高3m,一个单元内每层共两户,有A、B两种户型:A户型为4室1厅,约92m2;B户型为3室1厅,约73m2。
电气工程量清单(一)引言概述:电气工程量清单是在电气工程建设过程中,对需要使用的电气设备、电气材料和电气工程工作进行量化、分类和统计的一份清单。
本文将从五个大点阐述电气工程量清单的内容,包括设备清单、材料清单、工程工作清单、工期清单和成本清单。
正文:一、设备清单1. 主配电设备清单,包括变电站设备、配电柜、开关、断路器等。
2. 发电设备清单,包括发电机组、发电机、逆变器等。
3. 照明设备清单,包括照明灯具、照明开关、照明控制器等。
4. 通信设备清单,包括电话机、对讲机、网络交换机等。
5. 控制设备清单,包括PLC、控制器、触摸屏等。
二、材料清单1. 电缆材料清单,包括电力电缆、控制电缆、通信电缆等。
2. 电线材料清单,包括电力电线、控制电线、仪表电线等。
3. 开关插座材料清单,包括开关、插座、面板等。
4. 灯具材料清单,包括照明灯具、灯座、灯罩等。
5. 电气附件材料清单,包括接线端子、连接器、电缆桥架等。
三、工程工作清单1. 线路布置工作清单,包括线路设计、线路敷设、线路连接等。
2. 电气设备安装工作清单,包括设备安装、接线、调试等。
3. 照明系统安装工作清单,包括灯具安装、开关安装、照明控制系统安装等。
4. 通信系统安装工作清单,包括电话机安装、对讲机安装、网络设备安装等。
5. 控制系统安装工作清单,包括PLC安装、控制器安装、触摸屏安装等。
四、工期清单1. 设备采购工期清单,包括设备选型、询价比较、合同签订等。
2. 设备安装工期清单,包括设备运输、设备安装、设备调试等。
3. 工程工作工期清单,包括线路布置、设备安装、系统调试等。
4. 竣工验收工期清单,包括设备验收、工程验收、系统验收等。
5. 计划进度工期清单,包括各项工作的计划开始时间和计划完成时间。
五、成本清单1. 设备采购成本清单,包括设备购买费用、运输费用、安装费用等。
2. 材料采购成本清单,包括电缆、电线、开关等材料的采购费用。
3. 外包工程成本清单,包括外包工程的合同费用、人力费用、材料费用等。
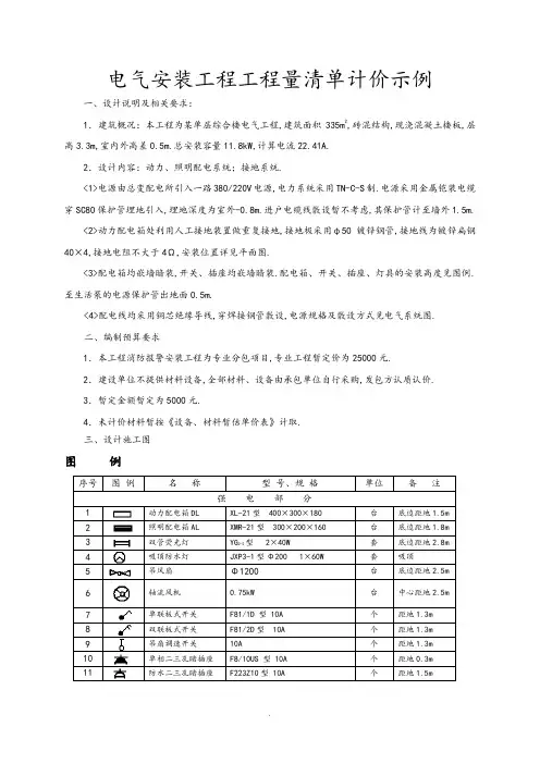
电气安装工程工程量清单计价示例一、设计说明及相关要求:1.建筑概况:本工程为某单层综合楼电气工程,建筑面积335m2,砖混结构,现浇混凝土楼板,层高3.3m,室内外高差0.5m.总安装容量11.8kW,计算电流22.41A.2.设计内容:动力、照明配电系统;接地系统.<1>电源由总变配电所引入一路380/220V电源,电力系统采用TN-C-S制.电源采用金属铠装电缆穿SC80保护管埋地引入,埋地深度为室外-0.8m.进户电缆线敷设暂不考虑,其保护管计至墙外1.5m.<2>动力配电箱处利用人工接地装置做重复接地,接地极采用φ50镀锌钢管,接地线为镀锌扁钢40×4,接地电阻不大于4Ω,安装位置详见平面图.<3>配电箱均嵌墙暗装,开关、插座均嵌墙暗装.配电箱、开关、插座、灯具的安装高度见图例.至生活泵的电源保护管出地面0.5m.<4>配电线均采用铜芯绝缘导线,穿焊接钢管敷设,电源规格及敷设方式见电气系统图.二、编制预算要求1.本工程消防报警安装工程为专业分包项目,专业工程暂定价为25000元.2.建设单位不提供材料设备,全部材料、设备由承包单位自行采购,发包方认质认价.3.暂定金额暂定为5000元.4.未计价材料暂按《设备、材料暂估单价表》计取.三、设计施工图图例序号图例名称型号、规格单位备注强电部分1 动力配电箱DL XL-21型 400×300×180 台底边距地1.5m2 照明配电箱AL XMR-21型 300×200×160 台底边距地1.8m3 双管荧光灯YG2-2型 2×40W 套底边距地2.8m4 吸顶防水灯JXP3-1型Φ200 1×60W 套吸顶5 吊风扇Φ1200台底边距地2.5m6 轴流风机0.75kW 台中心距地2.5m7 单联板式开关F81/1D 型 10A 个距地1.3m8 双联板式开关F81/2D型 10A 个距地1.3m9 吊扇调速开关10A 个距地1.3m10 单相二三孔暗插座F8/10US 型 10A 个距地0.3m11 防水二三孔暗插座F223Z10型 10A 个距地1.5m四、工程量统计1.了解施工设计说明通过仔细阅读设计说明,了解工程概况及设计内容和要求.<1>本工程为单层砖混建筑,层高3.3m,室内外高差0.5m.<2>进户电源采用电缆穿钢管<SC80>埋地引入,埋深室外-0.8m.<3>动力配电箱处设计有人工重复接地装置.<4>动力配电箱底边距地1.5m,照明配电箱底边距地1.8m,开关距地1.3m,普通插座距地0.3m,防水插座距地1.5m.2.识读系统图通过阅读系统图,主要了解配电系统的主要内容和回路分配情况,以及各回路导线的型号、规格和敷设方式、敷设部位等.<1>动力配电箱共分出五个回路.N1回路为风机供电,配线采用BV-4×2.5<三根相线、一根保护零线>穿焊接钢管SC20沿墙、沿地暗敷,风机中心距地面2.5m,风机功率为0.75kW,属微型电机,风机安装亦属设备安装专业,电气安装只计其检查接线和调试内容;N2回路为生活水泵供电,配线采用BV-4×4<三根相线、一根保护零线>穿焊接钢管SC25沿墙、沿地暗敷,水泵端线管出地面0.5m,水泵安装属设备安装专业,电气安装只计其检查接线和调试内容;N3回路为照明配电箱供电,配线采用BV-5×6<三根相线、一根工作零线和一根保护零线>穿焊接钢管SC32沿墙、沿地暗敷设.N4回路为泵房防水插座供电,配线采用BV-3×2.5<一根相线、一根工作零线和一根保护零线>穿焊接钢管SC15沿墙、沿地暗敷设.N5回路为泵房照明供电,配线采用BV-2×2.5<一根相线、一根工作零线>穿焊接钢管SC15沿墙、沿顶板暗敷设.<2>两个照明配电箱各分出两个回路.M1回路为房间插座供电,配线采用BV-3×2.5<一根相线、一根工作零线和一根保护零线>穿焊接钢管SC15沿墙、沿地暗敷设.M2回路为房间照明供电,配线采用BV-2×2.5<一根相线、一根工作零线>穿焊接钢管SC15沿墙、沿顶板暗敷设.3.识读平面图通过阅读平面图,主要了解电气装置安装的具体安装位置、安装方式及相互间连线关系等.<1>泵房内四套防水灯具采用吸顶安装,由安装在门内侧的一个双联板式暗装开关控制,泵房左侧的两套灯具为一组,右侧的两套为另一组.<2>两个房间的照明为对称设计,各装两套双管荧光灯具,采用链吊安装,均由房间门内侧的一个单联板式暗装开关控制.房间中间的吊风扇由门内侧的一个调速开关控制.<3>插座回路均为三根线,照明回路除有标注外,均为两根线.4.填写工程量计算表"主要工作项目工程量"填写的内容是需要在分部分项工程量清单中出现的项目;"辅助工作项目工程量"填写的内容是在分部分项工程量清单项目工程内容中出现的辅助工作项目.本工程为单层电气工程,因此采用分回路统计配管、配线工程量较为清晰.首先在平面图中按比例测量并标出各段线路水平尺寸<如平面图线段的标注>,然后分回路统计其配管、配线工程量,最后进行汇总.详见工程量计算表.工程量计算表是编写分部分项工程量清单的前提,是编写清单的草稿,不属清单文件的正式内容,但作为造价员考试,需要了解学生的计量能力,所以项目名称方面可简写.分部分项工程量计算表注:"→"代表水平部分,"↑"代表垂直部分.某综合楼电气工程工程量清单招标人:×××<签字或盖章>法定代表人:×××<签字或盖章>招标代理人:×××<签字或盖章>法定代表人:×××<签字或盖章>编制人:×××<造价员签字盖专用章>复核人:×××<造价员签字盖专用章>编制时间:×年×月×日复核时间:×年×月×日总说明工程名称:某综合楼电气工程动力、照明专业第 1 页共 1页一、工程概况:本工程为综合楼单层建筑,,层高为 3.0m,室内外高差0.5m.砖混结构,现浇混凝土楼板.施工平面图比例为1﹕100.建筑面积为:335m2,工程地点在**市高陵县,施工日期为2012年5月—2012年7月,施工地点已具备施工条件,材料运输极为方便.二、工程分包范围:工程设计的全部动力和照明安装工程、接地工程.火灾自动报警工程为专业分包项目.三、清单的编制依据:1.**省建设工程工程量清单计价规则<2009>;2.本工程设计施工图纸和有关文件;3.正常的施工方法和施工组织;4.招标文件和相关要求;5.与本工程项目有关的的标准、规范、技术资料;6.**省2004年电气设备安装工程消耗量定额;7.**省安装工程2009年计价费率.四、材料的供应范围及材料价格1.全部设备、材料由承包人自行采购.2.主要材料单价暂按《设备、材料暂估单价表》计取.五、工程质量本工程的质量应达到合格标准,其施工材料全部采用合格产品.六、暂列金额及专业工程暂估价1. 暂列金额为5000元.2. 专业工程暂估价为25000元.七、其它1.本工程要求投标人严格按照"**省建筑工程工程量计价规则"中规定的表格格式进行投标报价.2.本工程要求投标人在投标报价时提供分部分项工程工程量清单中配管、配线清单项目综合单价分析表 .3.本工程要求投标人提供"主要材料价格表",并按实进行填报.4.本工程要求投标人提供招标文件一式三份,正本一份,副本两份;电子版两份.分部分项工程量清单工程名称:某综合楼电气工程动力、照明工程专业第1页共1页注:吊风扇安装已包括其调速开关的安装,所以调速开关安装不必另列清单项目.措施项目清单工程名称:某综合楼电气工程动力、照明工程专业第1页共1页其他项目清单工程名称:某综合楼电气工程动力、照明工程专业第1页共1页规费、税金项目清单工程名称:某综合楼电气工程动力、照明工程专业第1页共1页暂列金额明细表工程名称:某综合楼电气工程动力、照明工程专业第1页共1页专业工程暂估价明细表工程名称:某综合楼电气工程动力、照明工程专业第1页共1页计日工表工程名称:某综合楼电气工程动力、照明工程专业第1页共1页总承包服务项目表工程名称:某综合楼电气工程动力、照明工程专业第1页共1页注:本工程所有材料、设备均由乙方采购,所以不计甲供材料、设备保管费用.甲供材料、设备数量及单价明细表工程名称:某综合楼电气工程动力、照明工程专业第1页共1页材料、设备暂估单价明细表工程名称:某综合楼电气工程动力、照明工程专业第1页共1页某综合楼电气工程工程量清单计价表编制单位:×××<单位盖章>法定代表人或其授权人:×××<签字或盖章>编制人:×××<造价人员签字盖专用章>复核人:×××<造价人员签字盖专用章>编制时间:×年×月×日复核时间:×年×月×日某综合楼电气工程招标最高限价最高限价〕小写〔:49431.86元〕大写〔:肆万玖仟肆佰叁拾壹元捌角陆分招标人:×××<单位盖章>法定代表人或其授权人:×××<签字或盖章>工程造价咨询人或招标代理人:×××<单位盖章>法定代表人或其授权人:×××<签字或盖章>编制人:×××<造价员签字盖专用章>复核人:×××<造价员签字盖专用章>编制时间:×年×月×日复核时间:×年×月×日单位工程造价汇总表工程名称:某综合楼电气工程动力、照明工程专业第1页共1页分部分项工程量清单计价表工程名称:某综合楼电气工程动力、照明工程专业第1页共2页分部分项工程量清单计价表工程名称:某综合楼电气工程动力、照明工程专业第2页共2页措施项目清单计价表工程名称:某综合楼电气工程动力、照明工程专业第1页共1页其他项目清单计价表工程名称:某综合楼电气工程动力、照明工程专业第1页共1页计日工计价表工程名称:某综合楼电气工程动力、照明工程专业第1页共1页注:人工工日综合单价应考虑相应的管理费、利润和风险,即:42+42×20.54%+42×22.11%=59.91<元>总承包服务费计价表工程名称:某综合楼电气工程动力、照明工程专业第1页共1页注:发包人发包专业工程管理服务费按《计价费率》中相关规定确定,即:专业工程暂估价×4%=1000.00<元> 投标人可自主报价.规费、税金项目清单计价表工程名称:某综合楼电气工程动力、照明工程专业第1页共1页注:本工程地点在**市高陵县县城,所以税金的税率应选3.35%.工程量清单综合单价分析表工程名称:某综合楼电气工程动力、照明工程专业第1页共1页注:工程量清单综合单价分析表的填写应按招标文件<清单总说明>的要求项目填写,本工程只要求填报配管、配线项目的综合单价分析.另外,填写的内容应为综合单价中的各项费用组成.分部分项工程量清单综合单价计算表注:分部分项工程量清单综合单价计算表是为确定清单项目综合单价而设定的,只是方便计价人统计相关费用的计算表格形式,是计算过程的需要.投标人在其投标文件中不需要呈报该项内容.分部分项工程量清单综合单价计算表1工程名称:某综合楼电气照明、动力工程计量单位:台项目编码:030204018001 工程数量:1项目名称:成套动力配电箱嵌入安装综合单价:1002.88元/台注:⑴配电箱属于应计入建安造价费用的设备;⑵动力配电箱内的端子板外部接线一般套用"有端子外部接线"定额项目;⑶分项直接工程费=人工费+材料费<主材+辅材>+机械费=130.28+97.03+720.00=947.31元;⑷分项管理费=人工费×管理费费率=130.28×20.54%=26.76元;⑸分项利润=人工费×利润率=130.28×22.11%=28.81元;⑹分项风险:招标人编制招标最高限价时应按招标文件中要求投标人承担的风险内容和幅度计取风险费用;但投标报价中风险费用的多少是投标人自主确定的.本例中对风险内容无合同规定,所以暂不计取;⑺合计=人工费+材料费+机械费+管理费+利润+一定范围内的风险=130.28+97.03+720.00+26.76+28.81=1002.88元;⑻分项综合单价=合计÷清单工程量=1002.88÷1=1002.88元/台.分部分项工程量清单综合单价计算表2工程名称:某综合楼电气照明、动力工程计量单位:台项目编码:030204018002 工程数量:2注:照明配电箱内的端子板外部接线一般套用"无端子外部接线"定额项目.分部分项工程量清单综合单价计算表3工程名称:某综合楼电气照明、动力工程计量单位:台项目编码:030206006001 工程数量:1项目名称:小型交流异步电动机检查接线<4KW> 综合单价:607.60元/台注:规范要求各种电机的检查接线,均需配有相应的金属软管.定额规定每台设备金属软管按1.25m,活接头按2.04套计算.分部分项工程量清单综合单价计算表4工程名称:某综合楼电气照明、动力工程计量单位:台项目编码:030206009001 工程数量:1项目名称:微型电动机检查接线<0.75KW> 综合单价:231.41元/台分部分项工程量清单综合单价计算表5工程名称:某综合楼电气照明、动力工程计量单位:套项目编码:************工程数量:4项目名称:成套双管荧光灯链吊安装<2×40W> 综合单价:140.58元/套注:⑴荧光灯具的损耗率为1%<安装定额子目中查得>.所以灯具主材的消耗量为:4×<1+1%>=4.04<套>⑵荧光灯管损耗率为1.5%<安装定额第二册总说明《主要材料损耗率表》中规定>.所以灯管的消耗数量为:2×4×<1+1.5%>=8.12<支>分部分项工程量清单综合单价计算表6工程名称:某综合楼电气照明、动力工程计量单位:套项目编码:************工程数量:4项目名称:工厂防水吸顶灯安装<1×60W> 综合单价:156.02元/套分部分项工程量清单综合单价计算表7分部分项工程量清单综合单价计算表8项目名称:单联翘板暗装开关项目编码:030204031002 综合单价:15.57元/套分部分项工程量清单综合单价计算表9分部分项工程量清单综合单价计算表10项目名称:单相五孔暗装插座项目编码:030204031004 综合单价:19.10元/套分部分项工程量清单综合单价计算表11项目名称:单相五孔防水型暗装插座项目编码:030204031005 综合单价:29.14元/套分部分项工程量清单综合单价计算表12项目名称:砖、混暗配SC80 项目编码:************综合单价:75.78元/m注:线管敷设定额中已包括刷漆、接地等工作,所以刷漆、接地费用不得另计.分部分项工程量清单综合单价计算表13项目名称:砖、混暗配SC32 项目编码:************综合单价:25.91元/m分部分项工程量清单综合单价计算表14分部分项工程量清单综合单价计算表15工程名称:某综合楼电气照明、动力工程计量单位:m项目编码:************工程数量:10.3项目名称:砖、混暗配SC20 综合单价:15.69元/m分部分项工程量清单综合单价计算表16工程名称:某综合楼电气照明、动力工程计量单位:m项目编码:************工程数量:66.1项目名称:砖、混暗配SC15 综合单价:14.60元/m注:灯头盒安装执行接线盒安装定额项目;插座盒与开关盒相同,可一并统计,均执行开关盒安装定额项目.分部分项工程量清单综合单价计算表17项目名称:管内穿线<动力>BV-4 项目编码:************综合单价:6.96元/m注:规范规定,动力设备配线出管口应预留1m,配电箱内预留半周长.所以动力配线BV-4的组价工程量应为:26+1×4<根数>+<0.4+0.3>×4<根数>=32.8<m>分部分项工程量清单综合单价计算表18注:规范规定,绝缘导线在配电箱内应预留半周长.所以动力配线BV-2.5的组价工程量应为:41.2+<0.4+0.3>×4<根数>=44<m>分部分项工程量清单综合单价计算表19注:规范规定,绝缘导线在配电箱内应预留半周长.所以照明配线BV-6的组价工程量应为:71+<0.4+0.3>×5<根数>+<0.3+0.2>×5<根数>×3<回路数>=82<m>分部分项工程量清单综合单价计算表20 项目名称:管内穿线<照明>BV-2.5 清单编码:************综合单价:4.51元/m注:规范规定,绝缘导线在配电箱内预留半周长.所以照明配线BV-2.5的组价工程量应为:178.6+<0.4+0.3> ×[2<灯具回路>+3<插座回路>]+{<0.3+0.2>×[2<灯具回路>+3<插座回路>]×2<两个房间>}=187.1<m>分部分项工程量清单综合单价计算表21 项目名称:接地装置<安装> 清单编码:030209001001 综合单价:832.00元/项分部分项工程量清单综合单价计算表22项目名称:接地装置<测试> 清单编码:************综合单价:327.19元/组.。
实例:某电气照明工程清单计价通常安装工程计价按照以下程序进行:一、熟悉工程概况、施工图与施工说明二、编制依据三、工程清单项目的划分及项目编码表格形式四、工程量计算五、套用定额计价表计算分部分项工程量清单报价六、计算主材费用七、单位工程措施项目清单八、单位工程其他项目清单九、规费明细十、单位工程费用汇总一、熟悉工程概况、施工图与施工说明本住宅楼共6层,每层高3m,一个单元内每层共两户,有A、B两种户型:A户型为4室1厅,约92m2;B户型为3室1厅,约73m2。
共用楼梯、楼道。
本电气照明工程提供了两张设计图纸,电气照明平面图(见图1)和配电系统图(见图2).图2 某住宅楼供电系统图图1 某住宅楼电气照明平面图2由图2的配电系统图可知,每层住宅楼采用220V单相三线系统供电。
在楼道内设置一个配电箱AL-1,安装高度为1.8m,配电箱有4路输出线,其中,1L为A户供电,2L为B户供电,导线使用铜芯塑料绝缘线,3根,截面积为6mm2,穿钢管敷设,管径为25mm,敷设方式为沿墙暗敷,3L供楼梯照明,4L为备用,3L、4L的预算省略。
A户、B户在室内各安装一个配电箱AL—1—2、AL—1—1,其安装高度为1。
8m,分别采用3路供电,其中L l供各房间照明,L2供起居室、卧室内的家用电器用电,L3供厨房、卫生间用电。
房间内所有照明、插座管线均选用了2.5mm2铜芯塑料绝缘线,穿线管使用20mm管径的PVC硬质塑料管,敷设在现浇混凝土楼板内,竖直方向为暗敷设在墙体内.照明回路沿墙和楼顶板暗敷,插座回路沿墙和楼地板暗敷。
所有开关距地1.4m安装,插座距地0.4m安装。
二、编制依据(本电气照明工程清单计价)主要编制依据有:①工程施工图(平面图和系统图)和相关资料说明。
②《江苏省建设工程工程量清单计价项目指引》.③《江苏省安装工程计价表》(2004年)。
④国家和工程所在地区有关工程造价的文件.三、工程清单项目的划分及项目编码表格本电气照明工程可划分成11个清单安装项目:1、照明配电箱安装;2、小电器板式开关安装;3、小电器插座安装;4、电气配管(电线钢管敷设);5、电气配管(电线PVC管敷设);6、电气配管(接线盒安装);7、电气配线(6mm2铜芯塑料绝缘线的管内穿线);8、电气配线(2。
物业管理电气设备采购清单1. 引言本文档旨在提供物业管理公司在电气设备采购过程中所需的清单,以帮助公司有效地管理和维护物业设施。
该清单列举了常见的电气设备,并提供了必要的信息,如设备名称、规格、数量和预算。
通过按照该清单进行采购,物业管理公司将能够确保设备的质量和符合预算。
2. 设备清单2.1 照明设备•灯具:LED灯、日光灯等•开关和插座:墙壁开关、多功能插座等•灯控设备:光敏开关、感应开关等•紧急照明设备:安全灯、应急指示灯等2.2 配电设备•断路器:空气开关、小型断路器等•熔断器:熔断器箱、熔断器座等•电力仪表:电能表、功率因数表等•电缆线:电力电缆、控制电缆等2.3 空调和通风设备•空调设备:中央空调、分体空调等•通风设备:排风扇、风机等•空气净化设备:空气净化器、除尘器等•温湿度传感器:温度传感器、湿度传感器等2.4 安全设备•火灾报警设备:烟雾探测器、手动报警按钮等•安防监控设备:摄像头、监控录像机等•门禁系统:门禁读卡器、门禁控制器等•停电保护设备:UPS电源、发电机等2.5 通讯设备•电话系统:固定电话、IP电话等•无线网络设备:无线路由器、无线AP等•有线网络设备:交换机、光纤模块等3. 采购流程为了确保电气设备采购的顺利进行,物业管理公司需要遵循以下采购流程:1.制定采购计划:根据物业设施的实际需求,制定电气设备采购计划,明确需要采购的设备名称、规格和数量。
2.调查市场供应商:通过在线搜索、询价和对比不同供应商的报价,选择信誉良好、产品质量可靠的供应商。
3.发布采购公告:向潜在的供应商发布采购公告,并邀请其提供报价和产品信息。
4.评估报价和产品:根据供应商提供的报价和产品信息,评估其与采购计划的匹配程度,挑选出合适的供应商。
5.签订合同:与选定的供应商进行合同谈判,并确保合同中明确设备的规格、数量、交付期限和付款方式等重要条款。
6.进行订购和交付:根据合同的约定,与供应商确认订单并安排设备的交付和安装。
电气工程预算实例清单与计价样本电气工程预算是指对一项电气工程项目所需的材料、设备、人工以及其他费用进行估算和计算,从而确定项目的总成本。
在编制电气工程预算时,需要清单与计价样本,以便详细列出所需材料和设备的数量和价格,并计算出总成本。
下面是一个电气工程预算的清单与计价样本的实例。
清单与计价样本:项目名称:XX电气工程项目项目地点:XX市XX区1.工程范围及规模:本项目主要包括以下工程范围及规模:-安装电源系统-安装照明系统-安装插座和开关-安装通信系统2.工程材料清单:2.1电源系统-主配电箱:数量1,单价XX元/个-分配箱:数量3,单价XX元/个-断路器:数量10,单价XX元/个2.2照明系统-射灯:数量20,单价XX元/个-日光灯:数量50,单价XX元/个-照明开关:数量10,单价XX元/个2.3插座和开关-墙插座:数量50,单价XX元/个-开关:数量20,单价XX元/个-电线:数量500米,单价XX元/米-电线槽:数量100米,单价XX元/米2.4通信系统-网线:数量200米,单价XX元/米-通信插座:数量10,单价XX元/个3.工程人工清单:-项目经理:工时100,工价XX元/小时-电工:工时500,工价XX元/小时-助手:工时200,工价XX元/小时4.其他费用清单:-工程管理费:总费用XX元-资金使用费:总费用XX元-安全保障费:总费用XX元计价样本:根据清单中的材料和设备数量和价格,可以进行计算得出总成本。
1.材料费用计算:电源系统费用=(数量主配电箱*单价主配电箱)+(数量分配箱*单价分配箱)+(数量断路器*单价断路器)照明系统费用=(数量射灯*单价射灯)+(数量日光灯*单价日光灯)+(数量照明开关*单价照明开关)插座和开关费用=(数量墙插座*单价墙插座)+(数量开关*单价开关)+(数量电线*单价电线)+(数量电线槽*单价电线槽)总材料费用=电源系统费用+照明系统费用+插座和开关费用+通信系统费用2.人工费用计算:项目经理费用=工时项目经理*工价项目经理电工费用=工时电工*工价电工助手费用=工时助手*工价助手总人工费用=项目经理费用+电工费用+助手费用3.其他费用计算:总其他费用=工程管理费+资金使用费+安全保障费4.总成本计算:总成本=总材料费用+总人工费用+总其他费用以上是电气工程预算的清单与计价样本实例。
最全电气工程工程量计算及实例清单电气工程工程量计算是指根据电气工程所需的设备、材料、人工和施工部位等要素,进行量化计算以确定工程的投资预算和施工进度安排的工作。
以下是电气工程工程量计算的实例清单,通过综合考虑工程的规模、材料、设备和人力资源等因素,实现工程的准确预算和合理安排。
1.主配电系统的工程量计算:-主配电室的平方米数-设备柜数量及尺寸-汇流箱数量及尺寸-配电盘(总开关、接触器、断路器等)的数量及规格-低压电缆长度及规格-主配电系统的安装费用-人工和材料费用2.照明系统的工程量计算:-照明灯具的数量及规格-照明控制系统的数量及规格-照明电缆的长度及规格-照明系统的安装费用-人工和材料费用3.动力系统的工程量计算:-电机数量及规格-变频主机数量及规格-电动机控制柜数量及规格-主配线长度及规格-动力系统的安装费用-人工和材料费用4.安防系统的工程量计算:-安全监控摄像头的数量及规格-门禁系统的数量及规格-报警系统的数量及规格-安防系统的安装费用-人工和材料费用5.通信系统的工程量计算:-计算机网络线数量及长度-安防监控系统数量及规格-通信系统的安装费用-人工和材料费用6.地下电缆线路的工程量计算:-电缆线数量及规格-手孔、井道、桥架等的数量及规格-地下电缆线路的安装费用-人工和材料费用7.配电箱和回路的工程量计算:-配电箱数量及规格-回路数量及规格-配电箱和回路的安装费用-人工和材料费用8.监控系统的工程量计算:-摄像机数量及规格-录像机和监控屏幕的数量及规格-监控系统的安装费用-人工和材料费用以上是电气工程工程量计算的实例清单,涉及到主配电系统、照明系统、动力系统、安防系统、通信系统、地下电缆线路、配电箱和回路以及监控系统等方面的工程量计算。
通过对这些要素的综合计算,可以准确预算和安排电气工程的投资和进度。
实例:某电气照明工程清单计价通常安装工程计价按照以下程序进行:一、熟悉工程概况、施工图与施工说明二、编制依据三、工程清单项目的划分及项目编码表格形式四、工程量计算五、套用定额计价表计算分部分项工程量清单报价六、计算主材费用七、单位工程措施项目清单八、单位工程其他项目清单九、规费明细十、单位工程费用汇总一、熟悉工程概况、施工图与施工说明本住宅楼共6层,每层高3m, —个单元内每层共两户,有 A、B两种户型:A 户型为4室1厅,约92m2; B户型为3室1厅,约73m2。
共用楼梯、楼道。
本电气照明工程提供了两张设计图纸,电气照明平面图(见图1)和配电系统图(见图2)。
.4L-1S:房间照明S:起§室、卧羽f座J室)Lj:厨雳、卫生陶力220V3L-BV-25 SC15-FC图2某住宅楼供电系统图.XL-1-24L-B\-:5SC15-FC■备用©1©o©in房风1.S%1--1主卧宜3121-ffW*-IKZS习u.卫牛测o [2 500 2 850.;咖®(3 @.」窝申丁 2旳,.品屛电==图1某住宅楼电气照明平面图由图 2 的配电系统图可知,每层住宅楼采用 220V 单相三线系统供电。
在楼道内设置一个配电箱AL-1,安装高度为1.8m,配电箱有4路输出线,其中,1L为A户供电,2L为B户供电,导线使用铜芯塑料绝缘线,3根,截面积为6mm2,穿钢管敷设,管径为25mm,敷设方式为沿墙暗敷,3L供楼梯照明, 4L 为备用, 3L、 4L 的预算省略。
A户、B户在室内各安装一个配电箱 AL-1-2、AL-1-1,其安装高度为 1.8m,分别采用3路供电,其中L供各房间照明,L2供起居室、卧室内的家用电器用电,L3 供厨房、卫生间用电。
房间内所有照明、插座管线均选用了2.5mm2铜芯塑料绝缘线,穿线管使用 20mm 管径的 PVC 硬质塑料管,敷设在现浇混凝土楼板内,竖直方向为暗敷设在墙体内。
装修工程电气设备表
1. 项目概况
本文档旨在提供装修工程中所涉及的电气设备清单。
2. 设备清单
以下是本装修工程所需要的电气设备清单:
1. 照明设备:
- 灯具:包括吊灯、台灯、壁灯等。
- 照明开关:包括普通开关、触摸开关等。
2. 电力设备:
- 插座:包括三孔插座、五孔插座等。
- 电源插头及线缆:用于连接电器设备及电源。
- 断路器:用于保护电路,防止过载。
3. 通信设备:
- 电话插座:用于连接电话设备。
- 网络插座:用于连接计算机及网络设备。
- 电视插座:用于连接电视及相关设备。
4. 安全设备:
- 烟雾报警器:用于检测烟雾并发出警报。
- 泄漏报警器:用于检测水泄漏并发出警报。
3. 安装要求
- 所有电气设备必须符合国家标准,并经过合格的电工安装。
- 安装位置和高度应根据实际需要进行合理布置,以确保使用方便和安全。
- 所有开关和插座应安装在易于接触的位置,并且要符合人体工程学原则。
4. 维护保养
- 对于照明设备,定期检查并更换损坏的灯泡。
- 对于断路器和报警器等设备,定期测试其功能是否正常,并及时更换损坏的设备。
以上是本文档所列出的装修工程电气设备清单及相关要求。
在进行装修工程时,请务必遵守相关安全规定和法律法规,确保工程的质量和安全性。
电气工程维修部开办电器零件清单一、引言本文档旨在为电气工程维修部提供一份电器零件清单,以便于维修部门管理和维护电气设备的需要。
二、清单内容以下是电气工程维修部需要备有的电器零件清单:1. 电线和电缆- 塑料电线- 橡皮电缆- 铜导线- 铝导线2. 插头和插座- 欧标插头- 美标插头- 万能插座3. 开关和插座- 常规开关- 智能开关- 保护插座- 路灯控制器4. 灯泡和灯管- 白炽灯泡- 荧光灯管- LED灯泡5. 熔断器和保险丝- 玻璃熔断器- 陶瓷熔断器- 微型保险丝6. 开关电源和逆变器- 直流开关电源- 变频逆变器- 可编程电源7. 电机和变压器- 交流电机- 直流电机- 励磁变压器- 隔离变压器8. 控制器和传感器- PLC控制器- 温湿度传感器- 光电传感器三、案例分析以下是一些常见的案例分析,展示了电气工程维修部可以使用清单中的零件进行维修的情况:1. 案例一:断电故障- 故障描述:某房间突然断电,其他房间电力正常。
- 解决方案:检查插座和插头连接,更换熔断器。
2. 案例二:照明灯闪烁- 故障描述:某房间照明灯持续闪烁。
- 解决方案:检查灯泡和灯管,更换不正常的灯泡或灯管。
四、结论本文档提供了一个电器零件清单,旨在帮助电气工程维修部门管理和维护电气设备。
清单中列出了常见的电器零件,并附有案例分析,展示了这些零件在维修中的使用情况。
希望这份清单对电气工程维修部门的工作有所帮助。
第一章电气照明工程清单计量与计价【例题1】某局部照明工程施工说明:1、照明配电箱为嵌墙式,箱尺寸为W×H×D(500×400×170),安装高度离地1.5m。
2、照明线采用BV-2.5mm2,穿电线管沿墙或楼板暗敷,穿管管径2~4根线穿MT20(埋地为SC20),5~6根线穿MT25(埋地为SC25)。
3、开关离地1.3米,插座高度见图纸上,管子沿楼板敷设标高为2.9m,埋地敷设高度为-0.1m。
4、图中括号内的数据为水平长度,单位m。
局部照明平面图问题:根据图示内容和《建设工程工程量清单计价规范》(GB50500-2013)和《通用安装工程工程量计算规范》(GB50856-2013)编制分部分项工程清单。
【例题2】某控制室照明系统Ⅰ回路施工说明:1)照明配电箱AZM由本层总配电箱引来,配电箱为嵌入式安装,安装高度离地1.6m,配电箱箱宽350mm,箱高200mm。
2)管路均采用镀锌钢管Φ15沿墙、楼板暗配,顶管敷设标高4.5m,管内穿绝缘导线ZRBV-500 2.5mm2。
3)开关离地1.4m;装饰灯为点光源灯,吸顶,型号FZS-164;荧光灯型号YG2-24)配管水平长度见括号内数字,单位为m。
表中数据为计算该照明工程相关定额问题:1)某控制室照明工程图在计算工程量时,造价人员发现有错误,为能合理计算计算工程造价,请把图中错误找出,并进行修改。
2)根据图示内容和《建设工程工程量清单计价规范》(GB50500-2013)和《通用安装工程工程量计算规范》(GB50856-2013)的相关规定计算工程量,管线工程量;编制分部分项工程量清单及计价表(不计算计价部分)。
3)假设镀锌钢管DN15暗配的清单工程量为50m,其余条件不变,依据上述相关定额计算镀锌钢管DN15暗配项目的综合单价,填写综合单价分析表(金额保留两位小数,其余保留三位小数)管理费、利润分别按人工费的33%和7%计算,人工单价为74元/工日。