电线线径计算方法
- 格式:doc
- 大小:26.50 KB
- 文档页数:1
高压线线径与负荷计算
高压线的线径与负荷计算是为了确定高压线的横截面积,以满足负荷所需的电流传输能力和线路的安全性能。
线径计算通常基于以下几个因素:
1. 负荷大小:确定所需的电流大小。
2. 距离:线路的长度决定了电线的电阻损耗。
3. 材料导电特性:不同的导线材料具有不同的电阻和电流传输能力。
一般来说,线径计算可以通过下面的公式进行:
线径(毫米)= [ 2 × (负荷 ×距离 ×电阻率) / (可接受的电压降× 0.866 ×导线材料的电导) ] 的开平方
其中,负荷是电流大小,距离是线路的长度,电阻率是线材的电阻率,可接受的电压降是线路允许的电压降,0.866 是三相工程中幅值修正因子,导线材料的电导是根据导线材料的特性确定的。
需要注意的是,线径计算还需要考虑负荷类型以及线路的安全因素,如局部过载、短路等。
因此,在进行线径计算时,最好咨询专业工程师或相关规范进行合理设计。
其实电线也可以称呼它的直径的,比如1平方的也可称直径1.13mm,1.5平方的也可说是1.37(mm直径)。
因为选用电线时主要考虑电线使用时会不会严发热造成事故,电线的(截面积)平方数与通过的电流安培数有直接对应的倍数关系,计算起来很简单方便。
比如一平方铜电线流过6A 电流是安全的,不会严重发热。
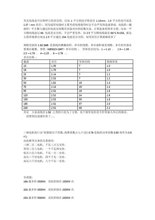
如2.5平方铜电线就是6A*2.5=15A, 就这么简单地算出来这2.5平方通过15A电流是安全的,如用直径计算就麻烦多了规格里面的1.5/2.5/4/6 是指线的横截面积。
单芯的线缆,单芯面积就是规格,多芯的里面还要乘以根数。
参照《GB5023-1997》单芯结构;导体直径均为:1 —1.13 、 1.5—1.38 、2.5 —1.78 、4—2.25 、6 —2.76 、、其实大家说线径1.5/2 之类的只是为了方便,是个很常见但是不经常被人纠正的错误。
没想到还迷惑住你了......三相电机的口决"容量除以千伏数,商乘系数点七六"(注0.76是取的功率因数0.85效率为0.9时)由此推导出来的关系就有:三相二百二电机,千瓦三点五安培。
常用三百八电机,一个千瓦两安培。
低压六百六电机,千瓦一点二安培。
高压三千伏电机,四个千瓦一安培。
高压六千伏电机,八个千瓦一安培。
负荷量:16A最多供3500W,实际控制在1500W内20A最多供4500W,实际控制在2000W内25A最多供5000W,实际控制在2000W内32A最多供7000W,实际控制在3000W内40A最多供9000W,实际控制在4500W内电器的额定电流与导线标称横截面积数据见表2。
表2 电器的额定电流与导线标称横截面积数据多大的电源线径可以负荷最大多少的功率和电流了吧?请分别以0.75、1、1.5、2.5、4、6(平方毫米)的铜芯线0.75mm2、5A;1mm2、6A;1.5mm2、9A;2.5mm2、15A;4mm2、24A;6mm2、36A。
其实电线也可以称呼它的直径的,比如1平方的也可称直径1.13mm,1.5平方的也可说是1.37(mm直径)。
因为选用电线时主要考虑电线使用时会不会严发热造成事故,电线的(截面积)平方数与通过的电流安培数有直接对应的倍数关系,计算起来很简单方便。
比如一平方铜电线流过6A 电流是安全的,不会严重发热。
如2.5平方铜电线就是6A*2.5=15A, 就这么简单地算出来这2.5平方通过15A电流是安全的,如用直径计算就麻烦多了规格里面的1.5/2.5/4/6 是指线的横截面积。
单芯的线缆,单芯面积就是规格,多芯的里面还要乘以根数。
参照《GB5023-1997》单芯结构;导体直径均为:1 —1.13 、 1.5— 1.38 、2.5 —1.78 、4—2.25 、6 — 2.76 、、其实大家说线径1.5/2 之类的只是为了方便,是个很常见但是不经常被人纠正的错误。
没想到还迷惑住你了......三相电机的口决"容量除以千伏数,商乘系数点七六"(注0.76是取的功率因数0.85效率为0.9时)由此推导出来的关系就有:三相二百二电机,千瓦三点五安培。
常用三百八电机,一个千瓦两安培。
低压六百六电机,千瓦一点二安培。
高压三千伏电机,四个千瓦一安培。
高压六千伏电机,八个千瓦一安培。
负荷量:16A最多供3500W,实际控制在1500W内20A最多供4500W,实际控制在2000W内25A最多供5000W,实际控制在2000W内32A最多供7000W,实际控制在3000W内40A最多供9000W,实际控制在4500W内电器的额定电流与导线标称横截面积数据见表2。
表2 电器的额定电流与导线标称横截面积数据多大的电源线径可以负荷最大多少的功率和电流了吧?请分别以0.75、1、1.5、2.5、4、6(平方毫米)的铜芯线0.75mm2、5A;1mm2、6A;1.5mm2、9A;2.5mm2、15A;4mm2、24A;6mm2、36A。
380v线径计算方式380V电源线的线径计算是在电气设计和安装中非常重要的一项工作。
正确选择线径可以保证电线的安全运行,避免因线径不合适而引发的电气事故。
我们需要了解什么是线径。
线径是电线截面积的一种度量,通常以毫米平方(mm²)为单位。
线径越大,电线的导电能力越强,能承载的电流也越大。
在计算380V电源线的线径时,我们需要考虑两个关键因素:电流和线路长度。
电流是指电流的大小,单位为安培(A)。
线路长度是指电源到负载的距离,单位为米(m)。
我们需要确定负载的电流大小。
负载的电流通常可以在设备的技术参数中找到。
如果找不到,可以使用电流表进行测量。
我们需要确定线路的长度。
线路长度可以通过测量或者查看建筑平面图来确定。
接下来,我们可以使用下面的公式来计算380V电源线的线径:线径(mm²)= (K × I × L) / U其中,K是根据线材的导电能力和散热能力确定的系数。
不同类型的线材有不同的系数,我们可以在电线规格表中找到对应的数值。
I是负载的电流大小,单位为安培(A)。
L是线路的长度,单位为米(m)。
U是电源的电压,单位为伏特(V)。
假设我们要计算一条380V电源线的线径,负载电流为30A,线路长度为20m,我们可以假设K为1.5。
根据上述公式,我们可以进行计算:线径(mm²)= (1.5 × 30 × 20) / 380根据计算,线径约为0.789mm²。
然而,在实际应用中,我们通常会选择最接近的标准线径。
在电线规格表中,我们可以找到最接近的线径为1mm²。
因此,根据计算结果和实际选择,我们可以选择1mm²的线径来满足380V电源线的要求。
总结一下,380V电源线的线径计算需要考虑负载的电流和线路的长度。
通过使用适当的公式和系数,我们可以计算出最合适的线径。
选择合适的线径可以确保电线的安全运行,避免电气事故的发生。
其实电线也可以称呼它的直径的,比如1平方的也可称直径1.13mm ,1.5平方的也可说是1.37(mm 直径)。
因为选用电线时主要考虑电线使用时会不会严重发热造成事故,电线的(截面积)平方数与通过的电流安培数有直接对应的倍数关系,计算起来很简单方便。
比如一平方铜电线流过6A 电流是安全的,不会严重发热。
如2.5平方铜电线就是6A*2.5=15A, 就这么简单地算出来这 2.5平方通过15A 电流是安全的,如用直径计算就麻烦多了规格里面的1.5/2.5/4/6 是指线的横截面积。
单芯的线缆,单芯面积就是规格,多芯的里面还要乘以根数。
参照《 GB5023-1997》单芯结构;导体直径均为: 1 —1.13 、 1.5— 1.38 、 2.5 —1.78 、 4—2.25 、6 — 2.76其实大家说线径1.5/2 之类的只是为了方便,是个很常见但是不经常被人纠正的错误。
没想到还迷惑住你了......三相电机的口决 " 容量除以千伏数,商乘系数点七六 "(注0.76是取的功率因数0.85效率为0.9时)由此推导出来的关系就有:三相二百二电机,千瓦三点五安培。
常用三百八电机,一个千瓦两安培。
低压六百六电机,千瓦一点二安培。
高压三千伏电机,四个千瓦一安培。
高压六千伏电机,八个千瓦一安培。
负荷量:16A 最多供3500W ,实际控制在1500W 20A 最多供4500W ,实际控制在2000W 25A 最多供5000W ,实际控制在2000W 32A 最多供7000W ,实际控制在3000W 40A 最多供9000W ,实际控制在4500W表2 电器的额定电流与导线标称横截面积数据现在知道多大的电源线径可以负荷最大多少的功率和电流了吧例如:请分别以0.75、1、1.5、2.5、4、6(平方毫米)的铜芯线来计算。
答:0.75mm2、5A ;1mm2、6A ;1.5mm2、9A ;2.5mm2、15A ;4mm2、24A ;6mm2、36A如何计算电线所能承受的电功率?如果已知电线的截面积要如何,要如何计算该电线所能承受的最大电功率?或已知所需电功率,如何计算出该使用多少mm2电线?回复: 我们可以通过查电工手册,得出电线的最大允许载流量,根据公式功率P=电压U ×电流I计算出的功率就是电线所能承受的最大电功率。
电线电缆线径计算方法一、估算铜、铁、铝线的重量(kg/km)重量=截面积×比重 S=截面积(mm2)1. 铜线 W=9S W=重量(kg)2. 铝线 W=3S d=线径(mm)3. 铁丝 W=8S实际铜的比重8.9g/cm3、铝的比重2.7g/cm3、铁的比重7.8g/cm3二、按线径估算重量(kg/km)1. 铜线W=6.98d2≈7d22. 铝线W=2.12d2≈2d23. 铁丝W=6.12d2≈6d2三、估算线径和截面积S=0.785d2怎样选取导体截面首先计算负荷距(架空线)负荷距=功率×长度=PL P=功率(kw) L=长度(km)例:xx车间与配电房变压器相距200m,动力负荷200kw,问需要铜芯线多大平方?如改成铝芯线,需要多大平方?先计算负荷距=200×0.2=40kw/km因为根据“铜线:每千瓦公里用2.5mm2,铝线:每千瓦公里用4mm2”铜线40×2.5=100mm2 实际选用120mm2。
铝线 40×4=160mm2 实际选用185mm2。
铝线计算截面公式实际选用185mm2Δu是电压损失百分数(允许电压损失是额定电压的4%)一般是5%。
导体载流量的计算口诀1、用途:各种导线的载流量(安全电流)通常可以从手册中查找。
但利用口诀再配合一些简单的心算,便可直接算出,不必查表。
导线的载流量与导线的载面有关,也与导线的材料(铝或铜),型号(绝缘线或裸线等),敷设方法(明敷或穿管等)以及环境温度(25度左右或更大)等有关,影响的因素较多,计算也较复杂。
10 下五,1 0 0 上二。
2 5 ,3 5 ,四三界。
7 0 ,95 ,两倍半。
穿管温度,八九折。
裸线加一半。
铜线升级算。
4.说明:口诀是以铝芯绝缘线,明敷在环境温度25 度的条件为准。
若条件不同, 口诀另有说明。
绝缘线包括各种型号的橡皮绝缘线或塑料绝缘线。
口诀对各种截面的载流量(电流,安)不是直接指出,而是“用截面乘上一定的倍数”,来表示。
电线电缆线径计算方法电线电缆线径计算方法一、估算铜、铁、铝线的质量公式:m=ρls(kg/km)质量=截面积×密度S=截面积(mm2)1.铜线m=9S m=重量(kg)2. 铝线m=3S d=线径(mm)3. 铁线m=8S铜的密度8.9g/cm3、铝的密度2.7g/cm3、铁的密度7.8g/cm3二、按线径估算质量(kg/km)1. 铜线W=6.98d2≈7d22. 铝线W=2.12d2≈2d23. 铁丝W=6.12d2≈6d2三、估算线径和截面积S=0.785d2怎样选取导体截面首先计算负荷距(架空线)负荷距=功率×长度K=PL K=负载距P=功率(kw)L=长度(km)例:某车间与配电房变压器相距200m,动力负荷200kw,问需要铜芯线多大平方?如改成铝芯线,需要多大平方?先计算负荷距:K=200×0.2=40 kw.km因为根据“铜线:每千瓦公里用2.5mm2,铝线:每千瓦公里用4mm2”铜线40×2.5=100mm2实际选用120mm2铝线40×4=160mm2实际选用185mm2铝线计算截面公式实际选用185mm2Δu是电压损失百分数(允许电压损失是额定电压的4%)一般是5%。
导体载流量的计算口诀1、用途:各种导线的载流量(安全电流)通常可以从手册中查找。
但利用口诀再配合一些简单的心算,便可直接算出,不必查表。
导线的载流量与导线的载面有关,也与导线的材料(铝或铜),型号(绝缘线或裸线等),敷设方法(明敷或穿管等)以及环境温度(25度左右或更大)等有关,影响的因素较多,计算也较复杂。
10 下五,1 0 0 上二。
2 5 ,3 5 ,四三界。
7 0 ,95 ,两倍半。
穿管温度,八九折。
裸线加一半。
铜线升级算。
4.说明:口诀是以铝芯绝缘线,明敷在环境温度25 度的条件为准。
若条件不同, 口诀另有说明。
绝缘线包括各种型号的橡皮绝缘线或塑料绝缘线。
线径计算公式好的,以下是为您生成的关于“线径计算公式”的文章:在我们日常生活和各种工程领域中,线径这个概念可太重要啦!比如说,家里装修布置电线,工厂里制造机器设备,都离不开对线径的准确计算。
那到底啥是线径计算公式呢?咱们一起来瞅瞅。
线径,简单来说就是导线的直径。
可别小瞧这直径,它直接关系到电流的通过能力、电阻大小等等。
而线径的计算公式呢,通常和电阻、电流以及材料的电阻率这些因素紧密相关。
咱们先来说说电阻和线径的关系。
电阻就像是道路上的阻碍,电阻越大,电流通过就越困难。
电阻的计算公式是 R = ρ * L / S ,这里的 R 表示电阻,ρ 是材料的电阻率,L 是导线的长度,S 是导线的横截面积。
而导线的横截面积呢,和线径又有着密切的联系。
圆的面积公式大家都熟悉吧,S = π * (d/2)^2 ,这里的 d 就是线径。
所以把这个面积公式代入电阻公式,经过一番推导,就可以得到线径和电阻的关系啦。
电流和线径也有很大的关联。
电流越大,通常就需要更粗的线径来承载,不然导线可能会因为过热而出现问题。
比如说,我曾经在一个小型电子厂帮忙,当时他们在生产一批充电器的数据线。
按照设计要求,电流是 2 安培,但负责采购的同事不小心买错了线,线径比要求的细了一些。
结果在测试的时候,那些数据线发热特别严重,甚至有的都冒烟了!这可把大家急坏了,不得不重新采购合适线径的导线,耽误了不少时间和成本。
从那以后,大家对线径的计算和选择可重视多了。
再来说说不同材料的电阻率对线径计算的影响。
常见的导线材料有铜、铝等等,它们的电阻率是不一样的。
铜的电阻率比较小,导电性能好,所以在相同条件下,如果用铜做导线,线径可以相对小一些;而铝的电阻率大一些,要达到相同的导电效果,线径就得更粗。
那具体的线径计算公式是怎样的呢?如果已知电流 I 、导线长度 L 、材料的电阻率ρ ,以及允许的电阻 R ,就可以先通过R = ρ * L / S 求出横截面积 S ,然后再由S = π * (d/2)^2 求出线径 d 。
其实电线也可以称呼它的直径的,比如1平方的也可称直径,平方的也可说是(mm 直径)。
因为选用电线时主要考虑电线使用时会不会严重发热造成事故,电线的(截面积)平方数与通过的电流安培数有直接对应的倍数关系,计算起来很简单方便。
比如一平方铜电线流过6A 电流是安全的,不会严重发热。
如平方铜电线就是6A*=15A, 就这么简单地算出来这平方通过15A 电流是安全的,如用直径计算就麻烦多了规格里面的4/6 是指线的横截面积。
单芯的线缆,单芯面积就是规格,多芯的里面还要乘以根数。
参照《 GB5023-1997》单芯结构;导体直径均为: 1—、—、—、 4—、6 —其实大家说线径2 之类的只是为了方便,是个很常见但是不经常被人纠正的错误。
没想到还迷惑住你了......三相电机的口决 " 容量除以千伏数,商乘系数点七六 "(注是取的功率因数效率为时)由此推导出来的关系就有:三相二百二电机,千瓦三点五安培。
常用三百八电机,一个千瓦两安培。
低压六百六电机,千瓦一点二安培。
高压三千伏电机,四个千瓦一安培。
高压六千伏电机,八个千瓦一安培。
负荷量:16A 最多供3500W ,实际控制在1500W 内20A 最多供4500W ,实际控制在2000W 内25A 最多供5000W ,实际控制在2000W 内32A 最多供7000W ,实际控制在3000W 内40A 最多供9000W ,实际控制在4500W 内表2 电器的额定电流与导线标称横截面积数据现在知道多大的电源线径可以负荷最大多少的功率和电流了吧例如:请分别以、1、、、4、6(平方毫米)的铜芯线来计算。
答:、5A ;1mm2、6A ;、9A ;、15A ;4mm2、24A ;6mm2、36A如何计算电线所能承受的电功率如果已知电线的截面积要如何,要如何计算该电线所能承受的最大电功率或已知所需电功率,如何计算出该使用多少mm2电线回复: 我们可以通过查电工手册,得出电线的最大允许载流量,根据公式功率P=电压U ×电流I计算出的功率就是电线所能承受的最大电功率。
电线截面积及线径计算方法电缆大小用平方标称,多股线就是每根导线截面积之和,如48股(每股线径0.2)1.5平方的线:0.785X(0.2X0.2)X48=1.5导线截面积与载流量的计算:一、一般铜导线载流量导线的安全载流量是根据所允许的线芯最高温度、冷却条件、敷设条件来确定的。
一般铜导线的安全载流量为5~8A/mm2,铝导线的安全载流量为3~5A/mm2。
[关键点]一般铜导线的安全载流量为5~8A/mm2,铝导线的安全载流量为3~5A/mm2。
如:2.5 mm2 BVV铜导线安全载流量的推荐值2.5×8A/mm2=20A 4 mm2 BVV铜导线安全载流量的推荐值4×8A/mm2=32A。
二、计算铜导线截面积利用铜导线的安全载流量的推荐值5~8A/mm2,计算出所选取铜导线截面积S的上下范围:S=[ I /(5~8)]=0.125 I ~0.2 I(mm2)S-----铜导线截面积(mm2)I-----负载电流(A)三、功率计算一般负载(也可以成为用电器,如点灯、冰箱等等)分为两种,一种式电阻性负载,一种是电感性负载。
对于电阻性负载的计算公式:P=UI 对于日光灯负载的计算公式:P=U Icosф,其中日光灯负载的功率因数cosф=0.5。
不同电感性负载功率因数不同,统一计算家庭用电器时可以将功率因数cosф取0.8。
也就是说如果一个家庭所有用电器加上总功率为6000瓦,则最大电流是I=P/Ucosф=6000/220*0.8=34(A)但是,一般情况下,家里的电器不可能同时使用,所以加上一个公用系数,公用系数一般0.5。
所以,上面的计算应该改写成I=P*公用系数/Ucosф=6000*0.5/220*0.8=17(A) 也就是说,这个家庭总的电流值为17A。
则总闸空气开关不能使用16A,应该用大于17A的。
电线截面积与安全载流量的计算一、一般铜导线载流量导线的安全载流量是根据所允许的线芯最高温度、冷却条件、敷设条件来确定的。
线径与电流的计算方法步骤1:确定电流大小首先,需要确定电流的大小。
电流是电子在电路中流动的量度单位,通常用安培(A)来表示。
电流的大小取决于电路中的各种参数,如电压源、电阻等。
可以通过测量或计算来确定电流的大小。
步骤2:确定线材材料在计算线径之前,需要确定所使用的线材材料。
常见的线材材料有铜、铝等。
铜线作为一种优质的导电材料,广泛应用于电路中,而铝线则适用于一些较小的负载。
线材的材料会影响到电流通过时的导电能力,因此需要根据实际情况选择合适的线材材料。
步骤3:计算线径线径是指电线的直径大小,常用单位有毫米(mm)或英寸(in)。
通常,线径越大,其导电能力越强。
根据电流的大小以及线材的材料,可以通过一些公式来计算线径。
对于铜线材,可以使用下面的公式来计算线径:d = 2 * sqrt(I / (k * J))对于铝线材,可以使用下面的公式来计算线径:d = 2 * sqrt(I / (k * J * A))其中,d为线径(mm),I为电流(A),k为电阻系数(通常为0.0283),J为线材材料的等效电阻率(Ω/mm²),A为负载率。
步骤4:考虑温升在实际应用中,电流通过线材时会产生一定的热量,这可能导致线材的温度升高。
在计算线径时,还需要考虑线材的温升情况。
温升可通过以下公式来计算:ΔT=R*I^2*t其中,ΔT为温升(℃),R为线材的电阻(Ω),I为电流(A),t为通过线材的时间(s)。
步骤5:校验计算结果在计算线径之后,需要校验计算结果是否合理。
可以计算线材的电阻,并检查其是否在设定的范围内。
此外,还需要考虑线材的最大承载能力,以确保所选择的线径可以满足实际需求。
综上所述,线径与电流的计算涉及到电流大小、线材材料、线径计算公式以及温升等因素。
通过正确计算线径,可以确保电路中的线材具有足够的导电能力,并符合实际需求。
电线线径及载流量计算方法在电气工程中的电线线径及载流量计算方法是不可或缺的重要内容。
合理的电线线径的选择可以提高电气系统的工作效率,减轻电线的损耗和不稳定性,降低电气设备的出现故障的概率。
因此,在进行电工设计时,我们必须按照负载的大小和导电线材料的材料特性合理计算和选择导线的线径。
一、计算电线载流量的方法计算电线的载流量主要是根据导线的截面积,导线材质的电学性能和温升特性等方面进行,一般来说,随着电流负荷的增加,电线的电阻就会导致电线受热。
当导线受热时,它的材料特性会发生变化,甚至可以导致线芯的融化、烧损等严重后果。
因此,导线及电缆的设计时要满足以下两个基本条件:1.选用合适的导线材质和截面积,以满足电线时刻处于正常工作温度范围内。
2.选用合适的电线制造方法以保证电线的良好耐久性。
下面介绍几种基本的电线载流量计算方法:1.直接法计算电线的截面积:直接法是在预先约定电线电阻的最大允许值的前提下,依据电线的材质和电流的大小来计算电线的截面积。
直接法计算灵活可靠,但需要注意的是,当电流乘以电线的电阻时,必须考虑到导线的温升。
2.间接法计算电线的截面积:间接法是在预先约定电线负载容量的前提下,依据电线的材质和电阻来计算电线的截面积。
间接法计算适合于计算大功率电线的截面积,但也需要注意由电线的温度升高所引起的电阻值的变化。
3.混合法计算电线的截面积:混合法是在以上两种方法的基础上发展而来,它以最小截面积作为电线截面积的原则,但同时要满足导线的温度不超过允许值的条件。
混合法计算方法既考虑了电当承受负载能力,也充分考虑了导线在高温环境下的稳定性和耐久性。
二、电线截面积选择依据在前文介绍过的计算方法的基础上,如何根据具体条件选择合适的导线和截面积呢?常见的条件有:1.电流负载大小:电线的截面积需要协调电流负载大小,以保证导线的使用寿命。
通常来说,在电路设计时,必须测定最大负载电流,并根据最大负载电流选择合适的许容电流值以及相应的导线截面积。
电子厂线径计算公式
1.直流电缆线径由线路压降决定
导线截面积计算公式为:
S=(If*L)/(r*ΔV)
If:导线中最大电流(安);L:导线长度(米),等于距离的2倍;
r:电导率(电阻率的倒数),铜取57,铝取34ΔV:导线设定压降(伏),-48V时取3.2V;
S:导线截面积(平方毫米)。
因此只要计算出负载电流,测算出所需导线距离,就可计算出所需线径了,然后查电缆规格
表,选择对应电缆。
2.220V电源线截面积
第一步:Im=P/220〔P为设备最大功率〕
第二步:电源线面积S=Im/Ji(mm2)
Im为最大负荷电流
Ji为经济电流密度(在24小时工作的通信系统中,一般取2.25)
3.三相电路“用功率除以电压得到电流”是不正确的,用电流除以每平方毫米载流大约4-6A常数也是不准确的。
你计算得到的就是线缆的线径是一根(一相)线缆的线径,不是三相电缆线径的总和。
正确的线径的选择是首先要计算负载的线电流,再根据线电流大小按照导线安全载流量表选择合适的线径。
负载的线电流计算公式:
对于三相平衡电路而言,三相电机功率的计算公式是:P=1.732IUcosφ
由三相电机功率公式可推出线电流公式:
I=P/1.732Ucosφ
式中:P为负载功率
U为线电压,单相:220V;三相:380V
cosφ是电机功率因素,一般取0.75~0.85。
电⼯电线计算公式电⼯电线计算公式1、⼆点五下乘以九,往上减⼀顺号⾛。
三五乘以三点五,双双成组减点五。
条件变化加折算,⾼温九折铜升级。
穿管根数⼆三四,⼋七六折满载流。
本⼝诀对各种绝缘电线的载流量(安全载流)不是直接指出⽽是通过截⾯乘以倍数计算得出,倍数随截⾯增⼤⽽减⼩。
“⼆点五下乘以九,往上减⼀顺号⾛”表⽰2.5平⽅以下的铝线截⾯乘以九,就是安全载流。
从4平⽅以上,顺着线号,倍数逐次减⼀,即4*8 6*7 10*6 16*5 25*4.“三五乘以三点五,双双成组减点五”表⽰35平⽅乘以3.5倍,从50平⽅以上导线,为两个线号为⼀组,倍数依次减0.5.即(50---70)*3 (95----120)*2.5 (150---185)*2,依此类推。
“条件有变加折算,⾼温九折铜升级”以上是铝线载流量计算,其条件是明敷在25C°条件下⽽定的。
若环境温度⾼于25C °,就要打九折。
使⽤铜线时,按上⼀号计算。
如:10平⽅铜线,按16平⽅铝线计算。
2、导线截⾯积与电流的关系⼀般铜线安全计算⽅法是:2.5平⽅毫⽶铜电源线的安全载流量--28A。
4平⽅毫⽶铜电源线的安全载流量--35A 。
6平⽅毫⽶铜电源线的安全载流量--48A 。
10平⽅毫⽶铜电源线的安全载流量--65A。
16平⽅毫⽶铜电源线的安全载流量--91A 。
25平⽅毫⽶铜电源线的安全载流量--120A。
如果是铝线,线径要取铜线的1.5-2倍。
如果铜线电流⼩于28A,按每平⽅毫⽶10A来取肯定安全。
如果铜线电流⼤于120A,按每平⽅毫⽶5A来取。
导线的截⾯积所能正常通过的电流可根据其所需要导通的电流总数进⾏选择,⼀般可按照如下顺⼝溜进⾏确定:⼗下五,百上⼆, ⼆五三五四三界,柒拾玖五两倍半,铜线升级算.给你解释⼀下,就是10平⽅⼀下的铝线,平⽅毫⽶数乘以5就可以了,要是铜线呢,就升⼀个档,⽐如2.5平⽅的铜线,就按4平⽅计算.⼀百以上的都是截⾯积乘以2, ⼆⼗五平⽅以下的乘以4, 三⼗五平⽅以上的乘以3, 柒拾和95平⽅都乘以2.5,这么⼏句⼝诀应该很好记吧,说明:只能作为估算,不是很准确。
电线线径的计算方法
电线线径的计算方法主要基于导线的截面积、通过的电流、长度以及允许的电源降。
对于铜线和铝线,计算公式有所不同。
对于铜线,线径的计算公式为:S = IL / 54.4U,其中S是导线的截面积(mm²),I是导线中通过的最大电流(A),L是导线的长度(m),U是允许的电源降(V)。
对于铝线,计算公式为:S = IL / 34U。
这里的U电压降可由整个系统中所用的设备(如探测器)范围分给系统供电用的电源电压额定值综合起来考虑选用。
计算出来的截面积应往上取整,用于绝缘导线载流量的估算。
另一种估算线径的方法是,将导线的截面积除以导线股数,再除以3.14后开平方,其值乘以2就可以算出线径。
这种方法常用于电缆进场后,检测线的粗细是否合格。
电线截面积及线径计算方法电缆大小用平方标称,多股线就是每根导线截面积之和,如48股(每股线径0.2)1.5平方的线:0.785X(0.2X0.2)X48=1.5导线截面积与载流量的计算:一、一般铜导线载流量导线的安全载流量是根据所允许的线芯最高温度、冷却条件、敷设条件来确定的。
一般铜导线的安全载流量为5~8A/mm2,铝导线的安全载流量为3~5A/mm2。
[关键点]一般铜导线的安全载流量为5~8A/mm2,铝导线的安全载流量为3~5A/mm2。
如:2.5 mm2 BVV铜导线安全载流量的推荐值2.5×8A/mm2=20A 4 mm2 BVV铜导线安全载流量的推荐值4×8A/mm2=32A。
二、计算铜导线截面积利用铜导线的安全载流量的推荐值5~8A/mm2,计算出所选取铜导线截面积S的上下范围:S=[ I /(5~8)]=0.125 I ~0.2 I(mm2)S-----铜导线截面积(mm2)I-----负载电流(A)三、功率计算一般负载(也可以成为用电器,如点灯、冰箱等等)分为两种,一种式电阻性负载,一种是电感性负载。
对于电阻性负载的计算公式:P=UI 对于日光灯负载的计算公式:P=U Icosф,其中日光灯负载的功率因数cosф=0.5。
不同电感性负载功率因数不同,统一计算家庭用电器时可以将功率因数cosф取0.8。
也就是说如果一个家庭所有用电器加上总功率为6000瓦,则最大电流是I=P/Ucosф=6000/220*0.8=34(A)但是,一般情况下,家里的电器不可能同时使用,所以加上一个公用系数,公用系数一般0.5。
所以,上面的计算应该改写成I=P*公用系数/Ucosф=6000*0.5/220*0.8=17(A) 也就是说,这个家庭总的电流值为17A。
则总闸空气开关不能使用16A,应该用大于17A的。
电线截面积与安全载流量的计算一、一般铜导线载流量导线的安全载流量是根据所允许的线芯最高温度、冷却条件、敷设条件来确定的。
电线线径计算方法
一般铜线安全计算方法是:
2.5平方毫米铜电源线的安全载流量--28A。
4平方毫米铜电源线的安全载流量--35A 。
6平方毫米铜电源线的安全载流量--48A 。
10平方毫米铜电源线的安全载流量--65A。
16平方毫米铜电源线的安全载流量--91A 。
25平方毫米铜电源线的安全载流量--120A。
估算口诀:
二点五下乘以九,往上减一顺号走。
三十五乘三点五,双双成组减点五。
条件有变加折算,高温九折铜升级。
穿管根数二三四,八七六折满载流。
说明:(1)本节口诀对各种绝缘线(橡皮和塑料绝缘线)的载流量(安全电流)不是直接指出,而是“截面乘上一定的倍数”来表示,通过心算而得。
由表5 3可以看出:倍数随截面的增大而减小“二点五下乘以九,往上减一顺号走”说的是2.5mm’及以下的各种截面铝芯绝缘线,其载流量约为截面数的9倍。
如2.5mm’导线,载流量为2.5×9=22.5(A)。
从4mm及以上导线的载流量和截面数的倍数关系是顺着线号往上排,倍数逐次减,即4×8、6×7、10×6、16×5、25×4。
“三十五乘三点五,双双成组减点五”,说的是35mm”的导线载流量为截面数的3.5倍,即35×3.5=122.5(A)。
从50mm’及以上的导线,其载流量与截面数之间的倍数关系变为两个两个线号成一组,倍数依次减0.5。
即50、70mm’导线的载流量为截面数的3倍;95、120mm”导线载流量是其截面积数的2.5倍,依次类推。
“条件有变加折算,高温九折铜升级”。
上述口诀是铝芯绝缘线、明敷在环境温度25℃的条件下而定的。
若铝芯绝缘线明敷在环境温度长期高于25℃的地区,导线载流量可按上述口诀计算方法算出,然后再打九折即可;当使用的不是铝线而是铜芯绝缘线,它的载流量要比同规格铝线略大一些,可按上述口诀方法算出比铝线加大一个线号的载流量。
如16mm’铜线的载流量,可按25mm2铝线计算我一般是这样计算的知道功率就用功率除以电压得到电流,然后用电流除以每平方毫米载流大约4-6A的常数,得到的就是电缆的线径。
给你个最简单快速的算法,1个平方带2个千瓦。