建筑施工三级安全教育卡2017
- 格式:docx
- 大小:142.89 KB
- 文档页数:2
( 安全管理 )单位:_________________________姓名:_________________________日期:_________________________精品文档 / Word文档 / 文字可改施工人员入场三级安全教育卡(新版)Safety management is an important part of production management. Safety and production are inthe implementation process施工人员入场三级安全教育卡(新版)公司级(总包项目部)安全教育内容进行安全基本知识、法规、法制教育、主要内容是:1、严格执行国家有关法律法规、安全生产法规、地方管理条例。
(《法律告知函》)2、企业概况、本行业生产特点、及安全生产的意义;本项目安全生产形势,企业内外历史上发生的重大事故及应吸取的教训。
(《云南华广新科技有限公司安全生产告知书》《云南华广新科技有限公司安全生产禁令》)3、企业施工过程中的安全生产规章制度,安全纪律。
(《云南华广新科技有限公司施工现场安全管理制度》《云南华广新科技有限公司安全生产奖罚制度》《动火审批流程》等)4、本企业应急预案及应急流程、防高坠、防打击、防火、防触电、防垮塌的基本常识和事故的应急措施及急救措施;发生事故后的抢救、报告和保护现场规定等。
(《云南华广新科技有限公司应急预案》)5、本工程施工现场的基本情况及周边环境情况。
6、本工程的危险因素及重大危险源,危害后果及防范措施(《施工现场安全管理策划》)7、宿舍管理的相关要求。
(《宿舍管理制度》)。
教育人签名受教育人签名年月日云博创意设计MzYunBo Creative Design Co., Ltd.。
****************三级安全教育2017年5月20日农民工岗前培训教育制度为了贯彻“安全第一,预防为主”的安全生产方针,加强公司职工的安全培训教育,增强公司员工安全生产意识和安全防护能力,减少伤亡事故的发生,有效提高本公司的安全生产管理水平,保障职工在劳动过程中的安全和健康,普及安全生产规程确保全部持证上岗,根据《安全生产法》、《建筑法》及建设部《培训大纲》所规定的培训内容,结合本公司的实际情况,特制定本年度安全生产教育培训计划。
1、总公司开工建设项目,新工人入场,必须接受公司、项目部、班组的三级安全培训教育,经公司安全科考核合格后方能上岗。
①公司安全培训教育的主要内容是:国家、自治区及有关部门制定的安全生产方针、政策、法规、标准、规范、规程和公司的安全规章制度等。
培训教育时间不得少于15学时。
②项目安全培训教育的主要内容是:工地安全制度、文明工地标准、施工现场环境、工程施工特点及可能存在的不安全因素等。
培训教育的时间不得少于15学时。
③班组培训教育的主要内容是:本工种的安全操作规程、事故案例剖析、劳动纪律和岗位讲评等。
培训教育时间不得少于20学时。
2、公司特殊工种(包括电工、焊工、架子工、司炉工、机械操作工、起重工、塔吊司机及指挥人员等)在通过技术培训并取得岗位操作证后,每年仍需接受有针对性的安全培训,时间不得少于40学时。
根据上级部门的要求,公司办公室会同安全科、项目部,落实培训人员的数量和工种,教材、师资、考核等均由主管部门(银川市劳动局、区经贸委)负责。
3公司待岗、转岗、换岗的职工,在重新上岗前,必须接受一次安全培训,时间不得少于20学时。
4、公司法定代表人、主管安全生产的副经理和项目部经理每年接受安全培训时间不得少于30学时。
5、公司安全管理人员除按照建设部、建设厅的有关要求。
取得岗位合格证书并持证上岗外,每年还必须接受安全专业技术业务培训,时间不得少于40学时。
6、总公司专职安全管理人员除按照建设部,自治区建设厅的有关要求,取得岗位合格证书并持证上岗外,每年还必须接受安全专业技术业务培训,时间不得少于40学时。
施工人员入场三级安全教育卡范本1. 前言欢迎施工人员加入本项目,并参加三级安全教育培训。
在施工过程中,我们将面临各种安全风险,因此必须高度重视安全,遵守相关规章制度和操作流程,保障人身安全和工程质量。
请认真阅读并遵守以下安全规定。
2. 安全教育要求施工人员在入场前,须参加三级安全教育培训并取得合格证书,以下是入场教育的要求:2.1 安全意识教育施工人员应具备高度的安全意识,意识到施工现场的危险性,并能主动采取安全措施以避免事故的发生。
2.2 规章制度施工人员应严格遵守现场的安全规章制度,如佩戴个人防护装备、遵守危险区禁止通行等。
2.3 工艺操作规程施工人员应具备相关工艺的操作技能,并按照规程进行操作,确保操作安全和工程质量。
3. 安全防护3.1 个人防护装备施工人员进入施工现场时,必须佩戴符合要求的个人防护装备,包括安全帽、劳动防护鞋、耳塞等。
3.2 安全通道施工人员在施工现场内行走时,必须使用指定的安全通道,并遵守相关标识和提示。
3.3 脚手架使用施工人员在使用脚手架时,必须依照操作规程进行搭建和使用,严禁超负荷使用,确保脚手架的稳定和安全。
4. 施工现场安全措施4.1 务必清楚地标识危险区域并设立明显的警示标识,以提醒施工人员注意安全。
4.2 严禁在施工现场吸烟,以免引发火灾。
4.3 施工现场必须保持整洁,杂物必须妥善摆放,避免造成绊倒和坠落的危险。
4.4 施工过程中,严禁操作者离开自己的工作区域,必须保持专注并及时处理现场的安全问题。
5. 突发事件应对5.1 火灾一旦发生火灾,立即报警并组织施工人员进行疏散,确保人身安全。
使用灭火器灭火时,请记住“P.A.S.S”的使用方法:拉开安全销、瞄准火焰、挤压把手、扫动灭火器。
5.2 意外事故在施工现场发生意外事故时,应立即通知相关负责人,并按照应急预案进行救援和处理。
5.3 紧急停工在遇到紧急情况时,应立即停止工作,并按照应急预案进行疏散或其他紧急措施。
施工人员入场三级安全教育卡模版一、教育目的施工人员入场三级安全教育卡是为了保证施工人员在工作期间遵守安全操作规程、提高安全意识、预防事故的发生而制定的。
二、教育对象所有进入施工现场从事工作的人员都应该接受施工人员入场三级安全教育。
三、教育内容1. 安全生产法律法规及规章制度的培训通过教育,使施工人员了解国家和地方的安全生产法律法规、建筑施工行业的安全生产规范和标准,以及规章制度。
2. 施工现场安全管理制度及工作流程的培训通过教育,使施工人员了解施工现场的安全管理制度,掌握施工现场的工作流程,并知晓应急预案和处置措施。
3. 安全防护用品的正确佩戴和使用培训通过教育,使施工人员了解安全防护用品的种类、作用以及正确佩戴和使用的方法。
4. 施工现场常见危险因素及应对措施的培训通过教育,使施工人员了解施工现场常见的危险因素,包括高处作业、机械设备操作、电气设备使用等,并掌握相应的应对措施。
5. 灭火器材的使用培训通过教育,使施工人员了解不同种类的灭火器材的使用方法,包括灭火器的选择、使用技巧以及应急处理的能力。
6. 安全生产事故案例分析培训通过教育,使施工人员了解历史上发生的一些安全生产事故案例,分析事故发生的原因,并总结教训,以避免类似事故再次发生。
四、教育方法和形式1. 班内教育在施工现场设置教育班,由专职安全教育人员进行专题培训。
2. 现场实操教育将施工人员组织到适当的地点进行实地操作,并由专业人员进行现场指导。
3. 视频教育制作安全教育视频,在施工现场进行播放,并由专职安全教育人员进行解析和讲解。
4. 演练教育定期组织安全演练,提升施工人员的应急处理能力。
五、教育周期和频次1. 教育周期施工人员入场前,必须接受三级安全教育。
2. 教育频次施工人员每半年接受一次安全教育,并进行考核。
六、教育评定及证书发放1. 参加教育的施工人员需要参加安全知识考试,并达到合格分数才能获得入场安全教育卡。
2. 发放证书合格的施工人员将获得入场安全教育卡,并由施工单位统一发放。
施工人员三级安全教育记录卡序号:A—3建筑员工安全生产责任书建筑施工生产是危险性较大行业。
根据“企业负责,行业管理,国家监察,群众监督,劳动者遵章守纪”的国家安全生产管理体制和《中华人民共和国建筑法》第三十六条“建筑工程安全生产管理必须坚持安全第一,预防为主的方针,建立健全安全生产的责任制度和群防群治制度”之规定,本人自愿签署责任书,在以下几条负有责任。
一、在认真接受安全三级教育,明确建筑业生产特点,熟悉安全生产法律、法规、规范、规章上负有责任。
二、在模范遵守岗位安全操作规程,提高自我防护能力,不违章作业,服从工地安全管理上负有责任。
三、在遵守企业、工地各项规章制度、安全生产纪律和对违章指挥行为予以拒绝上负有责任。
四、在提高自我防护能力、随时发现和整改不安全隐患,确保施工作业环境安全做到“自查、自改、自我完善”上负有责任。
本责任书经双方签字后即生效。
项目经理:(签名)责任人:(签名)年月日年月日安全生产、文明施工技术交底在施工过程及日常生活中,项目部施工员、质检员、安全员、治安员、卫生保洁员对整个施工场所、生活区域内进行全方位、全天候的施工质量、安全生产、卫生等现场管理及监督。
在实施管理、监督过程中,项目部派陈胤及林永民进行专职管理,如有不妥之处应向专职管理员及项目经理部汇报并协商解决,若有不服从管理和监督擅自闹事者,经调查核实项目经理部有权随时开除责任人,并由责任人自负一切后果及经济责任。
为此特进行如下交底:一、安全生产1、安全是人命关天的大事,在工程施工中,必须遵循“安全第一,预防为主”的方针。
2、戴好安全帽,并系好帽带,不得穿高跟、易滑及硬底鞋。
发现违反者一次罚款5-100元。
3、在工程施工过程中应严格执行安全施工条例及安全操作规程,禁止违章指挥、违章作业、违章操作,凡进入施工现场人员必须戴好个人以及其他防护用品(如安全帽、安全带等)。
如在施工过程中发现有不符合安全要求的地方(如脚手架、电线、机械设备等)应立即向管理人员提出,并及时采取相应补救措施,杜绝事故发生。
施工人员入场三级安全教育卡范文一、安全生产责任意识的培养施工人员是施工现场中最重要的一支力量,安全生产责任意识的培养对于施工人员来说至关重要。
作为施工人员,我们要始终保持高度的安全意识,认识到自己在施工中的责任与义务。
1. 了解安全生产法律法规作为施工人员,我们首先要了解安全生产法律法规,掌握施工中的安全生产要求。
我们要遵守法律法规,并且发现问题时及时上报,积极参与安全监督工作,不仅是为了自身安全,也是为了整个施工队伍的安全。
2. 明确安全生产责任作为施工人员,我们要明确自己在施工中的责任。
我们要对自己的行为负责,严格遵守作业规程和安全操作规范,不做违规操作,杜绝事故的发生。
我们要时刻关注施工现场的安全隐患,及时采取措施进行整改,确保安全生产。
3. 加强安全教育培训作为施工人员,我们要积极参加安全教育培训,提高安全意识和安全素质。
我们要了解各类事故的原因和防范措施,掌握自救和互救的技能,提高自己的安全防范能力。
只有不断学习和提高,我们才能更好地履行安全生产责任。
二、施工现场安全控制措施的落实施工现场是安全事故易发多发地点,为了保障施工人员的安全,我们必须严格执行各项安全控制措施。
1. 安全防护设施的齐全在施工现场,我们要确保安全防护设施的齐全。
比如,必须佩戴安全帽、安全鞋等个人防护装备,戴好口罩、护目镜等防护用品。
同时,确保施工现场设置明显的警示标志和安全警戒线,指示施工人员的禁止区域和安全通道。
2. 施工设备的安全检查施工设备是施工现场的重要工具,我们要定期进行安全检查,确保设备的正常运行。
检查时要注意设备的稳定性、可靠性和操作的安全性,并注意设备使用过程中的风险点,及时进行修理和更换。
3. 危险源的隔离措施施工现场存在各种潜在的危险源,我们要采取有效的隔离措施。
比如,在作业区域设置围挡,避免非作业人员进入;在高空作业时,采取安全网和安全绳等措施,防止坠落事故的发生。
三、应急预案的制定与执行施工现场事故是随时可能发生的,我们必须制定和执行有效的应急预案,确保在事故发生时能迅速采取措施保障施工人员的安全。
职工三级安全教育记录卡编号:姓名:性别:身份证号码:家庭住址:文化程度:入场时间:年月日单位:工种:(木工□电工□模板工□架子工□砼工□钢筋工□力工□安装工□植筋□总学时:50学时考试成绩:1、新工人必须进入公司安全教育。
“新工人"包括:新进公司的合同工、临时工、学习和代培人员,脱岗六个月又重新上岗的职工。
写2、《三级安全教育记录卡》是单人单卡,是对职工进行三级教育的主要原始记录和凭证,是说在发生伤亡事故后分折事故责任的重要资料之一,各有关部门都要按标准要求认真填写明并妥善保管好。
3、本表必须由本人签名,任何人都不得违法代签。
青建集团股份公司海悦城项目部新工人入场安全教育考试题单位:姓名: 工种:考试分数:一、填空题(每空3分,合计:72分)1我国安全生产方针是: 、、。
2、施工现场“三宝”是指:、、.“四口”是指:、、、.3、进入施工现场人员必须正确佩戴、高处作业必须正确使用、施工现场、禁止穿拖鞋和、现场动火必须开、设看火人或采取其他防火措施。
4、开挖槽、坑、沟深度超过米,应根据土质和深度情况按规定放坡或加可靠的支撑,并设置人员上、下坡道或爬梯,爬梯两侧应用密目安全网封闭;当基坑开挖深度超过米时,必须在边沿处设立安全防护栏杆,用密目安全网封闭。
槽、坑、沟边1米范围内不得堆土、料具、停置极具。
5、施工现场分步、分项工程,必须经工长或施工员进行《安全技术交底》、履行签字手续后方可进行正常作业,施工人员必须按照内容进行操作。
6、现场以下的孔洞,用坚实的盖板盖住,有防止挪动、移位的措施;现场1.5X1。
5米以上的孔洞,四周设,中间支挂水平安全网。
7、电梯井口必须设高度的金属防护门,电梯井内首层和首层以上每隔水平安全网,安全网应封闭严密。
8、蛙式打夯机必须,操作人员必须和穿绝缘鞋.二、判断题(在括弧内正确的打√,错误的打×,每题2分,合计28分)1、新入场人员必须经过安全生产三级教育,经过考试合格后,方可上岗作业。
职工三级安全教育记录卡编号:姓名:_________ 性别:________ 身份证号码: __________________________家庭住址:_______________________________ 文化程度: _______________入场时间:年月曰_____________ 单位:____________________工种:(木工□电工□模板工□架子工□砼工□钢筋工□力工□安装工□植筋□ 总学时:填1、新工人必须进入公司安全教育。
“新工人”包括:新进公司的合同工、临时工、学习和代培人员,脱岗六个月又重新上岗的职工。
写2、《三级安全教育记录卡》是单人单卡,是对职工进行三级教育的主要原始记录和凭证,是说在发生伤亡事故后分折事故责任的重要资料之一,各有关部门都要按标准要求认真填写明并妥善保管好。
3、本表必须由本人签名,任何人都不得违法代签。
青建集团股份公司海悦城项目部新工人入场安全教育考试题单位:姓名:工种:考试分数:一、填空题(每空3分,合计:72分)1 我国安全生产方针是:、、。
2 、施工现场“三宝”是指:、、。
“四口”是指:、、、3、进入施工现场人员必须正确佩戴__________________ 、高处作业必须正确使用___________ 、施工现场_________________ 、禁止穿拖鞋和 _________ 、现场动火必须开____________ 、设看火人或采取其他防火措施。
4、开挖槽、坑、沟深度超过__________ 米,应根据土质和深度情况按规定放坡或加可靠的支撑,并设置人员上、下坡道或爬梯,爬梯两侧应用密目安全网封闭;当基坑开挖深度超过米时,必须在边沿处设立安全防护栏杆,用密目安全网封闭。
槽、坑、沟边1米范围内不得堆土、料具、停置极具。
5、施工现场分步、分项工程,必须经工长或施工员进行《安全技术交底》、履行签字手续后方可进行正常作业,施工人员必须按照_______________________ 内容进行操作。
施工人员入场三级安全教育卡指的是一种用于培训和管理施工人员安全知识和技能的证书。
施工人员入场三级安全教育卡是施工单位要求施工人员入场前进行培训并通过考试取得的一种证件。
下面将介绍施工人员入场三级安全教育卡的相关内容。
第一章:施工人员入场三级安全教育卡的背景与意义1.1 背景随着社会生产力的不断发展,建筑工地的施工规模不断扩大,施工人员的数量也不断增加。
然而,施工过程中的安全问题也随之增加。
为了保障施工过程中的安全,提高施工人员的安全意识和技能,减少事故的发生,施工人员入场三级安全教育卡应运而生。
1.2 意义施工人员入场三级安全教育卡的出现,对保障施工人员的安全具有重要的意义。
首先,它能够提高施工人员的安全意识和技能,增强施工人员对安全问题的重视程度。
其次,它能够规范施工人员的行为,减少安全事故的发生。
最后,它能够对施工过程进行科学管理,提高工作效率。
第二章:施工人员入场三级安全教育卡的培训内容2.1 安全意识教育安全意识教育是施工人员入场三级安全教育卡培训的重点内容之一。
通过安全意识教育,施工人员能够认识到安全的重要性,了解安全事故的危害以及如何预防和处理安全事故。
2.2 安全技能培训安全技能培训是施工人员入场三级安全教育卡培训的必要内容之一。
在施工现场,施工人员需要具备一定的安全技能,包括工作操作技能、急救知识和自救逃生技能等。
2.3 法律法规教育法律法规教育是施工人员入场三级安全教育卡培训的基础内容之一。
施工人员需要了解相关的法律法规,熟悉施工现场的安全管理制度,遵守相关的法律法规。
第三章:施工人员入场三级安全教育卡的培训方法与要求3.1 培训方法施工人员入场三级安全教育卡的培训方法可以采用面授和在线教育相结合的方式。
面授教育可以通过安全培训班和讲座等形式进行,可以针对不同岗位的施工人员进行培训。
在线教育可以通过电子学习平台和移动学习应用等方式进行,可以随时随地进行学习。
3.2 培训要求施工人员入场三级安全教育卡培训应根据不同施工单位的具体要求进行。
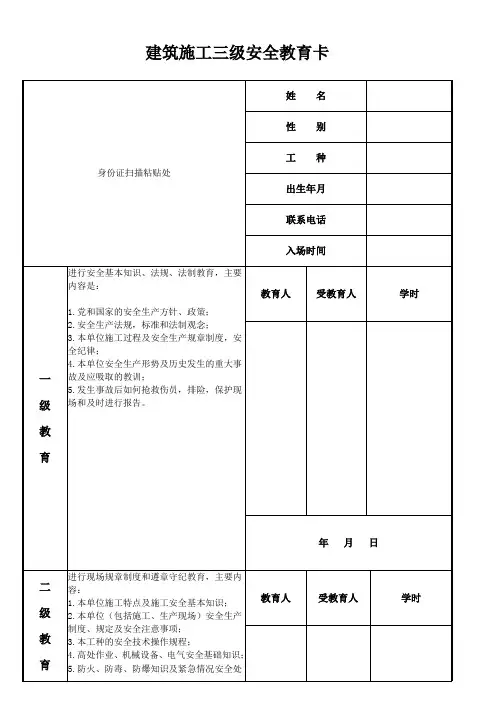
建筑施工公司员工三级安全教育记录卡编号:姓名身份证复印件(粘贴处)文化程度班组及工种入队时间三级安全教育内容教育人受教育人进行安全基本知识、法例、法制教育,主要内容是:署名:署名:1、国家和地方有关安全生产目标、政策;公2、国家和地方有关安全生产法例、标准和法制观点;司3、本单位安全生产规章制度,安全纪律;教4、本单位安全生产局势及历史上发生的重要事故及汲取育的教训;年月日5、发惹祸故后怎样急救伤员,排险,保护现场和实时进行报告。
进行现场规章制度和遵章守纪教育,主要内容是:署名:署名:1、本单位施工特色及施工安全基本知识;项2、本单位(包含施工、生产现场)安全生产制度、规定及目安全注意事项;部3、本工种的安全技术操作规程;教4、高处作业、机械设备、电气安全基础知识;育5、防火、防毒、防尘、防爆知识及紧迫状况安全处理和安年月日全分散知识;6、防备用品发放标准及防备用品、器具使用的基本知识;进行本工种岗位安全操作机班组安全制度、纪律教育,主署名:署名:要内容是:班1、本班组作业特色及安全操作规程;组2、班组安全活动制度及纪律;教3、爱惜和正确使用安全防备装置(设备)及个人劳动防备育用品;年月日4、岗位易发事故的不安全要素及防备对策;5、岗位的作业环境及使用的机械设备、工具的安全要求。
注:公司、项目部、班组三级培训教育的时间分别不得少于15、15、20 学时。
员工安全生产责任书为了仔细落实《建设工程安全生产管理条例》,保障员工健康安全,增强员工的自我安全保护意识,防备不测伤亡事故发生,保证安全生产。
依据《安全生产法》第一章 6 条,第三章46、47、49、50、54 条规定。
特订立员工安全生产责任书,凡在本项目部工地施工的员工都一定在安全生产方面做到以下几点:1、自觉恪守安全生产的规章制度和工地劳动纪律,严格履行安全施工的强迫性标准。
违者责任自负,轻者处分100-200 元,重者处分 500-1000 元。
建筑施工三级安全教育卡
置和安全疏散知识;
6.防护用品发放标准及防护用具、用具使用
的基本知识。
年月日
三级教育进行本工种岗位安全操作及班组安全制度、
纪律教育,主要内容是:
1.本班组作业特点及安全操作规程;
2.班组安全活动制度及纪律;
3.爱护和正确使用安全防护装置(设施)及
个人劳动防护用品;
4.本岗位易发生事故的不安全因素及其防范
对策;
5.本岗位的作业环境及使用的机械装备、工
具的安全要求。
教育人受教育人学时
年月日
备注:一级教育人:项目部安全员二级教育人:分包安全员三级教育人:各工种班组长。