工程咨询概论汇总
- 格式:docx
- 大小:261.90 KB
- 文档页数:102
一、工程咨询单位业务的市场开发1、市场调查的内容包括以下方面:(1、政治法律环境调查2、经济环境调查3社会人文环境调查4技术应用环境调查5市场容量调查)2、目标市场的选择包括市场细分、目标市场、市场定位3、外部环境因素包括:工程所在国家政局稳定性、经济发展状况与货币稳定性、投资需求与资金来源、自然条件、工程市场秩序与竞争状况等。
自身条件包括:经营范围、专业特长、技术力量、资金能力、管理水平、地域和文化背景优势等。
4、市场定位是在激烈的市场竞争中取胜的关键,市场定位是否准确关系到营销的成败。
5、主要营销手段:建立网业、争取客户举荐、广告宣传、树立品牌形象、专业出版物、保持良好的公共关系二、工程咨询单位的风险管理1、工程咨询单位面临的风险因素主要有以下几类:政策风险、市场风险、管理风险、法律风险、财务风险、道德风险三、前期阶段的咨询1、一般的机会研究分为地区机会研究、部门的机会研究、资源开发机会研究2、企业投资建设属于政府核准的投资项目目录范围内的项目,应根据国务院关于投资体制改革决定的要求,向投资行政主管部门报送项目核准申请报告。
外商投资及境外投资项目需核准项目申请报告。
3、凡是不使用中央政府性资金和地方政府投资的项目,对于政府核准的投资项目目录范围外企业投资项目,以及外商投资和境外投资项目之外的所有企业投资项目,均实行备案制。
4、投资体制改革文件规定,企业申请使用政府投资补助、贷款贴息及利用国际金融组织和外国政府贷款转贷资金,应编写资金申请报告。
5、财政贴息与政府补助项目的差别:1财政贴息主要适用于需要政府鼓励和引导社会投资的竞争性、经营性项目、而投资补助可以适用于非经营性项目2财政贴息仅适用于使用中长期银行贷款的项目3针对贷款的利息部分给予补贴,资助力度一般低于政府投资补助4要求项目不仅符合国家产业政策导向,而且自身具有偿还银行贷款本金的能力,甚至需要具备偿还部分贷款利息的能力,因此对盈利性提出了更高的要求。
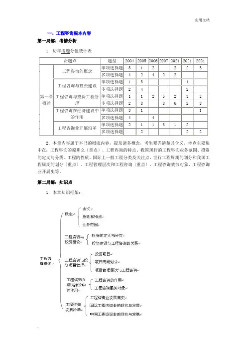
一、工程咨询根本内容第一局部:考情分析1.历年考题分值统计表命题点题型2004 2005 2006 2007 2021 2021 2021第一章概述工程咨询的概念单项选择题 3 1 2 2 2 3多项选择题 4 2 4 2 2工程咨询与投资建设单项选择题 1 3 1多项选择题 2 4 2工程咨询与投资工程管理单项选择题 1 1 2 5 2 3 2多项选择题 2 8 8 6 2 8 工程咨询在经济建设中的作用单项选择题 3 1 1多项选择题 4 4工程咨询业开展沿革单项选择题 2 1 1 3 1 2多项选择题 2 2 22.本章内容属于本书的根底内容,提及诸多概念,考生要弄清楚其含义。
考点主要集中在:工程咨询的原那么〔重点〕、工程咨询的特点、我国现行的工程咨询业务范围、投资的定义与分类、工程的性质、国际上一般工程分类及关注点、世行工程周期的划分和我国工程周期的划分〔重点〕、工程管理层次和工程咨询〔重点〕、工程咨询效劳对象、工程咨询业开展史等。
第二局部:知识点1.本章知识框架:2.本章考试大纲要求:〔1〕工程咨询的原那么、特点、范围。
〔2〕投资建设与工程咨询的关系。
〔3〕投资工程、工程周期、工程管理层次和相应的工程咨询效劳。
〔4〕工程咨询在经济建设中的作用及效劳对象。
〔5〕国内外工程咨询开展沿革。
3.重难点内容根据历年考题情况,考生复习的重点有:工程咨询的概念、工程咨询原那么、工程生命周期、工程管理等。
第三局部:系统讲解第一节工程咨询的概念〔P1~5〕本节知识框架:一、工程咨询的含义〔P1~2〕〔一〕咨询的含义咨询是运用知识、技能、经验、信息提供效劳的脑力劳动,旨在为他人出谋划策,帮助解决疑难问题。
咨询与决策的关系,是建言与“纳谏〞的关系。
〔二〕工程咨询的含义遵循的原那么:独立、科学、公正效劳对象:政府部门、工程业主、其他各类客户〔与教材P13页“工程咨询效劳对象〞结合学习〕效劳内容:提供经济社会开展和工程工程决策与实施的智力效劳手段:多学科知识和经验、现代科学技术和管理方法〔1〕工程咨询的原那么、特点、范围〔2〕投资建设与工程咨询的关系投资建设与工程咨询的关系(理解)投资建设是实现社会扩大再生产的根本途径,是保持经济和社会长期稳定开展的重要手段。
工程咨询概论第一章概述第一节工程咨询概念咨询的含义作用关系工程咨询的含义工程咨询者工程咨询的原则工程咨询的特点国际工程咨询业务我国现行的工程咨询业务范围我国与国际工程咨询的差别第二节工程咨询与投资建设投资的定义和分类投资建设与工程咨询的关系第三节工程咨询与投资项目管理投资项目的定义项目的性质投资项目的称谓投资项目的类型国际上一般的项目分类及关注点项目周期划分项目管理层次和对应工程咨询业务第四节工程咨询在经济建设中的作用工程咨询的作用工程咨询服务对象出资人项目业主工程承包商服务第五节工程咨询业发展沿革工程咨询业发展史国际工程咨询业的现状和特点各国工程咨询业的扶持政策国际工程咨询业的展望我国工程咨询业的历史回顾、现状、未来发展前景中国经济社会发展对工程咨询业的需求和影响第二章注册咨询工程师(投资)第一节注册咨询工程师(投资)的含义注册咨询工程师的含义执业范围权利义务第二节注册咨询工程师(投资)的基本素质高尚品德和奉献精神不断创新的进取精神多方面的工作能力多学科、复合型的知识结构掌握工程咨询的常用方法第三节当前注册咨询工程师(投资)执业的侧重点规划、政策咨询循环经济咨询节约能源资源咨询环境保护咨询制度建设咨询第四节建立注册咨询工程师(投资)职业资格制度的目的和意义背景必要性第五节注册咨询工程师(投资)资格取得方式注册咨询工程师(投资)的考核认定考试报名考试的条件、程序及考试地点和组织管理免试部分考试科目的条件考试成绩管理第三章工程咨询单位第一节工程咨询单位概述工程咨询单位的含义我国工程咨询单位分类工程咨询单位的市场准入(资格管理和登记注册)工程咨询单位的组织设计(原则和管理层次)第二节工程咨询单位的业务管理发展战略的重要性和特点市场战略的评估和预测确立发展目标培育核心竞争力工程咨询单位业务的市场开发工程咨询市场的特点咨询服务营销市场调查与营销环境分析目标市场选择与市场定位(市场细分、目标市场选择、市场定位、主要营销手段)项目的分析和选择工程咨询业务过程管理与控制工作小组项目经理责任制度咨询项目过程管理过程控制工程咨询单位的人力资源管理信息管理对信息的基本要求信息的采集信息的筛选和鉴定信息的综合信息的分析决策支持信息管理方法有关问题第三节工程咨询单位的服务和质量服务质量管理建立符合工程咨询行业特点的质量管理体系质量管理体系的建立和实施质量管理体系认证环境管理体系和职业健康安全管理体系第四节工程咨询单位的风险与工程保险全面风险管理风险的类别工程咨询单位风险管理策略工程保险保险合同保险的基本原则工程保险的主要险别第四章工程咨询服务的内容(一)第一节规划咨询我国的规划体系及特征政府对国民经济和社会发展规划编制工作的要求规划研究咨询规划评估咨询规划咨询的原则与方法工作程序第二节专题与政策研究咨询专题研究咨询政策研究咨询第三节项目前期阶段咨询项目前期咨询的内容企业投资项目前期咨询投资机会研究初步可行性研究可行性研究政府投资项目前期研究政府投资的范围和方式政府直接投资项目可行性研究报告的编写资本金注入项目可行性研究报告的编写企业投资项目核准和备案咨询企业投资项目备案咨询政府性资金申请咨询工程咨询评估企业投资项目可行性研究报告的咨询评估政府投资项目可行性研究报告的评估项目核准申请报告的评估资金申请报告的咨询评估第四节项目准备阶段咨询工程勘察设计项目的融资咨询工程与货物采购咨询招标代理第五章工程咨询服务的内容(二)第一节项目实施阶段的咨询项目合同管理工程监理设备监理项目竣工咨询试生产及生产运营准备咨询第二节项目后评价项目后评价的概念和任务项目后评价的范围和内容项目后评价的实施第三节工程项目管理工程项目管理的基本概念(含义及特点)工程项目管理的内容工程项目管理制度工程项目管理模式工程项目代建制代建制的作用代建单位的服务内容项目诊断第六章现代工程咨询方法和信息化手段第一节现代工程咨询方法体系现代工程咨询方法体系构成现代工程咨询方法分类(按照方法应用的领域分类、按照方法对数学模型的应用分类、按照方法的用途分类)第二节调查法与对比法问卷调查专家调查现场调查现场测量历史资料调查文案调查有无对比前后对比横向对比规制对比标准对比方案对比第三节系统分析法系统分析的概念系统分析的内容系统研究系统设计系统量化系统评价系统协调第四节逻辑框架法与项目分析逻辑框架法的基本概念逻辑框架法的基本结构逻辑框架法的目标层次及逻辑关系项目逻辑框架分析利益群体分析问题分析目标分析对策分析项目逻辑框架的编制纲要逻辑的层次假定条件的确定项目内部因素和外部条件的分析逻辑框架法在工程(投资)中的应用逻辑框架的优点与局限性第五节综合评价方法综合评价方法的概念综合评价的一般工作程序确定工作目标确定评价范围确定评价指标和标准确定指标的权重确定综合评价判据选择评价方法,进行综合评价综合评价的优点与局限性综合评价的加权平均法综合评价的层次分析法第六节工程咨询信息化手段工程咨询信息系统信息系统的软硬件结构信息系统的层次结构信息化手段在工程咨询中的应用工程咨询信息化的涵义工程咨询信息化建设目标工程咨询信息化的应用范围第七章工程咨询服务的采购第一节工程咨询服务的采购方式国际上的采购方式公开招标邀请招标框架合同竞争性谈判直接委托第二节工程咨询服务招标招标程序招标文件资格预审与形成短名单开标、评标与定标评标标准与方法质量成本评估法质量评估法固定预算评估法经评审的最低评标价法合同谈判与签约第三节工程咨询服务投标投标准备投标文件的编制合同谈判第四节工程咨询服务费用计算工程咨询服务计费方式人月费单价法按日计费法成本酬金法总价法工程造价百分比法顾问费法工程咨询服务收费标准项目建设前期咨询服务收费标准工程设计收费标准工程监理收费标准招标代理服务收费标准第八章中国工程咨询行业组织和管理第一节中国工程咨询行业组织中国工程咨询协会宗旨、职能范围、组织机构地区工程咨询协会其他相关协会中国国际工程咨询协会中国勘察设计协会中国建设监理协会中国设备监理协会中国建设工程造价管理协会中国招标投标协会第二节中国工程咨询业自律性管理中国工程咨询业职业道德行为准则中国工程咨询业的质量管理中国工程咨询业的合同管理中国工程咨询协会的会员管理第三节中国工程咨询业的行政管理工程咨询单位资格认定中央投资项目招标代理机构资格认定注册咨询工程师(投资)注册管理工程咨询收费管理其他行政性资质管理第九章国际工程咨询行业组织和管理第一节国际咨询工程师联合会 FIDIC的成立与发展 FIDIC的宗旨、使命和目标FIDIC的组织机构FIDIC的地区组织FIDIC的成员FIDIC的职业道德准则第二节国际咨询工程师联合会的文献FIDIC合同条件如何运用FIDIC合同条件协议书范本工作指南 FIDIC致力于建立的三大管理体系指南质量管理体系廉洁管理体系项目可持续管理体系工作程序与准则及工作手册第三节国际咨询工程师联合会年会及其导向 FIDIC年会的内容 FIDIC年会的组织近11年FIDIC年会主题及要点英、美工程咨询行业协会第十章工程咨询的法律责任第一节工程咨询相关的法律法规、技术规范有关投资建设管理的法律有关工程咨询业的行政法规有关工程咨询业的部门规章技术规范第二节工程咨询争端的解决争端的解决方式争议解决的调解方式第三节工程咨询服务过程中的法律责任工程咨询单位的民事责任前期工程咨询的民事责任工程设计的民事责任建设监理的民事责任工程招标代理的民事责任工程咨询单位的行政法律责任工程咨询单位的行政法律责任工程设计的行政法律责任建设监理人的行政法律责任招标代理人的行政法律责任第四节知识产权及其归属知识产权的概念和特征保护知识产权的主要国际公约《与贸易有关的知识产权协议》WTO与知识产权咨询成果的所有权。
咨询工程师考试笔记之工程咨询概论第一章概述第一节工程咨询综述一、工程咨询概念咨询的含义咨询:从求救者的角度讲是“征求意见”,从被求救者角度讲,就是当顾问,为别人出谋划策。
咨询需求和咨询供给是咨询活动的两个必备条件。
咨询活动是一种智力活动,咨询服务是一种智力服务。
咨询与决策的关系,是建言与“纳谏”的关系。
工程咨询的含义工程咨询是以技术为基础,综合运用多学科知识、工程实践经验、现代科学和管理方法、为经济社会发展、投资建设项目决策与实施全过程提供咨询和管理的智力活动。
二、工程咨询的原则和特点工程咨询业是现代服务业,属于第三产业。
工程咨询的原则:独立;科学;公正。
工程咨询的特点:1、咨询范围的广泛性;2、咨询任务的唯一性;3、咨询知识的密集性;4、咨询因素的复杂性;5、咨询视野的前瞻性;6、咨询产品的非物质性;7、咨询成果检验的客观性。
三、工程咨询的阶段划分与业务范围(一)工程咨询的阶段划分1、工程项目前期阶段的咨询业务:项目规划咨询;项目机会研究;项目可行性研究和项目评估等内容。
2、工程项目准备阶段的咨询业务:3、工程项目实施阶段的业务咨询:4、工程项目营运阶段的业务咨询。
一般称作后评价,包括过程评价,效益和效率评价,持续性评价,影响评价和综合性评价五个方面。
(二)工程咨询业务范围规划咨询;编制项目建议书;编制项目可行性研究报告、项目申请报告和资金申请报告;评估咨询;工程设计;招标代理;工程监理,设备监理;工程项目管理八个方面。
第二节工程咨询与投资建设一、投资的定义与分类投资一般有以下五种分类;1、按形成资本用途分:生产性投资和非生产性投资。
2、按资产形态分:固定资产投资和流动资产投资。
流动资产投资在经济学中称为增加存货投资。
3、按投资主体的经济类型分:国有经济、集体经济、个体经济、联营经济、股份制经济和外商投资。
4、按资金来源分:国家预算资金,国内贷款、利用外资、自筹资金和其他投资。
5、按固定资产投资构成分:建筑安装工程费,设备与工器具购置费、其他费用。
第一章概述第一节工程咨询综述(P1~4)第一个考点:工程咨询的原则(P2)(一)我国产业的划分:(二)工程咨询的原则1.独立(1)含义:独立是指工程咨询单位应具有独立的法人地位,不受客户和其他方面偏好、意图的影响或干扰,独立自主地执业,对自己完成的咨询成果独立承担法律责任。
(2)作用:是其从事市场中介服务的法律基础,是坚持客观、公正立场的前提条件,是赢得社会信任的重要因素。
2.科学(1)含义:科学是指工程咨询的依据、方法和过程应具有科学性,要求实事求是,了解并反映客观、真实的情况,据实比选,据理论证,不弄虚作假。
(2)作用:工程咨询科学化的程度,决定工程咨询的水准和质量。
3.公正公正是指在工程咨询工作中,坚持原则,持公正立场。
第二个考点:工程咨询的特点(P2~3)工程咨询具体内容的特点第三个考点:工程咨询的阶段划(P3~4)工程咨询活动贯穿于工程项目投资决策和建设实施全过程,各个阶段的咨询业务范围包括:第四个考点:工程咨询业务范围(P4)(1)规划咨询:含行业、专项和区域发展规划编制、咨询;(2)编制项目建议书(含项目投资机会研究、预可行性研究);(3)编制项目可行性研究报告、项目申请报告和资金申请报告;(4)评估咨询:含项目建议书、可行性研究报告、项目申请报告与初步设计评估,以及项目后评价、概预决算审查等;(5)工程设计;(6)招标代理;(7)工程监理、设备监理;(8)工程项目管理:含工程项目的全过程或若干阶段的管理服务。
第二节工程咨询与投资建设(P5~10)第一个考点:投资分类(P5)(1)按形成资本的用途,分为生产性投资和非生产性投资。
(2)按资产形态,分为固定资产投资和流动资产投资。
(3)按投资主体的经济类型,分为国有经济投资、集体经济投资、个体经济投资、联营经济投资、股份制经济投资、外商投资(指境外企业在华投资,包括港澳台投资等)。
(4)按资金来源,分为国家预算内投资、国内贷款、利用外资、自筹投资、其他投资等。
工程咨询概论第一章概述第一节工程咨询概念一、工程咨询概念二、工程咨询的原则和特点三、工程咨询的阶段划分与业务范围第二节工程咨询与投资建设一、投资的定义与分类二、工程咨询与投资建设的关系三、工程项目投资建设外部约束条件咨询第三节工程咨询与工程项目管理一、工程项目二、工程项目周期划分三、工程项目投资建设管理程序四、工程项目决策咨询第四节工程咨询在经济建设中的作用一、工程咨询的作用二、工程咨询的服务对象三、工程咨询市场第五节工程咨询业发展沿革一、工程咨询业发展历史二、国际工程咨询业概况三、我国工程咨询业的兴起与发展第二章注册咨询工程师(投资)第一节注册咨询工程师(投资)的含义一、注册咨询工程师(投资)的概念二、注册咨询工程师(投资)的执业范围三、注册咨询工程师(投资)的权利四、注册咨询工程师(投资)的义务第二节注册咨询工程师(投资)的基本素质一、高尚品德和奉献精神二、不断创新的进取精神三、多学科、复合型的知识结构四、多方面的工作能力五、掌握工程咨询常用方法六、良好的身体素质第三节注册咨询工程师(投资)执业资格制度一、建立注册咨询工程师(投资)执业资格制度的背景二、建立注册咨询工程师(投资)执业资格制度的必要性第四节注册咨询工程师(投资)执业资格考试一、考试大纲和考试科目二、报名考试的条件、程序及考试地点和组织管理三、免试部分考试科目的条件四、免试成绩管理第三章工程咨询单位第一节工程咨询单位概述一、工程咨询单位的含义二、国外工程咨询公司分类三、我国工程咨询单位分类四、工程咨询单位的市场准入五、工程咨询单位的组织设计第二节工程咨询单位管理一、工程咨询单位发展战略二、工程咨询单位市场开发三、工程咨询单位业务管理四、工程咨询单位人力资源管理五、工程咨询单位信息管理六、工程咨询单位知识管理第三节工程咨询单位服务质量一、质量管理的概念二、工程咨询服务质量管理三、环境管理体系和职业健康安全管理体系第四节工程咨询单位的风险与工程保险一、风险的概念二、工程咨询单位风险管理三、工程保险第四章工程咨询服务内容(一)第一节规划咨询一、规划咨询的概念二、规划咨询的内容三、规划咨询的原则四、规划咨询的方法五、规划制定咨询六、规划评估咨询第二节政策研究咨询一、政策研究咨询的概念与特点二、政策研究咨询的范围与类型三、政策制定咨询四、政策评价咨询五、政策研究咨询必备的条件第三节工程项目前期阶段咨询一、工程项目前期咨询的内容二、企业投资项目前期咨询三、政府投资项目前期咨询四、企业投资项目核准和备案咨询五、政府性资金申请咨询六、工程项目咨询评估七、节能评估第四节工程项目准备阶段咨询一、工程勘察设计咨询二、工程项目融资咨询三、工程与货物采购咨询四、招标代理第五章工程咨询服务内容(二)第一节工程项目实施阶段的咨询一、工程项目合同管理二、工程监理三、设备监理工程项目竣工咨询第二节工程项目后评价一、项目后评价的概念和任务二、项目后评价的范围和内容三、项目后评价的实施第三节工程项目管理咨询一、工程项目管理的概念二、工程项目管理制度三、工程项目管理模式第六章现代工程咨询方法第一节现代工程咨询方法体系一、现代工程咨询方法体系二、现代工程咨询方法分类第二节调查法与对比法一、调查法二、对比法第三节系统分析法一、系统的含义二、系统分析的概念三、系统分析的内容第四节逻辑框架法与项目分析一、逻辑框架法的概念二、项目逻辑框架分析三、项目逻辑框架设计四、逻辑框架矩阵的应用第五节综合评价法一、综合评价法概述二、综合评价的一般程序第七章工程咨询服务采购第一节工程咨询服务采购方式一、国内常用采购方式二、国际常用采购方式第二节工程咨询服务招标一、招标程序二、招标文件三、资格预审与形成短名单四、开标、评标与定标五、评标标准与方法六、合同谈判与签订第三节工程咨询服务投标一、投标准备二、投标文件的编制三、合同谈判第四节工程咨询服务费用计算一、工程咨询服务计费方式二、我国工程咨询服务先行收费标准第八章中国工程咨询行业组织和管理第一节中国工程咨询行业组织一、中国工程咨询协会二、地区工程咨询协会三、其他相关协会第二节中国工程咨询业自律性协会一、工程咨询业职业道德行为准则二、工程咨询业自律性质量管理三、工程咨询业自律性合同管理四、工程咨询业自律性项目管理五、中国工程咨询协会会员管理第三节中国工程咨询业行政性管理一、工程咨询单位资格认定二、中央投资项目招标代理结构资格认定三、国家发展改革委委托投资咨询评估管理办法四、注册咨询工程师(投资)注册管理五、工程咨询收费管理六、其他行政性资质管理第九章国际工程咨询行业组织和管理第一节国际咨询工程师联合会一、FIDIC的成立与发展二、FIDIC的宗旨、使命和目标三、FIDIC的组织机构四、FIDIC的成员五、FIDIC的职业道德标准六、FIDIC工程师第二节国家咨询工程师联合会文献一、概述二、FIDIC合同条件三、工作指南四、工作程序与准则及工作手册第三节国际咨询工程师联合会年会一、FIDIC年会的内容二、FIDIC年会的组织三、FIDIC年会主题及要点第四节英、美工程咨询行业协会一、英国工程师咨询协会二、英国土木工程师协会三、美国工程公司协会四、美国建筑师学会第十章工程咨询的法律责任第一节工程咨询相关的法律、法规、规章、技术规范一、有关投资建设管理的法律二、有关工程咨询业的行政法规三、有关工程咨询业的部门规章四、技术规范第二节工程咨询争端的解决一、争端的解决方式二、国际工程承包中争议解决的调节方式第三节工程咨询服务过程中的法律责任一、工程咨询单位的民事责任二、工程咨询单位的行政法律责任第四节知识产权及其归属一、知识产权的概念和特征二、保护知识产权的主要国际公约三、WTO《与贸易有关的知识产权协定》与知识产权四、咨询成果的所有权。
第一章概述考试要求1.了解工程咨询业的起源、国内和国际现状、发展和趋势。
2.掌握工程咨询的概念、性质、原则、特点、业务范围以及在经济建设中的地位和作用。
3.熟悉工程咨询服务的对象和方式,以及工程咨询与项目的关系。
第一节工程咨询的概念一、工程咨询的含义、性质工程咨询是受客户委托,在规定的时间内,运用科学技术、经济管理、法律等多方面的知识,为经济建设和工程项目的决策、实施和管理提供智力服务。
因此,工程咨询业也是智力服务性行业,属第三产业。
二、工程咨询业的原则和特点(一)工程咨询业的含义工程咨询业是智力服务性行业,运用多种学科知识和经验、现代科学技术管理方法,遵循独立、科学、公正的原则,为政府部门和投资者对经济建设和工程项目的投资决策与实施提供咨询服务,以提高宏观和微观的经济效益。
工程咨询者既不是投资者、决策者,也不是项目法人、业主,更不是工程建设实施者,而是为项目及其投资决策和实施提供智力服务的专家、专家集体和单位。
(二)工程咨询的原则1.独立原则独立是工程咨询的第一属性,即咨询专家独立于客户而展开工作。
2.科学原则科学是指以知识和经验为基础为客户提供解决方案。
经验是实现工程咨询科学性的重要保障。
知识、经验、能力和信誉是工程咨询科学性的基本要素。
3.公正原则工程咨询应该维护全局和整体利益,要有宏观意识,坚持可持续发展的原则。
(三)工程咨询业的特点10个(1)工程咨询服务实际上是完成客户委托的任务。
(2)咨询任务弹性很大,可以全过程咨询,也可以只就某一项工作进行咨询。
(3)每一项咨询任务都是一次性、单独的任务,不可能象物质产品那样批量生产。
(4)咨询的时效性很重要,时间是构成质量要求的一部分。
(5)咨询过程不是以物流为中心而是以智力活动为中心。
(6)咨询工作牵涉面比较广。
(7)建设项目受有关条件的约束性较大。
(8)许多咨询成果是预测性的,要经受历史的考验。
因此,咨询质量的评价1除了企业本身的及时评价以外,2还要接受顾客的验收评价,3项目实施过程中的跟踪评价,4项目投产后的后评价。
第一章概述考点一:工程咨询的概念、原则和特点 (a)概念:以技术为基础,应用知识、经验、管理方法,为工程咨询决策和全过程,提供智力服务原则:独立性:法律基础、前提、重要因素科学性:反映客观等公正性:职业道德特点:广泛性、唯一性、知识密集性、复杂性、前瞻性、非物质性、客观性非物质性:成果属于非物质产品【经典例题】工程咨询是智力服务,是多学科知识和多种技术、经验、信息的集成。
咨询成果按形态划分,属于()。
a.非物质产品b.综合性产品c.创新型产品d.抽象化产品答案:[a]考点二:工程咨询的阶段划分(b)1、工程项目前期阶段的咨询:项目规划咨询、项目机会研究、项目可行性研究和项目评估等内容。
项目决策咨询是本阶段咨询工作的核心2、工程项目准备阶段的咨询:有工程勘察设计、设计审查、工程和设备采购咨询服务等3、工程项目实施阶段的咨询:核心是对工程进度、工程造价和工程质量进行控制4、工程项目运营阶段的咨询:过程评价、效率和效益评价、持续性评价、影响评价和综合评价。
考点三:工程咨询的业务范围(b)工程咨询业务范围包括:(1)规划咨询:含行业、专项和区域发展规划编制、咨询(2)编制项目建议书(含项目投资机会研究、预可行性研究)(3)编制项目可行性研究报告、项目申请报告和资金申请报告工程咨询业务范围包括:(4)评估咨询(5)工程设计(6)招标代理(7)工程监理、设备监理(8)工程项目管理考点四:投资的分类 (a)形成资本的用途:生产性投资和非生产性投资。
资产形态:固定资产投资和流动资产投资。
投资主体的经济类型:国有经济投资、集体经济投资、个体经济投资、联营经济投资、股份制经济投资、外商投资。
资金来源:国家预算内投资、国内贷款、利用外资、自筹投资、其他投资固定资产投资的使用构成:建筑安装工程费、设备与工器具购置费、其他费用【经典例题】在我国投资管理中,按()不同,将投资划分为生产性投资和非生产性投资。
a.资产形态b.资金来源c.固定资产投资的构成d.形成资本的用途答案:[d]【经典例题】按资产的形态,可将投资划分为()。
第一章概述1、工程咨询含义:以技术为基础,综合运用多学科知识和经验、现代科学技术和管理方法,为经济社会建设、投资建设项目决策与实施全过程,提供咨询和管理的智力服务。
2、工程咨询原则:独立(独立法人地位、不受客户偏好/意图的干扰、独立自主地执业、对咨询成果独立承担法律责任;是从事市场中介服务的法律基础、是坚持客观/公正立场的前提条件、是其赢得社会信任的重要因素)、科学(指工程咨询的依据/方法/过程应具有科学性;科学化程度,决定工程咨询的水准和质量,进而决定咨询成果是否可信/可靠/可用)、公正(指坚持原则,持公正立场;既要忠实地为委托方服务,又不能完全以委托方满意度作为评价工作好坏的唯一标准)。
3、工程咨询特点:咨询范围的广泛性(业务弹性很大);咨询任务的唯一性(只有类似性,而无重复性);咨询知识的密集性(是高度智能化服务、服务性);咨询因素的复杂性;咨询视野的前瞻性(预测性、时效性);咨询产品的非物质性(提供智力服务,咨询成果属于非物质产品);咨询成果检验的客观性。
4、工程咨询阶段业务:前期阶段(项目规划咨询/机会研究/决策咨询/可研/评估;其中,项目决策咨询是核心;项目可研和评估为重点)、准备阶段[工程设计咨询(已批准的可研报告为依据)、设计审查咨询、工程和设备采购咨询服务(编标书/评标/合同谈判)]、实施阶段(核心是实现工程进度/成本/质量的控制)、运营阶段(后评价,包括过程/效益/持续性/影响/综合评价)。
5、工程咨询的业务范围:规划咨询、编制项目建议书、编制可研报告、项目和资金申请报告、评估咨询、工程设计、招标代理、工程/设备监理、工程项目管理;专题咨询研究的范围/内容/深度,应根据(客户要求和研究需要)来确定。
6、投资分类:按形成资本的用途(生产性投资、非生产性投资);按资产形态分(固定资产投资、流动资产投资);按投资主体的经济类型分(国有/集体/个体/股份制/外商投资);按资金来源分(国家预算内投资、国内贷款、利用外资、自筹投资、其他投资);按固定资产投资的使用构成分(建筑安装工程费、设备与工器具购置费、其他费用)。
一、工程咨询基本内容第一部分:考情剖析1.历年考题分值统计表命题点工程咨询的观点工程咨询与投资建设第一章工程咨询与投资项目管概括理工程咨询在经济建设中的作用工程咨询业发展沿革题型200420052006 2007200820092010单项选择题312223多项选择题42422单项选择题131多项选择题242单项选择题1125232多项选择题288628单项选择题311多项选择题44单项选择题211312多项选择题2222.本章内容属于本书的基础内容,说起诸多观点,考生要弄清楚其含义。
考点主要集中在:工程咨询的原则(要点)、工程咨询的特色、我国现行的工程咨询业务范围、投资的定义与分类、项目的性质、国际上一般项目分类及关注点、世行项目周期的区分和我国项目周期的区分(要点)、项目管理层次和工程咨询(要点)、工程咨询服务对象、工程咨询业发展史等。
第二部分:知识点1.本章知识框架:2.本章考试大纲领求:(1)工程咨询的原则、特色、范围。
(2)投资建设与工程咨询的关系。
(3)投资项目、项目周期、项目管理层次和相应的工程咨询服务。
(4)工程咨询在经济建设中的作用及服务对象。
(5)国内外工程咨询发展沿革。
3.重难点内容依据历年考题状况,考生复习的要点有:工程咨询的观点、工程咨询原则、项目生命周期、项目管理等。
第三部分:系统解说第一节工程咨询的观点(P1~ 5)本节知识框架:一、工程咨询的含义(P1~ 2)(一)咨询的含义咨询是运用知识、技术、经验、信息供应服务的脑力劳动,旨在为别人出谋献策,帮助解决疑难问题。
咨询与决议的关系,是建言与“纳谏”的关系。
(二)工程咨询的含义依照的原则:独立、科学、公正P13 页“工程咨询服务对象”服务对象:政府部门、项目业主、其余各种客户(与教材联合学习)服务内容:供应经济社会发展和工程项目决议与实行的智力服务手段:多学科知识和经验、现代科学技术和管理方法(1)工程咨询的原则、特色、范围(2)投资建设与工程咨询的关系投资建设与工程咨询的关系 ( 理解 )投资建设是实现社会扩大重生产的根本门路,是保持经济和社会长久稳固发展的重要手段。
第一章概述第一节工程咨询综述(P1~4)第一个考点:工程咨询的原则(P2)(一)我国产业的划分:(二)工程咨询的原则1.独立(1)含义:独立是指工程咨询单位应具有独立的法人地位,不受客户和其他方面偏好、意图的影响或干扰,独立自主地执业,对自己完成的咨询成果独立承担法律责任。
(2)作用:是其从事市场中介服务的法律基础,是坚持客观、公正立场的前提条件,是赢得社会信任的重要因素。
2.科学(1)含义:科学是指工程咨询的依据、方法和过程应具有科学性,要求实事求是,了解并反映客观、真实的情况,据实比选,据理论证,不弄虚作假。
(2)作用:工程咨询科学化的程度,决定工程咨询的水准和质量。
3.公正公正是指在工程咨询工作中,坚持原则,持公正立场。
第二个考点:工程咨询的特点(P2~3)第三个考点:工程咨询的阶段划(P3~4)第四个考点:工程咨询业务范围(P4)(1)规划咨询:含行业、专项和区域发展规划编制、咨询;(2)编制项目建议书(含项目投资机会研究、预可行性研究);(3)编制项目可行性研究报告、项目申请报告和资金申请报告;(4)评估咨询:含项目建议书、可行性研究报告、项目申请报告与初步设计评估,以及项目后评价、概预决算审查等;(5)工程设计;(6)招标代理;(7)工程监理、设备监理;(8)工程项目管理:含工程项目的全过程或若干阶段的管理服务。
第二节工程咨询与投资建设(P5~10)第一个考点:投资分类(P5)(1)按形成资本的用途,分为生产性投资和非生产性投资。
(2)按资产形态,分为固定资产投资和流动资产投资。
(3)按投资主体的经济类型,分为国有经济投资、集体经济投资、个体经济投资、联营经济投资、股份制经济投资、外商投资(指境外企业在华投资,包括港澳台投资等)。
(4)按资金来源,分为国家预算内投资、国内贷款、利用外资、自筹投资、其他投资等。
(5)按固定资产投资的使用构成,将投资分为建筑安装工程费、设备与工器具购置费、其他费用等。
第一章概述第一节工程咨询综述(P1~4)第一个考点:工程咨询的原则(P2)(一)我国产业的划分:(二)工程咨询的原则1.独立(1)含义:独立是指工程咨询单位应具有独立的法人地位,不受客户和其他方面偏好、意图的影响或干扰,独立自主地执业,对自己完成的咨询成果独立承担法律责任。
(2)作用:是其从事市场中介服务的法律基础,是坚持客观、公正立场的前提条件,是赢得社会信任的重要因素。
2.科学(1)含义:科学是指工程咨询的依据、方法和过程应具有科学性,要求实事求是,了解并反映客观、真实的情况,据实比选,据理论证,不弄虚作假。
(2)作用:工程咨询科学化的程度,决定工程咨询的水准和质量。
3.公正公正是指在工程咨询工作中,坚持原则,持公正立场。
第二个考点:工程咨询的特点(P2~3)第三个考点:工程咨询的阶段划(P3~4)工程咨询活动贯穿于工程项目投资决策和建设实施全过程,各个阶段的咨询业务范围包括:第四个考点:工程咨询业务范围(P4)(1)规划咨询:含行业、专项和区域发展规划编制、咨询;(2)编制项目建议书(含项目投资机会研究、预可行性研究);(3)编制项目可行性研究报告、项目申请报告和资金申请报告;(4)评估咨询:含项目建议书、可行性研究报告、项目申请报告与初步设计评估,以及项目后评价、概预决算审查等;(5)工程设计;(6)招标代理;(7)工程监理、设备监理;(8)工程项目管理:含工程项目的全过程或若干阶段的管理服务。
第二节工程咨询与投资建设(P5~10)第一个考点:投资分类(P5)(1)按形成资本的用途,分为生产性投资和非生产性投资。
(2)按资产形态,分为固定资产投资和流动资产投资。
(3)按投资主体的经济类型,分为国有经济投资、集体经济投资、个体经济投资、联营经济投资、股份制经济投资、外商投资(指境外企业在华投资,包括港澳台投资等)。
(4)按资金来源,分为国家预算内投资、国内贷款、利用外资、自筹投资、其他投资等。
第一章概述第一节工程咨询综述(P1~4)第一个考点:工程咨询的原则(P2)(一)我国产业的划分:(二)工程咨询的原则1.独立(1)含义:独立是指工程咨询单位应具有独立的法人地位,不受客户和其他方面偏好、意图的影响或干扰,独立自主地执业,对自己完成的咨询成果独立承担法律责任。
(2)作用:是其从事市场中介服务的法律基础,是坚持客观、公正立场的前提条件,是赢得社会信任的重要因素。
2.科学(1)含义:科学是指工程咨询的依据、方法和过程应具有科学性,要求实事求是,了解并反映客观、真实的情况,据实比选,据理论证,不弄虚作假。
(2)作用:工程咨询科学化的程度,决定工程咨询的水准和质量。
3.公正公正是指在工程咨询工作中,坚持原则,持公正立场。
第三个考点:工程咨询的阶段划(P3~4)工程咨询活动贯穿于工程项目投资决策和建设实施全过程,各个阶段的咨询业务范围包括:第四个考点:工程咨询业务范围(P4)(1)规划咨询:含行业、专项和区域发展规划编制、咨询;(2)编制项目建议书(含项目投资机会研究、预可行性研究);(3)编制项目可行性研究报告、项目申请报告和资金申请报告;(4)评估咨询:含项目建议书、可行性研究报告、项目申请报告与初步设计评估,以及项目后评价、概预决算审查等;(5)工程设计;(6)招标代理;(7)工程监理、设备监理;(8)工程项目管理:含工程项目的全过程或若干阶段的管理服务。
第二节工程咨询与投资建设(P5~10)第一个考点:投资分类(P5)(1)按形成资本的用途,分为生产性投资和非生产性投资。
(2)按资产形态,分为固定资产投资和流动资产投资。
(3)按投资主体的经济类型,分为国有经济投资、集体经济投资、个体经济投资、联营经济投资、股份制经济投资、外商投资(指境外企业在华投资,包括港澳台投资等)。
(4)按资金来源,分为国家预算内投资、国内贷款、利用外资、自筹投资、其他投资等。
(5)按固定资产投资的使用构成,将投资分为建筑安装工程费、设备与工器具购置费、其他费用等。
考点汇总《工程咨询概论》1. 什么是工程咨询?工程咨询是指在工程项目的各个阶段,为业主单位提供专业化的咨询服务,包括项目可行性研究、前期工程设计、工程监理、项目管理等方面的咨询。
2. 工程咨询的作用和意义工程咨询在工程项目中起到了至关重要的作用和意义,具体体现在以下几方面:•提供专业化的咨询意见,帮助业主单位做出正确的决策;•为工程项目的顺利进行提供技术支持和管理支持;•保障工程项目的质量和进度,最大程度地减少风险;•提供专业化的服务,提升工程项目的整体效益。
工程咨询可以根据咨询的内容和阶段的不同分为不同的分类,主要包括以下几种:3.1 项目可行性研究咨询项目可行性研究咨询是在项目前期阶段对项目的可行性进行全面研究,并形成可行性研究报告。
这个阶段主要包括项目的市场分析、技术可行性分析、经济可行性分析等。
3.2 前期工程设计咨询前期工程设计咨询主要是在项目可行性研究阶段的基础上,对项目进行初步设计,做出初步的工程设计方案,包括工程的规模、结构、布局等。
工程监理咨询是在工程施工过程中,对施工单位进行监督和管理,确保施工单位按照设计方案和合同要求进行施工,提供技术支持和管理支持。
3.4 项目管理咨询项目管理咨询是为项目提供全过程的管理支持,包括项目计划、项目组织、项目实施和项目监控等方面的咨询。
4. 工程咨询的流程和方法工程咨询通常包括以下流程和方法:4.1 咨询需求确认在开始咨询之前,首先需要与业主单位确认咨询的需求,明确咨询的目标和范围。
4.2 数据收集和分析通过收集和分析相关的数据,对项目的情况进行全面了解,为下一步的咨询提供依据。
4.3 咨询报告编制根据收集到的数据和分析结果,编制咨询报告,包括对问题的分析、解决方案的提出和实施计划的制定。
4.4 咨询实施和监督根据咨询报告中的方案和计划,进行咨询的实施和监督,确保咨询的顺利进行。
5. 工程咨询的案例分析以下是几个典型的工程咨询案例分析:5.1 某大型工程项目的可行性研究咨询某大型工程项目需要进行可行性研究,工程咨询机构通过市场调研和技术评估,为业主单位提供了详细的可行性研究报告,帮助业主单位做出决策。
工程咨询概论工程咨询是一种专业服务,它涉及到工程技术、管理、经济、社会和其他方面的知识,为客户提供专业的建议和服务,以解决工程项目中的技术、管理、经济、社会等问题。
工程咨询主要包括工程技术咨询、工程管理咨询、工程经济咨询和工程社会咨询等。
一、工程技术咨询工程技术咨询是指为客户提供技术服务,根据客户的需求,为客户提供技术解决方案,提出技术建议,指导客户实施工程项目,帮助客户提高工程项目的技术水平,保证工程项目的高质量和高效率。
工程技术咨询主要包括工程技术设计咨询、工程技术评估咨询、工程技术实施咨询、工程技术培训咨询等。
1、工程技术设计咨询2、工程技术评估咨询3、工程技术实施咨询4、工程技术培训咨询二、工程管理咨询工程管理咨询是指为客户提供管理服务,根据客户的需求,为客户提供管理解决方案,提出管理建议,指导客户实施工程项目,保证工程项目的高质量和高效率。
工程管理咨询主要包括工程组织管理咨询、工程进度管理咨询、工程质量管理咨询、工程成本管理咨询等。
1、工程组织管理咨询2、工程进度管理咨询3、工程质量管理咨询4、工程成本管理咨询三、工程经济咨询工程经济咨询是指为客户提供经济服务,根据客户的需求,为客户提供经济解决方案,提出经济建议,指导客户实施工程项目,保证工程项目的高质量和高效率。
工程经济咨询主要包括工程投资经济咨询、工程经济效益分析咨询、工程经济资金管理咨询、工程经济报价咨询等。
1、工程投资经济咨询2、工程经济效益分析咨询3、工程经济资金管理咨询4、工程经济报价咨询四、工程社会咨询工程社会咨询是指为客户提供社会服务,根据客户的需求,为客户提供社会解决方案,提出社会建议,指导客户实施工程项目,保证工程项目的高质量和高效率。
第一章概述1. 工程咨询的原则、特点和业务范围。
2. 投资建设与工程咨询的关系。
3. 投资项目、项目周期、项目管理层次与相应的工程咨询服务。
4. 工程咨询在经济建设中的作用及服务对象。
5. 国内外工程咨询发展沿革。
[内容要点]第一节工程咨询的概念一、工程咨询及相关概念(一)咨询的含义从求教者的角度来看,咨询指向顾问之类的人员或特设的机构征求意见;从被求教者的角度看,就是当顾问、出谋划策。
咨询活动必备的两个条件:一方的咨询需求和另一方的咨询服务。
咨询是运用知识、技能、经验、信息提供服务的脑力劳动,旨在为他人出谋划策,帮助解决疑难问题。
因此咨询活动是一种智力活动,咨询服务是一种智力服务。
(二)工程咨询的含义(掌握)工程咨询:是受客户委托,遵循独立、公正、科学的原则,运用多学科知识和经验、现代科学技术和管理方法,为政府部门、项目业主及其他各类客户提供社会经济建设或工程项目决策与实施的智力服务。
二、工程咨询的原则、特点(掌握)工程咨询业是知识、技术密集的智力性服务业,属第三产业。
工程咨询者是为投资者、决策者,或者项目法人、业主等提供智力服务的个体、群体或单位。
(一) 工程咨询的原则“独立”、“科学”、“公正”是工程咨询的原则。
1.独立独立是指工程咨询单位应具有独立的法人地位,不受客户和其他方面偏好、意图的干扰,独立自主地执业,对自己完成的咨询成果独立地承担法律责任。
工程咨询单位的独立性是其从事市场中介服务的法律基础,是其坚持客观、公正立场的前提条件,是其赢得社会信任的重要因素。
2.科学科学是指工程咨询的依据、方法和过程应具有科学性。
工程咨询科学化的程度,决定工程咨询的水准和质量,进而决定咨询成果是否可信、可靠、可用。
3.公正公正是指在工程咨询工作中,坚持原则,持公正立场。
工程咨询的公正性,要求反对无原则的折中主义,也不是简单的在矛盾中保持中立。
工程咨询是原则性、政策性很强的工作,既要忠实地为委托方服务,又不能完全以委托方满意度作为评价工作好坏的唯一标准。
工程咨询单位及其执业人员要恪守职业道德,不应为了自身利益,丧失原则性。
(二)工程咨询业的特点(七点)1.工程咨询业务弹性很大,可以是宏观的、整体的、全过程咨询,也可以是某个问题、某项内容、某项工作的咨询。
2.每一项咨询任务都是一次性、单独的任务,只有类似性而无重复性。
3.工程咨询是高度智能化服务(服务性),需要多学科知识、技术、经验、方法和信息的集成及创新。
4.工程咨询牵涉面广,包括政治、经济、技术、社会、文化等领域,需要协调和处理方方面面的关系,考虑各因素多;5.投资项目受相关条件的约束性较大,咨询结果是充分分析、研究各方面约束条件和风险的结果,可以是肯定结论,也可以是否定结论。
结论为“项目不可行”的评估报告,也可以是质量优秀的咨询报告。
6.工程咨询的成果带有预测性(时效性)、前瞻性。
咨询的成果除了咨询单位自我评价外,还要接受委托方或外部的验收评价,要经受时间和历史的考验;7.工程咨询提供智力服务,咨询成果(或产出品)属于非物质产品。
三、工程咨询的业务(掌握)(一)国际工程咨询业务国际工程咨询活动贯穿于工程项目决策和实施全过程,即:前期阶段、准备阶段、实施阶段及运营阶段的咨询。
1.项目前期阶段的咨询业务即投资前咨询,包括:(1)规划咨询例如,项目的目标定位;规划设计方案分析等。
(2)项目机会研究例如:市场分析;拟建条件分析(基础设施条件、厂址条件)等。
(3)项目决策咨询。
例如:资源评价(资金来源、技术资源和人力资源等);经济效益分析(财务评价和经济评价等);以及社会和环境影响评价等其中:项目决策咨询是核心,以可行性研究和评估为重点。
2.项目准备阶段的咨询项目准备阶段是为项目开工建设做准备的阶段。
包括:(1)工程设计咨询是以批准的可行性报告为依据,一般分为扩大初步设计和施工图设计。
(2)设计审查咨询是对工程设计方案从技术性、可行性、规范性等方面进行审核。
(3)工程和设备采购咨询服务是帮助客户做好采购工作,为项目准备好所需的设备、材料和施工力量。
例如:协助客户编制设备采购招标文件(对作为客户的承包商和设备供应商来说,则是编制投标文件);评标;以及合同谈判等。
3.项目实施阶段的咨询项目实施阶段是项目从开工建设至竣工总结的过程。
这一阶段的任务是受委托保证项目按设计和计划顺利实施,达到预期的目标和要求。
内容包括项目管理、施工监理等。
核心是实现工程进度、工程成本和工程质量的控制(三大控制)。
另外,这一阶段的任务还包括咨询工程师以个人身份进入争端审议委员会,人员培训,以及为承包商提供施工管理、进行索赔咨询等专项服务。
4.项目运营阶段的咨询项目运营阶段指项目建成后投入生产运营的阶段。
这一阶段的咨询业务,是帮助客户对已投入生产和运营的项目进行回顾总结,以获得有益于改进今后工作的经验,一般称作后评价。
包括过程评价、效益评价、持续性评价、影响评价和综合评价等五个方面。
(二)我国现行工程咨询的业务范围根据国家发改委2005年颁布的《工程咨询单位资格认定办法》,我国工程咨询单位资格服务范围包括以下8个方面的内容:1.规划咨询:含行业、专项和区域发展规划编制、咨询;2.编制项目建议书(含项目投资机会研究、预可行性研究);3.编制项目可行性研究报告、项目申请报告和资金申请报告;4.评估咨询:含项目建议书、可行性研究报告、项目申请报告与初步设计评估,以及项目后评价、概预决算审查等;5.工程设计;6.招标代理;7.工程监理、设备监理;8.工程项目管理:含工程项目的全过程或若干阶段的管理服务。
注:专题咨询的范围与客户的要求和研究的需要有关。
注:我国工程咨询业务与国际工程咨询业务的差别:(1)我国工程咨询业务范围更宽,除了有投资建设咨询业务外,还有国家发展规划、宏观调控政策咨询业务。
(2)我国工程咨询的内容尚未完全固定,随着投资管理体制改革的不断深化,工程咨询的业务内容、成果形势还在不断调整和增加。
(3)工程咨询项目市场化程度相对比较低,民营项目咨询业务很少,许多咨询业务靠各种非竞争手段获得。
第二节工程咨询与投资建设一、投资的定义与分类(了解)(一)投资的定义在经济学理论中,一般是把建造厂房、住宅,购置机械设备,以及增加存货等作为投资。
工程咨询使用的投资概念,在无特别说明的情况下,一般是作为固定资产投资的简称。
(二)投资的分类1.按形成资本的用途,将投资分为生产性(物质领域)投资和非生产性(精神领域)投资。
2.按资产形态,将投资分为固定资产投资和流动资产投资。
前者是指用于购建新的固定资产(房屋、设备、道路等)或更新改造原有固定资产的投资。
后者则是指企业用于购买、存储劳动对象(原材料、、燃料、动力等)以及生产过程和流通过程中周转使用的资金。
3.按投资主体的经济类型,投资可分为国有经济投资、集体经济投资、个体经济投资、股份制经济投资、外商投资(指境外投资,包括港澳台投资等)。
4.按资金来源,投资可分为国家预算内投资、国内贷款、利用外资、自筹投资、其他投资等。
5.按固定资产投资的使用构成,投资可分为建筑安装工程费、设备与工器具购置费、其他费用等等。
二、投资建设与工程咨询的关系(熟悉)投资建设是实现社会扩大再生产的根本途径,是保持经济和社会长期稳定发展的重要手段。
工程咨询主要是为投资建设服务,两者间的关系表现在以下几个方面:(一)工程咨询是投资建设发展的产物工程咨询最早出现于欧洲建筑业,随着工程建设的发展,分工越来越细,出现了以工程咨询为职业的工程师。
在我国,党的十一届三中全会确立的以经济建设为中心的政策,使工程咨询业在我国出现并发展。
(二)工程咨询业务主要来源于投资建设在国际上,工程咨询是为投资建设全过程服务的行业,因此工程咨询业务几乎全部来源于投资建设。
在我国,大多数工程咨询类的单位从事的都是工程项目咨询。
从一定意义上说,投资建设规模约束和决定工程咨询的业务范围。
(三)工程咨询内容随投资建设管理制度变化而变化由于工程咨询主要是为投资建设服务,必须在投资建设管理制度框架内开展工作。
投资建设管理制度的变化,使得工程咨询服务的范围、对象和成果形式随之发展变化。
(四)工程咨询难度取决于投资建设现代化程度和所涉及因素的复杂程度投资建设项目需要考虑国际、国内两个市场的资源供给和现实需求,考虑价格、利率、汇率乃至政治、社会等各种复杂多变的因素,不经过透彻分析,充分论证,就难以得出科学可靠的咨询结论。
(五)工程咨询质量直接影响投资建设的质量和效益投资人或项目业主委托工程咨询单位做项目前期阶段咨询工作,包括编项目建议书、编可研报告、评估项目,咨询报告一般都作为投资人或业主决策的依据。
所以如果咨询质量差甚至不可靠,极容易导致决策失误,造成严重损失浪费。
在投资建设准备阶段、实施阶段也是如此,设计出纰漏,监理不到位,工程质量很容易出问题。
第三节工程咨询与投资项目管理工程咨询服务是围绕投资项目展开的,工程咨询与经济建设连接体主要是投资项目。
因此,工程咨询人员需要对投资项目有比较明确的概念,了解项目咨询服务的范畴,以利于提供适宜的咨询服务。
一、投资项目(一)项目的定义项目是一种临时性的、创造唯一的产品和服务的任务(努力)。
(二)项目的性质(掌握)1.相对性:项目是一项任务,任务是相对承担者而言的,不同的主体有不同的任务。
明确项目的相对性,有助于界定项目的范围、目标和利益群体。
2.临时性:一般项目都是在一定时间内存在。
明确项目的临时性,有利于项目管理机制、机构、模式和手段的选择。
3.目标性:投资项目必须有明确的建设目标,项目目标往往是多层次的,但每个项目只能有一个统一的直接目的。
明确项目的目标性,有利于确定项目实施和管理工作的方向。
4.约束性:任何任务都有其限定条件,限定条件就是约束性。
明确项目的约束性,有利于分析项目的条件,更好地实施项目。
5.周期性:任何项目都有一个确定的开始和终结的周期性的过程。
明确项目的周期以及各个阶段的任务,有利于统筹安排,建立科学的项目管理体系。
(三)投资项目的称谓(了解)在我国投资建设活动中,不同管理部门和项目管理阶段,对项目有不同的称谓。
他们之间既有相同的含义,又有一些区别。
投资项目:即固定资产投资项目的简称,是指为实现某种特定目的,投入资金和资源,在规定的期限内建造或购置固定资产的一整套活动。
建设项目:是指按照一个主体设计进行建设并能独立发挥作用的工程实体。
建设项目依次级划分为单项工程、单位工程、分部分项工程。
工程项目:在实际工作中,工程项目有时等同于建设项目,是勘察设计、施工和竣工时常用的项目称谓。
本书所讲投资项目主要是指为某特定目的而进行投资建设并含有一定建筑或建筑安装工程的建设项目。
(四)投资项目类型投资活动的复杂性,决定了投资项目类型的多样性。