常用塑胶材料特性一览表
- 格式:xls
- 大小:92.50 KB
- 文档页数:15
常用塑胶材料特性大全常用塑胶材料的特性及使用范围一、丙烯腈-丁二烯-苯乙烯(ABS)(乳白色半透明)优点:1.力学性能和热性能均好,乳白色半透明,硬度高,表面易镀金属2.耐疲劳和抗应力开裂、冲击强度高3.耐酸碱等化学性腐蚀4.加工成型、修饰容易缺点:1.耐候性差2.耐热性不够理想,3.拉伸率底主要应用范围:机器盖、罩,仪表壳、手电钻壳、风扇叶轮,收音机、电话和电视机等壳体,部分电器零件、汽车零件、机械及常规武器的零部件改性的ABS共聚物:将ABS加入PVC中,可提高其冲击韧性、耐燃性、抗老化和抗寒能力,并改善其加工性能;将ABS与PC共混,可提高抗冲击强度和耐热性;以甲基丙烯酸甲酯替代ABS中丙烯腈组分,可制得MBS塑料,即通常所说的透明ABS。
ABS/NYLON耐热及抗化学性、流动性佳、低温冲击性、低成本主要用于汽车车身护板、引擎室零组件、连接器、动力工具外壳ABS/PVCPVC增加防火性、降低成本ABS提供耐冲击性主要用于家电用品零组件、事务机器零组件ABS/PC增加ABS耐热尺寸安定性、改善PC低温、后壁耐冲性、降低成本主要用于打字机外壳、文字处理器、计算机设备之外壳、医疗设备零组件、小家电零组件、电子模具设计1.排气为防止在充模时出现排气不良、灼伤、熔接缝等缺陷,要求开设深度不大于0.04mm的排气槽。
壁厚0.8 mm至3.2 mm之间,典型的壁厚约在2.5mm左右,3.8以上需要结构性发泡。
圆角最小在厚度的25%,最适当半径在厚度的60%。
收缩率:0.4%-0.7%一般取0.5%加强筋:高<3T 宽度0.5T 筋间距>2T 脱模角:0.5°-1.5°支柱加强筋高度4T,可达支柱高度的90%,宽度0.5T,长度2T,支柱:外经是内径2倍二、聚乙烯(PE)优点:1、柔软、无毒、透明易染色.2、耐冲击、耐药品,绝缘性佳。
缺点:1、不易押出、不易贴合2、热膨胀系数高4、耐温性差用途:HDPE主要用于具有一定硬度和韧性的场合,如水管、燃气管,工业用化学容器、重包装袋和购物袋、洗发水瓶等。
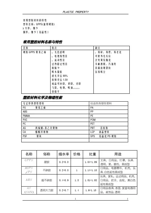
常用塑胶材料的特性
塑料名称:GPPS(通用硬胶)
y方形,细少
圆形,细少(结晶性)
常用塑胶材料名称与特性
塑胶材料化学及物理性能
注:PVC,PA,PMMA,PC燃烧自动熄灭。
塑料类别与特性
HIPS 通用级
高光泽
高光泽+高冲击级
防火级FR-V0,FR-V2
PE
通用级
吹膜级
食物标签级
防紫外线级
PP
通用共聚级CO-POLYMER
均聚级HOMEPOLYMER
透明级RANDOM COPOLYMER
高结晶级HIGH CRYSTALLINITY
吹塑级
防火级FR-V2,FR-V0
.玻纤增强级
耐热级
矿物级
滑石级
透明级
ABS
通用级
电镀级
防火级FRV0,FRV2
防火FRV0+玻纤增强级
高流量级
耐热级
永久防静电级
透明级
透明+抗紫外光级
透明+防火FRV0.
PMMA
耐热级
耐冲击级
高流量级
PA6
防火FRV0,FRV2.
玻纤增强+耐热级
玻纤增强+耐热级+耐冲击级PA12
弹性级
抻出级
玻璃珠级
玻璃增强级
透明耐冲击级
透明级
PA66
防火级FRV0,V2
防为V0级+红磷级
防火FRV0+玻纤增强级
防为V0级+红磷+玻纤增强级PBT/PET
防为V0级+玻纤增强+高光泽级
PC
通用级
食用标签级
防火级FRV0,V2
防火FRV0+玻纤增强级
抗紫外光级
电镀级。
PSPSNYLON標准級尼龍20.玻纖尼龍開機程序:4.可在-100~130℃范圍內使用,在4.POM顆粒白色或淡黃,表面光5.POM熔點明顯,成型溫度范圍4.PPS對水份不敏感,且吸水率低,高)PS常用塑膠材料特性及成型工藝一覽表結構單元為聚酉先胺,因單元含碳原子數不同分為聚酉先胺6,聚酉先胺6.6等(即PA6,PA66,常稱為尼龍單6,雙6);原料顆粒外觀為半透明或透明的乳白色或量低,柔韌性高,成型溫度低20-30℃;水的增加,拉伸強度急劇下降,而沖擊強度明顯提高,困此可調濕處理增加韌性;較差,因此不適于制造精密制品;料,其先胺基團有極性,能形成氫鍵,所以機械性能優秀,具抗沖擊性,是堅韌的工程塑料,尼龍結晶度高,熔點明顯;表面硬度大,耐磨耗,摩擦系數小,有自潤滑性和消音性好,但染色性差;化學穩定性好,但易受溫度的影響;吸水性大,水份影響尺寸穩定性和電性能;玻璃纖維增強后耐海水,耐溶劑耐油,但不耐酸,電絕緣性好,可減少吸特殊蛋白質燃燒味,火焰藍色,上端呈黃色,屬自熄性材料,具一定阻燃尼龍性能.性是韌性大,且隨分子量的增加而增加,耐疲勞性極佳,磨擦系數低,耐磨耗性好,耐化學腐蝕;性丁二烯橡膠及苯乙烯共聚組成;段可使材料具較高的強度,耐熱,耐化學腐蝕性及高光澤,丁二烯構成的鏈段則使材料具優良韌性, 抗沖擊;苯乙烯鏈段使材料具剛性及優良電性能,並改善材料熔融時特性調節組份不同比例而獲得不同性能ABS;象牙色,無毒無味,兼有韌,硬,剛等優良的綜合物理機械性能,極好的低溫抗沖擊性能,尺寸穩定性,電性能,耐磨性,抗化學藥品性,染色性,成型加工和機械加工較好;無熔融滴落;橡膠成份易在陽光紫外線下氧化降解,因此ABS耐候性差;實驗表明,ABS室外暴露半年,沖擊強度下降45%,ABS加黑色后可明顯改善其耐候性;料,其流動性對剪切速率變化較加工溫度變化更敏感,調校時增加射壓射速,流動性改善明顯些;好,一般160℃以上即可成型,250℃變色,270℃分解;.3%-0.8%,成型收縮率0.4%-0.5%,溢邊值約0.05mm;溫度應較標准級低,水口宜大,以免防火劑過熱分解析出而在水口位產生白花斑;腐蝕性气體,模面易有模跡,工模宜用耐腐蝕鋼材,生產中須常洗模,完單須洗模保養並清空炮筒;PS常用塑膠材料特性及成型工藝一覽表性須干燥,加工允含水率<0.2%;另尼龍對氧敏感,高溫下易氧化降解,宜用真空抽濕設備干燥,焗料溫度高于90℃易氧化變色;低,流動性極好,零件易有披鋒及因气燒焦;炮咀易流誕,回料易返膠;玻纖級則不易發生;28℃;PA66為265℃;成型溫度窄,熔融態熱定性差,300℃下滯留時間<30min;約1.5%-1.7%),尺寸變化大,易產生縮水,光印,需較大保壓進行補膠;在啤塑流動中產生定向,從而導致零件收縮不勻而產生內應力,發生變形;較純尼龍熱變形溫度提升約60℃,疲勞強度提升約50%;零件啤出后一般需進行調濕處理,以穩定零件尺寸,增加韌性;吸濕后含水率一般達2-2.5%,尺寸一般會脹大一些;中會順流動方向展開而使冷卻時發生流動定向,流動方向收縮率較橫向小,一般而言,玻纖增強級收縮率橫向約為流動方向的1.5至2.5倍;模及螺杆炮筒均需硬化,以增加耐磨性;工模硬度一般HRC55以上;固化速度較非增強尼龍快約10%-30%,玻纖產品表面不良(白花,非玻纖分布不勻)因固化快而產生,因固化快,膠料未能及時完全包褒履蓋玻纖而使表面粗糙,產生白花,龍回料速度及背壓不宜高,以免玻纖剪斷而破壞並降低物性;程序:性固化速度較非增強尼龍快約10%-30%,玻纖產品表面不良(白花,非玻纖分布不勻)因固化快而產生,因固化快,膠料未能及時完全包褒履蓋玻纖而使表面粗糙,產生白花,龍回料速度及背壓不宜高,以免玻纖剪斷而破壞並降低物性;程序:正常操作溫度30℃以下,設定射咀溫度在正常操作溫度,20分鐘后再升高料缸溫度至正常;手動點動抽松螺杆,再慢速轉動螺杆,打開料闡放一點料后再關閉,確定運轉正常后方進行調校;炮,可用洗炮料,PP,PS或純尼龍過炮;會因水口添加而發生明顯物性降低,但玻纖強化尼龍因玻纖切斷,強度會下降,水口添加必須嚴格控制.l尼龍為PA46,具有一般尼龍不具備的特性:成型周期快,產量高,耐化學藥品性好,韌性好,結晶度高,熔點為295℃,比尼龍66高約30℃;PA46較PA66結晶度快4-5倍,比PA6快10倍以上,一般可達到60%-70%的結晶度a下可達178℃,較PA66高出100℃,可作工程塑料,亦適合工業纖維;吸水后粘度及流動性會發生變化,含水多則粘度低,流動性好;下部分結晶)無毒無味,無色透明;其沖擊強度為塑料之最,俗稱"防彈膠";耐蠕變性能,優良尺寸精度及穩定性,較好的耐候性;光字性能優異,透光率可達90%;圍內使用,在較寬的溫度范圍及潮濕條件下仍保持較優異電性能,熱變形溫度132-143℃,玻璃化溫度149℃,無明顯熔點,在220-230℃開始熔融,一般超過330℃才呈現嚴重分解,產性其沖擊強度為塑料之最,俗稱"防彈膠";耐蠕變性能,優良尺寸精度及穩定性,較好的耐候性;光字性能優異,透光率可達90%;圍內使用,在較寬的溫度范圍及潮濕條件下仍保持較優異電性能,熱變形溫度132-143℃,玻璃化溫度149℃,無明顯熔點,在220-230℃開始熔融,一般超過330℃才呈現嚴重分解,產易產生應力開裂,缺口敏感性高,耐磨性差;溫度高,吸水率低,收縮率小,尺寸精度高,對光穩定,耐候性好,成型加工時不易氧化,熔體粘度大,耐電暈性,電性能優秀,體積電阻率和介電強度與聚酯薄膜相當,介電損耗角正切僅火可自熄,火焰黃色;燃燒時熔融起炮發出特殊花果臭气味;動性差;熔體粘度對溫度變化十分敏感,調校時調節溫度改善流動明顯,而提高速度及射壓,粘度下降不明顯,且增加內應力;水份極為敏感,即使含有微量水份,在高溫下也會使PC發生水解,產生二氧化碳气體,制品出現銀絲,气炮,甚至裂紋,成型允含水率<0.02%;啤塑前,先進行手動空射,檢查射出PC熔融冷卻快,保壓補縮較困難,制品易形成內部縮孔及表面凹陷,成型收縮率約為0.5%-0.8%,鎖模壓力3-5噸/平方英寸;司的標准級PC:;可在-100℃~126℃范圍內保持穩定的性能;寬的溫度范圍內具有優良的電絕緣性;耐候性,可長期在室外使用;性,優良的耐蠕變性能,尺寸幾乎不受吸濕,溫度,時間的影響;性工程塑料熔點224℃,相對密度1.31-1.55,吸水率為熱塑性塑料中最低之一,僅0.07%;具優異機械性能,高韌性,杰出耐疲勞性,沖擊強度高,有自潤滑性和能優良,耐電弧性好,但體積電阻率,高頻介質損耗角正切值大;抗藥品性優良,耐熱水,耐油類,熔體粘度低,成型優良;成型周期短,易脫模,宜中高速注射;率大(標准級1.7-2.3%),零件易有縮水凹陷;流動性極好,零件易走披鋒,困气燒焦;炮咀易流涎;酯基對水份敏感,高溫下與水發生水解反應,分子鏈斷裂,制品呈明顯脆性,焗料必須用除濕干燥機,戌型允含水率須<0.02%;玻璃纖維增強改性,以提高其耐熱性和機械強度;由于玻纖的流動定向,使制品收縮率不均,制品易翹曲;具導致制品表面有模跡,須常洗模;玻纖增強級宜高模溫改善纖維白花,提高光澤;宜低背壓慢速回料,減小剪切力;以免玻纖過度剪斷導致強度下降;分解,在238-255℃下,滯留<8-12分鐘;性的綜合性能,尤其力學性能為塑料材料中最接近金屬的品種之一,是重要的塑性工程塑料;和剛性,優異耐疲勞性;具自潤滑性,耐磨擦及耐摩耗性突出,常用于制造齒輪,POM抗疲勞性是熱塑性塑料中最好的;電絕緣性幾乎不受溫度和濕度的影響;耐化學腐蝕性良好,耐候性較差,粘合性差,受強酸侵蝕;淡黃,表面光滑有光澤,硬而致密;易燃,火焰上端呈黃色,下端藍色,發生熔融滴落,產生強烈有害刺激性甲醛味;型溫度范圍窄,熱穩定性差,料溫不可超240℃,210℃下滯留<20分鐘,螺杆轉速一般在50-60rpm,背壓應盡量小,一般在0-0.6Mpa,以免產生過多剪切摩擦熱;性工程塑料熔點224℃,相對密度1.31-1.55,吸水率為熱塑性塑料中最低之一,僅0.07%;具優異機械性能,高韌性,杰出耐疲勞性,沖擊強度高,有自潤滑性和能優良,耐電弧性好,但體積電阻率,高頻介質損耗角正切值大;抗藥品性優良,耐熱水,耐油類,熔體粘度低,成型優良;成型周期短,易脫模,宜中高速注射;率大(標准級1.7-2.3%),零件易有縮水凹陷;流動性極好,零件易走披鋒,困气燒焦;炮咀易流涎;酯基對水份敏感,高溫下與水發生水解反應,分子鏈斷裂,制品呈明顯脆性,焗料必須用除濕干燥機,戌型允含水率須<0.02%;玻璃纖維增強改性,以提高其耐熱性和機械強度;由于玻纖的流動定向,使制品收縮率不均,制品易翹曲;具導致制品表面有模跡,須常洗模;玻纖增強級宜高模溫改善纖維白花,提高光澤;宜低背壓慢速回料,減小剪切力;以免玻纖過度剪斷導致強度下降;分解,在238-255℃下,滯留<8-12分鐘;材料,原料顆粒為乳白色半透明體或無色透明體,不易著火燃燒,燃燒時熔融並爆成碎片,火焰呈黃色,有滴落;擦性及尺寸穩定性;優異電性能,優良耐化學腐蝕性;玻纖增強級具高耐熱性,高機械強度,優良耐候性,耐蠕變,抗疲勞性,磨耗小而硬度高;吸水率低,耐弱酸及有機溶塑料中最大的強韌性,聚酯薄膜拉伸強度可與鋁膜相比,為聚乙烯的9倍,聚碳酯酸和尼龍的3倍,非晶態PET具良好光學透明度,廣泛用于食品包裝領域;0-1.38,熔點255-260℃,成型溫度范圍窄,熔融溫度超300℃則發生分解;期使用溫度達120℃,在較寬的溫度范圍內保持良好的物理機械性能;電絕緣性能好,受溫度影響小,但耐電暈性差;鏈段易取向而導致冷卻制品內產生內應力,易發生翹曲變形,開裂,玻纖增強級可減少開裂;可采用高模溫(100-130℃)促進結晶;性好,宜低射壓,中速啤塑;易產生凹痕,零件結構上壁厚不宜太厚,肋的厚度一般在壁厚1/3以下;敏感,其單體之酯基極易在高溫下與水發生水解反應,分子鏈段斷裂導致制品出現明顯脆性,成型前必須用除濕干燥機進行除濕干燥(露點在-20℃以下),成型允含水率性和剛性,優異耐疲勞性;具自潤滑性,耐磨擦及耐摩耗性突出,常用于制造齒輪,POM抗疲勞性是熱塑性塑料中最好的;電絕緣性幾乎不受溫度和濕度的影響;耐化學腐蝕性良好,耐候性較差,粘合性差,受強酸侵蝕;淡黃,表面光滑有光澤,硬而致密;易燃,火焰上端呈黃色,下端藍色,發生熔融滴落,產生強烈有害刺激性甲醛味;型溫度范圍窄,熱穩定性差,料溫不可超240℃,210℃下滯留<20分鐘,螺杆轉速一般在50-60rpm,背壓應盡量小,一般在0-0.6Mpa,以免產生過多剪切摩擦熱;型收縮率大,約1.7%-0.2%,制品易產生縮水,凹陷;制品表面易產生折皺,斑紋,熔接痕等外觀缺陷,宜高模溫(80℃以上),中高速啤塑;,制品尺寸穩定性好;水份的存在對其性能及成型加工影響不大,一般可不用干燥;彈性高,易脫模;共混加熱,兩者共加熱時有強烈反應,兩者換料須先徹底清除前者;接技聚合形成的一種高抗沖材料;即具有橡膠的高抗沖性,又具有PS的剛性,易加工性,易染色性等,但拉伸強度,彎曲,硬度,耐光和熱穩定性有所下降;與ABS相近;成型溫度較ABS低約20℃,但流動性較ABS高;PPO,無定形材料,具優良力學性能,電性能,耐高溫;對密度小,機械強度高,綜合性能好,抗應力松弛,彈性疲勞,抗蠕變等突出優點;耐熱性好,熱變形溫度90-150℃;耐沖擊(其抗沖擊性能優于PC),低比重,尺寸穩定,在-1寸穩定性好,其耐熱水和耐蒸汽蒸煮性能在工程塑料中最優,電性能好,頻率,溫度對tg8影響小,但對介電強度和體積電阻影響大,成型性好,收縮率小,約0.2%-0.65%,不耐強氧化性酸,制品易在鏈烴,酮,酯類引發下產生應力開裂;分解溫度350℃以上,長期使用溫度范圍為-127~121℃;大,熔體粘度高,制品易產生內應力,宜高模溫生產,以減小內應力;性性聚氨酯彈性體,是一種高分子合成材料.TPU力學強度高,耐油性能好,但耐水性能差,在濕气中會發生水解;可從邵氏A10到邵氏D75,伸長率可達100%-800%,有較高的撕裂強度,通常可達到天然橡膠的2-10倍;異,具良好耐沖擊及振動阻尼性能,並具優異耐磨性,耐候性,強韌,拉伸和撕裂強度優,壓縮永久變形小,但耐熱性差;料,當塑化剪切作用強烈時,內部易發熱,從而發生降解,其熔體粘度對溫度依懶性強,較小的溫度變化就能引起其粘度的急劇變化,困而加工溫度范圍窄;模澆口應有足夠錐度(6o-8o),並盡可能短而大些,以利出模;具阻燃,耐老化,耐油,耐化學藥品,耐電壓,著色性好等優點;的穩定性差,受熱時易產生熱降解,光照下易產生光降解,與氧作用會發生熱氧降解及光氧降解,引起樹脂變色;130℃時即出現分解,180℃時分解加劇,原料中需加入熱穩定劑;敏感,成型過程中宜提高注塑壓力來提高對熔體的剪切速度,進而降低熔體粘度,改善流動性,而不宜升高溫度來改善流動性;熔化速度慢,粘度高,且為熱敏性及剪敏性料,宜低背壓慢速回料,中低壓,中低速注射;會使制品表面缺泛光澤,產生細微气炮,並降低制品力學及電性能,宜預先干燥再生產;較料管最高溫度低10-20℃,射壓90Mpa以上,保壓60-80Mpa;高,結晶度快,結晶度可達50%-70%,在拉伸啤塑成型中拉伸取向和熱定型處理后結晶度可高達75%-85%,PP收縮率較大,約為1%-3%;也較高,在加熱熔融時需要的熱量多,在冷卻定型時釋放的熱量也多,因此成型設備需配置有效的加熱系統;工模需加工良好的冷卻系統;分子鏈段越高度無序,從而破壞結晶過程,冷卻后結晶度低,收縮率較小;降低模溫及模塑時間亦影響結晶程度而使收縮率較小;PP填加礦物填充后收縮率亦會減小;切作用的增加而迅速下降,但對溫度變化不敏感;生氧化降解,水口料重復利用效能差;生產受力件不宜加水口料;,成型前通常不需干燥;狀,具優異抗彎曲疲勞性能,良好的拉伸屈服強度及拉伸強度,優異的化學穩定性,電絕緣性及介電性能,但對熱,氧,光的穩定性差,需加入抗氧劑,光穩定劑等;PP在低溫下易脆裂,量用于食品,醫藥衛生領域;在高壓力下流動性很好,並具極優的熔體穩定性;平方英寸;大射咀及流道澆口,射壓中高壓,快速注射.耐候性,耐輻射性,耐熱阻燃,耐腐蝕,及突出的電絕緣性,高剛性,抗蠕變性;但脆性較大,缺口沖擊強度低;性十分優良,玻璃化轉變溫度為110o C,熔點為286o C,負荷變形溫度為260o C,350o C以下空气中長期穩定;約0.12%,吸水率小(約0.02%),成型后尺寸穩定性優良,同時,線脹系數也低,制品不易翹,變形;且吸水率低,成型干燥要求不高.性為無定形聚合物,其特點為透明度高,耐候性較好,綜合性能優良,PMMA具優良的化學穩定性,耐老化性,俗稱有機玻璃,其透光率大于92%,較普通玻璃高10%以上;堅韌的材料,在常溫下具有優良的拉伸強度,彎曲強度及壓縮強度,但沖擊強度不高,且缺口敏感性較大,未經改性的PMMA表面易劃傷,耐磨性較低,耐熱性及抗銀紋性能也差;性,常用于儀表工業作高頻絕緣材料;熄,燃燒時有熔融滴落,火焰上白下藍,有爛花朵臭味;分解,其加工溫度范圍較窄;吸水率一般為0.3%-0.4%,分子中的酯基在高溫下易水解,成型前必須干燥透徹,使含水率<0.02%;切速率較敏感,對溫度的敏感性較一般的熱塑性塑料大;熔體粘度大,成型過程中易產生內應力,宜用高模溫生產(高于40o C);,要得到尺寸精確度高的制品,必須嚴格控制成型溫度,並需經退火處理;低的射咀溫度,以減少變色.半結晶性工程塑料,其性能介于傳統工程塑料(如PC,PA,POM)及高性能專業塑料(如液晶塑料)之間,其韌性增強級可比得上超韌尼龍;能,高強度,高硬度及優異耐疲勞性能,在較寬溫度范圍內仍保持優異性能;度,硬度及使用溫度;性塑料,在高溫(130℃)下發生交聯反應固化而成,須高模溫,后模比前模高10~15℃;成型容易;B.可加入多種無機及有機填料;C.制品尺寸穩定,成型收縮率及嵌件附加及收縮率小;D.耐熱性好,耐燃,可自滅,電絕緣性好,但耐電弧性差;E.化學穩定性好成型,剛注滿時需瞬間開模排氣,零件有披鋒,須后加工;力學強度,絕緣性,尺寸穩定性;,料筒溫度宜偏低,保証尺寸穩定性, 轉速30~70RPM/MIN;氣炮,裂紋;料斷面與表面一樣粗糙,斷面無 大孔隙,色澤灰暗,可捏成團,則表明料溫恰當;若空射有劈啪聲,斷面有大空隙或分層脫皮,則料溫偏高;若表面 烏黑光亮,斷面密實,射筒;料(UF)是由尿素與甲醛縮聚而成,加入纖維素,紙張,木粉等填料,以及著色劑,脫模劑,固化劑等經捏和,輥壓,粉碎而成,月尿甲醛模塑粉又稱電玉粉;一般為白色)半透明粉料,硬度大,沖擊強度低,難燃,有自熄性,防霉性,耐電弧性優;耐候性和耐熱性差,使用溫度小于60℃;耐油,耐溶劑性好,但不耐酸堿和熱水;與另一纖維素等填料粘結性十分優良,玻璃化轉變溫度為110o C,熔點為286o C,負荷變形溫度為260o C,350o C以下空气中長期穩定;約0.12%,吸水率小(約0.02%),成型后尺寸穩定性優良,同時,線脹系數也低,制品不易翹,變形;且吸水率低,成型干燥要求不高.后可明顯改善其耐候性;動方向的1.5至2.5倍;0-230℃開始熔融,一般超過330℃才呈現嚴重分解,產生無毒無腐蝕性气體;;0.02%;以免玻纖過度剪斷導致強度下降;在0-0.6Mpa,以免產生過多剪切摩擦熱;;0.02%;以免玻纖過度剪斷導致強度下降;學透明度,廣泛用于食品包裝領域;在0-0.6Mpa,以免產生過多剪切摩擦熱;度的急劇變化,困而加工溫度范圍窄;流動性;冷卻系統;;PP填加礦物填充后收縮率亦會減小;韌尼龍;塑粉又稱電玉粉;溶劑性好,但不耐酸堿和熱水;。
20种常用塑料特性大全1ABS塑料(丙烯腈-丁二烯-苯乙烯)英文名称:Acrylonitrile Butadiene Styrene比重:1.05克/立方厘米成型收缩率:0.4-0.7%成型温度:200-240℃干燥条件:80-90℃2小时物料性能1、综合性能较好,冲击强度较高,化学稳定性,电性能良好。
2、与372有机玻璃的熔接性良好,制成双色塑件,且可表面镀铬,喷漆处理。
3、有高抗冲、高耐热、阻燃、增强、透明等级别。
4、流动性比HIPS差一点,比PMMA、PC等好,柔韧性好。
适于制作一般机械零件,减磨耐磨零件,传动零件和电讯零件.成型性能1、无定形料,流动性中等,吸湿大,必须充分干燥,表面要求光泽的塑件须长时间预热干燥80-90度,3小时。
2、宜取高料温,高模温,但料温过高易分解(分解温度为>270度).对精度较高的塑件,模温宜取50-60度,对高光泽.耐热塑件,模温宜取60-80度。
3、如需解决夹水纹,需提高材料的流动性,采取高料温、高模温,或者改变入水位等方法。
4、如成形耐热级或阻燃级材料,生产3-7天后模具表面会残存塑料分解物,导致模具表面发亮,需对模具及时进行清理,同时模具表面需增加排气位置。
2PP塑料(聚丙烯)英文名称:Polypropylene比重:0.9-0.91克/立方厘米成型收缩率:1.0-2.5%成型温度:160-220℃干燥条件:---物料性能密度小,强度刚度,硬度耐热性均优于低压聚乙烯,可在100度左右使用.具有良好的电性能和高频绝缘性不受湿度影响,但低温时变脆,不耐模易老化。
适于制作一般机械零件,耐腐蚀零件和绝缘零件。
成型性能1、结晶料,吸湿性小,易发生融体破裂,长期与热金属接触易分解。
2、流动性好,但收缩范围及收缩值大,易发生缩孔.凹痕,变形。
3、冷却速度快,浇注系统及冷却系统应缓慢散热,并注意控制成型温度.料温低方向方向性明显.低温高压时尤其明显,模具温度低于50度时,塑件不光滑,易产生熔接不良,留痕,90度以上易发生翘曲变形。
一.常用塑胶材料的特性1.ABS料特性1.1ABS无毒无味/不透明/带浅象牙色/无定形集合物,缺口效应比较优越,机械强度高/抗冲击/抗蠕变/耐磨/受温度变化小/耐酸/碱性/油和水/不易燃着/加工性能好,一般耐热90℃.耐热性的ABS还可在110℃-115℃下连续使用,缺点:耐侯性较差,易被有机溶剂溶胀,透明ABS=甲基丙烯酸脂代替丙烯睛(MBS).(适用于:齿轮/轴承/把手/电器机壳/日用品等).1.2(工艺要求)ABS有一定吸湿性,一般在70℃-82℃干燥2-4小时,ABS因为有橡胶成份,过高的加工温度并不会使其流动性增加,而使橡胶分解,一般成型温度在180℃-260℃之间,注射压力与许多因素有关,制品的形状/大/小/厚/薄等.一般来说注塑时流动阻力大,流动压力损失大,选用较多的注射压力.1.3注意事项:ABS在注射成型时,应减少在炮筒内的停留时间,否则会因熔料高温受热时间过长,产生橡胶成分降解和老化,并因高温氧化而变色,ABS树脂可掺入适量的水口料,一般以不超过20%为宜,尤其是对一些要求较高的制品过多水口料会降低物理性能,模具温度视制品结构情况而定,高可至75℃-85℃,注射速度不要太快,螺杆速度回料速度可适当加快.2.尼龙PA2.1优点:机械强度高,韧性好,有较高的抗拉抗压强度,耐疲劳(自行车塑料轮圈)表面光滑,磨擦系数小,耐磨,耐腐蚀如象碱/盐/弱酸/机油/汽油等,无毒抗菌,抗霉,耐热,绝缘性好,制作轻,易染色,易成型.(适用于:机械,汽车,化工,电气装置薄膜等)2.2缺点:易吸水,吸水后尺寸不稳定,机械强度下降,耐光性较差,耐高温性能差,啤塑技术要求严,水分对成型危害甚大,制件不允许有尖角,否则会降底机械强度,杂的产品易产生较大的内应力,使产品变形,歪曲,尼龙是结晶型塑料,具有比较明显的熔点,且熔点较高(160℃-290℃因品种不同而异),熔融温度范围较窄(一般10℃左右)流动性好,但热稳定性差,易降解.2.3(工艺要求)尼龙易吸湿,因此加工时必须干燥处理,一般新料干燥温度90℃-120℃之间,干燥为3小时以上,可掺入适当水口料,(一般以不超过20%为宜)水口料吸湿性更大,干燥时间更长,尼龙易染色.3.POM聚甲醛,结晶型高分子,密度高1.42(尼龙1.15,ABS1.05)具有很高的刚性和很好的机械强度,磨擦力小,在空中有一定吸湿性,吸水后的POM如不干燥将影响其机械强度,对于要求高的制品需干燥,否则不需要干燥,干燥温度80℃左右,时间3小时,易染色,成型温度180℃左右,不宜过高,否则易降解,熔化后粘性小,流动性好.(适用于:轴承,轴套,齿轮,凸轮,泵机,电器,开关等).4.PC料通称聚碳酸酯4.1(主要性能)PC属于聚酯类,PC强硬,坚韧透明,在不同的温度范围下,性质仍保持不变,燃烧较慢,有一定的绝缘性质,加工时绝不能渗入水份,否则塑胶料降质,遇到拉力时塑料容易破裂,不然可以抵抗蠕变,PC的抗冲击力良好,燃烧时会以出中性的热解气体,塑料会烧焦起泡,PC不易着火,移离火焰后即熄灭,发出稀薄的苯酚气味,火焰呈黄色,发光但乌黑.4.2(工艺要求)加工时需以120℃烘干2至4小时,使湿度降低0.02%以下,熔胶温度280℃-320℃良好的熔胶不会出现气泡,射料速度越快越好,尤其是薄壁制品.4.3曲型制品,主要用于电子,医学及打磨工程等用途,制品包括注射器封盖眼镜,头盔,相机,风筒等,又可制造镭射唱碟,因为PC符合尺寸稳定,表面平滑,低内部应用力及定向性的要求.5.GP料特性5.1 GP通称聚苯乙烯,坚硬,非常光滑透明,有良好的绝缘性,易碎,易燃,易老化,易注塑加工,燃烧发出乌黑的蓝色火焰及气味(典型制品玩具,容器,录音带盒,照明灯具,文具,日用品等).5.2(工艺要求)GP一股成型温度在180℃-230℃,一般是可以抗热的,但在机筒内加热太久会变色.6.476料特性6.1 476通称增韧聚苯乙烯,不碎胶,坚硬,易燃,易老化,易注塑成型加工,燃烧发出乌黑的黄色火焰及气味,火焰熄灭后,气味尤其显著,(典型制品玩具,日用品,收音机壳等).6.2(工艺要求)476料一般成型温度在180℃-230℃.7.PP料特性7.1 PP料通称聚丙烯是一种半透明,半晶体的热塑性塑料,收缩性较大,绝缘性良好,经火焰加热后,塑料约在170℃熔化,火焰微弱发光,蓝中带黄.(典型制品,包装胶袋,拉链,日用品,瓶子,带,绳等).7.2 (工艺要求)PP一般成型温度在190℃-230℃,若温度为270℃,机筒滞留时间则不能超过2至3分钟.8.PE料特性8.1 PE料又分HDPE通称高密度聚乙烯LDPE通称低密度聚乙烯.8.2 PE料有更佳的结晶程度,生产出的品种有更高的密度,粘度,坚固性,拉伸力,刚硬性等,但冲击强度较低,有良好的抗动力疲劳,但仍不及PP,收缩性较大,模具温度对收缩程度影响较大,(典型制品,包装胶袋,玩具,水桶,胶花,电线等).8.3(工艺要求)PE一般成型温度在160℃-230℃,当温度为285℃时,机筒滞留时间则不能超过2至3分钟.二.塑胶件常见缺点及处理方法1.0脆裂注塑件在顶出时断裂,或在处理时容易断掉或裂开.1.1.塑机:1.1.1.熔胶温度太低,可适当提高炮筒后端和射嘴的湿度,调整螺杆转速,以获得正确的螺杆表面温度.1.1.2塑料发生降解,引起性能降低,降低炮筒温度和背压.1.1.3填充速度太慢,增加模注塑速度,保持稳定的缓冲料.1.2. 模具1.2.1模具表面太冷,及时增加模具温度.1.2.2流道和浇口太小,在模具填充中产生过度剪切率,使用全圆流道并增加流道和浇口的横截面积.1.3.胶料:1.3.1水口料比例太大,减少水口料的比例.1.3.2有杂料,彻底清洗料斗,炮筒和螺杆,并检查塑料中是否含杂质.2.燃烧痕通常流道尾部,或空气压缩的地方,会出现胶料烧焦现象.2.1.注塑机:2.1.1塑料太热,降低熔胶温度.2.1.2模具填充速度太快,降低注塑速度.2.1.3背压太高,降低背压.2.1.4锁模力太高,轻微降低锁模力.2.1.5塑料炮筒内滞留时间过长,减少成型周期.2.2.模具:2.2.1模具排气不足,检查并清洗排气口.2.2.2浇口太小,增加浇口的深度或宽度.2.3胶料:2.3.1 .塑料粒未彻底烘干,按正确程序烘干塑料.3.粘模注塑件粘在模具内,顶出困难.3.1注塑机:3.1.1模具内塑料过分填充,降低注塑压力,减少注射量,降低料温.3.1.2注射时间过长,减少射胶时间.3.2模具:3.2.1模具表面擦伤,多孔,除去伤点并抛光表面.3.2.2模具的出模角度不足,修改模具,适当加大出模角度.3.2.3顶针位置不当,调整顶出系统3.3胶料:3.3.1塑料润滑不足,适当喷洒脱模剂.4.变形注塑件发生弯曲或变形.4.1注塑机:4.1.1零件在太热顶出,延长冷却时间,降低熔胶和模具温度.4.2模具:4.2.1模具内倒扣太深,减少扣位深度.4.2.2顶针太少或数量不够,增加顶针直径或数量.4.2.3顶针上下左右不均匀,检查弹弓是否断裂,移动是否通畅.4.2.4表面光洁度差,抛光模具表面.5.披锋注塑件边缘有多余的棱角或翅片,通常出现在模具的分型面和孔口处.5.1.1注塑机:注塑压力太大,降低注塑压力,缩短注塑时间,放缓注塑速度.5.1.2给料过多,降低注塑的容量.5.1.3塑料太热,降低熔胶温度.5.2模具:5.2.1注塑压力在模具内分布不均,检查塑件厚度是否均,改良模具.5.2.2投影面积太大,改用锁模力大的注塑机啤货.5.2.3模没有调紧,重新调模.6.银丝注塑件表面某些地方光洁度不一致,出现银色的表面.6.1注塑机:6.1.1熔胶表面温度太高,降低炮筒温度,减缓注射速度.6.1.2塑料在炮筒中滞留太长,减少注射周期.6.2模具:6.2.1模具表面温度太低,提高模具温度.6.2.2模具表面的脱模剂过多,或表面有水分,彻底清洁模具表面.6.3胶料:6.3.1塑料中的水分未烘干,重新烘干,将水分完全清除.7.熔接线注塑产品的熔接线,顶出或使用时易损坏断裂.7.1注塑机:7.1.1塑料温度太低,增加熔胶温度,适当提高背压.7.1.2注塑压力太低,增加注塑压力,保持适当的缓冲料.7.1.3熔胶流得太快或太慢,调整注塑速度.7.2模具:7.2.1使用过多脱模剂,清洁模具,尽量控制使用脱模剂.7.2.2模温太低,增加模具温度.7.2.3模具排气不足,清洗模具,加开排气孔.7.2.4熔接线离浇口的位置太远,改变浇口位置以获得适当的模具填充.7.3胶料:塑料粘度太高而不能填充模具,改用易于流动的塑料级别.8.尺寸差异注塑过程中重量及尺寸差异超过了模具,注塑机,塑料混合的生产能力.8.1注塑机:8.1.1输入炮筒内的塑料不均匀,检查有无充足的冷却水流经料斗喉以保持正确温度.8.1.2炮筒温度流动大,检查热电偶是否搭配.8.1.3注塑压力不稳定,检查缓冲料是否稳定,螺杆头的止逆阀是否漏胶.8.1.4螺杆回料位置不稳定,保证螺杆每次运作时复回位置都是稳定的.8.2模具:8.21浇口部分被堵塞,检查是否有残留物品在孔内,尤其是潜伏式浇口.8.2.2模具温度不一致,检查冷却管道有无堵塞.8.3胶料:8.3.1检查进料量大小的变化,保证细未从水口料中筛选.9.缩水:塑胶件脱模后,表面过度收缩,影响尺寸和强度.9.1注塑机:9.1.1熔融温度过高或过低,调整炮筒温度和螺杆转速以获得正确的螺杆表面温度.9.1.2给料不足,增加注塑量,延长注塑时间,提高注塑压力,加快注塑速度.9.1.3模温过高,降低模具表面温度.9.2模具:9.2.1进料浇口太小,适当增加流道和浇口的直径.9.2.2出模温度过高,增加冷却时间.9.2.3产品壁部太厚或不成比例,用较薄且更统一的壁厚重新设计注塑件,将浇口定位于注塑件最厚的部份.10.表面粗糙注塑件的表面光洁度不一致,有些部份比其它部份更有光泽.10.1注塑机:10.1.1射嘴中有料,检查射嘴是否漏胶,温度是否适当.10.1.2熔胶温度太低,增加熔胶温度.10.1.3注塑件未完全填充,增加注塑量和保压压力.10.1.4锁模力不足,增加锁模力.10.2模具:10.2.1模具温度太低,增加模具温度.10.2.2塑料流动方向急剧的转变,建议在模具内避免尖锐的边缘.10.2.3使用了脱模剂或有胶粉粘附在模具,清洁模具.10.3胶料:塑料含有多余的润滑剂或其它加工辅料,对来料和配料严格把关.。
各种塑胶材质的特性(精)各种塑膠材质的特性~~申请加精⼀.ABS:丙烯睛—丁⼆烯—苯聚合物- t0 t e+ }5 Y& \1.三种成份的作⽤ 1 O" ]+ X2 w- [$ q6 Z/ `/ N丙烯晴(A)——使制品较⾼硬度,提⾼耐磨性耐热性。
丁⼆烯(B)——加强柔顺性,保持材料韧性、弹性及耐冲击强度。
苯⼄烯(S)——保持良好成型性(流动性着⾊性)及保持材料刚性(注根据组分不同派⽣出多种规格牌号)。
: C9 U\9 E! g# }7 Y2.ABS具有良好的电镀性,是所有塑料中电镀性最好的。
3.ABS较GPPS抗冲击强度显著提⾼。
- U4 b* x( C4 O- a3 @- B8 P; g:4.ABS原料浅黄⾊不透明,制品表⾯光洁度好。
5.ABS收缩率⼩,尺⼨稳定。
6 P}, {7 t/ \6.不耐有机溶剂:如溶于酮、醛、酯、及氧化烃⽽形成乳浊流(ABS胶浆)。
7.材料共混性能:1 Y- U6 I- O. e4 h- j# UABS+PVC~~~提⾼韧性,耐燃性,抗⽼化。
' x1 p L: K( k8 F7 ^. [ABS+PC~~~提⾼抗冲击强度,耐热性。
ABS 的成型⼯艺1.成型加⼯前需充分⼲燥,使含⽔率< 0.1%,⼲燥条件温度 85℃,时间3HRS以上。
2.ABS流动性较好,易产⽣啤塑披锋,注射压⼒在70~~100MPa,不可太⼤。
9 z* C( Y/ a0 b8 b7 h( u3.料筒温度不易超过250℃前料筒 160~~~210℃、中料筒170~~~190℃、后料筒 160~~~180℃过⾼温会引起塑胶成份分解、使流动性降低。
4.模温40~~80℃,外观要求⾼,模温也要⾼。
$ W) T6 T* |5 N% s5.注射速度取中、低速为主。
注射⼒80~~130MPa。
6.ABS内应⼒检验:以制品浸⼊煤油中2分钟不出现裂纹为准。
⼆.MBS—透明ABS、聚甲基丙烯酸酯—丁⼆烯—苯⼄烯共聚物。
PSPSNYLON標准級尼龍20.玻纖尼龍開機程序:4.可在-100~130℃范圍內使用,在4.POM顆粒白色或淡黃,表面光5.POM熔點明顯,成型溫度范圍4.PPS對水份不敏感,且吸水率低,高)PS常用塑膠材料特性及成型工藝一覽表結構單元為聚酉先胺,因單元含碳原子數不同分為聚酉先胺6,聚酉先胺6.6等(即PA6,PA66,常稱為尼龍單6,雙6);原料顆粒外觀為半透明或透明的乳白色或量低,柔韌性高,成型溫度低20-30℃;水的增加,拉伸強度急劇下降,而沖擊強度明顯提高,困此可調濕處理增加韌性;較差,因此不適于制造精密制品;料,其先胺基團有極性,能形成氫鍵,所以機械性能優秀,具抗沖擊性,是堅韌的工程塑料,尼龍結晶度高,熔點明顯;表面硬度大,耐磨耗,摩擦系數小,有自潤滑性和消音性好,但染色性差;化學穩定性好,但易受溫度的影響;吸水性大,水份影響尺寸穩定性和電性能;玻璃纖維增強后耐海水,耐溶劑耐油,但不耐酸,電絕緣性好,可減少吸特殊蛋白質燃燒味,火焰藍色,上端呈黃色,屬自熄性材料,具一定阻燃尼龍性能.性是韌性大,且隨分子量的增加而增加,耐疲勞性極佳,磨擦系數低,耐磨耗性好,耐化學腐蝕;性丁二烯橡膠及苯乙烯共聚組成;段可使材料具較高的強度,耐熱,耐化學腐蝕性及高光澤,丁二烯構成的鏈段則使材料具優良韌性, 抗沖擊;苯乙烯鏈段使材料具剛性及優良電性能,並改善材料熔融時特性調節組份不同比例而獲得不同性能ABS;象牙色,無毒無味,兼有韌,硬,剛等優良的綜合物理機械性能,極好的低溫抗沖擊性能,尺寸穩定性,電性能,耐磨性,抗化學藥品性,染色性,成型加工和機械加工較好;無熔融滴落;橡膠成份易在陽光紫外線下氧化降解,因此ABS耐候性差;實驗表明,ABS室外暴露半年,沖擊強度下降45%,ABS加黑色后可明顯改善其耐候性;料,其流動性對剪切速率變化較加工溫度變化更敏感,調校時增加射壓射速,流動性改善明顯些;好,一般160℃以上即可成型,250℃變色,270℃分解;.3%-0.8%,成型收縮率0.4%-0.5%,溢邊值約0.05mm;溫度應較標准級低,水口宜大,以免防火劑過熱分解析出而在水口位產生白花斑;腐蝕性气體,模面易有模跡,工模宜用耐腐蝕鋼材,生產中須常洗模,完單須洗模保養並清空炮筒;PS常用塑膠材料特性及成型工藝一覽表性須干燥,加工允含水率<0.2%;另尼龍對氧敏感,高溫下易氧化降解,宜用真空抽濕設備干燥,焗料溫度高于90℃易氧化變色;低,流動性極好,零件易有披鋒及因气燒焦;炮咀易流誕,回料易返膠;玻纖級則不易發生;28℃;PA66為265℃;成型溫度窄,熔融態熱定性差,300℃下滯留時間<30min;約1.5%-1.7%),尺寸變化大,易產生縮水,光印,需較大保壓進行補膠;在啤塑流動中產生定向,從而導致零件收縮不勻而產生內應力,發生變形;較純尼龍熱變形溫度提升約60℃,疲勞強度提升約50%;零件啤出后一般需進行調濕處理,以穩定零件尺寸,增加韌性;吸濕后含水率一般達2-2.5%,尺寸一般會脹大一些;中會順流動方向展開而使冷卻時發生流動定向,流動方向收縮率較橫向小,一般而言,玻纖增強級收縮率橫向約為流動方向的1.5至2.5倍;模及螺杆炮筒均需硬化,以增加耐磨性;工模硬度一般HRC55以上;固化速度較非增強尼龍快約10%-30%,玻纖產品表面不良(白花,非玻纖分布不勻)因固化快而產生,因固化快,膠料未能及時完全包褒履蓋玻纖而使表面粗糙,產生白花,龍回料速度及背壓不宜高,以免玻纖剪斷而破壞並降低物性;程序:性固化速度較非增強尼龍快約10%-30%,玻纖產品表面不良(白花,非玻纖分布不勻)因固化快而產生,因固化快,膠料未能及時完全包褒履蓋玻纖而使表面粗糙,產生白花,龍回料速度及背壓不宜高,以免玻纖剪斷而破壞並降低物性;程序:正常操作溫度30℃以下,設定射咀溫度在正常操作溫度,20分鐘后再升高料缸溫度至正常;手動點動抽松螺杆,再慢速轉動螺杆,打開料闡放一點料后再關閉,確定運轉正常后方進行調校;炮,可用洗炮料,PP,PS或純尼龍過炮;會因水口添加而發生明顯物性降低,但玻纖強化尼龍因玻纖切斷,強度會下降,水口添加必須嚴格控制.l尼龍為PA46,具有一般尼龍不具備的特性:成型周期快,產量高,耐化學藥品性好,韌性好,結晶度高,熔點為295℃,比尼龍66高約30℃;PA46較PA66結晶度快4-5倍,比PA6快10倍以上,一般可達到60%-70%的結晶度a下可達178℃,較PA66高出100℃,可作工程塑料,亦適合工業纖維;吸水后粘度及流動性會發生變化,含水多則粘度低,流動性好;下部分結晶)無毒無味,無色透明;其沖擊強度為塑料之最,俗稱"防彈膠";耐蠕變性能,優良尺寸精度及穩定性,較好的耐候性;光字性能優異,透光率可達90%;圍內使用,在較寬的溫度范圍及潮濕條件下仍保持較優異電性能,熱變形溫度132-143℃,玻璃化溫度149℃,無明顯熔點,在220-230℃開始熔融,一般超過330℃才呈現嚴重分解,產性其沖擊強度為塑料之最,俗稱"防彈膠";耐蠕變性能,優良尺寸精度及穩定性,較好的耐候性;光字性能優異,透光率可達90%;圍內使用,在較寬的溫度范圍及潮濕條件下仍保持較優異電性能,熱變形溫度132-143℃,玻璃化溫度149℃,無明顯熔點,在220-230℃開始熔融,一般超過330℃才呈現嚴重分解,產易產生應力開裂,缺口敏感性高,耐磨性差;溫度高,吸水率低,收縮率小,尺寸精度高,對光穩定,耐候性好,成型加工時不易氧化,熔體粘度大,耐電暈性,電性能優秀,體積電阻率和介電強度與聚酯薄膜相當,介電損耗角正切僅火可自熄,火焰黃色;燃燒時熔融起炮發出特殊花果臭气味;動性差;熔體粘度對溫度變化十分敏感,調校時調節溫度改善流動明顯,而提高速度及射壓,粘度下降不明顯,且增加內應力;水份極為敏感,即使含有微量水份,在高溫下也會使PC發生水解,產生二氧化碳气體,制品出現銀絲,气炮,甚至裂紋,成型允含水率<0.02%;啤塑前,先進行手動空射,檢查射出PC熔融冷卻快,保壓補縮較困難,制品易形成內部縮孔及表面凹陷,成型收縮率約為0.5%-0.8%,鎖模壓力3-5噸/平方英寸;司的標准級PC:;可在-100℃~126℃范圍內保持穩定的性能;寬的溫度范圍內具有優良的電絕緣性;耐候性,可長期在室外使用;性,優良的耐蠕變性能,尺寸幾乎不受吸濕,溫度,時間的影響;性工程塑料熔點224℃,相對密度1.31-1.55,吸水率為熱塑性塑料中最低之一,僅0.07%;具優異機械性能,高韌性,杰出耐疲勞性,沖擊強度高,有自潤滑性和能優良,耐電弧性好,但體積電阻率,高頻介質損耗角正切值大;抗藥品性優良,耐熱水,耐油類,熔體粘度低,成型優良;成型周期短,易脫模,宜中高速注射;率大(標准級1.7-2.3%),零件易有縮水凹陷;流動性極好,零件易走披鋒,困气燒焦;炮咀易流涎;酯基對水份敏感,高溫下與水發生水解反應,分子鏈斷裂,制品呈明顯脆性,焗料必須用除濕干燥機,戌型允含水率須<0.02%;玻璃纖維增強改性,以提高其耐熱性和機械強度;由于玻纖的流動定向,使制品收縮率不均,制品易翹曲;具導致制品表面有模跡,須常洗模;玻纖增強級宜高模溫改善纖維白花,提高光澤;宜低背壓慢速回料,減小剪切力;以免玻纖過度剪斷導致強度下降;分解,在238-255℃下,滯留<8-12分鐘;性的綜合性能,尤其力學性能為塑料材料中最接近金屬的品種之一,是重要的塑性工程塑料;和剛性,優異耐疲勞性;具自潤滑性,耐磨擦及耐摩耗性突出,常用于制造齒輪,POM抗疲勞性是熱塑性塑料中最好的;電絕緣性幾乎不受溫度和濕度的影響;耐化學腐蝕性良好,耐候性較差,粘合性差,受強酸侵蝕;淡黃,表面光滑有光澤,硬而致密;易燃,火焰上端呈黃色,下端藍色,發生熔融滴落,產生強烈有害刺激性甲醛味;型溫度范圍窄,熱穩定性差,料溫不可超240℃,210℃下滯留<20分鐘,螺杆轉速一般在50-60rpm,背壓應盡量小,一般在0-0.6Mpa,以免產生過多剪切摩擦熱;性工程塑料熔點224℃,相對密度1.31-1.55,吸水率為熱塑性塑料中最低之一,僅0.07%;具優異機械性能,高韌性,杰出耐疲勞性,沖擊強度高,有自潤滑性和能優良,耐電弧性好,但體積電阻率,高頻介質損耗角正切值大;抗藥品性優良,耐熱水,耐油類,熔體粘度低,成型優良;成型周期短,易脫模,宜中高速注射;率大(標准級1.7-2.3%),零件易有縮水凹陷;流動性極好,零件易走披鋒,困气燒焦;炮咀易流涎;酯基對水份敏感,高溫下與水發生水解反應,分子鏈斷裂,制品呈明顯脆性,焗料必須用除濕干燥機,戌型允含水率須<0.02%;玻璃纖維增強改性,以提高其耐熱性和機械強度;由于玻纖的流動定向,使制品收縮率不均,制品易翹曲;具導致制品表面有模跡,須常洗模;玻纖增強級宜高模溫改善纖維白花,提高光澤;宜低背壓慢速回料,減小剪切力;以免玻纖過度剪斷導致強度下降;分解,在238-255℃下,滯留<8-12分鐘;材料,原料顆粒為乳白色半透明體或無色透明體,不易著火燃燒,燃燒時熔融並爆成碎片,火焰呈黃色,有滴落;擦性及尺寸穩定性;優異電性能,優良耐化學腐蝕性;玻纖增強級具高耐熱性,高機械強度,優良耐候性,耐蠕變,抗疲勞性,磨耗小而硬度高;吸水率低,耐弱酸及有機溶塑料中最大的強韌性,聚酯薄膜拉伸強度可與鋁膜相比,為聚乙烯的9倍,聚碳酯酸和尼龍的3倍,非晶態PET具良好光學透明度,廣泛用于食品包裝領域;0-1.38,熔點255-260℃,成型溫度范圍窄,熔融溫度超300℃則發生分解;期使用溫度達120℃,在較寬的溫度范圍內保持良好的物理機械性能;電絕緣性能好,受溫度影響小,但耐電暈性差;鏈段易取向而導致冷卻制品內產生內應力,易發生翹曲變形,開裂,玻纖增強級可減少開裂;可采用高模溫(100-130℃)促進結晶;性好,宜低射壓,中速啤塑;易產生凹痕,零件結構上壁厚不宜太厚,肋的厚度一般在壁厚1/3以下;敏感,其單體之酯基極易在高溫下與水發生水解反應,分子鏈段斷裂導致制品出現明顯脆性,成型前必須用除濕干燥機進行除濕干燥(露點在-20℃以下),成型允含水率性和剛性,優異耐疲勞性;具自潤滑性,耐磨擦及耐摩耗性突出,常用于制造齒輪,POM抗疲勞性是熱塑性塑料中最好的;電絕緣性幾乎不受溫度和濕度的影響;耐化學腐蝕性良好,耐候性較差,粘合性差,受強酸侵蝕;淡黃,表面光滑有光澤,硬而致密;易燃,火焰上端呈黃色,下端藍色,發生熔融滴落,產生強烈有害刺激性甲醛味;型溫度范圍窄,熱穩定性差,料溫不可超240℃,210℃下滯留<20分鐘,螺杆轉速一般在50-60rpm,背壓應盡量小,一般在0-0.6Mpa,以免產生過多剪切摩擦熱;型收縮率大,約1.7%-0.2%,制品易產生縮水,凹陷;制品表面易產生折皺,斑紋,熔接痕等外觀缺陷,宜高模溫(80℃以上),中高速啤塑;,制品尺寸穩定性好;水份的存在對其性能及成型加工影響不大,一般可不用干燥;彈性高,易脫模;共混加熱,兩者共加熱時有強烈反應,兩者換料須先徹底清除前者;接技聚合形成的一種高抗沖材料;即具有橡膠的高抗沖性,又具有PS的剛性,易加工性,易染色性等,但拉伸強度,彎曲,硬度,耐光和熱穩定性有所下降;與ABS相近;成型溫度較ABS低約20℃,但流動性較ABS高;PPO,無定形材料,具優良力學性能,電性能,耐高溫;對密度小,機械強度高,綜合性能好,抗應力松弛,彈性疲勞,抗蠕變等突出優點;耐熱性好,熱變形溫度90-150℃;耐沖擊(其抗沖擊性能優于PC),低比重,尺寸穩定,在-1寸穩定性好,其耐熱水和耐蒸汽蒸煮性能在工程塑料中最優,電性能好,頻率,溫度對tg8影響小,但對介電強度和體積電阻影響大,成型性好,收縮率小,約0.2%-0.65%,不耐強氧化性酸,制品易在鏈烴,酮,酯類引發下產生應力開裂;分解溫度350℃以上,長期使用溫度范圍為-127~121℃;大,熔體粘度高,制品易產生內應力,宜高模溫生產,以減小內應力;性性聚氨酯彈性體,是一種高分子合成材料.TPU力學強度高,耐油性能好,但耐水性能差,在濕气中會發生水解;可從邵氏A10到邵氏D75,伸長率可達100%-800%,有較高的撕裂強度,通常可達到天然橡膠的2-10倍;異,具良好耐沖擊及振動阻尼性能,並具優異耐磨性,耐候性,強韌,拉伸和撕裂強度優,壓縮永久變形小,但耐熱性差;料,當塑化剪切作用強烈時,內部易發熱,從而發生降解,其熔體粘度對溫度依懶性強,較小的溫度變化就能引起其粘度的急劇變化,困而加工溫度范圍窄;模澆口應有足夠錐度(6o-8o),並盡可能短而大些,以利出模;具阻燃,耐老化,耐油,耐化學藥品,耐電壓,著色性好等優點;的穩定性差,受熱時易產生熱降解,光照下易產生光降解,與氧作用會發生熱氧降解及光氧降解,引起樹脂變色;130℃時即出現分解,180℃時分解加劇,原料中需加入熱穩定劑;敏感,成型過程中宜提高注塑壓力來提高對熔體的剪切速度,進而降低熔體粘度,改善流動性,而不宜升高溫度來改善流動性;熔化速度慢,粘度高,且為熱敏性及剪敏性料,宜低背壓慢速回料,中低壓,中低速注射;會使制品表面缺泛光澤,產生細微气炮,並降低制品力學及電性能,宜預先干燥再生產;較料管最高溫度低10-20℃,射壓90Mpa以上,保壓60-80Mpa;高,結晶度快,結晶度可達50%-70%,在拉伸啤塑成型中拉伸取向和熱定型處理后結晶度可高達75%-85%,PP收縮率較大,約為1%-3%;也較高,在加熱熔融時需要的熱量多,在冷卻定型時釋放的熱量也多,因此成型設備需配置有效的加熱系統;工模需加工良好的冷卻系統;分子鏈段越高度無序,從而破壞結晶過程,冷卻后結晶度低,收縮率較小;降低模溫及模塑時間亦影響結晶程度而使收縮率較小;PP填加礦物填充后收縮率亦會減小;切作用的增加而迅速下降,但對溫度變化不敏感;生氧化降解,水口料重復利用效能差;生產受力件不宜加水口料;,成型前通常不需干燥;狀,具優異抗彎曲疲勞性能,良好的拉伸屈服強度及拉伸強度,優異的化學穩定性,電絕緣性及介電性能,但對熱,氧,光的穩定性差,需加入抗氧劑,光穩定劑等;PP在低溫下易脆裂,量用于食品,醫藥衛生領域;在高壓力下流動性很好,並具極優的熔體穩定性;平方英寸;大射咀及流道澆口,射壓中高壓,快速注射.耐候性,耐輻射性,耐熱阻燃,耐腐蝕,及突出的電絕緣性,高剛性,抗蠕變性;但脆性較大,缺口沖擊強度低;性十分優良,玻璃化轉變溫度為110o C,熔點為286o C,負荷變形溫度為260o C,350o C以下空气中長期穩定;約0.12%,吸水率小(約0.02%),成型后尺寸穩定性優良,同時,線脹系數也低,制品不易翹,變形;且吸水率低,成型干燥要求不高.性為無定形聚合物,其特點為透明度高,耐候性較好,綜合性能優良,PMMA具優良的化學穩定性,耐老化性,俗稱有機玻璃,其透光率大于92%,較普通玻璃高10%以上;堅韌的材料,在常溫下具有優良的拉伸強度,彎曲強度及壓縮強度,但沖擊強度不高,且缺口敏感性較大,未經改性的PMMA表面易劃傷,耐磨性較低,耐熱性及抗銀紋性能也差;性,常用于儀表工業作高頻絕緣材料;熄,燃燒時有熔融滴落,火焰上白下藍,有爛花朵臭味;分解,其加工溫度范圍較窄;吸水率一般為0.3%-0.4%,分子中的酯基在高溫下易水解,成型前必須干燥透徹,使含水率<0.02%;切速率較敏感,對溫度的敏感性較一般的熱塑性塑料大;熔體粘度大,成型過程中易產生內應力,宜用高模溫生產(高于40o C);,要得到尺寸精確度高的制品,必須嚴格控制成型溫度,並需經退火處理;低的射咀溫度,以減少變色.半結晶性工程塑料,其性能介于傳統工程塑料(如PC,PA,POM)及高性能專業塑料(如液晶塑料)之間,其韌性增強級可比得上超韌尼龍;能,高強度,高硬度及優異耐疲勞性能,在較寬溫度范圍內仍保持優異性能;度,硬度及使用溫度;性塑料,在高溫(130℃)下發生交聯反應固化而成,須高模溫,后模比前模高10~15℃;成型容易;B.可加入多種無機及有機填料;C.制品尺寸穩定,成型收縮率及嵌件附加及收縮率小;D.耐熱性好,耐燃,可自滅,電絕緣性好,但耐電弧性差;E.化學穩定性好成型,剛注滿時需瞬間開模排氣,零件有披鋒,須后加工;力學強度,絕緣性,尺寸穩定性;,料筒溫度宜偏低,保証尺寸穩定性, 轉速30~70RPM/MIN;氣炮,裂紋;料斷面與表面一樣粗糙,斷面無 大孔隙,色澤灰暗,可捏成團,則表明料溫恰當;若空射有劈啪聲,斷面有大空隙或分層脫皮,則料溫偏高;若表面 烏黑光亮,斷面密實,射筒;料(UF)是由尿素與甲醛縮聚而成,加入纖維素,紙張,木粉等填料,以及著色劑,脫模劑,固化劑等經捏和,輥壓,粉碎而成,月尿甲醛模塑粉又稱電玉粉;一般為白色)半透明粉料,硬度大,沖擊強度低,難燃,有自熄性,防霉性,耐電弧性優;耐候性和耐熱性差,使用溫度小于60℃;耐油,耐溶劑性好,但不耐酸堿和熱水;與另一纖維素等填料粘結性十分優良,玻璃化轉變溫度為110o C,熔點為286o C,負荷變形溫度為260o C,350o C以下空气中長期穩定;約0.12%,吸水率小(約0.02%),成型后尺寸穩定性優良,同時,線脹系數也低,制品不易翹,變形;且吸水率低,成型干燥要求不高.后可明顯改善其耐候性;動方向的1.5至2.5倍;0-230℃開始熔融,一般超過330℃才呈現嚴重分解,產生無毒無腐蝕性气體;;0.02%;以免玻纖過度剪斷導致強度下降;在0-0.6Mpa,以免產生過多剪切摩擦熱;;0.02%;以免玻纖過度剪斷導致強度下降;學透明度,廣泛用于食品包裝領域;在0-0.6Mpa,以免產生過多剪切摩擦熱;度的急劇變化,困而加工溫度范圍窄;流動性;冷卻系統;;PP填加礦物填充后收縮率亦會減小;韌尼龍;塑粉又稱電玉粉;溶劑性好,但不耐酸堿和熱水;。
20種常見塑膠特性1.ABS 丙烯腈-丁二烯-苯乙烯共聚物典型應用範圍:汽車(儀錶板,工具艙門,車輪蓋,反光鏡盒等),電冰箱,大強度工具(頭髮烘乾機,攪拌器,食品加工機,割草機等),電話機殼體,打字機鍵盤,娛樂用車輛如高爾夫球手推車以及噴氣式雪撬車等。
注塑模工藝條件:乾燥處理:ABS材料具有吸濕性,要求在加工之前進行乾燥處理。
建議乾燥條件為80~90℃下最少乾燥2小時。
材料溫度應保證小於0.1%。
熔化溫度:210~280℃;建議溫度:245℃。
模具溫度:25~70℃。
(模具溫度將影響塑件光潔度,溫度較低則導致光潔度較低)。
注射壓力:500~1000bar。
注射速度:中高速度。
化學和物理特性:ABS是由丙烯腈、丁二烯和苯乙烯三種化學單體合成。
每種單體都具有不同特性:丙烯腈有高強度、熱穩定性及化學穩定性;丁二烯具有堅韌性、抗衝擊特性;苯乙烯具有易加工、高光潔度及高強度。
從形態上看,ABS是非結晶性材料。
三中單體的聚合產生了具有兩相的三元共聚物,一個是苯乙烯-丙烯腈的連續相,另一個是聚丁二烯橡膠分散相。
ABS的特性主要取決於三種單體的比率以及兩相中的分子結構。
這就可以在產品設計上具有很大的靈活性,並且由此產生了市場上百種不同品質的ABS材料。
這些不同品質的材料提供了不同的特性,例如從中等到高等的抗衝擊性,從低到高的光潔度和高溫扭曲特性等。
ABS材料具有超強的易加工性,外觀特性,低蠕變性和優異的尺寸穩定性以及很高的抗衝擊強度。
2.PA6 聚醯胺6或尼龍6典型應用範圍:由於有很好的機械強度和剛度被廣泛用於結構部件。
由於有很好的耐磨損特性,還用於製造軸承。
注塑模工藝條件:乾燥處理:由於PA6很容易吸收水分,因此加工前的乾燥特別要注意。
如果材料是用防水材料包裝供應的,則容器應保持密閉。
如果濕度大於0.2%,建議在80℃以上的熱空氣中乾燥16小時。
如果材料已經在空氣中暴露超過8小時,建議進行105℃,8小時以上的真空烘乾。