视频监控系统分项工程检验批质量验收记录表
- 格式:doc
- 大小:69.00 KB
- 文档页数:3
视频安防监控系统分项工程质量验收记录一、项目概况:项目名称:xxx视频安防监控系统分项工程质量验收项目地址:xxx二、项目基本情况:本项目是针对xxx区域的视频安防监控需求所进行的分项工程,主要内容包括安装摄像头设备、布置监控中心、搭建视频传输网络等。
三、验收依据:1.相关技术标准:按照国家标准《建筑视频监控系统工程设计规范》、《建筑视频监控系统工程施工及验收规范》进行验收。
2.合同约定:根据合同约定的项目要求进行验收。
四、验收内容:1.摄像头设备安装情况:1)摄像头数量与布置位置是否符合设计要求;2)摄像头与支架是否安装牢固;3)摄像头焦距、视角设置是否合理;4)摄像头图像质量是否清晰;5)摄像头线路是否整齐、规范。
2.监控中心设备情况:1)监控中心是否按照设计方案进行布置;2)监控中心摄像头显示是否正常;3)监控中心的监控设备和服务器是否安装稳定;4)监控中心软件的视频播放是否流畅;5)监控中心设备的接地、防雷等安全性能是否符合要求。
3.视频传输网络情况:1)网络设备和摄像头的连接是否正常;2)网络传输速度和稳定性是否满足要求;3)网络设备的配置是否符合设计方案;4)网络设备的安全性能是否达标。
五、验收结果:1.摄像头设备安装情况:经过检查,摄像头数量和布置位置符合设计要求,设备安装牢固,焦距、视角设置合理,图像质量清晰,线路整齐、规范。
2.监控中心设备情况:检查发现监控中心按照设计方案进行布置,摄像头显示正常,监控设备和服务器安装稳定,软件视频播放流畅,设备接地、防雷等安全性能符合要求。
3.视频传输网络情况:检查确认网络设备和摄像头连接正常,传输速度和稳定性满足要求,网络设备配置符合设计方案,安全性能达标。
六、问题及整改要求:经过验收,发现以下问题:1.局部摄像头的视野有重叠,需要调整焦距或更改布置位置。
2.一部分监控中心设备的线路缆线有松动现象,需要重新固定。
3.部分网络设备的配置参数不符合设计要求,需要重新设置。
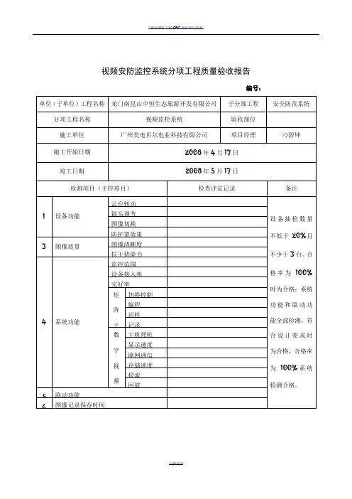
视频安防监控系统分项工程质量验收报告
本验收表一式两份
表1验收结论汇总
表2系统试运行记录
注:1、系统试运行情况栏中,正常打“√”,不正常的在备注栏内扼要说明(包括修复日期)本监控系统已符合龙门南昆山派出所安全要求
工程造价:95000元+(因施工变动增加费用5000元)总工程造价:10万元
已收款:66000元剩下余款34000元
表2参加工程验收主要人员名单
当人生让你碰壁头破血流时,别害怕,没有这些挫折,怎能练就一身钢筋铁骨,当生活给你一百个理由哭泣时,别沮丧,你就拿出一千个理由笑给它看。