散热器出厂检验标准
- 格式:pdf
- 大小:47.25 KB
- 文档页数:1
翅片管散热器国家标准翅片管散热器是一种常见的散热设备,广泛应用于工业生产和生活领域。
为了规范翅片管散热器的设计、制造和使用,我国制定了相应的国家标准,旨在保障产品质量、提高能效、确保安全可靠。
本文将对翅片管散热器国家标准进行详细介绍,以便相关行业人员和使用者了解和遵守。
首先,翅片管散热器国家标准涵盖了产品的分类和命名、技术要求、试验方法、检验规则、标志、包装、运输和贮存等内容。
其中,技术要求是标准的核心部分,包括了翅片管散热器的结构尺寸、材料要求、制造工艺、性能指标等。
这些要求的制定,旨在保证翅片管散热器在使用过程中具有良好的散热效果、稳定的工作性能和长久的使用寿命。
其次,翅片管散热器国家标准对产品的试验方法和检验规则进行了详细规定。
试验方法是评定产品性能指标的重要手段,它包括了静态试验、动态试验、耐压试验、耐腐蚀试验等内容,可以全面、客观地反映产品的质量状况。
而检验规则则规定了产品出厂前的检验程序和方法,确保产品的质量符合标准要求。
此外,翅片管散热器国家标准还对产品的标志、包装、运输和贮存进行了规范。
产品标志是产品质量的象征,它应当清晰、醒目、持久,便于用户识别和监督。
产品包装、运输和贮存规定了产品在流通环节中的保护和管理要求,以确保产品在运输和贮存过程中不受损坏,保持良好的状态。
总的来说,翅片管散热器国家标准的制定和执行,有利于规范产品质量、提高产品性能、保障产品安全。
对于生产企业来说,遵守国家标准可以帮助企业提升产品技术水平、拓展市场空间、增强竞争力;对于用户来说,选择符合国家标准的产品可以保证自身的利益,获得更好的使用体验。
总之,翅片管散热器国家标准的制定和实施,对于行业发展和社会进步具有积极的促进作用。
我们应当充分认识到国家标准的重要性,积极遵守和执行国家标准,共同推动翅片管散热器行业的健康发展。
佛冈鑫统仕散热器有限公司企业标准铝质汽车散热器技术条件Q/ZYFT 001-20081.范围本标准规定了铝质散热器的技术条件,试验方法,检验规则,包装、标记、运输与储存。
本标准适应于本公司生产的铝质汽车散热器产品。
2.引用标准下列文件中的条款通过本标准的引用而成为本标准的条款。
凡是注日期的引用文件,其随后所有的该单(不包括勘误的内用)或修订版均不适应于本标准。
然而,鼓励根据本标准达成协议的各方研究是否使用这些文件的最新版本,凡是不注日期的引用标准,其最新版本适用于本标准。
GB 10569 优质铝及铝合金冷轧板GB/T 2518 连续镀锌薄钢板和钢带GB/T 2828.1 计数抽样检验程序第1部分:按接收质量限(AQL)检索的逐批检验抽样计划(GB/T 2828.1-2003,ISO 2859-1: 1999,IDT)GB/T 3198 铝及铝合金箔GB/T 8544 铝及铝合金冷轧带材JB/T 8577 内燃机水散热器技术条件HG/T 2196 机动车辆用橡胶材料QC/T 468 汽车散热器技术条件鑫统仕散热器有限公司 2014年3.技术条件3.1产品应按经规定程序批准的产品图样及技术文件制造,并符合本标准规定。
3.2 材料3.2.1 散热管的材料采用AA4343/3003/7072,应符合GB/T 8544要求。
3.2.2 散热带的材料采用AA3003+1.5%Zn,应符合GB/T 3198要求。
3.2.3 主片,侧板材料采用AA4343/3003/7072,应符合GB 10569要求。
3.2.4 水室采用PA66+30%玻璃纤维强化的尼龙制造。
3.2.5 触水密封件采用三元乙丙橡胶制造,应符合HG/T 2196要求。
3.2.6 散热器的安装连接架(侧板)采用Q235制造,符合GB/T 2518要求。
3.2.7 散热器上所用的连接紧固件采用相应的国家标准,要求表面采用镀锌钝化处理。
3.3 在设计、开发、生产、制造过程中,应积极采用新材料、新工艺、新技术,允许采用企业标准以外的新材料设计产品,但材料的性能不低于相应的标准要求,并经过验证认可。
建筑用电采暖散热器1 范围本标准规定了建筑用电采暖散热器(以下简称“电暖器”)的术语和定义,分类和标记,一般要求,要求,试验方法,检验规则,标志、使用说明书和合格证,包装、运输和贮存等。
本标准适用于固定安装在建筑物内具有室内温度调节功能并作为建筑物主要供暖方式的建筑用电采暖散热器,其单相额定电压不超过250 V。
2 规范性引用文件下列文件对于本文件的应用是必不可少的。
凡是注日期的引用文件,仅所注日期的版本适用于本文件。
凡是不注日期的引用文件,其最新版本(包括所有的修改单)适用于本文件。
GB/T 191 装储运图示标志GB/T 1727 漆膜一般制备法GB/T 2828.1 计数抽样检验程序第1部分:按接收质量限(AQL)检索的逐批检验抽样计划GB/T 3003 耐火材料陶瓷纤维及制品GB 4208-2017 外壳防护等级(IP代码)GB/T 7725-2004 房间空气调节器GB/T 9286 色漆和清漆漆膜的划格试验GB/T 9969 工业产品使用说明书总则JB/T 4088 日用管状电热元件3 术语和定义下列术语和定义适用于本标准。
3.1建筑用电采暖散热器electric thermal heaters for space heating固定安装在建筑物内,以电为能源,将电能转化成热能,通过温度控制器实现供热控制的供暖散热设备。
安装方式包括吊装式、壁挂式、落地式等,放热方式包括直接作用式和蓄热式。
3.2直接作用式电采暖散热器direct-acting electric thermal heaters将电能转化为热能并将热能直接传到建筑物内的电暖器,简称为直热式电暖器。
3.3蓄热式电采暖散热器thermal storage electric thermal heaters将电能转化为热能并通过蓄热介质进行储存,在需要时将所储存的热能向室内供热的电暖器,简称为蓄热式电暖器。
3.4室内温度控制器indoor thermostat动作温度可固定或可调的温度敏感装置,在正常工作期间,其通过自动接通或断开电路来保持被控环境温度在设定值之间。
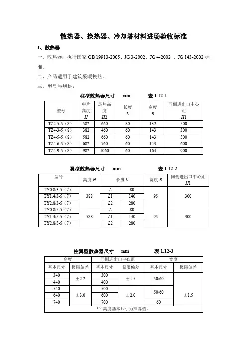
散热器、换热器、冷却塔材料进场验收标准1、散热器一、散热器:执行国家GB 19913-2005、JG 3-2002、JG 4-2002 、JG 143-2002标准。
二、产品适用于建筑采暖换热。
三、型号与规格:柱型散热器尺寸mm 表1.12-1翼型散热器尺寸mm表1.12-2柱翼型散热器尺寸mm 表1.12-3四、验收方法:1、外观检查:外表面平整、光洁,不应有裂纹、疏松、凹坑等缺陷。
2、测量:卷尺测量公称尺寸。
3、试验方法:抽样检查,按当地规定现场见证取样复检。
4、资料要求:产品质量证明书和检测报告。
2、换热器一、换热器:执行国家GB 151-1999、GB 16409-1996标准。
二、产品适用于供热、空调的换热。
三、型号与规格板式换热器的规格与尺寸表1.13-1四、验收方法:1、外观检查:换热器外部完整无破损、锈蚀;其上指示仪器清洁明亮,换热器的胀口、密封、法兰等处完好;阀门开启灵活;无扭曲变形现象。
2、测量:卷尺测量长度。
3、试验方法:全部检查。
4、资料要求:产品质量证明书和检测报告。
3、冷却塔一、冷却塔:执行国家GB 7190-1997标准。
二、产品用于空调冷却。
三、型号与规格:冷却塔根据水、空气在填料中的相对流向分为逆流式和横流式两种。
根据塔体形状又分为圆形塔、方形塔。
四、验收方法:1、外观检查:塔体外表有较均匀的胶衣层,表面应光滑、无裂纹、色泽均匀;体表气泡和缺损允许修补,但应保持色泽一致;塔体边缘整齐、厚度均匀,无分层、切割加工断面应加封树脂。
2、测量:用卷尺测量长度。
3、试验方法:抽样检测。
4、资料要求:产品质量证明书和检测报告。
钢铝散热器供应统一技术标准一、规范要求投标方按照合同供应的产品应符合但不限于以下现行版的国家及行业标准:符合国家标准GB/T13754规定暖气片材质应符合GB 13237的规定暖气片管接口螺纹应符合GB/T 7303的规定暖气片焊接应符合GB/T 985 GJB481的规定漆膜性能试验应符合GB/T1720、GB/T1731、GB/T1732、GB/T1735的规定。
二、技术要求:1、通用要求:1.1 散热器应按标准的图样及技术文件制造,并符合本标准的规定。
1.2 暖气片材质应符合GB 13237的规定,一种是薄板型,应采用厚度δ=1.2~1.5mm的碳素优质冷轧钢板;另一种是管基型,以水煤气管为过水的基本元件,水道管厚度为2.0MM。
1.3 暖气片应逐组进行水汽压实验,承压能力不小于1.6MPa。
应用专用试压台,用精度不低于1.5级,压力计量程不小于2.0MPa,试验压力为1.6MPa,稳压2分钟,不冒汽泡为合格。
1.4 暖气片进出水管均设置于侧面;1.5 暖气片为优质冷轧低碳钢管暖气片,通水孔径要达到15㎜;暖气片管内不得少于一层均匀、致密耐酸、耐碱、耐高温阻氧保护层,并提供内腔保护层施工工艺、做法及检测报告。
1.6 暖气片管接口螺纹应符合GB/T 7303的规定,螺纹应保证3-5扣完整无缺陷,连接管螺纹处应有保护帽。
每组暖气片设置活动手动跑风1个。
1.7 暖气片焊接应符合GB/T 985 GJB481的规定,焊缝应平直、均匀、整齐、美观,不得有裂纹、气孔、未焊透和烧穿等缺陷;点焊的焊点应均匀,相邻焊点距不大于40MM,焊点不得出现烧穿等缺陷。
散热管与通水管焊接必须牢固贴合。
1.8 暖气片外表面应在良好的预处理后采用静电喷塑工艺,涂层为白色,漆膜表面应光滑、平整、均匀,不得有气泡、堆积、流淌和漏喷;底漆厚度不得小于15μm,漆膜厚度不得小于60μm;漆膜附着力应达到GB/T 1720规定的1-3级要求;漆膜耐冲击性能应符合GB/T 1732的规定。
新型散热器的有关计算方法新型散热器的有关计算方法在讲到新型散热器的有关计算问题上,我们首先要明确几个概念,我列成小标题,下面大家看大屏幕:一、标准散热量标准散热量是指供暖散热器按我国国家标准(GB/T13754-1992),在闭室小室内按规定条件所测得的散热量,单位是瓦(W)。
而它所规定条件是热媒为热水,进水温度95摄氏度,出水温度是70摄氏度,平均温度为(95+70)/2=82.5摄氏度,室温18摄氏度,计算温差△T=82.5摄氏度-18摄氏度=64.5摄氏度,这是散热器的主要技术参数。
散热器厂家在出厂或售货时所标的散热量一般都是指标准散热量。
那么现在我就要给大家讲解第二个问题,我想也是很多厂商和经销商存在疑问的地方。
二、工程上采用的散热量与标准散热量的区别标准散热量是指进水温度95摄氏度,出水温度是70摄氏度,室内温度是18摄氏度,即温差△T=64.5摄氏度时的散热量。
而工程选用时的散热量是按工程提供的热媒条件来计算的散热量,现在一般工程条件为供水80摄氏度,回水60摄氏度,室内温度为20摄氏度,因此散热器△T=(80摄氏度+60摄氏度)÷2-20摄氏度=50摄氏度的散热量为工程上实际散热量。
因此,在对工程热工计算中必须按照工程上的散热量来进行计算。
在解释完上面的术语以后,下面我介绍一下采暖散热器的欧洲标准(EN442)。
欧洲标准(EN442)是由欧洲标准化委员会/技术委员会CEN所编制.按照CEN内部条例,以下国家必须执行此标准,这些国家是:澳大利亚、比利时、丹麦、芬兰、法国、意大利、荷兰、西班牙、瑞典、英国等18个国家。
而欧洲标准(EN442)的标准散热量与我国标准散热量是不同的,欧洲标准所确定的标准工况为:进水温度80摄氏度,出水温度65摄氏度,室内温度20摄氏度,所对应的计算温差△T=50摄氏度。
欧洲标准散热量是在温差△T=50摄氏度的散热量。
那么怎么计算散热器在不同温差下的散热量呢?散热量是散热器的一项重要技术参数,每一个散热器出厂时都标有标准散热量(即△T=64.5摄氏度时的散热量)。
前言本标准的5.1.1 为强制性条款,其余为推荐性条款。
本标准的附录A为规范性附录。
本标准由建设部标准定额研究所提出。
本标准由全国暖通空调及净化设备标准化技术委员会归口。
本标准主要起草单位:中国建筑金属结构协会、中国建筑科学研究院。
本标准参加起草单位:山东省建筑设计研究院、青岛理工大学、国际铜业协会(中国)、山东高密中亚暖通设备有限公司、北京三叶散热器厂、北京佛罗伦萨散热器有限公司、沈阳吉水散热器有限公司、沈深圳市方大暖通科技有限公司、上海(浙江)努奥罗散热器有限公司、兰州陇星散热器有限公司、天津市华琛散热器有限公司、天津马丁康华不锈钢制品有限公司、天津市锐新散热器有限公司、河南省恒春暖通设备有限公司、山东早春集团淄博汇德暖通设备有限公司、山东冶金散热器厂、郑州市瓦萨齐散热器有限郑公司、山东省龙口市南山塑钢建材总厂、佛瑞德(郑州)工业有限公司、唐山大通车料有限公司。
本标准主要起草人:宋为民、牟灵泉、张双喜、田巍然、路宾、吴辉敏。
铜铝复合柱翼型散热器1 范围本标准规定了由铜管立柱与铝翼管胀接复合后,再与上下铜管联箱组合焊接成型的铜铝复合柱翼型散热器(以下简称散热器)的术语和定义、型号与标记、要求、试验方法、检验规则、标志、包装、运输与贮存等。
本标准适用于工业与民用建筑中以热水为热媒的散热器。
散热器的工作压力为1MPa;热媒温度不高于95℃;热媒水的酸碱度pH=7-12,氯离子(Cl-)、硫酸根(SO2-)分别不大于100mg /L 。
其他指标应根据采暖系统供水情况,分别符合4GB1576、HG/T 3729标准中关于供暖系统水质的规定。
2规范性引用文件下列标准中的条款通过本标准的引用成为本标准的条款。
凡是注日期的引用标准,其后所有的修改单(不包括勘误的内容)或修改版本均不适用于本标准,然而,鼓励根据本标准达成协议的各方研究是否可以使用这些标准的最新版本。
凡是不注日期的引用标准,其最新版本适用于本标准。
汽车散热器试验标准汽车散热器是汽车冷却系统中至关重要的部件,它的性能直接影响着发动机的工作效率和寿命。
为了确保汽车散热器的质量和性能,制定了一系列的试验标准,以便对其进行全面的检测和评估。
首先,汽车散热器的耐压试验是其中最重要的试验之一。
在这个试验中,散热器会被加压到一定的压力下,以检测其是否能够承受汽车工作时的高压环境。
这个试验可以有效地评估散热器的密封性能和耐压能力,确保其在高温高压下不会出现漏水或爆裂的情况。
其次,散热器的散热效率试验也是必不可少的。
这个试验会模拟汽车在不同工况下的散热需求,通过测量散热器在不同温度和压力下的散热效果,来评估其散热性能是否符合要求。
这个试验可以有效地检测散热器在实际工作中的散热能力,确保其能够有效地降低发动机的温度,保证发动机的正常工作。
此外,汽车散热器的耐腐蚀试验也是必不可少的一环。
由于汽车工作环境的特殊性,散热器经常会受到水、盐等腐蚀性物质的侵蚀,因此需要进行耐腐蚀试验来检测其抗腐蚀能力。
这个试验可以有效地评估散热器在恶劣环境下的耐久性,确保其能够长时间保持良好的工作状态。
最后,汽车散热器的安装试验也是非常重要的。
在这个试验中,会对散热器的安装位置、方式进行检测,以确保其安装正确、牢固,不会出现松动或漏水的情况。
这个试验可以有效地保证散热器在实际使用中的可靠性,确保其能够长时间稳定地工作。
综上所述,汽车散热器试验标准涵盖了耐压试验、散热效率试验、耐腐蚀试验和安装试验等多个方面,通过这些试验可以全面评估散热器的质量和性能,确保其能够在实际使用中稳定可靠地工作。
这些试验标准的制定和执行,为汽车散热器的质量提供了有力的保障,也为汽车的安全和可靠性提供了重要的保障。
十堰赛达汽车散热系统有限公司信笺第 1 页 共 1 页 散热器出厂检验标准一 外观1.01 散热器芯体管带配合良好,无弯管、瘪带,芯体表面平整无凸起,波带波数均匀一致,数量误差±5;(制管制带芯子装配校正)1.02 散热器芯体管带焊合后只能充许有2%的部分可以用手扯出,超过则认为焊接不合格;(焙烧)1.03 拉条处应固定紧密结实,不得有较大的回弹;(穿拉条)1.04 水室和水管呈90度直角,水室表面无磕碰痕迹,无锡疙瘩,标识清晰;(打标焊水口)1.05 水室和主片配合紧密,水室表面、主片端面无锡疙瘩,焊接结合部锡分布平整流畅,无堆积现象;(焊水室)1.06 散热器允许补焊,补焊后要将散热带扶正,补焊烧损面积不得大于芯子正面面积的2%,倒伏的散热带必须拨正,所有的散热带应该处于一种自然的状态,不能有肉眼可见的损伤,散热带倒伏面积不得大于芯子正面面积的2%,散热器内无锡疙瘩;(泵水)1.07 侧板焊接牢固无锡流出,侧板无焊反、焊错现象;(焊侧板)1.08 表面清洗干净无颗粒,侧板、水室、水管、放水阀无变形;(清洗甩干)1.09 散热器表面光滑平整无磕碰、漆疙瘩、流痕,螺母要求进漆,下水室、3排管散热器的主片空白部分、侧板焊有支架处要求补漆;(油漆)1.10 支架安装型号、位置无误,护风罩安装型号、位置符合图纸要求,中冷器安装型号、位置符合图纸要求,包装箱大小合适无松动,型号与散热器型号一致,打包结实,外观大方。
(包装)1.11 合格证粘贴位置居中,无歪斜,型号与散热器实际一致,供应商代码清晰;(检验)二 尺寸2.01 散热器水室水管孔位尺寸误差L ±5 mm ;2.02 散热器芯子对角线长度小于或等于800mm 时,对角线差值不大于3mm ;当对角线长度大于800mm 时,对角线差值不大于5mm 。
2.03 散热器开档(孔间距)尺寸误差L ±2 mm ;2.04 散热器左右侧板侧板孔孔间距误差小于0.5 mm ;。
JG 3-2002 采暖散热器灰铸铁柱型散热器(可编辑)JG 3-2002 采暖散热器灰铸铁柱型散热器日中华人民共和国建筑工业行业标准一采暖散热器灰铸铁柱型散热器一一发布门一实施中华人民共和国建设部发布前言本标准在对国内生产厂家相关产品进行调研,并结合十几年来产品标准执行情况,修订了,编制成本标准。
本标准的第条、第条、第条为强制性的,其余为推荐性的。
本标准的附录是标准的附录。
本标准由建设部标准定额研究所提出。
本标准由建设部建筑工程标准技术归口单位归口。
本标准由中国建筑金属结构协会采暖散热器委员会负责起草。
本标准主要起草人张善道、董重成、宋为民、牟灵泉。
本标准委托中国建筑金属结构协会采暖散热器委员会负责解释。
本标准发布日起,原标准将同时废止。
中华人民共和国建筑工业行业标准采暖散热器灰铸铁柱型散热器范围本标准规定了灰铸铁柱型散热器的型式、尺寸与性能参数、要求、试验方法、检验规则、标志、包装、运输与贮存等。
本标准适用于工业、民用建筑中以热水、蒸汽为热媒的灰铸铁柱型散热器以下简称散热器。
热媒为热水时,温度不大于,灰铸铁材质不低于 ,工作压力为。
温度不大于 ,灰铸铁材质不低于 ,工作压力为。
热媒为蒸汽时,工作压力为。
引用标准下列标准所包含的条文,通过在本标准中引用而构成为本标准的条文。
本标准出版时,所示版本均为有效所有标准都会被修订,使用本标准的各方应探讨使用下列标准最新版本的可能性。
形状和位置公差通则、定义、符号和图样表示法采暖散热器散热量测定方法。
一般公差未注公差的线性和角度尺寸的公差管道元件公称压力铸件重量公差灰铸铁件逐批检查计数抽样程序及抽样表适用于连续批量的检查铸件尺寸公差钢铁及合金化学分析法采暖散热器系列参数、螺纹及配件灰铸铁机械性能试验方法型号、尺寸与性能参数主参数按规定,本标准主参数为型号口仁一工作压力同侧进出口中心距一柱数一柱型灰铸铁中华人民共和国建设部一批准一一实施型号示例表示同侧进出口中心距为 ,工作压力为。
1目的
本检验规范的目的是保证本公司所购螺钉的质量符合要求。
2适用范围
本检验规范适用于本公司生产产品无特殊要求的散热器
3规范内容:
3.1测试工量具及:游标卡尺,
3.2缺陷分类及定义:
A类:单位产品的极重要质量特性不符合规定,或者单位产品的质量特性极严重不符合规定。
B类:单位产品的重要质量特性不符合规定,或者单位产品的质量特性严重不符合规定。
C类:单位产品的一般质量特性不符合规定,或者单位产品的质量特性轻微不符合规定。
3.3判定依据:抽样检验依样品为标准。
3.4检验项目、标准、缺陷分类一览表。
检查散热器需要参照工程图纸:
5参照文件:
《来料检验控制程序》
《工程图纸,外观检查和尺寸检验规范》
6相关记录与表格
《来料检验报告》
《品质异常联络单》。
十堰赛达汽车散热系统有限公司信笺
第 1 页 共 1 页 散热器出厂检验标准
一 外观
1.01 散热器芯体管带配合良好,无弯管、瘪带,芯体表面平整无凸起,波带波数均匀一
致,数量误差±5;(制管制带芯子装配校正)
1.02 散热器芯体管带焊合后只能充许有2%的部分可以用手扯出,超过则认为焊接不合
格;(焙烧)
1.03 拉条处应固定紧密结实,不得有较大的回弹;(穿拉条)
1.04 水室和水管呈90度直角,水室表面无磕碰痕迹,无锡疙瘩,标识清晰;(打标焊水
口)
1.05 水室和主片配合紧密,水室表面、主片端面无锡疙瘩,焊接结合部锡分布平整流畅,
无堆积现象;(焊水室)
1.06 散热器允许补焊,补焊后要将散热带扶正,补焊烧损面积不得大于芯子正面面积的
2%,倒伏的散热带必须拨正,所有的散热带应该处于一种自然的状态,不能有肉眼可见的损伤,散热带倒伏面积不得大于芯子正面面积的2%,散热器内无锡疙瘩;(泵水)
1.07 侧板焊接牢固无锡流出,侧板无焊反、焊错现象;(焊侧板)
1.08 表面清洗干净无颗粒,侧板、水室、水管、放水阀无变形;(清洗甩干)
1.09 散热器表面光滑平整无磕碰、漆疙瘩、流痕,螺母要求进漆,下水室、3排管散热器
的主片空白部分、侧板焊有支架处要求补漆;(油漆)
1.10 支架安装型号、位置无误,护风罩安装型号、位置符合图纸要求,中冷器安装型号、
位置符合图纸要求,包装箱大小合适无松动,型号与散热器型号一致,打包结实,外观大方。
(包装)
1.11 合格证粘贴位置居中,无歪斜,型号与散热器实际一致,供应商代码清晰;(检验)
二 尺寸
2.01 散热器水室水管孔位尺寸误差L ±5 mm ;
2.02 散热器芯子对角线长度小于或等于800mm 时,对角线差值不大于3mm ;当对角线长
度大于800mm 时,对角线差值不大于5mm 。
2.03 散热器开档(孔间距)尺寸误差L ±2 mm ;
2.04 散热器左右侧板侧板孔孔间距误差小于0.5 mm ;。