钢结构涂层厚度检测原始记录
- 格式:doc
- 大小:69.00 KB
- 文档页数:1
钢结构防火涂料涂层厚度检测记录
工程名称:编号:电土施表6-14
注1.同一截面上各测点厚度的平均值不应小于设计厚度的85%,构件上所有测点厚度的平均值不应小于设计厚度。
2.本表由施工单位填写,监理单位、施工单位各保存一份。
钢结构防火涂料涂层裂纹检查记录
工程名称:编号:电土施表6-15
注1.薄涂型防火涂料涂层表面裂纹宽度不应大于0.5mm;厚涂型防火涂料涂层表面裂纹宽度不应大于1mm。
2.本表由施工单位填写,监理单位、施工单位各保存一份。
THANKS !!!
致力为企业和个人提供合同协议,策划案计划书,学习课件等等
打造全网一站式需求
欢迎您的下载,资料仅供参考。
河北宏星检测技术服务有限责任公司
防火涂层厚度检测原始记录HBHX/YSJL014-2016A-0
第页共页工程名称统一编号
委托单位委托日期
样品名称检测日期
设计涂层
厚度μm
环境温度
仪器设备TT270A涂层测厚仪()量程0-1250μm,精度0.1μm。
样品状态
构件名称检测位置
厚度测量值(μm)同一截面
厚度平均
值μm占设
计厚度百
分比
所有测
点厚度
平均值
μm t
1
t
2
t
3
t
平均
依据标准《钢结构现场检测技术标准》GB50621-2010 《钢结构防火涂料应用技术规程》CECS24-1990
标准要求同一截面各测点厚度平均值≥设计厚度的85%,且所有测点厚度平均值≥设计厚度。
检测结论
审核:检测:。
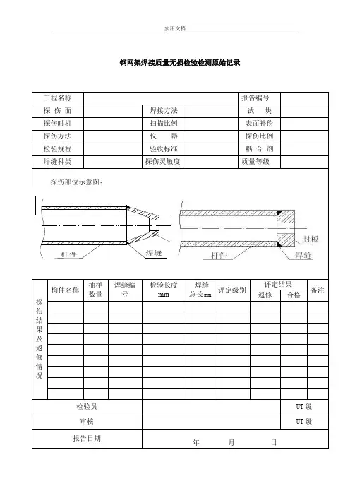
钢网架焊接质量无损检验检测原始记录
检验长度焊缝
评定级别评定结果
备注
锥头
涂层厚度检测原始记录
检验:审核:
年月日
高强度大六角螺栓检测原始记录
检验:审核:
年月日
扭剪型高强螺栓检测原始记录
检验:审核:
年月日
紧固件机械性能检测原始记录
检验:审核:
年月日
粗牙螺纹螺母检测原始记录
检验:审核:
年月日
六角头螺栓检测原始记录
检验:审核:
年月日
钢网架螺栓球节点高强螺栓检测原始记录
检验:审核:
年月日
钢网架螺栓球节点检测原始记录
检验:审核:
年月日
钢网架焊接空心球节点检测原始记录
检验:审核:
年月日
钢筋焊接件检测原始记录
检验:审核:
年月日
焊接接头及焊接试样检测原始记录
检验:审核:
年月日
构件摩擦面检测原始记录
检验:审核:
年月日
焊接球及螺栓球加工质量检测原始记录
检验:审核:
年月日
钢网架杆件尺寸检测原始记录
检验:审核:
年月日
钢网架支承面检测原始记录
检验:审核:
年月日
总拼及安装质量检测原始记录
检验:审核:
年月日
钢柱垂直度检测原始记录
检验:审核:
年月日
节点承载力检测原始记录
检验:审核:
年月日
网架工程挠度检测原始记录表
检测:审核:
钢网架整体偏差检测原始记录
检验:审核:
年月日
垂直度和侧向弯曲检测原始记录
检验:审核:
年月日
主体结构尺寸检测原始记录
检验:审核:
年月日。
钢网架焊接质量无损检验检测原始记录工程名称报告编号探伤面焊接方法试块探伤时机扫描比例表面补偿探伤方法仪器探伤比例检验规程验收标准耦合剂焊缝种类探伤灵敏度质量等级探伤部位示意图:探伤结果及返修情况构件名称抽样数量焊缝编号检验长度mm焊缝总长mm评定级别评定结果备注返修合格检验员UT级审核UT级报告日期年月日杆件焊缝锥头涂层厚度检测原始记录检验:审核:年月日高强度大六角螺栓检测原始记录检验:审核:年月日扭剪型高强螺栓检测原始记录检验:审核:年月日紧固件机械性能检测原始记录检验:审核:年月日粗牙螺纹螺母检测原始记录检验:审核:年月日六角头螺栓检测原始记录检验:审核:年月日钢网架螺栓球节点高强螺栓检测原始记录检验:审核:年月日钢网架螺栓球节点检测原始记录检验:审核:年月日钢网架焊接空心球节点检测原始记录检验:审核:年月日钢筋焊接件检测原始记录检验:审核:年月日焊接接头及焊接试样检测原始记录检验:审核:年月日构件摩擦面检测原始记录检验:审核:年月日焊接球及螺栓球加工质量检测原始记录检验:审核:年月日钢网架杆件尺寸检测原始记录检验:审核:年月日钢网架支承面检测原始记录检验:审核:年月日总拼及安装质量检测原始记录检验:审核:年月日钢柱垂直度检测原始记录检验:审核:年月日节点承载力检测原始记录检验:审核:年月日网架工程挠度检测原始记录表检测:审核:钢网架整体偏差检测原始记录检验:审核:年月日垂直度和侧向弯曲检测原始记录检验:审核:年月日主体结构尺寸检测原始记录检验:审核:年月日。
钢结构防火涂料涂层质量检查记录日期:xxxx年xx月xx日地点:xxxx项目一、前期准备工作1.将施工地点进行清理,确保无杂物及灰尘。
二、施工环境检查1.检查施工场地的温度和湿度,确保符合涂料施工要求。
2.检查场地通风情况,确保施工过程中有良好的通风。
三、涂料质量检查1.检查涂料容器是否密封完好,无任何破损或渗漏现象。
2.应根据涂料的类型、规格、颜色等与设计文件要求一致。
3.检查涂料的生产日期和保质期,确保在有效期内。
4.根据涂料的技术参数,检查涂料的PH值、固含率、密度等,确保符合要求。
四、涂装准备检查1.检查钢结构表面是否平整、干燥、清洁,并去除锈蚀、油污等异物。
2.检查涂装前是否进行了防腐处理,如除锈、除油等。
五、施工过程质量检查1.涂料搅拌:检查涂料在使用前是否进行了充分的搅拌,确保均匀混合。
2.涂料施工:检查施工人员的操作技术,确保涂料均匀、厚度一致,无滴漏、起泡、积聚等现象。
3.涂料干燥:根据涂料的干燥时间要求,检查涂料经过了充分的干燥时间。
六、涂装成品质量检查1.涂料厚度:使用涂料测厚仪检测涂层厚度,确保符合设计要求。
2.涂装表面质量:用肉眼检查涂层表面是否平整、光滑,无明显色差、气泡、麻点、破裂等缺陷。
七、检测记录1.记录涂料的品名、生产批号、规格、施工日期等基本信息。
2.记录施工人员的姓名、资质等相关信息。
3.填写涂料质量和施工过程的检查结果,将不符合的情况进行记录,包括问题描述、问题原因、整改措施等。
4.根据检测结果,对涂料质量和施工过程进行评估,得出合格或不合格的结论。
八、不合格处理1.对于发现的不合格情况,及时采取整改措施,并记录整改过程。
2.对整改后的涂料质量和施工过程进行重新检测,确保合格。
以上是钢结构防火涂料涂层质量检查记录的一般内容,具体可根据现场情况和要求进行调整。
通过严格的质量检查,确保防火涂料施工质量符合要求,提高钢结构的防火性能和安全性。
钢网架焊接质量无损检验检测原始记录工程名称报告编号探伤面焊接方法试块探伤时机扫描比例表面补偿探伤方法仪器探伤比例检验规程验收标准耦合剂焊缝种类探伤灵敏度质量等级探伤部位示意图:探伤结果和返修情况构件名称抽样数量焊缝编号检验长度mm焊缝总长mm评定级别评定结果备注返修合格检验员UT级审核UT级报告日期年月日杆件焊缝锥头涂层厚度检测原始记录检验:审核:年月日高强度大六角螺栓检测原始记录检验:审核:年月日扭剪型高强螺栓检测原始记录检验:审核:年月日紧固件机械性能检测原始记录检验:审核:年月日粗牙螺纹螺母检测原始记录检验:审核:年月日六角头螺栓检测原始记录检验:审核:年月日钢网架螺栓球节点高强螺栓检测原始记录检验:审核:年月日钢网架螺栓球节点检测原始记录检验:审核:年月日钢网架焊接空心球节点检测原始记录检验:审核:年月日钢筋焊接件检测原始记录检验:审核:年月日焊接接头和焊接试样检测原始记录检验:审核:年月日构件摩擦面检测原始记录检验:审核:年月日焊接球和螺栓球加工质量检测原始记录检验:审核:年月日钢网架杆件尺寸检测原始记录检验:审核:年月日钢网架支承面检测原始记录检验:审核:年月日总拼和安装质量检测原始记录检验:审核:年月日钢柱垂直度检测原始记录检验:审核:年月日节点承载力检测原始记录检验:审核:年月日网架工程挠度检测原始记录表检测:审核:钢网架整体偏差检测原始记录检验:审核:年月日垂直度和侧向弯曲检测原始记录检验:审核:年月日主体结构尺寸检测原始记录检验:审核:年月日。
钢网架焊接质量无损检验检测原始记录
工程名称报告编号探伤面焊接方法试块探伤时机扫描比例表面补偿探伤方法仪器探伤比例检验规程验收标准耦合剂焊缝种类探伤灵敏度质量等级探伤部位示意图:
探伤结果及返修情况构件名称抽样
数量焊缝编号
检验长度
mm
焊缝
总长
mm
评定级别
评定结果
备注
返修合格
检验员UT级
审核UT级
焊缝
杆件
涂层厚度检测原始记录
检验:审核:
高强度大六角螺栓检测原始记录
检验:审核:
扭剪型高强螺栓检测原始记录
检验:审核:
紧固件机械性能检测原始记录
检验:审核:
粗牙螺纹螺母检测原始记录
检验:审核:
六角头螺栓检测原始记录
检验:审核:
钢网架螺栓球节点高强螺栓检测原始记录
检验:审核:
钢网架螺栓球节点检测原始记录
检验:审核:
钢网架焊接空心球节点检测原始记录
钢网架焊接空心球节点检测原始记录检验:审核:
钢筋焊接件检测原始记录
检验:审核:
焊接接头及焊接试样检测原始记录
焊接接头及焊接试样检测原始记录检验:审核:
构件摩擦面检测原始记录
检验:审核:
焊接球及螺栓球加工质量检测原始记录
检验:审核:
钢网架杆件尺寸检测原始记录
检验:审核:
钢网架支承面检测原始记录
检验:审核:
总拼及安装质量检测原始记录
检验:审核:
检验:审核:
检验:审核:
检测:审核:
钢网架整体偏差检测原始记录
检验:审核:
检验:审核:
检验:审核:。
钢网架焊接质量无损检验检测原始记录工程名称报告编号探伤面焊接方法试块探伤时机扫描比例表面补偿探伤方法仪器探伤比例检验规程验收标准耦合剂焊缝种类探伤灵敏度质量等级探伤部位示意图:探伤结果及返修情况构件名称抽样数量焊缝编号检验长度mm焊缝总长mm评定级别评定结果备注返修合格检验员UT级审核UT级报告日期年月日杆件焊缝锥头涂层厚度检测原始记录检验:审核:年月日高强度大六角螺栓检测原始记录检验:审核:年月日扭剪型高强螺栓检测原始记录检验:审核:年月日紧固件机械性能检测原始记录检验:审核:年月日粗牙螺纹螺母检测原始记录检验:审核:年月日六角头螺栓检测原始记录检验:审核:年月日钢网架螺栓球节点高强螺栓检测原始记录检验:审核:年月日钢网架螺栓球节点检测原始记录检验:审核:年月日钢网架焊接空心球节点检测原始记录检验:审核:年月日钢筋焊接件检测原始记录检验:审核:年月日焊接接头及焊接试样检测原始记录检验:审核:年月日构件摩擦面检测原始记录检验:审核:年月日焊接球及螺栓球加工质量检测原始记录检验:审核:年月日钢网架杆件尺寸检测原始记录检验:审核:年月日钢网架支承面检测原始记录检验:审核:年月日总拼及安装质量检测原始记录检验:审核:年月日钢柱垂直度检测原始记录检验:审核:年月日节点承载力检测原始记录检验:审核:年月日网架工程挠度检测原始记录表检测:审核:钢网架整体偏差检测原始记录检验:审核:年月日垂直度和侧向弯曲检测原始记录检验:审核:年月日主体结构尺寸检测原始记录检验:审核:年月日。