外墙文化石验收表
- 格式:doc
- 大小:38.50 KB
- 文档页数:1
12345600000
施工执行标准名称及编号
安装允许
偏差 mm 石材幕墙工程检验批质量验收记录表
(一般项目)
GB50210-2001
(二)
单位(子单位)工程名称
分部(子分部)工程名称
施工单位
分包单位
施工质量验收规范的规定
一 般
项
目
施工单位检查评定结果
7细部质量密封胶缝滴水线石材表面质量幕墙垂直度幕墙水平度幕墙表面平整度板材立面垂直度表面质量压条施工单位检查评定记录0接缝高低差接缝宽度幕墙高度≤30m 30m<幕墙高度≤60m 60m<幕墙高度≤90m 幕墙高度>90m 板材上沿水平度相邻板材板角错位阳角方正专业工长(施工员)
10
15202532
1项目专业质量检查员:接缝直接度第9.4.14条第9.4.15条第9.4.16条第9.4.17条第9.4.18条第9.4.19条
3分包项目经理
验收部位项目经理施工班组
监理(建设)单位验收结论
专业监理工程师
(建设单位项目专业技术负责人):
030703
部位
经理
理
监理(建设)单位验
收记录
工班组长
年 月 日
年 月 日。
墙面地面大理石验收表1. 项目信息
- 项目名称:[项目名称]
- 项目地点:[项目地点]
- 施工单位:[施工单位]
- 监理单位:[监理单位]
- 验收日期:[验收日期]
2. 大理石安装情况
2.1 墙面大理石
- 验收位置:[验收位置]
- 大理石规格:[大理石规格]
- 安装面积:[安装面积]
- 安装工艺:[安装工艺]
2.2 地面大理石
- 验收位置:[验收位置]
- 大理石规格:[大理石规格]
- 安装面积:[安装面积]
- 安装工艺:[安装工艺]
3. 验收内容
3.1 外观质量
- 大理石表面应干净、无污渍、无划痕,颜色均匀一致。
- 大理石接缝应平整、齐平、无空鼓、无杂质。
- 大理石边角应整齐,无碎裂、无磕碰。
3.2 安装质量
- 大理石安装应牢固可靠,无松动现象。
- 大理石边缘应与墙面或地面结合紧密,无脱落现象。
- 大理石接缝应匀称、精细、无裂缝。
4. 验收标准
- 外观质量合格标准:大理石表面干净、无污渍、无划痕,颜
色均匀一致;大理石接缝整齐、无空鼓、无杂质;大理石边角整齐、无碎裂、无磕碰。
- 安装质量合格标准:大理石安装牢固可靠、无松动现象;大
理石边缘与墙面或地面结合紧密、无脱落现象;大理石接缝匀称、
精细、无裂缝。
5. 备注
[添加任何其他相关的备注或建议]
***
以上是墙面地面大理石验收表的内容,供参考之用。
石材幕墙工程检验批质量验收记录表(主控项目)GB50210-2001(Ⅰ)A—105单位(子单位)工程名称分部(子分部)工程名称验收部位施工单位项目经理分包单位分包项目经理施工执行标准名称及编号施工质量验收规范的规定施工单位检查评定记录监理(建设)单位验收记录主控项目1材料质量第9.4.2条2造型、分格、颜色、光泽、花纹、图案第9.4.3条3石材孔、槽第9.4.4条4预埋件和后置埋件第9.4.5条5各种构件连接第9.4.6条6框架和连接件防腐第9.4.7条7防雷装置第9.4.8条8防火、保温、防潮材料第9.4.9条9结构变形缝、墙角连接点第9.4.10条10表面和板缝处理第9.4.11条11板缝注胶第9.4.12条12防水第9.4.13条施工单位检查评定结果专业工长(施工员)施工班组长项目专业质量检查员:年月日监理(建设)单位验收结论专业监理工程师:(建设单位项目专业技术负责人):年月日石材幕墙工程检验批质量验收记录表(一般项目)GB50210-2001(Ⅱ)单位(子单位)工程名称分部(子分部)工程名称验收部位施工单位项目经理分包单位分包项目经理施工执行标准名称及编号施工质量验收规范的规定施工单位检查评定记录监理(建设)单位验收记录一般项目1表面质量第9.4.14条2压条第9.4.15条3细部质量第9.4.16条4密封胶缝第9.4.17条5滴水线第9.4.18条6石材表面质量第9.4.19条7安装允许偏差(mm)幕墙垂直度幕墙高度≤30m1030m<幕墙高度≤60m1560m<幕墙高度≤90m20幕墙高度>90m25幕墙水平度3幕墙表面平整度光2麻3板材立面垂直度3板材上沿水平度2相邻板材板角错位1阳角方正光2麻4接缝直线度光3麻4接缝高低差光1麻—接缝宽度光1麻2施工单位检查评定结果专业工长(施工员)施工班组长项目专业质量检查员:年月日监理(建设)单位验收结论专业监理工程师:(建设单位项目专业技术负责人):年月日。
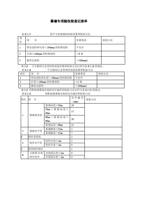
幕墙专项验收检查记录单
表9.2.17 每平方米玻璃的表面质量和检验方法
9.2.18 一个分格铝合金型材的表面质量和检验方法应符合表9.2.18的规定。
一个分格铝合金型材的表面质量和检验方法
表9.2.18
9.2.24 隐框、半隐框玻璃幕墙安装的允许偏差和检验方法应符合表9.2.24的规定。
表9.2.24 隐框、半隐框玻璃幕墙安装的允许偏差和检验方法
9.3.17 每平方米金属板的表面质量和检验方法应符合表9.3.17的规定。
表9.3.17 每平方米金属板的表面质量和检验方法
9.3.18 金属幕墙安装的允许偏差和检验方法应符合表9.3.18的规定。
表9.3.18 金属幕墙安装的允许偏差和检验方法
9.4.19 每平方米石材的表面质量和检验方法应符合表9.4.19的规定。
表9.4.19 每平方米石材的表面质量和检验方法
9.4.20 石材幕墙安装的允许偏差和检验方法应符合表9.4.20的规定。
表9.4.20 石材幕墙安装的允许偏差和检验方法。
石材幕墙工程查验批质量查收记录表(n )一般项目
MQ-027.2 单位(子单位)工程名称
分部(子分部)工程名称查收部位施工单位项目经理分包单位分包项目经理施工履行标准名称及编号
施工质量查收规范的规定1表面质量
2压条
3细部质量
4密封胶缝
5滴水线
6石材表面质量
幕墙高度<30m
幕墙 30m <幕墙高度< 60m
高度 60m <幕墙高度< 90m 般项
安幕墙高度>90m
目
幕墙水平度
装
允幕墙表面平坦度
7 许板材立面垂直度
偏
板材上沿水平度
差
相邻板材角错位
( mm
阳角方正
接缝直线度
接缝高低差接缝宽度施工单位检查评定记录第
9
4
1
4
条
第
9
.
4
.
1
5
条
第
9.4.16 条第9417 条第9.4.18 条第
监理(建设)单位查收记录
9.4.19 条
10
15
20
25
3
光 2 麻 4
3
2
1
光 2 麻 4
光 3 麻 4
光1麻-
光1麻2
专业工长(施工员)施工班组长
施工单位检查评定结果
项目专业质量检查员:年月日
监理(建设)单位查收结论
专业监理工程师:
(建设单位项目专业技术负责人):年月日。