预制桩、管桩施工记录簿(锤击)验收记录簿
- 格式:doc
- 大小:2.05 MB
- 文档页数:21
预制桩管桩施工记录(锤击)验收记录昆山市建设工程质量监督站监制ZJ2.5注:桩下沉每米锤击数指桩穿过淤泥后记录锤击数。
监理工程师(建设单位项目负责人):质检员:昆山市建设工程质量监督站监制某某工程塔吊---1设计桩长:13m接头处理:焊接锤重量:6.3T落距:2.5m序号施工日期桩位编号PHC-400(95)AB-C80桩底标高桩顶标高最后3阵最后30cm锤击数备注每节桩下沉总锤击数(每阵十击)第节第二节第三节贯入度桩长(m)锤击数桩长(m)锤击数桩长(m)锤击数32112314.18113m45-19.60-6.902435313442213m46-19.60-6.902435313443313m43-19.60-6.902435313444413m44-19.60-6.90233330334昆山市建设工程质量监督站监制ZJ2.5注:桩下沉每米锤击数指桩穿过淤泥后记录锤击数。
监理工程师(建设单位项目负责人):质检员:昆山市建设工程质量监督站监制昆山市建设工程质量监督站监制ZJ2.5注:桩下沉每米锤击数指桩穿过淤泥后记录锤击数。
监理工程师(建设单位项目负责人):质检员:昆山市建设工程质量监督站监制某某工程塔吊--2设计桩长:25m接头处理:焊接锤重量:6.3T落距:2.5m序号施工日期桩位编号PHC-400(95)AB-C80桩底标高桩顶标高最后3阵最后30cm锤击数备注每节桩下沉总锤击数(每阵十击)第节第二节第三节贯入度桩长(m)锤击数桩长(m)锤击数桩长(m)锤击数32112314.2018m228m2210m45-32.90-6.90243531344228m228m1910m46-32.90-6.90243531344338m228m2310m43-32.90-6.90243531344448m198m2510m44-32.90-6.90233330334昆山市建设工程质量监督站监制ZJ2.5注:桩下沉每米锤击数指桩穿过淤泥后记录锤击数。
昆山市建设工程质量监督站监制ZJ2.5 预制桩、管桩施工记录(锤击)验收记录
工程名称:XX工程塔吊---1
设计桩长:13m 接头处理:焊接锤重量:6.3T 落距:2.5m
注:桩下沉每米锤击数指桩穿过淤泥后记录锤击数。
监理工程师(建设单位项目负责人):质检员:
昆山市建设工程质量监督站监制ZJ2.5 预制桩、管桩施工记录(锤击)验收记录
工程名称:XX工程塔吊--2
昆山市建设工程质量监督站监制ZJ2.5 预制桩、管桩施工记录(锤击)验收记录
工程名称:XX工程塔吊--3
督站监制
桩位轴线标高
偏差测量表
偏差测量表
偏差测量表
.- 昆山市建设工程质量监督站监制
预制桩接桩隐蔽验收记录ZJ2.3
检查提要:
1、查接桩材料。
钢板、螺板、螺栓、焊条、硫磺胶泥的出厂合格证及试验报告;
2、查施工质量。
焊接、法兰接桩主要查焊缝质量,硫磺胶泥接桩主要查试块。
.- 昆山市建设工程质量监督站监制
预制桩接桩隐蔽验收记录ZJ2.3
检查提要:
昆山市建设工程质量监督站监制昆山市建设工程质量监督站监制
预制桩接桩隐蔽验收记录ZJ2.3
检查提要:
昆山市建设工程质量监督站监制
B.1.4
工程质量报验表
江苏省住房和城乡建设厅监制
B.1.4
工程质量报验表
江苏省住房和城乡建设厅监制
B.1.4
工程质量报验表
江苏省住房和城乡建设厅监制。
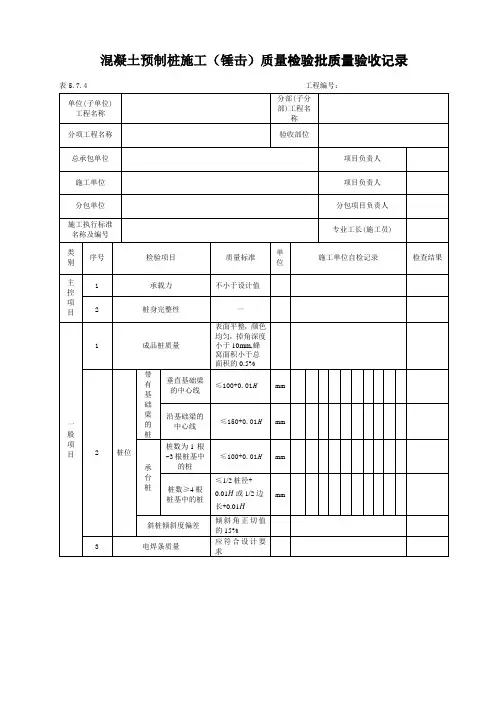
混凝土预制桩工程检验批质量验收记录表GB50202—2002(Ⅱ)说明(Ⅱ) 010403主控项目:1、桩体质量检验。
按基桩检测技术规范。
2、桩位偏差。
项目如下表,尺量检查,根据桩位放线检查。
3、承载力。
按基桩检测技术规范。
一般项目:1、砂、石、水泥、钢材原材料质量(现场预制时才检查)。
符合设计要求。
检查产品合格证及试验报告。
2、混凝土配合比强度(现场预制时才检查)。
通过试验的配合比单配制的计量记录。
按规定留置试块,28天强度符合设计要求。
检查配合比单、计量记录、试验报告。
3、成品桩外形。
表面平整、掉角深度<10mm、蜂窝面积小于总面积0.5%,颜色均匀。
观察检查。
4、成品桩裂缝(收缩或起吊、运输、堆放引起的裂缝)。
深度<20mm,宽度<0.25mm,横向裂缝不超过边长的一半。
用裂缝测定仪测量。
此项在地厂水侵蚀地区,锤击数超过500击的长桩不适用。
检查测定记录。
5、成品桩尺寸。
横断面边长±5mm;桩顶对角线差<10mm;桩尖中心线<10mm;桩身弯曲矢高<1/1000ι用尺量检查。
桩顶平整度<2mm,用水平尺检查。
6、电焊接桩。
检查焊缝质量。
按钢桩电焊接桩焊缝检查。
焊后停歇时间>1min。
秒表测定。
上下节平面偏差<10mm。
尺量检查。
节点弯曲矢高<1/1000ι。
尺量检查。
7、硫磺胶泥接桩。
胶泥浇注时间<2min,秒表测定。
浇注后停歇时间>7min,秒表测定。
8、桩顶标高。
±50mm。
水准仪测定。
9、停锤标准。
符合设计要求,现场实测或检查沉桩记录。
桩在现场预制时,检查原材料、钢筋骨架、混凝土强度;采用成品桩时,检查桩的外观及尺寸。
对长桩和总锤击数超过500击的桩,对其强度和龄期进行双控制。
施工中桩体垂直度、沉桩情况、桩顶完整状况、接桩质量等进行检查,对电焊接桩,重要工程应做10%的焊缝探伤检查。
施工结束后做承载力及桩体质量检验。
检查后形成施工记录或检验报告。
检查施工记录和检验报告。
昆山市建设工程质量监督站监制ZJ2.5 预制桩、管桩施工记录(锤击)验收记录
工程名称:XX工程塔吊---1
设计桩长:13m 接头处理:焊接锤重量:6.3T 落距:2.5m
注:桩下沉每米锤击数指桩穿过淤泥后记录锤击数。
监理工程师(建设单位项目负责人):质检员:
昆山市建设工程质量监督站监制ZJ2.5 预制桩、管桩施工记录(锤击)验收记录
工程名称:XX工程塔吊--2
昆山市建设工程质量监督站监制ZJ2.5 预制桩、管桩施工记录(锤击)验收记录
工程名称:XX工程塔吊--3
督站监制
桩位轴线标高
偏差测量表
偏差测量表
偏差测量表
.- 昆山市建设工程质量监督站监制
预制桩接桩隐蔽验收记录ZJ2.3
检查提要:
1、查接桩材料。
钢板、螺板、螺栓、焊条、硫磺胶泥的出厂合格证及试验报告;
2、查施工质量。
焊接、法兰接桩主要查焊缝质量,硫磺胶泥接桩主要查试块。
.- 昆山市建设工程质量监督站监制
预制桩接桩隐蔽验收记录ZJ2.3
检查提要:
昆山市建设工程质量监督站监制昆山市建设工程质量监督站监制
预制桩接桩隐蔽验收记录ZJ2.3
检查提要:
昆山市建设工程质量监督站监制
B.1.4
工程质量报验表
江苏省住房和城乡建设厅监制
B.1.4
工程质量报验表
江苏省住房和城乡建设厅监制
B.1.4
工程质量报验表
江苏省住房和城乡建设厅监制。
昆山市建设工程质量监督站监制ZJ2.5 预制桩、管桩施工记录(锤击)验收记录工程名称:XX工程塔吊---1设计桩长:13m 接头处理:焊接锤重量:6.3T 落距:2.5m序号施工日期桩位编号PHC-400(95)AB-C80桩底标高桩顶标高最后3阵(每阵十击)贯入度最后30cm锤击数备注每节桩下沉总锤击数第一节第二节第三节桩长(m)锤击数桩长(m)锤击数桩长(m)锤击数3 2 1 1 2 31 4.18 1 13m 45 -19.60 -6.90 24 35 31 3 4 42 2 13m 46 -19.60 -6.90 24 35 3134 43 3 13m 43 -19.60 -6.90 24 35 31 3 4 44 4 13m 44 -19.60 -6.90 23 33 30 3 3 4注:桩下沉每米锤击数指桩穿过淤泥后记录锤击数。
监理工程师(建设单位项目负责人):质检员:昆山市建设工程质量监督站监制昆山市建设工程质量监督站监制ZJ2.5 预制桩、管桩施工记录(锤击)验收记录工程名称:XX工程塔吊--2设计桩长:25m 接头处理:焊接锤重量:6.3T 落距:2.5m序号施工日期桩位编号PHC-400(95)AB-C80桩底标高桩顶标高最后3阵(每阵十击)贯入度最后30cm锤击数备注每节桩下沉总锤击数第一节第二节第三节桩长(m)锤击数桩长(m)锤击数桩长(m)锤击数3 2 1 1 2 31 4.20 1 8m 22 8m 22 10m 45 -32.90 -6.90 24 35 3134 42 2 8m 22 8m 19 10m 46 -32.90 -6.90 24 35 3134 43 3 8m 22 8m 23 10m 43 -32.90 -6.90 24 35 31 3 4 44 4 8m 19 8m 25 10m 44 -32.90 -6.90 23 33 30 3 3 4注:桩下沉每米锤击数指桩穿过淤泥后记录锤击数。
监理工程师(建设单位项目负责人):质检员:昆山市建设工程质量监督站监制昆山市建设工程质量监督站监制ZJ2.5 预制桩、管桩施工记录(锤击)验收记录工程名称:XX工程塔吊--3设计桩长:20m 接头处理:焊接锤重量:6.3T 落距:2.5m序号施工日期桩位编号PHC-400(95)AB-C80桩底标高桩顶标高最后3阵(每阵十击)贯入度最后30cm锤击数备注每节桩下沉总锤击数第一节第二节第三节桩长(m)锤击数桩长(m)锤击数桩长(m)锤击数3 2 1 1 2 31 4.21 1 10m 22 10m 38 -26.90 -6.90 24 35 3134 42 2 10m 22 10m 39 -26.90 -6.90 24 35 3134 43 3 10m 22 10m 45 -26.90 -6.90 24 35 31 3 4 44 4 10m 19 10m 40 -26.90 -6.90 23 33 30 3 3 4注:桩下沉每米锤击数指桩穿过淤泥后记录锤击数。
监理工程师(建设单位项目负责人):质检员:昆山市建设工程质量监督站监制桩位轴线标高偏差测量表东西南北CM 东西南北CM1 4 -5 +22 -2 2 -23 3 -3 +14 4 1 +1注:(1)偏东,偏南为“+”,偏西,偏北为“—”(2)圆弧桩位径向向外,切向顺时针为“+”,径向向外,切向逆时针为“—”。
(3)高于设计标高为“+”,低于设计标高为“—”。
质检员:监理:桩位轴线 标高偏差测量表东西 南北 CM 东西 南北 CM 1 -4 -1 0 2 +2 2 -2 3 3 -3 +1 4 -4 1 +2注:(1) 偏东,偏南为“+”,偏西,偏北为“—”(2) 圆弧桩位径向向外,切向顺时针为“+”,径向向外,切向逆时针为“—”。
(3)高于设计标高为“+”,低于设计标高为“—”。
质检员:监理:桩位轴线 标高偏差测量表工程名称:XX 工程塔吊--3 桩号 偏位(CM ) 桩顶标高 桩号 偏位(CM ) 桩顶标高 东西 南北 CM 东西 南北 CM 1 -4 +3 +2 2 +1 2 -2 3 3 +2 +1 4 4 1 +1注:(1) 偏东,偏南为“+”,偏西,偏北为“—”(2) 圆弧桩位径向向外,切向顺时针为“+”,径向向外,切向逆时针为“—”。
(3)高于设计标高为“+”,低于设计标高为“—”。
质检员:监理:昆山市建设工程质量监督站监制预制桩接桩隐蔽验收记录ZJ2.3工程名称:XX工程塔吊--1项目经理瞿金伍专业工长谭书明施工标准名称及代号 GB50202--2002施工图名称及编号结施-02隐蔽工程部位质量要求施工单位自检记录监理(建设)单位验收记录桩号为:塔吊1#桩塔吊2#桩塔吊3#桩塔吊4#桩1、上下节平面偏差2、节点弯曲矢高3、焊接质量按规范要求4、焊条合格证齐全5、桩型:PHC-400(95)AB-C80符合规范要求自检结论合格施工单位项目技术负责人:专职质量员:验收结论监理工程师(建设单位项目负责人):年月日检查提要:1、查接桩材料。
钢板、螺板、螺栓、焊条、硫磺胶泥的出厂合格证及试验报告;2、查施工质量。
焊接、法兰接桩主要查焊缝质量,硫磺胶泥接桩主要查试块。
昆山市建设工程质量监督站监制昆山市建设工程质量监督站监制预制桩接桩隐蔽验收记录ZJ2.3工程名称:XX工程塔吊--2项目经理瞿金伍专业工长谭书明施工标准名称及代号 GB50202--2002施工图名称及编号结施-02隐蔽工程部位质量要求施工单位自检记录监理(建设)单位验收记录桩号为:塔吊1#桩塔吊2#桩塔吊3#桩塔吊4#桩1、上下节平面偏差2、节点弯曲矢高3、焊接质量按规范要求4、焊条合格证齐全5、桩型:PHC-400(95)AB-C80符合规范要求自检结论合格施工单位项目技术负责人:验收结论监理工程师(建设单位项目负责人):专职质量员:年月日检查提要:1、查接桩材料。
钢板、螺板、螺栓、焊条、硫磺胶泥的出厂合格证及试验报告;2、查施工质量。
焊接、法兰接桩主要查焊缝质量,硫磺胶泥接桩主要查试块。
昆山市建设工程质量监督站监制昆山市建设工程质量监督站监制预制桩接桩隐蔽验收记录ZJ2.3工程名称:XX工程塔吊--3项目经理瞿金伍专业工长谭书明施工标准名称及代号 GB50202--2002施工图名称及编号结施-02隐蔽工程部位质量要求施工单位自检记录监理(建设)单位验收记录桩号为:塔吊1#桩塔吊2#桩塔吊3#桩塔吊4#桩1、上下节平面偏差2、节点弯曲矢高3、焊接质量按规范要求4、焊条合格证齐全5、桩型:PHC-400(95)AB-C80符合规范要求自检合格验收结论施工单位项目技术负责人:专职质量员:结论监理工程师(建设单位项目负责人):年月日检查提要:1、查接桩材料。
钢板、螺板、螺栓、焊条、硫磺胶泥的出厂合格证及试验报告;2、查施工质量。
焊接、法兰接桩主要查焊缝质量,硫磺胶泥接桩主要查试块。
昆山市建设工程质量监督站监制B.1.4工程质量报验表工程名称:XX工程塔吊--1 编号:B.1.4 -致:昆山市建设咨询监理有限公司(项目监理机构)□我方已完成XX工程塔吊--1 施工记录工作,经自检合格,请予以验收。
附件:□隐蔽工程质量检验资料□检验批质量检验资料□分项工程质量检验资料□测量放线资料□灌注桩水下混凝土施工记录施工项目经理部(章):项目经理或项目技术负责人(签字):年月日项目监理机构签收人姓名及时间施工项目经理部签收人姓名及时间监理验收及平行检验情况:1、收到施工单位自检资料和验收记录表共页,该项报验内容系第次报验。
检查人(签字):年月日监理验收意见:□验收合格,可进行后续施工。
□验收不合格,不得进入下道工序施工,应于月日前整改完毕自检合格后重新报验。
项目监理机构(章):专业监理工程师(签字):年月日注:本报验表分为隐蔽工程质量报验(B。
1.41)、检验批质量报验(B。
1.42)、分项工程质量报验(B。
1.43)、测量放线报验(B。
1.44)及其他报验(B。
1.4 )。
江苏省住房和城乡建设厅监制B.1.4工程质量报验表工程名称:XX工程塔吊--2 编号:B.1.4 -致:昆山市建设咨询监理有限公司(项目监理机构)□我方已完成XX工程塔吊--1 施工记录工作,经自检合格,请予以验收。
附件:□隐蔽工程质量检验资料□检验批质量检验资料□分项工程质量检验资料□测量放线资料□灌注桩水下混凝土施工记录施工项目经理部(章):项目经理或项目技术负责人(签字):年月日项目监理机构签收人姓名及时间施工项目经理部签收人姓名及时间1、收到施工单位自检资料和验收记录表共页,该项报验内容系第次报验。
检查人(签字):年月日监理验收意见:□验收合格,可进行后续施工。
□验收不合格,不得进入下道工序施工,应于月日前整改完毕自检合格后重新报验。
项目监理机构(章):专业监理工程师(签字):年月日注:本报验表分为隐蔽工程质量报验(B。
1.41)、检验批质量报验(B。
1.42)、分项工程质量报验(B。
1.43)、测量放线报验(B。
1.44)及其他报验(B。
1.4 )。
江苏省住房和城乡建设厅监制B.1.4工程质量报验表工程名称:XX工程塔吊--3 编号:B.1.4 -致:昆山市建设咨询监理有限公司(项目监理机构)□我方已完成XX工程塔吊--1 施工记录工作,经自检合格,请予以验收。
附件:□隐蔽工程质量检验资料□检验批质量检验资料□分项工程质量检验资料□测量放线资料□灌注桩水下混凝土施工记录施工项目经理部(章):项目经理或项目技术负责人(签字):年月日项目监理机构签施工项目经理部签1、收到施工单位自检资料和验收记录表共页,该项报验内容系第次报验。
检查人(签字):年月日监理验收意见:□验收合格,可进行后续施工。
□验收不合格,不得进入下道工序施工,应于月日前整改完毕自检合格后重新报验。
项目监理机构(章):专业监理工程师(签字):年月日注:本报验表分为隐蔽工程质量报验(B。
1.41)、检验批质量报验(B。
1.42)、分项工程质量报验(B。
1.43)、测量放线报验(B。
1.44)及其他报验(B。
1.4 )。
江苏省住房和城乡建设厅监制实用文档标准。