液压油缸型号大全
- 格式:docx
- 大小:14.33 KB
- 文档页数:2
液压油缸标准尺⼨表⼀、液压油缸定义液压油缸是将液压能转变为机械能的、做直线往复运动(或摆动运动)的液压执⾏元件。
它结构简单、⼯作可靠。
⽤它来实现往复运动时,可免去减速装置,并且没有传动间隙,运动平稳,因此在各种机械的液压系统中得到⼴泛应⽤。
液压缸输出⼒和活塞有效⾯积及其两边的压差成正⽐;液压缸基本上由缸筒和缸盖、活塞和活塞杆、密封装置、缓冲装置与排⽓装置组成。
缓冲装置与排⽓装置视具体应⽤场合⽽定,其他装置则必不可少。
⼆、液压油缸型号尺⼨有:1、常⽤的标准有Φ140/100-800其含义是缸(直)径(内径)为140,杆径为100,⾏程为800。
⼀般注明缸径,杆径,⾏程,连接⽅式,安装距离,⼯称压⼒,⽣产时间,出⼚编号等。
2、180/150/125/100427019MPa50-75吨;缸筒材料采⽤45#或强度相当的材料,安全余量⼤;密封圈采⽤⽇本华尔卡产品;零部件采⽤数控机床加⼯,精度易于得到有效保证,⽣产质量⼀致性好。
3、三级、四级液压缸;额定⼯作压⼒19MPa;⾏程3880~6200mm;最⼤伸出套筒直径为195mm;油缸推⼒20-56吨,适⽤车载40-85吨。
采⽤⾼端的三维设计及仿真软件进⾏油缸的设计,校核油缸关键部位的强度,进⾏液压系统及流场的仿真。
三、液压油缸型主要尺⼨的确定(1)缸筒直径的确定根据公式:F=P×A,由活塞所需要的推⼒F和⼯作压⼒P可求得活塞的有效⾯积A,进⼀步根据油缸的不同结构形式,计算缸筒的直径D。
(2)活塞杆尺⼨的选取活塞杆的直径d,按⼯作时的受⼒情况来确定。
根据表4-2来确定。
(3)油缸长度的确定油缸筒长度=活塞⾏程+活塞长度+活塞导向长度+活塞杆密封及导向长度+其它长度。
活塞长度=(0.6—1)D;活塞杆导向长度=(0.6—1.5)d。
其它长度指⼀些特殊的需要长度,如:两端的缓冲装置长度等。
某些单活塞杆油缸油时提出最⼩导向程度的要求,如:H≥L/20+D/2。
条件一给定设备或设备的液压系统控制回路提供的油压P,流量Q和液压缸的工作条件,液压缸对负载输出力的作用方式(推,拉,推和拉))和相应的力(推力F1,拉力F2,推力F1和拉力F2)是必需的(应考虑可能的负载附加阻力)。
根据负载输出力的三种不同作用方式,缸径/杆径的主要选择方法如下:(1)输出力的作用方式为推力F1的工作状态:初始气缸直径D:根据条件给出的系统油压P(注意系统流路的压力损失)满足推力F1的要求。
对气缸直径D进行理论计算,参加标准气缸直径系列的四舍五入,然后初步确定气缸直径D;活塞杆直径D的初始确定:在输出力的作用方式为推力F1的条件下,选择原理要求活塞杆直径在1.46〜2之间(速比:活塞杆有效容积的比)。
液压缸至活塞杆腔的有效面积),以及诸如液压缸的回油压力,活塞杆的压缩稳定性以及液压缸系列的相应速比标准之类的具体因素应为用于杆的选择直径D。
(2)输出力的作用方式为张力F2假设气缸直径D,由条件给出的系统油压P(注意系统沿途的压力损失)满足张力F2的要求,则从理论上计算杆直径D。
在选择标准杆直径系列之后,首先确定杆直径D,然后在相关强度验证之后确定初始确定的杆直径D。
(3)输出力的作用方式为推力F1和张力F2按照上述两种方法(1)和(2)比较计算缸径D和杆径d,并根据液压缸缸径和杆径的标准系列进行选择。
条件二设备或设备所需的液压缸的作用模式(推,拉,推和拉)以及相应的力(推力F1,拉力F2,推力F1和拉力F2)是已知的(可能的负载附加阻力应该被考虑到)。
但是,由设备或设备的液压系统的控制电路提供的液压缸的油压P和流量Q等参数未知(1)液压系统的额定压力P是根据行业规格或设备或装置的特性确定的;特殊设备或装置的液压系统的额定压力取决于特定的工作条件,通常建议在中低压或中高压之间进行选择。
(2)根据设备或装置的工作特性,确定液压缸的工作速度要求。
(3)根据“条件1”中气缸直径/杆直径的主要选择方法进行选择。
油缸型号大全在工业领域中,油缸是一种常见的液压传动元件,广泛应用于各类机械设备中。
油缸的种类繁多,不同的型号适用于不同的工作场景和工作要求。
本文将介绍一些常见的油缸型号及其特点。
1. 单作用油缸单作用油缸是最简单的一种油缸类型,只能在一个方向上提供推力或者拉力。
它通常由一个气缸和一个活塞组成,通过液压压力推动活塞在一个方向上移动。
单作用油缸广泛应用于需要提供单向力的场合,例如托盘升降机制等。
2. 双作用油缸双作用油缸是另一种常见的油缸类型,它可以在两个方向上提供推力或者拉力。
双作用油缸通常由两个气缸和一个活塞组成,通过液压压力分别在两个方向上推动活塞。
双作用油缸广泛应用于需要双向力的场合,例如工程机械的升降机制等。
3. 大型油缸大型油缸通常指直径较大、行程较长的油缸,用于需要大量推力或者拉力的工作场合。
大型油缸通常由特殊材料制成,能够承受更大的压力和负载,适用于一些重载设备或者特殊工程中。
4. 小型油缸小型油缸通常指直径较小、行程较短的油缸,用于一些空间受限或者需要精密控制的工作场合。
小型油缸在体积和结构上都有较高要求,能够提供更精细的力量输出,适用于一些微小机械设备中。
5. 超高速油缸超高速油缸是一种专门用于快速移动的油缸,在一些需要快速响应和移动的场合特别有用。
超高速油缸通常采用特殊设计和材料制成,能够提供更快的工作速度和响应时间,适用于一些对速度要求较高的机械设备。
结语以上介绍了一些常见的油缸型号及其特点,不同型号的油缸适用于不同的工作场景和工作要求。
在选择油缸时,需要根据具体应用需求和工作环境来选择合适的型号,以确保机械设备的正常运行和高效工作。
希望本文对您有所帮助!。
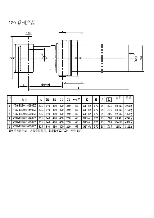
180系列产品160系列产品150系列产品195系列产品210系列产品191系列产品第十三章:干燥通过本章的学习,应熟练掌握表示湿空气性质的参数,正确应用空气的H–I 图确定空气的状态点及其性质参数;熟练应用物料衡算及热量衡算解决干燥过程中的计算问题;了解干燥过程的平衡关系和速率特征及干燥时间的计算;了解干燥器的类型及强化干燥操作的基本方法。
二、本章思考题1、工业上常用的去湿方法有哪几种?态参数?11、当湿空气的总压变化时,湿空气H–I图上的各线将如何变化? 在t、H 相同的条件下,提高压力对干燥操作是否有利? 为什么?12、作为干燥介质的湿空气为什么要先经预热后再送入干燥器?13、采用一定湿度的热空气干燥湿物料,被除去的水分是结合水还是非结合水?为什么?14、干燥过程分哪几种阶段?它们有什么特征?15、什么叫临界含水量和平衡含水量?16、干燥时间包括几个部分?怎样计算?17、干燥哪一类物料用部分废气循环?废气的作用是什么?18、影响干燥操作的主要因素是什么?调节、控制时应注意哪些问题?三、例题例题13-1:已知湿空气的总压为101.3kN/m2 ,相对湿度为50%,干球温度为20o C。
试用I-H图求解:(a)水蒸汽分压p;(b)湿度H;(c)热焓I;(d)露点t d;(e)湿球温度tw ;(f)如将含500kg/h干空气的湿空气预热至117o C,求所需热量Q。
解:由已知条件:P=101.3kN/m2,Ψ0=50%,t0=20o C在I-H图上定出湿空气的状态点A点。
(a)水蒸汽分压p过预热器气所获得的热量为每小时含500kg干空气的湿空气通过预热所获得的热量为例题13-2:在一连续干燥器中干燥盐类结晶,每小时处理湿物料为1000kg,经干燥后物料的含水量由40%减至5%(均为湿基),以热空气为干燥介质,初始湿度H1为0.009kg水•kg-1绝干气,离开干燥器时湿度H2为0.039kg水•kg-1绝干气,假定干燥过程中无物料损失,试求:(1)水分蒸发是q m,W(kg水•h-1);(2)空气消耗q m,L(kg绝干气•h-1);原湿空气消耗量q m,L’(kg原空气•h-1);(3)干燥产品量q m,G2(kg •h -1)。
以下为液压油缸型号大全,一起来看看吧。
液压系统:液压系统的作用为通过改变压强增大作用力。
一个完整的液压系统由五个部分组成,即动力元件、执行元件、控制元件、辅助元件(附件)和液压油。
液压系统可分为两类:液压传动系统和液压控制系统。
液压传动系统以传递动力和运动为主要功能。
液压控制系统则要使液压系统输出满足特定的性能要求(特别是动态性能),通常所说的液压系统主要指液压传动系统。
组成部分:一个完整的液压系统由五个部分组成,即动力元件、执行元件、控制元件、辅助元件(附件)和液压油。
动力元件:动力元件的作用是将原动机的机械能转换成液体的压力能,指液压系统中的油泵,它向整个液压系统提供动力。
液压泵的结构形式一般有齿轮泵、叶片泵、柱塞泵和螺杆泵。
执行元件执行元件(如液压缸和液压马达)的作用是将液体的压力能转换为机械能,驱动负载作直线往复运动或回转运动。
控制元件:控制元件(即各种液压阀)在液压系统中控制和调节液体的压力、流量和方向。
根据控制功能的不同,液压阀可分为压力控制阀、流量控制阀和方向控制阀。
压力控制阀包括溢流阀(安全阀)、减压阀、顺序阀、压力继电器等;流量控制阀包括节流阀、调整阀、分流集流阀等;方向控制阀包括单向阀、液控单向阀、梭阀、换向阀等。
根据控制方式不同,液压阀可分为开关式控制阀、定值控制阀和比例控制阀。
辅助元件:辅助元件包括油箱、滤油器、冷却器、加热器、蓄能器、油管及管接头、密封圈、快换接头、高压球阀、胶管总成、测压接头、压力表、油位计、油温计等。
液压油:液压油是液压系统中传递能量的工作介质,有各种矿物油、乳化液和合成型液压油等几大类。
系统结构:液压系统由信号控制和液压动力两部分组成,信号控制部分用于驱动液压动力部分中的控制阀动作。
液压动力部分采用回路图方式表示,以表明不同功能元件之间的相互关系。
液压源含有液压泵、电动机和液压辅助元件;液压控制部分含有各种控制阀,用于控制工作油液的流量、压力和方向;执行部分含有液压缸或液压马达,其可按实际要求来选择。
液压油缸型号大全:PY497——油缸型号100——缸径70——杆径1801——行程液压油缸:液压缸是将液压能转变为机械能的、做直线往复运动(或摆动运动)的液压执行元件。
它结构简单、工作可靠。
用它来实现往复运动时,可免去减速装置,并且没有传动间隙,运动平稳,因此在各种机械的液压系统中得到广泛应用。
液压缸输出力和活塞有效面积及其两边的压差成正比;液压缸基本上由缸筒和缸盖、活塞和活塞杆、密封装置、缓冲装置与排气装置组成。
缓冲装置与排气装置视具体应用场合而定,其他装置则必不可少。
液压缸是液压传动系统中的执行元件,它是把液压能转换成机械能的能量转换装置。
液压马达实现的是连续回转运动,而液压缸实现的则是往复运动。
液压缸的结构型式有活塞缸、柱塞缸、摆动缸三大类,活塞缸和柱塞缸实现往复直线运动,输出速度和推力,摆动缸实现往复摆动,输出角速度(转速)和转矩。
液压缸除了单个地使用外,还可以两个或多个地组合起来或和其他机构组合起来使用。
以完成特殊的功用。
液压缸结构简单,工作可靠,在机床的液压系统中得到了广泛的应用。
液压缸的结构形式多种多样,其分类方法也有多种:按运动方式可分为直线往复运动式和回转摆动式;按受液压力作用情况可分为单作用式、双作用式;按结构形式可分为活塞式、柱塞式、多级伸缩套筒式,齿轮齿条式等;按安装形式可分为拉杆、耳环、底脚、铰轴等;按压力等级可分为16Mpa、25Mpa、31.5Mpa等。
活塞式单活塞杆液压缸只有一端有活塞杆。
如图所示是一种单活塞液压缸。
其两端进出口油口A和B都可通压力油或回油,以实现双向运动,故称为双作用缸。
活塞仅能单向运动,其反方向运动需由外力来完成。
但其行程一般较活塞式液压缸大。
活塞式液压缸可分为单杆式和双杆式两种结构,其固定方式由缸体固定和活塞杆固定两种,按液压力的作用情况有单作用式和双作用式。
在单作用式液压缸中,压力油只供液压缸的一腔,靠液压力使缸实现单方向运动,反方向运动则靠外力(如弹簧力、自重或外部载荷等)来实现;而双作用液压缸活塞两个方向的运动则通过两腔交替进油,靠液压力的作用来完成。
液压缸选型流程:程序1:初选缸径/杆径(以单活塞杆双作用液压缸为例)※条件一已知设备或装置液压系统控制回路供给液压缸的油压P、流量Q及其工况需要液压缸对负载输出力的作用方式(推、拉、既推又拉)和相应力(推力F1、拉力F2、推力F1和拉力F2)的大小(应考虑负载可能存在的额外阻力)。
针对负载输出力的三种不同作用方式,其缸径/杆径的初选方法如下:(1)输出力的作用方式为推力F1的工况:初定缸径D:由条件给定的系统油压P(注意系统的流道压力损失),满足推力F1的要求对缸径D进行理论计算,参选标准缸径系列圆整后初定缸径D;初定杆径d:由条件给定的输出力的作用方式为推力F1的工况,选择原则要求杆径在速比1.46~2(速比:液压缸活塞腔有效作用面积与活塞杆腔有效作用面积之比)之间,具体需结合液压缸回油背压、活塞杆的受压稳定性等因素,参照相应的液压缸系列速比标准进行杆径d的选择。
(2)输出力的作用方式为拉力F2的工况:假定缸径D,由条件给定的系统油压P(注意系统的沿程压力损失),满足拉力F2的要求对杆径d进行理论计算,参选标准杆径系列后初定杆径d,再对初定杆径d进行相关强度校验后确定。
(3)输出力的作用方式为推力F1和拉力F2的工况:参照以上(1)、(2)两种方式对缸径D和杆径d进行比较计算,并参照液压缸缸径、杆径标准系列进行选择。
※条件二已知设备或装置需要液压缸对负载输出力的作用方式(推、拉、既推又拉)和相应力(推力F1、拉力F2、推力F1和拉力F2)大小(应考虑负载可能存在的额外阻力)。
但其设备或装置液压系统控制回路供给液压缸的油压P、流量Q等参数未知,针对负载输出力的三种不同作用方式,其缸径/杆径的初选方法如下:(1)根据本设备或装置的行业规范或特点,确定液压系统的额定压力P;专用设备或装置液压系统的额定压力由具体工况定,一般建议在中低压或中高压中进行选择。
(2)根据本设备或装置的作业特点,明确液压缸的工作速度要求。
油缸常用规格表钢管钢管钢管钢管钢管钢管缸径外径内径缸径外径缸径外径缸径外径缸径外径缸径外径缸径缸径外径251433251218321841321422402240222854402022255740225240182850283032634550283663.550252832685028625022365032366063354076586336457663323545836336776328456340457870457545804045957580455695804045551028045501028050601028045988036568050569585509045501088490506310890455063114905056631149056631141005055121951005670121100505570127100566370127100637012710056122100457010063701201105063133105110638013311055638014011063708014011070801401257080152118125709015212563709015212570809015212580901591257015212556901258090150140708090168132140801001681407080100168140809010017214090100180140901001701507585150801051801507585105180160809010019415216090110194160809011019416090100110194160100110203160902201607011016010011019018080125219175180100125219180901001252191801001101252241801101252241801101252102001252451952001101402452001001101402452001101251402452001251402502001102682009014020012514023522012527321022012516027322011012516027322012514016028022014016028022090100110267250160299240250140180299250125140180299250140160180325250160180325250100110125298250140180299280160325270280160200325280110125140328280160200325300200351285320200377320180220377320125140160384320180220377360140160180424400280480400160180200470400250280450180200220530500200220250610500320360⑴1000吨压机:主缸(φ500×800);工作压力:25Mpa ;缸筒(φ665×500)⑵500吨压机:主缸(φ500×400);工作压力:25Mpa ;缸筒(φ665×500);空心柱塞(φ510×350)⑶400吨压机:主缸(φ300/200×400);工作压力:32Mpa ;缸筒外径:φ351⑷1000m^3泥驳:主缸(φ480/220×1600);工作压力:29Mpa ;缸筒外径φ600⑸315吨打包机:主缸(φ360/250×2360);工作压力:32Mpa ;缸筒外径φ448;⑹提升机:主缸(φ360/200×6000);工作压力:25Mpa ;缸筒外径:φ448摆动缸(φ220/180×1850);工作压力32Mpa ;缸筒外径φ270;门缸(φ180/100×600);工作压力32Mpa ;缸筒外径φ219。
液压缸型号及规格:常用的标准有Φ140/100-800其含义是缸(直)径(内径)为140,杆径为100,行程为800;180/150/125/100427019MPa50-75吨;三级、四级液压缸;额定工作压力19MPa;行程3880~6200mm;最大伸出套筒直径为195mm;油缸推力20-56吨,适用车载40-85吨。
液压缸的结构组成如下:1、液压机的油缸由缸盖(导向套)、缸体、活塞杆、活塞头、密封装置、缓冲装置和排气系统组成。
液压缸是将液压能转变成机械能的、做直线运动的液压执行元件。
液压油缸结构简单,运动平稳,工作可靠。
2、液压缸的缸体采用优质碳素结构钢锻件,保证材质的均匀性,油缸内孔采用强力滚压,以提高表面光滑的精度和硬度、高钢度,耐磨性好,液压机油缸的使用寿命长。
3、液压缸的活塞杆和活塞头采用碳素结构钢锻件,表面经镀铬后精磨,硬度高,抗压力大。
4、液压机油缸的密封装置采用进口优质密封圈密封,具有很好的耐磨性和耐热性,摩擦力小,避免了油缸的泄漏,工作可靠,延长了密封圈的使用寿命。
5、液压缸的缓冲装置可防止活塞在行程终端减速并使速度接近于零,减少活塞运动部件的惯性力,防止活塞部件和缸体产生碰撞,从而减少噪声和振动,避免了液压机缸体的损毁,延长了液压缸的使用寿命。
6、液压缸的排气系统保证了液压缸在工作中的平稳性,防止了间歇性的冲击力和振动。
扩展资料:液压缸使用材料:1 缸筒常用材质为20、35、45号无缝钢管,钢管经过珩磨或者滚压,达到0.4μm以内的粗糙度要求。
低压油缸可采用20号钢管,高压油缸采用45号钢管。
2 活塞杆活塞杆有实心杆和空心杆两种,空心活塞杆的一端需要留出焊接和热处理时用的通气孔实心活塞杆材料为35、45钢,空心活塞杆材料为35、45无缝钢管。
活塞杆粗加工后调质到印度为229~285HB,必要时,再经高频淬火,硬度达45~55HRC 3 缸盖低压用铸件,中低压用HT300灰铁,中高压用35、45号钢。
液压油缸规格型号参数
1. 缸径(mm):
- 常见缸径范围:25、32、40、50、63、80、100、125、160、200、250、320、400等。
- 缸径越大,推力越大,但体积和重量也会随之增加。
2. 行程(mm):
- 行程代表活塞杆伸出的最长距离。
- 通常可选范围从100mm到5000mm不等。
3. 安装形式:
- 固定式:缸体与缸盖固定连接。
- 活塞杆式:缸体固定,缸盖可动。
- 伸缩式:缸体和缸盖均可动。
4. 活塞杆材质:
- 碳素钢、合金钢、不锈钢等。
- 根据工作环境选择合适的材质。
5. 缸体材质:
- 常用铸铁、钢材、铝合金等。
- 需要考虑强度和耐腐蚀性。
6. 密封件材质:
- 普通橡胶、氟橡胶、聚氨酯等。
- 须根据工作温度和介质选择合适的材质。
7. 工作压力(MPa):
- 常见范围为10~40MPa。
- 压力越高,推力越大。
8. 工作温度(℃):
- 标准型通常为-20~80℃。
- 也有高温型和低温型可选。
9. 缓冲装置:
- 有缓冲或无缓冲两种选择。
- 缓冲装置可减缓冲击。
以上是液压油缸常见的一些主要规格型号参数,具体参数需根据实际应用需求进行选型。
大型液压油缸的基本参数
大型液压油缸由缸筒、活塞杆、活塞、缸底、端盖等部分组成,结构型式如图所示:
常用的工作介质代号:
不标注一一矿物油;K ——抗燃油;S ——水乙二醇;L ——磷酸酯。
安装形式代号:
MF3——前端圆法兰式;MF4——后端圆法兰式;MP3——后端固定单耳环式;MP5——带关节轴承、后端 固定单耳环式;MT4——中间耳轴或可调耳轴式。
缓冲代号:
U ——无缓冲;E
——有缓冲。
型号的命名方法:
圾冲 「柞介庙 安装形式
行程,a 位为辜米tmn) 活理H 般,单位为圣米(mm>
M 内柱.单位为空米(mm) 公称压
力1单位为兆柏1MPW 大隼液小油缸
进出油口尺寸表:
注苻汇制度竺脑II,PN250h
MF3前端圆法兰式液压油缸安装图:
㈠
MF3前端圆法兰式液压油缸安装尺寸表:
MF4后端圆法兰式液压油缸安装尺寸表:
MP3后端固定单耳环式液压油缸和MP5带关节轴承、后端固定单耳环式安装图:
MP3后端固定单耳环式液压油缸和MP5带关节轴承、后端固定单耳环式安装尺寸表:
/J*\ "神1
MT4中间耳轴或可调耳轴式安装尺寸表:。
液压油缸型号大全
国家标准规定了液压缸缸筒内径系列,根据使用方式不同型号较多,主要回是提供缸径和行程答,其他都是各个厂家自己的标准型号。
3.5Mpa用CJT,7Mpa用CTJ型标,14Mpa用CTJ型,21Mpa用CTJ 型,DG型车辆用液压缸,HSG型工程用液压缸,Y-HG1型冶金设备。
扩展资料:
油缸是工程机械最主要部件,传统的加工方法是:拉削缸体——精镗缸体——磨削缸体。
采用滚压方法是:拉削缸体——精镗缸体——滚压缸体,工序是3部分,但时间上对比:磨削缸体1米大概在1-2天的时间,滚压缸体1米大概在10-30分钟的时间。
投入对比:磨床或绗磨机(几万——几百万),滚压刀(1仟——几万)。
滚压后,孔表面粗糙度由幢滚前Ra3.2~6.3um减小为Ra0.4~0.8&um。
孔的表面硬度提高约30%,缸筒内表面疲劳强度提高25%。
油缸使用寿命若只考虑缸筒影响,提高2~3倍,镗削滚压工艺较磨削工艺效率提高3倍左右。
以上数据说明,滚压工艺是高效的,能大大提高缸筒的表面质量。
CD/CG重载液压缸技术参数
CD/CG液压缸最大行程及全长公差
安装方式
CD250A、CD250B差动液压缸尺寸/mm
注:1、A10型用螺纹连接缸底,适用于所有尺寸的缸径。
2、B10型用焊接缸底,只用在≤100mm的缸径。
3、缸头外侧采用密封盖,仅用于≥125mm的缸径。
4、缸头外侧采用活塞杆导向套,仅用于≤100mm的缸径。
5、缸头、缸底与缸筒螺纹连接时,当缸径≤100mm,螺钉头均露在法兰外,当缸径>100mm时,
螺钉头凹入缸底法兰内。
6、单向节流阀和排气阀与水平线夹角θ:
CD350系列:缸径≤200mm,θ=30º;缸径≥220mm,θ= 45º。
CD250系列:除缸径=300mm,θ= 45º外,其余均为30º。
7、01为惠式管螺纹;02为ISO公制螺纹。
(以下表注与此表相同)
CD350A、CD350B差动液压缸外形尺寸表
CD250C、CD250D差动液压缸外形尺寸表/mm
CD250E差动液压缸外形尺寸/mm
CD250F差动液压缸外形尺寸/mm
CD350C、CD350D差动液压缸外形尺寸/mm
CD350E差动液压缸外形尺寸/mm
CD350F差动液压缸外形尺寸/mm。
液压油缸介绍以及安装尺寸标准HS01^210L系列拉杆液压缸HS01・210L【系列拉杆液压缸】♦用途与特征HS01^210L系列拉杆式液压缸是一种双作用单杆活塞式液压缸,其与同构、同压力等级液压缸相比更具有结构紧凑、重量轻。
安装型式多样且容易变换,易装易拆,配件及维修方便。
其广泛用于塑料、冶金、化工、矿山、行走机械等行业。
♦型号说明♦技术指标额定压力MPa 21MPa连续使用的最高压力使用温度—5℃ 一+8℃最大允许压力MPa 27MPa(无杆腔)、25MPa(有杆腔)允许最大速度400mm/s耐压力MPa 31.5MPa 效率>90%最低启动压力MPa 0.3MPa 工作介质※采用时请注明矿物油、水乙二醇、※磷酸脂、高水酯等代号缸径A BB D DD E EE TG FHJ K KK L MM P W YFA型其它①4030 17 40 M12X1.5 70 ZG3/8 50 13 8 10 47 32 M20X1.5 64 22 17 30 156①5035 18 46 M14X1.5 85 ZG1/2 62 15 8 13 52 37 M24X1.5 68 28 19 30 172①6345 20 55 M16X1.5 100 ZG1/2 74 18 6 12 57 37 M30X1.5 75 35 19 35 187①8060 25 65 M20X1.5 125 ZG3/4 92 24 10 10 67 42 M39X1.5 85 45 22 35 218①10075 29 80 M24X1.5 160 ZG3/4 120 26 7 12 67 42 M48X1.5 95 55 22 40 230①12595 35 95 M30X1.5 190 ZG1 140 33 6 10 77 52 M64X2 105 70 27 45 267①140110 38 105 M33X1.5 215 ZG1 160 36 6 11 77 52 M72X2 110 80 27 50 275①160120 42 120 M36X1.5 240 ZG1 180 41 5 10 80 51 M80X2 132 90 27 55 304 ♦SD (双出杆基本型)♦SD (基本型)ZM+2SA 科F J W+S 、♦LA (切向脚架)♦ FA (杆侧长方法兰)♦FB (底部长方法兰) ♦ CA (单耳环型♦ TC (中间较轴型)①12595 205-0.4695 M30X1.5 190 ZG1 140 80 6 10 63 4 M64X2 208 70 78 45 209 442①140110 225-0.46105 M33X1.5 215 ZG1 160 80 6 11 71 4 M72X2 218 80 88 50 222 473 ①160120 255-0.52120 M36X1.5 240 ZG1 180 100 5 10 80 4 M80X2 242 90 98 55 243 521♦防尘罩缸径代号①40①50①63①80①100①125①140①160WW 50 60 70 80 100 120 125 140X 45 45 55 55 55 65 65 65♦单耳环缸径代号①40 ①50 ①63 ①80 ①100①125①14①160A31.5-0.1-0.435.5-0.1-0.440-0.1-0.450-0.1-0.463-0.1-0.48-0.1-0.68-0.1-0.610-0.1-0.6B 32 35 47 62 77 98 113 123C 70 85 105 132 157 195 220 240d 20 25 31.5 40 50 63 71 80F 49 55 65 85 105 135 158 178H 28 35 43 55 65 80 90 100KKM20X1.5M24X1.5M30X1.5M39X1.5M48X1.5M64X2M72X2M80X2E 25 30 35 40 50 65 75 85G 32 36 40 55 68 80 80 100M M8 M8 M8 M8 M10 M10 M10 M10 L 15 15 15 15 20 20 20 25订货标记:YE-缸径、一1(示例:YE40-I)♦双耳环缸径代号①40①50①63①80①100①125①14①160+0. +0. +0. +0. +0. +0. +0. +0.31. 35 8 8 10YA 4 4 40 4 50 4 63 4 6 6 65 .5 0 0 0+0. +0. +0. +0. +0. +0. +0. +0.【HS0>70、140L 系列拉杆液压缸】♦用途与特征01・70、140L 系列轻型拉杆液压缸是一种双作用单杆活塞式液压缸,其比同结构同压力等级液压缸更具有结构紧凑、重量轻、安 装形式多样且容易变换、易装易拆,配件及维修方便,且具有轻量化、适用化、高可靠性特点。
※型号选择Y - HG1 - E D/d × 100 L J H L1 OY-冶金设备标准液压缸HG1-双作用单杆活塞式液压缸第一种类型E –压力分级代号:C=6.3Mpa▲ E=16Mpa;C=25Mpa▲D/d –缸径mm/活塞杆径mm100-液压缸行程L-油口连接方式代号:L=内螺纹连接(用于缸径D≤220);F=法兰连接(用于缸径D≥250)J –安装方式:J=基本型;F1=头部长方法兰(用于缸径D125);F2=尾部长方法兰(用于缸径D125);F3=头部圆法兰;F4=尾部圆法兰;F5=头部方法兰;F6=尾部方法兰;E1=尾部单耳环带关节轴承;E2=尾部单耳环带轴套;Z1=头部轴销;Z2=中间轴销;Z3=尾部轴销;J1=轴向脚架;J2=径向脚架H –附加装置代号:H=带缓冲。
省略=无缓冲L1-活塞杆端连接方式代号:L1=杆端外螺纹;L2=杆端内螺纹▲O –工作介质代号:O=机油、液压油;W=高水基(乳化液)注:型号说明中凡标有▲的目前均按非标处理。
※基本型外形尺寸(YHG1-**/* × **J-*L1*)缸径 B BA C1 C2 Φ1Φ2VF WF ZJ X L1 L2 L0 n1-M1 n2-M2 40 48 20 42 66 54 80 19 32 190 8 26 44 12 8-M6 6-M8 50 55 30 50 75 63.5 90 24 38 205 8 18 61 12 8-M6 6-M8 63 70 38 60 90 76 108 29 45 224 10 25 52 12 8-M8 6-M10 80 86 55 75 112 95 134 36 54 250 10 36 58 13 8-M10 6-M12 90 100 55 80 132 108 158 36 55 270 10 43 63 17 8-M12 6-M16 100 118 68 95 150 121 175 37 57 300 10 47 69 18 8-M12 8-M16 110 132 60 95 165 133 195 37 57 310 10 50 73 22 8-M16 8-M16 125 150 80 115 184 152 212 37 60 325 10 50 85 22 8-M16 8-M16 140 165 95 132 200 168 230 37 62 335 10 53 74 22 8-M16 8-M16 150 175 105 140 215 180 245 41 64 350 10 54 85 22 8-M16 8-M16 160 190 110 150 230 194 265 41 66 370 10 59 91 26 8-M20 8-M20 180 200 110 160 250 219 280 41 70 410 15 65 98 27 8-M20 8-M20 200 215 120 170 280 245 310 45 75 450 15 65 115 27 8-M20 8-M20 2520 240 140 200 310 273 340 45 80 490 20 75 123 36 8-M24 8-M20 250 280 160 220 340 299 290 64 96 550 25 80 145 36 8-M24 12-M24 280 300 180 240 370 325 410 64 100 600 30 80 162 36 8-M24 12-M24 320 360 200 310 430 377 470 71 108 660 35 80 190 36 12-M24 16-M24冶金设备标准液压缸※头部长方法兰型外形尺寸(YHG1-**/*×**F1-*L1*)。
液压油缸型号表示方法液压油缸是液压系统中常用的执行元件,用于产生直线运动。
不同型号的液压油缸在结构和性能上有所区别,下面将介绍几种常见的液压油缸型号及其特点。
一、单作用活塞液压油缸单作用活塞液压油缸是指只有一个液压腔的油缸。
该油缸在液压压力的作用下,可以产生推力或拉力,但只能在一方向上执行工作。
单作用活塞液压油缸通常用于需要单向推动或拉动的场合,如冲床、起重机等。
二、双作用活塞液压油缸双作用活塞液压油缸是指具有两个液压腔的油缸。
该油缸可以在两个方向上执行工作,既可以产生推力,也可以产生拉力。
双作用活塞液压油缸通常用于需要双向推动或拉动的场合,如挖掘机、铲车等。
三、多级活塞液压油缸多级活塞液压油缸是指具有多个活塞的油缸。
该油缸通过多个活塞的叠加,可以实现更大的推力或拉力。
多级活塞液压油缸通常用于需要较大力矩的场合,如大型机械设备、船舶等。
四、空气液压油缸空气液压油缸是指利用压缩空气作为动力源的液压油缸。
该油缸通过压缩空气的膨胀和收缩来产生推力或拉力。
空气液压油缸通常用于需要无火花、无电磁干扰的场合,如矿井、化工厂等。
五、伺服液压油缸伺服液压油缸是指通过反馈控制系统对液压油缸进行精确控制的油缸。
该油缸可以根据控制信号实现精确的位置控制和力控制。
伺服液压油缸通常用于需要高精度位置控制的场合,如数控机床、机器人等。
六、阻尼液压油缸阻尼液压油缸是指通过增加阻尼器来减缓油缸运动速度的油缸。
该油缸可以根据需要调节阻尼器的阻尼力,从而实现对运动速度的控制。
阻尼液压油缸通常用于需要缓冲、减震的场合,如汽车悬挂系统、工程机械等。
以上是几种常见的液压油缸型号及其特点。
不同型号的液压油缸适用于不同的工作场合,选择合适的液压油缸可以提高工作效率和质量。
在使用液压油缸时,还需要注意安装和维护,以确保其正常运行和延长使用寿命。
液压缸是将液压能转变为机械能的、做直线往复运动(或摆动运动)的液压执行元件。
它结构简单、工作可靠。
用它来实现往复运动时,可免去减速装置,并且没有传动间隙,运动平稳,因此在各种机械的液压系统中得到广泛应用。
液压缸输出力和活塞有效面积及其两边的压差成正比;液压缸基本上由缸筒和缸盖、活塞和活塞杆、密封装置、缓冲装置与排气装置组成。
缓冲装置与排气装置视具体应用场合而定,其他装置则必不可少。
根据《2013-2017年中国液压油缸行业产销需求预测与转型升级分析报告》统计,2010年我国液压行业实现产值351.13亿元,同比增长33.29%。
我国的液压工业经过近50年的发展,已具有相当生产实力和技术水平,可基本满足经济发展的一般需求,其中重大成套装备的配套率已达到60%以上。
尤其是近10年来下游行业的快速成长,积极推动了液压行业的成长。
油缸是我国液压产品中比较成熟的产品之一。
行业保持多年快速增长,已经形成了较为成熟的供需链,具备了较大的市场规模。
前瞻网数据显示,我国液压油缸行业销售收入由2005年的31亿元增长至2010年的近110亿元,5年复合增长率为28.83%。
但是,和液压行业相同,油缸占全国工业总产值的比例仍较低,远低于国外发达国家水平。
同时,我国具有市场需求旺盛、成本低等优势,预计未来将成为世界液压行业和油缸行业的重心。
液压缸的结构形式多种多样,其分类方法也有多种:按运动方式可分为直线往复运动式和回转摆动式;按受液压力作用情况可分为单作用式、双作用式;按结构形式可分为活塞式、柱塞式、多级伸缩套筒式,
齿轮齿条式等;按安装形式可分为拉杆、耳环、底脚、铰轴等;按压力等级可分为16Mpa、25Mpa、31.5Mpa等。
先说它的最基本5个部件:缸筒和缸盖、活塞和活塞杆、密封装置、缓冲装置、排气装置。
每种缸的工作原理几乎都是相似的,拿一个手动千斤顶来说,千斤顶其实也就是个最简单的油缸了。
通过手动增压秆(液压手动泵)使液压油经过一个单向阀进入油缸,这时进入油缸的液压油因为单项阀的原因不能再倒退回来,逼迫缸杆向上,然后在做工继续使液压油不断进入液压缸,就这样不断上上升,要降的时候就打开液压阀,使液压油回到油箱,这个是最简单的工作原理,其他的都是在这个基础上改进的,气缸跟油缸的原理基本相同。