润滑油验收
- 格式:doc
- 大小:781.00 KB
- 文档页数:25
润滑油检测标准润滑油是机械设备中不可或缺的重要部分,它能够有效减少摩擦、降低磨损、冷却和密封,并且能够防止腐蚀和清洁机件。
因此,对润滑油的质量进行检测是非常重要的。
本文将介绍润滑油检测的标准和方法,帮助读者了解如何对润滑油进行有效的检测,确保设备的正常运行。
首先,润滑油的外观和性状是检测的重要指标之一。
在检测润滑油时,需要注意其颜色、透明度、气味和粘度等外观特征。
正常情况下,优质的润滑油应该呈现出透明或微黄色,无异味,粘度适中。
如果发现润滑油呈现混浊、异味或者粘度异常,就需要对其进行进一步的检测和分析。
其次,润滑油的化学成分和物理性能也是检测的重点内容。
在化学成分方面,需要检测润滑油中的添加剂含量、水分含量、酸值和碱值等指标。
而在物理性能方面,则需要测定润滑油的闪点、凝固点、流动性以及抗乳化性能等参数。
这些指标可以直接反映润滑油的质量和适用性,对于不同类型的机械设备来说,要求的润滑油性能也会有所不同。
此外,润滑油的耐磨性和抗氧化性能也是检测的重要内容。
通过摩擦磨损试验和氧化安定性试验,可以评估润滑油在实际工作条件下的性能表现。
这些试验可以帮助用户了解润滑油在使用过程中的耐久性和稳定性,从而选择合适的润滑油类型和品牌。
最后,对于润滑油的使用寿命和更换周期也需要进行检测和评估。
通过对润滑油样品进行定期取样和分析,可以监测其在使用过程中的变化情况,判断润滑油是否已经达到更换的标准。
这样可以避免因为使用过期或者变质的润滑油而导致设备损坏或者事故发生。
总的来说,润滑油的检测是确保设备正常运行和延长设备使用寿命的重要手段。
通过对润滑油外观、化学成分、物理性能、耐磨性、抗氧化性能以及使用寿命等方面的检测,可以全面评估润滑油的质量和适用性,为设备的正常运行提供保障。
希望本文能够帮助读者更好地了解润滑油检测的标准和方法,为实际工作中的润滑油管理提供参考和指导。
润滑油检测指标润滑油是机械设备中必不可少的一种物质,它用于减少机械零件之间的摩擦和磨损,并提供必要的保护和冷却。
为了确保润滑油的质量和性能始终处于最佳状态,润滑油的检测指标至关重要。
本文将介绍润滑油检测的一些常见指标,包括黏度、闪点、中和值、水分含量和温度稳定性等。
首先,黏度是衡量润滑油流动性的重要指标。
黏度越低,润滑油在机械设备中的流动性就越好,摩擦损失就会减少。
黏度的测量通常采用运动黏度计或粘度计进行,常见的单位有厘斯、英格兰度和SAE等。
闪点是指在特定条件下,润滑油中可以产生可燃气体与空气混合物,并通过点火源进行着火燃烧的最低温度。
要确保机械设备的安全性,闪点的测试是至关重要的。
一般情况下,润滑油的闪点越高,它的燃烧性就越低,对设备的安全性影响越小。
中和值是指润滑油中酸性物质与碱性物质之间的平衡度,它反映了润滑油对腐蚀性物质的抵抗能力。
中和值的测试方法包括酸值测定法和碱值测定法等。
正常情况下,润滑油的中和值应在一定范围内,以确保它的抗酸性和抗腐蚀性能良好。
水分含量是指润滑油中所含水分的百分比。
过高的水分含量会导致润滑油的氧化和酸化速度加快,影响其性能和寿命。
常见的测试方法有卡尔·费舍尔法和库仑法等。
在一些特殊环境下,例如高温和高湿度环境下,水分含量的检测尤为重要。
温度稳定性是指润滑油在高温条件下性能的稳定性。
在机械设备运行过程中,润滑油会受到高温的影响,如果温度稳定性差,润滑油的性能就会降低,甚至发生剧烈反应。
温度稳定性的测试通常通过模拟机械运行过程中的高温环境来进行,以评估润滑油在实际应用中的表现。
除了上述指标外,还有一些其他常见的润滑油检测指标,例如氧化安定性、机械杂质含量和残留炭残等。
这些指标的测试可以更全面地评估润滑油的质量和性能,为设备的正常运行提供保障。
综上所述,润滑油检测指标是评估润滑油质量和性能的重要依据。
通过对黏度、闪点、中和值、水分含量和温度稳定性等指标的测试,可以确保润滑油在机械设备中的有效运行和保护作用。
润滑油验收标准
润滑油的验收标准主要包括以下几个方面:
1. 外观:润滑油必须是透明的,无浑浊,无沉淀,无悬浮物。
颜色应该均匀,无变色,无分层,无色差。
2. 液位:油品的液位应该平稳,无漏液,无渗漏。
3. 温度:润滑油的温度应该符合产品规定的范围内,过高或过低的温度会影响润滑油的性能。
4. 毛刺:指油品表面有一些毛状物,一般由悬浮在油中的固体颗粒、纤维、金属屑等引起。
毛刺不能存在于透明度要求的区域内,不能看到紫外线透过毛刺区域发生弯曲。
5. 气泡:指油品中存在的气泡。
明显的气泡应当被均匀分布,大小应为均一且不超过1mm,气泡的数量不能超过2个。
6. 大颗粒:指直径大于10um的固体颗粒。
不能存在于透明度要求的区域内,直径不能大于等于50um。
7. 粘度异物:指润滑油中加入了不一致的石油产品或使用周期过长油品变质导致油品粘度异常。
不能存在于润滑部件内的修改。
这些标准主要是为了确保润滑油的质量和性能,从而保证机械设备的正常运行和延长设备的使用寿命。
此外,不同设备和场合可能需要不同类型的润滑油,因此在选择和使用润滑油时,应充分考虑设备的要求和实际情况。
润滑油质量检测仪操作规程1. 引言本操作规程旨在规范润滑油质量检测仪的操作流程,确保测试结果的准确性和可靠性。
2. 设备检查与准备在进行润滑油质量检测前,首先需要进行设备的检查与准备工作,包括以下步骤:•检查润滑油质量检测仪的外观是否完好,并排除异常;•检查设备上的电源插头是否正常连接;•检查设备使用的传感器是否安装牢固并连接正确;•检查设备所需试剂的存量是否足够,如不足及时补充;•检查润滑油样品收集容器是否干净并符合要求;•打开润滑油质量检测仪的电源,待设备自检完成后,即可进行下一步操作。
3. 样品准备在进行润滑油质量检测前,需要准备好待测试的润滑油样品。
样品准备的步骤如下:•使用干净的容器收集润滑油样品,并确保样品的真实性;•根据润滑油质量检测仪的要求,将样品倒入润滑油质量检测仪的测试槽中;•关闭润滑油样品收集容器,并确保容器密封良好,避免污染和挥发。
4. 操作流程润滑油质量检测仪的操作步骤如下:4.1 打开设备在样品准备完成后,打开润滑油质量检测仪的电源开关。
4.2 选择测试方法根据需要进行的润滑油质量指标测试,选择相应的测试方法,并在设备上进行设置。
4.3 进行校准进行润滑油质量检测仪的校准工作,包括校准仪器的零点和量程等。
4.4 开始测试将已准备好的润滑油样品放入测试槽中,并按下开始测试按钮,开始进行质量检测。
4.5 结果分析等待测试完成后,对测试结果进行分析和判读。
根据润滑油质量检测仪的显示界面,可以得到各项质量指标的数值并进行比较分析。
4.6 报告输出根据测试结果,生成润滑油质量检测报告,包括润滑油样品的基本信息、各项质量指标的测试结果和分析意见等。
将报告保存并输出,方便后续参考和查阅。
5. 设备维护与存放在操作完成后,需要对润滑油质量检测仪进行维护和存放,包括以下步骤:•清洁设备表面和测试槽,保持设备整洁;•检查传感器和试剂盒的存放状况,如有需要,及时更换或补充;•关闭设备电源,断开电源插头;•将润滑油样品收集容器进行清洗,并妥善存放。
新汽轮机油验收时的颗粒度理论说明1. 引言1.1 概述2. 新汽轮机油验收时的颗粒度理论说明:2.1 颗粒度的定义与重要性:颗粒度是指润滑油中悬浮颗粒(如金属磨粒、灰尘等)的尺寸大小分布,通常以颗粒直径为衡量标准。
颗粒度对于新汽轮机油的质量具有重要影响。
随着机器设备运行时间的增加,机械磨损产生的颗粒会逐渐增加,因此通过测量新油中的颗粒度可以初步判断其质量好坏,为后续使用提供参考。
2.2 颗粒度测量方法及其原理:目前常用的颗粒度测量方法主要有离心法、光学法和电阻法。
离心法通过将样本置于旋转离心机中,利用离心力将悬浮颗粒分散并使之分层沉降来进行测试。
光学法则基于光在物质中传播时受到散射而改变方向这一现象,使用光学传感器对透明试样中的颗粒进行观察和计数。
电阻法则是基于传导液体性质的测量方法,通过分析颗粒在电容器中的电导特性以评估其浓度和尺寸。
2.3 颗粒度对新汽轮机油质量的影响:颗粒度是评估汽轮机油质量的关键指标之一。
新油中存在大量微小颗粒可能预示着磨损金属部件、助力装置或过滤系统密封问题等。
较高的颗粒含量会降低机械部件表面的平滑度,增加零部件的磨损,进而缩短机械设备寿命。
因此,在验收新汽轮机油时,通过检测颗粒度可以提前发现潜在问题,并采取相应措施来保护设备和延长使用寿命。
以上就是关于“新汽轮机油验收时的颗粒度理论说明”部分内容的详细阐述。
3. 实验研究与数据分析:3.1 实验设计与操作流程:本实验旨在研究新汽轮机油验收时的颗粒度,并对其进行理论说明。
为了达到这个目标,我们设计了以下实验步骤和操作流程:- 步骤1: 定义实验目标和参数:确定实验的目的是为了分析新汽轮机油的颗粒度,同时确定相关参数如颗粒度测量方法、实验样本、测试设备等。
- 步骤2: 准备实验样本:从不同供应商处获取一定数量的新汽轮机油样品,并进行编号和记录。
- 步骤3: 颗粒度测量方法选择:根据已有文献和标准,选择适合的颗粒度测量方法,能够满足实验要求并获得可靠的数据。
润滑油检测标准润滑油是机械设备中不可或缺的重要部分,它能够降低摩擦、减少磨损、冷却和密封,从而延长设备的使用寿命。
然而,随着机械设备的不断发展和更新,对润滑油的要求也越来越高。
因此,制定润滑油检测标准显得尤为重要。
首先,润滑油的粘度是一个重要的检测指标。
粘度是润滑油的流动性能,它直接影响着润滑油在设备运行中的润滑效果。
因此,粘度的检测是非常必要的,一般采用粘度计来进行测试。
在实际操作中,我们需要根据设备的工作条件和要求来选择合适的润滑油粘度等级,以确保设备的正常运行。
其次,润滑油的耐磨性能也是一个需要重点关注的检测指标。
耐磨性能直接关系到设备的使用寿命和性能稳定性。
常见的润滑油耐磨性能测试方法包括四球摩擦试验、滑动轴承试验等。
通过这些测试,可以评估润滑油在高温、高压、高速等极端工况下的性能表现,为用户提供合适的润滑油选择参考。
此外,润滑油的氧化安定性也是一个重要的检测指标。
随着设备运行时间的增加,润滑油会受到氧化、沉积等影响,从而降低其使用寿命和性能。
因此,通过氧化安定性测试可以评估润滑油在高温高压条件下的抗氧化能力,以及其在使用过程中的稳定性。
最后,润滑油的清洁性能也是需要考虑的一个检测指标。
清洁性能直接关系到设备的清洁程度和维护周期。
一般来说,清洁性能测试可以通过离心沉淀法、沉积物测定法等来进行。
这些测试可以评估润滑油在使用过程中对设备的清洁程度影响,为用户提供合适的润滑油选择建议。
综上所述,润滑油检测标准的制定对于保障设备的正常运行、延长设备的使用寿命具有重要意义。
通过对润滑油粘度、耐磨性能、氧化安定性和清洁性能等指标的检测,可以为用户提供合适的润滑油选择参考,保障设备的稳定运行。
因此,我们应该重视润滑油检测标准的制定和执行,为设备的正常运行和维护提供有力保障。
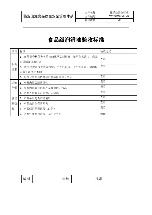
润滑油验收管理程序
1、新购回润滑油要求资料齐全,包括产品合格证、出厂检测报告,原装油桶上有明显的厂家标志,不齐全的不得验收。
2、新购润滑油必须由使用事业部、物管部采购员、供应商共同验收。
并在验收时由采购员通知通知化验中心取样进行综合分析,必要时可通知设备动力部参加。
联合验收时应认真核对润滑油的规格型号。
3、新进润滑油先应进行外观检查无杂质,机械油应清彻。
4、新油须经联合验收人员进行取样,对油的色泽、牌号、数量进行确认,并分析合格后方可验收入库,并在验收单上签字确认。
分析不合格的新油须及时退货。
附:润滑油验收控制表
润滑油验收控制表。
润滑油的管理制度润滑油在机械设备的维护中起着至关重要的作用。
一个有效的润滑油管理制度可以提高设备的使用寿命,减少损坏和维修费用。
本文将介绍一个适用于润滑油的管理制度,旨在确保润滑油的正确使用和合理管理。
1. 采购与储存为了确保润滑油的质量和可靠性,首先要建立一套规范的采购和储存制度。
在采购时应选择具有良好信誉的供应商,确保所购润滑油符合相应的标准和要求。
润滑油应存放在干燥、通风良好的仓库中,避免阳光直射,远离火源和酸碱等有害物质。
2. 入库与标识每批润滑油在入库时应进行验收,并填写入库记录。
同时,应为每桶润滑油标明生产日期、批次号以及规格型号,以便更好地进行跟踪管理。
在仓库中,润滑油应按照种类、品牌和用途等进行分类储存,并定期进行盘点,确保库存与记录一致。
3. 使用与更换润滑油的使用应符合设备制造商的要求和操作手册中的指导。
在设备运行之前,应检查润滑油的油位和质量,并根据预定的使用寿命进行定期更换。
更换润滑油时,应采取适当的排油方式,避免混入外来杂质,保证更换后的润滑油质量。
4. 润滑油分析通过定期对润滑油进行化验分析,可以了解润滑油的健康状况和性能变化。
润滑油分析包括黏度、酸值、碱值以及金属元素的测定等参数。
通过分析结果可以判断润滑油是否需要更换,或者是否存在异常情况,从而及时调整润滑油的管理策略。
5. 废润滑油处理废润滑油的处理应符合环境保护和法律法规的要求。
废润滑油应储存在专用容器中,并委托具备资质的单位进行处理。
废润滑油的再利用和回收非常重要,可以采用物理、化学和生物等多种方法进行处理,以实现资源的最大化利用和环境的最小化污染。
6. 培训与管理为了确保润滑油管理制度的有效实施,培训和管理的角色尤为重要。
润滑油管理人员应接受相应的培训,了解润滑油的基本知识、管理技巧以及常见问题的解决方法。
同时,要建立健全的管理制度,明确责任和权限,确保润滑油管理工作的顺利进行。
7. 审核与改进润滑油管理制度应定期进行内部审核和外部评估。
润滑油化验常规五项
首先,粘度是润滑油的重要性能指标之一。
它反映了润滑油在不同温度下的流动性能,是衡量润滑油黏度大小的重要参数。
在使用过程中,粘度的变化会直接影响到润滑油的润滑效果,因此对于不同工况下的机器设备,需要选择适合的粘度等级的润滑油。
其次,酸值和碱值是评价润滑油化学稳定性的重要指标。
酸值反映了润滑油中酸性物质的含量,而碱值则反映了润滑油中抗酸性能的指标。
通过监测润滑油的酸值和碱值,可以及时发现润滑油的老化情况,以便进行及时更换或添加抗氧化剂等措施,延长润滑油的使用寿命。
水分是润滑油中常见的污染物之一。
过多的水分会降低润滑油的润滑性能,加速设备的磨损和腐蚀。
因此,定期监测润滑油中水分含量,可以帮助我们及时采取干燥处理或更换润滑油的措施,保证设备的正常运行。
最后,机械杂质是指润滑油中的固体颗粒和杂质物质。
这些杂质会加速设备的磨损,降低设备的可靠性和寿命。
因此,定期检测润滑油中的机械杂质含量,可以帮助我们及时清洗和更换润滑油,
保证设备的正常运行。
总之,润滑油化验常规五项是评价润滑油质量的重要指标,通过对这些指标的监测和分析,可以及时发现润滑油的变化和污染情况,保证设备的正常运行和延长设备的使用寿命。
因此,加强对润滑油质量的监测和管理,对于保障设备的正常运行和提高设备的可靠性具有重要意义。
SW-704-15中石化中海燃供上海物资分公司非散装润滑油采购验收交付管理规定1 总则1.1制定目的为满足客户要求,规范非散装润滑油经营、采购入库、验收、交付流程,使各有关人员的操作有章可循。
1.2 适用范围分公司润滑油经营部门、采购部、物流部及与非散装润滑油入库的有关作业,必须按本规定办理。
1.3 非散装润滑油定义非散装润滑油是按润滑油包装不同形式的润滑油。
分为吨灌(1000升立方桶)、桶装(170公斤铁桶)、听装(塑料吉普听)润滑油以及其它包装的润滑油。
2职责2.1 经营部门负责非散装润滑油的接单、评审和客户要求的信息传递,在下达非散装润滑油运输交付委托单时,必须写明非散装润滑油交付的时间、地点。
2.2采购部负责非散装润滑油的采购和与供方的联系;负责决定非散装润滑油的提货方式;负责提供非散装润滑油的质量合格证明或质保书;负责处理非散装润滑油验收过程中的各类问题。
2.3物流部调度员负责非散装润滑油的运输和交付要求的部署;负责确定非散装润滑油运输和交付的车辆、人员;2.4物流部仓库负责非散装润滑油的入库、验收、保管、发放、入账等工作。
2.5 物流部运输交付人员负责非散装润滑油运输、交付中非散装润滑油品种、数量、质量证书的确认工作,负责吨灌(1000升立方桶)润滑油(包括海供船队散装润滑油灌装的吨灌润滑油)交付时的取样工作。
3 管理规定3.1非散装润滑油(包括专用料)入库必须具备质量证书。
无质量证书的润滑油必须作待验收物资处理,不得进入合格品区,也不得进入ERP信息系统操作。
3.2对无质量证明的非散装润滑油不得出库交付客户。
如果经营部门执意要出库交付客户,须经经营部门业务员和部门负责人在配料单上签字确认,仓库才能出库放行,一旦发生问题,由经营部门负全责。
3.3非散装润滑油入库,质量证书不到或不全的,仓库保管员必须及时将其信息报告采购部采购员,采购员在接到无质量证书润滑油信息后,必须即刻与供应商联系,并在最短时间内索取质量证书。
润滑油检测报告
润滑油是机械设备中不可或缺的重要部分,它能有效减少摩擦、降低磨损、防止腐蚀,从而延长设备的使用寿命。
然而,随着机械设备的不断运转,润滑油会受到各种因素的影响,导致其性能发生变化。
因此,定期对润滑油进行检测是非常必要的。
一、外观检测。
首先,我们对润滑油的外观进行检测。
正常情况下,润滑油应该是透明或者略带淡黄色,如果发现有浑浊、混浊、或者出现悬浮物,都可能说明润滑油已经受到污染或者变质。
此外,还要检查润滑油的气味,如果出现刺鼻的异味,也可能是润滑油已经变质,需要及时更换。
二、物理性质检测。
其次,我们需要对润滑油的物理性质进行检测。
主要包括密度、粘度、闪点和凝固点等指标。
密度和粘度是反映润滑油流动性的重要参数,而闪点和凝固点则能够反映润滑油的燃烧性能和低温性能。
通过对这些指标的检测,可以了解润滑油是否符合规定的技术要求,以及是否适合当前工作环境的要求。
三、化学成分检测。
最后,我们需要对润滑油的化学成分进行检测。
主要包括酸值、碱值、水分和金属含量等指标。
酸值和碱值能够反映润滑油的酸碱度,水分和金属含量则能够反映润滑油是否受到了外部污染或者磨损。
通过对这些指标的检测,可以了解润滑油是否受到了污染或者变质,以及是否需要进行更换或者调整。
综上所述,润滑油的检测是非常重要的,它能够帮助我们及时发现润滑油的变化,保证设备的正常运转,延长设备的使用寿命。
因此,我们应该定期对润滑油进行检测,并根据检测结果进行相应的处理,以确保设备的安全稳定运行。
润滑油的五项指标是机械杂质、闪点、粘度、水分、碱值和中和值。
一、机械杂质
机械杂质是指存在于润滑油中不溶于乙醇、汽油和苯等溶剂的或胶状悬浮物。
检测目的:能定量检测润滑油中的污染颗粒的数量和污染等级;对于精密的液压系统,固体颗粒污染将加剧控制元件的磨损;对于透平系统,固体颗粒污染将加剧轴承等部件的磨损。
二、闪点
在粘度相同情况下,闪点越高越好。
检测目的:闪点是一项安全指标。
闪点可以用来判断油品馏分组成的轻重;闪点是油品的安全指标;闪点可以检测润滑油中混入的轻质燃料油。
三、粘度
粘度是流体流动时内摩擦力的量度,用于衡量油品在特定温度下抵抗流动的能力。
在不加任何添加剂前提下,粘度越大,流动性越差,油膜强度越高。
检测目的:粘度指数检测主要用于新油的质量验收,对使用过的旧油无多大检测意义,由于润滑油的粘度随温度的升高而变小,随温度的降低而变大。
因此为了保持设备摩擦之间拥有足够的油膜,当环境温差大,润滑油温度变化大的设备都要求使用有较高粘度指数的油品。
四、水分
润滑油中水分存在,就会破坏润滑油形成的油膜,使润滑效果变差。
检测目的:水分会促使油品乳化,降低油膜强度,产生异常磨损,水分能促使油品氧化,增加油泥,恶化油质,甚至加速有机酸对金属的腐蚀。
水分能使油种添加剂发生水解反应而失效,产生沉淀发生堵塞,使油路不能正常循环供油。
一、总则为加强润滑油仓库的管理,确保润滑油品的安全、合理、有效使用,提高仓库工作效率,特制定本制度。
二、适用范围本制度适用于公司润滑油仓库的日常管理。
三、仓库管理职责1. 仓库管理员负责润滑油仓库的日常管理工作,包括进货、验收、储存、出库等环节。
2. 仓库保管员负责润滑油仓库的实物保管工作,确保油品质量。
3. 使用部门负责润滑油的使用和消耗管理,按照规定使用润滑油。
四、进货管理1. 仓库管理员按照采购订单,接收润滑油,核对数量、规格、型号等信息。
2. 仓库保管员对进货的润滑油进行验收,检查油品质量、包装完好性等。
3. 验收合格后,仓库管理员将润滑油入库,并做好入库记录。
五、储存管理1. 润滑油应按照种类、规格、型号等进行分类存放,标识清晰。
2. 仓库应保持干燥、通风,防止油品受潮、变质。
3. 仓库内不得存放易燃、易爆物品,确保安全。
六、出库管理1. 使用部门根据实际需求,向仓库管理员提出润滑油出库申请。
2. 仓库管理员核对出库申请,确认无误后,安排出库。
3. 出库时,仓库保管员负责发放润滑油,并做好出库记录。
七、安全管理1. 仓库内严禁吸烟、使用明火,防止火灾事故发生。
2. 仓库应配备消防设施,并定期检查、维护。
3. 仓库管理员应定期检查仓库安全隐患,发现问题及时上报。
八、记录管理1. 仓库管理员应建立润滑油入库、出库、库存台账,确保账目清晰。
2. 仓库保管员应做好润滑油储存、出库记录,以便追溯。
九、奖惩措施1. 对遵守本制度,工作认真负责的仓库管理员和保管员给予表扬和奖励。
2. 对违反本制度,造成润滑油损失、安全事故的,依法追究责任。
十、附则1. 本制度由公司生产部负责解释。
2. 本制度自发布之日起施行。
润滑油脂的性能检测评定--液相锈蚀1、基本概念锈蚀:指金属表面与水分及空气中氧接触生成金属氧化物的现象。
缓蚀性:指润滑油品阻止与其相接触的金属表面被氧化的能力。
2、测试方法和分析仪器液相锈蚀测试方法常用的有GB/T 11143、ASTMD665 加抑制剂矿物油在水存在下防锈性能试验法。
该方法适用于加抑制剂矿物油,例如表征汽轮机油、液压油以及循环油等在与水混合时对铁质部件的防锈能力。
对于防锈油,其缓蚀性则用其他方法来评定,主要有GB/T 2361《防锈油脂湿热试验法》和SH/T0081《防锈油脂盐雾试验法》。
GB/T 11143 方法的概要如下:将300mL 试样与30mL蒸馏水或合成海水混合,将符合标准的圆柱形试验钢棒全部浸入混合液中。
在温度为60℃并以1000r/min 的转速进行搅拌的条件下,经24h 或约定时间后将钢棒取出。
用溶剂汽油、石油醚清洗干净,并立即目测评定试验钢棒的锈蚀程度。
锈蚀程度分为以下四个等级:无锈:试验钢棒上没有锈斑。
轻微锈蚀:锈斑不超过 6 个,每个锈斑直径不大于1mm。
中等锈蚀:锈斑超过6个,但锈斑面积小于试验钢棒表面积的5%。
严重锈蚀:锈斑面积超过试验钢棒表面积的5%。
缓蚀性测试装置主要由油浴、烧杯、搅拌器和试验钢棒组合件等组成。
其中油浴保持试样温度为(60=1)℃;搅拌器的搅拌速度为(1000±50)r/min;试验钢棒组合件应包括一个装设塑料手柄的圆柱形试验钢棒;塑料手柄由PMPA 树脂制成。
试验钢棒材质所含其他微量金属含量应符合以下规定:碳(0.15%~0.20%),锰(0.60%~0.90%),硫(标准为≤0.20%,应为≤0.05%),磷(≤0.04%),硅(<0.10%)。
3、检测目的在工矿企业,发动机、齿轮箱、液压系统等装置在运行过程中都不可避免地有水浸人,为了防止机械零部件表面与水接触而产生锈蚀,要求相应的发动机油、齿轮油、液压油等具有较好的缓蚀性,润滑油的防锈能力是新油质量验收的重要指标,特别是对容易进水的设备,在选择油品时必须考虑该油的缓蚀性。