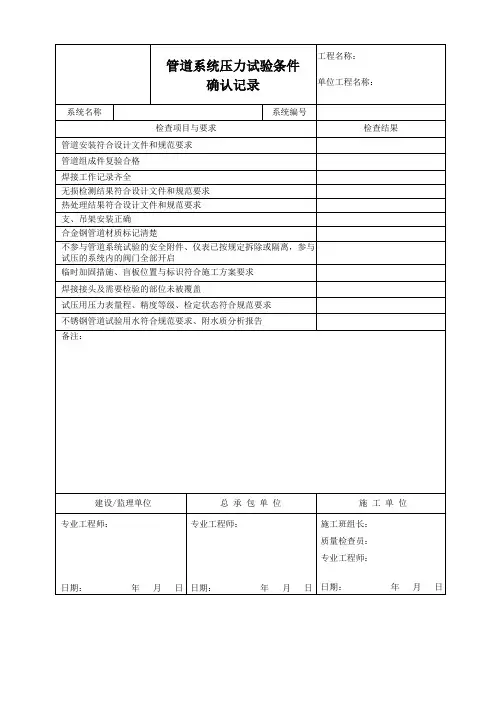
3503-J406管道系统耐压试验条件确认与试验记录
- 格式:doc
- 大小:63.50 KB
- 文档页数:2
管道试压检查记录一、任务背景:为确保管道系统的安全运行,需要进行试压检查,以验证管道的耐压性能。
本次试压检查的对象是某工业厂区的水泵管道系统。
二、试压检查准备:1. 确定试压计划:根据管道系统的设计要求和工艺流程,制定试压计划,包括试压时间、试压压力和试压持续时间等。
2. 准备试压设备:准备好试压泵、试压计、压力表等试压设备,并确保其正常运行。
3. 清洁管道系统:在试压前,对管道系统进行清洁,确保内部无杂物和污垢。
4. 检查管道连接:检查管道连接是否牢固,无漏水现象,并进行必要的修复和更换。
三、试压操作步骤:1. 设置试压压力:根据试压计划,将试压泵的压力调整到设定的试压压力。
2. 开始试压:逐段对管道系统进行试压,从低压段逐渐增加压力,直至达到设定的试压压力。
在每个试压段,保持试压压力稳定一段时间,观察是否有压力下降或泄漏现象。
3. 记录试压数据:在试压过程中,记录试压压力、试压时间、试压段落等相关数据,以备后续分析和比对。
4. 观察试压现象:在试压过程中,仔细观察管道系统是否有渗漏、变形或其他异常现象,及时采取措施处理。
5. 结束试压:试压完成后,逐渐减少试压压力,确保管道系统恢复到正常工作状态。
四、试压检查结果:1. 试压合格:若试压过程中无压力下降、泄漏和其他异常现象,且试压压力符合设计要求,则判定试压合格。
2. 试压不合格:若试压过程中出现压力下降、泄漏或其他异常现象,或试压压力未达到设计要求,则判定试压不合格。
3. 处理不合格情况:若试压不合格,应及时采取相应措施,如修复漏点、更换密封件等,并重新进行试压,直至达到要求为止。
4. 记录试压结果:将试压合格或不合格的结果记录下来,包括试压日期、试压人员、试压压力等信息,作为管道系统运行管理的重要依据。
五、安全注意事项:1. 试压过程中,应严格遵守安全操作规程,佩戴个人防护装备,确保人身安全。
2. 在试压过程中,应留意压力表的变化,及时发现异常情况,并及时采取措施处理。
管道试压检查记录一、任务背景管道试压检查是在管道安装完成后进行的一项重要工作,旨在验证管道系统的密封性能和承压能力。
本次试压检查记录旨在详细记录试压过程中的相关数据和结果,以便后续分析和评估。
二、试压前准备工作1. 确定试压范围:根据设计要求和管道布置图,确定试压的具体管段范围。
2. 清洁管道:对试压范围内的管道进行清洁,确保无杂质和污物。
3. 准备试压设备:准备好试压泵、压力表、压力记录仪等试压设备,并进行检查和校准。
4. 安装试压阀门:根据试压范围,安装试压阀门,确保能够控制试压介质的流动。
5. 进行安全措施:在试压区域设置警示标志,并确保工作人员佩戴安全防护装备。
三、试压过程记录1. 试压日期和时间:记录试压开始的日期和时间。
2. 试压介质:记录试压使用的介质,如水、氮气等。
3. 试压压力:按照设计要求,逐渐增加试压压力,并记录每次增压的数值和时间。
4. 试压时间:记录试压持续的时间,通常根据设计要求进行。
5. 压力保持:在达到试压压力后,记录压力保持的时间,并观察压力变化情况。
6. 泄漏检查:在试压过程中,进行泄漏检查,记录泄漏点的位置和泄漏程度。
7. 试压结束:试压结束后,记录试压结束的日期和时间,并关闭试压阀门。
四、试压结果记录1. 试压压力:记录试压结束时的压力数值。
2. 压力保持情况:根据试压过程中的观察和记录,评估试压压力的保持情况。
3. 泄漏情况:根据泄漏检查的结果,记录泄漏点的数量和程度。
4. 试压合格性评估:根据设计要求和相关标准,评估试压结果的合格性,并记录评估结论。
五、试压报告和处理1. 编制试压报告:根据试压记录和结果,编制试压报告,包括试压过程、结果、评估和建议等内容。
2. 处理不合格情况:如发现试压结果不合格,需及时采取相应的措施进行处理和修复,并记录处理情况。
六、相关安全注意事项1. 严格遵守安全操作规程,确保试压过程中的人身安全。
2. 确保试压设备的正常运行和安全使用。