管道系统压力试验记录
- 格式:docx
- 大小:101.44 KB
- 文档页数:10
年11月14日8时0年11月15日8日时时0管道系统压力试验记录单位(子单位)工程名称XXX工程GD-C4-646 监理(建设)单位施工单位质量验收依据文件名称及编号《建筑给水排水及采暖工程质量验收规范》GB50242-2002综合评价结论/备注测试计量器具(仪表、仪器)及其附属设备(器具)的名称/型号、规格/量程/分辨精度/出厂编号/制造厂商/其他要素:施工单位检测调试负责人测试时间压力真空表YZ-50符合规范和设计要求施 工 单 位检验批编号XXX有限公司GD-C5-7121给水施工依据文件名称及编号分部/子分部/分项(系统/子系统)最小/实际抽样数量施工图纸施工部位 专业监理工程师(建设单位项目技术负责人):专业工长专业质检员施工班组长PPR给水管强度、严密性0.620建筑给水排水及供暖/室内给水系统/给水管道及配件安装试验介质试验压力(MPa)稳压持续时间(min)压降值(MPa)/渗漏状况衬塑复合钢管管道系统材质水全/全20192019分分至压降值(MPa)/渗漏状况试验类别(强度/严密性)设计工作压力(MPa)稳压持续时间(min)试验压力(MPa)规范(或设计)要求的试验参数实际试验参数检测调试说明:给水管道系统在试验压力下观测10min,压力降不应大于0.02MPa,然后降到工作压力进行检查,应不渗不漏;同时检查各连接处不得渗漏。
管道系统(或管段)名称/编号0.9无渗漏100.9无降压,无渗漏。
9试验压力 (MPa)稳压持 续时间 (min)压降值 (MPa)/渗漏状况1 1.510无渗漏11120无渗漏设计工作压力 (MPa )管道系统(或管段)名称/编号试验类别(强度/严 密性) 将压力表安装在给水入口处,开始向管道注水,待管道充满水后,开始缓慢加压,压力升至1.0MPa时,管及接口未发现渗透,继续加压至1.5MPa时,停止加压,稳压10分钟,压力下降0.01MPa,检查管道及各接口处,未发现渗漏。
强度检验完毕后开始降压至1.0MPa时,停止降压,稳压两小时,检查管道及各接口处,未发现渗漏。
专业监理工程师(建设单位项目专业负责人):监理(建设)单位施 工 单 位专业工长专业质检员施工班组长检测调试说明:综合评价结论/备注符合要求施工单位检测调试负责人HL-9a严密性1120无渗漏规范(或设计)要求的试验参数实际试验参数试验压力 (MPa)稳压持 续时间 (min)压降值 (MPa)/渗漏状况HL-9a 强度 1.515无渗漏测 试 时 间年 月 日 时 分至 年 月 日 时 分测试计量器具(仪表仪器)及其附属设备(器具)的名称/ 型号、规格/ 量程/分辨精度/ 出厂编号/制造 厂商/其他要素:/试验介质水管道系统材质热镀锌钢管施工依据文件名称及编号自动喷水灭火系统施工工艺标准(GSQB12-18-2006)最小/实际抽样数量全/1质量验收依据文件名称及编号《自动喷水灭火新系统工程施工及验收规范》GB50261-2005施 工 单 位广东省电白建筑集团有限公司检验批编号GD-C5-712133-9分部/子分部/分项 (系统/子系统)自动喷水灭火系统/系统试压和冲洗/水压试验施工部位十四至二十六层2号楼管网管道系统压力试验记录GD-C4-646单位(子单位)工程名称四会市广源东门广场商住小区建设项目。
管道试压检查记录引言概述:管道试压检查记录是指在管道安装完成后进行试压操作,并记录试压过程中的相关数据和结果。
这些记录对于管道的安全运行和质量保证具有重要意义。
本文将从试压前的准备工作、试压操作、试压结果分析、问题处理和记录保存等五个方面,详细阐述管道试压检查记录的内容和要点。
一、试压前的准备工作:1.1 确定试压标准和要求:根据设计要求和相关标准,确定试压的压力等级、试压时间和试压方法等。
1.2 准备试压设备和工具:确保试压泵、压力表、压力表校验工具等设备和工具的完好性和准确性。
1.3 检查管道系统:检查管道系统的材质、焊口、连接件等是否符合设计要求,确保无明显缺陷和泄漏点。
二、试压操作:2.1 封闭管道系统:关闭与试压管道相关的阀门,确保试压过程中无其他介质进入或泄漏。
2.2 增压试验:使用试压泵逐渐增加管道内的压力,记录压力升高的过程和时间。
2.3 保压试验:在达到试压压力后,保持一定时间,观察压力是否有泄漏或下降,并记录保压时间。
三、试压结果分析:3.1 压力变化记录:根据试压过程中记录的压力数据,绘制压力变化曲线,分析压力是否稳定和是否存在异常情况。
3.2 泄漏检测:通过观察压力变化、听声和观察管道系统是否有气泡等方式,检测是否存在泄漏点。
3.3 试压结果评估:根据试压结果和设计要求,评估管道系统是否合格,并记录评估结果。
四、问题处理:4.1 泄漏点处理:对于发现的泄漏点,及时进行修复和处理,并重新进行试压操作。
4.2 异常情况处理:对于试压过程中出现的异常情况,如压力突然下降或不稳定等,及时排查原因并采取相应的措施。
4.3 试压记录修订:对于经过处理后再次进行试压的情况,记录修订试压结果,并注明修订原因和处理措施。
五、记录保存:5.1 试压记录整理:将试压过程中的相关数据和结果整理成试压记录表,包括试压前的准备工作、试压操作、试压结果分析、问题处理和评估结果等。
5.2 记录归档:将试压记录归档保存,确保记录的可追溯性和可查阅性。
管道系统压力试验记录
①在管道试压前需要全面检查、核对已安装的管子、管件、阀门、紧固件以及支架等,质量应符合设计要求及技术规范的规定。
②管道压力应编制试验方案,根据工作压力分系统进行试压,一般对于通向大气的无压管线,如放空管、排液管等可不进行试压。
③试压前应用盲板将不能与管道一起试压的设备及压力系统不同的管道系统隔离,不适宜与管道系统一起试压的管道附件拆除,临时装上短管。
④试压前应将管道上所有开口封闭,系统内的阀门应开启;系统最高点应设放气阀,最低点应设排水阀。
压力试验的具体操作
①试压时,应选择量程为最大被测压力的1.5~2倍且应用精度等级
1.5级以上的压力表2只,一只安装在本系统压力波动较小的其他位置,另外一只安装在试压泵出口。
②试压时应将压力缓慢升至试验压力,并注意观察管道各部分情况,如发现问题,深圳沃飞科技有限公司以多年的实验室气路施工成功经验温馨提醒你,应在卸压后进行修理,禁止带压修理,缺陷消除后再重新试压。
③试压时要注意人员安全,防止伤人,当进行压力试验时,应划定禁区,无关人员不能进入。
④对于剧毒管道及设计压力P≥10Mpa管道,压力试验前应按规范要求将各项资料经设计单位复查,确认无误。
⑤试压方案已经经过批准,且进行了技术交底。
⑥当管道系统压力试验合格后,应及时填写“管道系统压力试验记录”,并有关人员签字确认。
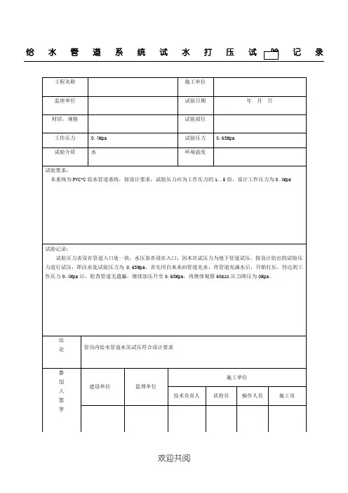
给水管道系统试水打压试验记录工程名称施工单位
监理单位试验日期年月日
材质、规格试验部位
工作压力0.4Mpa 试验压力0.63Mpa
试验介质水环境温度
试验要求:
本系统为PVC-U给水管道系统,按设计要求,试验压力应为工作压力的1..5倍,设计工作压力为0.4Mpa
试验记录:
试验压力表设在管道入口处一块,水压泵亦设在入口,因本次试压力为地下管道试压,按设计给出的试验压力进行试压,即注水处试验压力为0.63Mpa。
首先用自来水向管道充水,待管道充满水后,开始打压,待达到工
作压力0.4Mpa后,检查管道无遗漏。
继续加压升至0.63Mpa,再继续观察60min压力降压为0Mpa。
结
论管沟内给水管道水压试压符合设计要求
参
加人签字建设单位监理单位
施工单位
技术负责人质检员操作人员施工员
欢迎共阅。
管道系统 (或管段) 名称/编号试验类别
(强度/
严密性)
设计工作
压力
(MPa)
无下降、无渗漏
5无下降、无渗漏
JL-6严密度0.70.775无下降、无
渗漏
0.815
0.815无下降、无渗漏
JL-6强度0.7 1.055无下降、无
渗漏
1.09
JL-5严密度0.70.775无下降、无
渗漏
无下降、无渗漏
JL-5强度0.7 1.055无下降、无
渗漏
1.075无下降、无渗漏
5无下降、无渗漏
JL-4严密度0.70.775无下降、无
渗漏
0.795
0.795无下降、无渗漏
JL-4强度0.7 1.055无下降、无
渗漏
1.07
JL-3严密度0.70.775无下降、无
渗漏
试验压力 (MPa)稳压持续
时间
(min)
压降值
(MPa)/
渗漏状况
试验压力
(MPa)
稳压持续
时间
(min)
压降值(MPa)/
渗漏状况
管道系统压力试验记录(续)
GD-C4-646/1规范(或设计)要求的试验参数实际试验参数。
工程名称建设单位分项工程名称监理单位试压灌水部位平均气温℃管道材种管道长度m 起止外观检查日时分填表日期:管道压力(灌水试验记录年月日实际压降(水位降落灌水高度施工单位检查评定结果监理(建设单位验收结论年月⑧灌水高度:无压系统灌水试验时的实际水面达到的高度(以室内地面为±0此高度应满足设计要求,设计无要求时,应满足有关规范的规定。
试压时间试压依据试压类别工作压力试验压力稳压时间(水位观查时间允许压降编号。
④试压(灌水部位:填写试压(灌水管道所属的单元、区段、层数、与邻轴线的距离。
⑤验核意见应写明是否满足设计要求或规范规定的定性意见。
⑥本记录必须由项目专业技术人员填写,由施工单位质量检查员验核,监理工程师认定,规定的参检人员均签字盖章后生效。
⑦燃气管道强度、气密性试验标准按现行行业规程、技术标准和各市(地区有关规定执行。
⑦实际压降:在满足规定的稳压时间时,试压系统实际的压力降低的数值,(或水位降低的尺寸。
3、填写要点:①管道试压记录的填写应在管道试压(灌水合格后2天内完成。
②局部试压(灌水试验的管道系统或管段,应按规定填写试压记录,在相应的全系统试压(灌水试验时,仍应参与试压(灌水试验。
③试压(灌水系统:填写试压(灌水管道的类别(给水、排水、采暖、燃气及所属单元区段或系统的③工作压力:指设计给出的工作压力值。
④试验压力:实际采用的应满足设计或规范要求的试验压力值,一般采取设计给定值,若设计无要求时(未给定则采用相应规范或标准的规定值;⑤稳压时间:指试压系统达到试验压力停止升压后到开始对已密闭的系统检验观察的时间间隔,一般由设计给定,若设计无要求时应满足相应规范规定值的要求。
⑥允许压降:是有关规定要求的在规定的稳压时间中达到试压合格的最小压力降。
由设计或规范给定。
性试验。
上述所做的试验,均需及时填写本记录归档。
2、内容要求:①试压依据:按设计要求时,应写明要求所在的图别、图号、条文号,设计无要求时采用相应规范规定,也应写明规范名称、代号、规定所在的条款号,并标明规定试压值和合格标准。