单位工程观感质量检查记录表
- 格式:doc
- 大小:59.00 KB
- 文档页数:1
单位工程观感质量检查记录单位工程观感质量检查记录工程名称:建筑与结构项目序号项目抽查质量状况质量评价1 主体结构外观共检查10点,好9点,一般1点,差点好2 室外墙面共检查10点,好8点,一般2点,差点好3 变形缝、雨水管共检查10点,好7点,一般3点,差点好4 屋面共检查10点,好6点,一般4点,差点好5 室内墙面共检查10点,好5点,一般5点,差点一般6 室内顶棚共检查10点,好4点,一般6点,差点一般7 室内地面共检查10点,好3点,一般7点,差点一般8 楼梯、踏步、栏杆共检查10点,好2点,一般8点,差点一般9 门窗共检查10点,好1点,一般9点,差点一般10 雨罩、台阶、坡道、散水共检查10点,好点,一般10点,差点差建筑与供暖项目序号项目抽查质量状况质量评价1 给水管道接口、坡度、支架共检查10点,好1点,一般9点,差点一般2 卫生器具、支架、阀排检查口、扫除口、地漏共检查10点,好2点,一般8点,差点一般3 散热器、支架共检查10点,好3点,一般7点,差点一般4 风管、支架共检查10点,好点,一般1点,差点差5 风口、风阀共检查10点,好点,一般2点,差点差建筑与空调项目序号项目抽查质量状况质量评价1 风机、空调设备共检查10点,好点,一般3点,差点好2 管道、阀门、支架共检查10点,好点,一般3点,差点好3 水泵、冷却塔共检查10点,好点,一般1点,差点好4 绝热共检查10点,好点,一般2点,差点好建筑与电气项目序号项目抽查质量状况质量评价1 配电箱、盘、板、接线盒共检查10点,好9点,一般1点,差点好2 设备器具、开关、插座共检查10点,好6点,一般4点,差点一般3 防雷、接地、防火共检查10点,好9点,一般1点,差点好建筑与智能项目序号项目抽查质量状况质量评价1 机房设备安装及布局共检查10点,好9点,一般1点,差点好2 现场设备安装共检查10点,好5点,一般5点,差点一般建筑与电梯项目序号项目抽查质量状况质量评价1 运行、平层、开关门共检查10点,好点,一般1点,差点差2 电层门、信号系统共检查10点,好点,一般点,差点差3 梯机房共检查10点,好点,一般点,差点差综合评价:好。
单位工程观感质量检查记录表工程名称施工单位序号项目抽查质量状况质量评价1结构工程混凝土露筋共检查点,好点,一般点,差点2蜂窝共检查点,好点,一般点,差点3孔洞共检查点,好点,一般点,差点4缝隙夹渣层共检查点,好点,一般点,差点5砌体砌筑错缝共检查点,好点,一般点,差点6砲体接槎共检查点,好点,一般点,差点7砌体表面质量共检查点,好点,一般点,差点1孔口防护工程防护门共检查点,好点,一般点,差点2防护密闭门共检查点,好点,一般点,差点3密闭门共检查点,好点,一般点,差点4门框墙共检查点,好点,一般点,差点5防爆波活门共检查点,好点,一般点,差点6防爆超压排气活门、自动排气活门共检查点,好点,一般点,差点1防水工程防水混凝土共检查点,好点,一般点,差点2水泥砂浆防水层共检查点,好点,一般点,差点3涂料防水层共检查点,好点,一般点,差点1装饰装修工程抹灰共检查点,好点,一般点,差点2涂饰共检查点,好点,一般点,差点3饰面板(砖)共检查点,好点,一般点,差点4地面面层共检查点,好点,一般点,差点5门窗共检查点,好点,一般点,差点6室内观感共检查点,好点,一般点,差点1给水排水工程管道坡度共检查点,好点,一般点,差点2接口共检查点,好点,一般点,差点3支架共检查点,好点,一般点,差点4卫生器具共检查点,好点,一般点,差点5配件共检查点,好点,一般点,差点6地漏共检查点,好点,一般点,差点7阀门共检查点,好点,一般点,差点1通风与空调工程通风管道共检查点,好点,一般点,差点2通风管线共检查点,好点,一般点,差点3风口共检查点,好点,一般点,差点4风阀共检查点,好点,一般点,差点5密闭阀门共检查点,好点,一般点,差点6滤尘器、过滤吸收器共检查点,好点,一般点,差点7通风机共检查点,好点,一般点,差点1建筑电气安装工程线路敷设共检查点,好点,一般点,差点2配电箱(盘)共检查点,好点,一般点,差点3开关、插座共检查点,好点,一般点,差点4接地共检查点,好点,一般点,差点5柴油发电机组共检查点,好点,一般点,差点共检查点,好点,一般点,差点观感质量综合评价结论:施工单位项目负责人:年月日总监理工程师:年月日。
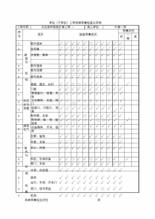
单位(子单位)工程观感质量检查记录表工程名称北京协和医院扩建工程) 施工单位中建一局序号项目抽查质量状况质量评价一好差般1 室外墙面√√√√√○√√√√√2 变形缝√√√√√√√√√√√3 建水落管、屋面√√√√√√√√√√√筑与4 室内墙面√√√√√√√√√√√5 室内顶棚√√○√√√√√√√√结6 室内地面√√√√√√√√√√√构7 楼梯、踏步、护栏√√○○○√√√√√√8 门窗√√√√√√√√○√√1 管道接口、坡度、支架√√√√√√√√√√√2 给排水与卫生器具、支架、阀门√√√√√√√√√√○3 采暖检查口、扫除口、地漏√√√√√√√√√√√4 散热器、支架√√√√○√√√√√√12 建筑电气配电箱、盘、板、接线盒设备器具、开关、插座√√○√○√○○√√√√√√√√√√√√√√3 防雷、接地√√○√√√√√√√√1 风管、支架√√√○√√√√√√√2 通风口、风阀√√√√√√√√√√√风与3 风机、空调设备√√○√√○√√○√√4 阀门、支架√√√√√√√√√√√空5 水泵、冷却塔√√√√√√√√○√√调6 绝热√√√√√√√√√√√1 运行、平层、开关门√√√√√√√√√√√电2 层门、信号系统√√√√√√√○√√√梯3 机房√√√√√√√√√√√观感质量综合评价好检查结论工程观感质量综合评价为好,验收合格。
总监理工程师:刘大波施工单位项目经理:袁大刚建设单位项目负责人:李老八2008 年1 月11日2008 年1 月12 日。