用SPSS20进行二因素设计的简单效应分析
- 格式:docx
- 大小:34.79 KB
- 文档页数:3
SPSS双因素方差分析双因素方差分析是一种用于研究两个或多个自变量对因变量之间是否存在影响的统计方法。
在本文中,我们将讨论SPSS中如何进行双因素方差分析,并对其结果进行解释。
首先,我们需要首先导入我们的数据集,并确保数据集中包含我们要研究的因变量和两个自变量。
在SPSS中,我们可以通过依次点击"文件"->"导入"->"数据"来加载数据集。
一旦我们成功加载数据集,我们可以开始进行双因素方差分析。
在SPSS中,我们可以通过依次点击"分析"->"一般线性模型"->"一元方差分析"来进行。
在进行方差分析之前,我们需要将自变量添加到"因子"的列表中。
我们可以使用鼠标将自变量拖拽到"因子"列表中,或者通过点击"添加"按钮手动将其添加。
在添加完自变量后,我们可以点击"模型"选项卡,选择我们感兴趣的方差分析模型。
在双因素方差分析中,共有三种模型可供选择:主效应模型、交互作用模型和自由模型。
-主效应模型:计算每个自变量的主效应,并忽略它们之间是否存在交互作用。
-交互作用模型:计算自变量之间是否存在交互作用,并同时计算每个自变量的主效应。
-自由模型:不计算任何主效应或交互作用,仅用于比较不同模型之间的显著性。
选择适当的模型后,我们可以点击"可选"选项卡,设置其他参数,比如显著性水平、效应大小等。
一旦我们完成了所有设置,可以点击"确定"开始进行方差分析。
SPSS将会自动生成方差分析的结果报告。
在报告中,我们可以找到各个自变量的主效应、交互作用以及整体模型的显著性等信息。
一般来说,我们关注的主要结果包括:组间方差、组内方差、平方和、均方、F统计值、显著性水平等。
双因素方差分析spss实例双因素方差分析(ANOVA)是一种统计分析方法,它可以比较不同的组之间的投票者的结果,以确定两个或更多因素是否有显著的影响。
换句话说,它可以测量实验中的不同影响因素,以确定它们之间是否有显著的差异。
本文将介绍如何使用SPSS进行双因素方差分析,以确定两个因素之间是否有显著差异。
首先,需要准备你的数据,将其输入到SPSS程序中。
将你的数据文件保存为.csv格式,确保它的每列的标题是充分描述性的,并包括所有你所需要的因素。
一旦你的数据文件被保存到SPSS中,可以创建一个新的SPSS文件,然后将数据文件拖放到新的SPSS文件中即可。
接下来,在SPSS中,找到“统计”工具栏,点击进入“分析”选项卡。
找到“方差分析”,双击它,以进入“方差分析-双因素方差分析”窗口。
在“自变量”框中输入你要比较的两个因素,即你的实验的两个因素。
然后在“因子”菜单中选择“应变量的每个因子的水平”。
此时,SPSS将自动映射每个因素的水平,可以在“水平”窗口中查看。
现在,可以单击“方差分析”按钮,运行双因素方差分析。
SPSS 将给出结果表,该表显示在多个水平上,因素间是否存在显著差异。
在结果表中,F值说明了实验变量之间的差异。
当F值大于1时,实验变量存在显著差异,说明变量对结果有显著影响;反之,F值小于1时,实验变量没有显著差异,则表明变量对结果没有显著影响。
最后,你可以使用SPSS输出图表,根据结果表中的数据来分析两个因素之间的关系。
这也可以帮助你更好地理解实验结果,并更好地控制你的实验因素。
总之,SPSS双因素方差分析是一种很有用的统计工具,可以帮助研究者测量不同因素之间的关系,并确定它们之间是否存在显著差异。
上面介绍了如何使用SPSS进行双因素方差分析,并介绍了如何分析结果,希望对你有所帮助。
双因素方差分析spss双因素方差分析(Two-factor Analysis of Variance, ANOVA)是统计学中使用广泛的一种方法,它可以帮助我们测量并评估不同因素对试验结果的影响程度。
SPSS是一款统计数据处理软件,它也可以帮助我们进行双因素方差分析,即用于研究两个或多个因素的总体的差异以及它们之间的关系,而这个方法可以帮助我们更有效地弄清这两个因素之间的关系。
首先,我们需要准备好我们的数据,这样才能将它们可视化和分析。
建议使用Excel或者SPSS创建好表格,然后将数据导入表格中。
在导入数据之前,要确保将双因素分别设定为两个列,以便SPSS能够正确识别变量,此外还可以为每个变量指定不同的名称,以便在分析和结果展示时更容易理解。
接下来,在SPSS的Analysis菜单中,选择“General Linear Model”,然后选择“Univariate”,这样就可以开始分析了。
第一步就是在“Dependent Variable”部分,选择你想要分析的变量,然后点击“Options”,在“Means”选项中,可以看到因素的名称,选择它们,接着在“Post Hoc” 部分选择“Tukey”,然后点击“Continue”,完成设置。
随后,在“Output”界面中,点击“Save”,选择“Univariate”,勾选“Descriptive Statistics” 、“ANOVA” 和“Post Hoc Tests”,然后点击“OK”,SPSS 会生成一份包含描述性统计和分析结果的报告,我们可以根据报告内容进行进一步的分析和研究。
总之,使用 SPSS 进行双因素方差分析是一个简单易行、高效可靠的过程,可以帮助我们得出可靠的结论,以便做出合理的决策,并有助于识别实验变量之间的相关性和决定性。
简单效应分析两因素语句程序MANOVA 因变量名 BY 自变量A名(1,2) 自变量B名(1,4)/ERROR=WITHINCELL/DESIGN=自变量A名 WITHIN 自变量B名(1)自变量A名 WITHIN 自变量B名(2)自变量A名 WITHIN 自变量B名(3)自变量A名 WITHIN 自变量B名(4)/DESIGN=自变量B名 WITHIN 自变量A名(1)自变量B名 WITHIN 自变量A名(2).程序说明:此为自变量A名(2)×自变量B名(4)完全被试间设计简单效应分析程序1. MANOVA 因变量名 BY 自变量A名(1,2) 自变量B名(1,4)把因变量名、自变量A名、自变量B名换为Spss数据相应的变量名称。
括号中为水平数,需要指定最小水平和最大水平。
2./ERROR=WITHINCELL指定输出WITHIN CELLS项,其均方为所有简单效应的F检验的误差项。
此语句如去除,将缺省输出WITHIN CELLS+RESIDUAL项。
(可能由于SPSS版本不同,有所差异)3./DESIGN=自变量A名 WITHIN 自变量B名(1)自变量A名 WITHIN 自变量B名(2)自变量A名 WITHIN 自变量B名(3)自变量A名 WITHIN 自变量B名(4)检验自变量A在自变量B1,B2,B3,B4水平上的简单效应。
4./DESIGN=自变量B名 WITHIN 自变量A名(1)自变量B名 WITHIN 自变量A名(2)检验自变量B在自变量A1,A2水平上的简单效应。
5.“.”程序末的“.”号表示程序结束6.如果加入“/DESIGN”语句将完成完全方差分析。
被试内、被试间、混合实验设计简单效应分析作者: Highway 发布时间: 2008-7-7简单效应(simple effect)分析简单效应(simple effect)分析通常是在作方差分析时存在交互效应的情况下的进一步分析。
你需要在SPSS中编写syntax实现。
一、完全随机因素实验中简单效应得分析程序假如一个两因素随机实验中,A因素有两个水平、B因素有三个水平,因变量是Y,检验B因素在A因素的两个水平上的简单效应分析。
TWO-FACTOR RANDOMIZED EXPERIMENTaaaSIMPLE EFFECTS.DA TA LIST FREE /A B Y.BEGIN DATA1 3 41 1 21 1 32 2 52 1 61 2 82 1 91 2 82 3 102 3 112 3 92 3 8END DATA.MANOV A y BY A(1,2) B(1,3)/DESIGN/DESIGN=A WITHIN B(1)A WITHIN B(2)A WITHIN B(3).若A与B存在交互作用而进行的进一步分析(即简单效应分析)。
同时你可以再加一个design: /DESIGN=B WITHIN A(1)B WITHIN A(2).自编数据试试y A B4.00 1.00 3.002.00 1.00 1.003.00 1.00 1.005.00 2.00 2.006.00 2.00 1.008.00 1.00 2.009.00 2.00 1.008.00 1.00 2.0010.00 2.00 3.0011.00 2.00 3.009.00 2.00 3.008.00 1.00 2.00当然,你可也直接贴下述语句至syntax编辑框:应会输出下述结果:The default error term in MANOV A has been changed from WITHIN CELLS toWITHIN+RESIDUAL. Note that these are the same for all full factorialdesigns.* * * * * * A n a l y s i s o f V a r i a n c e * * * * * *12 cases accepted.0 cases rejected because of out-of-range factor values.0 cases rejected because of missing data.6 non-empty cells.3 designs will be processed.- - - - - - - - - - - - - - - - - - - - - - - - - - - - - - - - - - - - -* * * * * * A n a l y s i s o f V a r i a n c e -- design 1 * * * * * *Tests of Significance for Y using UNIQUE sums of squaresSource of Variation SS DF MS F Sig of FWITHIN CELLS 10.00 6 1.67X1 15.00 1 15.00 9.00 .024X2 6.46 2 3.23 1.94 .224X1 BY X2 33.00 2 16.50 9.90 .013(Model) 80.92 5 16.18 9.71 .008 (Total) 90.92 11 8.27R-Squared = .890Adjusted R-Squared = .798- - - - - - - - - - - - - - - - - - - - - - - - - - - - - - - - - - - - -* * * * * * A n a l y s i s o f V a r i a n c e -- design 2 * * * * * *Tests of Significance for Y using UNIQUE sums of squaresSource of Variation SS DF MS F Sig of FWITHIN+RESIDUAL 16.46 8 2.06X1 WITHIN X2(1) 25.00 1 25.00 12.15 .008X1 WITHIN X2(2) 8.15 1 8.15 3.96 .082 X1 WITHIN X2(3) 43.74 1 43.74 21.26 .002(Model) 74.46 3 24.82 12.06 .002 (Total) 90.92 11 8.27R-Squared = .819Adjusted R-Squared = .751- - - - - - - - - - - - - - - - - - - - - - - - - - - - - - - - - - - - -* * * * * * A n a l y s i s o f V a r i a n c e -- design 3 * * * * * * Tests of Significance for Y using UNIQUE sums of squaresSource of Variation SS DF MS F Sig of F WITHIN+RESIDUAL 25.00 7 3.57X2 WITHIN X1(1) 30.30 2 15.15 4.24 .062 X2 WITHIN X1(2) 35.58 2 17.79 4.98 .045 (Model) 65.92 4 16.48 4.61 .039 (Total) 90.92 11 8.27R-Squared = .725Adjusted R-Squared = .568另外,三因素完全随机实验中的简单效应和简单简单效应的分析。
【简单效应分析】使用SPSS完成两变量交互项显著时的简单效应分析——【杏花开医学统计】医务工作者的医学统计词典品质源于专注服务源于真心【简单效应分析】使用SPSS完成两变量交互项显著时的简单效应分析关键词:SPSS、简单效应导读我们在医学方差分析研究时,可能会遇到变量与变量的交互项存在显著的交互效应的情况,此时,仅仅只知道两个或多个变量间存在一个因素在另一个因素的不同水平上存在差异,但想进一步了解这种差异具体表现在哪些因素和哪些水平上时,还需要进行简单效应分析。
本期,我们来具体介绍两个变量交互项简单效应分析的基本原理、适用范围及其在SPSS软件中。
下方为视频版和音频版,含软件操作步骤两变量交互项显著简单效应分析来自杏花开医学统计00:00 17:50一、基本原理简单效应(simple effect),可以认为是方差分析时出现因素间交互效应显著时的下一个分析步骤,它是指一个因素的不同水平在另一个因素的某个水平上的效应。
详见:《用SPSS进行两因素两水平的医学析因设计资料的方差分析》即A1情况下B1在因变量上的变化,A2情况下B1在因变量上的变化,A1情况下B2在因变量上的变化,A2情况下B2在因变量上的变化。
二、适用范围简单效应是基于方差分析交互项显著情况下的进一步分析,因此,简单效应分析的样本应符合方差分析对样本数据的要求,即数据不明显偏态,组间方差轻微不齐也可以接受。
三、案例解读我们收集了一份儿童流感持续的天数的数据,欲研究儿童流感症状(发热、咳嗽、鼻塞)和用药情况是否会对儿童流感持续的天数产生影响。
采用多因素方差分析进行研究。
详见:《用SPSS进行两因素两水平的医学析因设计资料的方差分析》若症状与用药情况交互效应显著时,再进行简单效应分析。
具体操作如下:(1)在SPSS中的具体操作①进行多因素方差分析:以持续天数为研究变量,症状和是否用药为因子。
依次点击“分析——一般线性模型——单变量”,出现“单变量”窗口,在“对比”对话框中将“症状”和“是否用药”均选择为“简单”,在“选项”对话框中,勾选“描述统计”,即得到分析结果如下:(点击图片查看大图)由结果可知,症状和是否用药在流感持续天数上交互效应显著,因此,需要进一步做简单效应分析。
用SPSS20进行二因素设计的简单效应分析两因素试验要检验互作效应,如果互作显著则应进一步做简单效应分析。
SPSS20图形界面无法简单效应分析,其实SPSS大多数功能均无法利用图形界面实现。
所以SPSS的优点并不是其易用性,而重点在于输出结果丰富、编排合理。
比较SAS、和R软件均能利用图形界面进行简单的统计分析,但其输出结果简单,无法直接发布。
我们用一个两因素裂区试验的产量数据进行简单的说明。
这个试验是一个品种密度试验,品种为主区,种植密度为副区,三次重复,籽粒产量为每公顷公斤产量。
其分析语法为:UNIANOVA 单产BY a b r Array /RANDOM=r/METHOD=SSTYPE(3)/INTERCEPT=INCLUDE/CRITERIA=ALPHA(0.05)/POSTHOC=a b(DUNCAN LSD)/DESIGN=a b r r(a) a*b/EMMEANS = TABLES(a*b) COMPARE (b) ADJ(LSD)/EMMEANS = TABLES(a*b) COMPARE (a) ADJ(LSD).注意最后两句,采用EMMEANS进行简单效应分析,其选项ADJ表示均值检验方法,有3种方法可供选择,常用的是LSD。
运行该语句(Ctrl+r)的下列结果。
注意,该语句前面还有数据集设置(DATASET ACTIVATE 数据集1.),不能写错数据集的名称。
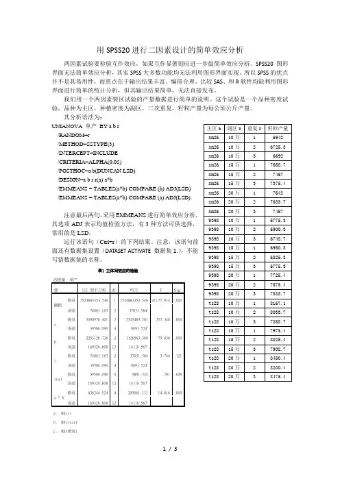
表1 主体间效应的检验因变量: 单产源III 型平方和df 均方 F Sig.假设1524883353.546 1 1524883353.546 41177.914 .000截距误差74063.167 2 37031.584a假设5090978.401 2 2545489.201 257.340 .000a误差39566.096 4 9891.524b假设2253126.736 2 1126563.368 79.838 .000b误差169326.808 12 14110.567c假设74063.167 2 37031.584 3.744 .121r误差39566.096 4 9891.524b假设39566.096 4 9891.524 .701 .606r(a)误差169326.808 12 14110.567c假设836244.524 4 209061.131 14.816 .000a * b误差169326.808 12 14110.567ca. MS(r)b. MS(r(a))c. MS(错误)表1显示互作显著,因此有必要进行简单效应分析。
被试内、被试间、混合实验设计简单效应分析作者: Highway 发布时间: 2008-7-7简单效应(simple effect)分析简单效应(simple effect)分析通常是在作方差分析时存在交互效应的情况下的进一步分析。
你需要在SPSS中编写syntax实现。
一、完全随机因素实验中简单效应得分析程序假如一个两因素随机实验中,A因素有两个水平、B因素有三个水平,因变量是Y,检验B因素在A因素的两个水平上的简单效应分析。
TWO-FACTOR RANDOMIZED EXPERIMENTaaaSIMPLE EFFECTS.DATA LIST FREE /A B Y.BEGIN DATA1 3 41 1 21 1 32 2 52 1 61 2 82 1 91 2 82 3 102 3 112 3 92 3 8END DATA.MANOVA y BY A(1,2) B(1,3)/DESIGN/DESIGN=A WITHIN B(1)A WITHIN B(2)A WITHIN B(3).若A与B存在交互作用而进行的进一步分析(即简单效应分析)。
同时你可以再加一个design: /DESIGN=B WITHIN A(1)B WITHIN A(2).自编数据试试y A B4.00 1.00 3.002.00 1.00 1.003.00 1.00 1.005.00 2.00 2.006.00 2.00 1.008.00 1.00 2.009.00 2.00 1.008.00 1.00 2.0010.00 2.00 3.0011.00 2.00 3.009.00 2.00 3.008.00 1.00 2.00当然,你可也直接贴下述语句至syntax编辑框:应会输出下述结果:The default error term in MANOVA has been changed from WITHIN CELLS toWITHIN+RESIDUAL. Note that these are the same for all full factorialdesigns.* * * * * * A n a l y s i s o f V a r i a n c e * * * * * *12 cases accepted.0 cases rejected because of out-of-range factor values.0 cases rejected because of missing data.6 non-empty cells.3 designs will be processed.- - - - - - - - - - - - - - - - - - - - - - - - - - - - - - - - - - - - -* * * * * * A n a l y s i s o f V a r i a n c e -- design 1 * * * * * *Tests of Significance for Y using UNIQUE sums of squaresSource of Variation SS DF MS F Sig of FWITHIN CELLS 10.00 6 1.67X1 15.00 1 15.00 9.00 .024X2 6.46 2 3.23 1.94 .224X1 BY X2 33.00 2 16.50 9.90 .013(Model) 80.92 5 16.18 9.71 .008 (Total) 90.92 11 8.27R-Squared = .890Adjusted R-Squared = .798- - - - - - - - - - - - - - - - - - - - - - - - - - - - - - - - - - - - -* * * * * * A n a l y s i s o f V a r i a n c e -- design 2 * * * * * *Tests of Significance for Y using UNIQUE sums of squaresSource of Variation SS DF MS F Sig of FWITHIN+RESIDUAL 16.46 8 2.06X1 WITHIN X2(1) 25.00 1 25.00 12.15 .008X1 WITHIN X2(2) 8.15 1 8.15 3.96 .082 X1 WITHIN X2(3) 43.74 1 43.74 21.26 .002(Model) 74.46 3 24.82 12.06 .002 (Total) 90.92 11 8.27R-Squared = .819Adjusted R-Squared = .751- - - - - - - - - - - - - - - - - - - - - - - - - - - - - - - - - - - - -* * * * * * A n a l y s i s o f V a r i a n c e -- design 3 * * * * * * Tests of Significance for Y using UNIQUE sums of squaresSource of Variation SS DF MS F Sig of F WITHIN+RESIDUAL 25.00 7 3.57X2 WITHIN X1(1) 30.30 2 15.15 4.24 .062 X2 WITHIN X1(2) 35.58 2 17.79 4.98 .045 (Model) 65.92 4 16.48 4.61 .039 (Total) 90.92 11 8.27R-Squared = .725Adjusted R-Squared = .568另外,三因素完全随机实验中的简单效应和简单简单效应的分析。
用SPSS20进行二因素设计的简单效应分析
两因素试验要检验互作效应,如果互作显著则应进一步做简单效应分析。
SPSS20图形
界面无法简单效应分析,其实SPSS大多数功能均无法利用图形界面实现。
所以SPSS的优点
并不是其易用性,而重点在于输出结果丰富、编排合理。
比较SAS、和R软件均能利用图形
界面进行简单的统计分析,但其输出结果简单,无法直接发布。
我们用一个两因素裂区试验的产量数据进行简单的说明。
这个试验是一个品种密度试验,
品种为主区,种植密度为副区,三次重复,籽粒产量为每公顷公斤产量。
其分析语法为:
UNIANOVA 单产BY a b r Array /RANDOM=r
/METHOD=SSTYPE(3)
/INTERCEPT=INCLUDE
/CRITERIA=ALPHA(0.05)
/POSTHOC=a b(DUNCAN LSD)
/DESIGN=a b r r(a) a*b
/EMMEANS = TABLES(a*b) COMPARE (b) ADJ(LSD)
/EMMEANS = TABLES(a*b) COMPARE (a) ADJ(LSD).
注意最后两句,采用EMMEANS进行简单效应分析,
其选项ADJ表示均值检验方法,有3种方法可供选择,
常用的是LSD。
运行该语句(Ctrl+r)的下列结果。
注意,该语句前
面还有数据集设置(DATASET ACTIVATE 数据集1.),不能
写错数据集的名称。
表1 主体间效应的检验
因变量: 单产
源III 型平方和df 均方 F Sig.
假设1524883353.546 1 1524883353.546 41177.914 .000
截距
误差74063.167 2 37031.584a
假设5090978.401 2 2545489.201 257.340 .000
a
误差39566.096 4 9891.524b
假设2253126.736 2 1126563.368 79.838 .000
b
误差169326.808 12 14110.567c
假设74063.167 2 37031.584 3.744 .121
r
误差39566.096 4 9891.524b
假设39566.096 4 9891.524 .701 .606
r(a)
误差169326.808 12 14110.567c
假设836244.524 4 209061.131 14.816 .000
a * b
误差169326.808 12 14110.567c
a. MS(r)
b. MS(r(a))
c. MS(错误)
表1显示互作显著,因此有必要进行简单效应分析。
表2、3为主效应间的多重比较。
表4为三个品种在不同密度下产量均值及差异显著性,表5为三种密度下不同品种的差异。
表4、5就是我们要进行的简单效应分析。
表4 成对比较
因变量: 单产
品种(I) 密度(J) 密度均值差值 (I-J) 标准误差Sig.b差分的 95% 置信区间b
下限上限
9398 10万
15万-42.224 96.990 .671 -253.547 169.099
20万-920.046*96.990 .000 -1131.369 -708.723 15万
10万42.224 96.990 .671 -169.099 253.547
20万-877.822*96.990 .000
-1089.145 -666.499 20万
10万920.046*96.990 .000 708.723 1131.369
15万877.822*96.990 .000 666.499 1089.145
ts28 10万
15万50.002 96.990 .616 -161.320 261.325
20万-355.573*96.990 .003 -566.896 -144.250 15万
10万-50.002 96.990 .616 -261.325 161.320
20万-405.576*96.990 .001 -616.899 -194.253 20万
10万355.573*96.990 .003 144.250 566.896
15万405.576*96.990 .001 194.253 616.899
xm26 10万
15万-713.925*96.990 .000 -925.247 -502.602
20万-811.152*96.990 .000 -1022.475 -599.829 15万
10万713.925*96.990 .000 502.602 925.247
20万-97.227 96.990 .336 -308.550 114.096 20万10万811.152*96.990 .000 599.829 1022.475
15万97.227 96.990 .336 -114.096 308.550 基于估算边际均值
*. 均值差值在 0.05 级别上较显著。
b. 对多个比较的调整:最不显著差别(相当于未作调整)。
表5 成对比较
因变量: 单产
密度(I) 品种(J) 品种均值差值 (I-J) 标准误差Sig.b差分的 95% 置信区间b
下限上限
10万9398
ts28 -1211.727*96.990 .000 -1423.050 -1000.404
xm26 21.668 96.990 .827 -189.655 232.991 ts28
9398 1211.727*96.990 .000 1000.404 1423.050
xm26 1233.395*96.990 .000 1022.072 1444.718 xm26
9398 -21.668 96.990 .827 -232.991 189.655
ts28 -1233.395*96.990 .000 -1444.718 -1022.072
15万9398
ts28 -1119.500*96.990 .000 -1330.823 -908.178
xm26 -650.033*96.990 .000 -861.355 -438.710 ts28
9398 1119.500*96.990 .000 908.178 1330.823
xm26 469.468*96.990 .000 258.145 680.791 xm26
9398 650.033*96.990 .000 438.710 861.355
ts28 -469.468*96.990 .000 -680.791 -258.145
20万9398
ts28 -647.255*96.990 .000 -858.577 -435.932
xm26 130.562 96.990 .203 -80.761 341.885 ts28
9398 647.255*96.990 .000 435.932 858.577
xm26 777.817*96.990 .000 566.494 989.140 xm26
9398 -130.562 96.990 .203 -341.885 80.761
ts28 -777.817*96.990 .000 -989.140 -566.494
基于估算边际均值
*. 均值差值在 0.05 级别上较显著。
b. 对多个比较的调整:最不显著差别(相当于未作调整)。