板式平焊钢制管法兰尺寸
- 格式:ppt
- 大小:2.07 MB
- 文档页数:16
示例1:公称通径1200mm、公称压力0.6MPa、配用公制管的突面板式平焊钢制管法兰,材料为Q235-A,其标记为:HG20592 法兰PL1200—0.6 RF Q235A示例2:公称通径300mm、公称压力2.5MPa、配用英制管的凸面带颈平焊法兰钢制管法兰,材料为20 钢,其标记为:HG20592 法兰 SO 300(A)—2.5 M 20示例3:公称通径100mm、公称压力10.0MPa、配用公制管的凹面带颈对焊钢制管法兰,材料为16Mn,钢管壁厚为8mm,其标记为:HG20592 法兰WN100 —10.0 FM S=8mm 16Mn示例4:公称通径150mm、公称压力16.0MPa、配用英制管的环连接面带颈对焊钢制管法兰,材料为16Mn,钢管壁厚为10mm,其标记为:HG20592 法兰WN150(A)—16.0 RJ S=10mm 16Mn示例5:公称通径500mm、公称压力1.6MPa、榫面整体钢制管法兰,材料为WCB,密封面表面粗糙度为Ra0.8~1.6,,其标记为:HG20592 法兰IF500 —1.6 T WCB Ra0.8~1.6示例6:公称通径40mm、公称压力6.3MPa、配用英制管的突面承插焊钢制管法兰,材料为304,其标记为:HG20592 法兰SW40(A)—6.3 RF 304示例7:公称通径80mm、公称压力2.5MPa、采用NPT螺纹的突面螺纹钢制管法兰,材料为20钢,其标记为:HG20592 法兰Th80(NPT)—2.5 RF 20示例8:公称通径65mm、公称压力1.6MPa、采用Rc螺纹的全平面螺纹钢制管法兰,材料为316,其标记为:HG20592 法兰Th65(Rc)—1.6 FF 316示例9:公称通径200mm、公称压力1.0MPa、配用公制管的突面对焊环松套钢制管法兰,材料为:法兰20、对焊环316,钢管壁厚为4mm,其标记为:HG20592 法兰PJ/SE200 —1.0 RF S=4mm 20/316示例10:公称通径300mm、公称压力1.0MPa、配用英制管的凹面平焊环松套钢制管法兰,材料为:法兰20、平焊环316,其标记为:HG20592 法兰PJ/PR300(A) —1.0 FM S=4mm 20/316示例11:公称通径300mm、公称压力10.0MPa、榫面钢制管法兰盖,材料为16Mn,其标记为:HG20592 法兰盖BL300 —10.0 G 16Mn示例12:公称通径400mm、公称压力1.6MPa的突面衬里钢制管法兰盖,材料为:衬里321,法兰盖本体20钢,其标记为:HG20592 法兰盖BL(S)400 —1.6 RF 20/321。
PN10板式平焊钢制管法兰标准尺寸表1. 引言在工业生产和建筑行业中,法兰是一种常见的连接零件,用于连接管道、阀门、泵等设备。
而PN10板式平焊钢制管法兰作为一种常见的法兰类型,其标准尺寸表对于工程设计以及设备安装都具有重要意义。
本文将深入探讨PN10板式平焊钢制管法兰标准尺寸表的相关内容,帮助读者更全面地了解这一主题。
2. PN10板式平焊钢制管法兰标准尺寸表概述PN10板式平焊钢制管法兰是一种法兰连接标准,其公称压力为10bar。
根据不同的国际标准,PN10法兰的尺寸表也会有所不同,例如EN 1092-1标准、DIN标准等。
这些尺寸表包括了法兰的外径、孔径、螺栓孔数量和直径等参数,用于指导法兰的选择和安装。
3. PN10板式平焊钢制管法兰标准尺寸表详解根据EN 1092-1标准,PN10板式平焊钢制管法兰的尺寸表可以分为不同类型,包括Type 01(板式法兰)、Type 02(颈形法兰)、Type 05(盲法兰)等。
每种类型的法兰都有其独特的尺寸表,包括法兰的直径、厚度、螺孔孔径和数量等参数。
这些尺寸表的制定旨在保证法兰在正常工作压力下能够安全可靠地连接管道和设备。
4. PN10板式平焊钢制管法兰标准尺寸表的应用PN10板式平焊钢制管法兰标准尺寸表的应用范围广泛,涉及石油化工、电力、供水供暖等领域。
工程设计师在进行管道设计时,需要根据工程要求选择合适的法兰尺寸,以确保管道系统的安全运行。
安装人员在进行管道安装时,也需要严格按照法兰尺寸表的要求进行操作,避免因不当安装导致泄漏或故障。
5. 总结PN10板式平焊钢制管法兰标准尺寸表作为一项重要的工程标准,对于保障工程设备的安全和可靠运行具有不可替代的作用。
工程设计师和安装人员需要深入了解这些尺寸表的内容,严格遵循标准要求进行设计和安装工作。
只有在严格遵守标准的前提下,才能确保工程设备的安全运行,为社会和经济发展提供稳定可靠的支持。
个人观点和理解作为一名工程师,我深知PN10板式平焊钢制管法兰标准尺寸表对于工程设计和设备安装的重要性。
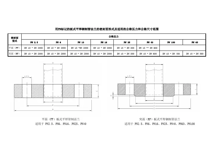
PN 2.5PN 6 PN 10 PN 16 PN 25 PN 40PN 100PN 63平面(FF) DN 10 - DN 2000 DN 10 - DN 2000 DN 10 -DN 2000 DN 10 - DN 2000 DN 10 - DN 800DN 10 -- DN 600突面(RF) DN 10 - DN 2000DN 10 - DN 2000DN 10 - DN 2000DN 10 - DN 2000DN 10 - DN 800DN 10 - DN 600DN 10 - DN 400DN 10 - DN 350突面(RF)板式平焊钢制管法兰适用于 PN2.5、PN6、PN16、PN25、PN40、PN63、PN100用PN标记的板式平焊钢制管法兰的密封面形式及适用的公称压力和公称尺寸范围公称压力密封面型式平面(FF)板式平焊管制法兰适用于 PN2.5、PN6、PN16、PN25、PN40平面FF 平面FF 突面RF 突面RF 平面FF 突面RF1017.2147550114M101235218150.360.360.310.32120.380.331521.3188055114M101240222190.400.410.350.36120.440.382026.9259065114M101450227.5260.590.600.530.54140.660.592533.73210075114M101460234.5330.720.730.650.65140.820.753242.43812090144M121670243.539 1.16 1.19 1.05 1.0914 1.18 1.074048.345130100144M121680349.546 1.35 1.38 1.17 1.2014 1.39 1.215060.357140110144M121690361.559 1.48 1.51 1.28 1.3114 1.62 1.436576.176160130144M1216110377.578 1.86 1.85 1.62 1.6114 2.14 1.918088.989190150184M1618128390.591 2.95 2.94 2.61 2.6016 3.43 3.09100114.3108210170184M16181483116110 3.26 3.41 2.87 3.0216 4.22 3.84125139.7133240200188M16201783141.5135 4.31 4.54 3.88 4.1018 6.10 5.67150168.3159265225188M16202023170.5161 4.76 5.14 4.26 4.65187.517.01200219.1219320280188M16222583221.5222 6.88 6.85 6.27 6.242012.3111.692502732733753351812M16243123276.52768.928.968.198.232218.5517.82300323.93254403952212M20243654327.532811.9211.8710.5710.522225.4724.13350355.63774904452212M20264154359.538016.8414.4115.3112.882231.7830.25400406.44265404952216M2028465441143019.8417.0818.1715.412238.5036.834504574805955502216M2030520446248424.5720.7222.7018.852451.2449.375005085306456002220M20305704513.553426.3922.4224.3820.412460.1358.126006106307557052620M24326705616.563434.8130.4931.4927.1730102.9399.617007117208608102624M2440775571572452.3249.1348.5445.3440178.40174.618008138209759203024M2744880581782470.9567.8366.1863.0744252.02247.26900914920107510203024M2748980591892486.2182.9480.8577.5848335.60330.25100010161020117511203028M27521080510201024101.0098.3895.1792.5552434.55428.72120012191220137513203032M27601280512231224135.43134.52128.54127.6350573.94567.06140014221420157515203036M27651480514261424166.21168.50158.26160.5557860.37852.42160016261620179017303040M27721690516301624226.93235.59217.31225.97641250.081240.47180018291820199019303044M27791890518331824273.05289.09262.31278.35701692.001681.26200020322020219021303048M27862090520362024322.17348.00310.30336.14782285.672273.81f 数量n 系列Ⅰ公称通径DN 钢管外径A 连接尺寸密封面尺寸法兰厚度C法兰内径B d 系列Ⅰ系列Ⅱ螺纹规格螺栓孔中心圆直径K 螺栓孔径L 螺栓法兰外径D 法兰理论重量(kg)系列Ⅰ系列Ⅱ系列Ⅱ系列ⅠPN2.5 板式平焊钢制管法兰(GB/T9119-2010)注:公称尺寸DN10-DN1000的法兰使用PN6的法兰尺寸。
板式平焊钢制管法兰(欧洲体系)HG20593—971主题内容与适用范围本标准规定了板式平焊钢制管法兰(欧洲体系)的型式、尺寸、技术要求和有关使用规定。
本标准适用于公称压力PNO.25MPa(2.5bar)~2.5MPa(25bar)的板式平焊钢制管法兰。
本标准规定的板式平焊法兰适用于HG20592所规定的A、B两个钢管外径系列。
2引用标准HG20592《钢制管法兰型式、参数(欧洲体系)》HG20603《钢制管法兰技术条件(欧洲体系)》HG20604《钢制管法兰压力~温度等级(欧洲体系)》HG20605《钢制管法兰焊接接头和坡口尺寸(欧洲体系)》HG20613《钢制管法兰用紧固件(欧洲体系)》HG20614《钢制管法兰、垫片、紧固件选配规定(欧洲体系)》3法兰密封面型式及适用范围3.0.1法兰的密封面型式有突面(RF)、全平面(FF)两种。
其尺寸及选用按HG20592第6章、第8章的规定。
突面法兰的密封面尺寸f1包括在法兰厚度C内。
3.0.2各种密封面型式法兰适用的压力、通径范围按表3.O.2的规定。
表3.0.2适用范围(mm)公称压力PN,Mpa(bar)密封面型式0.25 (2.5)0.6(6)1.0(10)1.6(16)2.5(25)突面(RF)DN10~2000DN10~600全平面(FF)DN10~600—4法兰尺寸法兰的尺寸按图4—1和表4—1~5的规定。
表4—1PNO.25MPa(2.5bar)板式平焊钢制管法兰表4—2PNO.6MPa(6bar)板式平焊钢制管法兰表4—3PN1.0MPa(10bar)板式平焊锕制管法兰表4—4PN1.6MPa(16bar)板式平焊钢制管法兰表4—5PN2.5MPa(25bar)板式平焊钢制管法兰图4—1板式平焊钢制管法兰(PL)表4—2PNO.6MPa(6bar)板式平焊钢制管法兰5技术要求法兰的技术要求按HG20603的规定。
6最高无冲击工作压力法兰的公称压力和不同温度下的最高无冲击工作压力按HG20604的规定。
公称 尺寸 DNA B法兰外径 D 螺栓孔中心圆直径 K 螺栓孔 直径L螺栓孔数量 n(个) 螺栓 Th法兰厚度C (mm) 法兰内径 B1A B10 17.2 14 75 50 11 4 M10 35 12 18 15 15 21.3 18 80 55 11 4 M10 40 12 22.5 19 20 26.9 25 90 65 11 4 M10 50 14 27.5 26 25 33.7 32 100 75 11 4 M10 60 14 34.5 33 32 42.4 38 120 90 14 4 M12 70 16 43.5 39 40 48.3 45 130 100 14 4 M12 80 16 49.5 46 50 60.3 57 140 110 14 4 M12 90 16 61.5 59 65 76.1 76 160 130 14 4 M12 110 16 77.5 78 80 88.9 89 190 150 18 4 M16 128 18 90.5 91 100 114.3 108 210 170 18 4 M16 148 18 116 110 125 139.7 133 240 200 18 8 M16 178 20 143.5 135 150 168.3 159 265 225 18 8 M16 202 20 170.5 161 200 219.1 219 320 280 18 8 M16 258 22 221.5 222 250 273 273 375 335 18 12 M16 312 24 276.5 276 300 323.9 325 440 395 22 12 M20 365 24 328 328 350 355.6 377 490 445 22 12 M20 415 26 360 381 400 406.4 426 540 495 22 16 M20 465 28 411 430 450 457 480 595 550 22 16 M20 520 30 462 485 500 508 530 645 600 22 20 M20 570 30 513.5 535 600 610 630 755 705 26 20 M24 670 32 616.5 636 700 711 720 860 810 26 24 M24 775 36 715 724 800 813 820 975 920 30 24 M27 880 38 817 824 900 914 920 1075 1020 30 24 M27 980 40 918 924 1000 1016 1020 1175 1120 30 28 M27 1080 42 1020 1024 1200 1219 1220 1375 1320 30 32 M27 1280 44 1223 1224 1400 1422 1420 1575 1520 30 36 M27 1480 48 1426 1424 1600 1626 1620 1790 1730 30 40 M27 1690 51 1630 1624 1800 1829 1820 1990 1930 30 44 M27 1890 54 1833 1824 200020322020219021303048M2720905820362024钢管外径 A1连接尺寸PN2.5 板式平焊钢制管法兰RF 密封 面尺寸dPN6 板式平焊钢制管法兰(mm)公称尺寸DN法兰 A B外径 D螺栓孔中心圆直径 K 螺栓孔 直径 L 螺栓孔 数量n( 个) 法兰厚度C 法兰内径 B1A B10 17.2 14 75 50 11 4 M10 35 12 18 15 15 21.3 18 80 55 11 4 M10 40 12 22.5 19 20 26.9 25 90 65 11 4 M10 50 14 27.5 26 25 33.7 32 100 75 11 4 M10 60 14 34.5 33 32 42.4 38 120 90 14 4 M12 70 16 43.5 39 40 48.3 45 130 100 14 4 M12 80 16 49.5 46 50 60.3 57 140 110 14 4 M12 90 16 61.5 59 65 76.1 76 160 130 14 4 M12 110 16 77.5 78 80 88.9 89 190 150 18 4 M16 128 18 90.5 91 100 114.3 108 210 170 18 4 M16 148 18 116 110 125 139.7 133 240 200 18 8 M16 178 20 143.5 135 150 168.3 159 265 225 18 8 M16 202 20 170.5 161 200 219.1 219 320 280 18 8 M16 258 22 221.5 222 250 273 273 375 335 18 12 M16 312 24 276.5 276 300 323.9 325 440 395 22 12 M20 365 24 328 328 350 355.6 377 490 445 22 12 M20 415 26 360 381 400 406.4 426 540 495 22 16 M20 465 28 411 430 450 457 480 595 550 22 16 M20 520 30 462 485 500 508 530 645 600 22 20 M20 570 30 513.5 535 6006106307557052620M2467032616.5636钢管外径 A1连接尺寸螺栓 RF 密封面 Th尺寸 d公称 尺寸 DNA B法兰外径 D 螺栓孔中心圆直径 K 螺栓孔 直径 L 螺栓孔 数量 n(个) 螺栓ThRF 密封面 尺寸 d 法兰厚度C(mm) 法兰内径 B1A B10 17.2 14 90 60 14 4 M12 40 14 18 15 15 21.3 18 95 65 14 4 M12 45 14 22.5 19 20 26.9 25 105 75 14 4 M12 58 16 27.5 26 25 33.7 32 115 85 14 4 M12 68 16 34.5 33 32 42.4 38 140 100 18 4 M16 78 18 43.5 39 40 48.3 45 150 110 18 4 M16 88 18 49.5 46 50 60.3 57 165 125 18 4 M16 102 19 61.5 59 65 76.1 76 185 145 18 8 M16 122 20 77.5 78 80 88.9 89 200 160 18 8 M16 138 20 90.5 91 100 114.3 108 220 180 18 8 M16 158 22 116 110 125 139.7 133 250 210 18 8 M16 188 22 143.5 135 150 168.3 159 285 240 22 8 M20 212 24 170.5 161 200 219.1 219 340 295 22 8 M20 268 24 221.5 222 250 273 273 395 350 22 12 M20 320 26 276.5 276 300 323.9 325 445 400 22 12 M20 370 26 328 328 350 355.6 377 505 460 22 16 M20 430 28 360 381 400 406.4 426 565 515 26 16 M24 482 32 411 430 450 457 480 615 565 26 20 M24 532 36 462 485 500 508 530 670 620 26 20 M24 585 38 513.5 535 6006106307807253020M2768542616.5636钢管外径 A1连接尺寸PN10 板式平焊钢制管法兰PN16 板式平焊钢制管法兰(mm)公称 尺寸 DNA B 法兰外径 D 螺栓孔中心圆直径 K 螺栓孔 直径 L螺栓孔数量 n(个) 法兰厚度 C 法兰内径 B1A B坡口宽度 b10 17.2 14 90 60 14 4 M12 40 14 18 15 4 15 21.3 18 95 65 14 4 M12 45 14 22.5 19 4 20 26.9 25 105 75 14 4 M12 58 16 27.5 26 4 25 33.7 32 115 85 14 4 M12 68 16 34.5 33 5 32 42.4 38 140 100 18 4 M16 78 18 43.5 39 5 40 48.3 45 150 110 18 4 M16 88 18 49.5 46 5 50 60.3 57 165 125 18 4 M16 102 19 61.5 59 5 65 76.1 76 185 145 18 8 M16 122 20 77.5 78 6 80 88.9 89 200 160 18 8 M16 138 20 90.5 91 6 100 114.3 108 220 180 18 8 M16 158 22 116 110 6 125 139.7 133 250 210 18 8 M16 188 22 143.5 135 6 150 168.3 159 285 240 22 8 M20 212 24 170.5 161 6 200 219.1 219 340 295 22 12 M20 268 26 221.5 222 8 250 273 273 405 355 26 12 M24 320 29 276.5 276 10 300 323.9 325 460 410 26 12 M24 378 32 328 328 11 350 355.6 377 520 470 26 16 M24 428 35 360 381 12 400 406.4 426 580 525 30 16 M27 490 38 411 430 12 450 457 480 640 585 30 20 M27 550 42 462 485 12 500 508 530 715 650 33 20 M30 610 46 513.5 535 12 6006106308407703620M3372552616.563612钢管外径 A1连接尺寸螺栓RF 密封 面尺寸 Thd公称 尺寸 DN A B 法兰外径 D 螺栓孔中心圆直径 K 螺栓孔直径 螺栓孔数 量螺栓Th法兰厚度C (mm) 法兰内径 B1A B坡口宽度 b10 17.2 14 90 60 14 4 M12 40 14 18 15 4 15 21.3 18 95 65 14 4 M12 45 14 22.5 19 4 20 26.9 25 105 75 14 4 M12 58 16 27.5 26 4 25 33.7 32 115 85 14 4 M12 68 16 34.5 33 5 32 42.4 38 140 100 18 4 M16 78 18 43.5 39 5 40 48.3 45 150 110 18 4 M16 88 18 49.5 46 5 50 60.3 57 165 125 18 4 M16 102 20 61.5 59 5 65 76.1 76 185 145 18 8 M16 122 22 77.5 78 6 80 88.9 89 200 160 18 8 M16 138 24 90.5 91 6 100 114.3 108 235 190 22 8 M20 162 26 116 110 6 125 139.7 133 270 220 26 8 M24 188 28 143.5 135 6 150 168.3 159 300 250 26 8 M24 218 30 170.5 161 6 200 219.1 219 360 310 26 12 M24 278 32 221.5 222 8 250 273 273 425 370 30 12 M27 335 35 276.5 276 10 300 323.9 325 485 430 30 16 M27 395 38 328 328 11 350 355.6 377 555 490 33 16 M30 450 42 360 381 12 400 406.4 426 620 550 36 16 M33 505 46 411 430 12 450 457 480 670 600 36 20 M33 555 50 462 485 12 500 508 530 730 660 36 20 M33 615 56 513.5 535 12 6006106308457703920M36X372068616.563612钢管外径 A1连接尺寸PN25 板式平焊钢制管法兰RF 密封 面尺寸 dPN40 板式平焊钢制管法兰钢管外径A1 连接尺寸(mm)法兰内径B1尺寸DN A B 法兰外径D螺栓孔中心圆直径K螺栓孔直径L螺栓孔数量螺栓ThRF密封面尺寸d厚度C A B宽度b10 17.2 14 90 60 14 4 M12 40 14 18 15 4 15 21.3 18 95 65 14 4 M12 45 14 22.5 19 4 20 26.9 25 105 75 14 4 M12 58 16 27.5 26 4 25 33.7 32 115 85 14 4 M12 68 16 34.5 33 5 32 42.4 38 140 100 18 4 M16 78 18 43.5 39 5 40 48.3 45 150 110 18 4 M16 88 18 49.5 46 5 50 60.3 57 165 125 18 4 M16 102 20 61.5 59 5 65 76.1 76 185 145 18 8 M16 122 22 77.5 78 6 80 88.9 89 200 160 18 8 M16 138 24 90.5 91 6 100 114.3 108 235 190 22 8 M20 162 26 116 110 6 125 139.7 133 270 220 26 8 M24 188 28 143.5 135 6 150 168.3 159 300 250 26 8 M24 218 30 170.5 161 6 200 219.1 219 375 320 30 12 M27 285 36 221.5 222 8 250 273 273 450 385 33 12 M30 345 42 276.5 276 10 300 323.9 325 515 450 33 16 M30 410 48 328 328 11 350 355.6 377 580 510 36 16 M33 465 54 360 381 12 400 406.4 426 660 585 39 16 M36X3 535 60 411 430 12 450 457 480 685 610 39 20 M36X3 560 66 462 485 12 500 508 530 755 670 42 20 M39X3 615 72 513.5 535 12 600 610 630 890 795 48 20 M45X3 735 84 616.5 636 12公称法兰坡口PN2.5 钢制管法兰盖(mm)连接尺寸公称尺寸DN法兰外径D 螺栓孔中心圆直径K螺栓孔直径L螺栓孔数量n(个)螺栓ThRF密封面尺寸d法兰厚度C10 75 50 11 4 M10 35 12 15 80 55 11 4 M10 40 12 20 90 65 11 4 M10 50 14 25 100 75 11 4 M10 60 14 32 120 90 14 4 M12 70 14 40 130 100 14 4 M12 80 14 50 140 110 14 4 M12 90 14 65 160 130 14 4 M12 110 14 80 190 150 18 4 M16 128 16 100 210 170 18 4 M16 148 16 125 240 200 18 8 M16 178 18 150 265 225 18 8 M16 202 18 200 320 280 18 8 M16 258 20 250 375 335 18 12 M16 312 22 300 440 395 22 12 M20 365 22 350 490 445 22 12 M20 415 22 400 540 495 22 16 M20 465 22 450 595 550 22 16 M20 520 24 500 645 600 22 20 M20 570 24 600 755 705 26 20 M24 670 30 700 860 810 26 24 M24 775 40 800 975 920 30 24 M27 880 44 900 1075 1020 30 24 M27 980 48 1000 1175 1120 30 28 M27 1080 52 1200 1375 1320 30 32 M27 1280 44 1400 1575 1520 30 36 M27 1480 48 1600 1790 1730 30 40 M27 1690 51 1800 1990 1930 30 44 M27 1890 54 2000 2190 2130 30 48 M27 2090 58PN6 钢制管法兰盖(mm)连接尺寸公称尺寸DN法兰外径D 螺栓孔中心圆直径K螺栓孔直径L螺栓孔数量n(个)螺栓ThRF密封面尺寸d法兰厚度C10 75 50 11 4 M10 35 12 15 80 55 11 4 M10 40 12 20 90 65 11 4 M10 50 14 25 100 75 11 4 M10 60 14 32 120 90 14 4 M12 70 14 40 130 100 14 4 M12 80 14 50 140 110 14 4 M12 90 14 65 160 130 14 4 M12 110 14 80 190 150 18 4 M16 128 16 100 210 170 18 4 M16 148 16 125 240 200 18 8 M16 178 18 150 265 225 18 8 M16 202 18 200 320 280 18 8 M16 258 20 250 375 335 18 12 M16 312 22 300 440 395 22 12 M20 365 22 350 490 445 22 12 M20 415 22 400 540 495 22 16 M20 465 22 450 595 550 22 16 M20 520 24 500 645 600 22 20 M20 570 24 600 755 705 26 20 M24 670 30公称尺寸DN法兰外径D 螺栓孔中心圆直径K连接尺寸螺栓孔直径L螺栓孔数量n(个)螺栓ThRF密封面尺寸d法兰厚度C10 90 60 14 4 M12 40 16 15 95 65 14 4 M12 45 16 20 105 75 14 4 M12 58 18 25 115 85 14 4 M12 68 18 32 140 100 18 4 M16 78 18 40 150 110 18 4 M16 88 18 50 165 125 18 4 M16 102 18 65 185 145 18 8 M16 122 18 80 200 160 18 8 M16 138 20 100 220 180 18 8 M16 158 20 125 250 210 18 8 M16 188 22 150 285 240 22 8 M20 212 22 200 340 295 22 8 M20 268 24 250 395 350 22 12 M20 320 26 300 445 400 22 12 M20 370 26 350 505 460 22 16 M20 430 26 400 565 515 26 16 M24 482 26 450 615 565 26 20 M24 532 28 500 670 620 26 20 M24 585 28 600 780 725 30 20 M27 685 34连接尺寸公称尺寸DN法兰外径D 螺栓孔中心圆直径K螺栓孔直径L螺栓孔数量n(个)螺栓ThRF密封面尺寸d法兰厚度C10 90 60 14 4 M12 40 16 15 95 65 14 4 M12 45 16 20 105 75 14 4 M12 58 18 25 115 85 14 4 M12 68 18 32 140 100 18 4 M16 78 18 40 150 110 18 4 M16 88 18 50 165 125 18 4 M16 102 18 65 185 145 18 8 M16 122 18 80 200 160 18 8 M16 138 20 100 220 180 18 8 M16 158 20 125 250 210 18 8 M16 188 22 150 285 240 22 8 M20 212 22 200 340 295 22 12 M20 268 24 250 405 355 26 12 M24 320 26 300 460 410 26 12 M24 378 28 350 520 470 26 16 M24 428 30 400 580 525 30 16 M27 490 32 450 640 585 30 20 M27 550 40 500 715 650 33 20 M30 610 44 600 840 770 36 20 M33 725 54PN25 钢制管法兰盖(mm)连接尺寸公称尺寸DN法兰外径D 螺栓孔中心圆直径K螺栓孔直径L螺栓孔数量n(个)螺栓ThRF密封面尺寸d法兰厚度C10 90 60 14 4 M12 40 16 15 95 65 14 4 M12 45 16 20 105 75 14 4 M12 58 18 25 115 85 14 4 M12 68 18 32 140 100 18 4 M16 78 18 40 150 110 18 4 M16 88 18 50 165 125 18 4 M16 102 20 65 185 145 18 8 M16 122 22 80 200 160 18 8 M16 138 24 100 235 190 22 8 M20 162 24 125 270 220 26 8 M24 188 26 150 300 250 26 8 M24 218 28 200 360 310 26 12 M24 278 30 250 425 370 30 12 M27 335 32 300 485 430 30 16 M27 395 34 350 555 490 33 16 M30 450 38 400 620 550 36 16 M33 505 40 450 670 600 36 20 M33 555 46 500 730 660 36 20 M33 615 48 600 845 770 39 20 M36X3 720 58PN40 钢制管法兰盖(mm)公称尺寸DN法兰外径D 螺栓孔中心圆直径K连接尺寸螺栓孔直径L螺栓孔数量n(个)螺栓ThRF密封面尺寸d法兰厚度C10 90 60 14 4 M12 40 16 15 95 65 14 4 M12 45 16 20 105 75 14 4 M12 58 18 25 115 85 14 4 M12 68 18 32 140 100 18 4 M16 78 18 40 150 110 18 4 M16 88 18 50 165 125 18 4 M16 102 20 65 185 145 18 8 M16 122 22 80 200 160 18 8 M16 138 24 100 235 190 22 8 M20 162 24 125 270 220 26 8 M24 188 26 150 300 250 26 8 M24 218 28 200 375 320 30 12 M27 285 36 250 450 385 33 12 M30 345 38 300 515 450 33 16 M30 410 42 350 580 510 36 16 M33 465 46 400 660 585 39 16 M36X3 535 50 450 685 610 39 20 M36X3 560 57 500 755 670 42 20 M39X3 615 57 600 890 795 48 20 M45X3 735 72。
pn10板式平焊钢制管法兰标准尺寸表【文章标题】:深度解析pn10板式平焊钢制管法兰标准尺寸表一、引言在工业领域中,管道连接是一项至关重要的工作。
而在管道连接中,法兰作为一种常用的连接方式,不仅可以使管道连接更牢固、更密封,同时还能方便地拆卸和安装。
而论及法兰的种类和标准尺寸,我们不得不提及pn10板式平焊钢制管法兰标准尺寸表。
本文将围绕这一主题展开全面评估,并深入探讨。
二、pn10板式平焊钢制管法兰标准尺寸表的概述1. pn10板式平焊钢制管法兰标准尺寸表的定义在工业管道系统中,pn10板式平焊钢制管法兰标准尺寸表是指符合PN10标准压力的板式法兰和钢制管的连接标准尺寸表。
这种标准尺寸表的设计能够确保管道连接的牢固和密封。
2. pn10板式平焊钢制管法兰标准尺寸表的适用范围这种标准尺寸表适用于PN10标准压力下的板式法兰和钢制管的连接,适用于各种工业领域的管道系统。
3. pn10板式平焊钢制管法兰标准尺寸表的特点- 尺寸丰富:标准尺寸表提供了丰富的尺寸选项,能够满足不同管道连接的需求。
- 标准化:采用国际或行业标准,确保连接的通用性和可靠性。
- 精准度高:经过精确计算和设计,确保管道连接的准确性和可靠性。
三、pn10板式平焊钢制管法兰标准尺寸表的详细解读1. 尺寸表内容的解析pn10板式平焊钢制管法兰标准尺寸表包括法兰的外径、内径、螺孔孔径、螺孔数量、螺孔直径等详细尺寸信息,这些信息对于正确选择和安装法兰至关重要。
2. 尺寸表的选择和应用在选择和应用pn10板式平焊钢制管法兰标准尺寸表时,需要充分考虑管道的工作压力、介质、温度等参数,以确保选用的法兰尺寸符合管道连接的要求。
四、案例分析举例说明pn10板式平焊钢制管法兰标准尺寸表在实际工程中的应用情况,包括选择标准尺寸表、安装使用过程中的注意事项等,为读者提供更直观的理解。
五、pn10板式平焊钢制管法兰标准尺寸表的个人观点和理解在我看来,pn10板式平焊钢制管法兰标准尺寸表作为管道连接的重要参考依据,不仅具有丰富的尺寸选项,而且标准化的设计确保了管道连接的可靠性和通用性。
JB/T81-94《凸面板式平焊钢制管法兰》
尺寸表
(~)
说明
1、本法兰尺寸表整理依据:
1)JB81-59《凸面板式平焊钢制管法兰》
2)GB/T9112-88《钢制管法兰类型与参数》、GB/T9119-88《平面、突面板式平焊钢制管法兰》
3)夏平编制的《JB81-94平焊钢制管法兰接管重量计算及绘图》程序(源自“化工设备技术论坛”)
4)HG20592-97《钢制管法兰形式、参数(欧洲体系)》、HG20593-97《板式平焊钢制管法兰(欧洲体系)》
5)钢制管法兰(欧洲体系HG20592~20614-97、美洲体系HG20615~20635-97)编制说明
2、尺寸表中系列1法兰连接尺寸与国标(GB)、化工标准(HG)及德国法兰(DIN)标准互换,系列2尺寸与原机标(JB81-59)尺寸互换,新产品设计优先采用系列1尺寸。
2、有三个法兰因螺栓个数不同,与GB、HG、DIN无法互换,分别是-DN500、-DN500、-DN80。
PN = MPa( Kgf/cm2)
PN = MPa( Kgf/cm2)
PN = MPa(6 Kgf/cm2)
PN = MPa(6 Kgf/cm2)
PN = MPa(10 Kgf/cm2)
PN = MPa(16 Kgf/cm2)
PN = MPa(25 Kgf/cm2)。
JB/T81-94《凸面板式平焊钢制管法兰》尺寸表(PN0.25MPa~PN2.5MPa)说 明1、本法兰尺寸表整理依据:1)JB81-59《凸面板式平焊钢制管法兰》2)GB/T9112-88《钢制管法兰 类型与参数》、GB/T9119-88《平面、突面板式平焊钢制管法兰》3)夏平编制的《JB81-94平焊钢制管法兰接管重量计算及绘图》程序(源自“化工设备技术论坛”)4)HG20592-97《钢制管法兰形式、参数(欧洲体系)》、HG20593-97《板式平焊钢制管法兰(欧洲体系)》5)钢制管法兰(欧洲体系HG20592~20614-97、美洲体系HG20615~20635-97)编制说明2、尺寸表中系列1法兰连接尺寸与国标(GB)、化工标准(HG)及德国法兰(DIN)标准互换,系列2尺寸与原机标(JB81-59)尺寸互换,新产品设计优先采用系列1尺寸。
2、有三个法兰因螺栓个数不同,与GB、HG、DIN无法互换,分别是PN0.25MPa-DN500、PN0.6MPa-DN500、PN1.0MPa-DN80。
PN = 0.25 MPa(2.5 Kgf/cm2)公称直径钢管直径法兰螺栓焊接DN d0 D D0系列1/系列2D1 D2 f bd系列1/系列2数量n螺纹系列1/系列2ksminH理论重量系列1/系列210 1415 75 5032210 12 4 M10 334 0.2515 1819 80 5540210 12 4 M10 334 0.2920 2526 90 6550212 12 4 M10 334 0.4525 32 33 100 75 60 2 12 12 4 M10 4 3.5 5 0.5532 38 39 120 90 70 2 12 14 4 M12 4 3.5 5 0.8040 45 46 130 100 80 3 12 14 4 M12 4 3.5 5 0.8750 57 59 140 110 90 3 12 14 4 M12 4 3.5 5 0.9565 73 75 160 130 110 3 14 14 4 M12 5 4 6 1.4380 89 91 190/185 150 125 3 14 18 4 M16 5 4 6 2.08/1.95 100 108 110 210/205 170 145 3 14 18 4 M16 5 4 6 2.34/2.20 125 133 135 240/235 200 175 3 14 18 8 M16 5 4 6 2.94/2.78 150 159 161 265/260 225 200 3 16 18 8 M16 5 4.5 6 3.70/3.49 (175)194196 290 2552303 16 18 8 M16 667 3.86 200 219 222 320/315 280 255 3 18 18 8 M16 7 6 8 5.17/4.88 (225)245248 340 3052803 20 18 8 M16 879 5.93 250 273 276 375/370 335 310 3 22 18 12 M16 9 8 107.76/7.32 300 325 328 440/435 395 362 4 22 23 12 M20 9 8 109.89/9.40 350 377 380 490/485 445 412 4 22 23 12 M20 109 1111.04/10.50 400 426 430 540/535 495 462 4 22 23 16 M20 109 1112.30/11.70 450 478 482 595/590 550 518 4 24 23 16 M20 109 1115.63/14.90 500*529 533 645/640 600 568 4 24 23 16 M20 109 1116.99/16.20 600 630634 755 7056705 24 26/25 20 M24/M221091120.60 700 720724 860 8107755 26 26/25 24 M24/M221091129.90PN = 0.25 MPa(2.5 Kgf/cm2)公称直径钢管直径法兰螺栓焊接DN d0 D D0系列1/系列2D1 D2 f bd系列1/系列2数量n螺纹系列1/系列2ksminH理论重量系列1/系列2800 820824 975 9208805 26 30 24 M27 1091136.70 900 920 924 1075 1020980 5 28 30 24 M27 109 1144.20 1000 1020 1024 1175 11201080 5 30 30 28 M27 109 1152.70 1200 1220 1124 1375 13201280 5 30 30 32 M27 1110 1265.90 1400 14201424 1575 15201480 5 32 30 36 M27 12111378.30 1600 1620 1624 1790/1785 17301690 5 32 30 40 M27 1312 1497.28/94.30PN = 0.6 MPa(6 Kgf/cm2)公称直径钢管直径法兰螺栓焊接DN d0 D D0系列1/系列2D1 D2 f bd系列1/系列2数量n螺纹系列1/系列2ksminH理论重量系列1/系列210 1415 75 5032212 12 4 M10 334 0.3115 1819 80 5540210 12 4 M10 334 0.3420 2526 90 6550214 12 4 M10 334 0.5425 32 33 100 75 60 2 14 12 4 M10 4 3.5 5 0.6432 38 39 120 90 70 2 16 14 4 M12 4 3.5 5 1.1040 45 46 130 100 80 3 16 14 4 M12 4 3.5 5 1.2250 57 59 140 110 90 3 16 14 4 M12 4 3.5 5 1.3565 73 75 160 130 110 3 16 14 4 M12 5 4 6 1.6780 89 91 190/185 150 125 3 18 18 4 M16 5 4 6 2.65/2.48 100 108 110 210/205 170 145 3 18 18 4 M16 5 4 6 3.08/2.89 125 133 135 240/235 200 175 3 20 18 8 M16 5 4 6 4.19/3.94 150 159 161 265/260 225 200 3 20 18 8 M16 5 4.5 6 4.75/4.47 (175)194196 290 2552303 22 18 8 M16 667 5.54 200 219 222 320/315 280 255 3 22 18 8 M16 7 6 8 6.44/6.07 (225)245248 340 3052803 22 18 8 M16 879 6.60 250 273 276 375/370 335 310 3 24 18 12 M16 9 8 108.51/8.03 300 325 328 440/435 395 362 4 24 23 12 M20 9 8 1010.84/10.30 350 377 380 490/485 455 412 4 26 23 12 M20 109 1113.25/12.59 400 426 430 540/535 495 462 4 28 23 16 M20 109 1115.99/15.20 450 478 482 595/590 550 518 4 28 23 16 M20 109 1118.47/17.59 500* 529 533 645/640 600 568 4 30 23 16 M20 109 1121.70/20.67 600 630634 755 7056705 30 26/25 20 M24/M221091126.57 700 720724 860 8107755 32 26/25 24 M24/M221091137.10PN = 0.6 MPa(6 Kgf/cm2)公称直径钢管直径法兰螺栓焊接DN d0 D D0系列1/系列2D1 D2 f bd系列1/系列2数量n螺纹系列1/系列2ksminH理论重量系列1/系列2800 820 824 975 920880 5 32 30 24 M27 109 1146.20 900 920 924 1075 1020980 5 34 30 24 M27 109 1155.10 1000 1020 1024 1175 11201080 5 36 30 28 M27 109 1157.30PN = 1.0 MPa(10 Kgf/cm2)公称直径钢管直径法兰螺栓焊接DN d0 D D0系列1/系列2D1 D2 f bd系列1/系列2数量n螺纹系列1/系列2ksminH理论重量系列1/系列210 1415 90 6040212 14 4 M12 334 0.4615 1819 95 6545212 14 4 M12 334 0.5120 25 26 105 7555 2 14 14 4 M12 3 3 4 0.7525 32 33 115 8565 2 14 14 4 M12 43.55 0.8932 38 39 140/135 10078 2 16 18 4 M16 43.55 1.52/1.4040 45 46 150/145 11085 3 18 18 4 M16 43.55 1.85/1.7150 57 59 165/160 125100 3 18 18 4 M16 43.55 2.24/2.0965 73 75 185/180 145120 3 20 18 4 M16 5 4 6 3.03/2.84 80* 89 91 200/195 160135 3 20 18 4 M16 5 4 6 3.45/3.24 100 108 110 220/215 180155 3 22 18 8 M16 5 4 6 4.26/4.01 125 133 135 250/245 210185 3 24 18 8 M16 5 4 6 5.72/5.40 150 159 161 285/280 240210 3 24 23 8 M20 5 4.5 6 6.49/6.12 (175)194 196 310 270 240 3 24 23 8 M20 6 6 7 7.44200 219 222 340/335 295265 3 24 23 8 M20 7 6 8 8.68/8.24 (225)245 248 365 325 295 3 24 23 8 M20 8 7 9 9.30250 273 276 395/390 350320 3 26 23 12 M20 9 8 10 11.26/10.70 300 325 328 445/440 400368 4 28 23 12 M20 9 8 10 13.55/12.90 350 377 380 505/500 460428 4 28 23 16 M20 109 11 16.64/15.90 400 426 430 565 515482 4 30 26/25 16 M24/M22 109 11 21.80 450 478 482 615 565532 4 30 26/25 20 M24/M22 109 11 24.40 500 529 533 670 620585 4 32 26/25 20 M24/M22 109 11 27.70 600 630 634 780 725685 5 36 30 20 M27 109 11 39.40PN = 1.6 MPa(16 Kgf/cm2)公称直径钢管直径法兰螺栓焊接DN d0 D D0系列1/系列2D1 D2 f bD系列1/系列2数量n螺纹系列1/系列2kSMinH理论重量系列1/系列210 14 15 90 6040 2 14 14 4 M12 334 0.5515 18 19 95 6545 2 14 14 4 M12 334 0.7120 25 26 105 7555 2 16 14 4 M12 334 0.8725 32 33 115 8565 2 18 14 4 M12 43.55 1.1732 38 39 140/135 10078 2 18 18 4 M16 43.55 1.74/1.6040 45 46 150/145 11085 3 20 18 4 M16 43.55 2.15/2.0050 57 59 165/160 1251003 22 184 M16 43.55 2.80/2.6165 73 75 185/180 1451203 24 18 4 M16 546 3.69/3.4580 89 91 200//195 1601353 24 18 8 M16 546 3.97/3.71 100 108 110 220/215 180155 3 26 18 8 M16 5 4 6 5.11/4.80 125 133 135 250/245 210185 3 28 18 8 M16 5 4 6 6.85/6.47 150 159 161 185/280 240210 3 28 23 8 M20 5 4.5 6 8.36/7.92 (175)194 196 310 270 240 3 28 23 8 M20 6 6 7 8.81200 219 222 340/335 295265 3 30 23 12 M20 7 6 8 10.66/10.10 (225)245 248 365 325 295 3 30 23 12 M20 8 7 9 11.70 250 273 276 405 355320 3 32 26/25 12 M24/M22 9 8 1015.70 300 325 328 460 410375 4 32 26/25 12 M24/M22 9 8 1018.10 350 377 380 520 470435 4 34 26/25 16 M24/M22 109 1123.30 400 426 430 580 525485 4 38 30 16 M27 109 1131.00 450 478 482 640 585545 4 42 30 20 M27 109 1140.20 500 529 533 715/705 650608 4 48 34 20 M30 109 1158.76/55.10 600 630 634 840 770718 5 50 36/41 20 M33/M36 109 1180.30PN = 2.5 MPa(25 Kgf/cm2)公称直径钢管直径法兰螺栓焊接DN d0 D D0系列1/系列2D1 D2 f bd系列1/系列2数量n螺纹系列1/系列2ksminH理论重量系列1/系列210 1415 90 6040216 14 4 M12 334 0.6315 1819 95 6545216 14 4 M12 334 0.8020 25 26 105 75 55 2 18 14 4 M12 3 3 4 0.9825 32 33 115 85 65 2 18 14 4 M12 4 3.5 5 1.1732 38 39 140/135 100 78 2 20 18 4 M16 4 3.5 5 2.11/1.9640 45 46 150/145 110 85 3 22 18 4 M16 4 3.5 5 2.77/2.6050 57 59 165/160 125 100 3 24 18 4 M16 4 3.5 5 2.92/2.7165 73 75 185/180 145 120 3 24 18 8 M16 5 4 6 3.46/3.2280 89 91 200/195 160 135 3 26 18 8 M16 5 4 6 4.34/4.06 100 108 110 235/230 190 160 3 28 23 8 M20 5 4 6 6.36/6.00 125 133 135 270 220 188 3 30 26/25 8 M24/M22 5 4 6 8.26 150 159 161 300 250 218 3 30 26/25 8 M24/M22 5 4.5 6 10.40 (175)194 196 330 280 248 3 32 26/25 12 M24/M22 6 6 7 11.90 200 219 222 360 310 278 3 32 26/25 12 M24/M22 7 6 8 14.50 (225)245 248 395 340 302 3 34 30 12 M27 8 7 9 17.00 250 273 276 425 370332 3 34 30 12 M27 9 8 1018.90 300 325 328 485 430390 4 36 30 16 M27 9 8 1026.80 350 377 380 555/550 490448 4 42 34 16 M30 109 1135.64/34.35 400 426 430 620/610 550505 4 44 36/34 16 M33/M30 109 1147.93/44.90 450 478 482 670/660 600666 4 48 36/34 20 M33/M30 109 1155.53/51.92 500 529 533 730 660610 4 52 36/41 20 M33/M36 109 1167.30。