主要的线束线径选择计算
- 格式:doc
- 大小:21.50 KB
- 文档页数:1
电工常用的电线线径及载流量计算方法其实电线也可以称呼它的直径的,比如1平方的也可称直径1.13mm,1.5平方的也可说是1.37(mm直径)。
由于选用电线时重要考虑电线使用时会不会严重发热造成事故,电线的(截面积)平方数与通过的电流安培数有直接对应的倍数关系,计算起来很简单便利。
比如一平方铜电线流过6A电流是安全的,不会严重发热。
如2.5平方铜电线就是6A*2.5=15A,就这么简单地算出来这2.5平方通过15A 电流是安全的,如用直径计算就麻烦多了规格里面的1.5/2.5/4/6是指线的横截面积。
单芯的线缆,单芯面积就是规格,多芯的里面还要乘以根数。
参照《GB50231997》单芯结构;导体直径均为:1—1.13、1.5—1.38、2.5—1.78、4—2.25、6—2.76、其实大家说线径1.5/2之类的只是为了便利,是个很常见但是不常常被人矫正的错误。
没想到还怀疑住你了...三相电机的口决"容量除以千伏数,商乘系数点七六"(注0.76是取的功率因数0.85效率为0.9时)由此推导出来的关系就有:三相二百二电机,千瓦三点五安培。
常用三百八电机,一个千瓦两安培。
低压六百六电机,千瓦一点二安培。
高压三千伏电机,四个千瓦一安培。
高压六千伏电机,八个千瓦一安培。
负荷量:16A最多供3500W,实际掌控在1500W内20A最多供4500W,实际掌控在2000W内25A最多供5000W,实际掌控在2000W内32A最多供7000W,实际掌控在3000W内40A最多供9000W,实际掌控在4500W内表2电器的额定电流与导线标称横截面积数据现在知道多大的电源线径可以负荷最大多少的功率和电流了吧例如:请分别以0.75、1、1.5、2.5、4、6(平方毫米)的铜芯线来计算。
答:0.75mm2、5A;1mm2、6A;1.5mm2、9A;2.5mm2、15A;4mm2、24A;6mm2、36A如何来计算电线所能承受的电功率?假如已知电线的截面积要如何,要如何计算该电线所能承受的最大电功率?或已知所需电功率,如何计算出该使用多少mm2电线?回复:我们可以通过查电工手册,得出电线的最大允许载流量,依据公式功率P=电压U×电流I计算出的功率就是电线所能承受的最大电功率。
电线电缆线径计算方法技术一、估算铜、铁、铝线的重量(kg/km)重量=截面积×比重S=截面积(mm2)1. 铜线W=9S W=重量(kg)2. 铝线W=3S d=线径(mm)3. 铁丝W=8S实际铜的比重8.9g/cm3、铝的比重2.7g/cm3、铁的比重7.8g/cm3二、按线径估算重量(kg/km)1. 铜线W=6.98d2≈7d22. 铝线W=2.12d2≈2d23. 铁丝W=6.12d2≈6d2三、估算线径和截面积S=0.785d2怎样选取导体截面首先计算负荷距(架空线)负荷距=功率×长度=PL P=功率(kw)L=长度(km)例:xx车间与配电房变压器相距200m,动力负荷200kw,问需要铜芯线多大平方?如改成铝芯线,需要多大平方?先计算负荷距=200×0.2=40kw/km 因为根据“铜线:每千瓦公里用2.5mm2,铝线:每千瓦公里用4mm2” 铜线40×2.5=100mm2 实际选用120mm2。
铝线40×4=160mm2 实际选用185mm2。
铝线计算截面公式实际选用185mm2Δu是电压损失百分数(允许电压损失是额定电压的4%)一般是5%。
导体载流量的计算口诀1、用途:各种导线的载流量(安全电流)通常可以从手册中查找。
但利用口诀再配合一些简单的心算,便可直接算出,不必查表。
导线的载流量与导线的载面有关,也与导线的材料(铝或铜),型号(绝缘线或裸线等),敷设方法(明敷或穿管等)以及环境温度(25度左右或更大)等有关,影响的因素较多,计算也较复杂。
10 下五,1 0 0 上二。
2 5 ,3 5 ,四三界。
7 0 ,95 ,两倍半。
穿管温度,八九折。
裸线加一半。
铜线升级算。
4.说明:口诀是以铝芯绝缘线,明敷在环境温度25 度的条件为准。
若条件不同, 口诀另有说明。
绝缘线包括各种型号的橡皮绝缘线或塑料绝缘线。
口诀对各种截面的载流量(电流,安)不是直接指出,而是“用截面乘上一定的倍数”,来表示。
主要的线束线径选择计算:在汽车电线束线径设计计算中,要求电线束线径选择在额定负载下,常时间工作电流不得超过该导线的最大载流量。
现将1029系列车型电线束中主要线的线径选择计算如下:1.1029系列车型负载情况前照灯:远光55*4=220W ,近光45*2=90W雾灯:35*2=70W小灯:8*4=32W转向灯:21*4=84W倒车灯:21*2=42W刹车灯:21*2=42W刮水器:50W暖风机:60W(最大)电喇叭:90W启动机电磁线圈:400W预热塞:4*120=480W压缩泵线圈:100W2.最大载流量:远光:远光额定电流为220/12=18.33,因此选线径1.5近光:近光额定电流为90/12=7.5,因此选线径1.5(1.0)雾灯:雾灯额定电流为70/12=5.8,因此选择线径1.0小灯:小灯额定电流为32/12=2.67,因此选择线径0.75转向灯:转向灯额定电流:84/(2*12)=3.5,因此选择线径0.75倒、刹车灯:额定电流:42/12=3.5,因此选择线径0.5刮水器:额定电流:50/12=4.16,因此选择线径1.0暖风机:额定电流:60/12=5,因此选择线径1.0电喇叭:额定电流:80/12=6.67,因此选择线径1.0启动机电磁线圈:400/12=33.33,因此选择线径4.0预热塞:额定电流:480/12=40,因此选择线径4.0压缩泵:额定电流:100/12=8.33,因此选择线径0.754.在线径选择时,要留有一定余量,常用的电器设备余量要大些,短时工作的电器设备余量可以小一点。
另在负载较小时,线径选择要考虑导线的机械强度,线径不得小于0.5。
线束线径计算在汽车和工业设备制造过程中,线束是常见的部件,它由多根电线和电缆组成,用于将电力和信息传输到设备的各个部分。
线束的设计和制造需要精准的计算和尺寸控制,其中一项重要的计算就是线束线径。
线束线径的计算对于线束的性能和可靠性至关重要,因此在这篇文章中,我将介绍线束线径的计算方法和相关知识。
线束线径的定义首先,让我们来了解一下线束线径的定义。
线束线径即指线束中每根电线或电缆的直径。
通常情况下,线束中会包含多根不同直径和材质的电线和电缆,因此需要对每根电线或电缆的直径进行计算,并根据设计要求进行合理的组合。
线束线径的计算方法线束线径的计算方法通常有两种:一种是根据电线或电缆的规格和数量进行简单的加总计算;另一种是根据电线或电缆的截面积进行复杂的计算。
下面我们将分别介绍这两种计算方法的具体步骤。
简单加总计算方法这种方法适用于线束中只包含少量相同规格的电线或电缆的情况。
计算步骤如下:1. 首先确定每根电线或电缆的直径。
2. 然后将所有电线或电缆的直径进行加总,即得到线束线径。
例如,如果线束中包含3根直径分别为0.5mm、0.6mm和0.7mm的电线,则线束线径为0.5mm + 0.6mm + 0.7mm = 1.8mm。
这种方法简单直观,适用于少量相同规格的电线或电缆的计算,但在实际应用中较少使用。
复杂计算方法这种方法适用于线束中包含多种规格和各异的电线或电缆的情况。
计算步骤如下:1. 首先确定每根电线或电缆的直径或截面积。
2. 然后根据每根电线或电缆的截面积进行加权计算,即得到线束线径。
具体步骤如下:- 计算每根电线或电缆的截面积,一般使用πr²的公式进行计算,其中r为电线或电缆的直径的一半。
- 根据设计要求确定每根电线或电缆的权重,一般根据其承载电流或信号传输量来确定。
- 将各根电线或电缆的截面积按照权重进行加权计算,即得到加权平均截面积。
- 最后根据加权平均截面积反推得到线束线径。
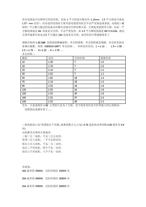
其实电线也可以称呼它的直径的,比如1平方的也可称直径1.13mm,1.5平方的也可说是1.37(mm直径)。
因为选用电线时主要考虑电线使用时会不会严发热造成事故,电线的(截面积)平方数与通过的电流安培数有直接对应的倍数关系,计算起来很简单方便。
比如一平方铜电线流过6A 电流是安全的,不会严重发热。
如2.5平方铜电线就是6A*2.5=15A, 就这么简单地算出来这2.5平方通过15A电流是安全的,如用直径计算就麻烦多了规格里面的1.5/2.5/4/6 是指线的横截面积。
单芯的线缆,单芯面积就是规格,多芯的里面还要乘以根数。
参照《GB5023-1997》单芯结构;导体直径均为:1 —1.13 、 1.5— 1.38 、2.5 —1.78 、4—2.25 、6 — 2.76 、、多芯结构:其实大家说线径1.5/2 之类的只是为了方便,是个很常见但是不经常被人纠正的错误。
没想到还迷惑住你了......三相电机的口决"容量除以千伏数,商乘系数点七六"(注0.76是取的功率因数0.85效率为0.9时)由此推导出来的关系就有:三相二百二电机,千瓦三点五安培。
常用三百八电机,一个千瓦两安培。
低压六百六电机,千瓦一点二安培。
高压三千伏电机,四个千瓦一安培。
高压六千伏电机,八个千瓦一安培。
负荷量:16A最多供3500W,实际控制在1500W内20A最多供4500W,实际控制在2000W内25A最多供5000W,实际控制在2000W内32A最多供7000W,实际控制在3000W内40A最多供9000W,实际控制在4500W内电器的额定电流与导线标称横截面积数据见表2。
表2 电器的额定电流与导线标称横截面积数据多大的电源线径可以负荷最大多少的功率和电流了吧?请分别以0.75、1、1.5、2.5、4、6(平方毫米)的铜芯线0.75mm2、5A;1mm2、6A;1.5mm2、9A;2.5mm2、15A;4mm2、24A;6mm2、36A。
用线计算方法铜线安全载流量计算方法是:2.5平方毫米铜电源线的安全载流量--28A。
4平方毫米铜电源线的安全载流量--35A 。
6平方毫米铜电源线的安全载流量--48A 。
10平方毫米铜电源线的安全载流量--65A。
16平方毫米铜电源线的安全载流量--91A 。
25平方毫米铜电源线的安全载流量--120A。
如果是铝线,线径要取铜线的1.5-2倍。
如果铜线电流小于28A,按每平方毫米10A来取肯定安全。
如果铜线电流大于120A,按每平方毫米5A来取。
导线的截面积所能正常通过的电流可根据其所需要导通的电流总数进行选择,一般可按照如下顺口溜进行确定:十下五,百上二, 二五三五四三界,柒拾玖五两倍半,铜线升级算.给你解释一下,就是10平方一下的铝线,平方毫米数乘以5就可以了,要是铜线呢,就升一个档,比如2.5平方的铜线,就按4平方计算.一百以上的都是截面积乘以2, 二十五平方以下的乘以4, 三十五平方以上的乘以3, 柒拾和95平方都乘以2.5,这么几句口诀应该很好记吧,说明:只能作为估算,不是很准确。
另外如果按室内记住电线6平方毫米以下的铜线,每平方电流不超过10A就是安全的,从这个角度讲,你可以选择1.5平方的铜线或2.5平方的铝线。
10米内,导线电流密度6A/平方毫米比较合适,10-50米,3A/平方毫米,50-200米,2A/平方毫米,500米以上要小于1A/平方毫米。
从这个角度,如果不是很远的情况下,你可以选择4平方铜线或者6平方铝线。
如果真是距离150米供电(不说是不是高楼),一定采用4平方的铜线。
导线的阻抗与其长度成正比,与其线径成反比。
请在使用电源时,特别注意输入与输出导线的线材与线径问题。
以防止电流过大使导线过热而造成事故。
铜线: S= IL / 54.4*U`铝线: S= IL / 34*U`式中:I——导线中通过的最大电流(A)L——导线的长度(M)U`——充许的电源降(V)S——导线的截面积(MM2)说明:1、U`电压降可由整个系统中所用的设备(如探测器)范围分给系统供电用的电源电压额定值综合起来考虑选用。
.;. 电线线径计算方法一般铜线安全计算方法是:2.5平方毫米铜电源线的安全载流量--28A。
4平方毫米铜电源线的安全载流量--35A 。
6平方毫米铜电源线的安全载流量--48A 。
10平方毫米铜电源线的安全载流量--65A。
16平方毫米铜电源线的安全载流量--91A 。
25平方毫米铜电源线的安全载流量--120A。
估算口诀:二点五下乘以九,往上减一顺号走。
三十五乘三点五,双双成组减点五。
条件有变加折算,高温九折铜升级。
穿管根数二三四,八七六折满载流。
说明:(1)本节口诀对各种绝缘线(橡皮和塑料绝缘线)的载流量(安全电流)不是直接指出,而是“截面乘上一定的倍数”来表示,通过心算而得。
由表5 3可以看出:倍数随截面的增大而减小“二点五下乘以九,往上减一顺号走”说的是2.5mm’及以下的各种截面铝芯绝缘线,其载流量约为截面数的9倍。
如2.5mm’导线,载流量为2.5×9=22.5(A)。
从4mm及以上导线的载流量和截面数的倍数关系是顺着线号往上排,倍数逐次减,即4×8、6×7、10×6、16×5、25×4。
“三十五乘三点五,双双成组减点五”,说的是35mm”的导线载流量为截面数的3.5倍,即35×3.5=122.5(A)。
从50mm’及以上的导线,其载流量与截面数之间的倍数关系变为两个两个线号成一组,倍数依次减0.5。
即50、70mm’导线的载流量为截面数的3倍;95、120mm”导线载流量是其截面积数的2.5倍,依次类推。
“条件有变加折算,高温九折铜升级”。
上述口诀是铝芯绝缘线、明敷在环境温度25℃的条件下而定的。
若铝芯绝缘线明敷在环境温度长期高于25℃的地区,导线载流量可按上述口诀计算方法算出,然后再打九折即可;当使用的不是铝线而是铜芯绝缘线,它的载流量要比同规格铝线略大一些,可按上述口诀方法算出比铝线加大一个线号的载流量。
如16mm’铜线的载流量,可按25mm2铝线计算我一般是这样计算的知道功率就用功率除以电压得到电流,然后用电流除以每平方毫米载流大约4-6A的常数,得到的就是电缆的线径。
线束线径计算
线束线径计算公式如下:
●A=IρL/U
其中:
●A:导线截面积,平方毫米
●I:导线通过的电流,安培
●ρ:导线的电阻率,欧姆·米
●L:导线的长度,米
●U:导线的电压降,伏特
一般情况下,导线的电压降不应超过额定电压的5%。
因此,在计算线径时,可以将U取为额定电压的95%。
对于铜导线,其电阻率为1.68×10^(-8)Ω·m。
因此,铜导线的线径计算公式:A=1.08×I×L/U
例如,如果导线通过的电流为10A,长度为1米,额定电压为12V,则导线的截面积应为:A=1.08×10×1/(12×0.95)=1.17平方毫米
根据导线截面积的标准值,可以选择1.5平方毫米的导线。
在实际应用中,还需要考虑以下因素:
1.环境温度:环境温度越高,导线的载流量越小。
因此,在高温环境下使用时,应适当选用较大截面积的导线。
2.线束的敷设方式:线束的敷设方式也会影响其载流量。
例如,穿管敷设的线束散热条件较差,因此应适当选用较大截面积的导线。
3.线束的成本:线束的截面积越大,成本越高。
因此,在设计线束时,应综合考虑上述因素,选择合适的线径。
老司机教你如何计算设备所需电线线径,值得收藏装配电工是自动化设备制造中非常重要的一环,参与到设备每一个细节当中,所以如何正确选用合适规格的电线显得特别重要。
如果选用的线材规格不合理,就极易发生电气火灾等安全事故。
因此,要根据设备不同的要求来进行线材的合理选用,以下三种方法供大家参考。
一、线材规格RV:材质软线,是更多股铜丝绞在一起的单芯线,一般常用自动化设备。
BV:是一根铜丝的单芯线,比较硬,也叫单股铜芯硬导线。
一般常用于家装。
BVR:是好多股铜丝绞在一起的单芯线,也叫软线。
RVV:是软护套线,也就是二根或者三根RV线用护套套在一起。
二、电线截面积电线规格的选用,应根据设备的总功率来计算,然后根据不同规格电线的最大载流能力来选取合适的电线电缆。
电线负载电流安全值(部分):1.0mm²铜芯电线允许长期负载的电流安全值为:6A--8A;1.5mm²铜芯电线允许长期负载的电流安全值为:9A--13A;2.5mm²铜芯电线允许长期负载的电流安全值为:15A--20A;4.0mm²铜芯电线允许长期负载的电流安全值为:24A--30A;6.0mm²铜芯电线允许长期负载的电流安全值为:32A--50A;常用导线横截面积:1、1.5、2.5、4、6、10、16、25、35、50、70、95、120、150mm²;三、RV电功率表功率的计算方法:P(功率)= U(电压)×I(电流)1.0mm²铜芯电线最大功率P = 220V× 7.5A = 1650W1.5mm²铜芯电线最大功率P = 220V×12.5A = 2750W2.5mm²铜芯电线最大功率P = 220V× 20A =4400W4.0mm²铜芯电线最大功率P = 220V×32A = 7040W6.0mm²铜芯电线最大功率P = 220V×50A = 11000W声明:本文由技拓-童新能编辑整理,转载请注明!。
线径的选取使用方法首先,明确我们一般如何称呼线径,1平方线:即横截面积是1平方毫米的电线。
按照公式:面积=半径²×3.14 来推算。
那么1平方线=1.13mm左右。
其次,电线分有不同种类,家装电线分为:BV、BVR、RV、BVVB、RVV,区别如下:BV、BVR、RV:都是单芯线BV:是一根铜丝的单芯线,比较硬,也叫硬线。
BVR:是好多股铜丝绞在一起的单芯线,也叫软线。
RV:也是软线,是更多股铜丝绞在一起的单芯线,家装一般不用。
我们常用的是以下两种:1.硬线:专业称为BV电线,主要用于供电,照明,插座,空调,适用于交流电压450/750V及以下动力装置、日用电器、仪表及电信设备用的电缆电线。
硬线有一定的硬度,在折角,拉直方面会更加方便一些。
2.软线:专业称为BVR电线,适用于交流电压450/750V及以下动力装置、日用电器、仪表及电信设备用的电缆电线,如配电箱。
软线相对硬线制作较复杂,高频电路软线比硬线载流量大。
BV电线1平方电线可以负荷多少瓦:按照“经验公式”:只要是铜芯电线,每平方毫米的截面积可以安全通过4--5A的额定电流;在220V单相电路中,每1KW的功率,其电流约为4.5A左右;在380V三相平衡电路中,每1KW的功率,其电流约为2A左右。
上面的这些值,可用物理计算公式算下来的结果是很接近的,所以电工在工作中,为了不去记那些“繁琐”的计算公式,就记住这些就可以了。
那么根据这个算法就知道:每1平方毫米截面积的铜芯线,如果用于220V 单相电路中,则可以安全承载1KW 的负载所通过的电流;如果用在三相平衡负载(比如电动机)电路中,则可以安全承载2.5KW负载所通过的电流。
1.5平方电线可以负荷多少瓦如果电源线是铜芯线,一是明线安装最大允许工作电流是20A,即4400瓦;二是暗装套钢管,电流是16A,功率为3520瓦;三是pvc管暗装,电流是14A,那么功率为3000瓦。
电线截面积及线径计算方法电缆大小用平方标称,多股线就是每根导线截面积之和,如48股(每股线径0.2)1.5平方的线:0.785X(0.2X0.2)X48=1.5导线截面积与载流量的计算:一、一般铜导线载流量导线的安全载流量是根据所允许的线芯最高温度、冷却条件、敷设条件来确定的。
一般铜导线的安全载流量为5~8A/mm2,铝导线的安全载流量为3~5A/mm2。
[关键点]一般铜导线的安全载流量为5~8A/mm2,铝导线的安全载流量为3~5A/mm2。
如:2.5 mm2 BVV铜导线安全载流量的推荐值2.5×8A/mm2=20A 4 mm2 BVV铜导线安全载流量的推荐值4×8A/mm2=32A。
二、计算铜导线截面积利用铜导线的安全载流量的推荐值5~8A/mm2,计算出所选取铜导线截面积S的上下范围:S=[ I /(5~8)]=0.125 I ~0.2 I(mm2)S-----铜导线截面积(mm2)I-----负载电流(A)三、功率计算一般负载(也可以成为用电器,如点灯、冰箱等等)分为两种,一种式电阻性负载,一种是电感性负载。
对于电阻性负载的计算公式:P=UI 对于日光灯负载的计算公式:P=U Icosф,其中日光灯负载的功率因数cosф=0.5。
不同电感性负载功率因数不同,统一计算家庭用电器时可以将功率因数cosф取0.8。
也就是说如果一个家庭所有用电器加上总功率为6000瓦,则最大电流是I=P/Ucosф=6000/220*0.8=34(A)但是,一般情况下,家里的电器不可能同时使用,所以加上一个公用系数,公用系数一般0.5。
所以,上面的计算应该改写成I=P*公用系数/Ucosф=6000*0.5/220*0.8=17(A) 也就是说,这个家庭总的电流值为17A。
则总闸空气开关不能使用16A,应该用大于17A的。
电线截面积与安全载流量的计算一、一般铜导线载流量导线的安全载流量是根据所允许的线芯最高温度、冷却条件、敷设条件来确定的。
线径的计算方法线径是指导线或线圈的直径,是电气工程中常见的一个概念。
在实际工程中,计算线径是非常重要的,因为线径的大小直接影响到导线的导电能力和散热能力。
因此,正确地计算线径对于保证电气设备的安全运行具有重要意义。
下面,我们将介绍线径的计算方法。
首先,我们需要了解导线的电流载荷。
电流载荷是指导线所承受的电流大小,通常用安培(A)来表示。
在实际工程中,我们可以通过电路的设计参数或者电气设备的额定电流来确定导线的电流载荷。
其次,我们需要了解导线的材质和工作温度。
导线的材质和工作温度会直接影响到导线的电阻率和最大允许工作温度。
通常情况下,导线的材质和工作温度可以从电气设备的技术资料中获取。
接下来,我们可以通过以下公式来计算导线的线径:\[线径 = \sqrt{\frac{I \cdot R}{K \cdot S}}\]其中,线径表示导线的直径,单位为毫米(mm);I表示导线的电流载荷,单位为安培(A);R表示导线的电阻率,单位为欧姆·米(Ω·m);K表示导线的最大允许工作温度与标准工作温度的比值;S表示导线的截面积,单位为平方毫米(mm^2)。
在实际计算中,我们需要根据导线的具体情况选择合适的电阻率和最大允许工作温度,并结合导线的电流载荷来计算线径。
需要注意的是,计算出的线径应该符合国家标准或行业规范的要求,以保证导线的安全可靠运行。
除了上述方法外,我们还可以通过查阅导线线径计算手册或者使用线径计算软件来进行计算。
这些工具可以帮助我们更快速、准确地得到导线的线径,提高工作效率。
总之,正确地计算导线的线径对于保证电气设备的安全运行至关重要。
通过了解导线的电流载荷、材质和工作温度,并结合相应的计算公式或工具,我们可以准确地计算出导线的线径,为工程设计和施工提供可靠的依据。
希望本文介绍的方法能够对大家有所帮助。
电线知识普及国标线径小参考线径计算参考铜是期货/有涨浮/<电线>价格浮动很大/详细/价格/咨询/店主/1、电线火线分:黄、绿、红零线:蓝色、接地线:双色线铜芯电线计算功率千瓦:1个平方的铜芯电线等于2个千瓦2.5个平方等于5个千瓦铜线电线1:2比例安培的计算1A等于220V单芯线1.5平方电线用于灯具照明、单芯线2.5平方电线用于插座单芯线4平方电线用于3匹空调以上、单芯线6平方电线用于总进线。
二芯、三芯护套线是做<明装线>使用主要方便接线。
线径计算公式:直径×直径×0.785×根数例:BV2.5单芯线计算方法1、1.78×1.78×0.785×1=2.487194一、参考如下电线--BV单芯线1.0平方--100米/卷--1.42kg/卷--线径1.13mm电线--BV单芯线1.5平方--100米/卷--2.05kg/卷--线径1.38mm电线--BV单芯线2.5平方--100米/卷--3.19kg/卷--线径1.78mm电线--BV单芯线4.0平方--100米/卷--4.52kg/卷--线径2.25mm电线--BV单芯线6.0平方--100米/卷--6.48kg/卷--线径2.76mm35平方的铝线常温下可以过122.5A,你问的最大负荷多少千瓦,那要看电压是多少了.交流电P=UI*1.732直流电P=UI如果是铜线,它的过流过流载能力是铝线的1.5倍左右当然你还考虑环境温度,温度越高过流越差.这里我给你个经验估算口决:估算口诀:二点五下乘以九,往上减一顺号走。
三十五乘三点五,双双成组减点五。
条件有变加折算,高温九折铜升级。
穿管根数二三四,八七六折满载流。
说明:(1)本节口诀对各种绝缘线(橡皮和塑料绝缘线)的载流量(安全电流)不是直接指出,而是“截面乘上一定的倍数”来表示,通过心算而得。
由表5 3可以看出:倍数随截面的增大而减小。
线径计算口诀
线径计算是根据电流、导体材料和电线长度来确定的。
以下是一个常用的线径计算口诀:
1. 确定电流值(单位为安培)。
2. 确定导体材料的电阻率(单位为欧姆·米)。
3. 确定电线的长度(单位为米)。
4. 使用下述公式计算线径(单位为平方毫米):
线径= (导体材料的电阻率×电流×2)/ (电压降×0.0175)
其中,电压降是电线两端的电压差值(单位为伏特)。
请注意,这个计算口诀是一种常用的近似方法,可以用于估算适当的线径。
然而,对于特定的应用和电气系统设计,可能需要考虑其他因素,如温升、电线的最大额定电流和电源的额定电压等。
在实际应用中,最好咨询专业电气工程师或根据适用的电气标准来确定正确的线径。
电线截面积及线径计算方法电缆大小用平方标称,多股线就是每根导线截面积之和,如48股(每股线径0.2)1.5平方的线:0.785X(0.2X0.2)X48=1.5导线截面积与载流量的计算:一、一般铜导线载流量导线的安全载流量是根据所允许的线芯最高温度、冷却条件、敷设条件来确定的。
一般铜导线的安全载流量为5~8A/mm2,铝导线的安全载流量为3~5A/mm2。
[关键点]一般铜导线的安全载流量为5~8A/mm2,铝导线的安全载流量为3~5A/mm2。
如:2.5 mm2 BVV铜导线安全载流量的推荐值2.5×8A/mm2=20A 4 mm2 BVV铜导线安全载流量的推荐值4×8A/mm2=32A。
二、计算铜导线截面积利用铜导线的安全载流量的推荐值5~8A/mm2,计算出所选取铜导线截面积S的上下范围:S=[ I /(5~8)]=0.125 I ~0.2 I(mm2)S-----铜导线截面积(mm2)I-----负载电流(A)三、功率计算一般负载(也可以成为用电器,如点灯、冰箱等等)分为两种,一种式电阻性负载,一种是电感性负载。
对于电阻性负载的计算公式:P=UI 对于日光灯负载的计算公式:P=U Icosф,其中日光灯负载的功率因数cosф=0.5。
不同电感性负载功率因数不同,统一计算家庭用电器时可以将功率因数cosф取0.8。
也就是说如果一个家庭所有用电器加上总功率为6000瓦,则最大电流是I=P/Ucosф=6000/220*0.8=34(A)但是,一般情况下,家里的电器不可能同时使用,所以加上一个公用系数,公用系数一般0.5。
所以,上面的计算应该改写成I=P*公用系数/Ucosф=6000*0.5/220*0.8=17(A) 也就是说,这个家庭总的电流值为17A。
则总闸空气开关不能使用16A,应该用大于17A的。
电线截面积与安全载流量的计算一、一般铜导线载流量导线的安全载流量是根据所允许的线芯最高温度、冷却条件、敷设条件来确定的。
导线线径与电流规格表
导线的阻抗与其长度成正比,与其线径成反比。
请在使用电源时,特别注意输入与输出导线的线材与线径问题。
以防止电流过大使导线过热而造成事故。
常用的从1平方毫米开始: 1、1.5、2.5、4、6、10、16、25、35、50、70、95、120、150、185、240平方毫米;不常用的有:0.5、0.75、300、400、500平方毫米等。
下面是铜线在不同温度下的线径所能承受的最大电流表格。
导线线径一般按如下公式计算:
铜线: S= IL / 54.4*U`
铝线: S= IL / 34*U`
式中:I——导线中通过的最大电流(A)
L——导线的长度(m)
U`——充许的电源降(V)
S——导线的截面积(mm2)
说明:
1、U`电压降可由整个系统中所用的设备(如探测器)范围分给系统供电用的电源电压额定值综合起来考虑选用。
2、计算出来的截面积往上靠。
主要的线束线径选择计算:
在汽车电线束线径设计计算中,要求电线束线径选择在额定负载下,常时间工作电流不得超过该导线的最大载流量。
现将1029系列车型电线束中主要线的线径选择计算如下:
1.1029系列车型负载情况
前照灯:远光55*4=220W ,近光45*2=90W
雾灯:35*2=70W
小灯:8*4=32W
转向灯:21*4=84W
倒车灯:21*2=42W
刹车灯:21*2=42W
刮水器:50W
暖风机:60W(最大)
电喇叭:90W
启动机电磁线圈:400W
预热塞:4*120=480W
压缩泵线圈:100W
2.最大载流量:
远光:远光额定电流为220/12=18.33,因此选线径1.5
近光:近光额定电流为90/12=7.5,因此选线径1.5(1.0)
雾灯:雾灯额定电流为70/12=5.8,因此选择线径1.0
小灯:小灯额定电流为32/12=2.67,因此选择线径0.75
转向灯:转向灯额定电流:84/(2*12)=3.5,因此选择线径0.75
倒、刹车灯:额定电流:42/12=3.5,因此选择线径0.5
刮水器:额定电流:50/12=4.16,因此选择线径1.0
暖风机:额定电流:60/12=5,因此选择线径1.0
电喇叭:额定电流:80/12=6.67,因此选择线径1.0
启动机电磁线圈:400/12=33.33,因此选择线径4.0
预热塞:额定电流:480/12=40,因此选择线径4.0
压缩泵:额定电流:100/12=8.33,因此选择线径0.75
4.在线径选择时,要留有一定余量,常用的电器设备余量要大些,短时工作的电器设备余量可以小一点。
另在负载较小时,线径选择要考虑导线的机械强度,线径不得小于0.5。