8选1数据选择器74LS151
- 格式:docx
- 大小:13.15 KB
- 文档页数:3
8选1数据选择器74LS151简介74LS151是一种典型的集成电路数据选择器,为互补输出的8选1数据选择器,它有3个地址输入端CBA,可选择D0~D7 8个数据源,具有两个互补输出端,同相输出端Y和反相输出端W。
74LS151引脚图选择控制端(地址端)为C~A,按二进制译码,从8个输入数据D0~D7中,选择一个需要的数据送到输出端Y,G为使能端,低电平有效。
(1)使能端G=1时,不论C~A状态如何,均无输出(Y=0,W=1),多路开关被禁止。
(2)使能端G=0时,多路开关正常工作,根据地址码C、B、A的状态选择D0~D7中某一个通道的数据输送到输出端Y。
如:CBA=000,则选择D0数据到输出端,即Y=D0。
如:CBA=001,则选择D1数据到输出端,即Y=D1,其余类推。
74LS151功能表数据选择器的应用数据选择器除实现有选择的传送数据外,还有其他用途,下面介绍几种典型应用。
(1)逻辑函数产生器从74LS151的逻辑图可以看出,当使能端G=0时,Y是C、B、A和输入数据D0~D7的与或函数。
式中mi是C、B、A构成的最小项。
显然。
当Di=1时,其对应的最小项mi在与或表达式中出现,当Di=0时,对应的最小项就不出现。
利用这一点,不难实现组合逻辑函数。
已知逻辑函数,利用数据选择器构成函数产生器的过程是,将函数变换成最小项表达式,根据最小项表达式确定各数据输入端的二元常量。
将数据选择器的地址信号C、B、A作为函数的输入变量,数据输入D0~D7,作为控制信号,控制各最小项在输出逻辑函数中是否出现,使能端G始终保持低电平,这样8选1数据选择器就成为一个3变量的函数产生器。
例1 试用8选1数据选择器74LS151产生逻辑函数解:把式变换成最小项表达式:显然D3、D5、D6、D7,都应该等于1,而式中没有出现的最小项m0,m1,m2,m4的控制变量D0、D1、D2、D4都应该等于0,由此可画出该逻辑函数产生器的逻辑图:、例2 试用与上例相同的8选1数据选择器产生从表中可以看出,凡使L值为1的那些最小项,其控制变量应该等于1,即D1、D2、D4、D7等于1(对应XYZ:001、010、100、111),其他控制变量均等于0。
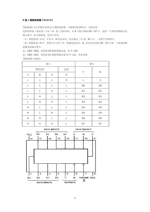
8选1数据选择器74LS15174LS151为互补输出的8选1数据选择器,引脚排列如图所示,功能见表。
选择控制端(地址端)为C~A,按二进制译码,从8个输入数据D0~D7中,选择一个需要的数据送到输出端Y,G为使能端,低电平有效。
(1)使能端G=1时,不论C~A状态如何,均无输出(Y=0,W=1),多路开关被禁止。
838电子(2)使能端G=0时,多路开关正常工作,根据地址码C、B、A的状态选择D0~D7中某一个通道的数据输送到输出端Y。
如:CBA=000,则选择D0数据到输出端,即Y=D0。
新艺图库如:CBA=001,则选择D1数据到输出端,即Y=D1,其余类推。
工作原理ab126计算公式大全74LS151功能表:在数字系统中,往往要求将并行输出的数据转换成串行输出,用数据选择器很容易完成这种转换。
例如将四位的并行数据送到四选一数据选择器的数据端上,然后在A1,A0地址输入端周期性顺序给出00 01 10 11,则在输出端将输出串行数据,不断重复。
数据选择器除了能从多路数据中选择输出信号外,还可以实现并行数据到串行数据的转换,作函数发生器等。
1.逻辑特性(1) 逻辑功能:从多路输入中选中某一路送至输出端,输出对输入的选择受选择控制量控制。
通常,对于一个具有2n路输入和一路输出的多路选择器有n个选择控制变量,控制变量的每种取值组合对应选中一路输入送至输出。
(2) 构成思想: 多路选择器的构成思想相当于一个单刀多掷开关,即数据选择器的原理o74LS151为互补输出的8选1数据选择器,引脚排列如图3-2,功能如表3-1。
选择控制端(地址端)为A2~A0,按二进制译码,从8个输入数据D0~D7中,选择一个需要的数据送到输出端Q,为使能端,低电平有效。
图74LS151引脚排列使能端=1时,不论A2~A0状态如何,均无输出(Q=0,=1),多路开关被禁止。
1)使能端=0时,多路开关正常工作,根据地址码A2、A1、A0的状态选择D0~D7中某一个通道的数据输送到输出端Q。
8选1数据选择器74LS151(151 为互补输出的8 选1 数据选择器)74LS151为互补输出的8选1数据选择器,引脚排列如图所示,功能见表。
引脚,又叫管脚,英文叫Pin。
就是从集成电路(芯片)内部电路引出与外围电路的接线,所有的引脚就构成了这块芯片的接口数据选择端(ABC)按二进制译码(译码是编码的逆过程,同时去掉比特流在传播过程中混入的噪声。
利用译码表把文字译成一组组数码或用译码表将代表某一项信息的一系列信号译成文字的过程称之为译码。
),以从8 个数据(D0---D7)中选取1 个所需的数据。
只有在选通端STROBE 为低电平时才可选择数据。
151 有互补输出端(Y、W),Y 输出原码,W 输出反码。
选择控制端(地址端)为C~A,按二进制译码,从8个输入数据D0~D7中,选择一个需要的数据送到输出端Y,G为使能端,低电平有效。
(就是说能使芯片工作的端口,如果使能端开,芯片就能工作,一般你看表示使能端的符号,如果上面有一横就是低电平有效(即如果使能端为低电平,芯片就能工作),反之就是高电平有效。
)又叫使能输入端(enable),它是芯片的一个输入引脚,或者电路的一个输入端口,只有该引脚激活,芯片才能工作,通常情况下为高电平有效,若符号上面有一横,则表示低电平有效。
多路选择器多路选择器是数据选择器的别称。
在多路数据传送过程中,能够根据需要将其中任意一路选出来的电路,叫做数据选择器,也称多路选择器或多路开关。
有4选1数据选择器、8选1数据选择器(型号为74151、74LS151、74251、74LS151)、16选1数据选择器(可以用两片74151连接起来构成)等之分。
多路选择器还包括总线的多路选择,模拟信号的多路选择等,相应的器件也有不同的特性和使用方法.具体可以查找相关网站数据选择器的定义及功能 数据选择是指经过选择,把多个通道的数据传送到唯一的公共数据通道上去。
实现数据选择功能的逻辑电路称为数据选择器→→→→数据输出n位通道选择信号I I I 012n -1数据选择器示意图4选1数据选择器功能表 输 入输出使能地 址G B A Y100001100××011D D D D 0123(1)使能端G =1时,不论C ~A 状态如何,均无输出(Y =0,W =1),多路开关被禁止。
8选1数据选择器74LS151在数字电路中,数据选择器是一种非常重要的组合逻辑电路元件,它能够根据给定的控制信号从多个输入数据中选择一个输出。
而74LS151 就是一款常见的 8 选 1 数据选择器,在各种数字系统中发挥着重要的作用。
74LS151 具有 8 个数据输入端(D0 D7)、3 个地址输入端(A2、A1、A0)、1 个使能输入端(E)以及 1 个输出端(Y)。
当使能端 E为有效电平时(通常为低电平),数据选择器处于工作状态。
通过地址输入端的不同组合,可以从 8 个数据输入端中选择一个数据输出到输出端 Y。
我们来详细看看 74LS151 的工作原理。
地址输入端 A2、A1、A0 可以形成 8 种不同的组合(000 111),分别对应选择 8 个数据输入端中的一个。
比如,当地址输入为 000 时,选择的数据输入端为 D0;当地址输入为 001 时,选择的数据输入端为 D1,以此类推。
在实际应用中,74LS151 有着广泛的用途。
例如,在计算机系统中,它可以用于选择不同的存储单元或寄存器中的数据;在通信系统中,可用于选择不同的传输通道中的数据;在控制系统中,能用于根据不同的条件选择相应的控制信号。
让我们通过一个简单的例子来更好地理解 74LS151 的应用。
假设我们有 8 个不同的传感器,分别测量不同的物理量,如温度、湿度、压力等。
这些传感器的输出数据连接到 74LS151 的 8 个数据输入端。
同时,我们使用一个 3 位的二进制计数器作为地址输入端,计数器的输出在 000 到 111 之间循环变化。
这样,74LS151 就会依次选择 8 个传感器的数据输出,从而实现对不同传感器数据的轮流监测。
74LS151 的优点之一是其逻辑功能清晰、易于理解和使用。
只需要正确连接输入和控制端,就能够实现数据的选择输出。
而且,它的响应速度快,能够满足大多数数字系统对数据处理速度的要求。
然而,在使用 74LS151 时,也需要注意一些问题。
8选1数据选择器74LS15174LS151为互补输出的8选1数据选择器,引脚排列如图所示,功能见表。
选择控制端(地址端)为C~A,按二进制译码,从8个输入数据D0~D7中,选择一个需要的数据送到输出端Y,G为使能端,低电平有效。
(1)使能端G=1时,不论C~A状态如何,均无输出(Y=0,W=1),多路开关被禁止。
838电子(2)使能端G=0时,多路开关正常工作,根据地址码C、B、A的状态选择D0~D7中某一个通道的数据输送到输出端Y。
如:CBA=000,则选择D0数据到输出端,即Y=D0。
新艺图库如:CBA=001,则选择D1数据到输出端,即Y=D1,其余类推。
工作原理ab126计算公式大全74LS151功能表:在数字系统中,往往要求将并行输出的数据转换成串行输出,用数据选择器很容易完成这种转换。
例如将四位的并行数据送到四选一数据选择器的数据端上,然后在A1,A0地址输入端周期性顺序给出00 01 10 11,则在输出端将输出串行数据,不断重复。
数据选择器除了能从多路数据中选择输出信号外,还可以实现并行数据到串行数据的转换,作函数发生器等。
1.逻辑特性(1) 逻辑功能:从多路输入中选中某一路送至输出端,输出对输入的选择受选择控制量控制。
通常,对于一个具有2n路输入和一路输出的多路选择器有n个选择控制变量,控制变量的每种取值组合对应选中一路输入送至输出。
(2) 构成思想: 多路选择器的构成思想相当于一个单刀多掷开关,即数据选择器的原理o74LS151为互补输出的8选1数据选择器,引脚排列如图3-2,功能如表3-1。
选择控制端(地址端)为A2~A0,按二进制译码,从8个输入数据D0~D7中,选择一个需要的数据送到输出端Q,为使能端,低电平有效。
图74LS151引脚排列使能端=1时,不论A2~A0状态如何,均无输出(Q=0,=1),多路开关被禁止。
1)使能端=0时,多路开关正常工作,根据地址码A2、A1、A0的状态选择D0~D7中某一个通道的数据输送到输出端Q。
自我检测题1.组合逻辑电路任何时刻的输出信号,与该时刻的输入信号 有关 ,与以前的输入信号 无关 。
2.在组合逻辑电路中,当输入信号改变状态时,输出端可能出现瞬间干扰窄脉冲的现象称为 竞争冒险 。
3.8线—3线优先编码器74LS148的优先编码顺序是7I 、6I 、5I 、…、0I ,输出为2Y 1Y 0Y 。
输入输出均为低电平有效。
当输入7I 6I 5I …0I 为时,输出2Y 1Y 0Y 为 010 。
4.3线—8线译码器74HC138处于译码状态时,当输入A 2A 1A 0=001时,输出07Y ~Y = 。
5.实现将公共数据上的数字信号按要求分配到不同电路中去的电路叫 数据分配器 。
6.根据需要选择一路信号送到公共数据线上的电路叫 数据选择器 。
7.一位数值比较器,输入信号为两个要比较的一位二进制数,用A 、B 表示,输出信号为比较结果:Y (A >B ) 、Y (A =B )和Y (A <B ),则Y (A >B )的逻辑表达式为B A 。
8.能完成两个一位二进制数相加,并考虑到低位进位的器件称为 全加器 。
9.多位加法器采用超前进位的目的是简化电路结构 × 。
(√,× ) 10.组合逻辑电路中的冒险是由于 引起的。
A .电路未达到最简 B .电路有多个输出 C .电路中的时延 D .逻辑门类型不同11.用取样法消除两级与非门电路中可能出现的冒险,以下说法哪一种是正确并优先考虑的A .在输出级加正取样脉冲B .在输入级加正取样脉冲C .在输出级加负取样脉冲D .在输入级加负取样脉冲 12.当二输入与非门输入为 变化时,输出可能有竞争冒险。
A .01→10B .00→10C .10→11D .11→01 13.译码器74HC138的使能端321E E E 取值为 时,处于允许译码状态。
A .011 B .100 C .101 D .010 14.数据分配器和 有着相同的基本电路结构形式。
习题写出图所示电路的逻辑表达式,并说明电路实现哪种逻辑门的功能。
习题图解:B A B A B A B A B A F ⊕=+=+= 该电路实现异或门的功能分析图所示电路,写出输出函数F 。
习题图 解:[]B A B BB A F ⊕=⊕⊕⊕=)(已知图示电路及输入A 、B 的波形,试画出相应的输出波形F ,不计门的延迟.?解:B A B A B A AB B AB A AB B AB A F ⊕=•=•••=•••=由与非门构成的某表决电路如图所示。
其中A 、B 、C 、D 表示4个人,L=1时表示决议通过。
(1) 试分析电路,说明决议通过的情况有几种。
(2) 【 (3) 分析A 、B 、C 、D 四个人中,谁的权利最大。
习题图解:(1)ABD BC CD ABD BC CD L ++=••=C & && & D $ L B A " =1=1 =1FFA B[FB A(2)(3)根据真值表可知,四个人当中C 的权利最大。
分析图所示逻辑电路,已知S 1﹑S 0为功能控制输入,A ﹑B 为输入信号,L 为输出,求电路所具有的功能。
&习题图解:(1)011011)(S S B S A S S B S A L ⊕⊕+⊕=⊕⊕•⊕= (2)(3)当S 1S 0=00和S 1S 0=11时,该电路实现两输入或门,当S 1S 0=01时,该电路实现两输入或非门,当S 1S 0=10时,该电路实现两输入与非门。
(2)1¥电路逻辑功能为:“判输入ABC 是否相同”电路。
已知某组合电路的输入A 、B 、C 和输出F 的波形如下图所示,试写出F 的最简与或表达式。
习题图:解:(1)根据波形图得到真值表:,(2)由真值表得到逻辑表达式为C AB BC A C B A F ++=、设∑=)14,12,10,9,8,4,2(),,,(m D C B A F ,要求用最简单的方法,实现的电路最简单。
八选一数据选择器74LS151 设计一个8421BCD 非法码检测电路用八选一数据选择器 74LS151 设计一个 8421BCD 非法码检测电路,当输入为非法码组时,输出为 1,否则为零。
二进制数与B C D码的对应关系如表10所示。
写出函数Y的逻辑表达式。
画出电路图并接线调试,观察是否与表10相符。
表10 输入与输出关系由所给出二进制数与BCD码的对应关系可以列出输出Y的真值表,通过卡诺图化简得到了输出逻辑函数Y的最简表达式:Y=A3(A2A1Ao+A2A1Ao'+A2A1'Ao+A2'A1Ao+A2A1 'Ao'+A2'A1Ao)+A2'A1Ao*0+A2'A'Ao'*0所以可以用8选1数据选择器实现得D0=D1=G'=0,D2=D3=D4=Ds=D6=D,=D,A=A,B=B,C=C由此式可以画出逻辑图13如下所示:图13 8421BCD 非法码检测电路逻辑图根据图13所示所示的逻辑图,在Multisim环境下搭接电路图如图14所示,在图14所示的电路中,指示灯X1,X2,X3和X4用于指示输入的逻辑电平指示灯,X5用于指示输出的逻辑电平。
图14 8421BCD 非法码检测电路仿真图在图14所示的电路中,指示灯灭表示低电平,指示灯亮表示高电平。
当A,B,C,D 输入不同的电平时,其仿真结果如图15所示。
图15所对应的输入输出结果如表11所示。
表 11 8421BCD 非法码检测电路真值表图 15 8421BCD 非法码检测电路仿真结果由图15和表11的测试结果可知,8421BCD 非法码检测电路的测量结果与表10的真值表完全一致,说明图13所示的逻辑图完全正确。
自我检测题1.组合逻辑电路任何时刻的输出信号,与该时刻的输入信号 有关 ,与以前的输入信号 无关 。
2.在组合逻辑电路中,当输入信号改变状态时,输出端可能出现瞬间干扰窄脉冲的现象称为 竞争冒险 。
3.8线—3线优先编码器74LS148的优先编码顺序是7I 、6I 、5I 、…、0I ,输出为2Y 1Y 0Y 。
输入输出均为低电平有效。
当输入7I 6I 5I …0I 为时,输出2Y 1Y 0Y 为 010 。
4.3线—8线译码器74HC138处于译码状态时,当输入A 2A 1A 0=001时,输出07Y ~Y = 。
5.实现将公共数据上的数字信号按要求分配到不同电路中去的电路叫 数据分配器 。
6.根据需要选择一路信号送到公共数据线上的电路叫 数据选择器 。
7.一位数值比较器,输入信号为两个要比较的一位二进制数,用A 、B 表示,输出信号为比较结果:Y (A >B ) 、Y (A =B )和Y (A <B ),则Y (A >B )的逻辑表达式为B A 。
8.能完成两个一位二进制数相加,并考虑到低位进位的器件称为 全加器 。
9.多位加法器采用超前进位的目的是简化电路结构 × 。
(√,× ) 10.组合逻辑电路中的冒险是由于 引起的。
A .电路未达到最简 B .电路有多个输出 C .电路中的时延 D .逻辑门类型不同11.用取样法消除两级与非门电路中可能出现的冒险,以下说法哪一种是正确并优先考虑的?A .在输出级加正取样脉冲B .在输入级加正取样脉冲C .在输出级加负取样脉冲D .在输入级加负取样脉冲 12.当二输入与非门输入为 变化时,输出可能有竞争冒险。
A .01→10B .00→10C .10→11D .11→01 13.译码器74HC138的使能端321E E E 取值为 时,处于允许译码状态。
A .011 B .100 C .101 D .010 14.数据分配器和 有着相同的基本电路结构形式。
⽤⼋选⼀数据选择器74LS151设计⼀个8421BCD⾮法码检测电路⼋选⼀数据选择器74LS151 设计⼀个8421BCD ⾮法码检测电路⽤⼋选⼀数据选择器 74LS151 设计⼀个 8421BCD ⾮法码检测电路,当输⼊为⾮法码组时,输出为 1,否则为零。
⼆进制数与B C D码的对应关系如表10所⽰。
写出函数Y的逻辑表达式。
画出电路图并接线调试,观察是否与表10相符。
表10 输⼊与输出关系由所给出⼆进制数与BCD码的对应关系可以列出输出Y的真值表,通过卡诺图化简得到了输出逻辑函数Y的最简表达式:Y=A3(A2A1Ao+A2A1Ao'+A2A1'Ao+A2'A1Ao+A2A1 'Ao'+A2'A1Ao)+A2'A1Ao*0+A2'A'Ao'*0所以可以⽤8选1数据选择器实现得D0=D1=G'=0,D2=D3=D4=Ds=D6=D,=D,A=A,B=B,C=C由此式可以画出逻辑图13如下所⽰:图13 8421BCD ⾮法码检测电路逻辑图根据图13所⽰所⽰的逻辑图,在Multisim环境下搭接电路图如图14所⽰,在图14所⽰的电路中,指⽰灯X1,X2,X3和X4⽤于指⽰输⼊的逻辑电平指⽰灯,X5⽤于指⽰输出的逻辑电平。
图14 8421BCD ⾮法码检测电路仿真图在图14所⽰的电路中,指⽰灯灭表⽰低电平,指⽰灯亮表⽰⾼电平。
当A,B,C,D 输⼊不同的电平时,其仿真结果如图15所⽰。
图15所对应的输⼊输出结果如表11所⽰。
表 11 8421BCD ⾮法码检测电路真值表图 15 8421BCD ⾮法码检测电路仿真结果由图15和表11的测试结果可知,8421BCD ⾮法码检测电路的测量结果与表10的真值表完全⼀致,说明图13所⽰的逻辑图完全正确。
-.自我检测题1.组合逻辑电路任何时刻的输出信号,与该时刻的输入信号 有关 ,与以前的输入信号 无关 。
2.在组合逻辑电路中,当输入信号改变状态时,输出端可能出现瞬间干扰窄脉冲的现象称为 竞争冒险 。
3.8线—3线优先编码器74LS148的优先编码顺序是7I 、6I 、5I 、…、0I ,输出为2Y 1Y 0Y 。
输入输出均为低电平有效。
当输入7I 6I 5I …0I 为11010101时,输出2Y 1Y 0Y 为 010 。
4.3线—8线译码器74HC138处于译码状态时,当输入A 2A 1A 0=001时,输出07Y ~Y = 11111101 。
5.实现将公共数据上的数字信号按要求分配到不同电路中去的电路叫 数据分配器 。
6.根据需要选择一路信号送到公共数据线上的电路叫 数据选择器 。
7.一位数值比拟器,输入信号为两个要比拟的一位二进制数,用A 、B 表示,输出信号为比拟结果:Y (A >B ) 、Y (A =B )和Y (A <B ),那么Y (A >B )的逻辑表达式为B A 。
8.能完成两个一位二进制数相加,并考虑到低位进位的器件称为 全加器 。
9.多位加法器采用超前进位的目的是简化电路构造 × 。
〔√,× 〕 10.组合逻辑电路中的冒险是由于 引起的。
A .电路未到达最简 B .电路有多个输出C .电路中的时延D .逻辑门类型不同11.用取样法消除两级与非门电路中可能出现的冒险,以下说法哪一种是正确并优先考虑的?A .在输出级加正取样脉冲B .在输入级加正取样脉冲C .在输出级加负取样脉冲D .在输入级加负取样脉冲12.当二输入与非门输入为 变化时,输出可能有竞争冒险。
A .01→10B .00→10C .10→11D .11→0113.译码器74HC138的使能端321E E E 取值为 时,处于允许译码状态。
A .011 B .100 C .101 D .01014.数据分配器和 有着一样的根本电路构造形式。
1.试用8选1数据选择器74LS151实现逻辑函数:F= A BC+ B C+A C +A将逻辑函数化简得到如下形式:F=m 1D 1 +m 3D 3+m 4D 4+m 5D 5+m 6D 6+m 7D 7上式中出现的8选1数据选择器的输出端接有效电平高电平,即可实现逻辑函数 F ,电路图如下:用8选1数据选择器实现的逻辑函数以下是实验结果输入输出A B C Y 0 0 0 0 0 0 1 1 0 1 0 0 0 1 1 1 1 0 0 1 1 0 1 1 11 0 1 11112. 试用两个带附加控制端的 4选1数据选择器74LS153组成一个8选1数据选择器。
用双4选1数据选择器实现8选1的逻辑功能,控制信号有A 、B 、C 三个,把A 接入控制端,利用 A 的输入信号使集成的两个4选1数据选择器轮流工作,再将两个输出用或门连接,再输出即为 8选1数选器的选通的信号。
VCC5V输入C ■2 ||1 41514 4.1312di10 97O1 234567 G DDDDDDDD ABC ~吉 74LS151N输入BV52双4选一数据选择器组成的8选1数据选择器3. 试用8选1数据选择器设计组合逻辑电路,使之能够产生三变量逻辑函数Z=ABC+AC+ B C输入输出A B C Y 0 0 0 1 0 0 1 0 0 1 0 0 0 1 1 0 1 0 0 1 1 0 1 1 1 1 0 0 1111vcc12 C C C3C0 12 3 GG2C 2C 2C 2C A B ~~~~74LS153D2Y2.5 V设计思路与第一题相同用8选1数据选择器74LS151实现的逻辑函数4.试用数据选择器设计一个“逻辑不一致”电路,要求4个输入逻辑变量取值不一致时输出为1,取值一致时输出为 0.“逻辑不一致”电路可以由 8选1数据选择器实现,D 1至D 6端口对应的输入控制信号A 、B 、C 中既有1又有0故均接高电平“ 1 ”,D 0和D 7则由输入控制信号 D 控制高低电 平,电路图如下:5.试用4选1数据选择器产生逻辑函数Y=ABC+AC+BC上式化简可得Y=AC+BC=(A+B)C 因此可以用C 来控制数选器的使能端,当输入C 为低电平时,使能端为无效电平, 输出为低电平,函数值也为“ 0”当输入C 为高电平时, 电路正常工作,输出决定于A+B 的逻辑取值,电路图如下:74LS153D用4选1数据选择器实现的逻辑函数Y=ABC+AC+BCF 表为实验结果输入输出A B C Y 0 0 0 0 00 10 01U2输入A 01234567 G DDDDDDDD ABC ~Y~w74LS151DVCC5VU10 12 3 ccc c 1 .^1 .^1 2YVCC5VX12.5 V输入 输入4 3 2 1 15 14 13 U1A74LS00D11 10 96 5 4 3A B 0 12 3 ccc c 2 2 2 21G2G输入ALED10 1 1 1 1 0 0 0 1 0 1 1 11 0 0 11116.用数据选择器74LS153和门电路设计一个报警电路,要求用译码、显示电路来显示,共 有三个报警信号,当第1路有报警信号时,数码管显示 1 ;当第二路有报警信号时,数码管显示2;当第3路有报警信号时,数码管显示 3;当无报警信号时,数码管显示0. 实验室用的七段数码管有 4个输入端,要使得数码管显示 0、1、2、3则在输入端口后两位输入的电平分别是 00、01、10、11,而前两位输入低电平,后两位输入可由双4选1数选器的两个输出端口输入。
自我检测题1.组合逻辑电路任何时刻的输出信号,与该时刻的输入信号 有关 ,与以前的输入信号 无关 。
2.在组合逻辑电路中,当输入信号改变状态时,输出端可能出现瞬间干扰窄脉冲的现象称为 竞争冒险 。
3.8线—3线优先编码器74LS148的优先编码顺序是7I 、6I 、5I 、…、0I ,输出为2Y 1Y 0Y 。
输入输出均为低电平有效。
当输入7I 6I 5I …0I 为时,输出2Y 1Y 0Y 为 010 。
4.3线—8线译码器74HC138处于译码状态时,当输入A 2A 1A 0=001时,输出07Y ~Y = 。
5.实现将公共数据上的数字信号按要求分配到不同电路中去的电路叫 数据分配器 。
6.根据需要选择一路信号送到公共数据线上的电路叫 数据选择器 。
7.一位数值比较器,输入信号为两个要比较的一位二进制数,用A 、B 表示,输出信号为比较结果:Y (A >B ) 、Y (A =B )和Y (A <B ),则Y (A >B )的逻辑表达式为B A 。
8.能完成两个一位二进制数相加,并考虑到低位进位的器件称为 全加器 。
9.多位加法器采用超前进位的目的是简化电路结构 × 。
(√,× ) 10.组合逻辑电路中的冒险是由于 引起的。
A .电路未达到最简 B .电路有多个输出 C .电路中的时延 D .逻辑门类型不同11.用取样法消除两级与非门电路中可能出现的冒险,以下说法哪一种是正确并优先考虑的?A .在输出级加正取样脉冲B .在输入级加正取样脉冲C .在输出级加负取样脉冲D .在输入级加负取样脉冲 12.当二输入与非门输入为 变化时,输出可能有竞争冒险。
A .01→10B .00→10C .10→11D .11→01 13.译码器74HC138的使能端321E E E 取值为 时,处于允许译码状态。
A .011 B .100 C .101 D .010 14.数据分配器和 有着相同的基本电路结构形式。
自我检测题1.组合逻辑电路任何时刻的输出信号,与该时刻的输入信号 有关 ,与以前的输入信号 无关 。
2.在组合逻辑电路中,当输入信号改变状态时,输出端可能出现瞬间干扰窄脉冲的现象称为 竞争冒险 。
3.8线—3线优先编码器74LS148的优先编码顺序是7I 、6I 、5I 、…、0I ,输出为2Y 1Y 0Y 。
输入输出均为低电平有效。
当输入7I 6I 5I …0I 为时,输出2Y 1Y 0Y 为 010 。
4.3线—8线译码器74HC138处于译码状态时,当输入A 2A 1A 0=001时,输出07Y ~Y = 。
5.实现将公共数据上的数字信号按要求分配到不同电路中去的电路叫 数据分配器 。
6.根据需要选择一路信号送到公共数据线上的电路叫 数据选择器 。
7.一位数值比较器,输入信号为两个要比较的一位二进制数,用A 、B 表示,输出信号为比较结果:Y (A >B ) 、Y (A =B )和Y (A <B ),则Y (A >B )的逻辑表达式为B A 。
8.能完成两个一位二进制数相加,并考虑到低位进位的器件称为 全加器 。
9.多位加法器采用超前进位的目的是简化电路结构 × 。
(√,× ) 10.组合逻辑电路中的冒险是由于 引起的。
A .电路未达到最简 B .电路有多个输出C .电路中的时延D .逻辑门类型不同11.用取样法消除两级与非门电路中可能出现的冒险,以下说法哪一种是正确并优先考虑的?A .在输出级加正取样脉冲B .在输入级加正取样脉冲C .在输出级加负取样脉冲D .在输入级加负取样脉冲 12.当二输入与非门输入为 变化时,输出可能有竞争冒险。
A .01→10B .00→10C .10→11D .11→01 13.译码器74HC138的使能端321E E E 取值为 时,处于允许译码状态。
A .011 B .100 C .101 D .010 14.数据分配器和 有着相同的基本电路结构形式。
任务6.3互补接入数据选择器组合控制电路设计习题解一、测试(一)判断题1.在N位数据选择器,如4选1数据选择器(如CT54LS153),表示从4路输入数据中各选择1路数据进行传输。
答案:T解题:在N位数据选择器,如4选1数据选择器(如CT54LS153),表示从4路输入数据中各选择1路数据进行传输。
2.数据选择器用以将一个输入数据分配到多个指定输出端上的电路。
答案:F解题:是数据分配器功能。
3.数据选择器和数据分配器刚好相反,他是从输入的多个数据中选择其中一路。
答案:T解题:数据选择器和数据分配器刚好相反,他是从输入的多个数据中选择其中一路。
4、在数据选择器中,通常用地址输入信号来完成挑选数据的任务。
答案:T解题:在数据选择器中,通常用地址输入信号来完成挑选数据的任务。
5. 一个4选1的数据选择器,应有4地址输入端,一个8选1的数据选择器,应有8地址输入端。
答案:F解题:一个4选1的数据选择器,应有2地址输入端,一个8选1的数据选择器,应有3个地址输入端。
6、数据分配器的逻辑功能是从2n个输入信号中选择一个送到唯一输出端;数据选择器的逻辑功能是根据地址信号的要求将公共总线上的一路输入数据分配到指定输出通道上去。
答案:F解题:数据选择器的逻辑功能是从2n个输入信号中选择一个送到唯一输出端;数据分配器的逻辑功能是根据地址信号的要求将公共总线上的一路输入数据分配到指定输出通道上去。
7、数据选择器74LS153是一个4选1数据选择器。
当输入信号D3D2D1D0分别为1000时,输出为1,那么地址信号A1、A0(A1高位)为00。
答案:F解题:地址信号A1、A0(A1高位)为11。
8、数据选择器74LS151是一个8选1数据选择器。
当输入信号D7~D0分别为10001000时,输出为1,那么地址信号A2A1A0(A2高位)可能的是111。
答案:T解题:地址信号A2A1A0(A2高位)可能的是111,或011.9、数据选择器74LS151是一个8选1数据选择器。
8选1数据选择器74L S15 1
74LS151为互补输出的8选1数据选择器,引脚排列如图所示,功能见表。
?
选择控制端(地址端)为C~A,按二进制译码,从8个输入数据D0~D7中,选择一个需要的数据送到输出端Y,G为使能端,低电平有效。
(1)使能端G=1时,不论C~A状态如何,均无输出(Y=0,W=1),多路开关被禁止。
838电子(2)使能端G=0时,多路开关正常工作,根据地址码C、B、A的状态选择D0~D7中某一个通道的数据输送到输出端Y。
如:CBA=000,则选择D0数据到输出端,即Y=D0。
新艺图库
如:CBA=001,则选择D1数据到输出端,即Y=D1,其余类推。
工作原理ab126计算公式大全
74LS151功能表:
在数字系统中,往往要求将并行输出的数据转换成串行输出,用数据选择器很容易完成这种转换。
例如将四位的并行数据送到四选一数据选择器的数据端上,然后在A1,A0地址输入端周期性顺序给出00 01 10 11,则在输出端将输出串行数据,不断重复。
数据选择器除了能从多路数据中选择输出信号外,还可以实现并行数据到串行数据的转换,作函数发生器等。
1.逻辑特性
(1) 逻辑功能:从多路输入中选中某一路送至输出端,输出对输入的选择受选择控制量控制。
通常,对于一个具有2n路输入和一路输出的多路选择器有n个选择控制变量,控制变量的每种取值组合对应选中一路输入送至输出。
(2) 构成思想: 多路选择器的构成思想相当于一个单刀多掷开关,即
数据选择器的原理
o74LS151为互补输出的8选1数据选择器,引脚排列如图3-2,功能如表3-1。
选择控制端(地址端)为A2~A0,按二进制译码,从8个输入数据D0~D7中,选择
一个需要的数据送到输出端Q,为使能端,低电平有效。
图? 74LS151引脚排列
使能端=1时,不论A2~A0状态如何,均无输出(Q=0,=1),多路开关被禁止。
1)使能端=0时,多路开关正常工作,根据地址码A2、A1、A0的状态选择D0~D7
中某一个通道的数据输送到输出端Q。
如:A2A1A0=000,则选择D0数据到输出端,即Q=D0。
如:A2A1A0=001,则选择D1数据到输出端,即Q=D1,其余类推。
数据选择器的定义及功能
数据选择是指经过选择,把多个通道的数据传送到唯一的公共数据通道上去。
实现数据选择功能的逻辑电路称为数据选择器。
它的作用相当于多个输入的单刀多掷开关,其示意图如下所示。
下面以4选1数据选择器为例,说明工作原理及基本功能。
其逻辑图为:
功能表为:
为了对4个数据源进行选择,使用两位地址码BA产生4个地址信号。
由BA等于00、01、10、11分别控制四个与门的开闭。
显然,任何时候BA只有一种可能的取值,所以只有一个与门打开,使对应的那一路数据通过,送达Y端。
输入使能端G是低电平有效,当G=1时,所有与门都被封锁,无论地址码是什么,Y总是等于0;当G=0时
,封锁解除,由地址码决定哪一个与门打开。
同样原理,可以构成更多输入通道的数据选择器。
被选数据源越多,所需地址码的位数也越多,若地址输入端为N,可选输入通道数为2n。
二、集成电路数据选择器
1.74LS151集成电路数据选择器的功能
74LS151是一种典型的集成电路数据选择器,它有3个地址输入端CBA,可选择D0~D7 8个数据源,具有两个互补输出端,同相输出端Y和反相输出端W。
其逻辑图和引脚图分别如下所示:由逻辑图可知,该逻辑电路的基本结构为“与一或一非”形式。
输入使能G为低电平有效。
输出Y的表达式为: 式中。
Mi为CBA的最小项。
例如,当CBA=010时,根据最小项性质,只有M2为1,其余各项为0,故得Y=D2,即只有D2传送到输出端。
上面所讨论的是1位数据选择器,如需要选择多位数据时,可由几个1位数据选择器并联组成,即将它们的使能端连在一起,相应的选择输入端连在一起。
2位8选1数据选择器的连接方法如下图所示。
当需要进一步扩充位数时,只需相应地增加器件的数目。
可以把数据选择器的使能端作为地址选择输入,将两片74LS151连接成一个16选1的数据选择器,其连接方式如下图所示。
16选16选1的数据选择器的地址选择输入有4为4位,其最高位D与一个8选1数据选择器的使能端连接,经过一反相器反相后与零一另一个数据选择器的使能端连接。
低3位地址选择输入端CBA由两片74LS151的地址选择输入端相对应连接而成。
2.数据选择器的应用
数据选择器除实现有选择的传送数据外,还有其他用途,下面介绍几种典型应用。
(1)逻辑函数产生器
从74LS151得逻辑图可以看出,当使能端G=0时,Y是C、B、A和输入数据D0~D7的与或函数,它的表达式可以写成
式中mi是C、B、A构成的最小项。
显然。
当Di=1时,其对应的最小项mi在与或表达式中出现,当Di=0时,对应的最小项就不出现。
利用这一点,不难实现组合逻辑函数。
已知逻辑函数,利用数据选择器构成函数产生器的过程是,将函数变换成最小项表达式,根据最小项表达式确定各数据输入端的二元常量。
将数据选择器的地址信号C、B、A作为函数的输入变量,数据输入D0~D7,作为控制信号,控制各最小项在输出逻辑函数中是否出现,使能端G始终保持低电平,这样8选1数据选择器就成为一个3变量的函数产生器。
例1 试用8选1数据选择器74LS151产生逻辑函数
解:把式变换成最小项表达式:
显然D3、D5、D6、D7,都应该等于1,而式中没有出现的最小项m0,m1,m2,m4的控制变量D0、D1、D2、D4都应该等于0,由此可画出该逻辑函数产生器的逻辑图:、
例2 试用与上例相同的8选1数据选择器产生
解:根据表达式列出真值表如下:
从表中可以看出,凡使L值为1的那些最小项,其控制变量应该等于1,即D1、D2、D4、D7等于1(对应XYZ:001、010、100、111),其他控制变量均等于0。
由此可得逻辑函数产生器:通过上面两例可以看出,与用各种逻辑门设计组合逻辑电路相比
,使用数据选择器的好处是无需对函数化简。
(2)实现并行数据到串行数据的转换
上图是实现并/串行转换的电路框图和输出信号时序图。
电路由8选1数据选择器和1个3位二进制计数器构成。
计数器的作用是累计时钟脉冲的个数,当时钟脉冲CP一个接一个送入时,计数器的输出端Q2Q1Q0从000→001→010→…→111依次变化。
由于Q2Q1Q0与选择器的地址输入端C、B、A相连,因此C、B、A就随时钟脉冲的逐个输入从000到111变化,选择器的输出Y随之接通D0、D1、D2
、…Dn。
当选择器的数据输入端D0~D7与一个并行8位数01001101相连时,输出端得到的就是一串随时钟节拍变化的数据0-1-0-0
-1-1-0-1,这种数称为串行数据。
为了简单起见,图中时序图的时钟脉冲CP画成了尖窄脉冲。