最新常见职业病禁忌症(精品收藏)
- 格式:doc
- 大小:54.00 KB
- 文档页数:13
常见职业病禁忌症..
常见的职业病禁忌症包括:
1. 肺功能不全:例如,对于患有结核病或慢性阻塞性肺病(COPD)等肺部疾病患者,从事需要大量运动或长时间站立的工作可能会
导致呼吸困难和加重疾病。
2. 心血管系统疾病:例如患有严重心脏病、高血压或心绞痛等心
血管相关疾病的人可能不适合从事体力劳动和高强度的工作。
3. 抑郁症和焦虑症:对于抑郁症和焦虑症等心理疾病的患者,从
事与高压和紧张相关的工作可能加重症状并影响工作效率。
4. 骨骼和关节疾病:例如,关节炎、腰椎间盘突出等骨骼和关节
疾病可能导致行走、抬重和长时间坐立等工作中的不适和疼痛。
5. 职业皮肤病:例如接触性皮炎、湿疹等职业皮肤病,需要避免
进一步接触引发病情加重的物质或行业。
6. 感染性疾病:例如对于患有传染性疾病(如肝炎、HIV/AIDS等)的人,从事需要与他人密切接触和感染风险较高的工作,需要谨
慎评估工作和对他人的潜在风险。
这只是一些常见的例子,具体的禁忌症还需要根据医生的咨询和
具体疾病情况进行评估。
建议有潜在职业病禁忌症的人在选择工
作时,应充分考虑自身健康状况,避免从事可能加重病情的工作。
职业危害因素和职业禁忌症列表(可以直接使用,可编辑实用优秀文档,欢迎下载)职业危害因素和职业禁忌证列表正确的名词为职业禁忌证,职业禁忌症为错误的写法。
指劳动者从事特定职业或者接触特定职业病危害因素时,比一般职业人群更易于遭受职业病危害和罹患职业病或者可能导致原有自身疾病病情加重,或者在作业过程中诱发可能导致对他人生命健康构成危险的疾病的个人特殊生理或者病理状态目录第一章职业危害防治责任制度第二章职业危害防治计划和实施方案第三章职业危害告知制度第四章职业危害防治宣传教育培训制度第五章职业危害防治防护设施管理制度第六章从业人员防护用品配备发放和使用管理制度第七章职业危害日常监测管理制度第八章职业健康监护管理制度第九章职业危害申报制度第十章职业病诊断鉴定及治疗康复制度第十一章职业危害防治经费保障及使用管理制度第十二章职业卫生档案和健康监护档案管理制度第十三章职业危害事故应急救援预案第一章职业危害防治责任制度为了认真贯彻执行《国务院关于进一步加强企业安全生产的通知》(国发[2021]23号)和《国家安全监督总局国家煤矿安监局关于印发煤矿作业场所职业危害防治规定(试行)的通知(安监总煤调[2021]121号)等文件精神。
预防、控制和消除职业病危害,防治职业病,保护本企业职工的健康及其相关权益,改善生产作业环境、搞好职业卫生工作、经我矿职业危害工作领导小组研究制定本职业危害责任制度:一、成立职业危害防治领导小组。
所属各科室、队的主要负责人在职业卫生防治领导小组的领导与安排下,各负其责,做好本部门的职业病防治工作。
建立好日常检查的职业卫生管理台账,并建档保存。
职业病防治工作。
建立好日常检查的职业卫生管理台账,并建档保存。
二、严格执行职业病危害项目申报的规定,在每年的12 月31日前向所在地煤矿安全监察分局进行职业危害项目申报工作。
三、依法履行向劳动者职业病危害告知义务。
与劳动者签订劳动合同时,将工作过程中可能产生的职业病危害因素及其后果、职业病防护措施和待遇如实告知劳动者,并在劳动合同中写明。
职业禁忌症职业病:危害因素和职业禁忌证1.贫血:铅及其无机化合物铅中毒会导致贫血。
上岗前和在岗期间,应该避免接触四乙基铅等铅化合物。
2.卟啉病和多发性周围神经病:铅及其无机化合物除了贫血,铅中毒还会导致卟啉病和多发性周围神经病。
上岗前和在岗期间,应该避免接触四乙基铅等铅化合物。
严重的自主神经功能紊乱性疾病和各种精神疾病也是职业禁忌证。
3.汞及其无机化合物:各种精神病和慢性口腔炎、肾脏疾病汞中毒会导致中枢神经系统器质性疾病。
上岗前和在岗期间,应该避免接触汞及其无机化合物。
除了各种精神病,汞中毒还会导致慢性口腔炎和肾脏疾病。
4.锰及其无机化合物:各种精神病和严重自主神经功能紊乱性疾病除了导致各种精神病,锰中毒还会导致严重的自主神经功能紊乱性疾病。
活动性肺结核和慢性阻塞性肺病也是职业禁忌证。
5.铍及其无机化合物:支气管哮喘、支气管扩张和慢性间质性肺病上岗前和在岗期间,应该避免接触铍及其无机化合物。
除了导致支气管哮喘、支气管扩张和慢性间质性肺病,慢性肾小管-间质性肾病和慢性阻塞性肺病也是职业禁忌证。
6.镉及其无机化合物:支气管哮喘、慢性间质性肺病和原发性骨质疏松症上岗前和在岗期间,应该避免接触镉及其无机化合物。
慢性皮炎和慢性肾炎也是职业禁忌证。
7.铬及其无机化合物:慢性鼻炎、慢性阻塞性肺病和慢性间质性肺病上岗前和在岗期间,应该避免接触铬及其无机化合物。
8.氧化锌:甲状腺功能亢进症慢性肝炎也是职业禁忌证。
9.砷:周围神经病和严重慢性皮肤病除了贫血,砷中毒还会导致周围神经病和严重慢性皮肤病。
上岗前和在岗期间,应该避免接触砷。
10.胂/砷化氢:慢性肾小管-间质性肾病和慢性肾小球肾炎慢性牙周炎和牙本质病变也是职业禁忌证。
11.磷及其无机化合物:下颌骨疾病和慢性肝炎、肾炎除了导致下颌骨疾病,磷中毒还会导致慢性肝炎和肾炎。
支气管扩张和慢性阻塞性肺病也是职业禁忌证。
12.磷化氢:慢性间质性肺病、心肌病和慢性肝炎上岗前和在岗期间,应该避免接触磷化氢。
3、4、1 噪声3、4、1、1对人体得影响噪声就是由许多不同频率与不同声强无规则组合在一起得声音,它对人体得危害就是多方面得,尤以内耳损伤为明显,在长时间超过国家标准得噪声环境中工作可从暂时性听阈位移逐渐发展为永久性听阈位移,直至导致噪声性耳聋,噪声聋就是我国法定职业病.长期接触高强度得噪声,不仅使听觉器官受到损伤,同时对中枢神经系统、心血管系统、消化系统与内分泌系统均有不良影响。
在噪声干扰下工人会感觉烦躁,注意力不集中与反应迟钝,生产场所由于噪声影响掩盖了异常信号与声音,容易发生各种工伤事故。
3、4、1、2职业接触限值根据《工作场所有害因素职业接触限值第2部分:物理因素》(GBZ2、2—2007)得规定,噪声得职业接触限值见表3-3.表3—3 工作场所噪声职业接触限值3、4、1、3可能导致得职业病噪声聋就是我国法定职业病。
结合本项目工艺特征分析,噪声就是主要职业病危害因素之一,导致噪声聋可能性大,应予以重视该危害因素。
3、4、1、4职业禁忌症(1)各种原因引起永久性感音神经性听力损失;(2)中度以上传导性耳聋;(3)双耳高频(3000Hz,4000Hz,6000Hz)平均听阈≥40分贝;(4)Ⅱ期及Ⅲ期高血压;(5)器质性心脏病。
3、4、2高温3、4、2、1对人体得危害高温就是指温度超过35℃或辐射热强度超过0、5kcal (cm2/mim)得环境条件。
在高温作业环境下可导致职业性中暑,中暑就是由于人体热平衡或水盐代谢紊乱而引起以中枢神经系统与心血管障碍为主要表现得急性疾病。
中暑可分为:先兆中暑、轻症中暑与重症中暑.先兆中暑时常出现有头痛、头晕、口渴、多汗、乏力、动作不协调等症状,如及时到荫凉通风处安静休息,并补充盐水,短时间可恢复;轻症中暑除上述症状加重外,出现大量出汗,体温升高等,如进行及时有效得处理,可在数小时内恢复;重症中暑就是中暑最严重得一种,此时体温不断增高,病情危急,可随时出现昏迷、痉挛或手脚抽搐等,如处理不及时甚至可危及生命。
常见职业病禁忌症3.4.1噪声3。
4.1。
1对人体的影响噪声是由许多不同频率与不同声强无规则组合在一起的声音,它对人体的危害是多方面的,尤以内耳损伤为明显,在长时间超过国家标准的噪声环境中工作可从暂时性听阈位移逐渐发展为永久性听阈位移,直至导致噪声性耳聋,噪声聋是我国法定职业病.长期接触高强度的噪声,不仅使听觉器官受到损伤,同时对中枢神经系统、心血管系统、消化系统和内分泌系统均有不良影响。
在噪声干扰下工人会感觉烦躁,注意力不集中和反应迟钝,生产场所由于噪声影响掩盖了异常信号和声音,容易发生各种工伤事故。
3.4.1.2职业接触限值根据《工作场所有害因素职业接触限值第2部分:物理因素》(GBZ2.2-2007)的规定,噪声的职业接触限值见表3—3。
表3-3 工作场所噪声职业接触限值接触时间接触限值[dB(A)]备注5d/w,=8h/d85非稳态噪声计算8h等效声级5d/w,≠8h/d 计算8h等效声级≠5d/w 计算40h等效声级3.4。
1。
3可能导致的职业病噪声聋是我国法定职业病。
结合本项目工艺特征分析,噪声是主要职业病危害因素之一,导致噪声聋可能性大,应予以重视该危害因素.3。
4.1。
4职业禁忌症(1)各种原因引起永久性感音神经性听力损失;(2)中度以上传导性耳聋;(3)双耳高频(3000Hz,4000Hz,6000Hz)平均听阈≥40分贝;(4)Ⅱ期及Ⅲ期高血压;(5)器质性心脏病.3。
4。
2高温3.4.2。
1对人体的危害高温是指温度超过35℃或辐射热强度超过0.5kcal (cm2/mim)的环境条件。
在高温作业环境下可导致职业性中暑,中暑是由于人体热平衡或水盐代谢紊乱而引起以中枢神经系统和心血管障碍为主要表现的急性疾病.中暑可分为:先兆中暑、轻症中暑和重症中暑.先兆中暑时常出现有头痛、头晕、口渴、多汗、乏力、动作不协调等症状,如及时到荫凉通风处安静休息,并补充盐水,短时间可恢复;轻症中暑除上述症状加重外,出现大量出汗,体温升高等,如进行及时有效的处理,可在数小时内恢复;重症中暑是中暑最严重的一种,此时体温不断增高,病情危急,可随时出现昏迷、痉挛或手脚抽搐等,如处理不及时甚至可危及生命。
此外是对神经系统的影响;在高温环境下作业,肌肉的工作能力、动作的准确性、协调性和大脑反应速度及注意力降低,易引发安全事故. 3。
4.2.2职业接触限值根据GBZ2.2—2007《工作场所有害因素职业接触限值第2部分:物理因素》规定,高温作业的卫生要求见表3-4,常见职业体力劳动强度分级见表3-5。
表3-4工作场所不同体力劳动强度WBGT限值(℃)接触时间率体力劳动强度Ⅰ(轻劳动)Ⅱ(中等劳动)Ⅲ(重劳动)Ⅳ(极重劳动)100%30282625 75%31292826 50%3230292825%33323130表3—5 常见职业体力劳动强度分级表体力劳动强度分级职业描述I(轻劳动)坐姿:手工作业或腿的轻度活动(正常情况下,如打字、缝纫、脚踏开关等);立姿:操作仪器,控制、查看设备,上臂用力为主的装配工作II(中等劳动)手和臂持续动作(如锯木头等);臂和腿的工作(如卡车、拖拉机或建筑设备等非运输操作等);臂和躯干的工作(如锻造、风动工具操作、粉刷、间断搬运中等重物、除草、锄田、摘水果和蔬菜等)III(重劳动)臂和躯干负荷工作(如搬重物、铲、锤锻、锯刨或凿硬木、割草、挖掘等)IV(极重劳动)大强度的挖掘、搬运,快到极限节律的极强活动3.4.2。
3可能导致的职业病职业性中暑。
该项目生产工艺喷漆在室内操作,在夏季作业人员在作业时,室内温度高作业时可能接触到高温,有可能发生中暑情况。
3.4.2。
4职业禁忌症(1)Ⅱ期及Ⅲ期高血压;(2)活动性消化性溃疡;(3)慢性肾炎;(4)未控制的甲亢;(5)糖尿病;(6)大面积皮肤疤痕。
3。
4.3 粉尘3。
4.3。
1对人体的影响劳动者长期接触生产性粉尘可能引起职业病尘肺和职业性肺病,如粉尘性支气管炎、呼吸系统肿瘤、肺炎等呼吸系统疾病。
尘肺是法定职业病之一,其主要临床表现为:胸闷、气短、胸痛、咳嗽、咯痰等,最终因呼吸功能衰竭而导致病人死亡。
目前,世界上尚无根治尘肺的药物和方法,一旦患上尘肺,疾病将伴随终生。
含有游离二氧化硅的粉尘进入人的肺内后,在二氧化硅的毒作用下,引起肺巨噬细胞解坏死、导致肺组织纤维化,形成胶原纤维结节,使肺组织弹性丧失,硬度增大,造成通气障碍,影响肺的呼吸活动,即吸入游离二氧化硅的粉尘可引起矽肺。
3。
4.3。
2职业接触限值为预防尘肺病,国家规定了工作场所环境中的各种粉尘浓度接触限值.该企业生产过程中工人接触矽尘(若游离二氧化硅含量在10%~50%之间)和其他粉尘,根据GBZ2.1—2007《工作场所有害因素职业接触限值第1部分:化学有害因素》的规定,矽尘总尘和呼尘的职业接触限值分别为:PC-TWA(时间加权平均容许浓度)1mg/m3、0.7mg/m3;其他粉尘职业接触限值为:PC—TWA8mg/m3.粉尘未制定PC—STEL(短时间接触容许浓度),采用超限倍数控制其短时间接触水平的过高波动,在符合PC-TWA的前提下,粉尘的超限倍数是PC-TWA的2倍。
3.4。
3.3可能导致的职业病职业性尘肺病是我国法定职业病。
结合本项目工艺特征分析,粉尘是主要职业病危害因素之一,导致矽肺可能性大,应予以重视该危害因素的影响。
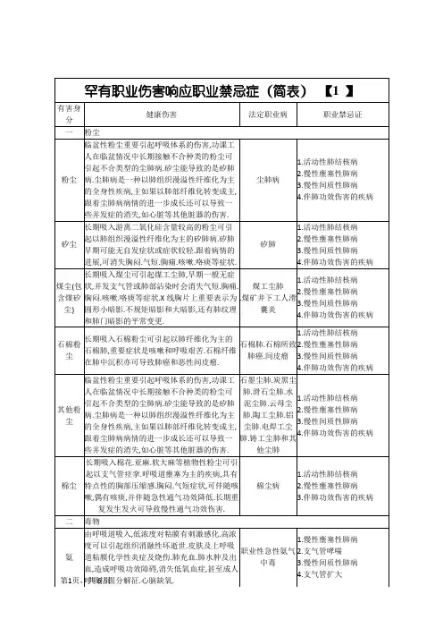
3.4.3.4职业禁忌症(1)活动性肺结核;(2)慢性阻塞性肺病;(3)慢性间质性肺病;(4)伴肺功能损害的疾病。
3。
4.4苯、甲苯、二甲苯3.4。
4。
1对人体的危害苯是国际公认的致癌物质,长时间过量接触可引起白血病。
在职业活动中,短期内吸入较大量苯系物气体,引起的以呼吸系统损害为主的全身性疾病,称为职业性急性氮氧化合物中毒。
是法定职业病之一。
临床表现主要为胸闷、咳嗽、咳痰等,伴有轻度头痛、头晕、无力、心悸、恶心、发热等,眼结膜及鼻咽部轻度充血及肺部有散在干啰音.3.4。
4.2职业接触限值根据《工作场所有害因素职业接触限值第1部分:化学有害因素》(GBZ2.1—2007)的规定,苯的PC—TWA限值均为6mg/m3,PC—STEL 限值均为10mg/m3;二甲苯、甲苯的PC-TWA限值为50mg/m3,PC-STEL限值均为100mg/m3. 3.4。
4.3可能导致的职业病职业性慢性苯中毒、职业性苯所致白血病.3.4。
4.4职业禁忌症(1)血常规检出有如下异常者:白细胞计数低于4.5×109/L;血小板计数低于8×1010/L;红细胞计数男性低于4×1012/L,女性低于3.5×1012/L或血红蛋白定量男性低于120g/L,女性低于110g/L;(2)造血系统疾病如各种类型的贫血、白细胞减少症和粒细胞缺乏症、血红蛋白病、血液肿瘤以及凝血障碍疾病等;(3)脾功能亢进。
3.4。
5甲醛3.4。
5。
1对人体的危害甲醛能与蛋白质结合,易经呼吸道和消化道吸收,对皮肤和黏膜有强烈的刺激作用。
甲醛对人体健康的影响主要表现在导致嗅觉异常、刺激、过敏、肺功能异常、肝功能异常和免疫功能异常等方面.高浓度甲醛会导致急性中毒。
若吸入甲醛蒸气,轻者可致结膜炎、角膜炎、上呼吸道炎和支气管炎,表现为眼部烧灼感、流泪、流涕、咽痛、烦渴、咳嗽、气短,并可有头晕、头痛、乏力等全身症状,严重者发生喉痉挛、喉头水肿,少数出现肺炎、偶见肺水肿。
当吸入甲醛浓度达到30mg/ m3时,会立即致人死亡.3.4.5。
2职业接触限值根据《工作场所有害因素职业接触限值第1部分:化学有害因素》(GBZ2.1-2007)的规定,甲醛的职业接触限值为:PC—TWA(时间加权平均容许浓度)0.5mg/m3.甲醛未制定PC-STEL(短时间接触容许浓度),采用超限倍数控制其短时间接触水平的过高波动,在符合PC-TWA的前提下,甲醛的超限倍数是PC—TWA的3倍。
3.4。
5.3可能导致的职业病低浓度甲醛会导致慢性中毒,长期接触甲醛,还可能导致基因突变和癌症.3.4。
5。
4职业禁忌症(1)全身性皮肤病;(2)慢性眼病。
3.4.6电焊弧光3.4.6.1对人体的危害电焊弧光的光谱中,包含了红外线,可见光线、紫外线三个部分。
氩弧焊所产生的紫外线强度是一般焊条电弧焊的十几倍到30倍,等离子弧焊的紫外线强度可比焊条电弧焊大30—50倍.焊接电弧的可见光线的光度,比人眼能正常承受的光线光度可大一万倍。
这样强烈的可见光,将对视网膜产生烧灼,造成眩辉性视网膜炎,将感觉眼睛疼痛,视觉膜糊,有中心暗点,一段时间后才能恢复。
如长期反复作用,将逐渐使视力减退.3。
4.6.2职业接触限值3。
4。
6.3可能导致的职业病强烈的紫外线对人体是有害的,即使短时间接触也会引起眼睛流泪,巨痛等。
紫外线还会烧伤使皮肤,引起红仲、发痒、脱皮等。
时间过长会引起内障眼疾,严重回失明。
3。
4.6。
4职业禁忌症(1)心血管疾病者;(2)高血压并患者;(3)有癫痫或晕厥病史、色盲也不宜从事电焊工作。
3.4。
7锰及其化合物3。
4。
7.1对人体的危害可经呼吸道进入人体.主要损害神经系统,表现为嗜睡、冷漠、注意了涣散、精神萎靡、情绪改变,语言单调、不清,手、舌颤,重者四肢发僵,动作缓慢、两腿发沉、走路为前冲步态.闭目难站稳.大量吸入氧化锰烟尘,可引起金属烟尘热.3。
4。
7。
2职业接触限值根据《工作场所有害因素职业接触限值第1部分:化学有害因素》(GBZ2。
1-2007)的规定,锰及其化合物的职业接触限值为:PC—TWA(时间加权平均容许浓度)0。
15mg/ m3.锰及其化合物未制定PC—STEL(短时间接触容许浓度),采用超限倍数控制其短时间接触水平的过高波动,在符合PC-TWA的前提下,锰及其化合物的超限倍数是PC—TWA的3倍。
3.4.7。
3可能导致的职业病职业性锰中毒.3.4.7.4职业禁忌症(1)中枢神经系统器质性疾病;(2)各类精神病;(3)严重自主神经功能絮乱性疾病。
3.4。
8溶剂汽油3.4.8。
1对人体的危害溶剂汽油是一种混合烃,对人体的危害较大,具有强烈的挥发性、脂溶性,在生产环境中主要以蒸汽的形式存在,对神精系统有较强的亲和力和毒害作用,并对皮肤有较强的去脂作用。
溶剂汽油可经过皮肤、呼吸道,消化吸收进入人体,经呼吸道吸入后,麻醉中枢神经系统,并对中枢和神经末梢产生毒害作用,同时对骨髓造血机能也可产生不良影响。
急性中毒时,表现症状为麻醉症状,精神恍惚、步态不稳,并伴有头晕、恶心、呕吐、结膜充血、咳嗽等,吸入高浓度汽油后,重者很快出现昏迷、抽搐、肌肉痉挛、瞳孔散大、对光反应迟钝或消失等症状;慢性中毒时,轻者表现为神经衰弱综合症或植物神经系统紊乱,头晕、健忘、失眠、多梦、食欲不振、情绪波动等,进一步发展可出现多发性周围神经炎,表现为四肢远端麻木,感觉异常,出现手套、袜套样分布的痛、触觉减退及腱发射的减退和消失,严重出现肢体瘫软,神经—-肌电图显示为神经源性损害。