常见职业危害相应法定职业病与职业禁忌症对照表 安全生产规范化资料
- 格式:pdf
- 大小:171.37 KB
- 文档页数:6
职业危害因素和职业禁忌症列表(可以直接使用,可编辑实用优秀文档,欢迎下载)职业危害因素和职业禁忌证列表正确的名词为职业禁忌证,职业禁忌症为错误的写法。
指劳动者从事特定职业或者接触特定职业病危害因素时,比一般职业人群更易于遭受职业病危害和罹患职业病或者可能导致原有自身疾病病情加重,或者在作业过程中诱发可能导致对他人生命健康构成危险的疾病的个人特殊生理或者病理状态目录第一章职业危害防治责任制度第二章职业危害防治计划和实施方案第三章职业危害告知制度第四章职业危害防治宣传教育培训制度第五章职业危害防治防护设施管理制度第六章从业人员防护用品配备发放和使用管理制度第七章职业危害日常监测管理制度第八章职业健康监护管理制度第九章职业危害申报制度第十章职业病诊断鉴定及治疗康复制度第十一章职业危害防治经费保障及使用管理制度第十二章职业卫生档案和健康监护档案管理制度第十三章职业危害事故应急救援预案第一章职业危害防治责任制度为了认真贯彻执行《国务院关于进一步加强企业安全生产的通知》(国发[2021]23号)和《国家安全监督总局国家煤矿安监局关于印发煤矿作业场所职业危害防治规定(试行)的通知(安监总煤调[2021]121号)等文件精神。
预防、控制和消除职业病危害,防治职业病,保护本企业职工的健康及其相关权益,改善生产作业环境、搞好职业卫生工作、经我矿职业危害工作领导小组研究制定本职业危害责任制度:一、成立职业危害防治领导小组。
所属各科室、队的主要负责人在职业卫生防治领导小组的领导与安排下,各负其责,做好本部门的职业病防治工作。
建立好日常检查的职业卫生管理台账,并建档保存。
职业病防治工作。
建立好日常检查的职业卫生管理台账,并建档保存。
二、严格执行职业病危害项目申报的规定,在每年的12 月31日前向所在地煤矿安全监察分局进行职业危害项目申报工作。
三、依法履行向劳动者职业病危害告知义务。
与劳动者签订劳动合同时,将工作过程中可能产生的职业病危害因素及其后果、职业病防护措施和待遇如实告知劳动者,并在劳动合同中写明。
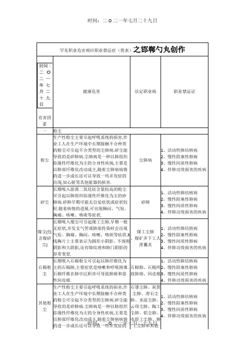
常见职业危害相应职业禁忌症本职业危害之相应职业禁忌症职业病是指由于工作环境和工作岗位所引起的各种疾病。
不同职业存在着不同的职业危害,而这些危害可能导致相应的职业禁忌症。
本文将介绍一些常见的职业危害以及相应的职业禁忌症。
一、钢铁行业钢铁行业是一个重工业,工作环境复杂,职业危害也相对较高。
主要的职业危害有噪音、粉尘、高温等。
噪音长时间的暴露会导致听力下降,甚至耳聋;粉尘会引起呼吸系统疾病,如尘肺病和支气管炎;高温则容易导致中暑等。
二、化工行业化工行业是一个化学品较多、工作环境较复杂的行业。
主要的职业危害包括有毒化学品的接触、烟尘、化学品爆炸等。
有毒化学品的接触会对人体产生损害,如皮肤炎症、中毒等;烟尘会导致呼吸系统疾病;化学品爆炸则会对人体造成创伤、烧伤等。
三、电子行业电子行业是一个高技术含量的行业,但也存在一些职业危害。
主要的职业危害有电磁辐射、静电、眼疲劳等。
电磁辐射可能对人体造成损害,如头晕、恶心等;静电会引起人体不适甚至危及生命;长时间的眼疲劳可能导致眼疾,如近视等。
四、农业行业农业行业是一个传统的行业,但也存在一些职业危害。
主要的职业危害有化肥农药的接触、肌肉骨骼病、中暑等。
长期的化肥农药接触可能对人体产生慢性中毒;农民的工作姿势多为低头弯腰,容易导致肌肉骨骼病;高温天气下长时间的劳动可能引发中暑。
总结:不同行业存在不同的职业危害,而这些职业危害又会导致相应的职业禁忌症。
预防和减少职业危害的最佳方式就是采取行业相应的安全防护措施,如佩戴耳塞、口罩等。
此外,职业危害还需要得到全社会的关注,加强相关法律法规的制定和执行,以保障工人的合法权益和健康。
希望通过本文的介绍,能够引起人们对职业危害的关注,提高对职业危害的认识,并通过采取相应的预防措施来减少职业禁忌症的发生。
只有共同努力,才能创造一个安全健康的工作环境。
职业危险因子和职业禁忌症清单职业危险因子清单
1. 物理因子
- 高温或低温环境
- 高噪音水平
- 离子辐射或电磁辐射
- 高风险的机械或物体运动
- 高气压或低气压环境
2. 化学因子
- 接触有害化学物质或毒素
- 吸入有害气体或气溶胶
- 长期接触挥发性有机化合物
3. 生物因子
- 高接触潜在感染源,如细菌、病毒或真菌
- 动物接触,包括野生或家养动物
4. 心理因素
- 高压工作环境
- 忧虑、抑郁或情绪压力- 长时间工作或过度劳累- 高度竞争的工作环境
职业禁忌症清单
1. 呼吸系统疾病
- 肺癌
- 呼吸道过敏症
- 呼吸系统感染
2. 皮肤疾病
- 接触性皮炎
- 职业性皮肤癌
- 铬皮病
3. 神经系统疾病
- 职业神经病变
- 神经系统中毒
4. 眼睛疾病
- 职业性视觉损伤
- 角膜溶解症
5. 耳鼻喉疾病
- 嗅觉或听觉损害
请谨记,此清单仅供参考,不是详尽无遗的。
不同职业和工作环境可能存在不同的危险因子和禁忌症状。
如果您怀疑自己的工作存在潜在危险,请咨询相关专业人士以获得更详细的信息和建议。
感谢您使用我们的服务!。