岩石钻探分级表(12级、16级)
- 格式:pdf
- 大小:1.26 MB
- 文档页数:8
适合于金刚石钻机的岩石可钻性分级表点击次数:804 发布时间:2009-4-17 11:07:35众所周知,地质钻探工程的六项质量指标是:岩矿心的采取与整理、钻孔弯曲、校正孔深、简易水文观测、原始报表和封孔。
在这六项质量指标中,岩矿心的采取排在首位,可见它在钻探工程中的重要地位。
一、岩矿心采取的基本要求1、岩矿心采取率岩矿心采取率即实际自孔内取上的岩矿心长度与实际进进尺之比值。
对于岩矿心一般要求:岩心不低于65%,矿心不低于75%,如果不足,应进行补取。
2、完整性要求取上的岩矿心保持原生结构和原有品位,以便划分矿石类型,观察矿物原生结构和共生关系;尽量避免人为破碎、颠倒和扰动。
3、纯洁性要求取上的岩矿心不受外物的浸蚀、污染和渗进,以免影响矿石的品位、品级和物理性质。
如煤心混入粘土将使样品的灰分增加,滑石混入泥浆将使二氧化硅含量提高等。
4、避免选择性磨损矿心的选择性磨损,会使其内在物质成分发生变化,造成矿物人为贫化和富集,歪曲原品位和品级。
5、取心部位准确要求取上岩矿心的位置准确,为了得到岩矿层准确的埋藏深度、厚度和产状,以准确地计算矿产储量和确定其地质构造。
二、影响岩矿心采取率与品质的因素1、自然因素影响取心数量和质量的自然因素是所钻岩石的物理力学性质和岩矿层的结构、构造。
钻进坚硬、致密、均质完整的岩矿层时采取率高,岩矿心不怕冲刷、不怕振动,易于得到完整的能保持原生结构的岩矿心;钻进松散、破碎、节理发育、胶性差和软硬夹层的岩矿层时,取出的岩矿心多成块状、粒状、片状,不仅原生结构遭到破坏,而且采取率低,甚至取不出岩矿心。
2、人为因素2.1钻进方法选择不合理钢粒钻进时振动大、孔壁间隙大、钻出的岩矿心细,对岩矿心的磨损作用最大;硬质合金钻进时磨损轻微;金刚石钻进时最小。
2.2钻具结构选用不合理钻进中作用弯曲或偏心的岩心管、钻杆、或钻头时,钻进中钻具回转运动,产生离心力和水平振动,使岩心受到冲揞、磨损而破坏。
水工中的岩石级别及围岩类别
水利水电工程中常常将土石进行分级,依据开挖方法开挖难易坚固系数等共划分为16级,其中土分为4级,岩石分为12级。
(见附表1)地下洞室的施工过程中又将围岩进行分类,可根据岩石强度,岩石完整性,结构面状态,地下水和主要结构面产状五项因素的评分只和为基本依据,一般分为Ⅰ~Ⅴ类。
(见附表2)
附表1岩石分级表
注:摘自《水工建筑物地下开挖工程施工技术规范》(SDJ212-83)附录一
2004年04月06日
附表2水工隧洞围岩工程地质分类
围岩类别围岩稳定性
围岩总评
分T
围岩强度应
力比S
Ⅰ稳定。
围岩可长期稳定,一般无不稳定块体T>85 >4 Ⅱ基本稳定。
围岩整体稳定,不会产生塑性变形,局部可能产生掉块85≥T>65 >4
Ⅲ局部稳定性差,围岩强度不足,局部会产生口塑性变形,不支护可能产生塌
方或变形破坏完整的较软岩,可能暂时稳定
65≥T>45 >2
Ⅳ不稳定。
围岩自稳时间较短,规模较大的各种变形何破坏都可能发生45≥T>25 >2 Ⅴ极不稳定。
围岩不自稳,变形破坏严重T≤25
可编辑范本。
岩石级别坚固程度代表性岩石Ⅰ 最坚固最坚固、致密、有韧性的石英岩、玄武岩和其他各种特别坚固的岩石。
(f=20)Ⅱ 很坚固很坚固的花岗岩、石英斑岩、硅质片岩,较坚固的石英岩,最坚固的砂岩和石灰岩.(f=15)Ⅲ坚固致密的花岗岩,很坚固的砂岩和石灰岩,石英矿脉,坚固的砾岩,很坚固的铁矿石.(f=10)Ⅲa 坚固坚固的砂岩、石灰岩、大理岩、白云岩、黄铁矿,不坚固的花岗岩。
(f=8)Ⅳ比较坚固一般的砂岩、铁矿石(f=6)Ⅳa 比较坚固砂质页岩,页岩质砂岩。
(f=5)Ⅴ中等坚固坚固的泥质页岩,不坚固的砂岩和石灰岩,软砾石。
(f=4)Ⅴa 中等坚固各种不坚固的页岩,致密的泥灰岩.(f=3)Ⅵ比较软软弱页岩,很软的石灰岩,白垩,盐岩,石膏,无烟煤,破碎的砂岩和石质土壤.(f=2)Ⅵa 比较软碎石质土壤,破碎的页岩,粘结成块的砾石、碎石,坚固的煤,硬化的粘土。
(f=1.5)Ⅶ软软致密粘土,较软的烟煤,坚固的冲击土层,粘土质土壤。
(f=1) Ⅶa 软软砂质粘土、砾石,黄土。
(f=0.8)Ⅷ土状腐殖土,泥煤,软砂质土壤,湿砂。
(f=0.6)Ⅸ松散状砂,山砾堆积,细砾石,松土,开采下来的煤(f=0.5) Ⅹ流沙状流沙,沼泽土壤,含水黄土及其他含水土壤. (f=0.3)A表示矿岩的坚固性的量化指标.人们在长期的实践中认识到,有些岩石不容易破坏,有一些则难于破碎。
难于破碎的岩石一般也难于凿岩,难于爆破,则它们的硬度也比较大,概括的说就是比较坚固。
因此,人们就用岩石的坚固性这个概念来表示岩石在破碎时的难易程度。
坚固性的大小用坚固性系数来表示又叫硬度系数,也叫普氏硬度系数f 值)。
坚固性系数f=R/100 (R单位kg/cm2)式中R——为岩石标准试样的单向极限抗压强度值。
通常用如:①极坚固岩石f=15~20(坚固的花岗岩,石灰岩,石英岩等)②坚硬岩石f=8~10(如不坚固的花岗岩,坚固的砂岩等)③中等坚固岩石f=4~6(如普通砂岩,铁矿等)④不坚固岩石f=0.8~3(如黄土、仅为0.3)矿岩的坚固性也是一种抵抗外力的性质,但它与矿岩的强度却是两种不同的概念。
前言本规程包括了岩心钻探工程设计的编制、钻探方法和设备选择、通用的工艺方法、冲洗介质及施工守则、钻孔质量保证、钻探施工的人身健康、安全、环境保护和生产管理等方面的内容,是不同领域岩心钻探工程及各种专项钻探工艺技术方法的基础性规程。
本规程是地质岩心钻探工程设计、施工、管理和检查验收等各项工作的重要依据和准则。
对于不同的勘查对象、勘查阶段、勘查目的而有所变更的一些特殊要求和技术指标,应符合相关的规程、规范或通过协议、合同做出明确规定。
本规程是遵循GB/T 1.1—2009的起草规则,首次以技术标准形式发布.本规程由中国地质调查局提出。
本规程由国土资源部归口。
本规程起草单位:中国地质科学院勘探技术研究所。
本规程主要起草人:王达、赵国隆、肖亚民、陈星庆、汤松然、孙建华、张林霞、刘秀美、戴智长。
本规程由国土资源部负责解释。
地质岩心钻探规程1 范围本规程规定了钻探施工过程所有工序的技术要求及相关管理规定.本规程中对“岩心”的界定是广义的,指能采集到的各类岩石样品,即除圆柱状的岩心外,也包括各种岩块、岩样和岩屑,故各种反循环连续取心也被纳入岩心钻探的范围。
本规程主要适用于地质岩心钻探,工程勘察、工程施工、水文水井钻探和油气井钻探的小口径钻孔施工,可参照本规程。
本规程适用于孔深3000 m以内的钻孔施工.2 规范性引用文件下列文件对于本文件的应用是必不可少的。
凡是注日期的引用文件,仅所注日期的版本适用于本文件。
凡是不注日期的引用文件,其最新版本(包括所有的修改单)适用于本文件。
GB/T 1。
1 标准化工作导则第1部分:标准的结构和编写GB/T 3787手持武电动工具的管理、使用、检查和维修安全技术规程GB/T 5005钻井液材料规范GB 6722爆破安全规程GB/T 9151钻探工程名词术语GB 15848铀矿地质勘查辐射防护和环境保护规定GB/T 16950金刚石岩心钻探钻具设备GB/T 16951金刚石绳索取心钻探钻具设备GB/T 18376。
岩石级别坚固程度代表性岩石Ⅰ 最坚固最坚固、致密、有韧性的石英岩、玄武岩和其他各种特别坚固的岩石。
(f=20)Ⅱ 很坚固很坚固的花岗岩、石英斑岩、硅质片岩,较坚固的石英岩,最坚固的砂岩和石灰岩.(f=15)Ⅲ坚固致密的花岗岩,很坚固的砂岩和石灰岩,石英矿脉,坚固的砾岩,很坚固的铁矿石.(f=10)Ⅲa 坚固坚固的砂岩、石灰岩、大理岩、白云岩、黄铁矿,不坚固的花岗岩。
(f=8)Ⅳ比较坚固一般的砂岩、铁矿石(f=6)Ⅳa 比较坚固砂质页岩,页岩质砂岩。
(f=5)Ⅴ中等坚固坚固的泥质页岩,不坚固的砂岩和石灰岩,软砾石。
(f=4)Ⅴa 中等坚固各种不坚固的页岩,致密的泥灰岩.(f=3)Ⅵ比较软软弱页岩,很软的石灰岩,白垩,盐岩,石膏,无烟煤,破碎的砂岩和石质土壤.(f=2)Ⅵa 比较软碎石质土壤,破碎的页岩,粘结成块的砾石、碎石,坚固的煤,硬化的粘土。
(f=1.5)Ⅶ软软致密粘土,较软的烟煤,坚固的冲击土层,粘土质土壤。
(f=1) Ⅶa 软软砂质粘土、砾石,黄土。
(f=0.8)Ⅷ土状腐殖土,泥煤,软砂质土壤,湿砂。
(f=0.6)Ⅸ松散状砂,山砾堆积,细砾石,松土,开采下来的煤(f=0.5) Ⅹ流沙状流沙,沼泽土壤,含水黄土及其他含水土壤. (f=0.3)A表示矿岩的坚固性的量化指标.人们在长期的实践中认识到,有些岩石不容易破坏,有一些则难于破碎。
难于破碎的岩石一般也难于凿岩,难于爆破,则它们的硬度也比较大,概括的说就是比较坚固。
因此,人们就用岩石的坚固性这个概念来表示岩石在破碎时的难易程度。
坚固性的大小用坚固性系数来表示又叫硬度系数,也叫普氏硬度系数f 值)。
坚固性系数f=R/100 (R单位kg/cm2)式中R——为岩石标准试样的单向极限抗压强度值。
通常用如:①极坚固岩石f=15~20(坚固的花岗岩,石灰岩,石英岩等)②坚硬岩石f=8~10(如不坚固的花岗岩,坚固的砂岩等)③中等坚固岩石f=4~6(如普通砂岩,铁矿等)④不坚固岩石f=0.8~3(如黄土、仅为0.3)矿岩的坚固性也是一种抵抗外力的性质,但它与矿岩的强度却是两种不同的概念。
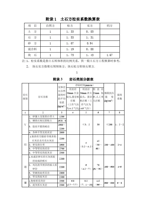
附录1 土石方松实系数换算表注:1。
松实系数是指土石料体积的比例关系,供一般土石方工程换算时参考; 2。
块石实方指堆石坝坝体方,块石松方即块石堆方。
1附录3 岩石类别分级表附录4 河道疏浚工程分级表2. 水力冲挖机组土类划分表附录5 岩石十二类分级与十六类分级对照表附录6 钻机钻孔工程地层分类与特征表附录7 混凝土、砂浆配合比及材料用量表1、混凝土配合比有关说明(1)除碾压混凝土材料配合参考表外,水泥混凝土强度等级均以28d龄期用标准试验方法测得的具有95%保证率的抗压强度标准值确定,如设计龄期超过28d,按表7-1系数换算。
计算结果如介于两种强度等级之间,应选用高一级的强度等级。
表7-1(2) 混凝土配合比表中混凝土骨料按卵石、粗砂拟定,如改用碎石或中、细砂,按表7-2系数换算。
表7—2注:水泥按重量计,砂、石子、水按体积计。
(3) 混凝土细骨料的划分标准为:细度模数3。
19~3.85(或平均粒径1.2~2.5mm)为粗砂;细度模数 2。
5~3.19(或平均粒径0。
6~1。
2mm)为中砂;细度模数1.78~2.5(或平均粒径0。
3~0。
6mm)为细砂;细度模数0。
9~1.78(或平均粒径0.15~0.3mm)为特细砂。
(4) 埋块石混凝土,应按配合比表的材料用量,扣除埋块石实体的数量计算。
①埋块石混凝土材料量=配合表列材料用量×(1-埋块石量%)l块石实体方=1。
67码方②因埋块石增加的人工见表7-3。
表7-3注:不包括块石运输及影响浇筑的工时。
(5)有抗渗抗冻要求时,按表7-4水灰比选用混凝土强度等级.表7—4(6) 除碾压混凝土材料配合参考表外,混凝土配合表的预算量包括搅拌场内运输及操作损耗在内。
不包括搅拌后(熟料)的运输和浇筑损耗.(7) 水泥用量按机械拌和拟定,若系人工拌和,水泥用量增加5%。
(8)按照国际标准(ISO3893)的规定,且为了与其他规范相协调,混凝土及砂浆配合比按强度等级表示.2.纯混凝土材料配合比及材料用量纯混凝土材料配合比及材料用量见表7-7.3.掺外加剂混凝土材料配合比及材料用量掺外加剂混凝土材料配合比及材料用量见表7-8。
岩心钻探岩石可钻性分级表岩石级别岩石类别(硬度)每一级有代表性的岩石可钻性(米/小时)一次提钻长度(米/回次)Ⅰ级松软疏散次生黄土、次生红土、泥质土壤松软的砂质土壤(不含石子及角砾)7.50 2.80Ⅱ级较松软疏散黄土层、红土层、松软的泥灰岩松软的高岭土类泥炭及腐植层冰4.00 2.40Ⅲ级软全部风化变质的:页岩、板岩、千枚岩、片岩轻微胶结的砂层泥灰岩石膏质土层松软的锰矿2.45 2.00Ⅳ级较软页岩较致密的泥灰岩泥质砂岩中等硬度煤层高岭土层1.60 1.70Ⅴ级稍硬卵石、碎石及砾石层较松软的沙岩硬烟煤、无烟煤松散砂质的磷灰石矿冻结的:粗粒砂层、砾层、砂土层1.15 1.50Ⅵ级中等硬度石英、绿泥石、云母、片岩钙质胶结的砾石、长石砂岩、石英砂岩冻结的砾石层较纯的明矾石0.82 1.30Ⅶ级中等硬度角闪石、云母、石英、磁铁矿、赤铁矿化的板岩、千枚岩、片岩含石英粒的石灰岩方解石化的辉石有硅质的海绵状铁帽铬铁矿、硫化矿物、菱铁赤铁矿含角闪石的磁铁矿砾石层、碎石层轻微风化的:粗粒花岗岩、正长岩、闪长岩硅质石灰岩极松散的磷灰石矿0.57 1.10Ⅷ级硬的硅化绢云母板岩、千枚岩、片岩轻微风化的:花岗岩、花岗片麻岩、伟晶岩、闪长岩、辉长岩、石英电气石岩类玄武岩、辉绿岩、辉石岩、安山岩赤铁矿、磁铁矿0.38 0.85Ⅸ级硬的粗硅化的:板岩、千枚岩、石灰岩及砂岩等;高粒的:花岗岩、花岗闪长岩、花岗片麻岩、正长岩、辉长岩、粗面岩等。
微风化的:石英粗面岩、微晶花岗岩带有溶解空洞的石灰岩层状重晶石含石英的黄铁矿、带有相当多的黄铁矿的石英含石英质的磷灰岩层0.25 0.65Ⅹ级坚硬的细粒的:花岗岩、花岗闪长岩、花岗片麻岩等流纹岩,微晶花岗岩坚硬的石英伟晶岩0.15 0.50Ⅺ级坚硬的刚玉岩、石英岩、碧玉岩块状石英、最硬的铁质角页岩含赤铁矿、磁铁矿的碧玉岩碧玉质的硅化板岩0.09 0.32Ⅻ级最坚硬的完全没有风化的极致密的:石英岩、碧玉岩、角页岩、石英、碧玉0.045 0.16注:1.未列入上表的岩石,应在规定的技术条件下,根据实际可钻性,列入适当的岩石级别中;2.当钻进破碎带有裂隙和易膨胀的岩石、以及流砂岩等地层时,同时应按其实际可钻性列入适当的岩石级别中;3.为了准确的标定各种岩石的可钻性,必须用秒表进行测定。
十六级岩石强度等级划分地质学是一门研究地球裂谷、活动地区、地层构造、地质资源和古生物等地学现象的科学。
它是建立地质结构地貌、开发和调查地质资源、探测构造活动性和评估灾害风险等的重要前提和基础。
同时,岩石的强度也是在判断一块地质区域的地质构造特征、古地貌形成过程及古环境演变过程中都是必不可少的研究要素,因此关于岩石强度的研究也成为地质学研究的重要内容。
岩石强度主要反映了岩石的受拉断裂,准压开裂和塑性变形的能力。
岩石强度的确定可以利用现场和实验室的检测方法进行研究。
实验室检测方法,如压裂试验、抗拉试验、钝化试验等,可以用来测量岩石的强度参数。
而现场的检测方法,比如钻孔检测和地质调查,可以对岩石强度波动更直观地加以分析。
根据国家规定,岩石强度变异量有极大,可以大致按照1-16级分类。
在强度分级上,一级岩石指最软的岩石,即可以使用肘拱架来修护;十六级岩石指最硬最坚硬的岩石,它可以用于加固大坝、工业结构上的砌块等重结构改造和大规模工程建设中。
从1-16级分布可以看出,岩石的强度分级主要涉及三种类型的岩石:一是碎解岩,包括砂岩、礁岩等岩性;二是粘性岩,包括花岗岩等火成岩;三是板状岩,包括锆石岩和蛇纹岩等碳酸盐岩。
1-16级岩石强度分级标准,根据岩石类型,不同岩石类型的强度分级分别如下:1、碎解岩:砂岩、礁岩等:第一级岩石的受压强度在5KN/m2以下,第十六级岩石的受压强度约为20KN/m2;2、粘性岩:花岗岩等:第一级岩石的受压强度在60KN/m2以下,第十六级岩石的受压强度约为500KN/m2;3、板状岩:锆石岩、蛇纹岩等:第一级岩石的受压强度在50KN/m2以下,第十六级岩石的受压强度约为200KN/m2。
此外,岩石的强度分级还可以分解为四级:软石、中石、坚石和特坚石,其中软石指1-4级岩石,中石指5-8级岩石,坚石指9-12级岩石,而特坚石指13-16级岩石。
通过岩石的强度分级,可以更清楚的认识岩石的强度变化特征和它的受力特性,从而能够更好的判断一块地质区域的地质构造特征。