岩石按强度分类表
- 格式:doc
- 大小:25.00 KB
- 文档页数:1
1 工民建工程1.1、岩石坚硬程度分类《岩土工程勘察规范》GB50021—2001注:1 当无法取得饱和单轴抗压强度数据时,科用点荷载试验强度换算,换算方法按现行国家标准《工程岩体分级标准》(GB50218)执行;2 当岩体完整程度极为破碎时,可不进行坚硬程度分类。
1.2、岩石坚硬程度等级定性分类《岩土工程勘察规范》GB50021—20011.3、岩体完整程度分类《岩土工程勘察规范》GB50021—2001注: 完整性指数为岩体压缩波速与岩块压缩波速之比的平方。
1.4-1、岩石完整程度的定性分类《岩土工程勘察规范》GB50021—20011.4-2、岩体完整程度划分《建筑地基基础设计规范》(GB50007—2002)注:1 波速比Kv为风化岩石与新鲜岩石压缩波速度之比;2 风化系数K f为岩石与新鲜岩石饱和单轴抗压强度之比;3 花岗岩类岩石,可采用标准贯入试验划分,N≥50为强风化;50>N≥30为全风化;N<30为残积土。
4 泥岩和半成岩,可不进行风化程度划分。
1.6、岩体基本质量等级分类《岩土工程勘察规范》GB50021—20011.7、岩石按质量指标RQD分类《岩土工程勘察规范》GB50021—20011.8、岩层厚度分类《岩土工程勘察规范》GB50021—20011.9、岩石按在水中软化系数分类《岩土工程勘察规范》GB50021—2001注:软化系数(K)等于饱和状态与风干状态的岩石单轴极限抗压强度之比。
2 公路工程2.1、岩石坚硬程度分级《公路桥涵地基与基础设计规范》(JTG D63—2007)注:岩石饱和单轴抗压强度试验要点,见本规范附录B。
2.2、岩体完整程度划分《公路桥涵地基与基础设计规范》(JTG D63—2007)注: 完整性指数为岩体压缩波速与岩块压缩波速之比的平方。
2.3、岩体节理发育程度分类《公路桥涵地基与基础设计规范》(JTG D63—2007)2.4、岩石按软化系数分类《公路桥涵地基与基础设计规范》(JTG D63—2007)注:软化系数(K)等于饱和状态与风干状态的岩石单轴极限抗压强度之比。
1 工民建工程1.1、岩石坚硬程度分类《岩土工程勘察规范》GB50021—2001注:1 当无法取得饱和单轴抗压强度数据时,科用点荷载试验强度换算,换算方法按现行国家标准《工程岩体分级标准》(GB50218)执行;2 当岩体完整程度极为破碎时,可不进行坚硬程度分类。
1.2、岩石坚硬程度等级定性分类《岩土工程勘察规范》GB50021—20011.3、岩体完整程度分类《岩土工程勘察规范》GB50021—2001注: 完整性指数为岩体压缩波速与岩块压缩波速之比的平方。
1.4-1、岩石完整程度的定性分类《岩土工程勘察规范》GB50021—20011.4-2、岩体完整程度划分《建筑地基基础设计规范》(GB50007—2002)注:1 波速比Kv为风化岩石与新鲜岩石压缩波速度之比;2 风化系数K f为岩石与新鲜岩石饱和单轴抗压强度之比;3 花岗岩类岩石,可采用标准贯入试验划分,N≥50为强风化;50>N≥30为全风化;N<30为残积土。
4 泥岩和半成岩,可不进行风化程度划分。
1.6、岩体基本质量等级分类《岩土工程勘察规范》GB50021—20011.7、岩石按质量指标RQD分类《岩土工程勘察规范》GB50021—20011.8、岩层厚度分类《岩土工程勘察规范》GB50021—20011.9、岩石按在水中软化系数分类《岩土工程勘察规范》GB50021—2001注:软化系数(K)等于饱和状态与风干状态的岩石单轴极限抗压强度之比。
2 公路工程2.1、岩石坚硬程度分级《公路桥涵地基与基础设计规范》(JTG D63—2007)注:岩石饱和单轴抗压强度试验要点,见本规范附录B。
2.2、岩体完整程度划分《公路桥涵地基与基础设计规范》(JTG D63—2007)注: 完整性指数为岩体压缩波速与岩块压缩波速之比的平方。
2.3、岩体节理发育程度分类《公路桥涵地基与基础设计规范》(JTG D63—2007)2.4、岩石按软化系数分类《公路桥涵地基与基础设计规范》(JTG D63—2007)注:软化系数(K)等于饱和状态与风干状态的岩石单轴极限抗压强度之比。
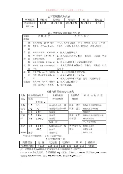
坚硬程度坚硬岩 较硬岩 较软岩 软 岩极软岩 饱和单轴抗压 强度 MPaf r >60 60≥f r >30 30≥f r >15 15≥f r >5 f r <5坚硬程 度等级定 性 鉴 定 代 表 性 岩 石硬 质 岩 坚 硬 岩锤击声清脆,有回弹,震手,难击碎,基本无吸水反应。
未风化~微风化花岗岩、闪长岩、辉绿岩、玄武岩、安山岩、片麻岩、石英岩、石英砂岩、硅质砾岩、硅质石灰岩等。
较 硬 岩 锤击声较清脆,有轻微回弹,稍震手,较难击碎,有轻微吸水反应。
1、微风化的坚硬岩石;2、未风化的大理岩、板岩、石灰岩、白云岩、钙质砂岩等。
软 质 岩较 软 岩 锤击声不清脆,无回弹,轻易击碎,浸水后指甲可刻出印痕。
1、中风化~强风化的坚硬岩或较硬岩;2、未风化微风化的凝灰岩、千枚岩、泥灰岩、砂质泥岩等。
软 岩 锤击声哑,无回弹,有较深凹痕,浸水后手可捏碎,辧开。
1、;强风化的坚硬岩或较硬岩;2、中风化~强风化的较软岩;3、未风化~微风化的页岩、泥岩、泥质砂岩等。
极软岩锤击声哑,无回弹,有较深凹痕,浸水后手可捏成团。
1、全风化的各种岩石;2、各种半成岩。
岩体完整程度的定性分类平均间距为主要结构面(1~2组)间距的平均值。
完整程度 完 整 较完整 较破碎 破 碎 极破碎 完整性指标 >0.75 0.75~0.55 0.55~0.35 0.35~0.15 <0.15f 干/f 湿<0.75为软化岩石。
岩石质量按RQD 分为:好的RQD >90%;较好的RQD=75~90%;较差的RQD=50~75%;差的RQD=25~50%;极差的RQD <0.25%。
完整 程度 结构面发育程度 主要结构面 的结合程度 主要结构 面类型 相 应 结 构 类 型组数平均间距m完整 1~2 >1 结合好或结合一般 裂隙、层面 整体状或巨厚层状结构 较完 整 1~2 >1 结合好或结合一般 裂隙、层面块状或厚层状结构 2~3 1~0.4 结合差 块状结构较破 碎 2~3 1~0.4 结合差 裂隙、层面、小断层裂隙块状或中厚层状结构≥3 0.4~0.2 结合好 镶嵌碎裂结构 结合一般 中、薄层状结构破碎≥30.4~0.2 结合好或结合一般 各种类型结构面 裂隙块状结构 ≤0.2 结合差 碎裂状结构 极破碎 无序结合很差散体状结构岩层厚度划分:巨厚层h>1m;厚层1≥h>0.5;0.5≥h>0.1;h≤0.1。
注:引自《矿山井巷工程施工及验收规范》GBJ213-1990。
1.岩层描述将岩层分为完整、层状、块状、破碎4种:(1)完整岩层:层理和节理裂隙间距大于1.5M(2)层状岩层:层与层间距小于1。
5M(3)块状岩层:节理裂隙间距小于1。
5M,大于0。
3M(4)破碎岩层:节理裂隙间距小于0。
3M。
2.当地下水影响围岩的稳定时,应考虑降级。
3.Rb为岩石的饱和抗压强度。
附件2锚喷围岩分级`注:引自《锚杆喷射混凝土支护技术规范》GB50086-2001。
1.围岩按定性分级与定量指标分级有差别时,一般应以低者为准;2.本表声波指标以孔测法测试什为准。
如果用其他方法测试时,可通过对比实验,进行换算;3.层状岩体按单层厚度可划分为:厚层:大于0.5m。
中厚层:0.1-0.5m。
薄层:小于0.1m.一般条件下,确定围岩级别时,应以岩石单轴湿饱和抗压强度为准;当洞跨小于5m、服务年限小于10年的工程,确定围岩通讯别时,可采用点荷载强度指标代替岩块单轴饱和搞压强度指标,可不做岩体声波指标测试;b5E2RGbCAP5.测定岩石强度,做单轴抗压强度测定后,可不作点荷强度测定。
附件3 普氏岩石分类引自《采矿工程设计手册》煤炭工业出版社,2003。
5附件4隔水层安全厚度计算参考公式隔水层安全厚度计算公式为T=l[r2l2+8Kpp]1/2-rl]/4Kp式中t—底板安全隔水层厚度,m。
l—掘进工作面底板最大宽度,,m。
r—隔水层岩石的容重,KN/m3。
Kp—隔水层岩石的抗张强度,Mpa。
p—隔水层底板承受的水头压力,Mpa。
申明:所有资料为本人收集整理,仅限个人学习使用,勿做商业用途。
1工民建工程1.1、岩石坚硬程度分类《岩土工程勘察规范》GB50021—20011.4-1、岩石完整程度的定性分类《岩土工程勘察规范》GB50021—20011.5、岩石按风化程度分类《岩土工程勘察规范》GB50021—2001注:1 波速比Kv为风化岩石与新鲜岩石压缩波速度之比;2 风化系数K为岩石与新鲜岩石饱和单轴抗压强度之比;f3 花岗岩类岩石,可采用标准贯入试验划分,N≥50为强风化;50>N≥30为全风化;N<30为残积土。
4 泥岩和半成岩,可不进行风化程度划分。
1.6、岩体基本质量等级分类《岩土工程勘察规范》GB50021—20011.8、岩层厚度分类《岩土工程勘察规范》GB50021—20012 公路工程2.1、岩石坚硬程度分级《公路桥涵地基与基础设计规范》(JTG D63—2007)2007)2.4、岩石按软化系数分类《公路桥涵地基与基础设计规范》(JTG D63—2007)注:软化系数(K)等于饱和状态与风干状态的岩石单轴极限抗压强度之比。
R注:1 波速比Kv为风化岩石与新鲜岩石压缩波速度之比;2.9、岩石坚硬程度的定性划分《公路隧道设计规范》(JTG D70—2004)2.10、Rc与岩石坚硬程度定性划分的关系《公路隧道设计规范》(JTG D70—注:岩体完整性指标Kv应采用实测值,当无条件取得实测值时,也可用岩体体积节理数Jv确定对应的Kv值。
Kv=(Vpm/Vpr)2Vpm—岩体弹性纵波速度(Km/s);Vpr—岩石弹性纵波速度(Km/s)。
2.13、公路隧道围岩分级《公路隧道设计规范》(JTG D70—2004)①当Rc>90Kv+30时,应以Rc=90Kv+30和Kv代入计算BQ值。
②当Kv>0.04Rc+0.4时,应以Kv=0.04Rc+0.4和Rc代入计算BQ值。
3 围岩基本质量指标修正值[BQ]:[BQ]=BQ-100(K1+K2+K3)K 1—地下水影响修正系数;K 2—主要软弱结构面产状影响修正系数;K 3—初始应力状态影响修正系数。
土壤及岩石(普氏)分类表岩体类别在编写原则中,关于岩土爆破工程的土壤及岩石分类仍按建设部《全国统一建筑工程基础定额》中的土壤及岩石(普氏)分类表执行。
在露天、地下、硐室、水下等石方爆破工程中,都有岩体分类问题。
在过去的爆破定额中,均采用前苏联的土壤及岩石分类表(普氏岩石强度系数)把土壤和岩石共划分为五级:Ⅰ-Ⅳ为土壤类;Ⅴ为松石(软石);Ⅵ-Ⅷ为次坚石;Ⅸ-X为普坚石;Ⅺ-ⅩⅥ为特坚石,每一级都有土壤岩石名称和物理力学性质指标。
在爆破工程的预算定额中过去均采用后四段,即松石、次坚石、普坚石和特坚石,而且已往已有较多的定额参考资料。
2003年颁布实施的国家标准《建设工程工程量清单计价规范》GB50500-2003规定采用的就是上述《土壤及岩石分类表》,1988年《全国统一城镇控制爆破工程、硐宝大爆破工程预算定额》也是采用此分类表。
因此,编制全国统一爆破工程消耗量定额也决定采用该分类表。
该表已为国内建筑工程与爆破界所公认,不仅可以确定工程所在岩石的开挖方法、判断岩石爆破的难易程度,而且可以作为计算承包工程单价、编制招投标的依据。
建国以来,我国科技工作者对岩石在分类分级进行过大量工作。
如东北工学院,科学院工程地质研究所等。
东北大学进行了岩石可爆性与稳定性的研究,提出了分级方法。
其中岩石的可爆性分级是以能量平衡为准则,根据标准条件下爆破漏中体积、大块率、小块率、平均合格率试验数据以及岩石波阻抗,计算出岩石可爆性指数,提出分级表。
共分为:易爆、中等可爆、难爆、很难爆、极端难爆五个等级。
虽经过冶金部组织通过技术鉴定,但未成为全国公认的分级表,未能推广纳入爆破定额。
但可供研究参考。
我国工程地质科学工作者(科学院地质所等)为了建立统一评价工程岩爆稳定性的分级标准,为岩土工程建设的勘察、设计、施工和编制定额提供必要的基本依据,经过多年研究并制定颁布了我国工程岩体分级标准(GB50218-94)。
不仅可以确定爆破岩体的基本质量级别,还可用于判断岩体爆破的难易程度。
根据岩石的坚固性系数(f)可把岩石分成10级(表3-1),等级越高的岩石越容易破碎。
为了方便使用又在第Ⅲ,Ⅳ,Ⅴ,Ⅵ,Ⅶ级的中间加了半级。
考虑到生产中不会大量遇到抗压强度大于200MPa的岩石,故把凡是抗压强度大于200MPa的岩石都归入Ⅰ级。
表3-1岩石级别坚固程度代表性岩石Ⅰ最坚固最坚固、致密、有韧性的石英岩、玄武岩和其他各种特别坚固的岩石。
(f=20)Ⅱ很坚固很坚固的花岗岩、石英斑岩、硅质片岩,较坚固的石英岩,最坚固的砂岩和石灰岩.(f=15)Ⅲ坚固致密的花岗岩,很坚固的砂岩和石灰岩,石英矿脉,坚固的砾岩,很坚固的铁矿石.(f=10)Ⅲa坚固坚固的砂岩、石灰岩、大理岩、白云岩、黄铁矿,不坚固的花岗岩。
(f=8)Ⅳ比较坚固一般的砂岩、铁矿石(f=6)Ⅳa比较坚固砂质页岩,页岩质砂岩。
(f=5)Ⅴ中等坚固坚固的泥质页岩,不坚固的砂岩和石灰岩,软砾石。
(f=4)Ⅴa中等坚固各种不坚固的页岩,致密的泥灰岩.(f=3)Ⅵ比较软软弱页岩,很软的石灰岩,白垩,盐岩,石膏,无烟煤,破碎的砂岩和石质土壤.(f=2)Ⅵa比较软碎石质土壤,破碎的页岩,粘结成块的砾石、碎石,坚固的煤,硬化的粘土。
(f=1.5)Ⅶ软软致密粘土,较软的烟煤,坚固的冲击土层,粘土质土壤。
(f=1)Ⅶa软软砂质粘土、砾石,黄土。
(f=0.8)Ⅷ土状腐殖土,泥煤,软砂质土壤,湿砂。
(f=0.6)Ⅸ松散状砂,山砾堆积,细砾石,松土,开采下来的煤. (f=0.5)Ⅹ流沙状流沙,沼泽土壤,含水黄土及其他含水土壤. (f=0.3) 这种方法比较简单,而且在一定程度上反映了岩石的客观性质。
但它也还存在着一些缺点:(1) 岩石的坚固性虽概括了岩石的各种属性(如岩石的凿岩性、爆破性,稳定性等),但在有些情况下这些属性并不是完全一致的。
(2) 普氏分级法采用实验室测定来代替现场测定,这就不可避免地带来因应力状态的改变而造成的坚固程度上的误差。
岩石抗力系数英文:coefficient of rock resistance 释文:岩石抗力系数又称弹性抗力系数,是指使围岩产生单位长度的径向位移(向围岩内方向)所需单位面积上的径向压力。
土壤及岩石普氏分类表 Ting Bao was revised on January 6, 20021土壤及岩石(普氏)分类表摘自中国工程爆破协会网协会副理事长周家汉的(《全国统一爆破工程消耗量定额》编制工作会议上的讲话)岩体类别在编写原则中,关于岩土爆破工程的土壤及岩石分类仍按建设部《全国统一建筑工程基础定额》中的土壤及岩石(普氏)分类表执行。
在露天、地下、硐室、水下等石方爆破工程中,都有岩体分类问题。
在过去的爆破定额中,均采用前苏联的土壤及岩石分类表(普氏岩石强度系数)把土壤和岩石共划分为五级:Ⅰ-Ⅳ为土壤类;Ⅴ为松石(软石);Ⅵ-Ⅷ为次坚石;Ⅸ- X为普坚石;Ⅺ-ⅩⅥ为特坚石,每一级都有土壤岩石名称和物理力学性质指标。
在爆破工程的预算定额中过去均采用后四段,即松石、次坚石、普坚石和特坚石,而且已往已有较多的定额参考资料。
2003年颁布实施的国家标准《建设工程工程量清单计价规范》GB50500-2003规定采用的就是上述《土壤及岩石分类表》,1988年《全国统一城镇控制爆破工程、硐宝大爆破工程预算定额》也是采用此分类表。
因此,编制全国统一爆破工程消耗量定额也决定采用该分类表。
该表已为国内建筑工程与爆破界所公认,不仅可以确定工程所在岩石的开挖方法、判断岩石爆破的难易程度,而且可以作为计算承包工程单价、编制招投标的依据。
建国以来,我国科技工作者对岩石在分类分级进行过大量工作。
如东北工学院,科学院工程地质研究所等。
东北大学进行了岩石可爆性与稳定性的研究,提出了分级方法。
其中岩石的可爆性分级是以能量平衡为准则,根据标准条件下爆破漏中体积、大块率、小块率、平均合格率试验数据以及岩石波阻抗,计算出岩石可爆性指数,提出分级表。
共分为:易爆、中等可爆、难爆、很难爆、极端难爆五个等级。
虽经过冶金部组织通过技术鉴定,但未成为全国公认的分级表,未能推广纳入爆破?。
土壤及岩石(普氏)分类表摘自中国工程爆破协会网协会副理事长周家汉的(《全国统一爆破工程消耗量定额》编制工作会议上的讲话)岩体类别在编写原则中,关于岩土爆破工程的土壤及岩石分类仍按建设部《全国统一建筑工程基础定额》中的土壤及岩石(普氏)分类表执行。
在露天、地下、硐室、水下等石方爆破工程中,都有岩体分类问题。
在过去的爆破定额中,均采用前苏联的土壤及岩石分类表(普氏岩石强度系数)把土壤和岩石共划分为五级:Ⅰ-Ⅳ为土壤类;Ⅴ为松石(软石);Ⅵ-Ⅷ为次坚石;Ⅸ-X为普坚石;Ⅺ-ⅩⅥ为特坚石,每一级都有土壤岩石名称和物理力学性质指标。
在爆破工程的预算定额中过去均采用后四段,即松石、次坚石、普坚石和特坚石,而且已往已有较多的定额参考资料。
2003年颁布实施的国家标准《建设工程工程量清单计价规范》GB50500-2003规定采用的就是上述《土壤及岩石分类表》,1988年《全国统一城镇控制爆破工程、硐宝大爆破工程预算定额》也是采用此分类表。
因此,编制全国统一爆破工程消耗量定额也决定采用该分类表。
该表已为国内建筑工程与爆破界所公认,不仅可以确定工程所在岩石的开挖方法、判断岩石爆破的难易程度,而且可以作为计算承包工程单价、编制招投标的依据。
建国以来,我国科技工作者对岩石在分类分级进行过大量工作。
如东北工学院,科学院工程地质研究所等。
东北大学进行了岩石可爆性与稳定性的研究,提出了分级方法。
其中岩石的可爆性分级是以能量平衡为准则,根据标准条件下爆破漏中体积、大块率、小块率、平均合格率试验数据以及岩石波阻抗,计算出岩石可爆性指数,提出分级表。
共分为:易爆、中等可爆、难爆、很难爆、极端难爆五个等级。
虽经过冶金部组织通过技术鉴定,但未成为全国公认的分级表,未能推广纳入爆破定额。
但可供研究参考。
我国工程地质科学工作者(科学院地质所等)为了建立统一评价工程岩爆稳定性的分级标准,为岩土工程建设的勘察、设计、施工和编制定额提供必要的基本依据,经过多年研究并制定颁布了我国工程岩体分级标准(GB50218-94)。
岩石坚硬程度分类表坚硬程度坚硬岩较硬岩较软岩软岩极软岩饱和单轴抗压强度MPaf r >6060≥f r >3030≥f r >1515≥f r >5f r <5岩石坚硬程度等级的定性分类坚硬程度等级定性鉴定代表性岩石硬质岩坚硬岩锤击声清脆,有回弹,震手,难击碎,基本无吸水反应。
未风化~微风化花岗岩、闪长岩、辉绿岩、玄武岩、安山岩、片麻岩、石英岩、石英砂岩、硅质砾岩、硅质石灰岩等。
较硬岩锤击声较清脆,有轻微回弹,稍震手,较难击碎,有轻微吸水反应。
1、微风化的坚硬岩石;2、未风化的大理岩、板岩、石灰岩、白云岩、钙质砂岩等。
软质岩较软岩锤击声不清脆,无回弹,轻易击碎,浸水后指甲可刻出印痕。
1、中风化~强风化的坚硬岩或较硬岩;2、未风化微风化的凝灰岩、千枚岩、泥灰岩、砂质泥岩等。
软岩锤击声哑,无回弹,有较深凹痕,浸水后手可捏碎,辧开。
1、;强风化的坚硬岩或较硬岩;2、中风化~强风化的较软岩;3、未风化~微风化的页岩、泥岩、泥质砂岩等。
极软岩锤击声哑,无回弹,有较深凹痕,浸水后手可捏成团。
1、全风化的各种岩石;2、各种半成岩。
岩体完整程度的定性分类平均间距为主要结构面(1~2组)间距的平均值。
岩体完整程度分类完整程度完整较完整较破碎破碎极破碎完整性指标>0.75 0.75~0.55 0.55~0.35 0.35~0.15<0.15注:完整性指数为岩体压缩波速度与岩块压缩波速度之比的平方。
f干/f 湿<0.75为软化岩石。
岩石质量按RQD 分为:好的RQD >90%;较好的RQD=75~90%;较差的RQD=50~75%;差的RQD=25~50%;极差的RQD <0.25%。
岩层厚度划分:巨厚层h >1m ;厚层1≥h >0.5;0.5≥h >0.1;h ≤0.1。
完整程度结构面发育程度主要结构面的结合程度主要结构面类型相应结构类型组数平均间距m完整1~2>1 结合好或结合一般裂隙、层面整体状或巨厚层状结构较完整1~2>1 结合好或结合一般裂隙、层面块状或厚层状结构2~3 1~0.4 结合差块状结构较破碎2~3 1~0.4 结合差裂隙、层面、小断层裂隙块状或中厚层状结构≥3 0.4~0.2 结合好镶嵌碎裂结构结合一般中、薄层状结构破碎≥30.4~0.2 结合好或结合一般各种类型结构面裂隙块状结构≤0.2结合差碎裂状结构极破碎无序结合很差散体状结构岩体结构类型划分岩体结构类型岩体地质类型结构体性状结构面发育情况岩土工程特征可能发生的岩土工程问题整体状结构巨块状岩浆岩和变质岩,巨厚层沉积岩巨块状以层面和原生或构造节理为主,多闭合,间距大于1.5m,一般为1~2组,无危险结构。