岩石分级表
- 格式:doc
- 大小:1.19 MB
- 文档页数:28
岩石分类及硬度级别岩石级别坚固程度代表性岩石Ⅰ最坚固最坚固、致密、有韧性的石英岩、玄武岩和其他各种特别坚固的岩石。
(f=20)Ⅱ很坚固很坚固的花岗岩、石英斑岩、硅质片岩,较坚固的石英岩,最坚固的砂岩和石灰岩.(f=15) Ⅲ坚固致密的花岗岩,很坚固的砂岩和石灰岩,石英矿脉,坚固的砾岩,很坚固的铁矿石.(f=10)Ⅲa 坚固坚固的砂岩、石灰岩、大理岩、白云岩、黄铁矿,不坚固的花岗岩。
(f=8)Ⅳ比较坚固一般的砂岩、铁矿石(f=6)Ⅳa 比较坚固砂质页岩,页岩质砂岩。
(f=5)Ⅴ中等坚固坚固的泥质页岩,不坚固的砂岩和石灰岩,软砾石。
(f=4)Ⅴa 中等坚固各种不坚固的页岩,致密的泥灰岩.(f=3)Ⅵ比较软软弱页岩,很软的石灰岩,白垩,盐岩,石膏,无烟煤,破碎的砂岩和石质土壤.(f=2)Ⅵa 比较软碎石质土壤,破碎的页岩,粘结成块的砾石、碎石,坚固的煤,硬化的粘土。
(f=1.5)Ⅶ软软致密粘土,较软的烟煤,坚固的冲击土层,粘土质土壤。
(f=1)Ⅶa 软软砂质粘土、砾石,黄土。
(f=0.8)Ⅷ土状腐殖土,泥煤,软砂质土壤,湿砂。
(f=0.6)Ⅸ松散状砂,山砾堆积,细砾石,松土,开采下来的煤.(f=0.5)Ⅹ流沙状流沙,沼泽土壤,含水黄土及其他含水土壤.(f=0.3) A表示矿岩的坚固性的量化指标.人们在长期的实践中认识到,有些岩石不容易破坏,有一些则难于破碎。
难于破碎的岩石一般也难于凿岩,难于爆破,则它们的硬度也比较大,概括的说就是比较坚固。
因此,人们就用岩石的坚固性这个概念来表示岩石在破碎时的难易程度。
坚固性的大小用坚固性系数来表示又叫硬度系数,也叫普氏硬度系数f值)。
坚固性系数f=R/100 (R单位kg/cm2)式中R——为岩石标准试样的单向极限抗压强度值。
通常用的普氏岩石分及法就是根据坚固性系数来进行岩石分级的。
如:①极坚固岩石f=15~20(坚固的花岗岩,石灰岩,石英岩等)②坚硬岩石f=8 ~10(如不坚固的花岗岩,坚固的砂岩等)③中等坚固岩石f=4 ~6 (如普通砂岩,铁矿等)④不坚固岩石f=0.8~3 (如黄土、仅为0.3)矿岩的坚固性也是一种抵抗外力的性质,但它与矿岩的强度却是两种不同的概念。
岩石级别坚固程度代表性岩石Ⅰ 最坚固最坚固、致密、有韧性的石英岩、玄武岩和其他各种特别坚固的岩石。
(f=20)Ⅱ 很坚固很坚固的花岗岩、石英斑岩、硅质片岩,较坚固的石英岩,最坚固的砂岩和石灰岩.(f=15)Ⅲ坚固致密的花岗岩,很坚固的砂岩和石灰岩,石英矿脉,坚固的砾岩,很坚固的铁矿石.(f=10)Ⅲa 坚固坚固的砂岩、石灰岩、大理岩、白云岩、黄铁矿,不坚固的花岗岩。
(f=8)Ⅳ比较坚固一般的砂岩、铁矿石(f=6)Ⅳa 比较坚固砂质页岩,页岩质砂岩。
(f=5)Ⅴ中等坚固坚固的泥质页岩,不坚固的砂岩和石灰岩,软砾石。
(f=4)Ⅴa 中等坚固各种不坚固的页岩,致密的泥灰岩.(f=3)Ⅵ比较软软弱页岩,很软的石灰岩,白垩,盐岩,石膏,无烟煤,破碎的砂岩和石质土壤.(f=2)Ⅵa 比较软碎石质土壤,破碎的页岩,粘结成块的砾石、碎石,坚固的煤,硬化的粘土。
(f=1.5)Ⅶ软软致密粘土,较软的烟煤,坚固的冲击土层,粘土质土壤。
(f=1) Ⅶa 软软砂质粘土、砾石,黄土。
(f=0.8)Ⅷ土状腐殖土,泥煤,软砂质土壤,湿砂。
(f=0.6)Ⅸ松散状砂,山砾堆积,细砾石,松土,开采下来的煤(f=0.5) Ⅹ流沙状流沙,沼泽土壤,含水黄土及其他含水土壤. (f=0.3)A表示矿岩的坚固性的量化指标.人们在长期的实践中认识到,有些岩石不容易破坏,有一些则难于破碎。
难于破碎的岩石一般也难于凿岩,难于爆破,则它们的硬度也比较大,概括的说就是比较坚固。
因此,人们就用岩石的坚固性这个概念来表示岩石在破碎时的难易程度。
坚固性的大小用坚固性系数来表示又叫硬度系数,也叫普氏硬度系数f 值)。
坚固性系数f=R/100 (R单位kg/cm2)式中R——为岩石标准试样的单向极限抗压强度值。
通常用如:①极坚固岩石f=15~20(坚固的花岗岩,石灰岩,石英岩等)②坚硬岩石f=8~10(如不坚固的花岗岩,坚固的砂岩等)③中等坚固岩石f=4~6(如普通砂岩,铁矿等)④不坚固岩石f=0.8~3(如黄土、仅为0.3)矿岩的坚固性也是一种抵抗外力的性质,但它与矿岩的强度却是两种不同的概念。
岩石分类及硬度级别岩石级别坚固程度代表性岩石Ⅰ最坚固最坚固、致密、有韧性的石英岩、玄武岩和其他各种特别坚固的岩石。
(f=20)Ⅱ很坚固很坚固的花岗岩、石英斑岩、硅质片岩,较坚固的石英岩,最坚固的砂岩和石灰岩.(f=15)Ⅲ坚固致密的花岗岩,很坚固的砂岩和石灰岩,石英矿脉,坚固的砾岩,很坚固的铁矿石.(f=10) Ⅲa 坚固坚固的砂岩、石灰岩、大理岩、白云岩、黄铁矿,不坚固的花岗岩。
(f=8) Ⅳ比较坚固一般的砂岩、铁矿石(f=6)Ⅳa 比较坚固砂质页岩,页岩质砂岩。
(f=5)Ⅴ中等坚固坚固的泥质页岩,不坚固的砂岩和石灰岩,软砾石。
(f=4)Ⅴa 中等坚固各种不坚固的页岩,致密的泥灰岩.(f=3)Ⅵ比较软软弱页岩,很软的石灰岩,白垩,盐岩,石膏,无烟煤,破碎的砂岩和石质土壤.(f=2)Ⅵa 比较软碎石质土壤,破碎的页岩,粘结成块的砾石、碎石,坚固的煤,硬化的粘土。
(f=1.5)Ⅶ软软致密粘土,较软的烟煤,坚固的冲击土层,粘土质土壤。
(f=1)Ⅶa 软软砂质粘土、砾石,黄土。
(f=0.8)Ⅷ土状腐殖土,泥煤,软砂质土壤,湿砂。
(f=0.6)Ⅸ松散状砂,山砾堆积,细砾石,松土,开采下来的煤.(f=0.5)Ⅹ流沙状流沙,沼泽土壤,含水黄土及其他含水土壤. (f=0.3) A 表示矿岩的坚固性的量化指标.人们在长期的实践中认识到,有些岩石不容易破坏,有一些则难于破碎。
难于破碎的岩石一般也难于凿岩,难于爆破,则它们的硬度也比较大,概括的说就是比较坚固。
因此,人们就用岩石的坚固性这个概念来表示岩石在破碎时的难易程度。
坚固性的大小用坚固性系数来表示又叫硬度系数,也叫普氏硬度系数f值)。
坚固性系数f=R/100 (R单位kg/cm2)式中R——为岩石标准试样的单向极限抗压强度值。
通常用的普氏岩石分及法就是根据坚固性系数来进行岩石分级的。
如:①极坚固岩石 f=15~20(坚固的花岗岩,石灰岩,石英岩等)②坚硬岩石 f=8 ~10(如不坚固的花岗岩,坚固的砂岩等)③中等坚固岩石 f=4 ~6 (如普通砂岩,铁矿等)④不坚固岩石 f=0.8~3 (如黄土、仅为0.3)矿岩的坚固性也是一种抵抗外力的性质,但它与矿岩的强度却是两种不同的概念。
也难以凿岩,难以爆破,则它们的硬度也比较大,概括地说就是比较坚固。
因此人们就用岩石的坚固性这个概念来表示岩石在破碎时的难易程度。
坚固性大小用坚固性系数来表示又叫硬度系数,也叫普氏硬度系数(f值)。
坚固性系数f=R/100(R单位 Kg/cm2) R-岩石标准试样的单向极限抗压强度值。
如:①极坚固岩石f=15~20(坚固的花岗岩、石英岩、石灰岩等)②坚固岩石f=8~10(不坚固的花岗岩,坚固的砂岩等)③中等坚固岩石f=4~6(普通砂岩,铁矿等)④不坚固岩石f=~3(如黄土,仅为)矿岩的坚固性也是一种抵抗外力的性质,但它与矿岩的强度却是两种不同的概念。
强度是指矿岩抗压缩、拉伸、弯曲及剪切等单向作用的性能,而坚固性所抵抗的外力却是一种综合的外力(如抵抗锹、镐、机械破碎,炸药的综合作用力)。
莫氏硬度陶瓷及矿物材料常用的划痕硬度叫做莫氏硬度,它只表示硬度由小到大的顺序,不表示软硬的程度。
后面的矿物可以划破前面矿物的表面。
一般莫氏硬度按10级标准的莫氏硬度计确定,后来因为出现了一些人工合成的硬度大的材料,又将莫氏硬度分为15级。
维氏硬度在陶瓷材料的研究中,精确测定材料的硬度,通常在维氏显微硬度计上进行。
岩石分级岩石可分三大类:1、岩浆岩(喷出岩)2、沉积岩 3、变质岩1、岩浆岩主要有:花岗岩、安山岩、闪长岩、流纹岩、玄武岩、辉长岩等。
2、沉积岩主要有:石英砂岩、石灰砾岩、泥铁岩、白云岩、泥岩、石膏等。
3、变质岩主要有:片麻岩、绿泥石片岩、千枚岩、大理岩、云母片岩等。
虽然岩石的面貌是千变万化的,但是从它们的形成环境,也就是从成因上来划分,可以把岩石分为三大类:沉积岩、岩浆岩和变质岩1、沉积岩:沉积岩是在地表或近地表不太深的地方形成的一种岩石类型,它是由风化产物、火山物质、有机物质等碎屑物质在常温常压下经过搬运、沉积和石化作用,最后形成的岩石。
不论哪种方式形成的碎屑物质都要经过搬运过程,然后在合适的环境中沉积下来,经过漫长的压实作用,石化成坚硬的沉积岩。
岩石级别坚固程度代表性岩石Ⅰ最坚固最坚固、致密、有韧性的石英岩、玄武岩和其他各种特别坚固的岩石。
(f=20)Ⅱ很坚固很坚固的花岗岩、石英斑岩、硅质片岩,较坚固的石英岩,最坚固的砂岩和石灰岩.(f=15)Ⅲ坚固致密的花岗岩,很坚固的砂岩和石灰岩,石英矿脉,坚固的砾岩,很坚固的铁矿石.(f=10)Ⅲa坚固坚固的砂岩、石灰岩、大理岩、白云岩、黄铁矿,不坚固的花岗岩。
(f=8)Ⅳ比较坚固一般的砂岩、铁矿石(f=6)Ⅳa比较坚固砂质页岩,页岩质砂岩。
(f=5)Ⅴ中等坚固坚固的泥质页岩,不坚固的砂岩和石灰岩,软砾石。
(f=4)Ⅴa中等坚固各种不坚固的页岩,致密的泥灰岩.(f=3)Ⅵ比较软软弱页岩,很软的石灰岩,白垩,盐岩,石膏,无烟煤,破碎的砂岩和石质土壤.(f=2)Ⅵa比较软碎石质土壤,破碎的页岩,粘结成块的砾石、碎石,坚固的煤,硬化的粘土。
(f=1.5)Ⅶ软软致密粘土,较软的烟煤,坚固的冲击土层,粘土质土壤。
(f=1)Ⅶa软软砂质粘土、砾石,黄土。
(f=0.8)Ⅷ土状腐殖土,泥煤,软砂质土壤,湿砂。
(f=0.6)Ⅸ松散状砂,山砾堆积,细砾石,松土,开采下来的煤.(f=0.5)Ⅹ流沙状流沙,沼泽土壤,含水黄土及其他含水土壤.(f=0.3) A表示矿岩的坚固性的量化指标.人们在长期的实践中认识到,有些岩石不容易破坏,有一些则难于破碎。
难于破碎的岩石一般也难于凿岩,难于爆破,则它们的硬度也比较大,概括的说就是比较坚固。
因此,人们就用岩石的坚固性这个概念来表示岩石在破碎时的难易程度。
坚固性的大小用坚固性系数来表示又叫硬度系数,也叫普氏硬度系数f值)。
坚固性系数f=R/100 (R单位kg/cm2)式中R——为岩石标准试样的单向极限抗压强度值。
通常用的普氏岩石分及法就是根据坚固性系数来进行岩石分级的。
如:①极坚固岩石f=15~20(坚固的花岗岩,石灰岩,石英岩等)②坚硬岩石f=8 ~10(如不坚固的花岗岩,坚固的砂岩等)③中等坚固岩石f=4 ~6 (如普通砂岩,铁矿等)④不坚固岩石f=0.8~3 (如黄土、仅为0.3)矿岩的坚固性也是一种抵抗外力的性质,但它与矿岩的强度却是两种不同的概念。
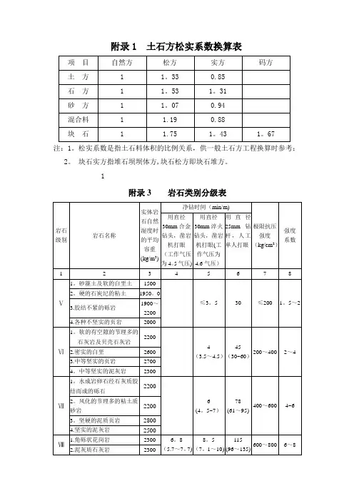
附录1 土石方松实系数换算表注:1。
松实系数是指土石料体积的比例关系,供一般土石方工程换算时参考; 2。
块石实方指堆石坝坝体方,块石松方即块石堆方。
1附录3 岩石类别分级表附录4 河道疏浚工程分级表2. 水力冲挖机组土类划分表附录5 岩石十二类分级与十六类分级对照表附录6 钻机钻孔工程地层分类与特征表附录7 混凝土、砂浆配合比及材料用量表1、混凝土配合比有关说明(1)除碾压混凝土材料配合参考表外,水泥混凝土强度等级均以28d龄期用标准试验方法测得的具有95%保证率的抗压强度标准值确定,如设计龄期超过28d,按表7-1系数换算。
计算结果如介于两种强度等级之间,应选用高一级的强度等级。
表7-1(2) 混凝土配合比表中混凝土骨料按卵石、粗砂拟定,如改用碎石或中、细砂,按表7-2系数换算。
表7—2注:水泥按重量计,砂、石子、水按体积计。
(3) 混凝土细骨料的划分标准为:细度模数3。
19~3.85(或平均粒径1.2~2.5mm)为粗砂;细度模数 2。
5~3.19(或平均粒径0。
6~1。
2mm)为中砂;细度模数1.78~2.5(或平均粒径0。
3~0。
6mm)为细砂;细度模数0。
9~1.78(或平均粒径0.15~0.3mm)为特细砂。
(4) 埋块石混凝土,应按配合比表的材料用量,扣除埋块石实体的数量计算。
①埋块石混凝土材料量=配合表列材料用量×(1-埋块石量%)l块石实体方=1。
67码方②因埋块石增加的人工见表7-3。
表7-3注:不包括块石运输及影响浇筑的工时。
(5)有抗渗抗冻要求时,按表7-4水灰比选用混凝土强度等级.表7—4(6) 除碾压混凝土材料配合参考表外,混凝土配合表的预算量包括搅拌场内运输及操作损耗在内。
不包括搅拌后(熟料)的运输和浇筑损耗.(7) 水泥用量按机械拌和拟定,若系人工拌和,水泥用量增加5%。
(8)按照国际标准(ISO3893)的规定,且为了与其他规范相协调,混凝土及砂浆配合比按强度等级表示.2.纯混凝土材料配合比及材料用量纯混凝土材料配合比及材料用量见表7-7.3.掺外加剂混凝土材料配合比及材料用量掺外加剂混凝土材料配合比及材料用量见表7-8。
岩石坚固性系数分类表0级别坚固性程度岩石坚固性系数fⅠ最坚固的岩石最坚固、最致密的石英岩及玄武岩,其他最坚固的岩石。
20Ⅱ很坚固的岩石很坚固的花岗岩类,石英斑岩,很坚固的花岗岩,硅质片岩;坚固程度较Ⅰ级岩石稍差的石英岩,最坚固的砂岩及石灰岩。
15Ⅲ坚固的岩石致密的花岗岩及花岗岩类岩石,很坚固的砂岩及石灰岩,石英质矿脉,竖固的砾岩,很坚固的铁矿石。
10Ⅲa 坚固的岩石坚固的石灰岩,不坚固的花岗岩,坚固的砂岩,坚固的大理岩,白云岩,黄铁矿。
8Ⅳ相当坚固的岩石一般的砂岩,铁矿石。
6 Ⅳa 相当坚固的岩石砂质页岩,混质砂岩。
5Ⅴ坚固性中等的岩石坚固的页岩,不坚固的砂岩及石灰岩,软的砾岩。
4Ⅴa 坚固性中等的岩石各种不坚固的页岩,致密的泥灰岩。
3Ⅵ相当软的岩石软的页岩,很软的石灰岩,白垩,岩盐,石膏,冻土,无烟媒,普通泥灰岩,破碎的砂岩,胶结的卵石及粗砂砾,多石块的土。
2Ⅵa 相当软的岩石碎石土,破碎的页岩,结块的卵石及碎石,坚硬烟煤,硬化的粘土。
1.5Ⅶ软岩致密的粘土,软的烟煤,坚固的表土层。
1.0 Ⅶa 软岩微砂质粘土,黄土,细砾石。
0.8 Ⅷ土质岩石腐植土,泥煤,微砂质粘土,湿砂。
0.6 Ⅸ松散岩石砂,细砾,松土,采下的煤。
0.5 Ⅹ流砂状岩石流砂,沼泽土壤,饱含水的黄土及饱含水的土壤。
0.3表2 煤矿锚喷支护巷道围岩分类0围岩分类岩层描述巷道开掘后围岩的稳定状态(3~5米跨度)岩种举例类别名称Ⅰ稳定岩层1.完整坚硬岩层,Rb>600公斤/厘米2,不易风化;2.层状岩层层间胶结好,无软弱夹层。
围岩稳定,长期不支护无碎块掉落现象。
完整的玄武岩,石英质砂岩,奥陶纪灰岩、茅口灰岩,大冶厚层灰岩。
Ⅱ稳定性较好岩层1.完整比较坚硬岩层,Rb=400~600公斤/厘米2;2.层状岩层,胶结较好;3.坚硬块状岩层,裂隙面闭合,无泥质充填物, Rb>600公斤/厘米2。
围岩基本稳定,较长时间不支护会出现小块掉落。
岩石级别坚固程度代表性岩石Ⅰ 最坚固最坚固、致密、有韧性的石英岩、玄武岩和其他各种特别坚固的岩石。
(f=20)Ⅱ 很坚固很坚固的花岗岩、石英斑岩、硅质片岩,较坚固的石英岩,最坚固的砂岩和石灰岩.(f=15)Ⅲ坚固致密的花岗岩,很坚固的砂岩和石灰岩,石英矿脉,坚固的砾岩,很坚固的铁矿石.(f=10)Ⅲa 坚固坚固的砂岩、石灰岩、大理岩、白云岩、黄铁矿,不坚固的花岗岩。
(f=8)Ⅳ比较坚固一般的砂岩、铁矿石(f=6)Ⅳa 比较坚固砂质页岩,页岩质砂岩。
(f=5)Ⅴ中等坚固坚固的泥质页岩,不坚固的砂岩和石灰岩,软砾石。
(f=4)Ⅴa 中等坚固各种不坚固的页岩,致密的泥灰岩.(f=3)Ⅵ比较软软弱页岩,很软的石灰岩,白垩,盐岩,石膏,无烟煤,破碎的砂岩和石质土壤.(f=2)Ⅵa 比较软碎石质土壤,破碎的页岩,粘结成块的砾石、碎石,坚固的煤,硬化的粘土。
(f=1.5)Ⅶ软软致密粘土,较软的烟煤,坚固的冲击土层,粘土质土壤。
(f=1) Ⅶa 软软砂质粘土、砾石,黄土。
(f=0.8)Ⅷ土状腐殖土,泥煤,软砂质土壤,湿砂。
(f=0.6)Ⅸ松散状砂,山砾堆积,细砾石,松土,开采下来的煤(f=0.5) Ⅹ流沙状流沙,沼泽土壤,含水黄土及其他含水土壤. (f=0.3)A表示矿岩的坚固性的量化指标.人们在长期的实践中认识到,有些岩石不容易破坏,有一些则难于破碎。
难于破碎的岩石一般也难于凿岩,难于爆破,则它们的硬度也比较大,概括的说就是比较坚固。
因此,人们就用岩石的坚固性这个概念来表示岩石在破碎时的难易程度。
坚固性的大小用坚固性系数来表示又叫硬度系数,也叫普氏硬度系数f 值)。
坚固性系数f=R/100 (R单位kg/cm2)式中R——为岩石标准试样的单向极限抗压强度值。
通常用如:①极坚固岩石f=15~20(坚固的花岗岩,石灰岩,石英岩等)②坚硬岩石f=8~10(如不坚固的花岗岩,坚固的砂岩等)③中等坚固岩石f=4~6(如普通砂岩,铁矿等)④不坚固岩石f=0.8~3(如黄土、仅为0.3)矿岩的坚固性也是一种抵抗外力的性质,但它与矿岩的强度却是两种不同的概念。
岩石级别坚固程度代表性岩石Ⅰ最坚固最坚固、致密、有韧性的石英岩、玄武岩和其他各种特别坚固的岩石。
(f=20)Ⅱ很坚固很坚固的花岗岩、石英斑岩、硅质片岩,较坚固的石英岩,最坚固的砂岩和石灰岩.(f=15)Ⅲ坚固致密的花岗岩,很坚固的砂岩和石灰岩,石英矿脉,坚固的砾岩,很坚固的铁矿石.(f=10)Ⅲa坚固坚固的砂岩、石灰岩、大理岩、白云岩、黄铁矿,不坚固的花岗岩。
(f=8)Ⅳ比较坚固一般的砂岩、铁矿石(f=6)Ⅳa比较坚固砂质页岩,页岩质砂岩。
(f=5)Ⅴ中等坚固坚固的泥质页岩,不坚固的砂岩和石灰岩,软砾石。
(f=4)Ⅴa中等坚固各种不坚固的页岩,致密的泥灰岩.(f=3)Ⅵ比较软软弱页岩,很软的石灰岩,白垩,盐岩,石膏,无烟煤,破碎的砂岩和石质土壤.(f=2)Ⅵa比较软碎石质土壤,破碎的页岩,粘结成块的砾石、碎石,坚固的煤,硬化的粘土。
(f=1.5)Ⅶ软软致密粘土,较软的烟煤,坚固的冲击土层,粘土质土壤。
(f=1)Ⅶa软软砂质粘土、砾石,黄土。
(f=0.8)Ⅷ土状腐殖土,泥煤,软砂质土壤,湿砂。
(f=0.6)Ⅸ松散状砂,山砾堆积,细砾石,松土,开采下来的煤.(f=0.5)Ⅹ流沙状流沙,沼泽土壤,含水黄土及其他含水土壤.(f=0.3) A表示矿岩的坚固性的量化指标.人们在长期的实践中认识到,有些岩石不容易破坏,有一些则难于破碎。
难于破碎的岩石一般也难于凿岩,难于爆破,则它们的硬度也比较大,概括的说就是比较坚固。
因此,人们就用岩石的坚固性这个概念来表示岩石在破碎时的难易程度。
坚固性的大小用坚固性系数来表示又叫硬度系数,也叫普氏硬度系数f值)。
坚固性系数f=R/100 (R单位kg/cm2)式中R——为岩石标准试样的单向极限抗压强度值。
通常用的普氏岩石分及法就是根据坚固性系数来进行岩石分级的。
如:①极坚固岩石f=15~20(坚固的花岗岩,石灰岩,石英岩等)②坚硬岩石f=8 ~10(如不坚固的花岗岩,坚固的砂岩等)③中等坚固岩石f=4 ~6 (如普通砂岩,铁矿等)④不坚固岩石f=0.8~3 (如黄土、仅为0.3)矿岩的坚固性也是一种抵抗外力的性质,但它与矿岩的强度却是两种不同的概念。
岩心钻探岩石可钻性分级表岩石级别岩石类别(硬度)每一级有代表性的岩石可钻性(米/小时)一次提钻长度(米/回次)Ⅰ级松软疏散次生黄土、次生红土、泥质土壤松软的砂质土壤(不含石子及角砾)7.50 2.80Ⅱ级较松软疏散黄土层、红土层、松软的泥灰岩松软的高岭土类泥炭及腐植层冰4.00 2.40Ⅲ级软全部风化变质的:页岩、板岩、千枚岩、片岩轻微胶结的砂层泥灰岩石膏质土层松软的锰矿2.45 2.00Ⅳ级较软页岩较致密的泥灰岩泥质砂岩中等硬度煤层高岭土层1.60 1.70Ⅴ级稍硬卵石、碎石及砾石层较松软的沙岩硬烟煤、无烟煤松散砂质的磷灰石矿冻结的:粗粒砂层、砾层、砂土层1.15 1.50Ⅵ级中等硬度石英、绿泥石、云母、片岩钙质胶结的砾石、长石砂岩、石英砂岩冻结的砾石层较纯的明矾石0.82 1.30Ⅶ级中等硬度角闪石、云母、石英、磁铁矿、赤铁矿化的板岩、千枚岩、片岩含石英粒的石灰岩方解石化的辉石有硅质的海绵状铁帽铬铁矿、硫化矿物、菱铁赤铁矿含角闪石的磁铁矿砾石层、碎石层轻微风化的:粗粒花岗岩、正长岩、闪长岩硅质石灰岩极松散的磷灰石矿0.57 1.10Ⅷ级硬的硅化绢云母板岩、千枚岩、片岩轻微风化的:花岗岩、花岗片麻岩、伟晶岩、闪长岩、辉长岩、石英电气石岩类玄武岩、辉绿岩、辉石岩、安山岩赤铁矿、磁铁矿0.38 0.85Ⅸ级硬的粗硅化的:板岩、千枚岩、石灰岩及砂岩等;高粒的:花岗岩、花岗闪长岩、花岗片麻岩、正长岩、辉长岩、粗面岩等。
微风化的:石英粗面岩、微晶花岗岩带有溶解空洞的石灰岩层状重晶石含石英的黄铁矿、带有相当多的黄铁矿的石英含石英质的磷灰岩层0.25 0.65Ⅹ级坚硬的细粒的:花岗岩、花岗闪长岩、花岗片麻岩等流纹岩,微晶花岗岩坚硬的石英伟晶岩0.15 0.50Ⅺ级坚硬的刚玉岩、石英岩、碧玉岩块状石英、最硬的铁质角页岩含赤铁矿、磁铁矿的碧玉岩碧玉质的硅化板岩0.09 0.32Ⅻ级最坚硬的完全没有风化的极致密的:石英岩、碧玉岩、角页岩、石英、碧玉0.045 0.16注:1.未列入上表的岩石,应在规定的技术条件下,根据实际可钻性,列入适当的岩石级别中;2.当钻进破碎带有裂隙和易膨胀的岩石、以及流砂岩等地层时,同时应按其实际可钻性列入适当的岩石级别中;3.为了准确的标定各种岩石的可钻性,必须用秒表进行测定。