江西省暴雨强度计算公式
- 格式:doc
- 大小:411.00 KB
- 文档页数:6
⾬⽔⼝间距计算1、⾬⽔⼝泄⽔能⼒2、暴⾬强度计算新余暴⾬强度公式:q = 2161 (1+0.6编号道路路基宽度管道是否双侧布置(1-是,0-否)道路纵坡(1%即填0.01)⾬⽔⼝泄⽔能⼒折减系数重现期P (年)11000.003 1.00322000.01 1.00333010.02 1.00344010.0250.90355010.030.90366010.0350.90377010.0250.9038 8010.0151.0033、根据不同道路纵坡和道路宽度计算结果可知,在⾬⽔⼝计算中,3年重现期的暴⾬强度q可偏安全近注:1、⾬⽔⼝间距⼀般宜为25~50m,需经计算确定。
2、当道路纵坡>2.0%时,建议⾬⽔⼝泄⽔能⼒按90%进⾏折减,另外,考虑被杂物堵挡,再考虑0.8的折减。
1+0.671gp)/(10+ t)0.79 (L/S.ha)(江西省建筑设计院公式)降⾬历时t 计算值(min)道路粗糙系数n ⽔⼒半径R (⼀般取0.05)设计流速v (m/s)暴⾬强度q(L/S.ha)1.680.0150.050.50409.220.920.0150.050.90431.570.650.0150.05 1.28440.180.580.0150.05 1.43442.440.530.0150.05 1.57444.120.490.0150.05 1.69445.440.580.0150.05 1.43442.440.750.0150.051.11436.92期的暴⾬强度q可偏安全近似取450L/S.ha减,30m,如采⽤平箅式双箅⾬⽔⼝,间距可为45m 重现期的⾬⽔⼝可采⽤平箅式单箅⾬⽔。
全国各地暴雨强度公式
暴雨强度是指单位时间内降水量超过一定阈值的降水过程。
暴雨强度
的测量和预测对于灾害防范和城市规划有着重要的意义。
根据历史降水数
据和气候特征,在各地区建立暴雨强度公式,可以提供针对性的预警和应
对措施。
统计分析方法是通过对一定时间范围内的降水数据进行统计分析,得
出不同时间尺度上的暴雨强度公式。
统计分析方法常用的有概率统计方法、频率分析方法和格点插值方法。
概率统计方法是根据降水频率分布特征,
结合极值分布理论,通过对历史降水数据进行拟合,得到暴雨强度与概率
的关系。
频率分析方法是将观测降水数据分成一系列等概率部分,计算每
部分的平均值、最大值等统计量,得到暴雨强度与发生频率的关系。
格点
插值方法是将雨量观测点上的降水数据插值到整个地区,然后通过统计分
析方法得出暴雨强度公式。
对于全国各地的暴雨强度公式来说,因为地理气象特征和降水分布的
差异性很大,所以每个地区的公式都是独立的,并且需要根据当地的气象
观测数据来建立和验证。
在建立暴雨强度公式时,还需要考虑一些其他因素,例如地形特征、植被覆盖、土壤类型等,因为这些因素对降水过程和
暴雨强度有着重要的影响。
总之,全国各地暴雨强度公式是预测和描述特定地区暴雨强度的数学
模型,通过统计分析和观测数据建立,对于灾害防范和城市规划具有重要
意义。
然而,由于暴雨过程的复杂性和不确定性,建立准确可靠的暴雨强
度公式仍然是一个挑战,需要不断的观测和研究来进一步完善和改进。
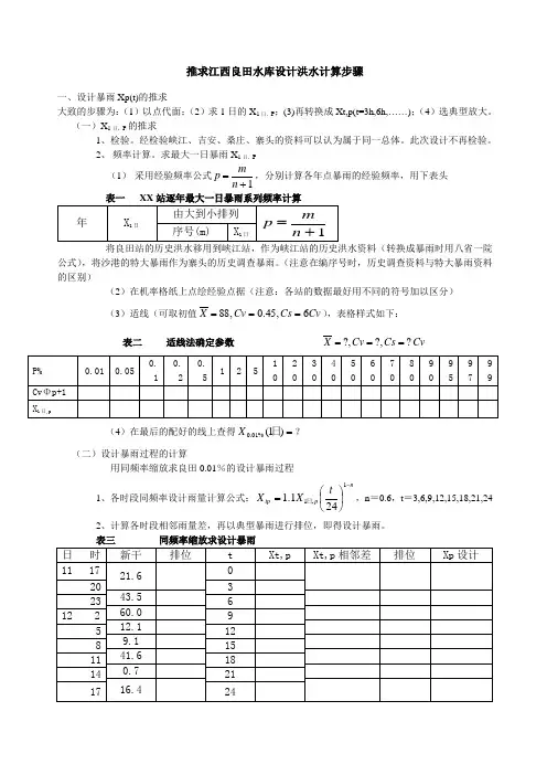
推求江西良田水库设计洪水计算步骤一、设计暴雨Xp(t)的推求 大致的步骤为:(1)以点代面;(2)求1日的X 1日,P ;(3)再转换成Xt,p(t=3h,6h,……);(4)选典型放大。
(一)X 1日,P 的推求1、检验。
经检验峡江、吉安、桑庄、寨头的资料可以认为属于同一总体。
此次设计不再检验。
2、 频率计算。
求最大一日暴雨X 1日,P(1) 采用经验频率公式1+=n mp ,分别计算各年点暴雨的经验频率,用下表头 表一 XX 站逐年最大一日暴雨系列频率计算将良田站的历史洪水移用到峡江站,作为峡江站的历史洪水资料(转换成暴雨时用八省一院公式),将沙港的特大暴雨作为寨头的历史调查暴雨。
(注意在编序号时,历史调查资料与特大暴雨资料的区别)(2)在机率格纸上点绘经验点据(注意:各站的数据最好用不同的符号加以区分) (3)适线(可取初值Cv Cs Cv X 6,45.0,88===),表格样式如下:表二 适线法确定参数 Cv Cs Cv X ??,?,===(4)在最后的配好的线上查得=)1(%01.0日X ? (二)设计暴雨过程的计算用同频率缩放求良田0.01%的设计暴雨过程1、各时段同频率设计雨量计算公式:np tp t X X -⎪⎭⎫⎝⎛=1,1241.1日,n =0.6,t =3,6,9,12,15,18,21,242、计算各时段相邻雨量差,再以典型暴雨进行排位,即得设计暴雨。
表三 同频率缩放求设计暴雨二、产汇流方案(蓄满产流) (一)产流方案及其参数(1)点绘良田站76年6月17日,毛背站75年5月13日、76年7月9日、77年6月26日流量,雨量过程;(2)计算次洪总量R (FtQ R ni i ∆=∑=16.3)和降雨总量X ;(3)初损I=X-R(4)由流量过程线以地面径流停止点为控制分割出R 上,R 下(5)用试错法求μ。
假定μ列表计算R 上,R 下,如与分割的R 上,R 下相近则μ为所采用值下上下下上 (6)最后求平均,得出44321μμμμμ+++=(二)汇流方案及参数 1、地表汇流(1)方案:采用八省一院公式,本流域tc <τ(2)m 初值的确定:选用毛背站76.7,77.6,75.5和良田站76.6,4次洪水用上述公式计算m 值。
暴雨强度公式引言暴雨是一种极端降雨过程,通常伴随着强烈的降雨、大风和雷电等天气现象。
了解暴雨的强度对于城市防洪、农田排水等方面具有重要意义。
而暴雨强度公式是用来计算暴雨强度的数学模型,通过该公式可以预测暴雨的降雨强度,从而指导相关工程设计和防灾减灾工作。
背景在过去的几十年里,研究人员尝试利用不同的方法来推导暴雨强度公式。
根据降雨形成机理的不同,暴雨强度公式可以分为物理公式和经验公式两种类型。
物理公式是通过建立数学模型,考虑大气层中水汽的输送和降落过程等因素,推导出的暴雨强度公式。
这类公式具有较强的理论依据,但由于大气复杂性和参数难以精确确定等原因,物理公式的应用范围较窄。
经验公式则是通过统计分析历史降雨资料,结合观测数据推导出来的。
这类公式应用广泛,但其推导过程主要基于经验法则,对特定地区和特定时间范围内的数据拟合效果较好,但在其他地区和时间上的适用性有一定限制。
暴雨强度公式的常用形式针对不同的应用场景和需求,研究人员提出了多种暴雨强度公式。
以下是一些常用的形式:1.雷雨暴雨强度公式:•这类公式主要用于预测较短时段(通常小于1小时)的强降雨。
•典型的公式形式为:–$I = C \\times T^{-a}$–其中,I代表暴雨强度(单位为毫米/小时),I代表降雨的持续时间(单位为小时),I和I是经验系数。
•不同地区的经验系数可能有所不同,需要根据实际情况进行调整。
2.设计暴雨强度公式:•这类公式主要用于城市排水系统和防洪设施的设计。
•典型的公式形式为:–$I = \\frac{P}{T_m} \\times K$–其中,I代表暴雨强度(单位为毫米/小时),I代表设计降雨量(单位为毫米),I I代表设计降雨持续时间(单位为小时),I是经验修正系数。
•不同国家和地区有不同的设计暴雨强度公式,需要根据当地的设计标准进行选择和使用。
暴雨强度公式的应用根据实际需要,暴雨强度公式可以应用于以下方面:1.工程设计和规划:•防洪设施、城市排水系统、行道路和桥梁等工程的设计和规划过程中,需要预测暴雨强度,以确定相应的设计参数。
2024最新全国各城市暴雨强度公式目录暴雨是指降水量较大、持续时间较长的强降水天气现象。
在我国,不同城市的暴雨强度公式可能会有所不同,这主要取决于该地区的气候、地理条件和城市布局等因素。
下面是一些中国城市的暴雨强度公式目录。
1.北京市暴雨强度公式目录:-暴雨强度=0.3+0.1×(累计降水量/12)+0.2×(小时降水量/3)+0.4×(累计风力/10)2.上海市暴雨强度公式目录:-暴雨强度=0.2+0.15×(累计降水量/10)+0.3×(小时降水量/6)+0.35×(累计风力/12)3.广州市暴雨强度公式目录:-暴雨强度=0.1+0.15×(累计降水量/8)+0.25×(小时降水量/4)+0.5×(累计风力/14)4.成都市暴雨强度公式目录:-暴雨强度=0.2+0.1×(累计降水量/15)+0.2×(小时降水量/2)+0.4×(累计风力/8)5.南京市暴雨强度公式目录:-暴雨强度=0.15+0.1×(累计降水量/20)+0.3×(小时降水量/5)+0.35×(累计风力/16)6.武汉市暴雨强度公式目录:-暴雨强度=0.12+0.1×(累计降水量/18)+0.25×(小时降水量/3)+0.38×(累计风力/20)以上仅为示例,实际上,不同城市对于暴雨强度的公式目录可能存在差异,并且经常会根据实际气象变化和对历史数据的分析进行调整和改进。
暴雨强度公式的设计是为了更好地评估和预测暴雨天气状况,并采取相应的紧急措施,以减少暴雨可能引发的灾害。
一、定义暴雨强度:指单位面积上某一历时降水的体积,以升/(秒•公顷)(L/(S•hm2))为单位。
专指用于室外排水设计的短历时强降水(累积雨量的时间长度小于120 分钟的降水)暴雨强度公式:用于计算城市或某一区域暴雨强度的表达式二、其他省市参考公式:三、暴雨强度公式修订一般气候变化的周期为10~12年,考虑到近年来的气候变化异常,5~10年宜收集新的降水资料,对暴雨强度公式进行修订,以应对气候变化。
工作流程:1.资料处理;2.暴雨强度公式拟合(单一重现期、区间参数公式、总公式);3.精度检验;4.常用查算图表编制;5.各强度暴雨时空变化分析注意事项:基础气象资料采用当地国家气象站或自动气象站建站~至今的逐分钟自记雨量记录,降水历时按5、10、15、20、30、45、60、90、120、150、180 分钟共11种,每年每个历时选取8 场最大雨量记录;年最大值法资料年限至少需要20 年以上,最好有30 年以上资料;年多个样法资料年限至少需要10 年以上,最好有20 年以上资料。
统计样本的建立年多个样法:每年每个历时选择8个最大值,然后不论年次,将每个历时有效资料样本按从大到小排序排列,并从大到小选取年数的4 倍数据,作为统计样本。
年最大值法:选取各历时降水的逐年最大值,作为统计样本。
(具有十年以上自动雨量记录的地区,宜采用年多个样法,有条件的地区可采用年最大值法。
若采用年最大值法,应进行重现期修正)具体计算步骤:一、公式拟合1.单一重现期暴雨强度公式拟合最小二乘法、数值逼近法2.区间参数公式拟合二分搜索法、最小二乘法3.暴雨强度总公式拟合最小二乘法、高斯牛顿法二、精度检验重现期0.25~10 年< 0.05mm/min< 5%三、不同强度暴雨时空变化分析城市暴雨的时间变化特征分析(1)各历时暴雨年际变化特征——可通过绘制各历时暴雨出现日(次)数的年际变化图,分析各历时暴雨的逐年或年代变化特征。
全国暴雨强度公式
暴雨强度公式的制定是基于对暴雨形成机制、降雨随时间的变化规律
以及暴雨对各个区域的影响等方面的研究和分析。
一般来说,暴雨强度公
式是经验性的,并通过大量的实测资料进行了验证和修正,以达到准确度
和可靠性的要求。
在中国,全国范围内的暴雨强度公式是由中国气象局主导制定的,主
要参照国际上相关的技术标准和经验,同时结合中国的气象特点和自然地
理条件进行调整和改进。
下面是中国暴雨强度公式的一个例子:I=a*T^b
其中,I表示暴雨强度,T表示暴雨的持续时间,a和b是经验系数。
该公式表明,暴雨强度与暴雨持续时间的关系是非线性的,而是呈指
数增长的趋势。
研究人员通过大量的实测数据,确定了不同区域的经验系
数a和b的取值范围,以适应中国各地的气候特点和降雨规律。
在实际应用中,暴雨强度公式通常会结合其他气象要素和地理信息,
如过去降雨量、地形条件、土壤类型等,以进一步提高预测和评估的准确性。
此外,暴雨强度公式也需要不断进行修订和更新,以适应气候变化和
城市化进程等变化环境中的需求。
总的来说,全国暴雨强度公式是通过对暴雨形成和发展机制的研究,
通过实测资料的统计和分析,制定出来的一种估算和预测暴雨强度的工具。
通过合理的使用和改进,可以提高暴雨预警和防御工作的效果,减少对人
们生产、生活和安全的不利影响。
暴雨强度计量单位换算暴雨是许多地区的一种常见的现象,它可能会带来许多问题,比如洪水、泥石流、泥石流等现象。
为了研究这类灾害的危害程度,需要有一种标准的方法来衡量暴雨的强度,这种方法就是利用暴雨强度计量单位来衡量。
暴雨强度计量单位主要引用了精确计算暴雨强度的双重标准,一个是每平方公里降水量(PKM),另一个是每小时降水量(PH。
它们的具体定义如下:每平方公里降水量:将某一区域的降水量与其面积进行比较,将降水量除以面积,就可以得到每平方公里降水量。
每小时降水量:将某一区域在一小时内所降水量除以时间,就可以得到每小时降水量。
暴雨强度计量单位(P-S)是一个统一的指标,可以衡量不同地区的不同暴雨强度。
这个指标是根据每平方公里降水量和每小时降水量之间的关系来换算出来的。
换算公式:P-S=PKM(1 + 0.24PH)其中,P-S是暴雨强度计量的单位,PKM和 PH则分别为每平方公里降水量和每小时降水量。
以下为暴雨强度计量单位P-S的分级:1、微弱暴雨:P-S<202、弱暴雨:20≤P-S<503、中强暴雨:50≤P-S<1004、较强暴雨:100≤P-S<2005、强暴雨:200≤P-S<3006、特强暴雨:P-S≥300由于暴雨的计量单位换算的过程比较复杂,在计算时需要考虑每平方公里降水量和每小时降水量的关系,在应用这一指标时,需要考虑多种因素,比如暴雨的特性、影响力等,才能精准的确定暴雨的强度。
有了暴雨强度计量单位这一指标,就可以精准地衡量不同地区暴雨的强度,并且能够为各种灾害的风险评估提供参考。
因此,暴雨强度计量单位换算是一项重要的工作,在日常的实践应用中也可以看到它的重要作用。
总之,暴雨强度计量单位换算是一项比较复杂的运算,但它是必须要做的一项工作,它可以帮助我们准确的预测暴雨带来的灾害,以减少暴雨对人类的损害。
30 浙宁 2 江波 23 3 36 1962~ 1997 余姚市城年多乡工个样程技法术研究所 (2004 年2月第二版手册新补充的公式指数分布 (2004 年2月第二版手册新补充的公式耿贝尔分布 (2004 年2月第二版手册新补充的公式耿贝尔分布 30 浙宁 3 江波 20 7 36 1962~ 1997 余姚市城年最乡工大值程技法术研究所 30 浙宁 4 江波 23 0 30 1964~ 1993 指数分布直接拟合余姚市城乡工程技术研究所30 浙宁 5 江波 19 8 18 1957~ 1974 解析同济༯ td> 法大学 (2004 年2月第二版手册新补充的公式 30 浙衢 6 江州 18 0 38 1956~ 1993 衢州解析市建法设规划局 30 浙绍 7 江兴 20 1 33 1963~ 1995 (2004 浙江指数年2月省城分布第二版乡规直接手册新划设拟合补充的计院公式指数浙江 (2004 分布省城年 2 月直接乡规第二版 30 浙台 8 江州 20 2 30 1965~ 1994拟合划设手册新计院补充的公式指数分布直接拟合浙江省城乡规划设计院 (2004 年2月第二版手册新补充的公式 30 浙温 9 江州 21 9 30 1965~ 1994 31 浙温 0 江州 21 0 6 仍是 1973 年༯ td ༯ td 版手册 > > 收录的公式余姚市城年最乡工大值程技法术研究所 (2004 年2月第二版手册新补充的公式耿贝尔分布 (2004 年2月第二版手册新补充的公式 PIII 分布 (2004 年2月第二版手册新补充的公式指数分布 31 浙溪 1 江口 18 9 38 1960~ 1997 31 浙余 2 江姚 20 3 余姚市城年多乡工个样程技法术研究所 31 浙余 3 江姚 17 9 36 1962~ 1997 余姚市城年最乡工大值程技法术研究所 31 浙镇 4 江海 19 8 36 1962~ 1997 余姚(2004 年最市城年 2 月大值乡工第二版法程技手册新术研补充的究所公式耿贝尔分布指数分布直接拟合浙江省城乡规划设计院 (2004 年2月第二版手册新补充的公式 31 浙舟 5 江山 19 1 30 1964~ 1993 31 浙诸 6 江暨 9 18 1953~解析同济༯ td> 9 1955,1957 法大学~1962 仍是 1973 年༯ td ༯ td 版手册 > > 收录的公式 31 重重 7 庆庆 19 2 8 相关资料:资料来自《给水排水设计手册》,第 5 册《城镇排水》第二版,2004 年 2 月出版,2008 年1 月第八次印刷。