栏杆计算书123精编版
- 格式:doc
- 大小:184.00 KB
- 文档页数:22
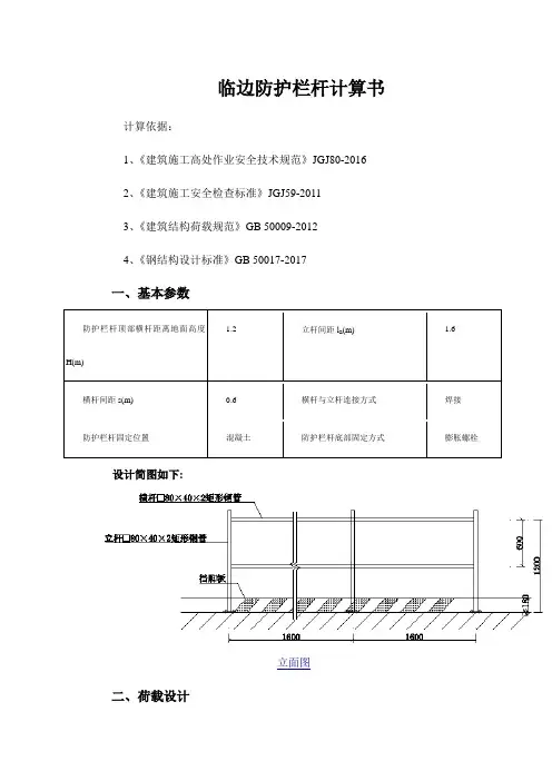
临边防护栏杆计算书计算依据:1、《建筑施工高处作业安全技术规范》JGJ80-20162、《建筑施工安全检查标准》JGJ59-20113、《建筑结构荷载规范》GB 50009-20124、《钢结构设计标准》GB 50017-2017一、基本参数防护栏杆顶部横杆距离地面高度H(m)1.2 立杆间距l a(m) 1.6横杆间距s(m) 0.6 横杆与立杆连接方式焊接防护栏杆固定位置混凝土防护栏杆底部固定方式膨胀螺栓设计简图如下:立面图二、荷载设计三、横杆验算横杆按简支梁模型计算:横杆受风线荷载标准值q k=ωk s=0.063×0.6=0.038kN/m1、强度验算横杆所受最大弯矩设计值M=γ0γQ(F bk l a/4+q k l a2/8)=0.9×1.4×(1×1.6/4+0.038×1.62/8)=0.519kN.mσ=M/W=0.519×106/9340=55.593N/mm2≤[f]=205N/mm2满足要求!2、挠度验算横杆所受最大挠度νmax=F bk l a3/(48EI)+ 5q k l a4/(384EI)=1×1.63/(48×206000×37.36×104)+5×0.038×1.64/(384×206000×37.36×104)= 0mm≤[ν]=l a/100=1600/100=16mm满足要求!四、立杆验算立杆按悬臂梁模型计算:立杆受风线荷载标准值q k=ωk l a=0.063×1.6=0.101kN/m1、强度验算立杆所受最大弯矩设计值M=γ0γQ(F zk H+q k H2/2)=0.9×1.4×(1×1.2+0.101×1.22/2)=1.603kN.mσ=M/W=1.603×106/9340=171.675N/mm2≤[f]=215N/mm2满足要求!2、挠度验算立杆所受最大挠度νmax=F zk H3/(3EI)+5q k H4/(8EI)=1×1.23/(3×206000×37.36×104)+5×0.101×1.24/(8×206000×37.36×104)=0mm≤[ν]=H/100=1200/100=12mm满足要求!五、螺栓验算外力造成立杆底部弯矩设计值M=1.603kN.m螺栓所受拉力设计值N=M/(s×1)=1.603×106/(100×1)=16034.458N单个螺栓截面积A=πd2/4=3.14×122/4=113.04mm2N/A=16034.458/113.04=141.848N/mm2≤[f t]=170N/mm2满足要求!。
****工程建筑护栏设计计算书设计:校对:审核:批准:*****有限公司二〇一三年一月十八日目录1 计算引用的规范、标准及资料 (1)1.1 幕墙及采光顶相关设计规范: (1)1.2 建筑设计规范: (1)1.3 玻璃规范: (1)1.4 钢材规范: (2)1.5 胶类及密封材料规范: (2)1.6 相关物理性能等级测试方法: (3)1.7 《建筑结构静力计算手册》(第二版) (3)1.8 土建图纸: (3)2 基本参数 (3)2.1 栏杆所在地区 (3)2.2 地面粗糙度分类等级 (3)2.3 抗震设防 (3)3 栏杆承受荷载计算 (4)3.1 风荷载标准值的计算方法 (4)3.2 计算面板材料时的风荷载标准值 (5)3.3 垂直于栏杆平面的分布水平地震作用标准值 (5)3.4 平行于栏杆平面的集中水平地震作用标准值 (5)3.5 作用效应组合 (5)4 玻璃栏板的计算 (6)4.1 玻璃栏板荷载计算 (6)4.2 玻璃的最大弯矩计算 (7)4.3 玻璃强度校核 (8)4.4 玻璃最大挠度校核 (8)5 附录常用材料的力学及其它物理性能 (10)建筑护栏设计计算书1 计算引用的规范、标准及资料1.1幕墙及采光顶相关设计规范:《铝合金结构设计规范》 GB50429-2007《玻璃幕墙工程技术规范》 JGJ102-2003《建筑玻璃应用技术规程》 JGJ113-2009《建筑幕墙》 GB/T21086-2007 《建筑玻璃采光顶》 JG/T231-2007《建筑用玻璃与金属护栏》 JG/T342-2012 《建筑幕墙工程技术规范》 DGJ08-56-20121.2建筑设计规范:《地震震级的规定》 GB/T17740-1999 《钢结构设计规范》 GB50017-2003《高层建筑混凝土结构技术规程》 JGJ3-2010《高处作业吊蓝》 GB19155-2003《工程抗震术语标准》 JGJ/T97-2011《混凝土结构后锚固技术规程》 JGJ145-2004《混凝土结构加固设计规范》 GB50367-2006《混凝土结构设计规范》 GB50010-2010《混凝土用膨胀型、扩孔型建筑锚栓》 JG160-2004《建筑防火封堵应用技术规程》 CECS154:2003 《建筑钢结构焊接技术规程》 JGJ81-2002《建筑工程抗震设防分类标准》 GB50223-2008《建筑结构荷载规范》 GB50009-2012《建筑结构可靠度设计统一标准》 GB50068-2001《建筑抗震设计规范》 GB50011-2010《建筑设计防火规范》 GB50016-2006《建筑物防雷设计规范》 GB50057-2010《冷弯薄壁型钢结构技术规范》 GB50018-20021.3玻璃规范:《镀膜玻璃第1部分:阳光控制镀膜玻璃》 GB/T18915.1-2002 《镀膜玻璃第2部分:低辐射镀膜玻璃》 GB/T18915.2-2002 《防弹玻璃》 GB17840-1999《平板玻璃》 GB11614-2009《建筑用安全玻璃第3部分:夹层玻璃》 GB15763.3-2009 《建筑用安全玻璃第2部分:钢化玻璃》 GB15763.2-2005《建筑用安全玻璃防火玻璃》 GB15763.1-2009《半钢化玻璃》 GB/T17841-2008《热弯玻璃》 JC/T915-2003《压花玻璃》 JC/T511-2002《中空玻璃》 GB/T11944-20021.4钢材规范:《建筑结构用冷弯矩形钢管》 JG/T178-2005《不锈钢棒》 GB/T1220-2007《不锈钢冷加工钢棒》 GB/T4226-2009《不锈钢冷轧钢板及钢带》 GB/T3280-2007《不锈钢热轧钢板及钢带》 GB/T4237-2007《不锈钢丝》 GB/T4240-2009《建筑用不锈钢绞线》 JG/T200-2007《不锈钢小直径无缝钢管》 GB/T3090-2000《彩色涂层钢板和钢带》 GB/T12754-2006《低合金钢焊条》 GB/T5118-1995《低合金高强度结构钢》 GB/T1591-2008《建筑幕墙用钢索压管接头》 JG/T201-2007《耐候结构钢》 GB/T4171-2008《高碳铬不锈钢丝》 YB/T096—1997《合金结构钢》 GB/T3077-1999《金属覆盖层钢铁制品热镀锌层技术要求》 GB/T13912-2002《冷拔异形钢管》 GB/T3094-2000《碳钢焊条》 GB/T5117-1995《碳素结构钢》 GB/T700-2006《碳素结构钢和低合金结构钢热轧薄钢板及钢带》GB/T912-2008《碳素结构钢和低合金结构钢热轧厚钢板及钢带》GB/T3274-2007《优质碳素结构钢》 GB/T699-19991.5胶类及密封材料规范:《丙烯酸酯建筑密封膏》 JC484-2006《幕墙玻璃接缝用密封胶》 JC/T882-2001《彩色涂层钢板用建筑密封胶》 JC/T884-2001《丁基橡胶防水密封胶粘带》 JC/T942-2004《工业用橡胶板》 GB/T5574-2008《混凝土建筑接缝用密封胶》 JC/T881-2001《建筑窗用弹性密封剂》 JC485-2007《建筑密封材料试验方法》 GB/T13477.1~20-2002 《建筑用防霉密封胶》 JC/T885-2001《建筑用硅酮结构密封胶》 GB16776-2005《建筑用岩棉、矿渣棉绝热制品》 GB/T19686-2005《建筑用硬质塑料隔热条》 JG/T174-2005《聚氨酯建筑密封胶》 JC/T482-2003《聚硫建筑密封胶》 JC/T483-2006《绝热用岩棉、矿棉及其制品》 GB/T11835-2007《硫化橡胶或热塑性橡胶撕裂强度的测定》 GB/T529-2008《橡胶袖珍硬度计压入硬度试验方法》 GB/T531-1999《修补用天然橡胶胶粘剂》 HG/T3318-2002《中空玻璃用弹性密封胶》 JC/T486-2001《中空玻璃用丁基热熔密封胶》 JC/T914-20031.6相关物理性能等级测试方法:《玻璃幕墙工程质量检验标准》 JGJ/T139-2001《玻璃幕墙光学性能》 GB/T18091-2000《彩色涂层钢板和钢带试验方法》 GB/T13448-2006《钢结构工程施工质量验收规范》 GB50205-2001《混凝土结构工程施工质量验收规范》 GB50204-2002(2011版)《建筑防水材料老化试验方法》 GB/T18244-2000《建筑幕墙气密、水密、抗风压性能检测方法》 GB/T15227-2007《建筑幕墙抗震性能振动台试验方法》 GB/T18575-2001《建筑幕墙平面内变形性能检测方法》 GB/T18250-2000《建筑装饰装修工程质量验收规范》 GB50210-2001《金属材料室温拉伸试验方法》 GB/T228-20021.7《建筑结构静力计算手册》(第二版)1.8土建图纸:2 基本参数2.1栏杆所在地区上海地区;2.2地面粗糙度分类等级栏杆属于外围护构件,按《建筑结构荷载规范》(GB50009-2012)A类:指近海海面和海岛、海岸、湖岸及沙漠地区;B类:指田野、乡村、丛林、丘陵以及房屋比较稀疏的乡镇和城市郊区;C类:指有密集建筑群的城市市区;D类:指有密集建筑群且房屋较高的城市市区;依照上面分类标准,本工程按C类地形考虑。
商务城人才公寓玻璃护栏设计计算书设计:校对:审核:批准:苏州工业园区国发国际建筑装饰工程有限公司二〇一〇年十月目录1 计算引用的规范、标准及资料 (1)1.1 幕墙设计规范: (1)1.2 建筑设计规范: (1)1.3 玻璃规范: (2)1.4 钢材规范: (2)1.5 胶类及密封材料规范: (2)1.6 《建筑结构静力计算手册》(第二版) (3)1.7 土建图纸: (3)2 基本参数 (3)2.1 栏杆所在地区 (3)2.2 地面粗糙度分类等级 (3)2.3 抗震设防 (3)3 栏杆承受荷载计算 (4)3.1 风荷载标准值的计算方法 (4)3.2 计算支撑结构时的风荷载标准值 (5)3.3 计算面板材料时的风荷载标准值 (5)3.4 垂直于栏杆平面的分布水平地震作用标准值 (5)3.5 作用效应组合 (6)4 栏杆横杆计算 (6)4.1 栏杆横杆荷载计算 (7)4.2 栏杆横杆强度计算 (7)4.3 栏杆横杆挠度计算 (8)5 栏杆立杆计算 (8)5.1 栏杆立杆荷载计算 (8)5.2 栏杆立杆抗弯强度校核 (10)5.3 栏杆立杆挠度计算 (10)6 栏杆玻璃的计算 (11)6.1 玻璃板块荷载计算 (12)6.2 玻璃的强度计算 (13)6.3 玻璃最大挠度校核 (13)7 栏杆与主体结构连接计算 (14)7.1 后置埋件计算 (14)7.2 栏杆与锚板焊缝连接验算 (19)玻璃护栏设计计算书1 计算引用的规范、标准及资料1.1幕墙设计规范:《铝合金结构设计规范》 GB50429-2007《玻璃幕墙工程技术规范》 JGJ102-2003《点支式玻璃幕墙工程技术规程》 CECS127-2001《点支式玻璃幕墙支承装置》 JG138-2001《吊挂式玻璃幕墙支承装置》 JG139-2001《建筑玻璃应用技术规程》 JGJ113-2009《建筑瓷板装饰工程技术规范》 CECS101:98《建筑幕墙》 GB/T21086-2007《金属与石材幕墙工程技术规范》 JGJ133-2001《小单元建筑幕墙》 JG/T216-20081.2建筑设计规范:《地震震级的规定》 GB/T17740-1999《钢结构防火涂料》 GB14907-2002《钢结构设计规范》 GB50017-2003《高层建筑混凝土结构技术规程》 JGJ3-2002《高层民用建筑设计防火规范》 GB50045-95(2005年版)《高处作业吊蓝》 GB19155-2003《工程抗震术语标准》 JGJ/T97-95《工程网络计划技术规程》 JGJ/T121-99《混凝土结构后锚固技术规程》 JGJ145-2004《混凝土结构设计规范》 GB50010-2002《混凝土用膨胀型、扩孔型建筑锚栓》 JG160-2004《建筑表面用有机硅防水剂》 JC/T902-2002《建筑材料放射性核素限量》 GB6566-2001《建筑防火封堵应用技术规程》 CECS154:2003《建筑钢结构焊接技术规程》 JGJ81-2002《建筑工程抗震设防分类标准》 GB50223-2008《建筑工程预应力施工规程》 CECS180:2005《建筑结构荷载规范》 GB50009-2001(2006年版、局部修订) 《建筑结构可靠度设计统一标准》 GB50068-2001《建筑抗震设计规范》 GB50011-2001(2008年版)《建筑设计防火规范》 GB50016-2006《建筑物防雷设计规范》 GB50057-94(2000年版)《冷弯薄壁型钢结构设计规范》 GB50018-2002《民用建筑设计通则》 GB50352-2005《预应力筋用锚具、夹具和连接器应用技术规程》JGJ85-20021.3玻璃规范:《镀膜玻璃第1部分:阳光控制镀膜玻璃》 GB/T18915.1-2002 《镀膜玻璃第2部分:低辐射镀膜玻璃》 GB/T18915.2-2002 《防弹玻璃》 GB17840-1999《平板玻璃》 GB11614-2009《建筑用安全玻璃第3部分:夹层玻璃》 GB15763.3-2009 《建筑用安全玻璃第2部分:钢化玻璃》 GB15763.2-2005 《建筑用安全玻璃防火玻璃》 GB15763.1-2009 《幕墙用钢化玻璃与半钢化玻璃》 GB17841-2008《热弯玻璃》 JC/T915-2003《压花玻璃》 JC/T511-2002《中空玻璃》 GB/T11944-2002 1.4钢材规范:《建筑结构用冷弯矩形钢管》 JG/T178-2005《不锈钢棒》 GB/T1220-2007 《不锈钢冷加工钢棒》 GB/T4226-2009 《不锈钢冷轧钢板及钢带》 GB/T3280-2007 《不锈钢热轧钢板及钢带》 GB/T4237-2007 《不锈钢丝》 GB/T4240-2009 《建筑用不锈钢绞线》 JG/T200-2007《不锈钢小直径无缝钢管》 GB/T3090-2000 《擦窗机》 GB19154-2003《彩色涂层钢板和钢带》 GB/T12754-2006 《低合金钢焊条》 GB/T5118-1995 《低合金高强度结构钢》 GB/T1591-2008 《建筑幕墙用钢索压管接头》 JG/T201-2007《耐候结构钢》 GB/T4171-2008 《高碳铬不锈钢丝》 YB/T096—1997 《合金结构钢》 GB/T3077-1999 《金属覆盖层钢铁制品热镀锌层技术要求》 GB/T13912-2002 《冷拔异形钢管》 GB/T3094-2000 《碳钢焊条》 GB/T5117-1999 《碳素结构钢》 GB/T700-2006《碳素结构钢和低合金结构钢热轧薄钢板及钢带》GB/T912-2008《碳素结构钢和低合金结构钢热轧厚钢板及钢带》GB/T3274-2007 《优质碳素结构钢》 GB/T699-1999《预应力筋用锚具、夹具和连接器》 GB/T14370-2000 1.5胶类及密封材料规范:《丙烯酸酯建筑密封膏》 JC484-2006《幕墙玻璃接缝用密封胶》 JC/T882-2001《彩色涂层钢板用建筑密封胶》 JC/T884-2001《丁基橡胶防水密封胶粘带》 JC/T942-2004《干挂石材幕墙用环氧胶粘剂》 JC887-2001《工业用橡胶板》 GB/T5574-1994《混凝土建筑接缝用密封胶》 JC/T881-2001《建筑窗用弹性密封剂》 JC485-2007《建筑密封材料试验方法》 GB/T13477.1~20-2002《建筑用防霉密封胶》 JC/T885-2001《建筑用硅酮结构密封胶》 GB16776-2005《建筑用岩棉、矿渣棉绝热制品》 GB/T19686-2005《建筑用硬质塑料隔热条》 JG/T174-2005《建筑装饰用天然石材防护剂》 JC/T973-2005《聚氨酯建筑密封胶》 JC/T482-2003《聚硫建筑密封胶》 JC/T483-2006《绝热用岩棉、矿棉及其制品》 GB/T11835-2007《硫化橡胶或热塑性橡胶撕裂强度的测定》 GB/T529-1999《石材用建筑密封胶》 JC/T883-2001《橡胶袖珍硬度计压入硬度试验方法》 GB/T531-1999《修补用天然橡胶胶粘剂》 HG/T3318-2002《中空玻璃用弹性密封胶》 JC/T486-2001《中空玻璃用丁基热熔密封胶》 JC/T914-20031.6《建筑结构静力计算手册》(第二版)1.7土建图纸:2 基本参数2.1栏杆所在地区上海地区;2.2地面粗糙度分类等级栏杆属于外围护构件,按《建筑结构荷载规范》(GB50009-2001)A类:指近海海面和海岛、海岸、湖岸及沙漠地区;B类:指田野、乡村、丛林、丘陵以及房屋比较稀疏的乡镇和城市郊区;C类:指有密集建筑群的城市市区;D类:指有密集建筑群且房屋较高的城市市区;依照上面分类标准,本工程按B类地形考虑。
栏杆计算书基本参数:重庆地区基本风压0.300kN/m2抗震7度(0.10g)设防《建筑结构可靠度设计统一标准》GB 50068-2001《建筑结构荷载规范》GB 50009-2001《建筑抗震设计规范》GB50011-2001《混凝土结构设计规范》GB50010-2002《钢结构设计规范》GB50017-2003《玻璃幕墙工程技术规范》JGJ 102-2003《浮法玻璃》GB 11614-1999《钢化玻璃》GB/T9963-1998《建筑结构静力计算手册》《本工程设计要求总则》《混凝土结构加固设计规范》玻璃栏杆计算1TA-WL19假设共有10榀, 则每榀宽1357mm,高975mm.1.1、荷载计算(1)、风荷载标准计算:标高为96.0m处风荷载,按维护结构计算,按C类区计算风压W(J):基本风压W(J)=0.55kN/㎡β: 96.0m高处阵风系数(按C类区计算)β=1.60-0.02X4/10=1.608μ(B):96.0m高处风压高度变化系数(按C类计算):(GB50009-2001) μ=1.62+0.08×6/10=1.668μ(T):风荷载载体型系数按《建筑结构荷载规范》GB2009-2001第7.3.3条取μ(T)=-1.20 W(J)=β×μ(B)×μ(T)×W(J)=1.608×1.668×1.2×0.550=1.770kN/㎡(2)、风荷载设计值:W:风荷载设计值(kN/㎡)(W):风荷载作用效应的分项系数:1.4按该工程《设计要求总》则中的规定取W=1.4×2.80=3.92kN/㎡(3)、地震作用计算E(K)=β×a×Gβ:动力放大系数,取5.0a:水平地震影响系数最大值,取0.08G:幕墙构件的自重,0.307kN/㎡故E(K)=0.123kN/㎡1.2 玻璃的选用校核本处选用玻璃种类为:钢化夹胶玻璃1.21、玻璃面积:B:该处玻璃栏杆分格宽:1.267mH:该处玻璃栏杆公格高:0.895mA:该处玻璃板块面积:A×B×H=1.267×0.895=1.134㎡1.2.2、该处玻璃板块自重:G玻璃板块自重T:玻璃板块厚度:12.0㎡玻璃的重力密度为:25.6KN/㎡G=25.6×t/1000=25.6×12/1000=0.307kN/㎡1.2.3该处垂直于玻璃平面的分布水平地震作用:(E):地震作用分项系数:1.3E:垂直于玻璃平面的分布水平地震作用设计值(kN/㎡)E=γ(E)×E(K)=1.3×E(K)=1.3×0.123=0.160kN/㎡1.2.4作用于楼面与栏杆顶之间的均匀分布荷载1kN/㎡:设计值q(L)=1.4×1=1.4kN/m作用于栏杆顶的均匀分布线荷载0.75kN/㎡设计值q(L)=1.4×0.75=1.05kM/㎡1.2.5荷载组合参照《建筑结构荷载规范》GB2009-2001,用于强度计算时采用以下组合:1.4q(L)+0.6×1.4×W(k)1.4W(k)+0.6×1.4×q(L)1.3E(K)+0.2×1.4×W(k)+0.5×1.4×q(L)综合以上荷载的大小,本处强度计算可仅考试组合Q=1.4W(k)+0.6×1.4×q(L)=4.76kN/㎡1.2.6玻璃的强度、扰度计算:校核依据:o≤f(g)=84.000N/m㎡W(k):垂直于玻璃平面的风荷载标准值(M/m㎡)E(k):垂直于玻璃平面的地震作用标准值(N/m㎡)q(L):作用于楼面与标杆顶之间的均匀分布荷载(N/m㎡)σ(WK):在垂直于玻璃平面的风荷载作用下玻璃截面的最大应力标准值(N/m㎡)σ(EK):在垂直于玻璃平面的地震作用下玻璃截的最大应力标准值(N/m㎡)θ:参数η折减系数,可由参数θ按表6.1.2-2采用a:玻璃短边边长:895mmb:玻璃长边边长1267mmt1,t2:玻璃的厚度:t1=t2=6.0mmm:玻璃板的弯矩系数,按边长比a/b查表6.1.2-1得:m=0.0742+0.064/0.05×(0.0683-0.0742)=0.0734在垂直于玻璃平面的风荷载作用下玻璃截面的最大应力标准值计算(N/m㎡)θ=(W(k)+0.5×q(EK))×a4/(E×t4)=2.13η:折减系数,按0=2.13查表得:100风荷载作用应力:σ(Wk)=σ2(Wk)=6×m×W(k)×a2×η/t2= 6×0.0734×2.8/2/103×8952×1.00/62=13.72N/m㎡活荷载作用应力:σ1(EK)= σ2(Ek)=6×m×E(K)×a2×η/t2=6×0.0734×1/2/103×9302×1.00/62=4.9N/m㎡玻璃最大应力设计值:采用组合:1.4W(k)+0.6×1.4×q(L)σ=1.4σ(Wk)+0.6×1.4×σ1(Wk)=23.32N/m㎡<f(g)=84.000N/m㎡玻璃强度满足要求!D(f):在风荷载标准值作用下扰度最大值(mm)D:玻璃的刚度(N·mm)Te:玻璃等效厚度:te=(t13+t23)=7.56mmV:泊松比,按JGJ102-2003 5.2.9条采用,取值为0.20u: 扰度系数:0.0073η:1.00D=(E×te3)/12(1-v2)=2700.5(N·m)D(f)=u×(W(k)+0.6×q(L)×a4×η/D=5.82(mm)由于玻璃的最大扰度d(f)=5.82mm,小于玻璃短边边长的60分一12.917(mm)玻璃的扰度满足要求!以下利用有限元软件sap进行计算,计算模型如下图1.3无玻璃扶手栏杆计算对强度和跨中扰度按照横边框两端固接计算,故两端弯矩最大(1)扶手栏杆采用25×50×2镀锌矩开管组合而成,其截面特性如下:A=284㎡Ix=29604mm4,Iy=9079mm4Wx=2368.293mm3,Wy=3603.147mm3(2)作用有均匀分布活荷载q(L):分布活荷载标准值0.75kN/m 活荷载作用方向分沿竖向和水平方向(3)扶手栏框弯矩(剪力产生作用较小,可忽略)由于打手栏长度较大,在与墙嵌固外弯矩最大荷载在端部产生弯矩M(L)(kN·m)M(L)=0.254N·m(4)扶手栏强度计算活载沿竖向:σ=M/r/Wx=0.254×106/1.05/2368=79.5N/mm2<215N/mm2活载沿水平方向:σ=M(L)//Wy=0.318×106/1.05/3603+0.004×106/1.05/2368强度满足要求(5)扶手栏扰度计算仅计算活荷载沿竖向:U(max):扶手栏杆沿竖向最大扰度U(max)=4.0mm<9mm<2714/250=10.9mm扰度满足要求(6)扶手扶手栏焊缝抵抗矩:Ww=(15.66×55.663/12-10×503/12)/(55.66/2)=17603.1mm3焊缝承受弯矩:M=0.254kN·m剪力:V=0.825kN采用角焊缝,宽4mm,在弯矩作用下其最大应力为σ1=M/Ww=58.5N/mm2<160N/mm2在剪力作用下其最大应力为σ2=V/Aw=2.2N/m㎡<160/m㎡弯剪共同作用下应力为σ=σ12+σ222)1/2=58.6N/m㎡<160N/m㎡故焊缝满足要求.1.4玻璃横边框计算:强度和跨中扰度按照横边框两端固接计算,故两端弯矩最大(1)横边框采用两根50×10方铁拼成,故其截面特性如下:A=1000m㎡I=208333m㎡W=8333㎜2(2) 横边框弯矩:M:荷载作用在跨中产生弯矩最大(kN·m)M=0.285kN·m(3) 横边框强度计算σ=M/γ/w==34.2N/mm<215N/mm2 强度满足要求!(4)横边框扰度计算U(max ): 横边框最大扰度U(max )=Q(1)4 /384/E/1=5.66mm<10.9mm<2714/250=10.9mm扰度可以满足要求!(5)边框焊缝验算焊缝抵抗矩:W w =(25.66×55.663/12-20×503/12)/(55.66/2)=5759.8mm 3焊缝面积:Aw =25.66×55.66-20×50=428.0mm 2栏杆条端部焊缝承受弯矩:M=0.105kN ·m剪力:V=0.878kN采用角焊缝,宽4kN,在弯矩作用下其最大应力为σ =M/Ww=18.2N/mm 2<160N/mm 2在剪力作用下其最大应力为σ2=V/A w =2.1N/mm 2<160Nmm 2弯剪共同作用下应力为σ=(σ12+σ22)1/2=18.3N/2故焊缝满足要求.1.5 玻璃竖边框计算:(1)竖边框采用两块50×10的扁铁在一起,其截面特性如下:A=1000mm2 I=208333mm 4W=8333mm 3 i=A I /=14.4mm(2)竖边框弯矩:M:荷载作用产生剪力(kN ·m )M=1.312kN ·mV:荷载作用产生弯矩(kN )V=1.312kN ·mN:活载作用下的竖向力:N=0.75×1.4×1.357=1.42kN(3)竖边框强度计算强度计算:根据JGJ102-2003 6.3.7得到竖边框在压弯作用下的强度计算公式为A N +WM ≤∮ 1.42×1000/1000+1.312×106 /(1.05×8333)=151.4N/mm 2<215/mm 2稳定计算:根据JGJ102-2003 6.3.8-1,得到竖边框在压弯作用下的承载力计算公式为 ¢N +NE N W M /8.01(-γ≤f,N E = 2E λπ1.14长细比λ=2×0.975/0.0144=135.4查表得ψ=0.37λ=1.05N E = 3.14×2.06×105×1000/(1.1×135.42)32.08kNK φN +E)W(1-0.8N/NMλ=1420/(0.37×1000)+1.312×106/(1.05×8333×1-0.8×1.42/32.08))=159.3N/mm 2<215N/mm 2剪力作用下:τ=V/A=1.31N/mm 2<215N/mm 2弯剪共同作用下:σ=(τ2+σ2)1/2=159.3N/mm 2<215N/mm 2强度满足要求!(4)竖边框扰度计算U(max):竖边=5.4mm<9mm<2714/250=10.9mm扰度可以满足要求!(5)边框焊缝又验算焊缝抵抗矩:Ww=25.66×55.663/12-2×503/12/(55.66/2)=5759.8mm 3焊缝面积:Aw =25.66×55.66-20×50=428.0mm 2栏杆条端部焊缝承受弯矩:M=1.312kN ·m剪力:V=2.8kN采用角焊缝,宽4mm ,在弯矩作用下其最大应力为σ=M/Ww =227.8N/mm 2>160N/mm 2在剪力作用下其最大应力为σ2=V/Aw=6.5N/mm 2<160N/mm 2弯剪共同作用下应力为σ(σ12+σ22)1/2=281.7N/mm 2>160N/mm 2故焊缝无法满足要求,换成8mm 后的焊缝重新计算.焊缝抵抗矩:Ww=(31.31×61.313/12-20×503/12)/(61.31/2)=12824.3mm3焊缝面积:A w =(31.31×63.31-20×50=920.0mm 2在弯矩作用下其最大应力为σ=M/Ww =102.4N/mm 2<160N/mm2 在剪力作用下其最大应力为σ=V/Aw=3.0N/mm 2<160N/mm2 弯剪共同作用下应力为σ=(σ12+σ22)1/2=102.4N/mm 2<160N/mm 2(6)边框内六角螺栓的连接验算取螺栓直径4mm,已知螺栓每隔300mm布置一只,故300mm内两只螺栓的需抵抗的力为4.76×0.3×1.267=1.81kN螺栓承载剪力为:V=Afv= 1.40×π×42/4×2= 3.52kN〉1.81kN故螺栓满足要求1.6预埋件计算预埋件采用膨胀螺栓固定,膨胀螺栓取慧鱼FBN12/15+35 M12,监测得其极限拉力值约为36kN,剪力按Q235钢计算得125×π×122/4=14.1kN锚固区域的混凝土计算承载力为:根据《混凝土加固设计规范》13.3.2N1c=2.8ψaψN5.1,efkcuh f混凝土采用C30,故基材混凝强度等级对锚固承载力的影响系数ψa=1.0,混凝土立方体抗压强度标准f cu.k =20.1MPa,有效锚固深度h ef=70mmψN=ψs.Nψe.N A c,N/A c,N0ψs,N=0.8ψe,N=1/[1+(2e N/S cr,N)]Scr,N=3×hef=210mme N=0ψe,N=1参与受拉螺栓为2根对该工程中的螺栓锚固端的混凝土情况,大致可分为两类:水平栏杆锚固和竖直栏杆锚固对其有效面积为:Ac,N=65100mm2A c,N0=44100mm2所以ψN=ψS,NψE,NAC,N/AC,N0=0.8×1×65100/44100=1.181故N1c=2.8ψaψ5.1,efkcuhf =2.8×1.0×1.181×1.20×701.5=8682.3N=8.68kN对于竖直栏杆锚固,有效混凝土的投影面积分布如下图所示其有效面积为:Ac ,N =48050mm 2A c ,N 0=44100mm 2所以ψN=ψs .N ψe .N Ac.N /Ac.N 0=0.8×1×648050/44100=0.872故N1c=2.8ψa ψN 5.1,ef k cu h f =2.8×1.0×1.181×1.20×701.5 =6410.9N=6.14kN 混凝土的受剪承载力设计值为Vc=0.18ψV 2.03.005.11.ef k cu h d c f平行于剪力方向的边距C1=50mm锚栓外径d 0=12mm有效锚固深度h ef =70mmΨs .y =1Ψh .y =1Ψa .y =1Ψu .y =1A c .y 0=4.5×C 12A c .y =4A c .y 0所以ψv =ψs .v ψh ,v ψa .v ψe .v ψu .v /A cy 0 =1×1×1×1×4=4Vc=0.18Ψv 2.03.005.11.ef k cu h d c f =0.18×4×1.20 ×501.5×120.3×700.2=5.63kN 以上计算了锚固混凝土的抗拉强度和抗剪强度 对于侧面扶手栏的预埋件,其混凝土受拉部分所受拉力为M/0.1=5.74kN<8.68k N混凝土锚固能力满足其所受剪力为V=1.538kN<5.63kN拉剪复合作用下混凝土承载力验算:()()122<+V N ββ()()151.0263.554.1268.874.5<++ 单个膨胀螺丝拉力为:M/d=0.574/0.1/2=2.87kN<Nrk,s/γms=36/1.2=30kN单个膨胀螺丝爱到的剪力为:1.538/2/4=0.192kN<Vrk,s/γms=14.1kN帮侧面的膨胀螺丝满足要求对于底面竖边框的预理件,其混凝土受拉部分所受拉力为$$$$$$$$$$$$$$$$$$$$$$$$$$$$$$$$$$$$$$$$$$$$$$$$$$$$$$$M/0.1=13.12kN>6.41kN,混凝土锚固能力无法满足$$$$$$$$$$$$$$$$$$$$$$$$$$$$$$$$$$$其所受剪力为V=2.80kN<5.63kN单个膨胀螺丝受到拉力为:M/d=1.312/0.1/2=5.56kN<Nrk,s/γms=36/1.2=30kN单个膨胀螺丝受到的拉力为2.795/2/4=0.349kN< Vrk,s/γms=14.1kN故底面的螺丝满足要求2TA-WL24计算选取洞宽尺寸为16800mm内的扶手栏杆作为对象,假设共有10榀,则每榀宽1675mm,高1025mm.2.1玻璃的选用与校核本处选用玻璃种类为:钢化夹胶玻璃1.21、玻璃面积:B:该处玻璃栏杆分格宽:1.267mH:该处玻璃栏杆公格高:0.895mA:该处玻璃板块面积:A×B×H=1.267×0.895=1.134㎡1.2.2、该处玻璃板块自重:G玻璃板块自重T:玻璃板块厚度:12.0㎡玻璃的重力密度为:25.6KN/㎡G=25.6×t/1000=25.6×12/1000=0.307kN/㎡1.2.3该处垂直于玻璃平面的分布水平地震作用:(E):地震作用分项系数:1.3E:垂直于玻璃平面的分布水平地震作用设计值(kN/㎡)E=γ(E)×E(K)=1.3×E(K)=1.3×0.123=0.160kN/㎡1.2.4作用于楼面与栏杆顶之间的均匀分布荷载1kN/㎡:设计值q(L)=1.4×1=1.4kN/m作用于栏杆顶的均匀分布线荷载0.75kN/㎡设计值q(L)=1.4×0.75=1.05kM/㎡1.2.5荷载组合参照《建筑结构荷载规范》GB2009-2001,用于强度计算时采用以下组合:1.4q(L)+0.6×1.4×W(k)1.4W(k)+0.6×1.4×q(L)1.3E(K)+0.2×1.4×W(k)+0.5×1.4×q(L)综合以上荷载的大小,本处强度计算可仅考试组合Q=1.4W(k)+0.6×1.4×q(L)=4.76kN/㎡1.2.6玻璃的强度、扰度计算:校核依据:o≤f(g)=84.000N/m㎡W(k):垂直于玻璃平面的风荷载标准值(M/m㎡)E(k):垂直于玻璃平面的地震作用标准值(N/m㎡)q(L):作用于楼面与标杆顶之间的均匀分布荷载(N/m㎡)σ(WK):在垂直于玻璃平面的风荷载作用下玻璃截面的最大应力标准值(N/m㎡)σ(EK):在垂直于玻璃平面的地震作用下玻璃截的最大应力标准值(N/m㎡)θ:参数η折减系数,可由参数θ按表6.1.2-2采用a:玻璃短边边长:895mmb:玻璃长边边长1267mmt1,t2:玻璃的厚度:t1=t2=6.0mmm:玻璃板的弯矩系数,按边长比a/b查表6.1.2-1得:m=0.0742+0.064/0.05×(0.0683-0.0742)=0.0734在垂直于玻璃平面的风荷载作用下玻璃截面的最大应力标准值计算(N/m㎡)θ=(W(k)+0.5×q(EK))×a4/(E×t4)=2.13η:折减系数,按0=2.13查表得:100风荷载作用应力:σ(Wk)=σ2(Wk)=6×m×W(k)×a2×η/t2= 6×0.0734×2.8/2/103×8952×1.00/62=13.72N/m㎡活荷载作用应力:σ1(EK)= σ2(Ek)=6×m×E(K)×a2×η/t2=6×0.0734×1/2/103×9302×1.00/62=4.9N/m㎡玻璃最大应力设计值:采用组合:1.4W(k)+0.6×1.4×q(L)σ=1.4σ(Wk)+0.6×1.4×σ1(Wk)=23.32N/m㎡<f(g)=84.000N/m㎡玻璃强度满足要求!D(f):在风荷载标准值作用下扰度最大值(mm)D:玻璃的刚度(N·mm)Te:玻璃等效厚度:te=(t13+t23)=7.56mmV:泊松比,按JGJ102-2003 5.2.9条采用,取值为0.20u: 扰度系数:0.0073η:1.00D=(E×te3)/12(1-v2)=2700.5(N·m)D(f)=u×(W(k)+0.6×q(L)×a4×η/D=5.82(mm)由于玻璃的最大扰度d(f)=5.82mm,小于玻璃短边边长的60分一12.917(mm)玻璃的扰度满足要求!以下利用有限元软件sap进行计算,计算模型如下图1.3无玻璃扶手栏杆计算对强度和跨中扰度按照横边框两端固接计算,故两端弯矩最大(1)扶手栏杆采用25×50×2镀锌矩开管组合而成,其截面特性如下:A=284㎡Ix=29604mm4,Iy=9079mm4Wx=2368.293mm3,Wy=3603.147mm3(2)作用有均匀分布活荷载q(L):分布活荷载标准值0.75kN/m 活荷载作用方向分沿竖向和水平方向(3)扶手栏框弯矩(剪力产生作用较小,可忽略)由于打手栏长度较大,在与墙嵌固外弯矩最大荷载在端部产生弯矩M(L)(kN·m)M(L)=0.254N·m(4)扶手栏强度计算活载沿竖向:σ=M/r/Wx=0.254×106/1.05/2368=79.5N/mm2<215N/mm2活载沿水平方向:σ=M(L)//Wy=0.318×106/1.05/3603+0.004×106/1.05/2368强度满足要求(5)扶手栏扰度计算仅计算活荷载沿竖向:U(max):扶手栏杆沿竖向最大扰度U(max)=4.0mm<9mm<2714/250=10.9mm扰度满足要求(6)扶手扶手栏焊缝抵抗矩:Ww=(15.66×55.663/12-10×503/12)/(55.66/2)=17603.1mm3焊缝承受弯矩:M=0.254kN·m剪力:V=0.825kN采用角焊缝,宽4mm,在弯矩作用下其最大应力为σ1=M/Ww=58.5N/mm2<160N/mm2在剪力作用下其最大应力为σ2=V/Aw=2.2N/m㎡<160/m㎡弯剪共同作用下应力为σ=σ12+σ222)1/2=58.6N/m㎡<160N/m㎡故焊缝满足要求.1.4玻璃横边框计算:强度和跨中扰度按照横边框两端固接计算,故两端弯矩最大(2)横边框采用两根50×10方铁拼成,故其截面特性如下:A=1000m㎡I=208333m㎡W=8333㎜2(2) 横边框弯矩:M:荷载作用在跨中产生弯矩最大(kN·m)M=0.285kN·m(3) 横边框强度计算σ=M/γ/w==34.2N/mm<215N/mm2强度满足要求!(4)横边框扰度计算U(max): 横边框最大扰度U(max)=Q(1)4 /384/E/1=5.66mm<10.9mm<2714/250=10.9mm扰度可以满足要求!(5)边框焊缝验算焊缝抵抗矩:W w=(25.66×55.663/12-20×503/12)/(55.66/2)=5759.8mm3 焊缝面积:Aw=25.66×55.66-20×50=428.0mm2栏杆条端部焊缝承受弯矩:M=0.105kN·m剪力:V=0.878kN采用角焊缝,宽4kN,在弯矩作用下其最大应力为σ=M/Ww=18.2N/mm2<160N/mm2在剪力作用下其最大应力为σ2=V/A w=2.1N/mm2<160Nmm2弯剪共同作用下应力为σ=(σ12+σ22)1/2=18.3N/2故焊缝满足要求.1.5 玻璃竖边框计算:(1)竖边框采用两块50×10的扁铁在一起,其截面特性如下:A=1000mm2I=208333mm4W=8333mm3I/=14.4mmi=A(2)竖边框弯矩:M:荷载作用产生剪力(kN ·m ) M=1.312kN ·mV:荷载作用产生弯矩(kN ) V=1.312kN ·mN:活载作用下的竖向力:N=0.75×1.4×1.357=1.42kN (3)竖边框强度计算 强度计算:根据JGJ102-2003 6.3.7得到竖边框在压弯作用下的强度计算公式为A N +WM γ≤∮ 1.42×1000/1000+1.312×106/(1.05×8333)=151.4N/mm 2<215/mm 2稳定计算:根据JGJ102-2003 6.3.8-1,得到竖边框在压弯作用下的承载力计算公式为¢N+NE N W M/8.01(-γ≤f,N E = 2E λπ1.14长细比λ=2×0.975/0.0144=135.4 查表得ψ=0.37 λ=1.05N E = 3.14×2.06×105×1000/(1.1×135.42)32.08kNKφN +E)W(1-0.8N/NMλ=1420/(0.37×1000)+1.312×106/(1.05×8333×1-0.8×1.42/32.08))=159.3N/mm 2<215N/mm 2剪力作用下:τ=V/A=1.31N/mm 2<215N/mm 2弯剪共同作用下:σ=(τ2+σ2)1/2=159.3N/mm 2<215N/mm 2强度满足要求!(4)竖边框扰度计算 U(max):竖边=5.4mm<9mm<2714/250=10.9mm 扰度可以满足要求! (5)边框焊缝又验算焊缝抵抗矩:Ww=25.66×55.663/12-2×503/12/(55.66/2)=5759.8mm 3焊缝面积:Aw =25.66×55.66-20×50=428.0mm 2栏杆条端部焊缝承受弯矩:M=1.312kN ·m 剪力:V=2.8kN采用角焊缝,宽4mm ,在弯矩作用下其最大应力为σ=M/Ww=227.8N/mm2>160N/mm2在剪力作用下其最大应力为σ2=V/Aw=6.5N/mm2<160N/mm2弯剪共同作用下应力为σ(σ12+σ22)1/2=281.7N/mm2>160N/mm2故焊缝无法满足要求,换成8mm后的焊缝重新计算.焊缝抵抗矩:Ww=(31.31×61.313/12-20×503/12)/(61.31/2)=12824.3mm3焊缝面积:A w=(31.31×63.31-20×50=920.0mm2在弯矩作用下其最大应力为σ=M/Ww=102.4N/mm2<160N/mm2在剪力作用下其最大应力为σ=V/Aw=3.0N/mm2<160N/mm2弯剪共同作用下应力为σ=(σ12+σ22)1/2=102.4N/mm2<160N/mm2(6)边框内六角螺栓的连接验算取螺栓直径4mm,已知螺栓每隔300mm布置一只,故300mm内两只螺栓的需抵抗的力为 4.76×0.3×1.267=1.81kN螺栓承载剪力为:V=Afv= 1.40×π×42/4×2= 3.52kN〉1.81kN故螺栓满足要求竖边框剪力:V:荷载作用产生弯矩(kN·m)V=1.235 kN(3)横边框强度计算弯矩作用下:σ=M/γ/w=55.3N/mm2 < 215 N/mm2剪力作用下:τ=V/A=1.24 N/mm2 < 215 N/mm2弯剪满足要求2.5预埋件计算对于侧面扶手栏的预埋件,其混凝土受拉部分所爱拉力为M/0.1=3.37kN<8.68 kN<8.68 kN,混凝土锚固能力满足其所受剪力为V=0.85kN<5.63 kN拉剪复合作用下混凝土承载力验算:(βN)2+(βV)2 <1单个膨胀螺丝受到拉力为:M/d=0.337/0.1/2=1.69 kN< Nrk, s/γms=36/1.2=30kN单个膨胀螺丝受到的剪力为:0.749/2/4=0.11 kN< Vrk,s/γms=14.1kN故侧面的膨胀螺丝满足要求对于底面竖边框的预埋的件,其混凝土受拉部分所受拉力为M/0.1=6.18kN<6.41kN,混凝土锚固能力满足其所受剪力为V=0.704kN<6.41kN拉剪复合作用下混凝土承载力验算:(βN)2+(βV)2 <1单个膨胀螺丝受到拉力为:M/d=6.18/0.1/2=3.09kN<Nrk, s/γms=36/1.2=30kN单个膨胀螺丝受到拉力为:0.704/2/4=0.08kN<Vrk, s/γms=14.1kN故底面的螺丝满足要求3TA-WL23V=2.3kN<5.63kN单个膨胀螺丝受到拉力为:M/d=0.932/0.1/2=4.66kN<Nrk, s/γms=36/1.2=30kN单个膨胀螺丝受到剪力为:2.34/2/4=0.29kN<Vrk, s/γms=14.1kN故底面的螺丝满足要求百页栏杆计算:4TA-ML10每榀宽1750mm,高1800mm构件截面钢材为Q235;截面为:25×100×3钜形管;25×50×2矩形管;50×10扁铁;4.1荷载计算栏杆标高为92.65m,近似取标高为100.0m处风荷载计算(1).风荷载标准值计算:W(J):基本风压W(J)=0.55kN/m2β:100.0m高处阵风系数(按C类区计算)β=1.62μ(B):100.0m高处风压高度系数(按C类区计算) GB50009-2001) μ=1.68μ(T):风荷载体型系数μ=-1.20W(k)= β×μ(B) ×μ×W(J)=1.62 ×1.68×1.2×0.550=1.80kN/m2挡风系数φ=An/A栏杆条宽度:10mm栏杆条间距:50mmφ=10/50=0.2<0.92W(k)= φ×2.80=0.56kN/mm2(2).风荷载设计值:W:风荷载设计值(kN/m2)γ(W):风荷载作用效应的分项系数:1.4按该工程《设计要求总则》中规定取W=0.56×1.4=0.78 kN/m2(3)地震作用计算E(K)= β×α×Gβ:动力放大系数,取5.0α:水平地震影响系数最大值,计算模型如下图G:百叶构件的自重,0.981kN/m2故E=0.392 kN/m2以下利用有限元软件sap进行计算,计算模型如下图4.2竖边框计算:对于楼面对栏杆部分区域,其上主要作用为:风荷载:W=0.784 kN/m2地震作用:E(K)=0.392 kN/m2活载:q(L)=1.0 kN/m2参照《建筑结构荷载规范》GB2009-2001,用于强度计算时采用以下组合:1.4q(L)+0.6×1.4×W(k)1.4W(K)+0.6×1.4×q(L)1.3E(K)+0.2×1.4×W(k)+0.5×1.4×q(L)综合以上荷载的大小,本处强度计算可仅考虑组合Q=1.4q(L)+0.6×1.4×W(k)=2.06 kN/m2用于挠度计算时,荷载取为Q(k)= q(L)+0.6×W(k)=1.47 kN/m2(1)竖这框由25×60×3矩开钢管组合而成,其截面特性如:A=284mm2I=90000 mm4W=3630mm3i=17.8根据JGJ102-20036.3.1说明,矩形钢管厚度应大于3mm,故建议为25×50×3,其截面特性如下:A=414mm2I=125542mm4W=5021.68mm3i=17.4(2)栏杆条线分布荷载设计值(矩形分布)Q(1):线分布荷载设计值B:栏杆条间距:0.05mQ(1)=Q×B=0.103 kN/m2(3)竖边框弯矩和剪力:竖边框底部弯矩和剪力均最大,其值为M=0.553 kN·mV=1.486 kNN=0.75×1.4×1.75=1.84 kN(7)若改为可拆卸栏杆,计算如下:焊接计算:采用角焊疑缝,宽4mm焊缝抵抗矩:W W=(25.66×45.663/12-10×403/12)/45.66/2)=6580mm3焊缝面积:A W=25.66×45.66-20×40=372mm2焊缝承受弯矩:M=0.553 kN·m剪力:V=1.485 kN在弯矩作用下其最大应力为σ1=M/W W=84.0N/mm2<160N/mm2在剪力作用下其最大应力为σ2=V/A w=4.0N/mm2<160N/mm2弯剪共同作用下应力为σ=(σ12+σ22)1/2=84.1N/mm2 <160N/mm2故焊缝满足要求.20×40×2矩形管强度计算:A=224 mm2I=533504 mm4W=2667.2 mm3在弯剪力作用下:σ1=M/W W=207.3N/mm2<215N/mm2强度要求!螺丝计算:竖向作用力:N=1.84kN两螺丝受弯矩产生的剪力:0.533×103/50=10.66 kN所以一个螺丝的剪力为:(10.662+0.922)1/2=10.7kN螺丝计算:竖向作用力:N=1.84kN两螺丝承受弯矩产生的剪力:0.533×103/50=10.66 kN所以一个螺丝承受的剪力为:(10.662+0.922)1/2=10.7 kN螺丝截面:75.53mm3剪力作用下的剪应力: τ=V/A W=136.25N/mm24.3栏杆条计算:(1)栏杆条由50×10扁铁组合而成,其截面特性如下:A=500mm2I=1.4200mm4W=4170mm3(2)荷载线分布荷载设计值同前(3)栏杆条弯矩:M=0.042 kN·m(4)栏杆条挠度计算σ=M/γ/w=10.1N/mm2<215N/mm2强度满足要求.(5)栏杆条挠条焊缝验算U(max):栏杆条最大挠度U(max)=4.2mm<9mm<1800/250=7.2mm挠度可以满足要求!(6)拦杆条焊缝验算焊缝抵抗矩:W W=(15.66×55.663/12-10×503/12)/(55.66/2)=4340.2mm3焊缝面积:A W=15.66×55.66-10×50=371.4mm2栏杆条端部焊缝承受弯矩:M=0.042 kN·m剪力:V=0.062 kN采用角焊缝,宽4mm,在弯矩作用下其最大应力为σ1=M/W W=9.68N/mm2<160N/mm2在剪力作用下其最大应力为σ2=V/A W=0.16N/mm2<160N/mm2弯剪共同作用下应力为σ=(σ12+σ22)1/2=9.68N/mm2<160N/mm2故焊缝满足要求。
海口市海航豪庭项目阳台护窗栏杆计算文件一:工程概况基本参数:1:本工程为海口市海航豪庭项目阳台,阳台栏杆材质为氟碳喷涂喷涂铝合金。
护窗栏杆材质为镀锌,表面氟碳喷涂喷涂防腐。
2:计算阳台栏杆以横杆跨度:W=1154mm;立柱高度1.1米;次立杆高度0.77米为例进行计算3:计算护窗栏杆以横杆跨度:W=1234mm;立柱高度0.9米;次立杆高度0.73米为例进行计算4:护栏用途:住宅二:阳台栏杆计算1.阳台栏杆横杆计算(30x30x1.2)1>横杆截面特性横杆截面尺寸为30x30x1.2方管高度 H=30(mm)翼缘宽 Bu=30(mm)腹板外缘宽 B1=30(mm)腹板厚 Tw=1.2(mm)翼缘厚 Tu=1.2(mm)截面积 A=224.0(mm2)单重 g=1.758(kg/m)x轴惯性矩 Ix=2.9419X1e4(mm4)x轴抵抗矩 Wx=1.9612X1e3(mm3)x轴回转半径 ix=11.4601(mm)x轴半截面面积矩 Sx=1.1780X1e3(mm3)y轴惯性矩 Iy=2.9419X1e4(mm4)y轴抵抗矩 Wy=1.9612X1e3(mm3)y轴回转半径 iy=11.4601(mm)y轴半截面面积矩 Sy=1.1780X1e3(mm3)扭转惯性矩 It=5.8837X1e4(mm4)2>阳台栏杆横杆荷载计算按规范GB50189-2001第5.5.2条规定:住宅、宿舍、办公楼、旅馆、医院、托儿所、幼儿园取1.0KN/m的均布荷载;本工程中考虑q k1=1.0N/mm的均布荷载标准值。
3>护栏横杆强度计算:(1)横杆在荷载作用下的弯矩计算值:M:弯矩计算值(N·mm);q:横杆上作用的均布荷载计算值(N/mm);L:横杆跨度(mm);M=q1W2/8=1.2×q k1W2/8=1.2×1×11542/8=N·mm(2)抗弯强度校核:按简支梁抗弯强度公式,应满足:M/γW n≤f上式中:M:弯矩计算值(N·mm);Wn:在弯矩作用方向的净截面抵抗矩(mm3);γ:塑性发展系数:对于非铝合金龙骨,参照JGJ133或JGJ102规范,取1.05;对于铝合金龙骨,参照最新《铝合金结构设计规范》GB 50429-2007,取1.00;此处取:γ=1.0;f:横杆的抗弯强度计算值,取215MPa;则:M/γWn=/1.0/1962=119MPa≤215MPa横杆的抗弯强度满足要求。
栏杆计算书三篇篇一:玻璃护栏设计计算书计算引用的规范、标准及资料幕墙设计规范:《铝合金结构设计规范》GB50429-20XX《玻璃幕墙工程技术规范》JGJ102-20XX《点支式玻璃幕墙工程技术规程》CECS127-20XX《点支式玻璃幕墙支承装置》JG138-20XX《吊挂式玻璃幕墙支承装置》JG139-20XX《建筑玻璃应用技术规程》JGJ113-20XX《建筑瓷板装饰工程技术规范》CECS101:98《建筑幕墙》GB/T21086-20XX《金属与石材幕墙工程技术规范》JGJ133-20XX《小单元建筑幕墙》JG/T216-20XX建筑设计规范:《地震震级的规定》GB/T17740-1999《钢结构防火涂料》GB14907-20XX《钢结构设计规范》GB50017-20XX《高层建筑混凝土结构技术规程》JGJ3-20XX《高层民用建筑设计防火规范》GB50045-95(20XX年版)《高处作业吊蓝》GB19155-20XX《工程抗震术语标准》JGJ/T97-95《工程网络计划技术规程》JGJ/T121-99《混凝土结构后锚固技术规程》JGJ145-20XX《混凝土结构设计规范》GB50010-20XX《混凝土用膨胀型、扩孔型建筑锚栓》JG160-20XX《建筑表面用有机硅防水剂》JC/T902-20XX《建筑材料放射性核素限量》GB6566-20XX《建筑防火封堵应用技术规程》CECS154:20XX《建筑钢结构焊接技术规程》JGJ81-20XX《建筑工程抗震设防分类标准》GB50223-20XX《建筑工程预应力施工规程》CECS180:20XX《建筑结构荷载规范》GB50009-20XX(20XX年版、局部修订) 《建筑结构可靠度设计统一标准》GB50068-20XX《建筑抗震设计规范》GB50011-20XX(20XX年版)《建筑设计防火规范》GB50016-20XX《建筑物防雷设计规范》GB50057-94(2000年版)《冷弯薄壁型钢结构设计规范》GB50018-20XX《民用建筑设计通则》GB50352-20XX《预应力筋用锚具、夹具和连接器应用技术规程》JGJ85-20XX 玻璃规范:《镀膜玻璃第1部分:阳光控制镀膜玻璃》GB/T18915.1-20XX《镀膜玻璃第2部分:低辐射镀膜玻璃》GB/T18915.2-20XX 《防弹玻璃》GB17840-1999《平板玻璃》GB11614-20XX《建筑用安全玻璃第3部分:夹层玻璃》GB15763.3-20XX 《建筑用安全玻璃第2部分:钢化玻璃》GB15763.2-20XX 《建筑用安全玻璃防火玻璃》GB15763.1-20XX《幕墙用钢化玻璃与半钢化玻璃》GB17841-20XX《热弯玻璃》JC/T915-20XX《压花玻璃》JC/T511-20XX《中空玻璃》GB/T11944-20XX钢材规范:《建筑结构用冷弯矩形钢管》JG/T178-20XX《不锈钢棒》GB/T1220-20XX《不锈钢冷加工钢棒》GB/T4226-20XX《不锈钢冷轧钢板及钢带》GB/T3280-20XX《不锈钢热轧钢板及钢带》GB/T4237-20XX《不锈钢丝》GB/T4240-20XX《建筑用不锈钢绞线》JG/T200-20XX《不锈钢小直径无缝钢管》GB/T3090-2000《擦窗机》GB19154-20XX《彩色涂层钢板和钢带》GB/T12754-20XX《低合金钢焊条》GB/T5118-1995《低合金高强度结构钢》GB/T1591-20XX《建筑幕墙用钢索压管接头》JG/T201-20XX《耐候结构钢》GB/T4171-20XX《高碳铬不锈钢丝》YB/T096—1997《合金结构钢》GB/T3077-1999《金属覆盖层钢铁制品热镀锌层技术要求》GB/T13912-20XX《冷拔异形钢管》GB/T3094-2000《碳钢焊条》GB/T5117-1999《碳素结构钢》GB/T700-20XX《碳素结构钢和低合金结构钢热轧薄钢板及钢带》GB/T912-20XX 《碳素结构钢和低合金结构钢热轧厚钢板及钢带》GB/T3274-20XX 《优质碳素结构钢》GB/T699-1999《预应力筋用锚具、夹具和连接器》GB/T14370-2000胶类及密封材料规范:《丙烯酸酯建筑密封膏》JC484-20XX《幕墙玻璃接缝用密封胶》JC/T882-20XX《彩色涂层钢板用建筑密封胶》JC/T884-20XX《丁基橡胶防水密封胶粘带》JC/T942-20XX《干挂石材幕墙用环氧胶粘剂》JC887-20XX《工业用橡胶板》GB/T5574-1994《混凝土建筑接缝用密封胶》JC/T881-20XX《建筑窗用弹性密封剂》JC485-20XX《建筑密封材料试验方法》GB/T13477.1~20-20XX《建筑用防霉密封胶》JC/T885-20XX《建筑用硅酮结构密封胶》GB16776-20XX《建筑用岩棉、矿渣棉绝热制品》GB/T19686-20XX《建筑用硬质塑料隔热条》JG/T174-20XX《建筑装饰用天然石材防护剂》JC/T973-20XX《聚氨酯建筑密封胶》JC/T482-20XX《聚硫建筑密封胶》JC/T483-20XX《绝热用岩棉、矿棉及其制品》GB/T11835-20XX《硫化橡胶或热塑性橡胶撕裂强度的测定》GB/T529-1999《石材用建筑密封胶》JC/T883-20XX《橡胶袖珍硬度计压入硬度试验方法》GB/T531-1999《修补用天然橡胶胶粘剂》HG/T3318-20XX《中空玻璃用弹性密封胶》JC/T486-20XX《中空玻璃用丁基热熔密封胶》JC/T914-20XX《建筑结构静力计算手册》(第二版)土建图纸:基本参数栏杆所在地区xx地区;地面粗糙度分类等级栏杆属于外围护构件,按《建筑结构荷载规范》(GB50009-20XX)A类:指近海海面和海岛、海岸、湖岸及沙漠地区;B类:指田野、乡村、丛林、丘陵以及房屋比较稀疏的乡镇和城市郊区;C类:指有密集建筑群的城市市区;D类:指有密集建筑群且房屋较高的城市市区;依照上面分类标准,本工程按B类地形考虑。
第一章安排估计依据之阳早格格创做1、修筑及结构动工图.2、典型:《玻璃幕墙工程技能典型》JGJ102-2003(以下简称典型)《金属与石材幕墙工程技能典型》JGJ133-2001《修筑结构载荷典型》GB50009-2001《民用修筑热工安排典型》GB50176-93《钢结构安排典型》GB50017-2003《修筑安排防火典型》GB50016-2001《下层民用修筑安排防火典型》GB/50045-95《修筑抗震安排典型》GB50011-20013、本能检测尺度:《修筑幕墙气氛渗透本能检测要领》GB/T15226《修筑幕墙风压变形本能检测要领》GB/T15227《修筑幕墙雨火渗漏本能检测要领》GB/T15228《修筑中窗抗风压本能分级及其检测要领》GB7106-864、工程基础条件及安排依据:a、细糙度类型:C类b、50年一逢的基础风压:0.45(kPa)c、50年一逢的基础雪压:0.4(kPa)d、天震烈度:8度()e、年最大温好(℃):80f、幕墙仄里内变形本能:1/267第两章安排载荷决定准则施加于幕墙战采光顶上的荷载战效率主要有风载荷、雪荷载、自沉、天震效率战温度变更等,常常风载荷引起的效率效力最大.正在举止幕墙构件、连交件战预埋件等的安排估计时,必须思量百般载荷战效率效力的分项系数,即采与其安排值;正在举止位移战挠度安排估计时,各分项系数均与1.0,即采与其尺度值.1、风载荷2:式中w k—效率正在笔曲幕墙上的风载荷尺度值(kN/m2);βgz—阵风风压系数;按《修筑结构载荷典型》GB50009的确定采与;μz—风压下度变更系数,按《修筑结构载荷典型》GB50009的确定采与;μs—大里风载荷体型系数;w0—基础风压(kN/m2),按《修筑结构荷载典型》GB50009的确定采与.根据典型央供,正在举止修筑幕墙构件、连交件战锚固件的装载力安排估计时,风载荷的分项系数与γw=1.4,即风载荷的安排值为:2、雪载荷根据典型,玻璃采光顶(或者雨篷)火仄投影里上的雪荷载尺度值可按下式估计:式中s k—雪载荷尺度值(kN/m2);μr—屋里积雪分散系数;s0—基础雪压(kN/m2),按《修筑结构荷载典型》GB50009的确定采与.根据典型央供,正在举止玻璃采光顶(或者雨篷)的装载力安排估计时,雪载荷的分项系数与γs=1.4,即雪载荷的安排值为:3、天震效率笔曲于幕墙仄里火仄分散天震效率力尺度值可按下式估计:式中q Ek—笔曲于幕墙仄里火仄分散天震效率力尺度值(kN/m2);βE—能源搁大系数,可与5.0;αmax—火仄天震效率系数最大值;q Gk—幕墙构件单位里积的沉力荷载尺度值(kN/m2).根据典型央供,天震载荷的分项系数与γE=1.3,即天震效率的安排值为:4、幕墙结构沉力荷载根据典型,幕墙结构沉力荷载的分项系数普遍与γG =1.2,当自沉荷载的效力付于构件有利时,其分项系数的与值没有该大于1.0,沉力荷载的安排值为:5、载荷拉拢根据典型,幕墙构件按装载力极限状态安排时,其效率效力的拉拢应切合下式确定:式中S G —永暂荷载效力安排值(kN/m2);S—效率效力拉拢的安排值(kN/m2).第三章玻璃围栏估计玻璃栏杆为下部收启,玻璃最大宽度1500mm ,玻璃栏杆埋件最大宽度间距1400mm ,玻璃可睹下度950mmPVB+10mm 夹胶钢化玻璃,本估计分别对付风荷载战栏杆火仄荷载举止校核.§3.1、风荷载校核1、部位基础安排参数玻璃围栏最大标下面为100m.2、风荷载决定根据修筑荷载典型,对付于细糙度为C 类天区,该处的风压下度变更系数为μz =1.7,阵风风压系数βz =1.6,风荷载体型系数μs =1.5 .根据荷载决定的有闭公式可得:= 1.836 (KN/ m 2)S = 1.4 x 1.836 = 2.57 (KN/ m 2)3、玻璃围栏的强度估计(a )、1500mm 宽,10+1.52+10mm 夹胶钢化玻璃的截里参数估计:按《玻璃幕墙工程技能典型》JGJ102-2003央供,夹胶玻璃应分别校核内、中片玻璃.10mm 中片玻璃惯性矩、抗直截里模量:3121101150⨯⨯=I = cm 4C IW =10 = 25 cm 3(b )、风荷载正在内、中片玻璃上效率调配:按《玻璃幕墙工程技能典型》JGJ102-2003央供,夹胶玻璃内、中片玻璃分别负担风荷载的效率为:333211t t t S S +⨯=分(KN/ m 2)(c )、风荷载正在玻璃栏杆单片玻璃上爆收的直矩:S 分—风载荷安排值(KN/m 2),与1.285;H —玻璃栏杆可睹下度(mm),与950mm ;B —玻璃栏杆宽度(mm),与1500mm ;Nm(d )、玻璃栏杆内、中片强度校核:按《玻璃幕墙工程技能典型》JGJ102-2003确定(表5),[]84=σ(N/mm 2)估计式:W M /=σ(N/mm 2)10mm 中片玻璃强度校核: 10/W M =σMPa ≤ []σ概括以上分解可睹,玻璃栏杆强度谦足安排央供.4、玻璃围栏的刚刚度估计(a )、1500mm 宽,10+1.52+10mm 夹胶钢化玻璃刚刚度校核截里参数估计:按《玻璃幕墙工程技能典型》JGJ102-2003确定(条),10+1.52+10mm 夹胶钢化玻璃等效截里:33321t t t += = 3331010+ =12.6 (mm)12.6mm 等效玻璃惯性矩、抗直截里模量:31211226.1150⨯⨯=I =25 cm 4(b )、玻璃刚刚度校核:玻璃顶端的挠度由下式估计:I E H B W f MAX ⨯⨯⨯⨯=84 (m)式中 W —风载荷尺度值(KN/m 2),与;H —玻璃栏杆下度,与5m ;B —玻璃栏杆宽度,与1.5mm ;12I -- 玻璃栏杆抗直惯性矩估计截止: =MAX f < 1/60H = 15.83mm玻璃挠度合格.§3.2、阳台玻璃栏杆火仄荷载校核1、栏杆火仄荷载按修筑荷载典型,栏杆火仄荷载与牢固值: P=500 N/m2、玻璃围栏的强度估计(a )、1500mm 宽,10+1.52+10mm 夹胶钢化玻璃的截里参数估计:按《玻璃幕墙工程技能典型》JGJ102-2003央供,夹胶玻璃应分别校核内、中片玻璃.10mm 中片玻璃惯性矩、抗直截里模量:3121101150⨯⨯=I = cm 4C IW =10 = 25 cm 3(b )、火仄正在内、中片玻璃上效率调配:按《玻璃幕墙工程技能典型》JGJ102-2003央供,夹胶玻璃内、中片玻璃分别负担风荷载的效率为:333211t t t P P +⨯=分 =250(N/ m)(c )、火仄荷载正在玻璃栏杆单片玻璃上爆收的直矩:分P —火仄载荷,与250(N/ m);H —玻璃栏杆可睹下度(mm),与950mm ;B —玻璃栏杆宽度(mm),与1500mm ;Nm(d )、玻璃栏杆单片玻璃强度校核:按《玻璃幕墙工程技能典型》JGJ102-2003确定(表5),[]84=σ(N/mm 2)估计式:W M /=σ(N/mm 2)10mm 中片玻璃强度校核: 10/W M =σMPa ≤ []σ概括以上分解可睹,玻璃栏杆强度谦足安排央供.4、玻璃围栏的刚刚度估计(a )、1500mm 宽,10+1.52+10mm 夹胶钢化玻璃刚刚度校核截里参数估计:按《玻璃幕墙工程技能典型》JGJ102-2003确定(条),8+0.76+6mm 夹胶钢化玻璃等效截里:33321t t t += = 3331010+ =12.6 (mm)12.6mm 等效玻璃惯性矩、抗直截里模量:31211226.1150⨯⨯=I =25 cm 4(b )、玻璃刚刚度校核:玻璃顶端的挠度由下式估计:I E H B P f MAX ⨯⨯⨯⨯=33 (m)式中 P — 栏杆火仄荷载,与500(N/ m);H —玻璃栏杆下度,与5m ;B —玻璃栏杆宽度,与1.5mm ;12I -- 玻璃栏杆抗直惯性矩估计截止: =MAX f < 1/60H = 15.83mm玻璃挠度合格.§3.3、阳台玻璃栏杆根部钢槽连交构件强度校核 1、 效率于根部钢槽的荷载效率于根部钢槽的最大直矩为(跨距1400mm): M = 1623 Nm效率于根部钢槽的最大火仄剪力(跨距1400mm)为: F = 3418 N2、 形成钢槽的角钢L125x125x8强度校核估计式:W M M γσ/=(N/mm 2)式中,M —根部直距(Nmm),与1623Nmm ;W —1400mm 跨距内8mm 钢板的截里抵挡矩;31218.0140⨯⨯=I = 4C IW = = 3γ-- 塑性死少系数,与1.05估计得:MPa M57.103=σ A F F /=σ(N/mm 2)式中,F —火仄剪切力(N),与3418N ;A —1400mm 跨距内8mm 钢板的截里积,A=11200mm 2; 估计得: MPa F 31.0=σ果此,概括以上估计得:[]σσ≤=MPa 57.103角钢强度合格.3、 钢槽的根部焊交校核如图纸所示,钢槽的根部共埋板谦焊连交,单面焊缝少度没有小于400mm ,焊缝隔断没有大于1400mm ,估计焊足下度没有小于8mm.效率于根部焊缝的最大直矩为: M = 1623 Nm效率于根部焊缝的最大火仄剪力为: F =3418 Nƒf W = 160 MPa直距效率下σf = 6 M MAX / 2h e.l W2剪力效率下σV = F V / h e.l Wƒf W ----- 角焊缝的强度安排值;h e h f;l W----- 角焊缝的估计少度,对付每条焊缝与其本质少度减来;估计截止:σf = 44.54 (N/mm2)σV = 1.53 (N/mm2)概括估计后σ= 44.56 (N/mm2)≤ƒf W焊缝校验合格.。
高架层护栏计算书编制:审查:审核:2011年5月目录第一章引用标准规范 (2)1.1.建筑设计规范: (2)1.2.钢材规范: (2)1.3.《建筑结构静力计算手册》(第二版) (2)第二章护栏立柱计算 (3)2.1计算部位 (3)2.2立柱受力分析 (3)2.2.1立柱受力计算公式: (3)2.3立柱与主体结构焊接焊缝强度校核 (4)2.4立柱截面特性 (5)2.5立柱抗弯强度及抗剪强度验算: (5)第三章护栏横梁计算 (7)3.1计算部位 (7)3.2横梁受力分析 (7)3.2.1横梁受力计算公式: (7)3.3横梁与立柱焊接焊缝强度校核 (7)3.4横梁截面特性 (8)3.5横梁抗弯强度及抗剪强度验算: (9)第一章引用标准规范1.1.建筑设计规范:《建筑结构荷载规范》GB50009-2001 《钢结构设计规范》GB50017-2003 《冷弯薄壁型钢结构设计规范》GB50018-2002 《高层民用钢结构技术规程》JGJ99-98《混凝土结构设计规范》GB50010-2002 《建筑结构可靠度设计统一标准》GB50068-2001 《建筑装饰工程施工质量验收规范》GB50210-2001 《建筑钢结构焊接技术规程》JGJ81-2002《碳钢焊条》GB/T5117-1995 《低合金钢焊条》GB/T5118-1995 1.2.钢材规范:《不锈钢棒》GB/T1220-1992 《不锈钢冷加工钢棒》GB/T4226-1984 《不锈钢冷扎钢板》GB/T3280-1992 《不锈钢热扎钢板》GB/T4237-1992 《不锈钢热扎钢带》GB/T5090《冷拔异形钢管》GB/T3094-2000 《碳素结构钢》GB/T700-1988 《优质碳素结构钢》GB/T699-1999 《合金结构钢》GB/T3077-1999 《不锈钢和耐热钢冷扎带钢》GB/T4239-1991 《高耐候结构钢》GB/T4171-2000 《焊接结构用耐候钢》GB/T4172-2000 《低合金高强度结构钢》GB/T1591-1994 《碳素结构和低合金结构钢热轧薄钢板及钢带》GB/T912-1989 《碳素结构和低合金结构钢热轧厚钢板及钢带》GB/T3274-1988 《结构用无缝钢管》JBJ102《金属覆盖层钢铁制品热镀锌层技术要求》GB/T13912-1992 1.3.《建筑结构静力计算手册》(第二版)第二章护栏立柱计算2.1计算部位计算部位2.2立柱受力分析立柱与主体结构焊接,立柱顶端受集中荷载时,为立柱最不利受力状况。
T-63现状改选程择计算书说明:1、栏杆柱单跨长为5.1米,柱高0.9米为400x400x5方通柱,中间高度0.7米为每隔160x 一根的30x30铸铁装饰件柱子上下各用50x50x3厚热镀锌方通连接成整体。
2、栏杆顶部水平荷载应取1.0KN/m,栏杆顶部竖向荷载应取1.2KN/m,水平荷载与竖向荷载应取分别考虑水平荷载作用于最不利位置。
3、栏杆柱单跨长为5.1米,中间每根一米做根30x30方通柱,因此每米中间方通柱脚:剪力为 1.0KN/mX1.0mX1.4=1.4KN,和竖向轴力为 1.2KN/mX1.0m1.3=1.56KN,弯矩为:1.4KNx0.7mx1.1=1.08KN*m。
每米栏杆自重约:78KN/m3X0.03mX0.03mX0.7m*6=0.3KN。
一、中间柱支撑预埋件计算《混凝土结构设计规范》(GB 50010-2010), 本文简称《混凝土规范》钢筋:d - HPB300; D - HRB335; E - HRB400; F - RRB400; G - HRB500; P - HRBF335; Q - HRBF400; R - HRBF500-----------------------------------------------------------------------1 计算条件弯矩设计值M : 1.10kN·m 轴力设计值N : 1.90kN剪力设计值V : 1.40kN 力的正方向如图所示直锚筋层数 : 2 层间距b1 : 70mm直锚筋列数 : 2 列间距b : 70mm锚板厚度t : 8mm 锚板宽度B : 150mm 锚板高度H : 150mm 最外层锚筋之间距离z: 70mm 结构重要性系数γ0 : 1.0 层数影响系数αr : 1.00地震作用 : 不考虑锚筋级别 : HRB400, f y=360.00N/mm2, f y> 300, 取 f y = 300N/mm2直锚筋直径d : 8mm砼强度等级 : C20, f c=9.60 N/mm2, f t=1.10 N/mm22 锚筋截面面积验算(1)锚板受剪承载力系数αv:根据混凝土规范9.7.2-5计算:=v(2)锚板弯曲变形折减系数αb:根据混凝土规范9.7.2-6计算:b(3)直锚筋面积验算:在剪力、法向拉力、弯矩的组合作用下,直锚筋的计算截面积按照混凝土规范式 9.7.2-1 及式9.7.2-2计算,并取其中较大值:≥0(rvf 0.8bf 1.3rbf1400.00⨯1.000.60300.00⨯0.8300.00=64.50mm2≥0()N 0.8bf M 0.4rbf ⨯(+1900.000.85⨯0.4 计算面积= max{64.50, 163.38} = 163.38mm直锚筋实配面积A s = 4×π×(8/2)2 = 201.06mm 2 ≥ 163.38mm 2满足系数= 201.06÷163.38 = 1.23 满足 3 锚固长度:根据混凝土规范 9.7.4, 受拉直锚筋锚固长度l a :≥( 根据混凝土规范 9.7.4, 受剪直锚筋锚固长度l a : l a ≥ 15d = 15×8 = 120mm直锚筋锚固长度l a = max{367, 120} = 367mm 实际锚固长度取370mm 4 构造要求(1)锚筋间距b 、b 1和锚筋至构件边缘的距离c 、c 1: 根据混凝土规范 9.7.4: b 、c ≥max{3d,45}=45mm受剪构件, b 1、c 1≥max{6d,70}=70mm, 且b 、b 1≤300mm 由此得:300mm ≥ b = 70mm ≥ 45mm 满足要求 300mm ≥ b 1 = 70mm ≥ 70mm 满足要求 c ≥ 45mm, c 1 ≥ 70mm (2)锚板:根据混凝土规范 9.7.4 要求, 最外层锚筋中心到锚板边缘的距离≥ max{2d,20} = 20mm1)宽度B = 150mm ≥ B min = 20×2+70×(2-1) = 110mm 满足要求 2)高度H = 150mm ≥ H min = 20×2+70×(2-1) = 110mm 满足要求(3)焊缝: 根据规范 9.7.1 要求,锚筋直径d ≤ 20mm ,宜采用压力埋弧焊。
栏杆计算书三篇篇一:玻璃护栏设计计算书计算引用的规范、标准及资料幕墙设计规范:《铝合金结构设计规范》GB50429-20XX《玻璃幕墙工程技术规范》JGJ102-20XX《点支式玻璃幕墙工程技术规程》CECS127-20XX《点支式玻璃幕墙支承装置》JG138-20XX《吊挂式玻璃幕墙支承装置》JG139-20XX《建筑玻璃应用技术规程》JGJ113-20XX《建筑瓷板装饰工程技术规范》CECS101:98《建筑幕墙》GB/T21086-20XX《金属与石材幕墙工程技术规范》JGJ133-20XX《小单元建筑幕墙》JG/T216-20XX建筑设计规范:《地震震级的规定》GB/T17740-1999《钢结构防火涂料》GB14907-20XX《钢结构设计规范》GB50017-20XX《高层建筑混凝土结构技术规程》JGJ3-20XX《高层民用建筑设计防火规范》GB50045-95(20XX年版)《高处作业吊蓝》GB19155-20XX《工程抗震术语标准》JGJ/T97-95《工程网络计划技术规程》JGJ/T121-99《混凝土结构后锚固技术规程》JGJ145-20XX《混凝土结构设计规范》GB50010-20XX《混凝土用膨胀型、扩孔型建筑锚栓》JG160-20XX《建筑表面用有机硅防水剂》JC/T902-20XX《建筑材料放射性核素限量》GB6566-20XX《建筑防火封堵应用技术规程》CECS154:20XX《建筑钢结构焊接技术规程》JGJ81-20XX《建筑工程抗震设防分类标准》GB50223-20XX《建筑工程预应力施工规程》CECS180:20XX《建筑结构荷载规范》GB50009-20XX(20XX年版、局部修订) 《建筑结构可靠度设计统一标准》GB50068-20XX《建筑抗震设计规范》GB50011-20XX(20XX年版)《建筑设计防火规范》GB50016-20XX《建筑物防雷设计规范》GB50057-94(2000年版)《冷弯薄壁型钢结构设计规范》GB50018-20XX《民用建筑设计通则》GB50352-20XX《预应力筋用锚具、夹具和连接器应用技术规程》JGJ85-20XX 玻璃规范:《镀膜玻璃第1部分:阳光控制镀膜玻璃》GB/T18915.1-20XX《镀膜玻璃第2部分:低辐射镀膜玻璃》GB/T18915.2-20XX 《防弹玻璃》GB17840-1999《平板玻璃》GB11614-20XX《建筑用安全玻璃第3部分:夹层玻璃》GB15763.3-20XX 《建筑用安全玻璃第2部分:钢化玻璃》GB15763.2-20XX 《建筑用安全玻璃防火玻璃》GB15763.1-20XX《幕墙用钢化玻璃与半钢化玻璃》GB17841-20XX《热弯玻璃》JC/T915-20XX《压花玻璃》JC/T511-20XX《中空玻璃》GB/T11944-20XX钢材规范:《建筑结构用冷弯矩形钢管》JG/T178-20XX《不锈钢棒》GB/T1220-20XX《不锈钢冷加工钢棒》GB/T4226-20XX《不锈钢冷轧钢板及钢带》GB/T3280-20XX《不锈钢热轧钢板及钢带》GB/T4237-20XX《不锈钢丝》GB/T4240-20XX《建筑用不锈钢绞线》JG/T200-20XX《不锈钢小直径无缝钢管》GB/T3090-2000《擦窗机》GB19154-20XX《彩色涂层钢板和钢带》GB/T12754-20XX《低合金钢焊条》GB/T5118-1995《低合金高强度结构钢》GB/T1591-20XX《建筑幕墙用钢索压管接头》JG/T201-20XX《耐候结构钢》GB/T4171-20XX《高碳铬不锈钢丝》YB/T096—1997《合金结构钢》GB/T3077-1999《金属覆盖层钢铁制品热镀锌层技术要求》GB/T13912-20XX《冷拔异形钢管》GB/T3094-2000《碳钢焊条》GB/T5117-1999《碳素结构钢》GB/T700-20XX《碳素结构钢和低合金结构钢热轧薄钢板及钢带》GB/T912-20XX 《碳素结构钢和低合金结构钢热轧厚钢板及钢带》GB/T3274-20XX 《优质碳素结构钢》GB/T699-1999《预应力筋用锚具、夹具和连接器》GB/T14370-2000胶类及密封材料规范:《丙烯酸酯建筑密封膏》JC484-20XX《幕墙玻璃接缝用密封胶》JC/T882-20XX《彩色涂层钢板用建筑密封胶》JC/T884-20XX《丁基橡胶防水密封胶粘带》JC/T942-20XX《干挂石材幕墙用环氧胶粘剂》JC887-20XX《工业用橡胶板》GB/T5574-1994《混凝土建筑接缝用密封胶》JC/T881-20XX《建筑窗用弹性密封剂》JC485-20XX《建筑密封材料试验方法》GB/T13477.1~20-20XX《建筑用防霉密封胶》JC/T885-20XX《建筑用硅酮结构密封胶》GB16776-20XX《建筑用岩棉、矿渣棉绝热制品》GB/T19686-20XX《建筑用硬质塑料隔热条》JG/T174-20XX《建筑装饰用天然石材防护剂》JC/T973-20XX《聚氨酯建筑密封胶》JC/T482-20XX《聚硫建筑密封胶》JC/T483-20XX《绝热用岩棉、矿棉及其制品》GB/T11835-20XX《硫化橡胶或热塑性橡胶撕裂强度的测定》GB/T529-1999《石材用建筑密封胶》JC/T883-20XX《橡胶袖珍硬度计压入硬度试验方法》GB/T531-1999《修补用天然橡胶胶粘剂》HG/T3318-20XX《中空玻璃用弹性密封胶》JC/T486-20XX《中空玻璃用丁基热熔密封胶》JC/T914-20XX《建筑结构静力计算手册》(第二版)土建图纸:基本参数栏杆所在地区xx地区;地面粗糙度分类等级栏杆属于外围护构件,按《建筑结构荷载规范》(GB50009-20XX)A类:指近海海面和海岛、海岸、湖岸及沙漠地区;B类:指田野、乡村、丛林、丘陵以及房屋比较稀疏的乡镇和城市郊区;C类:指有密集建筑群的城市市区;D类:指有密集建筑群且房屋较高的城市市区;依照上面分类标准,本工程按B类地形考虑。
栅栏基础计算书
计算目的
本文档旨在计算栅栏基础的尺寸和承载能力,为栅栏的安装提供准确的数据支持。
计算方法
栅栏基础的计算可采用以下步骤:
1. 确定栅栏的长度和高度。
2. 确定栅栏基础的类型,如混凝土基础或钢基础。
3. 根据栅栏基础的类型选择相应的计算公式或表格。
4. 根据栅栏长度和高度,计算栅栏基础所需的宽度和深度。
5. 根据所选用材料的强度参数,计算栅栏基础的承载能力。
计算示例
以下是一个栅栏基础计算的示例:
1. 栅栏长度:10米
2. 栅栏高度:2米
3. 基础类型:混凝土基础
4. 根据混凝土基础的计算公式,栅栏基础的宽度和深度如下:
- 宽度:栅栏长度 + 0.5米 = 10米 + 0.5米 = 10.5米
- 深度:栅栏高度 + 0.2米 = 2米 + 0.2米 = 2.2米
5. 假设所选用的混凝土强度参数为X,根据X值查找相应的承载能力数据,得到栅栏基础的承载能力。
结论
根据上述计算示例,我们得出栅栏基础的尺寸应为10.5米宽、2.2米深,并且承载能力应根据所选用材料的强度参数进行进一步查询和确认。
通过准确计算栅栏基础的尺寸和承载能力,能够确保栅栏的稳定性和安全性。
栅栏计算书
1. 引言
本文档旨在提供栅栏计算所需的完整信息和步骤,以帮助用户进行准确的栅栏计算。
2. 栅栏计算步骤
2.1 收集信息
在开始栅栏计算之前,需要收集以下信息:
- 栅栏长度
- 栅栏高度
- 栅栏间距
- 支撑柱数量
2.2 计算总栅栏长度
根据收集到的信息,可以使用以下公式来计算总栅栏长度:
总栅栏长度 = (栅栏长度 + 栅栏间距)* 支撑柱数量
2.3 计算所需材料
根据总栅栏长度和栅栏高度,可以计算所需的材料数量。
具体
计算方法如下:
- 计算栅栏的面积:栅栏面积 = 栅栏高度 * 总栅栏长度
- 计算所需的栅栏板:栅栏板数量 = 栅栏面积 / 单块栅栏板面
积
- 计算所需的支撑柱:支撑柱数量 = 支撑柱数量
2.4 预算成本
根据计算所得的材料数量,可以进行预算成本。
具体步骤如下:- 根据所需的栅栏板数量和单块栅栏板的价格,计算栅栏板的
总成本。
- 根据所需的支撑柱数量和支撑柱的价格,计算支撑柱的总成本。
- 将栅栏板总成本和支撑柱总成本相加,得到总预算成本。
3. 结论
本文档提供了栅栏计算的完整步骤,通过收集信息、计算总栅栏长度、计算所需材料和预算成本,用户可以准确计算栅栏所需的材料和成本。
在进行栅栏计算时,请确保按照步骤进行,以获得准确的结果。
完整版)护栏计算书1.背景介绍护栏是一种常见的安全设施,用于保护人员和车辆不受到意外伤害。
在设计和建造护栏时,我们需要进行一系列计算,以确保其满足安全性和稳定性的要求。
2.护栏计算参数在进行护栏计算之前,需要明确以下参数:护栏长度:需要根据实际需要确定护栏的长度。
护栏高度:根据安全需求和使用环境确定护栏的高度。
材料强度:根据设计要求和预期使用寿命选择合适的材料强度。
荷载要求:根据使用环境和设计要求确定护栏需要承受的荷载类型和大小。
3.护栏计算方法护栏的计算主要涉及以下几个方面:结构设计:根据材料强度和荷载要求,确定护栏的结构形式和尺寸。
卡扣设计:根据实际需要选择合适的卡扣类型和数量,确保护栏的连接稳定性。
基础设计:根据护栏的高度和荷载要求,设计合适的基础以提供足够的支撑力。
4.护栏计算结果分析在进行护栏计算后,需要对计算结果进行分析评估,确保护栏的安全性和稳定性满足设计要求。
5.护栏计算书示例以下是一份护栏计算书的示例:项目名称:XX工程护栏计算书项目编号:XXXXXX设计单位:___设计人员:XXX设计日期:XXXX年XX月XX日1.项目背景该项目为XX工程,需要设计一段长度为20米、高度为1.2米的护栏,用于保护工地周边的行人和车辆安全。
2.护栏参数护栏长度:20米护栏高度:1.2米材料强度:使用Q235碳素钢材料,屈服强度为235MPa。
荷载要求:护栏需要承受10kN/m的自重,0.6kN/m的风荷载和1.5kN/m的车辆冲击荷载。
3.护栏计算方法结构设计:根据材料强度和荷载要求,选择护栏的结构形式为立柱加扶手,立柱间距为2米,扶手间距为0.5米。
卡扣设计:选择了符合国家标准的卡扣,每个立柱使用2个卡扣进行连接。
基础设计:根据护栏高度和荷载要求,设计了混凝土基础,基础尺寸为0.6米×0.6米×0.8米。
4.护栏计算结果经过计算和分析,得出以下结论:护栏结构满足荷载要求,能够承受自重、风荷载和车辆冲击荷载。
****工程建筑护栏设计计算书设计:校对:审核:批准:*****有限公司二〇一三年一月十八日目录1 计算引用的规范、标准及资料 (1)1.1 幕墙及采光顶相关设计规范: (1)1.2 建筑设计规范: (1)1.3 玻璃规范: (1)1.4 钢材规范: (2)1.5 胶类及密封材料规范: (2)1.6 相关物理性能等级测试方法: (3)1.7 《建筑结构静力计算手册》(第二版) (3)1.8 土建图纸: (3)2 基本参数 (3)2.1 栏杆所在地区 (3)2.2 地面粗糙度分类等级 (3)2.3 抗震设防 (3)3 栏杆承受荷载计算 (4)3.1 风荷载标准值的计算方法 (4)3.2 计算面板材料时的风荷载标准值 (5)3.3 垂直于栏杆平面的分布水平地震作用标准值 (5)3.4 平行于栏杆平面的集中水平地震作用标准值 (5)3.5 作用效应组合 (5)4 玻璃栏板的计算 (6)4.1 玻璃栏板荷载计算 (6)4.2 玻璃的最大弯矩计算 (7)4.3 玻璃强度校核 (8)4.4 玻璃最大挠度校核 (8)5 附录常用材料的力学及其它物理性能 (10)建筑护栏设计计算书1 计算引用的规范、标准及资料1.1幕墙及采光顶相关设计规范:《铝合金结构设计规范》 GB50429-2007《玻璃幕墙工程技术规范》 JGJ102-2003《建筑玻璃应用技术规程》 JGJ113-2009《建筑幕墙》 GB/T21086-2007 《建筑玻璃采光顶》 JG/T231-2007《建筑用玻璃与金属护栏》 JG/T342-2012 《建筑幕墙工程技术规范》 DGJ08-56-20121.2建筑设计规范:《地震震级的规定》 GB/T17740-1999 《钢结构设计规范》 GB50017-2003《高层建筑混凝土结构技术规程》 JGJ3-2010《高处作业吊蓝》 GB19155-2003《工程抗震术语标准》 JGJ/T97-2011《混凝土结构后锚固技术规程》 JGJ145-2004《混凝土结构加固设计规范》 GB50367-2006《混凝土结构设计规范》 GB50010-2010《混凝土用膨胀型、扩孔型建筑锚栓》 JG160-2004《建筑防火封堵应用技术规程》 CECS154:2003 《建筑钢结构焊接技术规程》 JGJ81-2002《建筑工程抗震设防分类标准》 GB50223-2008《建筑结构荷载规范》 GB50009-2012《建筑结构可靠度设计统一标准》 GB50068-2001《建筑抗震设计规范》 GB50011-2010《建筑设计防火规范》 GB50016-2006《建筑物防雷设计规范》 GB50057-2010《冷弯薄壁型钢结构技术规范》 GB50018-20021.3玻璃规范:《镀膜玻璃第1部分:阳光控制镀膜玻璃》 GB/T18915.1-2002 《镀膜玻璃第2部分:低辐射镀膜玻璃》 GB/T18915.2-2002 《防弹玻璃》 GB17840-1999《平板玻璃》 GB11614-2009《建筑用安全玻璃第3部分:夹层玻璃》 GB15763.3-2009 《建筑用安全玻璃第2部分:钢化玻璃》 GB15763.2-2005《建筑用安全玻璃防火玻璃》 GB15763.1-2009《半钢化玻璃》 GB/T17841-2008《热弯玻璃》 JC/T915-2003《压花玻璃》 JC/T511-2002《中空玻璃》 GB/T11944-20021.4钢材规范:《建筑结构用冷弯矩形钢管》 JG/T178-2005《不锈钢棒》 GB/T1220-2007《不锈钢冷加工钢棒》 GB/T4226-2009《不锈钢冷轧钢板及钢带》 GB/T3280-2007《不锈钢热轧钢板及钢带》 GB/T4237-2007《不锈钢丝》 GB/T4240-2009《建筑用不锈钢绞线》 JG/T200-2007《不锈钢小直径无缝钢管》 GB/T3090-2000《彩色涂层钢板和钢带》 GB/T12754-2006《低合金钢焊条》 GB/T5118-1995《低合金高强度结构钢》 GB/T1591-2008《建筑幕墙用钢索压管接头》 JG/T201-2007《耐候结构钢》 GB/T4171-2008《高碳铬不锈钢丝》 YB/T096—1997《合金结构钢》 GB/T3077-1999《金属覆盖层钢铁制品热镀锌层技术要求》 GB/T13912-2002《冷拔异形钢管》 GB/T3094-2000《碳钢焊条》 GB/T5117-1995《碳素结构钢》 GB/T700-2006《碳素结构钢和低合金结构钢热轧薄钢板及钢带》GB/T912-2008《碳素结构钢和低合金结构钢热轧厚钢板及钢带》GB/T3274-2007《优质碳素结构钢》 GB/T699-19991.5胶类及密封材料规范:《丙烯酸酯建筑密封膏》 JC484-2006《幕墙玻璃接缝用密封胶》 JC/T882-2001《彩色涂层钢板用建筑密封胶》 JC/T884-2001《丁基橡胶防水密封胶粘带》 JC/T942-2004《工业用橡胶板》 GB/T5574-2008《混凝土建筑接缝用密封胶》 JC/T881-2001《建筑窗用弹性密封剂》 JC485-2007《建筑密封材料试验方法》 GB/T13477.1~20-2002 《建筑用防霉密封胶》 JC/T885-2001《建筑用硅酮结构密封胶》 GB16776-2005《建筑用岩棉、矿渣棉绝热制品》 GB/T19686-2005《建筑用硬质塑料隔热条》 JG/T174-2005《聚氨酯建筑密封胶》 JC/T482-2003《聚硫建筑密封胶》 JC/T483-2006《绝热用岩棉、矿棉及其制品》 GB/T11835-2007《硫化橡胶或热塑性橡胶撕裂强度的测定》 GB/T529-2008《橡胶袖珍硬度计压入硬度试验方法》 GB/T531-1999《修补用天然橡胶胶粘剂》 HG/T3318-2002《中空玻璃用弹性密封胶》 JC/T486-2001《中空玻璃用丁基热熔密封胶》 JC/T914-20031.6相关物理性能等级测试方法:《玻璃幕墙工程质量检验标准》 JGJ/T139-2001《玻璃幕墙光学性能》 GB/T18091-2000《彩色涂层钢板和钢带试验方法》 GB/T13448-2006《钢结构工程施工质量验收规范》 GB50205-2001《混凝土结构工程施工质量验收规范》 GB50204-2002(2011版)《建筑防水材料老化试验方法》 GB/T18244-2000《建筑幕墙气密、水密、抗风压性能检测方法》 GB/T15227-2007《建筑幕墙抗震性能振动台试验方法》 GB/T18575-2001《建筑幕墙平面内变形性能检测方法》 GB/T18250-2000《建筑装饰装修工程质量验收规范》 GB50210-2001《金属材料室温拉伸试验方法》 GB/T228-20021.7《建筑结构静力计算手册》(第二版)1.8土建图纸:2 基本参数2.1栏杆所在地区上海地区;2.2地面粗糙度分类等级栏杆属于外围护构件,按《建筑结构荷载规范》(GB50009-2012)A类:指近海海面和海岛、海岸、湖岸及沙漠地区;B类:指田野、乡村、丛林、丘陵以及房屋比较稀疏的乡镇和城市郊区;C类:指有密集建筑群的城市市区;D类:指有密集建筑群且房屋较高的城市市区;依照上面分类标准,本工程按C类地形考虑。
栏杆计算书⾼架层护栏计算书编制:审查:审核:2011年5⽉⽬录第⼀章引⽤标准规范 (2)1.1.建筑设计规范: (2)1.2.钢材规范: (2)1.3.《建筑结构静⼒计算⼿册》(第⼆版) (2)第⼆章护栏⽴柱计算 (3)2.1计算部位 (3)2.2⽴柱受⼒分析 (3)2.2.1⽴柱受⼒计算公式: (3)2.3⽴柱与主体结构焊接焊缝强度校核 (4)2.4⽴柱截⾯特性 (5)2.5⽴柱抗弯强度及抗剪强度验算: (5)第三章护栏横梁计算 (7)3.1计算部位 (7)3.2横梁受⼒分析 (7)3.2.1横梁受⼒计算公式: (7)3.3横梁与⽴柱焊接焊缝强度校核 (7)3.4横梁截⾯特性 (8)3.5横梁抗弯强度及抗剪强度验算: (9)第⼀章引⽤标准规范1.1.建筑设计规范:《建筑结构荷载规范》GB50009-2001 《钢结构设计规范》GB50017-2003 《冷弯薄壁型钢结构设计规范》GB50018-2002《⾼层民⽤钢结构技术规程》JGJ99-98《混凝⼟结构设计规范》GB50010-2002 《建筑结构可靠度设计统⼀标准》GB50068-2001 《建筑装饰⼯程施⼯质量验收规范》GB50210-2001 《建筑钢结构焊接技术规程》JGJ81-2002《碳钢焊条》GB/T5117-1995 《低合⾦钢焊条》GB/T5118-1995 1.2.钢材规范:《不锈钢棒》GB/T1220-1992 《不锈钢冷加⼯钢棒》GB/T4226-1984 《不锈钢冷扎钢板》GB/T3280-1992 《不锈钢热扎钢板》GB/T4237-1992 《不锈钢热扎钢带》GB/T5090《冷拔异形钢管》GB/T3094-2000 《碳素结构钢》GB/T700-1988 《优质碳素结构钢》GB/T699-1999 《合⾦结构钢》GB/T3077-1999 《不锈钢和耐热钢冷扎带钢》GB/T4239-1991 《⾼耐候结构钢》GB/T4171-2000 《焊接结构⽤耐候钢》GB/T4172-2000 《低合⾦⾼强度结构钢》GB/T1591-1994 《碳素结构和低合⾦结构钢热轧薄钢板及钢带》GB/T912-1989 《碳素结构和低合⾦结构钢热轧厚钢板及钢带》GB/T3274-1988 《结构⽤⽆缝钢管》JBJ102《⾦属覆盖层钢铁制品热镀锌层技术要求》GB/T13912-1992 1.3.《建筑结构静⼒计算⼿册》(第⼆版)第⼆章护栏⽴柱计算2.1计算部位计算部位2.2⽴柱受⼒分析⽴柱与主体结构焊接,⽴柱顶端受集中荷载时,为⽴柱最不利受⼒状况。
栏杆计算书基本参数:重庆地区基本风压0.300kN/m2抗震7度(0.10g)设防《建筑结构可靠度设计统一标准》GB 50068-2001《建筑结构荷载规范》GB 50009-2001《建筑抗震设计规范》GB50011-2001《混凝土结构设计规范》GB50010-2002《钢结构设计规范》GB50017-2003《玻璃幕墙工程技术规范》JGJ 102-2003《浮法玻璃》GB 11614-1999《钢化玻璃》GB/T9963-1998《建筑结构静力计算手册》《本工程设计要求总则》《混凝土结构加固设计规范》玻璃栏杆计算1TA-WL19假设共有10榀, 则每榀宽1357mm,高975mm.1.1、荷载计算(1)、风荷载标准计算:标高为96.0m处风荷载,按维护结构计算,按C类区计算风压W(J):基本风压W(J)=0.55kN/㎡β: 96.0m高处阵风系数(按C类区计算)β=1.60-0.02X4/10=1.608μ(B):96.0m高处风压高度变化系数(按C类计算):(GB50009-2001) μ=1.62+0.08×6/10=1.668μ(T):风荷载载体型系数按《建筑结构荷载规范》GB2009-2001第7.3.3条取μ(T)=-1.20 W(J)=β×μ(B)×μ(T)×W(J)=1.608×1.668×1.2×0.550=1.770kN/㎡(2)、风荷载设计值:W:风荷载设计值(kN/㎡)(W):风荷载作用效应的分项系数:1.4按该工程《设计要求总》则中的规定取W=1.4×2.80=3.92kN/㎡(3)、地震作用计算E(K)=β×a×Gβ:动力放大系数,取5.0a:水平地震影响系数最大值,取0.08G:幕墙构件的自重,0.307kN/㎡故E(K)=0.123kN/㎡1.2 玻璃的选用校核本处选用玻璃种类为:钢化夹胶玻璃1.21、玻璃面积:B:该处玻璃栏杆分格宽:1.267mH:该处玻璃栏杆公格高:0.895mA:该处玻璃板块面积:A×B×H=1.267×0.895=1.134㎡1.2.2、该处玻璃板块自重:G玻璃板块自重T:玻璃板块厚度:12.0㎡玻璃的重力密度为:25.6KN/㎡G=25.6×t/1000=25.6×12/1000=0.307kN/㎡1.2.3该处垂直于玻璃平面的分布水平地震作用:(E):地震作用分项系数:1.3E:垂直于玻璃平面的分布水平地震作用设计值(kN/㎡)E=γ(E)×E(K)=1.3×E(K)=1.3×0.123=0.160kN/㎡1.2.4作用于楼面与栏杆顶之间的均匀分布荷载1kN/㎡:设计值q(L)=1.4×1=1.4kN/m作用于栏杆顶的均匀分布线荷载0.75kN/㎡设计值q(L)=1.4×0.75=1.05kM/㎡1.2.5荷载组合参照《建筑结构荷载规范》GB2009-2001,用于强度计算时采用以下组合:1.4q(L)+0.6×1.4×W(k)1.4W(k)+0.6×1.4×q(L)1.3E(K)+0.2×1.4×W(k)+0.5×1.4×q(L)综合以上荷载的大小,本处强度计算可仅考试组合Q=1.4W(k)+0.6×1.4×q(L)=4.76kN/㎡1.2.6玻璃的强度、扰度计算:校核依据:o≤f(g)=84.000N/m㎡W(k):垂直于玻璃平面的风荷载标准值(M/m㎡)E(k):垂直于玻璃平面的地震作用标准值(N/m㎡)q(L):作用于楼面与标杆顶之间的均匀分布荷载(N/m㎡)σ(WK):在垂直于玻璃平面的风荷载作用下玻璃截面的最大应力标准值(N/m㎡)σ(EK):在垂直于玻璃平面的地震作用下玻璃截的最大应力标准值(N/m㎡)θ:参数η折减系数,可由参数θ按表6.1.2-2采用a:玻璃短边边长:895mmb:玻璃长边边长1267mmt1,t2:玻璃的厚度:t1=t2=6.0mmm:玻璃板的弯矩系数,按边长比a/b查表6.1.2-1得:m=0.0742+0.064/0.05×(0.0683-0.0742)=0.0734在垂直于玻璃平面的风荷载作用下玻璃截面的最大应力标准值计算(N/m㎡)θ=(W(k)+0.5×q(EK))×a4/(E×t4)=2.13η:折减系数,按0=2.13查表得:100风荷载作用应力:σ(Wk)=σ2(Wk)=6×m×W(k)×a2×η/t2= 6×0.0734×2.8/2/103×8952×1.00/62=13.72N/m㎡活荷载作用应力:σ1(EK)= σ2(Ek)=6×m×E(K)×a2×η/t2=6×0.0734×1/2/103×9302×1.00/62=4.9N/m㎡玻璃最大应力设计值:采用组合:1.4W(k)+0.6×1.4×q(L)σ=1.4σ(Wk)+0.6×1.4×σ1(Wk)=23.32N/m㎡<f(g)=84.000N/m㎡玻璃强度满足要求!D(f):在风荷载标准值作用下扰度最大值(mm)D:玻璃的刚度(N·mm)Te:玻璃等效厚度:te=(t13+t23)=7.56mmV:泊松比,按JGJ102-2003 5.2.9条采用,取值为0.20u: 扰度系数:0.0073η:1.00D=(E×te3)/12(1-v2)=2700.5(N·m)D(f)=u×(W(k)+0.6×q(L)×a4×η/D=5.82(mm)由于玻璃的最大扰度d(f)=5.82mm,小于玻璃短边边长的60分一12.917(mm)玻璃的扰度满足要求!以下利用有限元软件sap进行计算,计算模型如下图1.3无玻璃扶手栏杆计算对强度和跨中扰度按照横边框两端固接计算,故两端弯矩最大(1)扶手栏杆采用25×50×2镀锌矩开管组合而成,其截面特性如下:A=284㎡Ix=29604mm4,Iy=9079mm4Wx=2368.293mm3,Wy=3603.147mm3(2)作用有均匀分布活荷载q(L):分布活荷载标准值0.75kN/m 活荷载作用方向分沿竖向和水平方向(3)扶手栏框弯矩(剪力产生作用较小,可忽略)由于打手栏长度较大,在与墙嵌固外弯矩最大荷载在端部产生弯矩M(L)(kN·m)M(L)=0.254N·m(4)扶手栏强度计算活载沿竖向:σ=M/r/Wx=0.254×106/1.05/2368=79.5N/mm2<215N/mm2活载沿水平方向:σ=M(L)//Wy=0.318×106/1.05/3603+0.004×106/1.05/2368强度满足要求(5)扶手栏扰度计算仅计算活荷载沿竖向:U(max):扶手栏杆沿竖向最大扰度U(max)=4.0mm<9mm<2714/250=10.9mm扰度满足要求(6)扶手扶手栏焊缝抵抗矩:Ww=(15.66×55.663/12-10×503/12)/(55.66/2)=17603.1mm3焊缝承受弯矩:M=0.254kN·m剪力:V=0.825kN采用角焊缝,宽4mm,在弯矩作用下其最大应力为σ1=M/Ww=58.5N/mm2<160N/mm2在剪力作用下其最大应力为σ2=V/Aw=2.2N/m㎡<160/m㎡弯剪共同作用下应力为σ=σ12+σ222)1/2=58.6N/m㎡<160N/m㎡故焊缝满足要求.1.4玻璃横边框计算:强度和跨中扰度按照横边框两端固接计算,故两端弯矩最大(1)横边框采用两根50×10方铁拼成,故其截面特性如下:A=1000m㎡I=208333m㎡W=8333㎜2(2) 横边框弯矩:M:荷载作用在跨中产生弯矩最大(kN·m)M=0.285kN·m(3) 横边框强度计算σ=M/γ/w==34.2N/mm<215N/mm2 强度满足要求!(4)横边框扰度计算U(max ): 横边框最大扰度U(max )=Q(1)4 /384/E/1=5.66mm<10.9mm<2714/250=10.9mm扰度可以满足要求!(5)边框焊缝验算焊缝抵抗矩:W w =(25.66×55.663/12-20×503/12)/(55.66/2)=5759.8mm 3焊缝面积:Aw =25.66×55.66-20×50=428.0mm 2栏杆条端部焊缝承受弯矩:M=0.105kN ·m剪力:V=0.878kN采用角焊缝,宽4kN,在弯矩作用下其最大应力为σ =M/Ww=18.2N/mm 2<160N/mm 2在剪力作用下其最大应力为σ2=V/A w =2.1N/mm 2<160Nmm 2弯剪共同作用下应力为σ=(σ12+σ22)1/2=18.3N/2故焊缝满足要求.1.5 玻璃竖边框计算:(1)竖边框采用两块50×10的扁铁在一起,其截面特性如下:A=1000mm2 I=208333mm 4W=8333mm 3 i=A I /=14.4mm(2)竖边框弯矩:M:荷载作用产生剪力(kN ·m )M=1.312kN ·mV:荷载作用产生弯矩(kN )V=1.312kN ·mN:活载作用下的竖向力:N=0.75×1.4×1.357=1.42kN(3)竖边框强度计算强度计算:根据JGJ102-2003 6.3.7得到竖边框在压弯作用下的强度计算公式为A N +WM ≤∮ 1.42×1000/1000+1.312×106 /(1.05×8333)=151.4N/mm 2<215/mm 2稳定计算:根据JGJ102-2003 6.3.8-1,得到竖边框在压弯作用下的承载力计算公式为 ¢N +NE N W M /8.01(-γ≤f,N E = 2E λπ1.14长细比λ=2×0.975/0.0144=135.4查表得ψ=0.37λ=1.05N E = 3.14×2.06×105×1000/(1.1×135.42)32.08kNK φN +E)W(1-0.8N/NMλ=1420/(0.37×1000)+1.312×106/(1.05×8333×1-0.8×1.42/32.08))=159.3N/mm 2<215N/mm 2剪力作用下:τ=V/A=1.31N/mm 2<215N/mm 2弯剪共同作用下:σ=(τ2+σ2)1/2=159.3N/mm 2<215N/mm 2强度满足要求!(4)竖边框扰度计算U(max):竖边=5.4mm<9mm<2714/250=10.9mm扰度可以满足要求!(5)边框焊缝又验算焊缝抵抗矩:Ww=25.66×55.663/12-2×503/12/(55.66/2)=5759.8mm 3焊缝面积:Aw =25.66×55.66-20×50=428.0mm 2栏杆条端部焊缝承受弯矩:M=1.312kN ·m剪力:V=2.8kN采用角焊缝,宽4mm ,在弯矩作用下其最大应力为σ=M/Ww =227.8N/mm 2>160N/mm 2在剪力作用下其最大应力为σ2=V/Aw=6.5N/mm 2<160N/mm 2弯剪共同作用下应力为σ(σ12+σ22)1/2=281.7N/mm 2>160N/mm 2故焊缝无法满足要求,换成8mm 后的焊缝重新计算.焊缝抵抗矩:Ww=(31.31×61.313/12-20×503/12)/(61.31/2)=12824.3mm3焊缝面积:A w =(31.31×63.31-20×50=920.0mm 2在弯矩作用下其最大应力为σ=M/Ww =102.4N/mm 2<160N/mm2 在剪力作用下其最大应力为σ=V/Aw=3.0N/mm 2<160N/mm2 弯剪共同作用下应力为σ=(σ12+σ22)1/2=102.4N/mm 2<160N/mm 2(6)边框内六角螺栓的连接验算取螺栓直径4mm,已知螺栓每隔300mm布置一只,故300mm内两只螺栓的需抵抗的力为4.76×0.3×1.267=1.81kN螺栓承载剪力为:V=Afv= 1.40×π×42/4×2= 3.52kN〉1.81kN故螺栓满足要求1.6预埋件计算预埋件采用膨胀螺栓固定,膨胀螺栓取慧鱼FBN12/15+35 M12,监测得其极限拉力值约为36kN,剪力按Q235钢计算得125×π×122/4=14.1kN锚固区域的混凝土计算承载力为:根据《混凝土加固设计规范》13.3.2N1c=2.8ψaψN5.1,efkcuh f混凝土采用C30,故基材混凝强度等级对锚固承载力的影响系数ψa=1.0,混凝土立方体抗压强度标准f cu.k =20.1MPa,有效锚固深度h ef=70mmψN=ψs.Nψe.N A c,N/A c,N0ψs,N=0.8ψe,N=1/[1+(2e N/S cr,N)]Scr,N=3×hef=210mme N=0ψe,N=1参与受拉螺栓为2根对该工程中的螺栓锚固端的混凝土情况,大致可分为两类:水平栏杆锚固和竖直栏杆锚固对其有效面积为:Ac,N=65100mm2A c,N0=44100mm2所以ψN=ψS,NψE,NAC,N/AC,N0=0.8×1×65100/44100=1.181故N1c=2.8ψaψ5.1,efkcuhf =2.8×1.0×1.181×1.20×701.5=8682.3N=8.68kN对于竖直栏杆锚固,有效混凝土的投影面积分布如下图所示其有效面积为:Ac ,N =48050mm 2A c ,N 0=44100mm 2所以ψN=ψs .N ψe .N Ac.N /Ac.N 0=0.8×1×648050/44100=0.872故N1c=2.8ψa ψN 5.1,ef k cu h f =2.8×1.0×1.181×1.20×701.5 =6410.9N=6.14kN 混凝土的受剪承载力设计值为Vc=0.18ψV 2.03.005.11.ef k cu h d c f平行于剪力方向的边距C1=50mm锚栓外径d 0=12mm有效锚固深度h ef =70mmΨs .y =1Ψh .y =1Ψa .y =1Ψu .y =1A c .y 0=4.5×C 12A c .y =4A c .y 0所以ψv =ψs .v ψh ,v ψa .v ψe .v ψu .v /A cy 0 =1×1×1×1×4=4Vc=0.18Ψv 2.03.005.11.ef k cu h d c f =0.18×4×1.20 ×501.5×120.3×700.2=5.63kN 以上计算了锚固混凝土的抗拉强度和抗剪强度 对于侧面扶手栏的预埋件,其混凝土受拉部分所受拉力为M/0.1=5.74kN<8.68k N混凝土锚固能力满足其所受剪力为V=1.538kN<5.63kN拉剪复合作用下混凝土承载力验算:()()122<+V N ββ()()151.0263.554.1268.874.5<++ 单个膨胀螺丝拉力为:M/d=0.574/0.1/2=2.87kN<Nrk,s/γms=36/1.2=30kN单个膨胀螺丝爱到的剪力为:1.538/2/4=0.192kN<Vrk,s/γms=14.1kN帮侧面的膨胀螺丝满足要求对于底面竖边框的预理件,其混凝土受拉部分所受拉力为$$$$$$$$$$$$$$$$$$$$$$$$$$$$$$$$$$$$$$$$$$$$$$$$$$$$$$$M/0.1=13.12kN>6.41kN,混凝土锚固能力无法满足$$$$$$$$$$$$$$$$$$$$$$$$$$$$$$$$$$$其所受剪力为V=2.80kN<5.63kN单个膨胀螺丝受到拉力为:M/d=1.312/0.1/2=5.56kN<Nrk,s/γms=36/1.2=30kN单个膨胀螺丝受到的拉力为2.795/2/4=0.349kN< Vrk,s/γms=14.1kN故底面的螺丝满足要求2TA-WL24计算选取洞宽尺寸为16800mm内的扶手栏杆作为对象,假设共有10榀,则每榀宽1675mm,高1025mm.2.1玻璃的选用与校核本处选用玻璃种类为:钢化夹胶玻璃1.21、玻璃面积:B:该处玻璃栏杆分格宽:1.267mH:该处玻璃栏杆公格高:0.895mA:该处玻璃板块面积:A×B×H=1.267×0.895=1.134㎡1.2.2、该处玻璃板块自重:G玻璃板块自重T:玻璃板块厚度:12.0㎡玻璃的重力密度为:25.6KN/㎡G=25.6×t/1000=25.6×12/1000=0.307kN/㎡1.2.3该处垂直于玻璃平面的分布水平地震作用:(E):地震作用分项系数:1.3E:垂直于玻璃平面的分布水平地震作用设计值(kN/㎡)E=γ(E)×E(K)=1.3×E(K)=1.3×0.123=0.160kN/㎡1.2.4作用于楼面与栏杆顶之间的均匀分布荷载1kN/㎡:设计值q(L)=1.4×1=1.4kN/m作用于栏杆顶的均匀分布线荷载0.75kN/㎡设计值q(L)=1.4×0.75=1.05kM/㎡1.2.5荷载组合参照《建筑结构荷载规范》GB2009-2001,用于强度计算时采用以下组合:1.4q(L)+0.6×1.4×W(k)1.4W(k)+0.6×1.4×q(L)1.3E(K)+0.2×1.4×W(k)+0.5×1.4×q(L)综合以上荷载的大小,本处强度计算可仅考试组合Q=1.4W(k)+0.6×1.4×q(L)=4.76kN/㎡1.2.6玻璃的强度、扰度计算:校核依据:o≤f(g)=84.000N/m㎡W(k):垂直于玻璃平面的风荷载标准值(M/m㎡)E(k):垂直于玻璃平面的地震作用标准值(N/m㎡)q(L):作用于楼面与标杆顶之间的均匀分布荷载(N/m㎡)σ(WK):在垂直于玻璃平面的风荷载作用下玻璃截面的最大应力标准值(N/m㎡)σ(EK):在垂直于玻璃平面的地震作用下玻璃截的最大应力标准值(N/m㎡)θ:参数η折减系数,可由参数θ按表6.1.2-2采用a:玻璃短边边长:895mmb:玻璃长边边长1267mmt1,t2:玻璃的厚度:t1=t2=6.0mmm:玻璃板的弯矩系数,按边长比a/b查表6.1.2-1得:m=0.0742+0.064/0.05×(0.0683-0.0742)=0.0734在垂直于玻璃平面的风荷载作用下玻璃截面的最大应力标准值计算(N/m㎡)θ=(W(k)+0.5×q(EK))×a4/(E×t4)=2.13η:折减系数,按0=2.13查表得:100风荷载作用应力:σ(Wk)=σ2(Wk)=6×m×W(k)×a2×η/t2= 6×0.0734×2.8/2/103×8952×1.00/62=13.72N/m㎡活荷载作用应力:σ1(EK)= σ2(Ek)=6×m×E(K)×a2×η/t2=6×0.0734×1/2/103×9302×1.00/62=4.9N/m㎡玻璃最大应力设计值:采用组合:1.4W(k)+0.6×1.4×q(L)σ=1.4σ(Wk)+0.6×1.4×σ1(Wk)=23.32N/m㎡<f(g)=84.000N/m㎡玻璃强度满足要求!D(f):在风荷载标准值作用下扰度最大值(mm)D:玻璃的刚度(N·mm)Te:玻璃等效厚度:te=(t13+t23)=7.56mmV:泊松比,按JGJ102-2003 5.2.9条采用,取值为0.20u: 扰度系数:0.0073η:1.00D=(E×te3)/12(1-v2)=2700.5(N·m)D(f)=u×(W(k)+0.6×q(L)×a4×η/D=5.82(mm)由于玻璃的最大扰度d(f)=5.82mm,小于玻璃短边边长的60分一12.917(mm)玻璃的扰度满足要求!以下利用有限元软件sap进行计算,计算模型如下图1.3无玻璃扶手栏杆计算对强度和跨中扰度按照横边框两端固接计算,故两端弯矩最大(1)扶手栏杆采用25×50×2镀锌矩开管组合而成,其截面特性如下:A=284㎡Ix=29604mm4,Iy=9079mm4Wx=2368.293mm3,Wy=3603.147mm3(2)作用有均匀分布活荷载q(L):分布活荷载标准值0.75kN/m 活荷载作用方向分沿竖向和水平方向(3)扶手栏框弯矩(剪力产生作用较小,可忽略)由于打手栏长度较大,在与墙嵌固外弯矩最大荷载在端部产生弯矩M(L)(kN·m)M(L)=0.254N·m(4)扶手栏强度计算活载沿竖向:σ=M/r/Wx=0.254×106/1.05/2368=79.5N/mm2<215N/mm2活载沿水平方向:σ=M(L)//Wy=0.318×106/1.05/3603+0.004×106/1.05/2368强度满足要求(5)扶手栏扰度计算仅计算活荷载沿竖向:U(max):扶手栏杆沿竖向最大扰度U(max)=4.0mm<9mm<2714/250=10.9mm扰度满足要求(6)扶手扶手栏焊缝抵抗矩:Ww=(15.66×55.663/12-10×503/12)/(55.66/2)=17603.1mm3焊缝承受弯矩:M=0.254kN·m剪力:V=0.825kN采用角焊缝,宽4mm,在弯矩作用下其最大应力为σ1=M/Ww=58.5N/mm2<160N/mm2在剪力作用下其最大应力为σ2=V/Aw=2.2N/m㎡<160/m㎡弯剪共同作用下应力为σ=σ12+σ222)1/2=58.6N/m㎡<160N/m㎡故焊缝满足要求.1.4玻璃横边框计算:强度和跨中扰度按照横边框两端固接计算,故两端弯矩最大(2)横边框采用两根50×10方铁拼成,故其截面特性如下:A=1000m㎡I=208333m㎡W=8333㎜2(2) 横边框弯矩:M:荷载作用在跨中产生弯矩最大(kN·m)M=0.285kN·m(3) 横边框强度计算σ=M/γ/w==34.2N/mm<215N/mm2强度满足要求!(4)横边框扰度计算U(max): 横边框最大扰度U(max)=Q(1)4 /384/E/1=5.66mm<10.9mm<2714/250=10.9mm扰度可以满足要求!(5)边框焊缝验算焊缝抵抗矩:W w=(25.66×55.663/12-20×503/12)/(55.66/2)=5759.8mm3 焊缝面积:Aw=25.66×55.66-20×50=428.0mm2栏杆条端部焊缝承受弯矩:M=0.105kN·m剪力:V=0.878kN采用角焊缝,宽4kN,在弯矩作用下其最大应力为σ=M/Ww=18.2N/mm2<160N/mm2在剪力作用下其最大应力为σ2=V/A w=2.1N/mm2<160Nmm2弯剪共同作用下应力为σ=(σ12+σ22)1/2=18.3N/2故焊缝满足要求.1.5 玻璃竖边框计算:(1)竖边框采用两块50×10的扁铁在一起,其截面特性如下:A=1000mm2I=208333mm4W=8333mm3I/=14.4mmi=A(2)竖边框弯矩:M:荷载作用产生剪力(kN ·m ) M=1.312kN ·mV:荷载作用产生弯矩(kN ) V=1.312kN ·mN:活载作用下的竖向力:N=0.75×1.4×1.357=1.42kN (3)竖边框强度计算 强度计算:根据JGJ102-2003 6.3.7得到竖边框在压弯作用下的强度计算公式为A N +WM γ≤∮ 1.42×1000/1000+1.312×106/(1.05×8333)=151.4N/mm 2<215/mm 2稳定计算:根据JGJ102-2003 6.3.8-1,得到竖边框在压弯作用下的承载力计算公式为¢N+NE N W M/8.01(-γ≤f,N E = 2E λπ1.14长细比λ=2×0.975/0.0144=135.4 查表得ψ=0.37 λ=1.05N E = 3.14×2.06×105×1000/(1.1×135.42)32.08kNKφN +E)W(1-0.8N/NMλ=1420/(0.37×1000)+1.312×106/(1.05×8333×1-0.8×1.42/32.08))=159.3N/mm 2<215N/mm 2剪力作用下:τ=V/A=1.31N/mm 2<215N/mm 2弯剪共同作用下:σ=(τ2+σ2)1/2=159.3N/mm 2<215N/mm 2强度满足要求!(4)竖边框扰度计算 U(max):竖边=5.4mm<9mm<2714/250=10.9mm 扰度可以满足要求! (5)边框焊缝又验算焊缝抵抗矩:Ww=25.66×55.663/12-2×503/12/(55.66/2)=5759.8mm 3焊缝面积:Aw =25.66×55.66-20×50=428.0mm 2栏杆条端部焊缝承受弯矩:M=1.312kN ·m 剪力:V=2.8kN采用角焊缝,宽4mm ,在弯矩作用下其最大应力为σ=M/Ww=227.8N/mm2>160N/mm2在剪力作用下其最大应力为σ2=V/Aw=6.5N/mm2<160N/mm2弯剪共同作用下应力为σ(σ12+σ22)1/2=281.7N/mm2>160N/mm2故焊缝无法满足要求,换成8mm后的焊缝重新计算.焊缝抵抗矩:Ww=(31.31×61.313/12-20×503/12)/(61.31/2)=12824.3mm3焊缝面积:A w=(31.31×63.31-20×50=920.0mm2在弯矩作用下其最大应力为σ=M/Ww=102.4N/mm2<160N/mm2在剪力作用下其最大应力为σ=V/Aw=3.0N/mm2<160N/mm2弯剪共同作用下应力为σ=(σ12+σ22)1/2=102.4N/mm2<160N/mm2(6)边框内六角螺栓的连接验算取螺栓直径4mm,已知螺栓每隔300mm布置一只,故300mm内两只螺栓的需抵抗的力为 4.76×0.3×1.267=1.81kN螺栓承载剪力为:V=Afv= 1.40×π×42/4×2= 3.52kN〉1.81kN故螺栓满足要求竖边框剪力:V:荷载作用产生弯矩(kN·m)V=1.235 kN(3)横边框强度计算弯矩作用下:σ=M/γ/w=55.3N/mm2 < 215 N/mm2剪力作用下:τ=V/A=1.24 N/mm2 < 215 N/mm2弯剪满足要求2.5预埋件计算对于侧面扶手栏的预埋件,其混凝土受拉部分所爱拉力为M/0.1=3.37kN<8.68 kN<8.68 kN,混凝土锚固能力满足其所受剪力为V=0.85kN<5.63 kN拉剪复合作用下混凝土承载力验算:(βN)2+(βV)2 <1单个膨胀螺丝受到拉力为:M/d=0.337/0.1/2=1.69 kN< Nrk, s/γms=36/1.2=30kN单个膨胀螺丝受到的剪力为:0.749/2/4=0.11 kN< Vrk,s/γms=14.1kN故侧面的膨胀螺丝满足要求对于底面竖边框的预埋的件,其混凝土受拉部分所受拉力为M/0.1=6.18kN<6.41kN,混凝土锚固能力满足其所受剪力为V=0.704kN<6.41kN拉剪复合作用下混凝土承载力验算:(βN)2+(βV)2 <1单个膨胀螺丝受到拉力为:M/d=6.18/0.1/2=3.09kN<Nrk, s/γms=36/1.2=30kN单个膨胀螺丝受到拉力为:0.704/2/4=0.08kN<Vrk, s/γms=14.1kN故底面的螺丝满足要求3TA-WL23V=2.3kN<5.63kN单个膨胀螺丝受到拉力为:M/d=0.932/0.1/2=4.66kN<Nrk, s/γms=36/1.2=30kN单个膨胀螺丝受到剪力为:2.34/2/4=0.29kN<Vrk, s/γms=14.1kN故底面的螺丝满足要求百页栏杆计算:4TA-ML10每榀宽1750mm,高1800mm构件截面钢材为Q235;截面为:25×100×3钜形管;25×50×2矩形管;50×10扁铁;4.1荷载计算栏杆标高为92.65m,近似取标高为100.0m处风荷载计算(1).风荷载标准值计算:W(J):基本风压W(J)=0.55kN/m2β:100.0m高处阵风系数(按C类区计算)β=1.62μ(B):100.0m高处风压高度系数(按C类区计算) GB50009-2001) μ=1.68μ(T):风荷载体型系数μ=-1.20W(k)= β×μ(B) ×μ×W(J)=1.62 ×1.68×1.2×0.550=1.80kN/m2挡风系数φ=An/A栏杆条宽度:10mm栏杆条间距:50mmφ=10/50=0.2<0.92W(k)= φ×2.80=0.56kN/mm2(2).风荷载设计值:W:风荷载设计值(kN/m2)γ(W):风荷载作用效应的分项系数:1.4按该工程《设计要求总则》中规定取W=0.56×1.4=0.78 kN/m2(3)地震作用计算E(K)= β×α×Gβ:动力放大系数,取5.0α:水平地震影响系数最大值,计算模型如下图G:百叶构件的自重,0.981kN/m2故E=0.392 kN/m2以下利用有限元软件sap进行计算,计算模型如下图4.2竖边框计算:对于楼面对栏杆部分区域,其上主要作用为:风荷载:W=0.784 kN/m2地震作用:E(K)=0.392 kN/m2活载:q(L)=1.0 kN/m2参照《建筑结构荷载规范》GB2009-2001,用于强度计算时采用以下组合:1.4q(L)+0.6×1.4×W(k)1.4W(K)+0.6×1.4×q(L)1.3E(K)+0.2×1.4×W(k)+0.5×1.4×q(L)综合以上荷载的大小,本处强度计算可仅考虑组合Q=1.4q(L)+0.6×1.4×W(k)=2.06 kN/m2用于挠度计算时,荷载取为Q(k)= q(L)+0.6×W(k)=1.47 kN/m2(1)竖这框由25×60×3矩开钢管组合而成,其截面特性如:A=284mm2I=90000 mm4W=3630mm3i=17.8根据JGJ102-20036.3.1说明,矩形钢管厚度应大于3mm,故建议为25×50×3,其截面特性如下:A=414mm2I=125542mm4W=5021.68mm3i=17.4(2)栏杆条线分布荷载设计值(矩形分布)Q(1):线分布荷载设计值B:栏杆条间距:0.05mQ(1)=Q×B=0.103 kN/m2(3)竖边框弯矩和剪力:竖边框底部弯矩和剪力均最大,其值为M=0.553 kN·mV=1.486 kNN=0.75×1.4×1.75=1.84 kN(7)若改为可拆卸栏杆,计算如下:焊接计算:采用角焊疑缝,宽4mm焊缝抵抗矩:W W=(25.66×45.663/12-10×403/12)/45.66/2)=6580mm3焊缝面积:A W=25.66×45.66-20×40=372mm2焊缝承受弯矩:M=0.553 kN·m剪力:V=1.485 kN在弯矩作用下其最大应力为σ1=M/W W=84.0N/mm2<160N/mm2在剪力作用下其最大应力为σ2=V/A w=4.0N/mm2<160N/mm2弯剪共同作用下应力为σ=(σ12+σ22)1/2=84.1N/mm2 <160N/mm2故焊缝满足要求.20×40×2矩形管强度计算:A=224 mm2I=533504 mm4W=2667.2 mm3在弯剪力作用下:σ1=M/W W=207.3N/mm2<215N/mm2强度要求!螺丝计算:竖向作用力:N=1.84kN两螺丝受弯矩产生的剪力:0.533×103/50=10.66 kN所以一个螺丝的剪力为:(10.662+0.922)1/2=10.7kN螺丝计算:竖向作用力:N=1.84kN两螺丝承受弯矩产生的剪力:0.533×103/50=10.66 kN所以一个螺丝承受的剪力为:(10.662+0.922)1/2=10.7 kN螺丝截面:75.53mm3剪力作用下的剪应力: τ=V/A W=136.25N/mm24.3栏杆条计算:(1)栏杆条由50×10扁铁组合而成,其截面特性如下:A=500mm2I=1.4200mm4W=4170mm3(2)荷载线分布荷载设计值同前(3)栏杆条弯矩:M=0.042 kN·m(4)栏杆条挠度计算σ=M/γ/w=10.1N/mm2<215N/mm2强度满足要求.(5)栏杆条挠条焊缝验算U(max):栏杆条最大挠度U(max)=4.2mm<9mm<1800/250=7.2mm挠度可以满足要求!(6)拦杆条焊缝验算焊缝抵抗矩:W W=(15.66×55.663/12-10×503/12)/(55.66/2)=4340.2mm3焊缝面积:A W=15.66×55.66-10×50=371.4mm2栏杆条端部焊缝承受弯矩:M=0.042 kN·m剪力:V=0.062 kN采用角焊缝,宽4mm,在弯矩作用下其最大应力为σ1=M/W W=9.68N/mm2<160N/mm2在剪力作用下其最大应力为σ2=V/A W=0.16N/mm2<160N/mm2弯剪共同作用下应力为σ=(σ12+σ22)1/2=9.68N/mm2<160N/mm2故焊缝满足要求。