垂直度平整度检查表
- 格式:doc
- 大小:134.00 KB
- 文档页数:1
墙面平整度与垂直度规篇一:最新2014 26墙体垂直度、外表平整度检验记录表6 墙体垂直度、外表平整度检验记录工程名称:□施工自检□监理平行检验编号:注:1、检验砌筑墙体时,被检墙体应尽量包含各主要墙体材料。
2、本表施工单位和监理单位应分开填写,检验结论中最后两条施工单位不勾选。
篇二:墙体垂直度、平整度检验记录表6 墙体垂直度、平整度检验记录注:1、检验砌筑墙体时,被检墙体应尽量包含各主要墙体材料。
2、本表施工单位和监理单位应分开填写,检验结论中最后两条施工单位不勾选。
篇三:墙面质量标准墙面施工质量标准一、墙面抹灰质量标准1. 抹灰用材料的品种和性能应符合设计和国家规、标准的要求。
2. 抹灰工程应分层进展,不同材料的分层抹灰厚度应符合国家规要求。
当抹灰总厚度大于或等于35mm时,应采取有效的加强措施。
不同材料材料基体交接处外表的抹灰,应采取防开裂的加强措施,当采用加强网时,加强网与各基体的搭接宽度不应小于100mm.3. 抹灰层与基层之间及各抹灰层之间必须粘接结实,抹灰层应无脱层、空鼓,面层应无裂缝。
4. 墙面抹灰应光滑、干净、颜色均匀、无抹纹。
护角、孔洞、电盒周围的抹灰外表应边缘整齐、方正、光滑;门窗框与墙体的缝隙应填塞饱满,外表平整光滑。
5. 水泥砂浆抹灰工程质量的允许偏差值:⑴立面垂直度:2mm;⑵外表平整度:2mm;⑶阴阳角方正:2mm.二、外墙保温颗粒保温砂浆抹灰质量标准1. 所有材料品种、质量、性能应符合设计要求。
2. 保温侧与墙体以及各构造层之间必须粘接结实,无脱落、空鼓及裂缝,面层无粉化、起皮、爆灰3. 保温层外表平整、干净,接茬平整、线角顺直、清晰,毛面纹路均匀一致。
4. 护角符合施工规定,外表光滑、平顺,门窗框与墙体间缝隙填塞密实,外表平整。
5. 孔洞、电盒位置和尺寸正确、外表整齐、干净、平整。
6. 外墙保温允许偏差值:⑴立面垂直:2mm;⑵外表平整:2mm;⑶阴阳角垂直:2mm.。
工程名称:南城都汇商住项目第六期汇彩园(20#地块)住宅工程工程名称:南城都汇商住项目第六期汇彩园(20#地块)住宅工程工程名称:南城都汇商住项目第六期汇彩园(20#地块)住宅工程工程名称:南城都汇商住项目第六期汇彩园(20#地块)住宅工程工程名称:南城都汇商住项目第六期汇彩园(20#地块)住宅工程工程名称:南城都汇商住项目第六期汇彩园(20#地块)住宅工程工程名称:南城都汇商住项目第六期汇彩园(20#地块)住宅工程都匀市政路网工程“三检”管理制度复核:审批:中建四局第五建筑工程都匀市政路网工程项目经理部二○一五年三月“三检”管理制度为了加强本项目工程施工现场质量的过程控制管理,确保工程施工质量满足设计及规范要求,保证项目在质量实施过程中对每道工序质量都能撑握在预控当中,根据业主单位、公司要求及工程实际施工要求,我部结合工程施工实际情况,特制定本制度。
一、三检制分解1.1自检1.1.1初检责任人:作业班组组长;职责:初检是保证施工质量的基础,要求班组人员相互间进行检查、监督和把关。
每一道工序完成后,由该班组按照工序或单元工程规定的检查(检测)项目逐项检查与,真实地填写施工记录,并由班组长本人签字。
在施工过程中,根据质量控制要求,严格规范施工程序。
班组是按照作业规程施工的主体,也是保证工程质量的主体。
初检合格后,负责初检资料的整理与上报,并为复检工作做好现场准备。
实施程序:(1) 施工班组人员在操作过程中,必须按相应的检验批质量验收记录表进行自检,经自检达到质量标准,并经组长验收后,方准继续进行施工。
(2) 班组长对所施工的,必须按相应的质量验收记录表中所列(工序操作前由技术负责人交底时提供该工序检验表)的检查内容,在施工过程中逐项地检查班组每个成员的操作质量。
在完成后逐项地进行自检,并认真填写自检记录,经自检达标后方可请施工员组织质量验收。
(3) 施工员除督促班组认真自检、填写自检记录,为班组创造自检条件(如提供有关表格、协助解决检测工具等)外,还要对班组操作质量进行中间检查。
电气设备安装工程实体质量检查表
综合评价:意见和建议(工程亮点、存在问题、改正方法、提高方向、评价等级)
检查人年月日注:评价为六个等级,A、B、C、D、E、F (上好、好、较好、良好受控、受控、基本受控)
电气设备安装工程资料检查表
工程名称:施工单位:
综合评价:意见和建议(工程亮点、存在问题、改正方法、提高方向、评价等级)
检查人
年月日
注:评价为六个等级,A、B、C、D、E、F (上好、好、较好、良好受控、受控、基本受控)
表3-1(设)
水暖通设备安装工程实体质量检查表
工程名称:施工单位:
检查人
年月日注:评价为六个等级,A、B、C、D、E、F (上好、好、较好、良好受控、受控、基本受控)
工程名称:施工单位:
工程名称:施工单位:
综合评价:意见和建议(工程亮点、存在问题、改正方法、提高方向、评价等级)
检查人
年月日注:评价为六个等级,A、B、C、D、E、F (上好、好、较好、良好受控、受控、基本受控)。
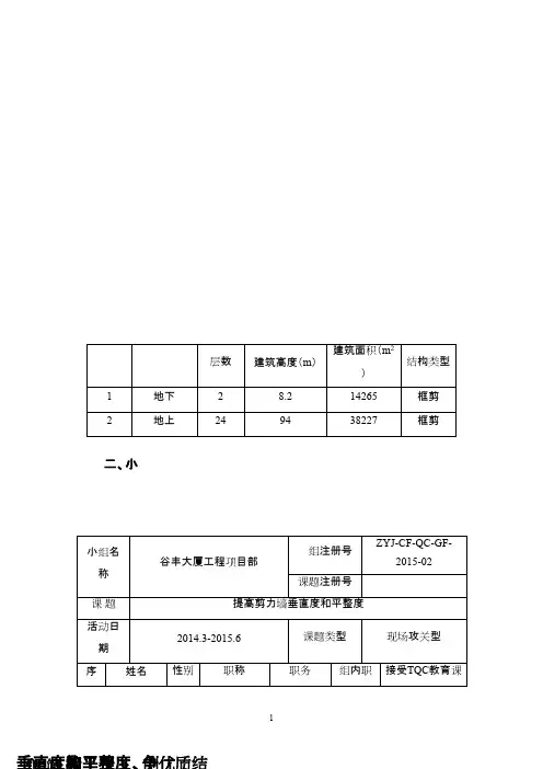
提高剪力墙垂直度和平整度、争创优质结构工程浙江省一建建设集团有限公司谷丰大厦工程项目部QC小组一、工程概况谷丰大厦工程项目位于杭州市滨江区浦沿街道,东冠路以南,明德路以西,本项目为一幢高层公共建筑,由杭州市滨江区浦沿街道浦联村经济合作社投资建设,总建筑面积52492m2,工程于2013年7月3日开工,计划在2016年7月4日竣工,具体建筑特征如下:序号用途层数建筑高度(m)建筑面积(m2)结构类型1地下28.214265框剪2地上249438227框剪二、小组简介1、成员组成情况表1 QC小组概况表小组注册号ZYJ-CF-QC-GF-2015-02小组名称谷丰大厦工程项目部课题注册号课题提高剪力墙垂直度和平整度活动日期2014.3-2015.6课题类型现场攻关型序姓名性别职称职务组内职接受TQC教育课号务时1冯永红男高级工程师项目经理组长902盛思男工程师技术负责人副组长1003沈建强男工程师质量负责人组员1004林磊男技术员施工员组员100 5陈楠男技术员施工员组员100 6李萍女技术员资料员组员100 7蒋敬东男技术员质检员组员100 8沈棉兰女技术员材料员组员100 9胡前强男技工泥工班长组员82 10陆金法男技工木工班长组员702、小组活动情况表2 QC小组活动情况统计序号活动内容次数应出勤人次实际出勤人次出勤率(%)1组建团队11010100 2接受培训66060100 3确定课题11010100 4现状调查4403895 5原因分析22019 95 6制定对策33030100 7组织实施5504896 8现场检查6605693 9效果评价22020100 10成果总结11010100合计3131030197制表人:沈建强 制表时间:2014.3三、选题理由谷丰大厦工程是我公司层数较高的重点项目之一,争创品牌工程,更好树立“浙江一建”形象是十分重要的。
在建筑施工中,确保剪力墙结构的垂直度和平整度难度较大,而且又是争创优质结构工程所必须的工作。
抹灰验收标准垂直平整度抹灰是建筑装修中非常重要的一项工作,它不仅能够美化墙面,还能够保护墙面,增加墙面的使用寿命。
在进行抹灰工作时,垂直平整度是非常重要的一个验收标准,它直接关系到墙面的美观度和使用寿命。
下面我们就来详细了解一下抹灰验收标准垂直平整度。
一、什么是垂直平整度垂直平整度是指墙面的垂直度和平整度。
垂直度是指墙面的垂直程度,也就是墙面与地面垂直的程度。
平整度是指墙面的平整程度,也就是墙面表面的平整程度。
在进行抹灰工作时,垂直平整度是非常重要的一个验收标准,它直接关系到墙面的美观度和使用寿命。
二、垂直平整度的验收标准1、垂直度在进行抹灰工作时,墙面的垂直度应该符合国家标准,也就是垂直度误差不得大于5mm。
如果垂直度误差大于5mm,就需要进行整改。
整改的方法是在墙面上打上垂直线,然后用水平仪进行调整,直到垂直度误差小于5mm为止。
2、平整度在进行抹灰工作时,墙面的平整度应该符合国家标准,也就是平整度误差不得大于5mm。
如果平整度误差大于5mm,就需要进行整改。
整改的方法是在墙面上打上水平线,然后用抹刀进行调整,直到平整度误差小于5mm为止。
三、如何保证垂直平整度1、选用优质材料在进行抹灰工作时,选用优质的砂浆和水泥是非常重要的。
优质的砂浆和水泥可以保证墙面的强度和平整度,从而保证墙面的美观度和使用寿命。
2、掌握好抹灰技巧在进行抹灰工作时,掌握好抹灰技巧也是非常重要的。
抹灰技巧不好会导致墙面的垂直度和平整度不达标,从而影响墙面的美观度和使用寿命。
因此,在进行抹灰工作时,一定要掌握好抹灰技巧。
3、严格按照验收标准进行验收在进行抹灰工作时,严格按照验收标准进行验收也是非常重要的。
只有严格按照验收标准进行验收,才能够保证墙面的垂直平整度达到标准,从而保证墙面的美观度和使用寿命。
四、总结抹灰验收标准垂直平整度是非常重要的一个验收标准,它直接关系到墙面的美观度和使用寿命。
在进行抹灰工作时,我们要选用优质材料,掌握好抹灰技巧,严格按照验收标准进行验收,才能够保证墙面的垂直平整度达到标准,从而保证墙面的美观度和使用寿命。
垂直度平整度检查表
构件垂直度和平整度检查记录表
工程名称:(请填写工程名称)
建筑类型:(请填写建筑类型)
监理单位:(请填写监理单位)
序号抽测构件及部位楼层构件类型结构类型监督注册号建筑面积施工单位实测值(使用2米靠尺检查,上行测垂直度,下行测平整度)抽测结果允许偏差最大偏差(正负)合格率(%)合格点数测点数
1 砼柱、剪力墙 8mm 5mm 8mm 5mm
2 砌体(加气块,平整度6mm) 8mm 5mm 8mm 5mm
3 砼柱、剪力墙 8mm 5mm 8mm 5mm
4 砌体(加气块,平整度6mm) 8mm 5mm 8mm 5mm
5 砼柱、剪力墙 8mm 5mm 8mm 5mm
6 砌体(加气块,平整度6mm) 8mm 5mm 8mm 5mm
7 砼柱、剪力墙 8mm 5mm 8mm 5mm
8 砌体(加气块,平整度6mm) 8mm 5mm 8mm 5mm
9 砼柱、剪力墙 8mm 5mm 8mm 5mm
10 砌体(加气块,平整度6mm) 8mm 5mm 8mm 5mm
注:层高大于5米的构件垂直度允许偏差不大于10毫米。
检测按楼层、结构缝或施工段划分检验批。
在同一检验批内,对砼柱、剪力墙,应抽查构件数量的10%,且不少于3
件;对砌体结构,应按有代表性的自然间抽查10%,且不少
于3间。
建设单位项目负责人:(请填写姓名)。
表面平整度测量1、指标说明:反映层高范围内砌体墙体表面平整程度。
2、合格标准:[0,8]mm(轻质砂加气砌块[0,4]mm)。
3、测量工具:2m 靠尺、楔形塞尺。
4、测量方法和数据记录:4.1、每一面墙都可以作为1个实测区(第三方实测时,优先选用有门窗、过道洞口的墙面),测量部位选择正手墙面。
4.2、当墙面长度小于3m,各墙面顶部和根部4个角中,取左上及右下2个角;按45度角斜放靠尺分别测量2次,其实测值作为判断该实测指标合格率的2个计算点。
4.3当墙面长度大于3m时,还需在墙长度中间位置增加1 次水平测量,3次测量值均作为判断该实测指标合格率的3个计算点。
4.4墙面有门窗、过道洞口的,在各洞口45度斜交测一次,作为新增实测指标合格率的1个计算点。
5、以下是平整图测量示意图:垂直度测量1、指标说明:反映层高范围砌体墙体垂直的程度。
2、合格标准:[0,5]mm3、测量工具:2m 靠尺。
4、测量方法和数据记录:4.1每一面墙都可以作为1个实测区,优先选用有门窗、过道洞口的墙面。
测量部位选择正手墙面。
4.2实测值主要反映砌体墙体垂直度,应避开墙顶梁、墙底灰砂砖或砼翻边、墙体斜顶砖,消除其测量值的影响,如2m靠尺过高不易定位,可采用1m靠尺。
4.3当墙长度小于3m时,同一面墙距两侧阴阳角约300mm 位置,分别按以下原则实测2次:一是靠尺顶端接触到上部砌体位置时测1次垂直度,二是靠尺底端距离下部地面位置约300mm时测1次垂直度。
墙体洞口一侧为垂直度必测部位。
这2个实测值分别作为判断该实测指标合格率的2个计算点。
4.4当墙长度大于3m时,同一面墙距两端头竖向阴阳角约300mm和墙体中间位置,分别按以下原则实测3次:一是靠尺顶端接触到上部砌体位置时测1次垂直度,二是靠尺底端距离下部地面位置约300mm时测1次垂直度,三是在墙长度中间位置靠尺基本在高度方向居中时测1次垂直度。
这3个测量值分别作为判断该实测指标合格率的3个计算点。
砌筑墙体的垂直度,平整度以及砂浆饱满度等指标测量方法我跟你说啊,砌筑墙体这事儿,那垂直度、平整度还有砂浆饱满度的测量,我一开始也是一头雾水,就跟没头的苍蝇似的瞎摸索。
就说这垂直度吧。
我试过不少办法,一开始就是拿个眼睛大概瞅,那能准吗?后来我知道可以用线坠这个小玩意儿。
你就把线坠的线那头固定在墙顶,这线坠就直直地垂下来了。
然后你站在墙的一侧,眼睛顺着线看,要是这线和墙完全重合,那这墙的垂直度就挺不错的。
我还记得有一回我就只看了墙的一头儿,没多看几处,结果就出岔子了,另外一边其实歪着呢。
所以记住啊,得多在墙的几个地方测量。
这就好比看一个人站得直不直,你不能光从前边看,还得从侧面瞅一瞅呢。
再说说这平整度。
我以前觉得拿手摸一摸就知道平不平了,那纯粹是乱猜。
其实有那种专门的靠尺,就像一把长长的尺子,把它靠在墙上。
要是尺面跟墙面之间没一点缝隙,那平整度就很好。
我曾经用一个不太标准的直木板当靠尺用过,结果错得离谱,后来才知道必须用专业工具。
靠尺的时候呢,最好也是在墙上多靠几个位置,因为墙可能这一块平那一块不平。
还有砂浆饱满度这个东西啊。
我自己琢磨的时候,看有的地方砂浆鼓出来了,我就以为鼓出来的地方肯定饱满。
其实不是这么回事儿。
最简单的方法就是用小锤子轻轻地敲一敲墙体,如果敲的地方声音很实成,那就说明砂浆还算饱满。
要是有空洞的声音,那砂浆肯定没填够。
我记得当时有一面墙我没多敲几下,就按照一个地方的声音来判断了,后来才发现少了好几个地方砂浆都不饱满。
所以啊,在敲的时候也要多在墙上敲几个点,这样才能准确判断。
虽然我现在也不敢说自己就是个老手,但是这些经验真的是自己一点一点摸索过来的,希望对你有点用。