高速公路质量日常标准化检查表
- 格式:docx
- 大小:13.19 KB
- 文档页数:7
质量检查、评定表的填写说明为了加资料强管理,使其规范化、标准化,有利于资料的归档保存,有利于竣工资料的整理,对质量检查表、评定表的填写作以下统一要求:一、承包单位自检资料检查表的填写:(一)、填写要求1、表格内除施工单位名称、监理单位名称及合同段的填写可用电脑打印外其余需要填写的内容均用碳素笔或碳素墨写钢笔手工填写,严禁用电脑打印或预先填好复印;2、要求施工单位和监理单位相关人员必须亲自填写所检查要填写的内容,不许代笔;3、填写内容不许有涂改现象,字迹要整洁、工整;4、数据填写要求真实、可靠,能如实的反应工程的实际、工程质量情况,严禁胡编滥造;5、填写、签认要及时。
6、认真查阅《工程质量检验评定标准》,要求资料完善齐全。
(二)、填写内容1、合同段编号为该合同段标段,用阿拉伯数字填写。
2、里程桩号路基工程按照实际施工里程并考虑分项工程里程桩号的划分进行分段检查填写,整体式路基左右幅合并填写,分离式路基、半挖半填路基应按左右幅分别填写,如:(左幅)k××+×××~k××+××;涵洞、通道工程即为该涵洞、通道的中心里程桩号,如k××+××涵洞;砌筑防护工程按实际施工的里程桩号并考虑分项工程的里程桩号的划分分段检查填写,如:左幅k××+×××~k××+××左侧(分离式),k××+×××~k××+××左侧(整体式);抗滑桩检查表填写见样表;桩基挡墙、桩板墙桩基参照桥梁桩基样表填写,墙身参照“砌体挡土墙检查表”填写,桩板墙墙身参照《质量检验评定标准》表6.4.2-1~5填写;桥梁工程里程桩号填写该桥的中心桩号,无论整体式或分离式都要求左、右幅桥分开填写,如左幅k××+××桥,右幅k××+××桥;排水工程:“检查(雨水)井砌筑工程检查表”填写该井的中心桩号,“盲沟工程检查表”若是横向盲沟则填写盲沟的中心桩号,纵向盲沟按实际施工的里程桩号填写,其他检查表按照实际的施工里程桩号填写;隧道工程:“总体检查表”为隧道的起止桩号,“超前钢管支护检查表”为每循环长度的里程桩号,超前锚杆、初期支护检查表每10米填写一次并考虑分项工程里程的划分,如××隧道洞身开挖分项工程划分有右幅k10+735~k10+750洞身开挖和右幅k10+750~k10+785洞身开挖,若检查从k10+735断面开始,则第一份检查资料为右幅k10+735~+745,第二份检查资料若按每十米检查一次原则则里程桩号为右幅k10+745~+755,但是结合分项工程右幅k10+735~k10+750洞身开挖划分则第二份资料的里程桩号到右幅k10+750止,即第二份检查资料应为右幅k10+745~750,右幅k10+750后的属于下一个分项工程,右幅k10+750作为下一个分项工程检查的起点按每10米原则来填写,依次类推。
清理与掘除检验报告单承包单位:合同号:监理单位:编号:检验-001承包人:日期:土方路基现场质量检验报告单承包单位:北京鑫旺路桥建设有限公司合同号:ABZD-09 监理单位:牡丹江市公路工程监理有限公司编号:检验-002承包人:日期:石方路基现场质量检验报告单承包单位:合同号:承包人:日期:路槽现场质量检验报告单承包单位:合同号:监理单位:编号:检验—004承包人:日期:砂垫层现场质量检验报告单承包单位:合同号:监理单位:编号:检验-005承包人:日期:加筋工程土工合成材料现场质量检验报告单承包单位:合同号:监理单位:编号:检验-006承包人:日期:砌体挡土墙现场质量检验报告单承包单位:合同号:监理单位:编号:检验-018承包人:日期:干砌挡土墙现场质量检验报告单承包单位:合同号:监理单位:编号:检验-019承包人:日期:混凝土挡土墙现场质量检验报告单承包单位:合同号:监理单位:编号:检验-020承包人:日期:筋带现场质量检验报告单承包单位:合同号:监理单位:编号:检验-021承包人:日期:锚杆、拉杆现场质量检验报告单承包单位:合同号:监理单位:编号:检验-022承包人:日期:面板预制现场质量检验报告单承包单位:合同号:监理单位:编号:检验-023承包人:日期:面板安装现场质量检验报告单承包单位:合同号:承包人:日期:锚杆、锚碇板和加筋土挡土墙总体现场质量检验报告单承包单位:合同号:监理单位:编号:检验-025承包人:日期:锚杆、锚碇板和加筋土挡土墙墙背填土现场质量检验报告单承包单位:合同号:监理单位:编号:检验-026承包人:日期:挖方边坡锚喷防护现场质量检验报告单承包单位:合同号:监理单位:编号:检验-028承包人:日期:锥、护坡现场质量检验报告单承包单位:合同号:监理单位:编号:检验-029承包人:日期:隔离工程土工合成材料现场质量检验报告单承包单位:合同号:监理单位:编号:检验-007承包人:日期:过滤排水工程土工合成材料现场质量检验报告单承包单位:合同号:监理单位:编号:检验-008承包人:日期:防裂工程土工合成材料现场质量检验报告单承包单位:合同号:监理单位:编号:检验-009承包人:日期:管节预制现场质量检验报告单承包单位:合同号:监理单位:编号:检验-010承包人:日期:管道基础及管节安装现场质量检验报告单承包单位:合同号:监理单位:编号:检验-011承包人:日期:检查(雨水)井砌筑现场质量检验报告单承包单位:合同号:监理单位:编号:检验-012承包人:日期:土沟现场质量检验报告单承包单位:合同号:监理单位:编号:检验-013承包人:日期:浆砌排水沟现场质量检验报告单承包单位:合同号:监理单位:编号:检验-014承包人:日期:盲沟现场质量检验报告单承包单位:北京鑫旺路桥建设有限公司合同号:ABLJ-28承包人:日期:排水泵站(沉井)现场质量检验报告单承包单位:合同号:监理单位:编号:检验-016承包人:日期:急流槽现场质量检验报告单承包单位:合同号:监理单位:编号:检验—017承包人:日期:监理工程师:日期:浆砌砌体现场质量检验报告单承包单位:合同号:承包人:日期:干砌片石现场质量检验报告单承包单位:合同号:承包人:日期:导流工程现场质量检验报告单承包单位:合同号:监理单位:编号:检验-032承包人:日期:石笼防护现场质量检验报告单承包单位:合同号:监理单位:编号:检验-033承包人:日期:水泥砼面层现场质量检验报告单承包单位:合同号:监理单位:编号:检验-035承包人:日期:沥青混凝土面层和沥青碎(砾)石面层现场质量检验报告单承包单位:合同号:承包人:日期:沥青贯入式面层(或上拌下贯式面层)现场质量检验报告单承包单位:合同号:监理单位:编号:检验-037水泥稳定粒料基层和底基层现场质量检验报告单承包单位:合同号:监理单位:编号:检验-038承包人:日期:级配碎(砾)石基层和底基层现场质量检验报告单承包单位:合同号:监理单位:编号:检验-039承包人:日期:垫层现场质量检验报告单承包单位:合同号:监理单位:编号:检验-040承包人:日期:填隙碎石(矿渣)底基层现场质量检验报告单承包单位:合同号:监理单位:编号:检验-041承包人:日期:路缘石铺设现场质量检验报告单承包单位:合同号:监理单位:编号:检验-042承包人:日期:路肩现场质量检验报告单承包单位:合同号:监理单位:编号:检验-043承包人:日期:桥梁总体现场质量检验报告单承包单位:合同号:监理单位:编号:检验-044承包人:日期:钢筋安装现场质量检验报告单承包单位:北京鑫旺路桥建设有限公司合同号:ABLJ28监理单位:牡丹江市公路工程监理有限公司编号:检验-045承包人:日期:钢筋网现场质量检验报告单承包单位:合同号:监理单位:编号:检验-046承包人:日期:预制桩钢筋安装现场质量检验报告单承包单位:合同号:监理单位:编号:检验-047承包人:日期:钢丝、钢绞线先张法现场质量检验报告单承包单位:合同号:承包人:日期:粗钢筋先张法现场质量检验报告单承包单位:合同号:监理单位:编号:检验-049承包人:日期:后张法现场质量检验报告单承包单位:北京鑫旺路桥建设有限公司合同号:ABLJ-28监理单位:牡丹江市公路工程监理有限公司编号:检验-050承包人:日期:墩、台身砌体现场质量检验报告单承包单位:合同号:监理单位:编号:检验-051承包人:日期:侧墙砌体现场质量检验报告单承包单位:合同号:承包人:日期:。
公路工程质量安全督查方案按照交通运输部《关于开展20年度公路工程质量安全综合督查和安全生产百日督查工作的通知》(交质监字[2008]15号)和《公路水运工程质量安全督查办法》的要求,为规范公路水运工程质量与安全监督工作,提高督查的科学性,促进质量与安全管理水平的提升,现制订我站公路工程质量安全督查工作方案。
一、督查目标通过督查,进一步促进有关质量安全法规标准的落实,增强质量安全责任意识,提高我省公路工程质量和安全管理水平,推动全省公路建设健康发展。
二、督查组织机构质量安全督查实行督查组负责制,成立质量安全督查组,办公室设在行业管理科。
督查组组长:督查组副组长:第一组组长:成员:第二组组长:成员:第三组组长:成员:三、督查项目全省在建(含交工验收)的工程项目和部分农村公路建设项目。
(一)第一组督查项目1.鸡西至讷河公路鸡西至拜泉段2.鹤大公路G201线牡丹江至宁安段扩建工程3.鹤大公路宁安至杏山段4.鹤大公路杏山至省界段5.牡丹江市、绥化市在建农村公路各一项(二)第二组督查项目1.吉黑公路拉林至五常至省界段2.黑河至呼玛公路3.哈尔滨至同江高速公路双鸭山(集贤)至佳木斯段扩建工程4.铁通公路方延段及五常至五常界段5.绥满公路大庆至黄牛场段高速公路扩建工程6.佳木斯市、黑河市在建农村公路各一项(三)第三组督查项目1.京加公路讷河至嫩江段2.京加公路齐齐哈尔至泰来段3.嫩呼公路嫩江至多宝山段4.明沈公路肇源任民至安达段5.哈尔滨绕城高速公路东北段6.哈尔滨市、齐齐哈尔市在建农村公路各一项四、督查内容1.综合督查是对公路工程质量与安全监管情况及在建项目质量与安全状况检查。
主要是检查项目建设单位对有关工程质量和建设安全法规的贯彻落实情况,对违法违规行为的查处情况,对质量与安全问题举报的调查处理情况。
在建项目质量状况检查包括管理行为、施工工艺、工程实体质量的情况,(详见附表1-3);在建项目安全状况检查包括安全管理行为、施工现场安全生产情况,安全生产督查内容及评分表(详见附表4-5)。
说明1.本套表格参照广东省交通厅工程质量监督站颁布的《广东省公路工程施工表格》。
2.本套表格适用于在**高速公路乐昌段工程建设上使用,包括试验、检测、评定及施工检查原始记录。
3.本分册施工检查记录表,包括质量检查检测、施工原始记录(常用部分)。
本分册没有列出的表格,可直接采用第二分册的表格,如钢筋检查、改墩台身成品检查、台帽成品检查等等。
4.本分册表格在现场检查记录,不得在办公室重抄。
5.所有“监理意见”一栏,监理工程师应签上具体意见、签名及日期。
二O一0年四月三十日目录路基工程:施检表1 导线点测量记录表施检表2 全站仪测角、测距记录表施检表3 水准点测量报表施检表4 施工增加水准点测量记录表施检表5 路线主点桩测量记录表施检表6 平面位置检查记录表施检表7 施工放样测量记录表施检表8 水准测量记录表施检表9 宽度检测记录表施检表10 边坡坡度检测记录表施检表11 厚度检测记录表施检表12 水泥砼路面相邻板高差检测记录表施检表13 水泥砼路面纵、横缝、顺直度检测记录表施检表14 垂直度或边坡检测记录表施检表15 路面构造深度检测(砂铺法)记录表施检表16 路面摩擦系数检测记录表施检表17 弯沉测定记录表施检表18 高程及横坡度检测记录表施检表19 3m直尺平整度检测记录表施检表20 连续式平整度仪测定平整度报告表施检表21 灌砂法压实度检测记录表施检表22 环刀法压实度检测记录表施检表23 核子仪法压实度检测记录表施检表24 混凝土钻芯取样记录表施检表25 大面平整度检测记录表施检表26 软土地基沉降量观测记录表施检表27 软基分层沉降观测记录表施检表28 孔隙水压力观察记录表施检表29 软基测斜记录表施检表30 软基测斜资料汇总表施检表31 桥涵背回填检查记录表施检表32 清理掘除检查记录表施检表33 路基填筑施工记录表施检表34 粉喷桩施工现场记录表施捡表35 袋装砂井、塑料排水板施工现场记录表桥梁工程:施检表36 桩基桩位放样检查记录表施检表37 回旋钻成孔记录表施检表38 冲击钻成孔记录表施检表39 人工挖孔记录表施检表40 桩基成桩记录表施检表41 桩基终孔后灌注混凝土前检查记录表施检表42 水下混凝土灌注记录表施检表43 桥涵施工放样检查记录表施检表44 基坑检查记录表施检表45 地基处理检查记录表施检表46 混凝土施工检查记录表施检表47 现浇混凝土模板安装检查记录表施检表48 预制混凝土构件模板安装检查记录表施捡表49 预应力管道检查表施检表50 预应力张拉(先张法)记录表施检表51 预应力张拉(后张法)记录表施检表52 预应力孔道压浆记录表施检表53 封端检查记录表施检表54 顶推台座导梁安装质量检查记录表施检表55 支座安装检查记录表隧道工程:施检表56 隧道开挖地质监测记录表施检表57 隧道开挖断面检测记录表施检表58 隧道现场监控量测记录表施检表59 周边收敛测试记录表施检表60 收敛数据回归分析图施检表61 拱顶下沉记录表施检表62 拱顶下沉测量计算表施检表63 拱顶下沉数据回归分析图施检表64 明洞外贴式防水层检查记录表施检表65 隧道安装钢筋检查记录表施检表66 隧道混凝土钢筋网安装检查记录表施检表67 隧道模板安装检查记录表施检表68 隧道预注浆堵水检查记录表施检表69 隧道洞身锚杆检查记录表施检表70 隧道模筑砼渗漏水检查记录表施检表71 隧道洞身喷射混凝土检查记录表施检表72 隧道洞身塑料板防水层检查记录表施检表73 隧道模筑砼拆模后检查记录表施检表74 隧道成洞净空检查记录表施检表75 隧道工字钢(U型钢架)加工安装检查记录表施检表76 隧道格栅制作安装检查记录表施检表77 洞身止水条安装检查记录表施检表78 隧道洞身止水带安装检查记录表施检表79 隧道洞身排水盲沟安装检查记录表施检表80 隧道洞身初支断面检查记录表施检表81 隧道仰拱砼检查记录表施检表82 隧道管棚安装检查记录表施检表83 隧道砼调平层检测记录表施检表84 隧道无纺布铺设检查表施检表85 隧道超前小导管施工检查记录表施检表86 隧道仰拱开挖断面检查记录表施检表87 隧道仰拱喷射砼检查记录表施检表88 长管棚、小导管、锚杆钻孔施工检查记录表施检表89 长管棚、小导管、锚杆注浆施工检查记录表施检表90 水泥砼路面接缝和钢筋施工检查记录表施检表91 隧道装饰抹灰施工检查记录表施检表92 隧道饰面工程施工检查记录表施检表93 隧道预埋件施工检查记录表施检表94 锚孔钻造施工检测记录表施检表95 预应力锚索(杆)杆体制作安装记录表施检表96 预应力锚索(杆)注浆施工记录表施检表97 预应力锚索(杆)张拉与锁定记录表施检表98 碎石(砂)桩(干法)施工记录表施检表100 沉降差法(土石混填、填石路堤)路基压实度检测记录表施检表101 预制桩、钢桩施工记录表施检表102 竖井开挖断面检查记录表施检表103 竖井井身锚杆检查记录表施检表104 竖井井身喷射混凝土检查记录表施检表105 竖井井身塑料板防水层检查记录表施检表106 竖井井身模筑砼拆模后检查记录表施检表107 竖井成井净空检查记录表施检表108 竖井初支断面检查记录表施检表109 高压旋喷灌浆施工记录表施检表(1)导线点测量记录点编号:第页共页施检表(2)全站仪测角、测距记录表编号:第页共页施检表(3) 水准点测量报表编号:第页共页施检表(6) 平面位置检查记录表编号:第页共页施检表(7)施工放线测量记录表编号:第页共页施检表(10)边坡坡度检测记录表编号:第页共页施检表(11) 结构层厚度检测记录表编号:第页共页施检表(14) 垂直度或坡度检测记录表编号:第页共页施检表(15) 路面构造深度检测(砂铺法)记录表编号:第页共页施检表(18)高程及横坡度检测记录表编号:第页共页施检表(19) 3m直尺平整度检测记录表编号:第页共页施检表(20)连续式平整度仪测定平整度报告表编号:第页共页施检表(21) 灌砂法压实度检测记录表编号:第页共页施检表(22)环刀法压实度试验记录表编号:第页共页施检表(23) 核子仪法压实度检测记录表编号:第页共页施检表(24) 混凝土钻芯取样记录表编号:第页共页施检表(25) 大面平整度检测记录表编号:第页共页施检表(26) 软土地基沉降量观测记录表编号:第页共页施检表(27) 软基分层沉降观测记录表编号:第页共页施检表(28) 孔隙水压力观测记录表编号:第页共页施检表(29) 软基测斜记录表编号:第页共页施检表(30) 软基测斜资料汇总表编号:第页共页施检表(31) 桥涵背回填检查记录表编号:第页共页施检表(32) 清理与掘除检查记录表编号:第页共页施检表(33) 路基填筑施工记录表编号:第页共页施检表(34) 粉喷桩施工现场记录表编号:第页共页施检表(35) 袋装砂井、塑料排水板施工现场记录表编号:第页共页施检表(36) 桩基桩位放样检查记录表编号:第页共页施检表(37) 回旋钻成孔记录表编号:第页共页施检表(38)冲击钻成孔记录表编号:第页共页施检表(39)人工挖孔记录表编号:第页共页施检表(40) 桩基成桩记录表编号:第页共页施检表(41) 桩基终孔后灌注混凝土前检查记录表编号:第页共页施检表(42) 水下混凝土灌注记录表编号:第页共页。
目录1、土方路基现场质量检验报告单(B—001)2、石方路基现场质量检验报告单(B—002)3、砂砾垫层现场质量检验报告单(B—003)4、碎石桩(砂桩)现场质量检验报告单(B—004)5、土工合成材料现场质量检验报告单(B—005)6、管道基础及管节安装现场质量检验报告单(B—006)7、浆砌排水沟现场质量检验报告单(B—007)8、盲沟现场质量检验报告单(B—008)9、浆砌砌体和混凝土挡土墙(护面墙)现场质量检验报告单(B—009)10、锥、护坡现场质量检验报告单(B—010)11、浆砌砌体现场质量检验报告单(B—011)12、导流工程现场质量检验报告单(B—012)13、石笼防护现场质量检验报告单(B—013)14、水泥混凝土面层现场质量检验报告单(B—014)15、沥青混凝土面层现场质量检验报告单(B—015)16、水泥稳定粒料基层、底基层现场质量检验报告单(B—016)17、石灰土基层、底基层现场质量检验报告单(B—017)18、石灰稳定粒料基层、底基层现场质量检验报告单(B—018)19、石灰、粉煤灰土基层、底基层现场质量检验报告单(B—019)20、石灰、粉煤灰稳定粒料基层、底基层现场质量检验报告单(B —020)21、级配碎(砾)石基层、底基层现场质量检验报告单(B—021)22、路缘石(路缘板)铺设现场质量检验报告单(B—022)23、路肩现场质量检验报告单(B—023)24、桥梁总体现场质量检验报告单(B—024)25、钻孔灌注桩现场质量检验报告单(B—025)26、钻孔桩桩孔现场质量检验报告单(B—026)27、挖孔桩现场质量检验报告单(B—027)28、桥涵基坑现场质量检验报告单(B—028)29、浆砌片石基础现场质量检验报告单(B—029)30、墩、台身砌体现场质量检验报告单(B—030)31、拱圈砌体现场质量检验报告单(B—031)32、侧墙砌体现场质量检验报告单(B—032)33、钢筋加工及安装现场质量检验报告单(B—033)34、钢筋网现场质量检验报告单(B—034)35、混凝土基础现场质量检验报告单(B—035)36、承台(系梁)现场质量检验报告单(B—036)37、墩、台身现场质量检验报告单(B—037)38、柱或双壁墩现场质量检验报告单(B—038)39、墩、台帽或盖梁现场质量检验报告单(B—039)40、预制梁(板)现场质量检验报告单(B—040)41、就地浇筑梁(板)现场质量检验报告单(B—041)42、就地浇筑拱圈现场质量检验报告单(B—042)43、小型预制件现场质量检验报告单(B—043)44、钢丝、钢绞线先张法现场质量检验报告单(B—044)45、预应力筋后张法现场质量检验报告单(B—045)46、梁、板安装现场质量检验报告单(B—046)47、大梁安装现场质量检验报告单(B—047)48、悬臂浇筑梁现场质量检验报告单(B—048)49、桥面铺装现场质量检验报告单(B—049)50、伸缩缝安装现场质量检验报告单(B—050)51、人行道铺设现场质量检验报告单(B—051)52、防撞护拦现场质量检验报告单(B—052)53、涵洞总体现场质量检验报告单(B—053)54、管座及管涵现场质量检验报告单(B—054)55、盖板制作现场质量检验报告单(B—055)56、盖板安装现场质量检验报告单(B—056)57、箱涵现场质量检验报告单(B—057)58、拱涵浇(砌)现场质量检验报告单(B—058)59、交通标志安装现场质量检验报告单(B—059)60、标线喷涂与安装现场质量检验报告单(B—060)61、视线诱导标现场质量检验报告单(B—061)62、波形梁护栏现场质量检验报告单(B—062)63、防眩设施现场质量检验报告单(B—063)64、隔离栅现场质量检验报告单(B—064)65、紧急电话基础现场质量检验报告单(B—065)66、紧急电话安装现场质量检验报告单(B—066)67、照明设施安装现场质量检验报告单(B—067)68、突起路标安装现场质量检验报告单(B—068)69、轮廓标安装现场质量检验报告单(B—069)70、钻孔桩钢筋现场质量检验报告单(B-070)71、路基边坡现场质量检验报告单(B-071)72、级配砂砾垫层现场质量检验报告单(B-072)73、模板安装现场质量检验报告单(B-073)74、台背回填现场质量检验报告单(B-074)75、台背稳定土现场质量检验报告单(B-075)76、支座安装现场质量检验报告单(B-076)77、支座垫石现场质量检验报告单(B-077)78、挡块现场质量检验报告单(B-078)79、桥头搭板现场质量检验报告单(B-079)80、现场质量检验报告单(B—080)81、路基清表后填筑前联合检查验收表(B—081)82、软基处理联合检查验收表(B—082)83、基坑回填前联合检查验收表(B—083)84、台背回填前联合检查验收表(B—084)85、铰缝砼施工前联合检查验收表(B—085)86、桥面砼施工前联合检查验收表(B—086)87、箱梁连续接头钢筋焊接前联合检查验收表(B—087)88、箱梁连续接头浇筑砼前联合检查验收表(B—088)89、箱梁板顶负弯矩张拉前联合检查验收表(B—089)90、桥面铺设防水层前检查验收表(B—090)91、进场伸缩缝联合检查验收表(B—091)92、伸缩缝安装、焊接前联合检查验收表(B—092)93、浇筑伸缩缝砼前联合检查验收表(B—093)94、路基强夯现场质量检验报告单(B-094)土方路基现场质量检验报告单承包单位:合同号:石方路基现场质量检验报告单承包单位:合同号:砂砾垫层现场质量检验报告单承包单位:合同号:承包人签字:日期:碎石桩(砂桩)现场质量检验报告单承包单位:合同号:土工合成材料现场质量检验报告单承包单位:合同号:管道基础及管节安装现场质量检验报告单承包单位:合同号:浆砌排水沟现场质量检验报告单承包单位:合同号:盲沟现场质量检验报告单承包单位:合同号:浆砌砌体和混凝土挡土墙(护面墙)现场质量检验报告单承包单位:合同号:承包人签字:日期:锥、护坡现场质量检验报告单承包单位:合同号:浆砌砌体现场质量检验报告单承包单位:合同号:导流工程现场质量检验报告单承包单位:合同号:石笼防护现场质量检验报告单承包单位:合同号:水泥混凝土面层现场质量检验报告单承包单位:合同号:承包人签名:日期:沥青混凝土面层现场质量检验报告单承包单位:合同号:承包人签名:日期:现场质量检验报告单承包单位:合同号:承包人签名:日期:石灰土基层、底基层现场质量检验报告单承包单位:合同号:监理单位:编号:B—017承包人签名:日期:石灰稳定粒料基层、底基层现场质量检验报告单承包单位:合同号:承包人签名:日期:石灰、粉煤灰土基层、底基层现场质量检验报告单承包单位:合同号:承包人签名:日期:石灰、粉煤灰稳定粒料基层、底基层现场质量检验报告单承包单位:合同号:承包人签名:日期:级配碎(砾)石基层、底基层现场质量检验报告单承包单位:合同号:承包人签名:日期:路缘石(路缘板)铺设现场质量检验报告单承包单位:合同号:承包人签名:日期:路肩现场质量检验报告单承承包单位:合同号:承包人签名:日期:桥梁总体现场质量检验报告单承包单位:合同号:承包人签名:日期:钻孔灌注桩现场质量检验报告单承包单位:合同号:承包人签名:日期:钻孔桩桩孔现场质量检验报告单承包单位:合同号:挖孔桩现场质量检验报告单承包单位:合同号:承包人签名:日期:桥涵基坑现场质量检验报告单承包单位:合同号:(桥涵)浆砌片石基础现场质量检验报告单承包单位:合同号:(桥涵)墩、台身砌体现场质量检验报告单承包单位:合同号:拱圈砌体现场质量检验报告单承包单位:合同号:侧墙砌体现场质量检验报告单承包单位:合同号:钢筋加工及安装现场质量检验报告单承包单位:合同号:钢筋网现场质量检验报告单承包单位:合同号:混凝土基础现场质量检验报告单承包单位:合同号:承台(系梁)现场质量检验报告单承包单位:合同号:承包人签字:日期:墩、台身现场质量检验报告单承包单位:合同号:承包人签字:日期:柱或双壁墩现场质量检验报告单承包单位:合同号:承包人签字:日期:墩、台帽或盖梁现场质量检验报告单承包单位:合同号:承包人签字:日期:预制梁(板)现场质量检验报告单承包单位:合同号:承包人签字:日期:就地浇筑梁(板)现场质量检验报告单承包单位:合同号:承包人签字:日期:就地浇筑拱圈现场质量检验报告单承包单位:合同号:承包人签字:日期:小型预制件现场质量检验报告单承包单位:合同号:监理单位:编号:B—043承包人签字:日期:钢丝、钢绞线先张法现场质量检验报告单承包单位:合同号:承包人签字:日期:预应力筋后张法现场质量检验报告单承包单位:合同号:承包人签字:日期:。
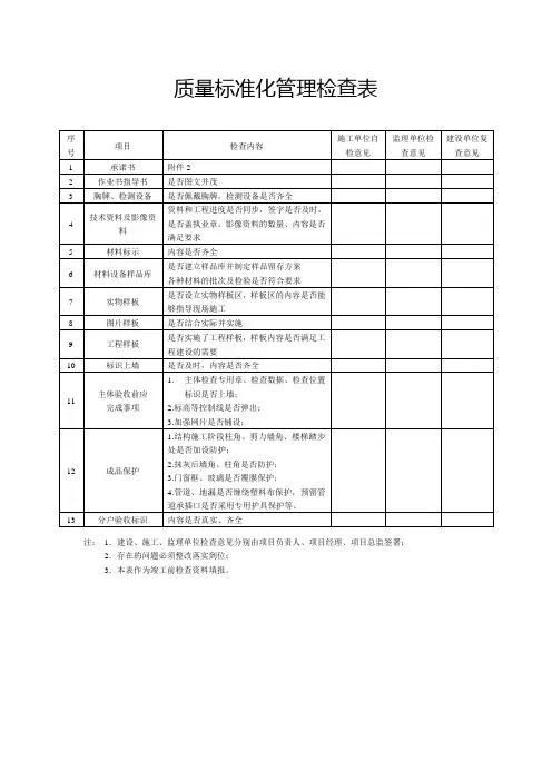
质量标准化管理检查表
序号项目检查内容
施工单位自
检意见
监理单位检
查意见
建设单位复
查意见
1 承诺书附件2
2 作业书指导书是否图文并茂
3 胸牌、检测设备是否佩戴胸牌,检测设备是否齐全
4 技术资料及影像资
料
资料和工程进度是否同步,签字是否及时,
是否盖执业章。
影像资料的数量、内容是否
满足要求
5 材料标示内容是否齐全
6 材料设备样品库是否建立样品库并制定样品留存方案各种材料的批次及检验是否符合要求
7 实物样板是否设立实物样板区,样板区的内容是否能够指导现场施工
8 图片样板是否结合实际并实施
9 工程样板是否实施了工程样板,样板内容是否满足工程建设的需要
10 标识上墙是否及时,内容是否齐全
11 主体验收前应
完成事项
1.主体检查专用章、检查数据、检查位置
标识是否上墙;
2.标高等控制线是否弹出;
3.加强网片是否铺设;
12 成品保护1.结构施工阶段柱角、剪力墙角、楼梯踏步处是否加设防护;
2.抹灰后墙角、柱角是否防护;
3.门窗框、玻璃是否覆膜保护;
4.管道、地漏是否缠绕塑料布保护,预留管道承插口是否采用专用护具保护等。
13 分户验收标识内容是否真实、齐全
注:1.建设、施工、监理单位检查意见分别由项目负责人、项目经理、项目总监签署;
2.存在的问题必须整改落实到位;
3.本表作为竣工前检查资料填报。
附件1:质量检查表表1 云南省高速公路工程质量监督综合检查项目建设指挥部质量管理行为评分表项目名称:建设单位:注:1.各抽查指标项由检查人员根据检查情况评出等级,差60分、较差为70分、中为80分、较好为90分,好为95分;通过计算各指标项的平均分,为建设单位的检查评分。
2.检查人员可根据工程特点和建设管理模式增加检查内容。
检查人:年月日云南省高速公路工程质量监督综合检查监理单位检查评分表高速公路工程质量监督综合检查监理单位检查评分表检查人:年月日高速公路工程质量监督综合检查监理单位检查评分表检查人:年月日云南省高速公路工程质量监督综合检查施工单位质量管理行为评分表项目名称:昭通市昭永公路合同段:SG1 施工单位:核工业华东建设工程集团公检查人:郑凤、李斌、何林甫、韦福平 2016年 5 月 10 日表3-2云南省高速公路工程质量监督综合检查施工单位质量管理行为评分表项目名称:昭通市昭永公路合同段:SG1 施工单位:核工业华东建设工程集团检查人:郑凤、李斌、何林甫、韦福平 2016年 5 月 10 日表4-1 云南省高速公路工程质量监督综合检查工程实体质量检查评分表项目名称:昭通市昭永公路合同段:SG1 施工单位:核工业华东建分、中为75~85分、较好为85~90分,好为>90分,如存在返工的检查指标,该指标项只能评为差;检测项目按合格率计算得分;括号内数字为权值,实体指标得分为实体指标的加权平均值,工艺工法得分为工艺功法指标的加权平均值;单位工程得分为分部工程得分的加权平均值。
2.检查人员可根据工程进度和特点增加检查内容。
检查人:郑凤、李斌、何林甫、韦福平 2016年5 月 10 日表4-2 云南省高速公路工程质量监督综合检查工程实体质量检查评分表项目名称:昭通市昭永公路合同段:SG1 施工单位:核工业华东建设工程集团分、中为75~85分、较好为85~90分,好为>90分,如存在返工的检查指标,该指标项只能评为差;检测项目按合格率计算得分;括号内数字为权值,实体指标得分为实体指标的加权平均值,工艺工法得分为工艺功法指标的加权平均值;单位工程得分为分部工程得分的加权平均值。
表1
项目部建设检查验收表施工单位: 工程名称:
监理单位: 标段:
表 4
钢筋加工场建设检查验收表施工单位: 工程名称:
监理单位: 标段:
表 6
施工便道和便桥建设检查验收表施工单位: 工程名称:
监理单位: 标段:
表7
工地试验室建设检查验收表施工单位: 工程名称:
监理单位: 标段:
安全生产检查验收表施工单位: 工程名称:
监理单位: 标段:
表9
文明施工与环境保护检查验收表施工单位: 工程名称:
监理单位: 标段:
表 1
节能降耗检查验收表施工单位: 工程名称:
监理单位: 标段:。
宜昌市宜长高速公路工程
衬砌现场质量检验报告单
承包单位:
监理单位:编号:B-112-□□□□-□□□□工程名称施工时间
桩号及部位检验时间
项检验项目规定值或允许偏差检验结果检验频率和方法
次
1 混凝土强度在合格标准内按 JTJ071-98 附录 E 检查
(MPa)
2 衬砌厚度(mm)不小于设计每 40m 检查 1 个断面,用
激光断面仪类确定厚度
3 墙面平整度20 每 40m 用 2m 直尺每侧检查
(mm) 3 处
4 外观质量混凝土表面密实,任一延不符合要求时,每超过
米的隧道面积中,蜂窝麻0.5%减 5 分
面面积不超过 0.5%,深度
不超过 10mm。
结构轮廓线条直顺美观不符合要求时减 1~3 分结论:
监理工程师:日期:
承包人:日期:。