风管系统安装检验批质量验收记录-填写范例
- 格式:xls
- 大小:40.50 KB
- 文档页数:1
风管系统安装检验批质量验收记录表五篇篇一:风管系统安装检验批质量验收记录表(送、排风,防排烟,除尘系统)GB50243-2002(Ⅰ)0801008020080300804008050单位(子单位)工程名称金黔嘉华大酒店中央空调安装工程分部(子分部)工程名称防排烟系统验收部位负一层施工单位重庆精信格力中央空调工程有限公司项目经理陈科分包单位无分包项目经无理施工执行标准名称及编号通风与空调施工验收规范(GB50243-2002)施工质量验收规范的规定施工单位检查评定记录监理(建设)单位验收记录主控项目1 风管穿越防火、防爆墙第6.2.1条√2 风管内严禁其他管线穿越第6.2.2条√3 易燃、易爆环境风管第 6.2.2-2条√4 室外立管的固定拉索第 6.2.2-3条√5 高于80℃风管系统第6.2.3条√6 风管部件安装第6.2.4条√7 手动密闭阀安装第6.2.9条√8 风管严密性检验第6.2.8条√一般项目1 风管系统安装第6.3.1条√2 无法兰风管系统安装第6.3.2条√3 风管连接的水平、垂直质量第6.3.3条√4 风管支、吊架安装第6.3.4条√5 铝板、不锈钢板风管安装第 6.3.1-8条√6 非金属风管安装第6.3.5条√7 风阀安装第6.3.8条√8 风帽安装第6.3.9条√9 吸、排风罩安装第 6.3.10条√10 风口安装第 6.3.11条√施工单位检查评定结果专业工长(施工员)吴渭春施工班组长符合施工规范项目专业质量检查员:年月日监理(建设)单位验收结论专业监理工程师:(建设单位项目专业技术负责人):年月日篇二:风管系统安装检验批质量验收记录风管系统安装检验批质量验收记录编号:010004000102001 表5.22.4单位(子单位)工程名称电缆隧道单位工程分部(子分部)工程名称通风工程分项工程名称风管制作验收部位顶板施工单位青海鸿祥建设工程有限公司项目经理刘延斌施工执行标准名称及编号《变电(换流)站土建工程施工质量验收规范》(Q/GDW 1183—2012)专业工长(施工员)史有孝分包单位/分包项目经理/类别序号检查项目质量标准单位施工单位自检记录监理(建设)单位验收记录主控项目1风管穿越防火、防爆墙☆在风管穿过需要封闭的防火、防爆的墙体或楼板时,应设预埋管或防护套管,其钢板厚度不应小于1.6mm。
风管系统安装检验批质量验收记录风管系统安装检验批质量验收记录表(送、排风系统;防、排烟系统;除尘系统)GB 50243—说明GD2407004 GD2407010 GD2407015 GD2407021 GD2407029主控项目:1. 风管穿越封闭防火、防爆的墙或楼板应预埋管线或防护套管,其钢板厚≥1.6 mm ,间隙用不燃且对人体无害的柔性材料封堵。
尺量和观察检查、点燃试验。
2. 风管内严禁有其他管线穿越;输送易燃易爆气体或处于易燃易爆环境风管应有良好接地,通过生活区或辅助车间时必须严密且不得设置接口。
固定接索严禁拉在避雷针(网)上。
观察和尺量或手板检查。
3. 输送空气温度高于80℃的风管,应按设计要求采取防护措施。
观察检查。
4. 风管部件及操作机构应能保证正常使用功能,并便于操作;斜插板风阀的阀板必须为向上拉启;水来安装时,阀板还应顺气流方向插入;止回风阀、自动排气活门安装方向应正确。
尺量和观察检查,动作试验。
5. 安装方向正确,位置正确,抽查20%,不少于5件。
尺量、观察、动作试验。
6. 手动密封阀门上标志的箭头方向必须与受冲击波方向一致。
观察检查并核对方向。
7. 风管系统安装完毕后,应进行严密性检验,漏风量应符合设计与本规范第4.2.5条规定。
风管系统严密性检验。
(1)低压风管采用漏光法;中压风管在漏光法检测合格后进行漏风量测试;高压风管全数进行统严密性检验。
严密性测试按附录A 要求进行。
系统风管严密性检验的被抽检系统,应全数合格,则视为通过;如有不合格时,则应再加倍抽检,直到全数合格。
(2)净化空调系统风管的严密性检验,1~5级的系统按高压系统风管的规定执行;6~9级的系统按本规范第4.2.5条的规定。
一般项目:。
1. 风管安装前应病理干净,安装位置、标高、走向应符合设计要求,接口有效截面不得缩小。
法兰螺栓应拧紧且螺母在同侧。
接口严密牢固,法兰垫片材质符合功能要求,厚度≥3 mm ,且不得凸入管内外。
1 2 3 4 5 6 7 81 2 3 4 5 6 7 8 9 10验收部位项目经理施工班分包项目经理第6.3.11条施工单位检查评定记录第6.3.4条第6.3.1-8条第6.3.5条第6.3.8条第6.3.9条第6.3.10条第6.2.9条第6.2.8条第6.3.1条第6.3.2条第6.3.3条第6.2.3条第6.2.4条专业工长(施工员)第6.2.1条第6.2.2条第6.2.2-2条第6.2.2-3条铝板、不锈钢板风管安装非金属风管安装风阀安装风帽安装吸、排风罩安装风口安装风管穿越防火、防爆墙风管内严禁其他管线穿越易燃、易爆环境风管室外立管的固定拉索高于80℃风管系统风管部件安装手动密闭阀安装施工质量验收规范规定主 控 项 目一 般 项 目风管严密性检验风管系统安装无法兰风管系统安装风管连接的水平、垂直质量风管支、吊架安装风管系统安装检验批质量验收记录表 (送、排风,防排烟,除尘系统)GB50243-2002(Ⅰ)单位(子单位)工程名称分部(子分部)工程名称施工单位分包单位施工执行标准名称及编号施工单位检查评定结果项目专业质量检查员:监理(建设)单位验收结论专业监理工程师(建设单位项目专业技术负责人):d080503080103080203080303080403施工班组长监理(建设)单位验收记录录-2002年 月 日年 月 日。
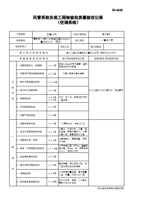
风管系统安装检验批质量验收记录(送排风、防排烟、除尘系统)工程名称南宁市帝都之夜餐饮娱乐城子分部工程名称防排烟系统验收部位四层施工单位广西政和消防安全有限责任公司分包单位项目经理黄华分包项目经理专业工长韦英神施工班组长陆英施工执行标准名称及编号《通风与空调工程施工质量验收规范》GB50243-2002施工质量验收规范规定检查方法检查数量施工单位检查评定记录监理(建设)单位验收记录主控项目1风管穿越防火、防爆墙(楼板)设预埋管或防护套管,其钢板厚≮1.6mm。
与防护套管之间,用不燃且对人体无害的柔性材料封堵尺量、观察检查按数量抽查20%,不少于1个系统√合格2风管安装风管内严禁其他管线穿越手板、尺量、观察检查√合格输送含有易燃、易爆气体或安装在易燃、易爆环境的风管系统有良好的接地,通过生活区或其它辅助生产房间时必须严密,并不得设置接口√室外立管的固定拉索严禁拉在避雷针或避雷网上———3输送空气温度高于80℃的风管,按设计规定采取防护措施观察检查√合格4风管部件安装各类风管部件及操作机构的安装,能保证其正常的使用功能,并便于操作尺量、观察检查,动作试验按数量抽查20%,不少于5件√合格斜插板风阀安装,阀板必须为向上拉启;水平安装时,阀板还应为顺气流方向插入√止回风阀、自动排气活门的安装方向正确√5防火阀、排烟阀(口)安装方向位置正确,防火分区隔墙两侧的防火阀,距墙面≯200mm√合格6 手动密闭阀安装阀门上标志的箭头方向必须与受冲击波方向一致观察、核对检查全数检查———7集中式真空吸尘系统安装弯管的曲率半径≮4倍管径,管弯内壁面光滑,不得采用褶皱弯管尺量、观察检查按数量抽查20%,不少于2件———三通的夹角≯45°;四通制作采用两个斜三通的做法———8风管允许漏风量矩形风管低压系统Q L≤0.1056 P 0.65查漏风量试验记录√合格中压系统Q M≤0.0352 P 0.65高压系统Q H≤0.0117 P 0.65低压、中压圆形金属风管、复合材料风管以及采用非法兰形式的非金属风管的允许漏风量,应为矩形风管规定值的50%√砖、混凝土风道的允许漏风量不应大于矩形低压系统风管规定值的1.5倍√排烟、除尘、低温送风系统按中压系统风管的规定,1~5级净化空调系统按高压系统风管的规定√的工作压力(Pa)。
平米
15
/5
2
/3全/1045/555/565
/
57全/108全/1015/525/535
/54/5/6/75/585/595/5105/5115
/
5
经检查,该检验批主控项目和一般项目
合格。
年 月 日
主
控 项
目一般
项目
检验批容量
施工单位
项目负责人监理单位验收结论项目专业质量检查员:
年 月 日
专业监理工程师:
风管内过滤器安装
第6.3.12条
抽查5处,合格5处
100%
专业工长:
施工单位检查结果风帽安装
第6.3.10条抽查5处,合格5处100%消声器及静压箱安装第6.3.11条抽查5处,合格5处100%风阀的安装
第6.3.8-1、2、3条抽查5处,合格5处100%排风口、吸风罩(柜)安装第6.3.9条抽查5处,合格5处100%非金属风管安装
第6.3.6-1、2、3条//复合材料风管安装第6.3.7条/
/含凝结水或其他液体风管第6.3.3条抽查5处,合格5处
100%柔性短管安装第6.3.5条//风管的支、吊架第6.3.1条抽查5处,合格5处
100%风管系统的安装
第6.3.2条抽查5处,合格5处100%风管严密性检验第6.2.9条共10处,检查10处,合格10
处
100%病毒实验室风管安装第6.2.12条共10处,检查10处,合格10
处
100%风管部件安装
第6.2.7-1、3、4、5条抽查5处,合格5处100%风口的安装第6.2.8条抽查5处,合格5处
100%风管内严禁其他管线穿越第6.2.3条共10处,检查10处,合格10
处
100%高于60℃风管系统第6.2.4条抽查5处,合格5处
100%风管支、吊架安装第6.2.1条抽查5处,合格5处
100%风管穿越防火、防爆墙体或楼板
第6.2.2条/
/施工依据《通风与空调工程施工规范》GB50738-2011验收依据
《通风与空调工程施工质量验收规
范》GB50243-2016验收项目
设计要求及规范规定最小/实际 抽样数量检查记录
检查结果22
分包单位∕
分包单位 项目负责人
∕
检验批部位
实验室风管系
统安装
风管系统安装检验批质量验收记录
(送风系统)
GD-C5-712163单位(子单位)工程名称分部(子分部)工程名称通风与空调(送风系统)分项工程
名称风管系统安装。