齿轮泵检修维护规程
- 格式:docx
- 大小:30.07 KB
- 文档页数:6
齿轮泵维护检修规程二○○七目录1 总则 4912 完好标准 4913 齿轮泵的维护与常见故障 4923.1 维护 4923.2 常见故障及处理方法 4934 齿轮泵的检修 4964.1 检修周期及内容 4964.2 检修方法及质量标准 4975 试车与验收 5016 维护检修安全注意事项 5021 总则1.1 适用范围参照原化学工业部颁发的《齿轮泵维护检修规程》(HG25026-91),编制本规程。
本规程适用于输送工作温度低于60℃的各种油品或其它液体的齿轮泵的维护检修。
本规程与制造厂的技术文件相抵触时,应遵循制造厂技术文件中的一切规定。
1.2 结构简述齿轮泵按齿轮啮合方式一般可分为外啮合齿轮泵和内啮合齿轮泵。
外啮合齿轮泵有直齿、斜齿和人字齿等,一般采用渐开线齿形;内啮合齿轮泵采用圆弧摆线齿形或渐开线齿形。
齿轮泵由一对相互啮合(外啮合或内啮合)的齿轮、主动轴、轴承、泵体、前后泵盖及轴封等零、部件组成。
一般情况下直接由电机或经过变速装置驱动齿轮泵的主动轴或者由主机的主轴驱动齿轮泵的主动轴。
外啮合齿轮泵的齿轮数目为2~5个,以两齿轮最常用。
齿轮泵一般用于输送不含有固体颗粒的液体,如用于输送润滑油、密封液以及在造气装置中作为液压油泵。
2 完好标准2.1 零、部件2.1.1 主辅机的零、部件完整齐全,质量符合要求。
2.1.2 仪表、计量仪器和各种安全装置齐全完整、灵敏、准确,压力表每年校验一次。
2.1.3 基础、机座稳固可靠,地脚螺栓和各部位连接螺栓紧固、齐整,符合技术要求。
2.1.4 管线、管件、阀门、支架等安装合理,标志分明,符合要求。
2.2 运行性能2.2.1 设备润滑良好,润滑系统畅通,严格执行“五定”、“三级过滤”。
2.2.2 无异常振动、松动、杂音等现象。
2.2.3 滑动轴承温度不超过65℃,滚动轴承温度不超过70℃;压力、流量、电流等运行参数符合要求。
2.2.4 密封渗漏符合要求。
2.2.5 生产能力达到铭牌出力或查定能力。
齿轮泵维护检修规程1 范围1.1 本规程规定了齿轮泵的检修周期、检修内容、检修方法、质量标准、试车与验收、维护及常见故障处理等内容。
1.2 本规程适用于输送温度低于60℃的各种油品的一般齿轮泵,齿轮泵不适用于输送挥发性强、闪点低、有腐蚀及含有硬质颗粒、纤维的介质。
2 规范性引用文件3 下列文件中的条款通过本标准的引用而成为本标准的条款。
凡是注日期的引用文件,其随后所有的修改单(不包括勘误的内容)或修订版均不适用于本标准,然而,鼓励根据本标准达成协议的各方研究是否可使用这些文件的最新版本。
凡是不注日期的引用文件,其最新版本适用于本标准。
45 设备型号规格主要技术性能5.1 设备型号规格泵齿轮泵6 检修周期及检修内容6.1 检修周期检修类别小修中修大修检修周期(月)4~6 12~186.2 检修内容6.2.1 小修a)解体检查各部零件磨损情况。
b)更换填料和密封垫圈。
c)检查清洗过滤器。
d)调整齿轮端面与端盖的间隙。
e)检查或更换联轴节的弹性胶圈和柱销。
f)校验压力表及安全阀。
g)泵与电机找正。
6.2.2 大修a)包括小修内容。
b)修理或更换齿轮、齿轮轴、端盖。
c)检查修理或更换轴承、联轴节、壳体和填料压盖。
d)机体油漆。
7 检修方法及质量标准7.1 齿轮a)齿轮的啮合顶间隙为0.2-0.3m(m:模数)。
b)齿轮的啮合侧间隙如表1规定:8 表1 单位:mm9 中心距10 安装间隙11 报废间隙12 ≤50 13 0.085 14 0.2015 51~80 16 0.105 17 0.2518 81~120 19 0.13 20 0.3021 121~200 22 0.17 23 0.35c)齿轮两端面与轴孔中心线垂直度不超过0.02mm/100mm。
d)两个齿轮宽度应一致,单个齿轮宽度误差不得超过0.05mm/100mm。
齿轮两端面平行度不大于0.02mm/100mm。
e)齿的啮合接触斑点应均匀分布在节圆线的上下,接触面积沿齿宽应大于60%,沿齿高应大于45%。
齿轮泵常规操作与维护保养重要步骤齿轮泵目的:可以保障齿轮泵的正确使用、精心维护和保养,使其经常处于良好的技术状态,并且安全稳定的运行。
2.流程2.1操作流程:2.1.1启动前检查全部管路法兰、接头的密封性,要求严密不漏。
2.1.2盘动联轴器,无憋劲才能启动。
2.1.3首次启动应向泵内注入输送液体,启动前应全开吸入和排出管路中的阀门,严禁阀门关闭时启动。
2.1.4验证电机转动方向,转向正确后方可启动。
2.1.5在运转过程中注意轴承和泵体各部位温度,首次启动应不超过80℃,发现泵和电机的声音异常或电流表指针迅速的上升,应立即停车检查。
2.1.6停车时先关闭电机后关闭泵的进出口阀门。
2.1.7注意泵的保温工作蒸汽不能关闭完。
3.维护和保养规程3.1经常检查泵及电机如发现异常,应停机检查3.2长期停止使用应拆卸清洗,并作防锈处理。
3.3密封机构若泄漏过多,应压紧压盖或拆开维修。
3.4定期检查零配件,若损坏,更换零配件。
3.5每班注意维护泵的清洁卫生,及时清理泄漏的物料避免造成对泵的腐蚀。
4.故障及原因4.1泵流量降低或不出液原因可能是:4.1.1泵内没排空.4.1.2吸上高度超过允许吸上高度。
4.1.3吸入接管漏气。
4.1.4旋转方向不对。
4.1.5吸入或排出管阻力过大。
4.1.6泵转速不够。
4.1.7安全阀密封泄漏,液体大量回流。
4.1.8液体内含有大量气体或过滤网堵塞。
4,1.9磨损严重间隙过大。
4.2泵的密封部分泄漏量大原因可能是:4.2.1填料密封盖没压紧。
4.2.2密封圈磨损或安装偏斜。
4.2.3机械密封摩擦付端面不平或密封圈老化变形。
4.3泵发出异常声音原因可能是:4.3.1齿面磨损或创伤。
4.3.2泵安装高度超过允许吸上真空高度而发生汽蚀。
4.3.3轴承磨损。
4.4电机所需功率过大原因可能是:4.4.1输送的液体粘度过大。
4.4.2排出管阻力过大。
4.4.3液体不干净,使泵发生研磨。
4.4.4转速超出规定值。
齿轮型输油泵机组操作规程 XBGD/QHSE—()齿轮型输油泵机组操作规程1目的和范围为了保证齿轮型输油泵机组的正常运行制定本规程。
本标准规定了齿轮型输油泵机组的启泵前的检查与准备、启动、运行中的监护、正常停泵、紧急停泵及故障判断等。
2引用标准(编制依据)2.1 ( )西部原油成品油管道工程操作原理2.2 ()齿轮泵使用维护说明书2.3 ( )容积泵技术规格书3主要性能参数和技术参数3.1齿轮型输油泵机组技术参数:详见附件一3.2齿轮型输油泵机组控制参数设定值:详见附件二3.3齿轮型输油泵特性曲线:详见附件三4 工作程序4.1启泵前的检查与准备4.1.1试运前的准备a.检查各联接部分螺栓和螺母是否紧固。
b.确认仪表的开关是否处于开启状态。
c.检查泵的转动方向是否和侧盖上铭牌指示的方向一致。
d.全部打开吸入侧和排出侧的阀门。
e.用手转动泵轴,确认转动是否平滑,不得有发沉、卡住等异常现象。
f.检查滤器是否堵塞,如果必要应清洗滤网。
g.打开排出侧的旋塞,开启电机,空气由抽气装置排出后,泵开始排油,如果泵在运行30分钟内不排油,那么关机检查吸入系统。
h.如果泵没有经过长时间运转,那么泵体内齿轮、轴、轴承以及机械密封的表面是干燥的,在重新开机前,用手转动泵的联轴器,使油进入泵体顶部,润滑、齿轮、轴、轴承和机械密封的表面。
i.如果被输送油的温度和泵体温度的温度超过40℃左右,进入泵体的油会引起热变形而导致抱轴事故发生。
如果泵是在高温下使用,(超过70℃)那么只有在加热后,或首先将泵体温度升高到被输送油的温度后才能运行泵。
4.2启泵4.2.1现场(就地)启泵a.起动电机,开始先点动一、两次,只有在确认旋转方向,振动,噪音,启动电流等方面情况没有异常时再开始运转。
b.当泵达到规定转速并且抽气装置排出油时,关闭抽气装置这是泵处于运转状态。
c.泵内的齿轮、轴、轴承、机械密封的表面由被输送油液自行润滑,干运转的情况应缘对避免。
1 主题内容与适用范围1.1本规程规定了齿轮泵的检修周期与内容、安全与环保要求、检修程序与质量标准、试车与验收、维护与故障处理。
1.2 本规程适用于石油化工输送温度低于60℃油品的齿轮泵。
2 安全与环保要求2.1安全要求2.1.1维修施工应持证上岗,严格执行操作规程,必须办理《进入生产区域一般作业许可证》,在安全措施逐条确认后,在施工区域主管单位施工负责人许可,并通知区域当班班组长后方可开始作业。
严禁无证作业,严禁私自作业。
2.1.2施工现场不得就地排放易燃易爆、有毒有害介质,施工废料应按规定堆放在指定地点,严禁乱仍乱放,应做到工完料净场地清。
检修现场的备品配件,机具的摆放必须整齐稳固,禁止高空抛物,高空坠落。
2.1.3各类机泵必须在停车降温、物料排空的状态下进行检修。
检维修前,检维修人员必须再次确认机泵及管线内的物料是否排净,是否有余压、余温。
有毒有害及可燃介质的管线,必要时加装盲板隔离。
2.1.4遇有异常情况,如:紧急排放、泄漏、事故等,应立刻停止一切作业,撤离现场并立刻报告或报警。
2.1.5施工机具和材料摆放必须整齐有序,不得堵塞消防通道和应急撤离通道,不得影响生产设施及装置人员的操作和巡检。
2.1.6严禁触动正在生产的管线、阀门、电线和设备等,严禁用生产设备、管线、构架及生产性构筑物作为起重吊架锚点。
2.1.7施工作业涉及用火、临时用电、高空作业、抽加盲板作业时,必须办理相应的作业许可证,必须持票作业。
2.1.8根据检修现场情况应配备必要的消防器材和防毒器具。
2.1.9检修现场施工人员必须按要求正确佩戴人身安全防护用品。
2.1.10凡电动机驱动的设备,检修前应先确认电机是否已切断电源,操作柱指示灯已熄灭。
钳工拆泵前应要求操作人员再次确认电机是否停电,只有确认断电才可进行维修作业,并严格执行工作票制度。
2.1.11零部件的清洗、脱脂、润滑必须按规定进行,不许使用易燃易爆的有机溶剂(包括汽油、石脑油、凝缩油等)进行清洗、脱脂。
计量泵齿轮泵安全操作及保养规程一、前言计量泵齿轮泵是一种常用的流体计量和输送设备,广泛应用于石油、化工、制药、食品等工业领域。
为确保设备运行的安全性、可靠性和稳定性,本文将对计量泵齿轮泵的安全操作和保养规程进行详细介绍,以供相关从业人员参考和遵守。
二、安全操作规程2.1 设备检查在使用计量泵齿轮泵之前,需要进行设备检查,确保设备处于正常工作状态。
具体操作如下:1.检查电气系统:确认电源线路连接正确,零线、地线接地可靠,控制箱密封、散热良好。
2.检查输液管路:确认输液管路连接牢固,无震动、漏液、松动等情况。
3.检查流量计:校准流量计显示是否准确,是否存在漏量等情况。
4.检查齿轮泵:检查齿轮泵传动部件是否正常,滑动套、油封及密封圈是否完好,油液是否充足。
2.2 设备操作在进行计量泵齿轮泵的使用操作时,需要注意以下要求:1.操作前清洗:确认输液管路内部清洗干净,无异物杂质。
2.操作前预热:在冬季使用前要提前预热,确保油温达到使用要求。
3.操作时注意监控:及时观察流量计、压力表等相关指示装置,监测设备的运行情况。
4.操作后清洗:操作结束后要彻底清洗输液管路、齿轮泵等设备部件,防止污物积存。
2.3 安全事项在计量泵齿轮泵的使用操作中,应注意以下安全事项:1.人员安全:操作人员应接受专业培训,并配备个人劳动保护用品,如手套、防护镜、防护服等。
2.环境安全:设备应安装在安全性较高的区域,远离易燃易爆物品,防止发生火灾或爆炸等意外情况。
3.设备保养:保持设备内敛卫生整洁,及时更换损坏的部件,防止设备长期处于磨损、老化状态下,导致设备危险性增大。
三、保养规程为确保计量泵齿轮泵长期运行稳定,需要定期对设备进行保养、检修。
具体保养规程如下:3.1 油润滑齿轮泵为机械设备,在运行过程中需要保持内部零部件的润滑状态,避免零部件的磨损、过度摩擦、热损失等。
因此,需要定期为设备进行加注润滑油操作,保证设备的润滑状态。
3.2 机械清洗长期使用后,设备内壁会沉积各种污垢或沉淀物,影响设备的正常运行。
齿轮泵维护检修规程总则 2 1.1 适用范围 21.2 设备性能 21.3 结构简述 22 完好标准 22.1 零、部件 22.2 远行性能 22.3 技术资料 22.4 设备及环境 23 设备的维护 33.1 日常维护 33.2 定期检查内容 33.3 常见故障处理方法 33.4 紧急情况停车 44 检修周期和检修内容 44.1 检修周期 44.2 检修内容 45 检修方法及质量标准 4 5.1 泵体与端盖 45.2齿轮 45.3 轴与轴套 55.4 轴承 55.5 填料密封 55.6 联轴器 56 试车与验收 66.1 试车前的准备 66.2 试车 66.3 验收 67 维护检修安全注意事项 6 7.1 维护安全注意事项 6 7.2 检修安全注意事项 6 7.3 试车安全注意事项71 总则1.1 适用范围本规程适用于化工企业2CY型齿轮泵的维护和检修。
其他型号齿轮泵可参照本规程执行。
1.2 设备性能几种型号的设备性能见表1。
表1型号出口管径in 流量m3/h 压力MPa 转数r/min 吸油高度m 电机功率kW2CY-1.08/25-12CY-2.1/25-12CY-3/25-12CY-4.2/25-12CY-7.5/25-1 3/41111/411/2 1.082.103.004.207.50 2.5 2.52.52.52.5 1500 1500 1500 1450 1450 0.5 0.50.50.50.5 2.2345.581.3 结构简述2CY型齿轮泵,主要零件包括有一对相互啮合的齿轮、主动轴、轴承、泵体、前后泵盖以及轴封装置等组成。
2 完好标准2.1 零、部件2.1.1 主、辅机的零件、部件完整齐全,质量符合理求。
2.1.2 仪表、计器和各种安全装置齐全完整,灵敏,准确,压力表一年校验一次。
2.1.3 基础、机座稳固可靠,地脚螺栓和各部螺栓连接紧固、齐整,符合要求。
2.1.4 管线、管件、阀门、支架等安装合理,标志分明,符合要求。
齿轮泵检修规程1、主题内容与适用范围本规程规定了齿轮泵的检修内容及间隔期、检修质量标准、检修前的检查和准备工作、检修程序、试车与验收、安全注意事项及交工验收资料等内容。
本规程适用于本厂A40R型齿轮泵的检修,其他型号齿轮泵可参照执行。
2、设备技术特性A40R齿轮泵是液压中心液压系统供油装置,(具体参数见表1)3、检修内容与间隔期3.1检修内容3.1.1小修3.1.1.1更换密封油封。
3.1.1.2检查或更换联轴器。
3.1.1.3紧固各部位连结螺栓。
3.1.1.4消除日常维护中检查出而未消除的缺陷。
3.1.2中修3.1.2.1包括全部小修项目。
3.1.2.2调整齿轮端面与端盖的间隙。
3.1.2.3更换端盖上的密封胶圈。
3.1.2.4校验压力表及安全阀。
3.1.2.5电机防腐3.1.2.6电机检查、修理、加油。
3.2检修周期(见表2)当车间监测手段已经具备开展预知维修的条件后,经请示上级主管部门批准,可不受检修周期表的限制。
4、检修质量标准4.1泵体铸件不得有气孔、砂眼、夹渣、裂纹等缺陷。
4.2泵体加工面应光滑无伤痕和沟槽,如有轻微拉毛和擦伤时,用半圆型油石研磨修理。
4.3端盖和滑动轴承侧面不得有气孔、砂眼、夹渣、裂纹等缺陷。
4.4组装时,紧固螺栓对称用力均匀,保证主动轴不能或者很难用手转动。
4.5两齿轮齿宽应一致,测量单个齿轮宽度误差不超过0.03%。
4.64.74.8泵内部的各油道、油孔畅通。
5、检修前的检查和准备工作5.1检修前的检查5.1.1检查出口压力是否过低。
5.1.2检查各密封点有无泄漏现象。
5.1.3检查液压油的温度是否过高(10o C~50o C)。
5.1.4检查齿轮泵的噪音是否过大。
5.1.5检查齿轮泵的振动是否剧烈。
5.1.6检查液压油流量是否不足。
5.2检修前的准备工作。
5.2.1所检修的齿轮泵的出口截止阀关闭。
5.2.2齿轮泵停车。
5.2.3齿轮泵电机断电。
5.2.4准备检修备件。
齿轮泵油泵安全操作及保养规程齿轮泵和油泵是工业生产中广泛使用的设备,它们一般被用来输送液体或气体等物质。
然而,由于工作环境的原因,这些设备通常会面临很大的压力、高度和恶劣条件,因此必须严格遵守操作规程。
本文介绍了齿轮泵和油泵的安全操作和保养规程,以保障工业生产的正常运转。
安全操作规程1. 设备检查在齿轮泵和油泵操作之前,必须对设备进行检查,以确保其符合要求。
具体操作如下:•对所有相关的管道和阀门进行检查,确保它们处于正确的状态并无泄漏。
•确保设备有足够的供液量并检查所需的液位指示装置是否正常。
•检查设备运行的环境,确保没有危险的条件存在,如火源、电源等。
•确保设备的电气系统符合标准并处于良好的状态。
•确保设备的连通性能正常,且操作简便。
•细心检查泵的密封状况,以保证其能够抵御住压力。
2. 个人防护措施操作齿轮泵和油泵时,必须注意自身安全,采取合适的个人防护措施。
具体应遵守以下规则:•绝对不要在运行中触碰泵或放在泵靠近的位置。
•戴上适当的防护手套和防护鞋,保护自己的手和脚。
•操作时应穿合适的工作服,以避免被细碎的物质溅到皮肤上。
•佩戴安全帽,以保护头部不受工作条件的影响。
•在高温和高压的环境下工作时,必须戴上防护面罩和呼吸器具。
3. 设备操作在操作齿轮泵和油泵时,必须按照以下步骤进行:•先启动设备,并调整至正常的运行状态,检查泵的吸入口是否正常。
•打开进口阀门,并按照需要调整其开度。
•注意观察泵的工作状态,并及时检查是否存在异常或故障。
•注意观察泵的出口压力,调整出口阀门使压力保持在正常范围内。
•绑定起重物时,必须使用正确的吊索和吊具,并上好安全带。
•操作人员绝对不得接近泵的运行部件,如活塞、齿轮等。
•在设备主机停止运作前,禁止关闭主要阀门。
4. 关机操作在齿轮泵和油泵的关机操作中,必须按照以下步骤进行:•先将油轮泵或齿轮泵的出入口阀门关闭,并断开输入电源。
•等待设备完全停止运行后,再进行清洁和保养操作。
齿轮泵维护检修规程一、齿轮泵的设备结构图及性能原理1. 齿轮泵的设备结构图1.1.外啮合齿轮泵结构图1.2.内啮合齿轮泵结构图2. 齿轮泵的性能原理齿轮泵是依靠一对互相啮合的轮齿工作的,啮合线把工作容腔分为吸油区和压油区,工作密封容积由齿轮齿槽、泵体和前后端盖构成,按图示方向旋转,当两齿逐渐退出啮合时,轮齿的体积让出齿槽,齿槽的工作密封容积逐渐增大,形成真空,将油从油箱中吸入齿间槽容积,随着齿轮转动,进入齿间槽的液体被带到压油区。
当两齿逐渐进入啮合时,齿间槽容积被轮齿占有,工作容积逐渐变小,油液受挤压,液体被排出。
二、检修1. 适用范围及编写依据,适用的标准及参考资料的目录1.1适用范围本规程适用于化工企业外啮合型齿轮泵的维护和检修,其他型号齿轮泵可参照本规程执行1.2编写依据,适用的标准及参考资料目录。
HGJ 1040-79 化工厂齿轮泵维护检修规程JB/T 6434-92 输油齿轮泵ISO 3945 泵振动评价标准GB 1184-80 形状和位置工程,未注公差的规定GB 1800-79 工差和配合总论、标准公差及基本偏差《化工厂机械手册》化工工业出版社 1989年《工业泵选用手册》化学工业出版社 1998年国际标准化组织推荐使用的日本川铁公司企业标准2. 检修周期及检修类别(大、中、小)及检修内容2.1检修周期检修类别小修大修检修周期(月) 6 242.2检修内容2.2.1 小修2.2.1.1 清洗油箱和管路、过滤器。
2.2.1.2 更换填料和密封垫圈。
2.2.1.3 检查或更换联轴器的弹性胶圈和柱销。
2.2.1.4 消除日常维护检查中查出而求消除的缺陷。
2.2.2 中修2.2.2.1 包括小修项目。
2.2.2.2 调整齿轮端面与端盖的间隙。
2.2.2.3 泵与电机找正。
2.2.2.4 校验压力表及安全阀。
2.2.2.5 修理或更换齿轮、齿轮轴、端盖。
2.2.2.6 检查修理或更换轴承、联轴器、壳体和填料压盖。
齿轮式机油泵检修流程下载温馨提示:该文档是我店铺精心编制而成,希望大家下载以后,能够帮助大家解决实际的问题。
文档下载后可定制随意修改,请根据实际需要进行相应的调整和使用,谢谢!并且,本店铺为大家提供各种各样类型的实用资料,如教育随笔、日记赏析、句子摘抄、古诗大全、经典美文、话题作文、工作总结、词语解析、文案摘录、其他资料等等,如想了解不同资料格式和写法,敬请关注!Download tips: This document is carefully compiled by theeditor.I hope that after you download them,they can help yousolve practical problems. The document can be customized andmodified after downloading,please adjust and use it according toactual needs, thank you!In addition, our shop provides you with various types ofpractical materials,such as educational essays, diaryappreciation,sentence excerpts,ancient poems,classic articles,topic composition,work summary,word parsing,copy excerpts,other materials and so on,want to know different data formats andwriting methods,please pay attention!齿轮式机油泵的检修流程详解齿轮式机油泵是发动机润滑系统的重要组成部分,它的正常运行直接影响到发动机的寿命和性能。
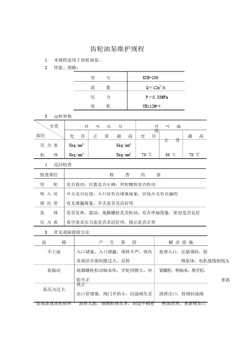
齿轮泵维护检修规程一、总则1.1 适用范围本规程适用于ZW-10.75/30型压缩机和增压透平膨胀机组2CY型齿轮油泵的维护和检修。
其他型号齿轮泵可参照本规程执行。
1.2设备性能几种型号的设备性能见表1。
表11.3结构简述2CY型齿轮泵,主要零件包括有一对相互啮合的齿轮、主动轴、轴承、泵体、前后泵盖以及轴封装置等组成。
二、检修质量标准1、零、部件1.1主、辅机的零件、部件完整齐全,质量符合理求。
1.2仪表、计器和各种安全装置齐全完整,灵敏,准确,压力表一年校验一次。
1.3基础、机座稳固可靠,地脚螺栓和各部螺栓连接紧固、齐整,符合要求。
1.4管线、管件、阀门、支架等安装合理,标志分明,符合要求。
2、运行性能2.1设备润滑良好、润滑系统畅通,实行“五定”,“三过滤”。
2.2无异常振动、松动、杂音等现象。
2.3滑动轴承温度不超过65℃,滚动轴承不超过70℃,压力、流量、电流等运行参数符合要求。
2.4密封渗漏符合要求。
2.5生产能力达到铭牌出力或查定能力。
3、技术资料3.1设备档案,检修及验收记录齐全。
3.2有设备履历卡片。
3.3有安装,使用说明书,产品质量合格证。
3.4易损配件有图样。
3.5有运行缺陷记录。
3.6设备运转时间记录准确。
3.7设备操作规程,检修规程,维批保养规程齐全。
4、设备及环境4.1泵体清洁,表面无灰虫、油垢。
4.2基础及底座整治,无破损部位。
表面及周围无废油、废液、环境整齐、清洁。
4.3泵体及附属管件、管线油漆完整,无鼓泡脱落现象。
4.4进、出口阀门、管口法兰、泵体、端盖等处接合面均无泄漏。
三、设备的维护1、日常维护.1.1严格执行岗位操作法,认真填写运行记录。
1.2定时检查各部轴承温度和油压。
每班检查润滑油液面高度。
1.3每班检查一次密封部位是否有渗漏现象。
1.4每班做好设备的整洁工作。
2、定期检查内容2.1定期监测轴承振动状况,振幅不大于0.15mm。
2.2每月对润滑油质作一次分折,检查油的粘度,水分、杂质等是否符合要求。
齿轮泵操作和维护-原则化操作规程目录1.目旳 (2)2.范畴 (2)3.职责 (2)4.齿轮泵基本构造与工作原理简介 (2)4.1齿轮泵构造图 (2)4.2工作原理 (2)5.齿轮泵操作 (2)5.1启动前检查 (2)5.2泵旳启动和运营 (2)6.维护和保养 (2)6.1泵维护概要 (2)6.2机械密封旳维护 (2)6.3润滑旳维护 (2)7.故障、故障因素及解决措施 (2)1.目旳明确齿轮泵旳操作措施、工艺参数控制措施,对旳使用机泵,保证安全、平稳运营。
2.范畴合用于中化珠海石化储运有限公司南迳湾库区旳齿轮泵旳使用和管理。
3.职责3.1生产部操作工负责根据工艺规定对旳开、停泵,进行机泵运营中检查,填写运营记录。
3.2工程设备部负责机泵旳维护检修。
4. 齿轮泵基本构造与工作原理简介4.1齿轮泵构造图1、泵盖2、轴承3、齿轮4、泵体5、轴图4.2工作原理动力通过轴传给齿轮,一对齿轮带动转子做同步反向旋转运动,使进口区产生真空,将介质吸入,随转子转动,将介质送往出口,继续转动,出口腔容积变小,产生压力(出口高压区)将介质输出。
由于转速较低,自吸能力较强,流动性能较差旳高粘介质,有充足旳时间和速度布满空穴,因此合用于高粘介质。
油泵内部密封面大,内泄较少,因此油泵效率较高,一般可达70%以上。
同步可以达到高压输送介质。
并且对较稀介质也有良好旳适应性4.3概述4.3.1特点TLB型稠油泵属于凸轮式容积泵。
该泵采用机械密封,具有转速低、效率高、运转平稳、自吸能力强、操作以便、泵可预热、性能可靠、寿命长等特点。
4.3.2范畴及用途专门为高粘介质设计旳高效油泵。
该泵对粘度适应范畴较宽,从2 mm2/s至100000 mm2/s 介质皆可输送,是石油化工、沥青、食品、轻工行业抱负旳输送设备。
4.3.3参数范畴4.3.3.1添加剂卸车泵流量:50m³/h 扬程:110m轴功率:30KW 操作温度:65~75 ℃进口压力:ATM 出口压力:1.0MPa4.3.3.2添加剂输送泵流量:90m³/h 扬程:100m轴功率:55KW 操作温度:65~75 ℃进口压力:常压~0.1MPa 出口压力:1.0~1.1MPa4.3.4材质阐明泵体材质为灰铸铁,输送介质温度为-20℃~200℃。
国投广东生物能源有限公司齿轮泵检修维护规程Q/GTSW207.01-20151 总则1.1主题内容与适用范围1.1.1 本规程规定了齿轮泵的检修周期与内容、检修程序与质量标准、试车与验收、维护与故障处理。
1.1.2 本规程使用于石油化工输送温度低于60°油品的齿轮泵。
1.1.3 本规程不适用于输送挥发性强、闪点低、有腐蚀及含有硬质颗粒、纤维的介质。
1.2 编写修订依据HGJ-1040—79 化工厂齿轮泵维护检修规程JB/T6434—92 输油齿轮泵ISO 3945 泵振动评价标准GB1184--80 形状和位置公差,未注公差的规定GB1800—79 公差与配合总论、标准公差与基本偏差1.3 齿轮泵完好标准1.3.1 运转及效能a. 压力、流量平稳,无杂音、无异常震动。
b. 泵运行的实际流量和压力能满足正常生产需要,不低于铭牌规定流量的90%。
c. 轴承密封好,工作状态下泄漏量不超过10滴/min,停止工作不泄漏。
d. 轴承润滑良好,温度不超过70℃。
1.3.2 泵体与安装a. 泵体完整、无裂纹及渗漏,外观整洁,油漆完好,铭牌清晰,轴(轮)见光,无油迹。
b. 机座牢固,泵体安装水平,地脚螺丝紧固、满扣。
机组同心度良好。
联轴器防护罩完好有效。
1.3.3 仪表及附件a. 压力表、真空表齐全、准确。
压力表量程为额定量程的2倍,精度不低于1.5倍。
b. 需要对流量进行调节的应装设回流管。
按规定装配的安全阀的定压为工作压力1.1~1.2倍,方向正确。
c. 吸入管径不小于泵的吸入口径;过滤器滤网(30~40目)净流通总面积为进口管面积的10~12倍。
1.3.4 技术资料a. 产品出厂合格证、易损配件图纸技术资料齐全。
b.设备履历卡片、检修等及验收记录、运行及缺陷记录齐全、准确。
2 检修周期与内容2.1 检修周期检修周期见表一,根据运行状况,状态监测结果适当调整检修周期。
表一2.2 检修内容2.2.1 小修项目2.2.1.1检查轴封,必要时更换密封元件,调整压盖间隙或修理机械密封。
2.2.1.2 检查清洗入口过滤器。
2.2.1.3 校正联轴器对种情况。
2.2.2 大修项目2.2.2.1 包括小修项目内容。
2.2.2.2 解体检查各部零部件磨损情况。
2.2.2.3修理或更换齿轮副、齿轮轴、端盖。
2.2.2.4检查修理或更换轴承、联轴器、壳体和填料压盖。
2.2.2.5 校验压力表及安全阀。
3 检修与质量标准3.1 检修前准备3.1.1 掌握运行情况,了解近期机械状况,做出检修内容的确定。
3.1.2 备齐必要的图纸资料、数据。
3.1.3备齐检修工具、量具、配件及材料。
3.1.4 切断电源,关闭进出口阀,排净泵内介质,符合安全检修条件。
3.2 拆卸与检查3.2.1 拆卸联轴器。
3.2.2 拆卸后端盖检查轴承。
3.2.3 拆卸压盖,检查填料密封或机械密封。
3.2.4 拆卸检查齿轮、齿轮轴和轴承。
3.2.5 联轴器对中。
3.3 检修与质量标准原则上以设计或使用、维护说明书要求为准,无要求时参照以下标准执行。
3.3.1 油泵齿轮3.3.1.1 齿轮啮合间隙为(0.2—0.3)XM(M为模数)。
3.3.1.2齿轮啮合侧隙应符合表2的规定。
表2 齿轮啮合侧隙标准(mm)3.3.1.3 齿轮两端面与轴孔中心或齿轮轴齿轮两端面与轴中心线垂直度公差值为0.02mm/100mm。
3.3.1.4 两齿轮宽度一致,单个齿轮宽度误差不超过0.05mm/100mm,两齿轮轴线平行度值0.02mm/100mm。
3.3.1.5 齿轮啮合接触斑点均匀,其接触面积沿齿长不小于70%,沿齿高不少于50%。
3.3.1.6 轮与轴的配合为H7/m6.3.3.1.7齿轮端面与端盖的轴向总间隙一般为0.10—0.15mm。
3.3.1.8 齿顶与壳体的径向间隙为0.15—0.25mm.但必须大于轴径在轴瓦的径向间隙。
3.4 触动齿轮3.4.1 侧间隙0.354mm。
3.4.2 顶间隙1.35mm。
3.4.3 齿轮跳动≤0.02mm。
3.4.4 齿轮端面跳动≤0.05mm。
3.5 轴与轴承3.5.1 轴颈与滑动轴承的配合间隙(经验值)如表3所示表3 轴颈与滑动轴承配合间隙值注:D为轴颈直径,单位:mm.3.5.2 轴颈圆度公差值为0.01mm,表面不得有伤痕,粗糙度为Ra1.6。
3.5.3轴颈最大磨损量小于0.01D(D为轴颈直径)。
3.5.4 滑动轴承外圆与端盖配合为R7/h6。
3.5.5 滑动轴承内孔与外圆的同轴度公差值为0.01mm。
3.5.6 滚动轴承内圈与轴的配合为H7/js6。
3.5.7 滚针轴承外圈与端盖的配合为K7/h6。
3.5.8 滚针轴承无内圈时,轴与滚针的配合为H7/h6。
3.6 端盖3.6.1 端盖加工表面粗糙度为Ra3.2,两轴孔表面粗糙度为Ra1.6。
3.6.2 端盖两轴孔中心线与加工端面垂直度公差值为0.03mm/100mm。
3.7 壳体3.7.1 壳体两端面粗糙度为Ra3.2。
3.7.2 两孔轴心线平行度和对两端垂直度公差值不低于IT6级。
3.7.3 壳体内孔圆柱度公差值为0.02—0.03mm/100mm。
3.7.4 孔径尺寸公差和两中心距偏差不低于IT7级。
3.8 轴向密封3.8.1 填料压盖与填料箱的直径间隙一般为0.1—0.3mm 。
3.8.2 填料压盖与轴套的直径间隙为0.75—1.0mm,周向间隙均匀相差不大于0.1mm。
3.8.3填料尺寸正确,切口平行、整齐、无松动,接口与轴心线成45°夹角。
3.8.4 压装填料时,填料的接头必须错开,一般接口交错90°,填料压盖不宜压装过紧。
3.8.5 安装机械密封应符合技术要求。
3.9 联轴器3.9.1 联轴器与轴的配合根据轴径不同,采用H7/js6、H7/k6、H7/m6。
3.9.2 联轴器对中偏差和端面间隙如表4所示。
4 试车与验收4.1 试车前准备4.1.1 检查检修记录,确认检修数据正确。
4.1.2 盘车无卡涩,填料压盖不歪斜。
4.1.3 点动电动机确认旋转方向正确。
4.1.4 检查液面,应符合泵的吸入高度要求。
4.1.5 压力表、溢流阀应灵活好用。
4.1.6 向泵内注入输送介质。
4.1.7 确认出口阀门打开。
4.2 试车4.2.1 齿轮泵不允许空负荷运转。
4.2.2 运行良好,应符合下列机械性能及工艺指标要求。
a. 运行平稳,无杂音。
b. 振动烈度符合SHS01003—2004《石油化工旋转机械振动标准》相关规定。
c. 冷却水和轴封系统工作正常,无泄漏。
d. 流量、压力平稳。
e. 轴承温升符合标准。
f. 电流不超过额定值。
g. 密封泄露不超过下列要求:机械密封重质油不超过5滴/min;轻质油不超过10滴/min。
填料密封重质油不超过10滴/min;轻质油不超过20滴/min。
4.2.3 安全阀回流不超过3min。
4.2.4 试车24小时合格后,按规定办理验收手续,移交生产。
4.2.5 试车期间维修人员和检修人员加强巡检次数。
4.2.6 停车时不得先关闭出口阀。
4.3 验收4.3.1 检修质量符合SHS01001—2004《石油化工设备完好标准》项目内容的要求和规定,检修记录齐全、准确,并符合本规程要求。
4.3.2 设备技术指标到达设计要求或满足生产需要。
4.3.3 设备状况达到完好标准。
5 维护和故障处理5.1 日常维护5.1.1 定时检查泵出口压力,不允许超压运行。
5.1.2 定时检查泵紧固螺栓有无松动,泵内无杂音。
5.1.3 定时检查填料箱、轴承、壳体温度。
5.1.4 定时检查轴密封泄露情况。
5.1.5 定时检查电流。
5.1.6 定期清理入口过滤器。
6检修安全注意事项及预防措施6.1 检修设专项负责人,在检修前,对参加人员进行分工;6.2、在检修设备前与生产操作人员联系好并把总电源开关拉下,挂好停电作业牌方可施工。
施工未完,停电作业牌不能摘下,禁止任何人开动设备;6.3、各种阀门关闭位置检查无误;6.4 在检修设备和装配前,对需要装配的零件尺寸应先校对,关键装配尺寸和更换零件要有检修记录;6.5检修工具和零部件设专人保管,避免丢失,而影响检修;6.6 在拆卸和装配尺寸精度较高的零件时严禁硬打敲,需敲时可用木质或铜质垫块;6.7 做到文明检修,检修完应清理现场,将旧零件及金属物品等清除干净,放到指定地点,防止遗留在设备内,造成事故,并检查安全防护罩等是否安装好;7 常见故障与处理(见表5)。