中频电疗产品技术审查规范
- 格式:doc
- 大小:68.51 KB
- 文档页数:16
电脑中频电疗仪适用范围:具有镇痛、锻炼肌肉、促进血液循环和软化瘢痕松解粘连的作用。
1.3 产品结构及组成由台式电脑(主机、显示器)、中频治疗主机、轮车、附件(电源线、治疗输出线、电极片、保险管、绑带)及随机文件组成。
1.4 电极片配置数量(单位mm):(185×106)10片、(122×80、95×60、80×40)各2 片、(Φ40)2片、(107×72)热12片.2.1 外观2.1.1 仪器外观应整齐,色泽均匀、无伤痕、划痕等缺陷。
2.1.2 仪器上的文字和标志应牢固、清晰可见。
2.1.3 仪器的外壳(塑)应无起泡、开裂、变形等现象。
2.2 工作频率a)中频载波频率:(2000、3000、4000、5000、6000、7000、8000)Hz,误差为±10% ;1:1等幅方波。
b)低频调制频率:(0.5~150)Hz,误差为±10% 。
2.3 调制波形(方波、三角波、正弦波、指数波、尖波、锯齿波)100%调制。
2.4 输出电流在基准负载500Ω时,最大输出电流应不小于50mA,输出电流极限值应不大于100mA。
输出电流应在最小至最大范围内连续可调。
2.5 差频变化范围电疗仪的差频(固频、扫频)范围不窄于(8~96)Hz。
2.6 动态节律电疗仪的动态节律:8s±10%。
2.7 差频变化周期:15~30s。
2.8 调幅度电疗仪的调幅度在0-100%范围内分为:33.3%、60%、100% 三级,调幅度允差±5% 。
2.9 连续工作时间:不小于4h 。
2.10 抗短路能力:在最大输出时,将电极开路运行10min后,再短路运行5min,电疗仪应保持工作正常。
2.11 处方:处方99个。
2.12 电极片:a) 电极片导电电阻:插孔与导电面任意点间电阻<100Ω;b) 加热电极片的加热温度在50℃以下;c)应配置具有医疗器械注册证书的产品。
电脑中频电疗仪适用范围:镇痛作用、锻炼肌肉、促进血液循环、软化瘢痕松解粘连。
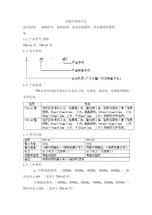
1.1 产品型号/规格T99-AI型、T99-AV型1.2 划分说明1.3 产品组成T99-A系列电脑中频电疗仪是由主机、电源线、输出线、电极板和随机文件组成。
1.4 型号区别2.1 工作频率a)中频载波频率:(2000Hz、3000Hz、4000Hz、5000Hz、6000Hz),频率允差±10%。
(适用于T99-AI型)中频载波频率:(1000Hz、2000Hz、3000Hz、4000Hz、5000Hz、6000Hz),频率允差±10%。
(适用于T99-AV型)b)低频调制频率:不窄于0-150Hz。
2.2波形:a)调制波形为:方波、三角波、正弦波、指数波、等幅波。
调制后的波形幅值为50V,误差为±10%。
b)基波波形为:等间隔方波,占空比1:1,基波幅值为50V。
2.3输出电流在基准负载500Ω时,最大输出电流值不应小于50mA,输出电流极限值不大于100mA,并在0至最大输出范围内连续可调,可连续分100档调节,误差±5%。
(适用于T99-AI型)在基准负载500Ω时,最大输出电流值不应小于50mA,输出电流极限值不大于80mA,并在0至最大输出范围内连续可调,可连续分100档调节,误差±5%。
(适用于T99-AV型)2.4 电流稳定度输出电流稳定度:输出电流变化≤5%;2.5处方要求输出定时:1-14号处方为 20分钟,15-16号处方为30分钟(适用于T99-AI型);15号处方30分钟,16号处方60分钟(适用于T99-AV型)。
电脑中频电疗仪处方应满足附表1的要求。
2.6调幅度电疗仪调幅度为100%、60%、0%。
调幅度允差±5%。
2.7连续工作时间:不小于4h。
2.8在最大输出时,经电极短路5s,开路15s,关闭输出1min重复试验10次后,电疗仪工作正常。
中频治疗仪适用范围:该产品具有镇痛、改善局部血液循环,促进炎症消散、软化瘢痕松解粘连、兴奋神经肌肉的作用。
1.1 规格型号:ECM-Ⅱc。
1.2 规格型号划分说明1.3 结构组成本仪器由主机、输出线和电极组成。
2.1 工作条件2.1.1 工作电压和输入功率:交流电220V±22V,频率50Hz±1Hz,25VA。
2.1.2 工作环境:环境温度5℃~40℃,相对湿度≤80%。
;负载范围250-750Ω。
2.2 使用性能2.2.1 工作频率:最小1kHz,最大12kHz,允差±10%。
2.2.2 输出电流:在500Ω的负载电阻下,输出电流不超过以下的限值:频率≤1500Hz,为80mA(r.m.s),频率>1500Hz为100mA(r.m.s)。
2.2.3 输出电流稳定度:≤10%。
2.2.4 调制频率范围:0Hz~150Hz,允差±10%。
2.2.5 调幅度:设有0%、33%、60%、100%四种调幅度,允差±10%。
2.2.6 调制波形:具有方波、尖波、三角波、指数波、锯齿波、正弦波、等幅波、梯形波、扇形波、扇梯波以及它们的组合。
2.2.7 基波波形:方波。
2.2.8 处方:24个。
2.2.9 定时:默认处方时间:20min或30min,误差±5%。
2.2.10 连续工作时间:不小于4h。
2.2.11 抗短路开路能力:最大输出时,将电极开路运行10min后,再短路运行5 min,治疗仪能正常工作。
2.2.12 加热温度:分6档可调,0挡关闭加热,1-5档热度逐步增大,最低档和最高档的温度分别为37℃和45℃,允差±3℃。
2.2.13 保持功能:保持功能有效时,输出波形、频率等参数保持不变。
2.2.14 外观2.2.14.1 表面应光洁平整,色泽均匀,无腐蚀、涂覆层脱落、划痕和明显凹凸不平现象。
2.2.14.2 紧固件应连接牢靠,功能开关及输出量控制机构应安装准确、调节可靠。
2.性能指标2.1外观与结构2.1.1治疗仪外形应端正,表面应光亮、整洁,色泽应均匀,无明显划痕、裂纹、锋棱及毛刺。
2.1.2治疗仪的文字和标记应清晰、准确、牢固。
2.1.3治疗仪各控制机构操作应灵活可靠,紧固件应无松动。
2.1.4治疗仪应有输出指示。
2.2 电气性能2.2.1脉冲频率应在 1Hz~2500Hz 范围内。
2.2.2脉冲宽度应在 0.05ms~1ms 范围内。
2.2.3治疗仪开路的条件下测量时,输出峰值电压应不超过 500V。
2.2.4治疗仪在500Ω的负载电阻下,每一个脉冲的能量必须不超过 300mJ。
2.2.5治疗仪应配有输出幅度值从最小到最大连续可调,或每个增量不大于 1mA 或1V断续调节的输出幅度控制器。
其最小输出设定值,必须不超过最大设定值的 2%。
2.3电热性能2.3.1治疗仪发热片温度应符合以下要求:a)治疗仪热输出达到稳定状态后,发热片温度应不低于37℃;b)治疗仪最高温度应低于60℃。
2.3.2治疗仪具有两路独立的温度保护装置。
在治疗仪正常工作下,第一路温度保护装置控制加热的温度。
在第一路温度保护装置失效情况下,当治疗仪发热片温度超过60℃时,第二路温度保护装置应动作,并切断加热电源。
2.4定时时间治疗仪的定时时间在 5min~30min 范围内可调,步进为 5min,允差±1min 2.5环境试验要求治疗仪的环境试验应符合 GB/T 14710-2009 中气候环境试验Ⅱ组,机械环境试验Ⅱ组的规定。
运输试验、电源电压适应能力试验应分别符合 GB/T 14710-2009中4 章、5 章的规定。
2.6安全要求应符合 GB9706.1-2007、YY0607-2007 的规定。
2.7电磁兼容性应符合 YY 0505-2012《医用电气设备第 1-2 部分:安全通用要求并列标准:电磁兼容要求和试验》和 YY 0607-2007《医用电气设备第 2 部分:神经和肌肉刺激器安全专用要求》中第 36 章的要求。
中频治疗仪产品技术要求北京爱沃斯首先,北京爱沃斯中频治疗仪的电源输入电压应该符合电力标准,常见的输入电压为220V或者110V,以便于用户能够方便地接入电源进行使用。
同时,设备应该具备防雷击、过流、过载等保护功能,以保证用户的安全使用。
其次,北京爱沃斯中频治疗仪应具备准确可靠的电流输出功能。
中频电流的频率通常在2kHz到10kHz之间,输出电流应可调节,调节范围为一定的最低值到一定的最高值之间。
这样,可以根据患者的具体情况和治疗需要进行个性化的调节。
同时,中频治疗仪应保持输出电流的稳定性,尽量避免因输出变化不稳定而对患者造成不适。
第三,北京爱沃斯中频治疗仪需要具备合适的电极材料和设计结构,以提供适当的电极质量和电极舒适度。
电极材料要求无毒、无刺激和无过敏性,以最大程度上减少对患者皮肤的刺激,同时电极结构要合理设计,方便用户操作。
第四,北京爱沃斯中频治疗仪应具备合适的治疗模式选择功能。
不同的疾病和治疗部位所需的治疗模式可能不同,因此中频治疗仪应提供多种治疗模式的选择,例如连续波、间断波、突发波等,以满足不同治疗需求。
第五,北京爱沃斯中频治疗仪需要具备合适的治疗参数调节功能。
中频治疗的参数例如治疗时间、治疗强度等都需要可调节,以适应不同患者的治疗需求。
同时,中频治疗仪应具备清晰明确的参数显示功能,以便于用户了解当前的治疗状态。
第六,北京爱沃斯中频治疗仪需要具备良好的安全性能。
生物电刺激设备需要保持安全可靠的使用环境,不仅需要适量的绝缘阻抗,还需要具备一定的防水、防尘等功能。
此外,中频治疗仪应通过相应的认证和检测,例如医疗器械注册证和ISO质量管理体系认证,以确保产品的质量和安全性。
在产品技术要求方面,北京爱沃斯中频治疗仪需要满足电源输入、电流输出、电极材料和设计、治疗模式选择、治疗参数调节以及安全性能等方面的要求。
只有满足了这些要求,才能够提供有效的治疗效果,保障患者的健康和安全。
中频电疗产品注册技术审查指导原则
其次,中频电疗产品注册技术审查需要关注产品的安全性能。
包括产
品的电气安全、机械安全和热安全等方面。
对产品所使用的电气元件、电
路布局、外壳材料等进行严格的审查。
要求申请人提供产品的电气性能测
试结果,以验证产品在使用过程中是否符合相关的电气安全要求。
同时,
还需要对产品的机械结构进行评估,确保产品在正常使用情况下不会出现
机械故障或损坏。
另外,还要对产品在长时间使用过程中是否会过热进行
评估,以避免因过热导致的安全问题。
此外,中频电疗产品注册技术审查需要注重产品的稳定性和可靠性。
要求申请人提供产品的可靠性测试报告,以证明产品的使用寿命和可靠性。
并要求申请人提供相关的质量控制体系和生产工艺流程,以确保产品的一
致性和品质。
另外,中频电疗产品在注册技术审查中还应该关注其适用性和操作的
便捷性。
要求申请人提供产品的使用说明书和操作视频,以方便用户正确
操作产品。
并要求申请人提供相关的培训和售后服务支持,以提高产品的
使用效率和用户满意度。
最后,中频电疗产品注册技术审查在审查过程中还需要注重对产品的
市场竞争性的评估。
要求申请人提供产品的市场调研数据,以证明产品在
市场上的需求和竞争力。
并要求申请人提供产品的技术创新点和差异化优势,以证明产品的市场竞争力。
综上所述,中频电疗产品注册技术审查指导原则应注重安全性、可靠性、稳定性、适用性和市场竞争力等方面的评估。
通过严格审查,确保中
频电疗产品的质量和效果,并为相关疾病的康复提供良好的物理治疗设备。
中频电疗产品注册技术审查指导原则导言:中频电疗产品是一类应用于医疗领域的电子设备,通过中频电疗技术来治疗多种疾病或症状。
为了确保中频电疗产品的质量和安全性,各国相关机构制定了一系列技术审查指导原则。
本文将介绍中频电疗产品注册技术审查的指导原则。
一、产品分类:中频电疗产品根据其功能和应用范围可以分为多个类别,如疼痛治疗仪、理疗仪、康复训练设备等。
在进行技术审查时,需要根据产品的分类来确定适用的技术标准和法规要求。
二、技术标准:技术标准是中频电疗产品注册技术审查的基础。
不同国家和地区可能采用不同的技术标准,但通常会参考国际上通用的标准,如IEC 60601系列标准。
审查人员需要详细了解这些标准的要求,确保产品符合相关规定。
三、技术文件:在进行技术审查时,申请人需要提交完整的技术文件。
技术文件应包括产品的技术规格、设计图纸、电路图、测试报告等。
审查人员将根据技术文件评估产品的安全性和有效性。
四、电气安全:中频电疗产品涉及电气安全问题,因此审查人员将重点关注产品的绝缘性能、接地保护、电源电压范围等方面。
产品应符合相关标准和法规要求,确保使用过程中不会对患者和操作人员造成电击等安全风险。
五、辐射安全:中频电疗产品可能会产生电磁辐射,因此需要进行辐射安全评估。
审查人员将关注产品的电磁辐射水平是否符合国家和地区的限值要求,以及是否存在对人体健康有害的辐射。
六、功能性能:中频电疗产品的功能性能对其治疗效果至关重要。
审查人员将评估产品的治疗参数是否合理、治疗模式是否多样化,并要求申请人提供相关的临床试验数据来支持产品的有效性和安全性。
七、质量管理:为了确保中频电疗产品的一致性和可追溯性,申请人应建立有效的质量管理体系。
审查人员将评估申请人的质量管理文件,包括质量手册、程序文件、培训记录等,以确认产品的制造过程是否符合质量管理要求。
八、风险管理:中频电疗产品的使用涉及一定的风险,包括电击、过热等。
申请人需要进行风险评估和风险控制措施的设计,并提供相应的风险管理文件。
2.2性能要求2.2.1电脉冲参数a)脉冲频率应为 1.25kHz,允差±10%,方波;b)脉冲宽度应为 100us,允差±30%;c)每一脉冲最大能量应不超过 300mJ。
2.2.2最大输出幅度a)负载500Ω 时,最大输出幅度应不大于 50V;b)负载开路时,最大输出幅度应不大于 500V。
2.2.3最大输出电流负载500Ω 时,最大输出电流应不超过 80mA(r.m.s)。
2.2.4输出电流稳定度不同负载下的输出电流变化率应不超过 10%。
2.2.5控制器控制器输出幅度调节每档幅度增量应不大于 1V 断续调节,其最小输出设定值应不超过最大输出设定值的 2% 。
2.2.6输出闭锁除非控制器输出幅度预置在最小位置,否则设备不得有能量输出;这个要求也必须应用于供电短时中断后又恢复的情况。
2.2.7输出指示应设有正常状态下和单一故障状态下存在输出的指示,如果用信号灯来指示,其颜色必须是黄色;2.2.8调幅度输出波形的调幅度为 100%,误差±10%。
2.2.9定时时间定时时间应为 0~30 分钟内倒计时,步进 5 分钟,允差±10%。
2.2.10治疗模式及调制波电疗仪有 4 个治疗模式,每种治疗模式的调制波频率应小于 70Hz。
2.2.11波形载波和调制波应符合表 3 要求。
2.2.12连续工作时间应不少于 4 小时。
2.3电极片2.3.1电极电阻电阻应为104Ω,允差±10%。
2.3.2电极温度电极工作在发热状态时表面温度应在37℃~60℃范围内。
2.3.3电极尺寸规格1)人体可接触部分长118mm×宽60mm,允差±5%,电极形状尺寸如图 3;2)连接线横截面积不小于0.05mm²。
2.3.4电极要求产品的电极片应符合 YY 0868-2011《神经和肌肉刺激器用电极》的要求。
2.4安全要求电疗仪应符合 GB 9706.1-2007《医用电气设备第 1 部分:安全通用要求》、YY 0607-2007《医用电气设备第 2 部分:神经和肌肉刺激器安全专用要求》标准要求。
中频治疗仪适用范围:该产品具有镇痛、改善局部血液循环、促进炎症消散、软化瘢痕、松解粘连、兴奋神经肌肉的作用。
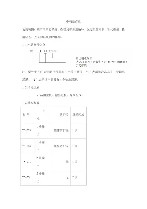
1.1产品型号划分注:型号中“Y”表示该产品具有1个输出通道,“L”表示该产品具有2个输出通道,“S”表示该产品具有4个输出通道。
1.2结构组成产品由主机、输出电极、导线组成。
1.3基本参数2.1工作条件2.1.1环境条件a)环境温度:+10℃~+40℃b)环境湿度:30%~75%c)大气压力:700hpa~1060hpa2.1.2电源a)交流电压:220V±22Vb)频率:50Hz±1Hz2.2使用性能2.2.1 中频频率1kHz~10kHz 误差:±30% 2.2.2 脉冲宽度50us~500us 误差:±30% 2.2.3调制波频率0Hz~440Hz 误差:±30% 2.2.4调幅度0~100% 误差:±5% 2.2.5最大输出电流最大输出电流有效值不大于100mA。
2.2.6 输出波形基波:脉冲方波调制波:方波、指数波、三角波、前三角波、后三角波、等幅波、正弦波、阶梯波。
2.2.7加热状态下极板温度加热状态下极板温度不高于60℃。
2.3安全要求2.3.1符合GB9706.1-2007《医用电器设备第1部分:安全通用要求》以及YY0607-2007《医用电气设备第2部分:神经和肌肉刺激器安全专用》的要求。
2.3.2符合YY0505-2012《医用电气设备第1-2部分安全通用要求并列标准电磁兼容-要求和试验》的要求及YY0607-2007《医用电气设备第2部分:神经和肌肉刺激器安全专用》中36章关于电磁兼容的要求。
2.3.3产品的安全特性和电气绝缘图见附录A。
2.4环境试验要求本产品环境试验应符合GB/T 14710中气候环境试验Ⅱ组,机械环境试验Ⅱ组及表1的规定。
详见附录B。
术语4.术语4.1中频治疗仪定义应符合YY0607—2007的规定。
最新版中频治疗仪产品技术要求一、概述中频治疗仪是一种基于中频电疗技术的医疗设备,用于治疗和缓解各种疾病和症状。
它具有无创、无毒副作用、无辐射等特点,广泛应用于医疗机构和家庭健康管理。
1.治疗模式:中频治疗仪应具备多种治疗模式,包括但不限于电针刺激、按摩模式、脉冲电刺激、电针治疗、电疗等。
用户可根据病情选择合适的治疗模式。
2.输出参数:中频治疗仪的输出参数包括但不限于电压、电流、频率、脉宽等。
应具备可调节的输出参数,以满足不同病情和治疗需求。
3.治疗电极:中频治疗仪应配备多种不同类型的治疗电极,包括但不限于贴片电极、手持电极、眼罩电极等。
治疗电极应具备良好的导电性能和舒适的使用体验。
4.治疗程序:中频治疗仪应具备多种预设的治疗程序,用户可根据需要选择合适的治疗程序。
治疗程序应具备科学、有效的治疗方案。
5.安全性能:中频治疗仪应符合相关的安全性标准和要求,具备过载保护、漏电保护、电极缺失检测等功能,确保使用的安全性。
6.操作界面:中频治疗仪应具备直观、简单的操作界面,方便用户进行操作和设定。
操作界面可以是触摸屏、按钮等形式。
7.电源和电池:中频治疗仪应配备稳定的电源和高容量的电池,以保证长时间的治疗使用。
电池容量应满足至少2小时以上的使用时间。
8.数据记录和导出:中频治疗仪应具备数据记录和导出功能,可以记录电疗过程中的关键数据,以及用户的治疗记录。
数据可以通过USB、蓝牙等方式导出。
9.效果评估:中频治疗仪应具备效果评估功能,可以通过生物电信号的采集和分析,评估治疗效果,并提供相应的建议和调整。
10.多语言支持:中频治疗仪应支持多种语言,以满足不同地区和用户的需求。
11.产品质量认证:三、总结中频治疗仪是一种应用中频电疗技术的医疗设备,它具备多种治疗模式、可调节的输出参数、多种治疗电极、各种安全性能、直观的操作界面、稳定的电源和电池、数据记录和导出功能、效果评估功能、多语言支持等特点。
同时,中频治疗仪还应符合相关的产品质量认证,以确保产品质量和可靠性。
中频电疗产品注册技术审查指导原则中频电疗产品技术
精编
中频电疗产品是一种应用中频电流进行治疗的医疗器械产品,适用于
各类病症的辅助治疗,如疼痛、炎症、创伤等。
为了确保中频电疗产品的
安全有效性,需要进行注册技术审查。
下面是中频电疗产品注册技术审查
的指导原则。
1.技术评价
技术评价是中频电疗产品注册技术审查的重要环节。
在技术评价中,
应对产品的工作原理、电疗参数、功耗、安全性能等进行全面评估。
确保
产品的技术性能符合医疗器械的基本要求,并具备治疗效果。
2.安全性评价
安全性评价是中频电疗产品注册技术审查的重要内容。
应对产品的电
疗部分、辅助部分以及相关附件进行安全性评估,评估产品的电疗过程中
是否存在安全隐患,如漏电、超压等。
同时,对产品使用过程中可能出现
的不良反应进行评估,确保产品使用的安全性。
3.效能评价
效能评价是中频电疗产品注册技术审查的核心内容。
通过对产品临床
试验结果的分析和评估,确定产品的疗效和临床应用范围。
在效能评价中,应关注产品对不同病症的治疗效果、疗程和稳定性等方面,确保产品的有
效性。
4.注册文件
5.法规要求
6.专业团队
总之,中频电疗产品注册技术审查需要从技术评价、安全性评价、效
能评价、注册文件、法规要求和专业团队等多个方面进行指导。
通过科学、全面的技术审查,能够确保中频电疗产品的安全有效性,进一步提高产品
的质量和临床应用价值。
中频电疗仪适用范围:具有镇痛、锻炼肌肉、促进血液循环和软化瘢痕的作用1. 产品型号/规格及其划分说明组成1.1 产品型号K89-Ⅱ、K8832-T、K8832-M、K8241.2产品型号划分说明1.3 产品结构每种型号电疗仪由主机、治疗线缆、电极片组成。
1.4电极片配置数量(见表1)1.5 型号区别:见表22. 性能指标2.1工作频率:a)中频载波频率:见表3,误差为±10% ;1:1 等幅方波。
2.2 调制波形方波、三角波、正弦波、指数波、尖波、锯齿波。
(K89-Ⅱ无锯齿波)见附录C (资料性附录);2.3 输出电流输出电流应在(0~100mA)输出范围内连续可调。
最大输出电流应<100mA。
允差±10%。
2.4 调幅度:电疗仪调幅度(0-100%),允差±5%。
详见表5。
表5调幅度2.5 差频范围电疗仪的差频范围不窄于(0~100)Hz。
(适用于:K8832-T)2.6 动态节律:8s±10%。
(适用于:K8832-T)2.7 差频周期:15s~30s。
(适用于:K8832-T)2.8 连续工作时间:不小于4h。
2.9 抗短路能力:在最大输出时,将电极开路运行10min后,再短路运行5min,电疗仪应保持工作正常。
2.10 处方数量:(见表6)2.11 治疗时间精度:不超过设定时间的±10%。
2.12 治疗温度:低温档:温度低于 37℃。
高温档:温度应大于37℃,且低于 41℃。
(适用于K8832-T、K89-Ⅱ、K824)最高温度不超过41℃。
(适用于K8832-M)2.13 电极片:应配置具有医疗器械注册证书的厂家产品。
2.14 安全性能应符合GB 9706.1-2007《医用电气设备第一部分:安全通用要求》和YY 0607-2007《医用电气设备第2部分:神经和肌肉刺激器安全专用要求》标准的要求。
电气安全基本特征见附录A。
2.15 环境试验要求电疗仪环境试验按GB/T 14710-2009《医用电器设备环境要求及试验方法》及附录B的要求进行。
2.性能指标2.1外观与结构2.1.1治疗仪外型应端正,表面应平整、光洁,不应有明显划痕、凹凸、锋棱及毛刺。
2.1.2治疗仪上的文字、标记应清晰、准确、牢固。
2.1.3治疗仪的各控制件操作应灵活可靠,紧固件应无松动现象。
2.1.4治疗仪的电极线与主机插座的连接应牢固可靠。
2.2载波波形2.2.1载波输出波形:方波(如图1所示),工作频率为3KHz,允差为±10%。
2.2.2载波脉冲宽度应在0.1ms~0.5ms范围内。
2.2.3载波脉冲幅度当负载阻抗为500Ω时,最大输出幅度值应不大于80V。
图12.3调制波波形及频率2.3.1模式(处方)I调制波波形:正弦波,频率80Hz,允差为±10%。
图22.3.2模式(处方)II调制波波形:正弦波,频率45Hz,允差为±10%。
图32.4输出电流在基准负载下(500欧)最大输出电流小于90mA。
2.5不同负载下的电流变化率不同负载下的电流变化率小于10%。
2.6治疗仪工作时间治疗仪的工作时间控制为1~99min可调;计时误差±10%;治疗结束时,治疗仪应停止工作。
2.7环境试验要求治疗仪的环境试验应符合GB/T14710—2009中气候环境试验Ⅱ组,机械环境试验Ⅱ组的规定。
运输试验、电源电压适应能力试验应分别符合GB/T14710—2009中4章、5章的规定。
2.8安全要求应符合GB9706.1-2007、YY0607-2007标准的要求。
2.9电磁兼容应符合YY0505-2012标准的要求,按GB4824-2013分类I组B类,符合YY0607-2007第36章的要求。
2.10电极电极应符合YY0868-2011的要求。
2.10.1尺寸规格自粘性电极尺寸最大为:60mm×50mm,应符合YY0868-2011标准 4.1条款的要求。
2.10.2导电阻抗自粘性电极的导电阻抗≤500Ω,应符合YY0868-2011标准 4.2.1条款的要求。
2.性能指标2.1外观与结构a)治疗仪外型应端正,表面应光亮、整洁,色泽应均匀,无明显划痕、裂纹、锋棱及毛刺。
b)治疗仪的文字和标记应清晰、准确、牢固。
c)治疗仪各控制机构操作应灵活可靠,紧固件应无松动。
d)各种文字符号应清晰、准确、牢固。
e)治疗机各操作件指示应正确,动作应可靠。
2.2电刺激2.2.1输出电流在500Ω的负载电阻下,输出电流必须不超过以下的限值:100mA(r.m.s)。
2.2.2脉冲频率中频基波频率2000Hz,偏差应不超过±10%。
2.2.3脉冲宽度脉冲宽度100us,偏差应不超过±10%。
2.2.4脉冲幅度治疗仪脉冲幅度档位共32档,在500Ω的负载电阻下,治疗仪的最大输出脉冲幅度应不大于32V。
2.2.5输出电流稳定度在500Ω的负载电阻上下波动±10%时,输出电流变化率应不大于10%。
2.2.6调幅度输出波形调幅度应为100%,允差±5%。
2.2.7治疗模式及调制频率治疗仪共有12个处方模式,每种模式的调制频率应不大于150Hz。
2.2.8波形载波和调制波应符合表1要求。
2.2.9调制频率范围:调制频率应在0Hz~150Hz范围内。
2.3电极贴片2.3.1尺寸:电极贴片尺寸:长6cm X宽9cm,其误差应不超过±5%2.3.2阻抗:电极贴片阻抗:63Ω,其误差应不超过±10%2.3.3电极片要求:电极应符合YY/T0868-2011《神经和肌肉刺激器用电极》的要求2.4连续工作时间治疗仪连续工作时间应不少于4h。
2.5定时功能定时时间设定为10min~60min,步进为10min,定时误差不大于±1min。
2.6安全要求应符合GB9706.1—2007《医用电气设备第1部分:安全通用要求》,YY0607—2007《医用电气设备第2部分:神经和肌肉刺激器安全专用要求》,GB 7247.1-2012《激光产品的安全第1部分:设备分类、要求》的要求。
中频电疗产品注册技术审查指导原则(2017年修订版)————————————————————————————————作者:————————————————————————————————日期:附件3中频电疗产品注册技术审查指导原则(2017年修订版)本指导原则旨在给出中频电疗产品注册系统的、具有指导意义的指南性文件,一方面有利于审评人员对中频电疗产品上市前的安全性和有效性进行准确、高效的评价,另一方面有利于指导企业规范产品的研究开发和生产管理。
本指导原则系对中频电疗产品的一般要求,注册申请人应依据具体产品的特性对注册申报资料的内容进行充实和细化。
注册申请人还应依据具体产品的特性确定其中的具体内容是否适用,若不适用,需详细阐述其理由及相应的科学依据。
本指导原则是对注册申请人和审评人员的指导性文件,但不包括注册审批所涉及的行政事项,亦不作为法规强制执行,如果有能够满足相关法规要求的其他方法,也可以采用,但是需要提供详细的研究资料和验证资料,还应遵循相关法规。
本指导原则是在现行法规和标准体系,以及当前认知水平下制定的,随着法规和标准的不断完善,以及科学技术的不断发展,本指导原则相关内容也将进行适时的调整。
一、适用范围本指导原则适用于第二类电疗仪器中的中频电疗仪,是指用频率1kHz—100kHz的电流治疗疾病的仪器。
—3——在组合式设备中,附加部分应符合相应的专用标准,本指导原则未涉及相关要求。
二、技术审查要点(一)产品名称要求中频电疗产品的产品名称应以产品的输出信号特征为依据,如“中频电疗仪”等,不宜采用预期病症,如“肝病治疗仪”等。
(二)产品的结构和组成主机(信号产生及控制装置)、电极、导线及其他附属部件。
(三)产品工作原理/作用机理产品工作原理:1.中频电疗法是应用频率为1kHz—100kHz的交流电(包括正弦波、脉冲波和调制波等)进行治疗、康复的方法。
2.目前在物理治疗行业,主要将中频电疗法划分为等幅中频电疗法、低频调制中频电疗法和干扰电疗法。
2. 性能指标2.1 外观要求2.1.1 电疗仪外形应端正、表面应光洁、色泽均匀,不应有明显的划痕、裂纹、锋棱、毛刺。
2.1.2 电疗仪上的文字和标记应清晰、准确、牢固。
2.1.3 电疗仪各控制件操作应灵活、可靠,紧固件应无松动现象。
2.1.4 电疗仪在输出时有输出指示装置。
2.2 性能要求2.2.1 脉冲波形电疗仪的基波应为方波,如图1所示。
图12.2.2 工作频率a)调制频率:调制频率应在0~150Hz范围内。
b)基本频率:1kHz,允差±10%。
2.2.3 载波脉宽应在440μs±15%。
2.2.4 载波最大幅值在500Ω负载下,最大幅值不超过50V。
2.2.5 输出电流在500Ω负载下,电疗仪输出刺激电流应不大于50mA。
2.2.6 定时功能电疗仪的治疗时间在1min~60min范围内分档可调,精度允差应在±10%范围内。
122.2.7 电疗仪红外遥控器接收距离≥1.5m。
2.2.8 电流稳定度对应不同负载电流变化率应不大于±10%。
2.3 电极片性能电疗仪的电极片应符合YY/T 0868-2011的要求。
2.3.1 外观与结构电极片外观平整光洁,修边整齐,导电部分颜色均匀,应符合YY/T 0868-2011中4.5条款要求。
金属片外观平整光洁,修边整齐,导电部分颜色均匀,应符合YY/T 0868-2011中4.5条款要求。
2.3.2 尺寸规格图2 电极片与金属片尺寸自粘性电极片如图2所示,电极片尺寸为:90mm×55mm ,金属片尺寸为:38.6mm×30.7mm ,允差为±5%,符合YY/T 0868-2011标准4.1条款的要求。
2.3.3 阻抗电极片阻抗应<500Ω。
金属片阻抗应<10Ω。
2.3.4 连接a )电极片导线与神经和肌肉刺激器设备的连接端符合GB 9706.1-2007中56.3c )的要求。
b )电极片导线连接能避免使用过程中脱落造成对人体的意外电击,并防止其插入网电源或设备其他输出端插孔。
中频电疗产品适用范围:具有镇痛作用;改善局部血液循环,促进炎症消散作用;软化瘢痕,松解粘连作用;兴奋神经肌肉作用。
1.1 产品型号:BA-YG3500MB1.2型号命名本产品内置电池容量为3500mAh,具备单路中频治疗功能、移动电源功能和蓝牙功能。
1.3结构组成主要由主机、USB充电线、电极线和电极片组成。
2.1 工作频率:1kHz~6kHz ,允差±10%。
2.2 输出电流:在500Ω的负载电阻下,输出电流不超过以下的限值:频率≤1500Hz,为80mA(r.m.s),频率>1500Hz为100mA(r.m.s)。
2.3 输出电流稳定度:500Ω的负载电阻下,输出电流变化率应不大于10%。
2.4 调制频率范围:在0-150Hz范围内。
2.5 调幅度:设有0%、33% 、60%、100%四种调幅度,允差±5%。
2.6 基波和调制波形:基波波形为方波;调制波形具有方波、正弦波、三角波、尖波、指数波、锯齿波、等幅波及这些波形的组合。
2.7 连续工作时间:可连续工作不少于40min。
2.8 充电功能:设备可由外部直流5V电源进行充电,充电状态下设备将不可开机工作。
2.9 移动电源功能:可对手机等设备供电,输出电压为直流5V,允差:±5%;治疗时该功能不可启动。
2.10 蓝牙功能:设备可与支持蓝牙4.0以上的智能终端进行无线连接,可用手机对设备的输出处方、档位提供控制和指示。
2.11 电极片规格:规格50mm×50mm,允差±10%。
2.12 电气安全电气安全要求应符合GB 9706.1-2007和YY0607-2007的要求,产品主要安全特征见附录A。
2.13 电磁兼容电磁兼容性应符合YY0505-2012的要求。
2.14 环境试验应符合GB/T 14710-2009中气候环境试验II组和机械环境试验II组及附录B 的要求。
中频电疗产品注册技术审查指导原则2007.11本指导原则旨在指导和规范中频电疗产品的技术审评工作,帮助审查人员增进对该类产品机理、结构、主要性能、预期用途等方面的理解,方便审查人员在产品注册技术审评时把握基本的要求和尺度。
此外,由于我国医疗器械法规框架仍在构建中,审查人员仍需密切关注相关适用标准与注册法规的变化,以确认申报产品是否符合法规要求。
一、适用范围本指导原则所称中频电疗产品是指用频率1kHz-100kHz 的电流治疗疾病的仪器。
本指导原则的适用范围:《医疗器械分类目录》中II-6826-2电疗仪器中的中频电疗仪器。
凡有附带功能的中频电疗仪器(如:附带离子导入功能),其附带部分另行规定。
二、技术审查要点(一)产品名称的要求中频电疗产品的产品名称应以产品的输出信号特征为依据,如“中频电流治疗仪”等,不宜采用预期病症,如“肝病治疗仪”等。
(二)产品的结构组成主机(信号产生及控制装置)、电极、导线及其他附属设备。
(三)产品工作原理1.中频电疗法是应用频率为1kHz~100kHz的交流电(包括正弦波、脉冲波和调制波)进行治疗、康复的方法。
2.目前YY 91093-1999中频电疗仪主要将其划分为A、B、C、D四类:A类:等幅正弦波、等幅脉冲波中频电疗设备。
B类:正弦波调制中频电疗设备。
(以频率1kHz~100kHz 的基波,加以调制后形成低频正弦波调制波。
)C类:脉冲波调制中频电疗设备。
(以频率1kHz~100kHz 的基波,加以调制后形成正弦波、方波、指数波、三角波、等幅波、锯齿波、尖波、微分波、积分波及这些波形的变形等低频调制脉冲波。
)D类:干扰电治疗设备。
(将两路或数路不同频率的中频电流交叉导入人体,在体内产生干涉治疗场,形成引起具有生物学作用的低频调制的中频脉冲电流。
)3.中频调制及干扰电流的目的是利用基波为中频电流的穿透力强的特点将调制波或干扰波低频电流送入人体,以实现深度治疗的作用。
(四)产品作用机理1.镇痛作用:(1)中频电流可兴奋周围神经的粗纤维,通过“闸门”调控,抑制传导疼痛感觉的细小纤维,从而镇痛。
(2)中频电流可以扩张血管,促进血液循环,加速局部痛性物质的排除。
(3)中频电刺激还可使人体释放具有镇痛作用的吗啡样物质。
2.兴奋神经肌肉组织:中频电流能产生细胞膜内外极性的改变,使膜电位去极化,形成动作电位,因此兴奋神经肌肉,产生肌肉收缩。
3.改善血液循环:(1)轴突反射:轴突反射是指当中频电流作用在人体体表时,电刺激经传入神经至脊髓后角,兴奋传出神经,使皮肤的小动脉扩张。
(2)皮肤受电刺激时亦会释放组织胺、P物质、已酰胆碱等,它们能使血管扩张。
(3)植物神经作用:低频电流可能通过抑制交感神经的活动,促进局部血液循环。
(4)肌肉活动的代谢产物:肌肉活动的代谢产物,如乳酸、ATP、ADP等均有明显的血管扩张作用。
(5)肌肉的收缩作用:低频电流可引起肌肉收缩,肌肉节律性收缩和舒张形成“泵”的作用,从而促进血液和淋巴液的回流。
4.软化瘢痕、松解粘连:中频电流能扩大细胞与组织的间隙,使粘连着的结缔组织纤维、肌纤维、神经纤维等活动后分离。
(五)产品适用的相关标准中频电疗产品根据产品自身特点适用以下相关标准:1.GB/T 191-2000包装储运图示标志;2.GB 9706.1-1995医用电气设备第一部分:安全通用要求;3.GB/T 14710-1993医用电气设备环境要求及试验方法;4.GB/T 16886.1-2001医疗器械生物学评价第1部分:评价与试验;5.GB/T 16886.5-2003医疗器械生物学评价第5部分:体外细胞毒性试验;6.GB/T 16886.10-2005医疗器械生物学评价第10部分:刺激与迟发型超敏反应试验;7.YY 91093-1999中频电疗仪。
注:以上标准适用最新版本。
(六)产品的预期用途中频产品的预期用途应体现临床适应症和作用范围。
例如:该产品对肩周炎、网球肘具有镇痛和消炎作用;该产品具有锻炼肌肉作用,改善周围神经损伤;该产品具有软化注射后硬结,松解术后粘连、肠粘连等。
(七)产品的主要风险中频电疗产品在进行风险分析时至少应包括以下的主要危害,企业还应根据自身产品特点确定其他危害(见表1)。
表1 中频电疗产品主要危害(八)产品的主要技术指标下列术语定义适用于本指导原则:差频频率范围:D类设备两路不同频率输出之间频率之差的范围。
动态节律:形成干扰的中频电流幅度的调制周期。
差频变化周期:D类设备两路不同频率输出之间频率之差范围的变化周期。
1.工作频率为1kHz—100kHz范围内的单一频率或频段,频率允差±10%;2.输出电流:在基准负载下,最大输出电流应不小于50mA,输出电流极限应不大于100mA,允差±10%,并应在最小至最大输出范围内连续可调;3.输出电流稳定度:输出电流变化率应不大于5%;4.调制频率范围:B类、C类设备调制频率范围应不窄于0—150Hz;5.差频频率范围:D类设备差频频率范围应不窄于0—100Hz;6.调幅度:B类、C类设备输出波形应有级或连续在0—100%的调幅度范围内可调,调幅度允差±5%;7.动态节律:动态D类设备的动态节律为4s—10s;8.差频变化周期:D类设备的差频变化周期为15s—30s;9.连续工作时间应不少于4h;10.在最大输出时,经电极短路5s,再开路15s,关闭输出1min,重复试验10次,设备应能正常工作;11.B类、C类设备的基波及调制波的频率及波形应加以描述;12.处方的类型及基本波形应加以描述;13.电极:如为自制产品,应按照GB/T16886系列标准进行生物学试验;如为外购产品,应购买已取得医疗器械产品注册证的产品;14.安全性能:GB 9706.1-1995医用电气设备第一部分:安全通用要求;15、环境试验:执行GB/T 14710-1993医用电气设备环境要求及试验方法。
(九)产品的检测要求中频电疗产品出厂检验应包括性能要求和安全要求两部分。
性能要求至少应包括以下内容:工作频率、输出电流、调制频率范围(如有)、差频频率范围(如有)、调幅度(如有)、动态节律(如有)、差频变化周期(如有)。
安全要求应包括:漏电流、电介质强度、保护接地电阻(如有)。
(十)产品的临床要求中频电疗产品的临床可分两种情况:一种是中频电疗产品的作用机理为前面介绍的四种理论,且预期适应病症包含在附表1内,申报企业可按照《医疗器械注册管理办法》的要求进行临床举证。
另一种是中频电疗产品的治疗作用采用其他的临床作用机理,或预期适应病症不在附表1内,则申报企业需做临床试验来验证产品的预期用途。
1.临床举证中频电疗产品临床举证时,需提交同类产品的临床试验资料(包括对比中频电疗产品的临床文献或临床试验报告)和对比说明。
临床文献应是省级以上核心医学刊物公开发表的能够说明产品预期使用效果的学术文献、专注、文献综述等。
提交的临床文献都应该是同一个对比中频电疗产品的临床使用研究资料,这些资料的结果应客观、公正。
对比中频电疗产品的临床试验报告需有医院签章,其内容应能验证该产品的预期用途。
对比说明应体现申报产品与对比产品在基本原理、结构组成、主要性能指标、预期用途等方面的异同点。
2.临床试验中频电疗产品的临床试验应符合《医疗器械临床试验规定》的要求。
临床试验方案应合理、科学,能够验证产品的预期用途。
方案中的临床病例数的确定理由应充分、科学;选择对象范围应明确,涵盖产品的预期用途;临床评价标准应清晰明确,且得到临床公认。
临床试验报告应符合方案的要求。
临床试验结果应明确,计量或计数结果可靠,并进行统计学分析;试验效果分析应明确统计结果的临床意义;临床试验结论应明确该产品的预期用途,符合临床试验目的。
在审查中频电疗产品的临床试验方案和报告时,应注意以下几点:(1)临床病例数确定的理由确定临床试验例数就是计算试验的样本量的大小。
研究者、投资人和企业也希望花费较少而得到科学、客观的结果。
此外,太少的样本会得出不正确的结论,太多样本浪费时间和资源,因此,有必要在临床试验方案中合理的确定样本量的大小。
样本量的估计要考虑以下因素的影响:①陈述无效假设H0和备择假设H1;②基于无效假设中的结果变量(连续或离散: 如血压、死亡),选择适当的统计检验方法(如t-test, χ2);③与标准治疗(对照组)相比,估计合理的效应大小δ(组间治疗差异);④设定显著性水平和统计效能(α,β), 及单侧或双侧检验;⑤用公式估计样本量。
考虑失访和脱离病例等其他因素的影响,临床实际的病例数应在计算样本量的基础上至少增加10%。
中频器械的临床适应症比较广泛,验证的适应症越多,选择的病例数也越多。
具体审查时,要看临床试验方案中病例数确定的理由是否充分,是否考虑以上几种因素的影响。
确定的病例数是否涵盖要验证的适应症。
(2)确定入选标准临床试验方案应预先制定明确的入选标准或条件,入选标准应有明确的诊断标准,诊断标准应是临床公认的。
符合入选条件且愿意参加临床试验并签署知情同意书方可确定为入选对象,入选对象具有普遍的代表性和随机性。
必要时,应建立入选对象的排除标准。
(3)临床一般资料临床试验报告中应明确临床试验的起始时间,参加临床试验的入选对象的基本情况,包括入选对象的数量、病种、年龄、性别、病程分布、住院和门诊病人的比例等信息。
所有的入选对象应符合入选标准。
为了客观评价试验产品的治疗效果,应对参加试验组和对照组的入选对象的这些基本情况进行统计学分析,验证两组间的均衡性。
(4)试验方法试验方法是对方案中总体设计内容的具体实施。
中频电疗产品的临床多采用平行对照设计,即设立对照组,试验组和对照组同时进行临床研究。
对照组可采用已上市的具有合法资质的同类产品进行治疗或者采用公认的传统治疗方法。
试验应是随机的,盲法可根据具体情况设置。
(5)临床评价标准中频电疗产品的治疗作用多数都是缓解疾病的症状,建议在评价这些症状时,将症状量化,并建立临床评价标准。
例如,在评价疼痛时,可采用数字评分法、文字描述法和视觉模拟评分法等方法将疼痛分级量化。
对治疗效果的评价可建立四级评价标准。
即:显效:治疗前后疼痛的改善率>80%。
有效:疼痛的改善率50%—80%。
进步:疼痛的改善率<50%。
无效:疼痛的改善率<20%。
以显效+有效的病例数统计有效率。
(6)临床试验结果分别对试验组和对照组的数据进行汇总,并按照方案规定的统计学方法及评价方法进行统计分析(包括组内和组间分析),给出分析结果。
必要时提供试验数据统计分析报告。
(7)临床试验效果分析临床研究者应根据试验结果和统计结果进行分析,对统计分析结果作出临床意义的解释。
(8)临床试验结论临床研究者应根据临床试验数据结果、效果分析得出结论。