纸面石膏板吊顶施工工艺样本
- 格式:doc
- 大小:18.50 KB
- 文档页数:5
纸面石膏板吊顶工程施工工艺1、作业条件:安装完顶棚内的各种管线及设备,确定好灯位、通风口及各种露明孔口位置。
各种材料全部配套备齐。
搭好顶棚施工操作平台架子。
轻钢骨架顶棚在大面积施工前,应做样板间,对顶棚的起拱度、灯槽、通风口等处进行构造处理,通过做样板间决定分块及固定方法,经鉴定认可后再大面积施工。
2、施工操作工艺吊顶工艺流程 :测量弹线→安装主龙骨吊杆→安装主龙骨→安装边龙骨→安装次龙骨→安装板材料→饰面清理→分项验收3、石膏板吊顶施工要点(1)施工前墙面等平整度检查合格,平整度偏差过大部分已经处理。
罩面板安装前墙面涂料,吊顶内管道等已经安装、调试、打压完毕,已经验收合格。
(2)根据室内 50cm 线用尺竖向量至顶棚设计标高,在墙面上弹出位置线。
弹线要弹出主次龙骨底线和吊顶最低位置线。
确定吊杆下端头的标高。
(3)吊顶造型及排版图已经确定并已经在顶棚弹好位置线。
按照位置线找好吊杆,主次龙骨位置。
吊杆等应经防腐处理,吊杆为Ф8。
安装Φ 8 吊筋,确定吊杆下端头的标高。
吊筋安装选用膨胀螺栓固定到结构顶棚上。
吊筋间距小于1200mm。
(4)安装主龙骨:根据吊顶高度调整好吊杆螺母,在主龙骨上安装吊挂件。
将组装好吊挂件的主龙骨按分档线位置使吊挂件穿入相应的吊杆螺栓,拧好螺母。
主龙骨相接处装好连接件后拉线调整标高、起拱(1/200 )和平直。
遇有洞口等处龙骨等处理应符合图集相应节点构造施工。
主龙骨间距为1200mm,次龙骨间距为900mm;主龙骨用与之配套的龙骨吊件与吊筋相连,次龙骨采用次挂件与主龙骨连接。
凡顶棚吊杆、固定吊杆铁件,在封罩面板前应刷防锈漆。
(5)安装次龙骨:按弹好的次龙骨分档线卡放次龙骨吊挂件。
按照设计规定的次龙骨间距将次龙骨通过吊挂件挂在主龙骨上,一般间距为 500-600mm。
主次龙骨连接采用专用的连接件连接固定。
(6)当间距大于 800mm时次龙骨应增加小龙骨。
小龙骨与次龙骨平行并用吊挂件与主龙骨固定,下部与次龙骨同一水平。
:不上人面纸面石膏板天花特 点:造型美观、钢度大、防火、施工方便。
纸面石膏板天花分为上人天花和不上人天花,本要领书主要介绍不上人天花施工工艺。
材料种类、规格必须符合设计要求,各项技术指标必须符合《民用建筑工程室内环境污染控制 规范》。
使用吊杆安装。
配件必须配套、齐全。
施工前提供样品。
材料材质必须符合下表要求:二、施工工艺:1、施工顺序:2、施工图:施工前必须根据灯具规格、材料规格、现场实际 尺寸绘制施工图。
在图中应标明天花高度、主龙骨走向、 空调、排风、灯具等设备位置。
有造型的还需要标明各起始点位置。
造型节点大样重要房间需要出效果图。
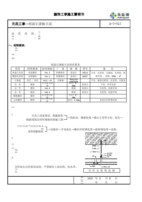
3、吊杆安装构造要求:吊杆锚入结构层内60mm。
锚固牢靠。
制定年月日天花上设备调试、隐蔽验收平直、棱角无损伤、无变型、无脱皮无变型、扣接牢固5吊杆钻孔应控制其深度,严禁破坏上部结构、防水等。
镀锌吊杆安装→挂线安装龙骨吊 杆 安 装 构 造 图无变型、扣接牢固60X27平直、无变型、无腐蚀、无黑斑、插接牢固 。
承载:200k / m 2按设计按设计平直、丝芽光滑直径:6~8mm 直径:6~8mm →找标高、测量挂线→确认主龙骨方向、钻孔→根据现场及材料规格绘制施工图9承载主龙骨双面镀锌石膏板双层 / 单层覆面次龙骨双面镀锌t=12~15符合相关标准配套可耐福技术指标厂 家天花工事--纸面石膏板天花A-3-015适用范围项目材质要求备 注纸面石膏板天花材质要求t=1.2阿姆斯壮按设计按设计38X12t=1.2阿姆斯壮规 格t=0.8配套按设计型号吊 杆镀锌900X24001200X3000符合相关标准吊 件镀锌t=2.0龙骨隐蔽验收→封板材→开设备孔→螺丝作防锈处理→板拼缝处理→涂装。
挂 件自攻螺丝镀锌符合相关标准镀锌安装后作防锈处理一、材料要求:直径:3.5mm2010膨胀螺丝6、板拼缝嵌缝做法:要求:①、板的拼缝必须在龙骨位置,用自攻螺丝固定,螺丝间距150mm。
纸面石膏板吊顶施工方案纸面石膏板吊顶施工方案一、工程概况:本工程是在室内空间中进行纸面石膏板吊顶的施工,总面积为XX平方米。
纸面石膏板吊顶的材料主要包括纸面石膏板、龙骨、扣件等。
二、工程准备:1. 勘测:对吊顶施工区域进行勘测,确保施工方案的准确性。
2. 材料准备:按照设计要求,准备所需的纸面石膏板、龙骨、扣件等材料,确保质量合格。
3. 设备准备:准备安全高效的施工工具和设备,包括吊装设备、电动工具等。
三、施工步骤:1. 找正基准线:根据设计要求,确定吊顶的高度和平整度,并在墙面上找正基准线。
2. 安装龙骨:根据设计图纸确定龙骨的位置和间隔,采用吊装设备将龙骨固定在墙面上。
3. 安装纸面石膏板:将纸面石膏板按照一定的间距悬挂在龙骨上,使用扣件将其牢固固定。
4. 接缝处理:对纸面石膏板的接缝进行处理,使用适当的填缝材料进行涂填和打磨,使接缝平整。
5. 粉刷:根据设计要求,进行吊顶的涂料处理,使其与周围墙面颜色协调一致。
6. 清理验收:完成吊顶施工后,清理施工现场,并进行验收,确保施工质量合格。
四、安全措施:1. 施工人员必须佩戴安全帽、安全鞋等个人防护装备,严禁穿拖鞋、凉鞋等不安全的服装。
2. 施工现场必须设置警示标志并进行合理的管控,确保施工区域安全。
3. 施工人员必须熟悉使用施工工具和设备,并遵守操作规程,确保施工过程安全无事故。
4. 施工过程中严禁乱堆放材料、乱丢乱抛工具等行为,保持施工现场整洁有序。
5. 施工人员必须具备一定的搬运和吊装能力,严禁超负荷搬运和违规操作。
五、施工质量要求:1. 吊顶平整度:吊顶表面应平整,不允许出现凹凸不平和明显的错台现象。
2. 石膏板接缝处理:石膏板接缝处理应平整、无裂缝和鼓包现象,与周边石膏板接缝一致。
3. 吊顶牢固性:吊顶构件应牢固可靠,不得出现松动、下垂等现象。
4. 吊顶涂料质量:吊顶涂料应均匀、平整,无刷痕和色差现象,与周边墙面涂料一致。
六、施工进度安排:按照项目计划安排相应人力和时间,合理进行施工。
纸面石膏板吊顶(1)施工准备①施工条件:顶棚内电气管线、空调管道、给排水管道安装到位,已进行隐蔽验收。
从吊顶经墙体敷设下来的各种开关、插座线路也安装完毕。
主体结构完工,通过验收,各种洞口封堵完毕,有防水要求的楼层、防水完工且通过验收,较重的灯、设备等吊挂件已施工完毕。
②施工材料准备:TB24X28T型轻钢主龙骨、TB24X38T型轻钢次龙骨及配件、边龙骨、膨胀螺栓、吊杆、角铁、自攻钉、12mm厚矿棉吸声板。
(2)工艺流程测量放线一固定吊点吊杆f安装主龙骨f安装次龙骨f安装矿棉吸声板f校正清洁表面(3)施工工艺①施工放线根据室内+50mm线,在墙、柱上按设计要求弹出吊顶标高线。
要求弹线清楚、准确,其水平允许偏差为±5mm。
根据房间布置和设计要求,在顶棚上弹出吊点位置线及主龙骨分布线,吊顶吊点@1200mm。
吊杆距主龙骨端部距离不得超过300mm。
当吊杆与设备相遇时,应采用角钢作“桥架”处理。
②吊杆固定吊杆的选择:当因吊杆间距达到1200mm,选用“8吊杆。
吊杆安装:按吊点位置设置膨胀螺栓,采用130义3角铁(对应有10.5mm孔)连接,吊杆与角铁焊接,固定在膨胀螺栓上,下端套丝,配好螺帽,端头螺纹外露不少于3mm。
③安装龙骨根据吊顶标高线,沿墙四周用冲击钻在标高线以上10mm处打孔,孔径大于12mm,在孔内设置防腐木楔,木楔@500〜800mm,然后将铝合金边龙骨(或防腐、防火木龙骨)用钉固定在墙上。
主龙骨采用与吊杆连接,拧紧螺丝卡牢,主龙骨可用连接件接长,主龙骨连接位增设吊杆。
次龙骨与主龙骨用卡件连接。
主龙骨、次龙骨的间距均为600mm。
龙骨安装好后进行调平,同时考虑吊顶的起拱高度不小于房间短向跨度的1/200。
铝合金龙骨安装完毕后,校正、调平,固定牢固。
④安装矿棉吸声面板安装面板根据板材棱边不同,与T型铝合金龙骨骨架的连接配合分为平放搭接和企口嵌装两种方法:A、齐边板和榫边板用平放搭接;B、企口边板采用企口嵌装。
纸面石膏板吊顶施工工艺轻钢龙骨石膏板吊顶和木龙骨夹板吊顶施工吊顶施工工艺流程:熟悉图纸→结构顶放吊筋线,墙面抄水平线→打眼→安装吊筋→安装主龙骨→安副龙骨→拉线→检查主、副龙骨→隐蔽工程验收→强、弱电及消防隐蔽工程验收→封石膏板→自检→验收。
施工要求及操作要点:1、轻钢龙骨采用C50或C38不上人系列,9mm厚纸面石膏板,全牙Ф6内膨涨吊筋2、轻钢龙骨安装:大龙骨中距为1200mm,副龙骨距为400mm,吊筋距离为1200mm。
在主龙骨端部位接长处必须设置一根吊筋,第一根主龙骨距墙面不得大于150mm吊筋距强、弱电线管,消防管外径大于50mm。
3、主龙骨必须错开格棚灯位。
在格棚灯洞四周加设龙骨加固。
4、跨度比较大的房间,中间起拱高度按跨度的1%起拱。
5、主、副龙骨安装完后,必须拉线检查龙骨横平竖直,作好隐蔽工程验收。
6、石膏板安装前,在龙骨下口拉通线,控制石膏板安装时缝隙顺直,石膏板与石膏板接头处留5mm缝,固定石膏板的钉距不得大于150mm,钉帽必须入板内1~2mm。
用原子灰将缝和钉眼(钉眼要作防锈处理)批平,接缝处贴绷带。
7、龙骨吊装夹板时,应向业主建议吊装双层夹板,底层为5厘普通夹板,面层为质量较好的进口或合资3厘夹板,保证其面层不会起层、鼓泡。
安装时,应注意底层和面层夹板的拼缝必须相互错开,且在转角处,用整板开料过渡,不得在转角处留有拼缝。
8、面层拼缝要留缝3mm,且双边坡口。
在刮腻子前,用木胶粉分3次嵌填密实,并刮平。
9、吊顶夹板安装固定时,离墙距离不得小于10mm。
大面积吊顶施工工艺:本节适用于以轻钢龙骨、铝合金龙骨以及要龙骨为骨架的种类石膏板、矿棉(岩棉)吸音板、玻璃纤维板、胶合板、钙塑板、塑料板、加压水泥板以及各种金属饰面板等吊顶工程。
(一)施工准备1.材料(1) 各种材料级别、规格以及零配件应符合设计要求。
(2) 各种材料应有产品质检合格证书和有关技术资料,配套齐备。
(3) 所有用料运输进场不得随意乱扔、乱撞,防止踏踩,堆放平正,防止材料变形、损坏、污染、缺损。
石膏板吊顶工程编号:GY-P-7简介:石膏板以质量轻,易加工、吸声等特点广泛用在装饰工程中,石膏板吊顶按施工工艺分为明龙骨和暗龙骨装配;按种类可分为普通石膏板、嵌装式装饰石膏板、纸面装饰石膏板和非纸面石膏板等,都广泛运用于装饰吊顶施工中。
一、材料规定和检查原则1.普通装饰石膏板分类:外观尺寸容许偏差边厚不不大于25mm等。
技术性能5.龙骨:龙骨普通采用轻纲骨架或铝合金龙骨,按照活载规定分为上人和不上人两种。
龙骨和主件(大、中、小龙骨;配件有吊挂件、连接件、挂插件)必要符合施工规范规定。
6.零配件:有钢筋吊杆、花篮螺丝、射钉、自攻螺丝钉。
7.按照设计规定选用罩面板、铝压缝条或塑料压缝条,其材料品种、规格、质量符合设计规定。
粘结剂可依照主材性能选用,使用前作粘结实验。
二、重要施工机具电锯、无齿锯、射钉枪、手锯、手刨子、钳子、螺丝刀、扳子、方尺、钢尺、钢卷尺等。
三、施工有关条件1.墙身四周弹好吊顶+50cm水平标高控制线,并核查完毕。
2.安装完顶棚内各种管线及通风道,拟定好灯位、通风口及各种露明孔口位置。
并核对吊顶高度与其内设备标高与否影响。
3.检查所用材料和配件与否准备齐全。
在上龙骨之前必要完毕墙面地面湿作业项目。
搭设好顶棚施工操作平台架子。
4.石膏板龙骨吊顶在大面积施工前,应做样板间,对顶棚起拱度、灯槽、通风口构造解决,分块及固定办法等应经试装并经鉴定后可大面积施工。
四、施工工艺1.施工工艺流程:2.施工技术办法:(1)基层清理:吊顶弹线施工前将管道洞口封堵处清理干净,以及顶上杂物清理干净。
(2)弹线:依照每个房间水平控制线拟定吊顶标高,并在墙顶上弹出吊顶线作为安装原则线,以及在原则线上划好龙骨分档间距位置线。
(3)安装吊筋:依照施工图纸规定和施工现场状况拟定吊筋大小和位置,吊筋加工规定钢筋与角钢焊接,其双面焊接长度不不大于2cm并将焊渣敲掉,在吊筋安装前必要先刷防锈漆;安装吊筋焊接角钢普通为L30*3,吊筋依照活载大小和空间高度拟定吊筋大小,普通采用Φ6或Φ8,当其空间较高时为了防止吊顶在风活载作用下上浮动,应采用直径较大,以保证强度足够。
纸面石膏板吊顶施工工艺轻钢龙骨石膏板吊顶和木龙骨夹板吊顶施工吊顶施工工艺流程:熟悉图纸→结构顶放吊筋线,墙面抄水平线→打眼→安装吊筋→安装主龙骨→安副龙骨→拉线→检查主、副龙骨→隐蔽工程验收→强、弱电及消防隐蔽工程验收→封石膏板→自检→验收。
施工要求及操作要点:1、轻钢龙骨采用C50或C38不上人系列,9mm厚纸面石膏板,全牙Ф6内膨涨吊筋2、轻钢龙骨安装:大龙骨中距为1200mm,副龙骨距为400mm,吊筋距离为 1200mm。
在主龙骨端部位接长处必须设置一根吊筋,第一根主龙骨距墙面不得大于150mm吊筋距强、弱电线管,消防管外径大于50mm。
3、主龙骨必须错开格棚灯位。
在格棚灯洞四周加设龙骨加固。
4、跨度比较大的房间,中间起拱高度按跨度的1%起拱。
5、主、副龙骨安装完后,必须拉线检查龙骨横平竖直,作好隐蔽工程验收。
6、石膏板安装前,在龙骨下口拉通线,控制石膏板安装时缝隙顺直,石膏板与石膏板接头处留5mm缝,固定石膏板的钉距不得大于150mm,钉帽必须入板内1~2mm。
用原子灰将缝和钉眼(钉眼要作防锈处理)批平,接缝处贴绷带。
7、龙骨吊装夹板时,应向业主建议吊装双层夹板,底层为5厘普通夹板,面层为质量较好的进口或合资3厘夹板,保证其面层不会起层、鼓泡。
安装时,应注意底层和面层夹板的拼缝必须相互错开,且在转角处,用整板开料过渡,不得在转角处留有拼缝。
8、面层拼缝要留缝3mm,且双边坡口。
在刮腻子前,用木胶粉分3次嵌填密实,并刮平。
9、吊顶夹板安装固定时,离墙距离不得小于10mm。
大面积吊顶施工工艺:本节适用于以轻钢龙骨、铝合金龙骨以及要龙骨为骨架的种类石膏板、矿棉(岩棉)吸音板、玻璃纤维板、胶合板、钙塑板、塑料板、加压水泥板以及各种金属饰面板等吊顶工程。
(一)施工准备1.材料(1) 各种材料级别、规格以及零配件应符合设计要求。
(2) 各种材料应有产品质检合格证书和有关技术资料,配套齐备。
(3) 所有用料运输进场不得随意乱扔、乱撞,防止踏踩,堆放平正,防止材料变形、损坏、污染、缺损。
第1篇一、工程概述本工程吊顶采用纸面石膏板作为主要材料,适用于各类民用和工业建筑,包括住宅、办公楼、商场、学校等。
纸面石膏板吊顶具有轻质、高强、防火、吸声、隔热、易加工、安装方便等优点。
本方案旨在详细阐述纸面石膏板吊顶的施工流程、技术要求和质量控制措施。
二、施工准备1. 材料准备(1)纸面石膏板:应符合国家相关标准,表面平整,无裂纹、脱层、翘曲等缺陷。
(2)轻钢龙骨:应符合国家相关标准,具有足够的承载力和刚度。
(3)膨胀螺丝:用于固定龙骨。
(4)自攻螺丝:用于固定石膏板。
(5)密封膏:用于缝隙密封。
(6)胶粘剂:用于粘接石膏板。
(7)防锈漆:用于防腐处理。
2. 工具准备(1)电钻:用于打孔。
(2)扳手:用于拧螺丝。
(3)卷尺:用于测量尺寸。
(4)水平尺:用于检查平整度。
(5)直角尺:用于检查垂直度。
(6)切割机:用于切割石膏板。
三、施工流程1. 放线定位(1)根据设计图纸,确定吊顶的标高、尺寸和位置。
(2)在墙面上弹出吊顶标高线。
(3)在吊顶范围内弹出水平线和垂直线。
2. 龙骨安装(1)根据放线定位,安装主龙骨,间距一般为600mm或900mm。
(2)在主龙骨上安装次龙骨,间距一般为300mm或400mm。
(3)检查龙骨的水平和垂直度,确保符合要求。
3. 石膏板安装(1)根据设计图纸,切割石膏板,使其尺寸符合吊顶尺寸。
(2)将石膏板放在龙骨上,用自攻螺丝固定。
(3)检查石膏板的平整度和垂直度,确保符合要求。
4. 填缝和密封(1)在石膏板接缝处,用密封膏填充缝隙。
(2)在龙骨接缝处,用密封膏填充缝隙。
(3)在石膏板与墙面、天花板的接缝处,用密封膏填充缝隙。
5. 防腐处理(1)在石膏板表面涂刷防锈漆,进行防腐处理。
(2)在龙骨表面涂刷防锈漆,进行防腐处理。
四、技术要求1. 材料要求(1)纸面石膏板应符合国家相关标准,质量合格。
(2)轻钢龙骨应符合国家相关标准,具有足够的承载力和刚度。
2. 施工要求(1)龙骨安装应牢固,无松动现象。
轻钢龙骨纸面石膏板吊顶施工工艺HEN system office room 【HEN16H-HENS2AHENS8Q8-HENH1688】1、施工准备(1)技术准备编制轻钢骨架罩面板顶棚工程施工方案,并对工人进行书面技术及安全交底。
(2)材料要求1)轻钢骨架主件为大、中、小龙骨;配件有吊挂件、连接件、插接件。
2)零配件:有吊杆、内膨胀螺栓、铆钉。
3)按设计要求选用罩面板,其材料品种、规格、质量应符合设计要求。
(3)作业条件1)吊顶工程在施工前应熟悉施工图纸及设计说明。
2)吊顶工程在施工前应熟悉现场。
A、施工前按设计要求对房间的净高、洞口标高和吊顶内的管道、设备及其支架的标高进行交接验收。
B、对吊顶内的管道、设备的安装及水管试压进行验收。
C、检查材料进场验收记录和复验报告、技术交底记录。
3)吊顶工程在施工中应做好各项施工记录,收集好各种有关文件。
A、进场验收记录和复验报告、技术交底记录。
B、材料的产品合格证书、性能检测报告。
4)安装面板前应完成吊顶内管道和设备的调试及验收。
2、关键质量要点(1)材料的关键要求1)按设计要求选用龙骨及配件和罩面板,材料品种、规格、质量应符合设计要求。
2)吊顶工程中的预埋件、钢筋吊杆和型钢吊杆应进行防锈处理。
(2)技术关键要求弹线必须准确,经复验后方可进行下道工序。
安装龙骨应平直牢固,龙骨间距和起拱高度应在允许范围内。
(3)质量关键要求1)吊顶龙骨必须牢固、平整:利用吊杆或吊筋螺栓调整拱度。
安装龙骨时应严格按放线的水平标准线和规方线组装周边骨架。
受力节点应装订严密、牢固、保证龙骨的整体钢度。
龙骨的尺寸应符合设计要求,纵横拱度均匀,互相适应。
吊顶龙骨严禁有硬弯,如有必须调直再进行固定。
2)吊顶面层必须平整:施工前应弹线,中间按平线起拱。
长龙骨的接长应采用对接,经检查合格后再安装饰面板。
吊件必须安装牢固,严禁松动变形。
龙骨分格的几何尺寸必须符合设计要求和饰面板块的模数。
饰面板的品种、规格符合设计要求,外观质量必须符合材料技术标准的规格。
轻钢龙骨纸面石膏板吊顶工程施工工艺标
准
轻钢龙骨纸面石膏板吊顶工程施工工艺标准
本工程天花板大部分采用U50系列上人龙骨,12mm纸石膏板,该材料结构体系属一种新型的轻质装饰材料。
根据本工程的设计要求,结合工程布置的各种消、暖等管线的位置,下料时应注意合理交叉,正确预留检修孔位置,力求整体和装饰效果。
施工程序:
沿基准线在墙上或柱面上弹标高控制线→定吊杆点位→安装吊杆→分布承载龙骨→安装面龙骨→调整校对龙骨→复合纸面石膏板→保护待涂饰。
1.1施工前,施工员作详细的书面技术交底,由负责吊顶的工长按设计,规范规定的要求,安装吊杆。
1.2承载龙骨布置离墙20CM-30CM展开分布,悬挂吊杆间距不得超过100CM,吊杆焊接不少于5d。
1.3承载龙骨与面龙骨必须采用结件连扫,面龙骨下采取拉麻线找平,调整高度宽度。
待调整正确后,安装小面龙骨,扣件及时扣紧,不得有松动感。
1.4龙骨安装完毕,采取防锈处理。
进行隐蔽验收,合格后进行复合板材。
1.5复合板前,先检查石膏板的质量,有无破损、裂缝、受
潮、棱凸、起鼓等。
安装时应用独脚做固定架,以免整板歪曲裂开。
1.6固定板后,在板面上弹拧钉的中心线,按线固钉,钉距中对中不大于15CM,钉眼深不超过5MM,板边钉离10-15MM,切割板边为20MM。
1.7复合完毕,应及时的采用石膏腻子嵌缝,钉眼位防锈处理,续待进行涂料施工。
轻钢龙骨纸面石膏板吊顶工程施工工艺1. 施工工艺吊顶施工中采取整体施工,局部避让的方法,层层施工,待其它工种结束一部分,补其一部分,做到灵活穿插。
工艺流程:施工准备T放线T吊筋T龙骨安装T面板安装7(涂料)2. 施工方法与技术措施(1) 根据施工图先在墙、柱上弹出顶棚标高水平墨线,在顶棚上划出吊杆位置,弹线时,既要保证吊杆的间距保持在800-1200mm 之间,又要使吊筋、主龙骨位置不与灯具发生冲突。
(2 )钻眼安装$ 8配套金属膨胀螺栓,悬挂吊筋。
( 3) 安装主龙骨,划出次龙骨位置,将次龙骨用卡件连接于主龙骨;主龙骨与主挂件、次龙骨与主龙骨应紧贴密实且间距不大于1mm ,接着安装横撑龙骨。
龙骨水平调正固定后,进行中间质量验收检查,待设备及电气配管的安装,全部该做的隐蔽工程完成后并由业主、监理验收合格后方可封板。
( 4)轻钢龙骨顶棚骨架施工,先高后低,主龙骨间距和吊杆间距一般控制在800mm--1200mm 之间,特殊情况不得大于1200mm ,吊顶副龙骨间距根据设计要求而定,吊杆直径一般为8mm,吊杆应垂直吊挂,旋紧双面丝扣,外露铁件必须刷二度防锈漆,墙边的吊杆距主龙骨端部的距离不超过300mm ,排列最后距离超过300mm 应增加一根吊筋,主龙骨和次龙骨要求达到平直。
(5) 为了消除顶棚由于自重下沉产生挠度和目视的视差,吊顶龙骨必须起拱,由中间部分起拱,高度应不小于房间短向跨度的1/200。
吊杆与结构连接应牢固,凡在灯具、风口等处用附加龙骨加固,龙骨吊杆不得与水管、强弱电、灯具、通风等设备吊杆共用。
(6) 吊顶造型一般采用木基层如细木工板。
细木工板的拼接采用带胶“燕尾”接,在地面制作成型,表面经防火处理后吊挂安装。
造型需单独安装吊筋并且要适当减小间距,造型较重则需采用角钢作为吊筋,吊筋与造型通过铁件用对接螺栓固定。
为保证吊顶的整体稳定性,吊顶龙骨需与造型连接固定,整体调平。
(7) 石膏板封板1) 石膏板与龙骨用4X 25mm镀锌白攻螺丝固定,纸面石膏板的长边沿纵向次龙骨铺设,即先将板材就位,用电钻将板与龙骨钻通,再上白攻螺丝拧紧。
轻钢龙骨纸面石膏板吊顶施工方法及施工工艺(示范文本)1、施工方法1)弹线画分档:用水准仪在房间内每个墙(柱)角上抄出水平点(若墙体较长,中间也应适当抄几个点),弹出水准线(水准线距地面一般为 500mm),从水准线量至吊顶设计高度加上 12mm,(一层石膏板的厚度),用粉线沿墙(柱)弹出水准线,即为吊顶次龙骨的下皮线。
同时,按吊顶平面图,在混凝土顶板弹出主龙骨的位置线。
主龙骨宜平行房间长向布置,一般从吊顶中心向两边分。
主龙骨及吊杆间距为 1000mm。
如遇到梁和管道固定点大于设计和规程要求,应增加吊杆的固定点。
2)安装吊筋:吊杆长度小于 1500mm 时,采用Φ8 通丝吊筋直接与主龙骨连接;吊杆长度大于 1500mm 时吊顶必须做转换层,转换层采用 L40*4 角钢,吊杆与角钢栓接。
吊杆距主龙骨端部距离不得超过 300 ㎜。
灯具、风口及检修口等处应设附加吊杆。
大于 3kg 的重型灯具、电扇及施工方法及控制要点3)安装边龙骨:边龙骨的安装应按设计要求弹线,沿墙(柱)上的水平龙骨用射钉固定在混凝土墙(柱)上,射钉间距应不大于吊顶次龙骨的间距。
砌筑墙体采用塑料胀栓固定。
4)安装主龙骨:主龙骨应吊挂在吊杆上。
主龙骨间距 1000mm。
主龙骨应起拱,起拱高度为房间短向跨度的 1/200-300。
主龙骨的悬臂段不应大于 300mm,否则应增加吊杆。
主龙骨的接头应采取对接,相邻龙骨的对接接头要相互错开。
主龙骨挂好后应调平。
5)安装次龙骨:次龙骨应紧贴主龙骨安装。
次龙骨间距 400mm,外挑不大于 300mm,固定次龙骨的间距需要考虑到板材模数。
6)石膏板应在自由状态下固定,防止出现弯棱、凸鼓的现象;石膏板应错缝安装,不得通缝;还应在房间具备封闭的条件下安装固定,防止板面受潮变形。
纸面石膏板的长边(即包封边)应沿纵向次龙骨铺设。
自攻螺钉的规格要求:单层板自攻螺钉选用 25×3.5mm;双层板的第二层板自攻螺钉选用 35×3.5mm。
室内吊顶纸面石膏板吊顶施工工艺及施工方法
1、工艺流程
在墙上弹出标高线→固定吊杆→安装主龙骨按标高线调整→主龙骨主龙骨底脚弹线→固定次龙骨→整体校正→面板安装。
2、施工方法要点
(1)吊顶龙骨安装前,先按照设计标高在四周墙、柱上弹水平线,弹线应清晰正确。
吊顶采用Φ8钢筋吊杆,双向、中距1000,刷防锈漆。
吊杆与主龙骨端部距离不得大于300mm,否则应增设吊杆。
吊杆与预埋在在钢筋混凝土板内的Φ6铁环(双向、中距1000)连接。
(2)主龙骨安装
龙骨安装程序,因主龙骨在上,故吊挂件应同主龙骨相连,先在主龙骨底部弹线,然后用连接件将次龙骨与主龙骨固定。
吊顶龙骨安装时,根据设计要求,中间部分起拱,主龙骨长度方向可用接插件连接,接头处叉开,通常次龙骨连接处的对接错位偏差不得超过2mm。
边龙骨应与四周墙固定。
(3)龙骨安装
一般按照预先弹线的位置,从一端依次安装到另一端。
对于检修孔、上人孔、灯带、灯箱等部位,在安装龙骨时应将尺寸及位置留出,将封边横撑龙骨安装完毕。
(4)龙骨调平
在安装龙骨时,根据标高控制线,应使龙骨就位,龙骨的调平与安装宜在同一时间完成。
调平主要是调整主龙骨,只要主龙骨标高正确,次龙骨一般不会发生什么问题。
(5)石膏板安装
石膏板安装前,应对预埋管道和有关器件采取加固措施。
纸面石膏板安装时,长边(包封边)应沿纵向次龙骨铺设,并用自攻螺丝固定,钉距150~170mm,钉与板边距以10~15mm为宜,钉头略埋入板面,并注意不使纸面受损,钉眼用石膏腻子抹平。
1、施工准备(一)(1)技术准备编制轻钢骨架罩面板顶棚工程施工方案,并对工人进行书面技术及安全交底。
(2)材料要求1)轻钢骨架主件为大、中、小龙骨;配件有吊挂件、连接件、插接件。
2)零配件:有吊杆、内膨胀螺栓、铆钉。
3)按设计要求选用罩面板,其材料品种、规格、质量应符合设计要求。
(3)作业条件1)吊顶工程在施工前应熟悉施工图纸及设计说明。
2)吊顶工程在施工前应熟悉现场。
A、施工前按设计要求对房间的净高、洞口标高和吊顶内的管道、设备及其支架的标高进行交接验收。
B、对吊顶内的管道、设备的安装及水管试压进行验收。
C、检查材料进场验收记录和复验报告、技术交底记录。
3)吊顶工程在施工中应做好各项施工记录,收集好各种有关文件。
A、进场验收记录和复验报告、技术交底记录。
B、材料的产品合格证书、性能检测报告。
4)安装面板前应完成吊顶内管道和设备的调试及验收。
2、关键质量要点(1)材料的关键要求1)按设计要求选用龙骨及配件和罩面板,材料品种、规格、质量应符合设计要求。
2)吊顶工程中的预埋件、钢筋吊杆和型钢吊杆应进行防锈处理。
(2)技术关键要求弹线必须准确,经复验后方可进行下道工序。
安装龙骨应平直牢固,龙骨间距和起拱高度应在允许范围内。
(3)质量关键要求1)吊顶龙骨必须牢固、平整:利用吊杆或吊筋螺栓调整拱度。
安装龙骨时应严格按放线的水平线和规方线组装周边骨架。
受力节点应装订严密、牢固、保证龙骨的整体钢度。
龙骨的尺寸应符合设计要求,纵横拱度均匀,互相适应。
吊顶龙骨严禁有硬弯,如有必须调直再进行固定。
2)吊顶面层必须平整:施工前应弹线,中间按平线起拱。
长龙骨的接长应采用对接,经检查合格后再安装饰面板。
吊件必须安装牢固,严禁松动变形。
龙骨分格的几何尺寸必须符合设计要求和饰面板块的模数。
饰面板的品种、规格符合设计要求,外观质量必须符合材料技术的规格。
3)大于3kg的重型灯具、电扇及其他重型设备严禁安装在吊顶工程的龙骨上。
3、施工工艺1、工艺流程顶棚标高弹水平线→划龙骨分档线→安装水电管线(专业公司)→固定吊挂杆件→安装主龙骨→安装次龙骨→安装罩面板2、操作工艺(1)弹线根据楼层标高基准线沿墙四周弹顶棚标高水平线,并沿水平线,在墙上划好龙骨分档位置线,并把龙骨位置线引到顶层楼板基层上。
北京奥林匹克公园( B区) 奥运村( D区)装饰装修纸面石膏板吊顶施工方案编制人:审核人:编制时间: -5-8深圳市科源建设集团有限公司目录第一章、编制依据及说明 (3)第二章、工程概况 (5)第三章、吊顶施工工艺 (6)第四章、安全施工问题 (12)第五章、工程的质量目标 (14)纸面石膏板吊顶施工方案第一章编制依据及说明一、编制依据:1、北京奥林匹克公园( B区) 奥运村( D区) 项目装修装饰工程施工招标文件、答疑及现场勘察的实际情况;2、业主提供的装饰施工图及本公司的深化图纸;3、根据本公司的ISO9001国际质量标准相关文件;4、结合本公司的装饰施工经验和资料;5、其它现行国家和北京市的规范及标准;6、建设工程标准及技术规范:《中华人民共和国建筑法》《中华人民共和国消防法》《建设工程质量管理条例》( 国务院令第279号)《建筑工程施工质量验收统一标准》( GB50300- )《建筑装饰装修工程质量验收规范》( GB50210- )《建筑工程质量检验评定标准》( GBJ301-88)《建筑抗震设计规范》( GB50011- )《建筑设计防火规范》( GB50016- )《高层民用建筑设计防火规范》( GB50045-95) ( )《建筑内部装修设计防火规范》( GB50222-95)《关于加强建筑工程室内环境质量的若干意见》( 建办质[ ]17号) 《工程建设标准强制性条文》( 建标[ ]85号)《GB/T19000―ISO9000质量管理和质量保证系列标准》《工程测量规范》( GBJ50026-93)《建筑装饰工程施工及验收规范》( GB50210- )《高级建筑装饰工程质量验收标准》( DBJ/T01-27- )《施工现场临时用电安全技术规范》( JGJ46- )《建筑工程项目管理规范》( GB/T50326- )《工程测量规范》( GB50026-93)7、奥运工程室内环境装饰装修标准:《奥运工程环保指南——绿色建材部分》《民用建筑工程室内环境污染控制规程》( DBJ01-91- )《空内空气质量标准》( GB/T18883-3- )《室内装饰装修材料人造板及其制品中甲醛释放限量》( GB18580- )《室内装饰装修材料溶剂型木器涂料中有害物质限量》( GB18581- )《室内装饰装修材料内墙涂料中有害物质限量》( GB18582- )《室内装饰装修材料胶粘剂中有害物质限量》( GB18583- )《室内装饰装修材料地毯、地毯衬垫及地毯胶粘剂有害物质释放限量》( GB18587- )《混凝土外加剂中释放氨的限量》( GB18588- )《建筑材料放射性核素限量》( GB6566- )《国家纺织产品基本安全技术规范》( GB18401- )《环境标志产品技术要求卫生陶瓷》( HJ/T296- )《奥运工程环保指南与相关国家及行业标准的对比》8、各类材料现行规范:《建筑设计防火规范》( GBJ16-87) ( 修订版)《建筑内部装修设计防火规范》( GB50222-95)《纸面石膏板》( GB/9775-99)《建筑用轻钢龙骨》( GB/T11981- )《建筑材料燃烧性能分级方法》( GB8624-97)《建筑材料放射性核素限量》( GB6566- )本工程符合北京市地方的施工验收规范、标准和管理办法, 主管部门的批示文件, 北京””工程建设指挥部关于奥运工程的要求, 设计和设计部门对施工的要求。
轻钢龙骨纸面石膏板吊顶(轻钢龙骨固定罩面板)施工工艺1、施工准备(1)技术准备编制轻钢骨架罩面板顶棚工程施工方案,并对工人进行书面技术及安全交底。
(2)材料要求1)轻钢骨架主件为大、中、小龙骨;配件有吊挂件、连接件、插接件。
2)零配件:有吊杆、膨胀螺栓、铆钉。
3)按设计要求选用罩面板,其材料品种、规格、质量应符合设计要求。
(3)作业条件1)吊顶工程在施工前应熟悉施工图纸及设计说明。
2)吊顶工程在施工前应熟悉现场。
A、施工前按设计要求对房间的净高、洞口标高和吊顶内的管道、设备及其支架的标高进行交接验收。
B、对吊顶内的管道、设备的安装及水管试压进行验收。
C、检查材料进场验收记录和复验报告、技术交底记录。
3)吊顶工程在施工中应做好各项施工记录,收集好各种有关文件。
A、进场验收记录和复验报告、技术交底记录。
B、材料的产品合格证书、性能检测报告。
4)安装面板前应完成吊顶内管道和设备的调试及验收。
2、关键质量要点(1)材料的关键要求1)按设计要求选用龙骨及配件和罩面板,材料品种、规格、质量应符合设计要求。
2)吊顶工程中的预埋件、钢筋吊杆和型钢吊杆应进行防锈处理。
(2)技术关键要求弹线必须准确,经复验后方可进行下道工序。
安装龙骨应平直牢固,龙骨间距和起拱高度应在允许范围内。
(3)质量关键要求1)吊顶龙骨必须牢固、平整:利用吊杆或吊筋螺栓调整拱度。
安装龙骨时应严格按放线的水平标准线和规方线组装周边骨架。
受力节点应装订严密、牢固、保证龙骨的整体钢度。
龙骨的尺寸应符合设计要求,纵横拱度均匀,互相适应。
吊顶龙骨严禁有硬弯,如有必须调直再进行固定。
2)吊顶面层必须平整:施工前应弹线,中间按平线起拱。
长龙骨的接长应采用对接,经检查合格后再安装饰面板。
吊件必须安装牢固,严禁松动变形。
龙骨分格的几何尺寸必须符合设计要求和饰面板块的模数。
饰面板的品种、规格符合设计要求,外观质量必须符合材料技术标准的规格。
3)大于3kg的重型灯具、电扇及其他重型设备严禁安装在吊顶工程的龙骨上。
纸面石膏板吊顶施工工艺
轻钢龙骨石膏板吊顶和木龙骨夹板吊顶施工吊顶施工工艺流程:
熟悉图纸→构造顶放吊筋线,墙面抄水平线→打眼→安装吊筋→安装主龙骨→安副龙骨→拉线→检查主、副龙骨→隐蔽工程验收→强、弱电及消防隐蔽工程验收→封石膏板→自检→验收。
施工规定及操作要点:
1、轻钢龙骨采用C50或C38不上人系列,9mm厚纸面石膏板,全牙Ф6内膨涨吊筋
2、轻钢龙骨安装:大龙骨中距为1200mm,副龙骨距为400mm,吊筋距离为1200mm。
在主龙骨端部位接长处必要设立一根吊筋,第一根主龙骨距墙面不得不不大于150mm吊筋距强、弱电线管,消防管外径不不大于50mm。
3、主龙骨必要错开格棚灯位。
在格棚灯洞四周加设龙骨加固。
4、跨度比较大房间,中间起拱高度按跨度1%起拱。
5、主、副龙骨安装完后,必要拉线检查龙骨横平竖直,作好隐蔽工程验收。
6、石膏板安装前,在龙骨下口拉通线,控制石膏板安装时缝隙顺直,石膏板与石膏板接头处留5mm缝,固定石膏板钉距不得不不大于150mm,钉帽必要入板内1~2mm。
用原子灰将缝和钉眼(钉眼要作防锈解决)批平,接缝处贴绷带。
7、龙骨吊装夹板时,应向业主建议吊装双层夹板,底层为5厘普通夹板,面层为质量较好进口或合资3厘夹板,保证其面层不会起层、鼓泡。
安装时,应注意底层和面层夹板拼缝必要互相错开,且在转角处,用整板开料过渡,
不得在转角处留有拼缝。
8、面层拼缝要留缝3mm,且双边坡口。
在刮腻子前,用木胶粉分3次嵌填密实,并刮平。
9、吊顶夹板安装固定期,离墙距离不得不大于10mm。
大面积吊顶施工工艺:
本节合用于以轻钢龙骨、铝合金龙骨以及要龙骨为骨架种类石膏板、矿棉(岩棉)吸音板、玻璃纤维板、胶合板、钙塑板、塑料板、加压水泥板以及各种金属饰面板等吊顶工程。
(一)施工准备
1.材料
(1) 各种材料级别、规格以及零配件应符合设计规定。
(2) 各种材料应有产品质检合格证书和关于技术资料,配套齐备。
(3) 所有用料运送进场不得随意乱扔、乱闯,防止踏踩,堆放平正,防止材料变形、损坏、污染、缺损。
2.作业条件
(1) 一方面应熟识图纸、所用材料、施工工具、工程量、劳动力状况、施工工序、现场状况、工期等。
(2) 该建筑物原始资料应齐全。
(3) 所有现场配制粘结剂,其配合比应先由关于部门进行试配,实验合格后才干用。
(4) 吊顶施工前,应在上一工序完毕后进行。
(5) 对原有孔洞应弥补完整,无裂漏现象。
(6) 对原有(埋)吊杆(件)应符合设计规定。
(7) 对上工序安装管线应进行工艺质量验收;所预留出口、风口高度应
符合吊顶设计标高。
(二)操作工艺
1.龙骨安装
(1) 依照吊顶设计标高规定,在四周墙上弹线,弹线应清晰,其水平容许偏差±5mm。
(2) 依照设计规定定出吊杆吊点坐标位置。
(3) 主龙骨端部吊点离墙边不应不不大于300mm。
(4) 主龙骨安装完毕应作整体校正其位置和标高,并应在跨中按规定起拱,起拱高度应不不大于房间短向跨度1/200。
(5) 各种金属龙骨如需接驳,应使用同型号之接驳配件,如产品确无配件,应作恰当解决。
(6) 如主龙骨在安装时与设备、预留孔洞或其他吊件、灯组,工艺吊件有矛盾时应告知设计人协调解决吊点构造或增设吊杆。
(7) 主龙骨与吊杆应尽量在同一平面之垂直位置。
如发现偏离应作恰当调节。
使用柔性吊杆作为主吊杆,应作足够刚性支撑,以免在安装罩面板时吊顶整体变形。
(8) 主龙骨安装应留有副(次)龙骨及罩面板之安装尺寸。
(9) 如设计无明确规定,主龙骨应设在平行于吊顶短跨边。
(10) 安装金属次龙骨,应使用同型号产品之配件,并应卡接牢固。
(11) 如为木骨架,在安装时注意所选用材料规格及材质应符合设计,并应按现行《木构造工程施工及验收规范》关于规定执行。
2.罩面板施工分钉挂式、搁置式和扣挂式。
普通状况下当采用木板、胶合板、纤维板、石膏板和加压水泥板做吊顶罩面板时,多用钉挂形式。
当用钙塑板、岩棉板、矿棉板、超细玻璃棉板、刨花
板、木丝板时多用搁置式。
当用金属装饰板时多为扣挂式。
(1) 钉挂式罩面板,普通状况下表面尚有饰面层,因此,安装除表面平整外,板块之间应留缝隙间疏,并应将板材边角去一小角,以利填缝是挂腻子。
(2) 用石膏板、加压水泥板作吊顶罩面板,所选自攻螺丝应先进行防锈解决,螺丝间距在200mm内为适当,钉头沉0.5~1mm内为好。
钉头过沉,会导致因挤压过紧而浮现脱挂。
(3) 普通胶合板、木板,当前安装多使用经解决气压射钉,如使用普通圆钉作钉挂,应将钉头打扁解决,在沉头后再用油漆作防锈解决。
(4) 搁置式罩面板应搁置在合金铝┻型龙骨或其他龙骨之上。
普通多为轻质材料加工,安装时除注意保持龙骨平直外,安装后不要有外力重压。
1) 搁置式罩面板,如是细玻璃板等,有孔洞时,应在骨面作恰当贴填加固,任何外物不能直接加在超细玻璃棉、岩棉、矿棉之类罩面之上。
2) 采用搁置法安装时,应留有板材安装缝,每边缝隙不适当不不大于
1mm。
(5) 扣挂式金属罩面板,普通都已涂了饰面层,并有表层保护膜,加工比较整洁,安装容易,只要注意产品保护、平整、统一容易达标。
扣挂式罩面板尚有一种暗骨做法,暗骨罩面板在安装时特别要保护好其边角,其整体平正,完全决定于骨架质量。
此类产品普通表面再不作装饰,因此施工时应十分注意表面保护。
(三)质量原则
1.保证项目
(1) 所有品种规格、颜色、质量及其骨架构造、固定办法应符合设计规定和质量原则。
(2) 吊顶龙骨及罩面板、安装必要牢固、外形整洁、美观、不变形、不脱色、不残缺、不折裂。
(3) 轻骨架不得弯曲变形,纸面板不得受潮、翘曲变形、缺棱掉角、无脱层、干裂、厚薄一致。
2.基本项目
(1) 吊顶安装完毕不容许外来物体撞击、污染。
(2) 已带图案、花饰罩面板其图案、花饰应统一端正,找缝处花纹图案吻合、压条应保证平直。
(3) 在完毕吊顶安装后,应进行实测。
普通状况下,信道在10m内,大面积礼堂、厅堂等以两轴之间抽查不不大于10%测检点。
我司天花吊顶经验做法(可向业主建议)
1)夹板吊顶最佳用两层,5厘+3厘或3厘+3厘。
两层板应错缝拼装,板缝应留3mm并两边倒边。
外层夹板最佳用进口料(因其不易分层起泡)。
板缝用木胶粉嵌实(2—3次,每次干透后再补)。
夹板距边墙不不大于10mm。
2)刮灰前夹板应涂光油一遍。
3)生间及厨房吊顶最佳不用铁质龙骨(因其生锈后会污染吊顶材料)。
吊顶材料宜用铝合金及PVC材料。
4)多级夹板天花在转角处,夹板应用整料开出转角形状,使拼缝尽量离开转角。
立面转角处,两边夹板应分别互相丁接并留出3mm缝隙。
5)天花角线最佳使用石膏线(既经济又不易开裂)。
如用木质角线,则应选优质材料如枫木榉木等,并规定纹理色泽一致,拼缝自然隐蔽。
无论何种吊顶,龙骨一定要结实稳固!。